氯化钠质量标准起草说明
- 格式:doc
- 大小:147.00 KB
- 文档页数:9
氯化钠检测SOP1.目的:为规范氯化钠检测的操作,确保检测的准确性。
2.范围:本标准操作规程适用于氯化钠的检测操作。
3.定义:无4. 职责4.1.QC负责本规程的起草、修订、培训及执行。
4.2.QA、QC组长、质量管理部经理负责本规程的审核。
4.3.质量总监负责批准本规程。
4.4.QA负责本规程执行的监督。
5.引用标准:《中华人民共和国药典》2020年版二部6.材料:见程序。
7.流程图:无8. 程序8.1.性状:本品为无色、透明的立方形结晶或白色结晶性粉末;无臭,味咸。
在水中易溶,在乙醇中几乎不溶。
8.2.鉴别8.2.1.原理钠离子在无色火焰中燃烧,火焰呈鲜黄色。
钠离子与焦锑酸钾作用,能产生不溶性的沉淀。
氯离子与银离子反应生成不溶于硝酸的白色凝乳状沉淀,此沉淀在氨试液中能形成银氨离子络合物而溶解,在硝酸过量时沉淀复生成。
氯化钠和二氧化锰加浓硫酸湿润后缓慢加热可生成氯气,氯气能使湿润的淀粉碘化钾试纸显蓝色。
反应方程式如下:2NaCl + 3H2SO4+ MnO2→ MnSO4+ 2NaHSO4+ Cl2↑ + 2H2OCl2+2KI → 2KCl + I2(与淀粉变蓝色)8.2.2.仪器及设备:铂丝、酒精灯、中试管、玻璃棒、100ml烧杯、100ml容量瓶、电子天平(千分之一)、25ml纳氏比色管、试管夹等。
8.2.3.试剂及配制盐酸:购入。
15%碳酸钾溶液:取碳酸钾15.0g,加水使溶解并定容至100ml,摇匀,即得。
焦锑酸钾试液:取焦锑酸钾2.0g,在85ml热水中溶解,迅速冷却,加入氢氧化钾溶液(3→20)10ml,放置24小时,滤过,加水稀释至100ml,即得。
硝酸银试液:取硝酸银17.5g,加水适量使溶解成1000ml,摇匀,即得。
氨试液:取浓氨溶液400ml,加水使成1000ml,摇匀,即得。
稀硝酸:取硝酸105ml,加水稀释至1000ml,摇匀,即得。
样品溶液:取样品5.0g,加水50ml振荡使其充分溶解,即得。
2003氯化钠团体标准概述及解释说明1. 引言1.1 概述2003氯化钠团体标准是指在2003年制定并发布的一份关于氯化钠(食盐)的集体标准文件。
该标准旨在规范氯化钠的生产、加工、储存和使用等相关行为,以确保产品质量安全。
1.2 文章结构本文将从以下几个方面对2003氯化钠团体标准进行探讨和解释说明。
首先,将介绍该标准的定义、背景以及标准制定过程。
接着,详细介绍标准所包含的内容及其重要性。
然后,对标准中的术语进行解释说明,并阐述标准应用范围以及实施注意事项。
随后,通过案例分析深入探讨氯化钠团体标准在工业实践中的应用,并评估其效果,并提出改进建议。
最后,总结其他行业对类似标准的借鉴经验,并展望未来发展趋势和研究限制,同时给出后续工作建议。
1.3 目的本文旨在全面概述和解释说明2003年发布的氯化钠团体标准,使读者对该标准的背景、制定过程以及内容有清晰的了解。
同时,通过案例分析和探讨,探究标准在工业实践中的应用情况,并给出相应的评估和改进建议。
此外,结合其他行业的借鉴经验,对类似标准具有借鉴意义的方面进行总结。
最后,对未来发展趋势进行展望,同时指出研究限制并提出进一步开展相关工作的建议。
2. 氯化钠团体标准2.1 定义和背景氯化钠团体标准是指对氯化钠产品的质量要求、技术规范以及测试方法的统一规定。
作为一种重要的无机盐,氯化钠在工业生产和日常生活中广泛应用,在化学、医药、食品等领域都具有重要地位。
该团体标准的制定旨在提供一个可行且有效的基础,以确保氯化钠产品在各个方面符合安全性、稳定性和质量上的标准要求。
它不仅为生产企业提供了指导,也维护了消费者权益,促进了相关行业可持续发展。
2.2 标准制定过程制定氯化钠团体标准经历了多个阶段的工作和讨论。
首先,在专家组的组建之后,进行了相关调研和数据收集工作。
然后,在分析研究的基础上,制定了初步草案。
接下来,将初稿提交给各利益相关方和行业从业者征求意见,并根据反馈意见进行修订完善。
氯化钠说明书一、产品概述氯化钠是一种化学物质,常见的称呼是食盐或者普通盐。
它的化学式为NaCl,是由钠离子(Na+)和氯离子(Cl-)组成的。
氯化钠是一种白色结晶的固体,具有较强的溶解性,可溶于水。
二、产品用途氯化钠广泛应用于日常生活和工业生产中。
以下是氯化钠的主要用途:1. 食品加工:氯化钠是制备食品中最常用的调味品,它能增强食物的味道,提高口感,并延长食品的保鲜期。
2. 医药领域:氯化钠在医药中有多种应用,例如作为静脉注射液的溶剂、眼药水的成分以及皮肤消毒液的配方。
3. 纺织工业:氯化钠可用于染料和纺织品的生产过程中,有助于提高染料的溶解性和纺织品的稳定性。
4. 汽车冰雪融化剂:在寒冷地区,氯化钠可以作为融雪剂使用,用于消除道路上的冰雪,确保车辆和行人的交通安全。
5. 化工生产:氯化钠是许多化学物质的原料,例如氯气、氢氧化钠和硫酸钠等,在化工领域具有重要的应用价值。
三、安全使用指南为了确保安全和正确使用氯化钠,请遵循以下指南:1. 储存安全:将氯化钠储存在干燥、通风良好的地方,远离火源和易燃材料。
避免与强氧化剂接触,以防止发生化学反应。
2. 食品加工环境:在食品加工过程中,要使用符合卫生标准的氯化钠,并确保合理的食盐使用量。
应储存在干燥、卫生的容器中,避免受到污染。
3. 避免过量摄入:长期摄取过量的氯化钠可能对健康产生负面影响,如高血压和心血管疾病。
在日常饮食中,应控制食盐摄入量,尽量选择低盐或无盐饮食。
4. 注意皮肤接触:直接接触氯化钠可能导致皮肤刺激和干燥。
如果接触到氯化钠,请立即用清水冲洗受影响区域,并及时就医。
四、产品包装和规格氯化钠通常以不同规格的包装供应。
常见的包装形式包括:1. 塑料袋:一般用于小规模需求,密封性较好,方便易用。
2. 纸箱:适用于大规模需求,多为敞口式纸箱,方便储存和运输。
3. 散装供应:对于一些特定行业和工业生产,氯化钠可以散装供应,以满足大批量需求。
产品规格根据不同用户的需求而定,常见的规格有1kg、5kg、20kg 等。
煤化工副产工业氯化钠标准随着现代经济的发展和人民生活水平的不断提高,对于煤化工等工业的副产物的利用和处理也得到了越来越多的关注。
而工业氯化钠作为煤化工副产物中的一种重要物质,在使用过程中也有其标准和规范。
下面将为您介绍工业氯化钠的标准。
工业氯化钠是由煤化工生产过程中生成的氯化钠结晶体制成的,它具有较高的纯度和良好的机械性能。
在生产和使用中,需要遵循以下的标准和规范:一、外观和性状:工业氯化钠应为无色或白色结晶体。
其样品应不得有任何颜色不均、杂质、异物和破损等情况。
二、化学成分:工业氯化钠的化学成分应符合以下标准:1、氯化钠(NaCl)含量:>99%2、水分(H2O):<0.5%3、硫酸盐(SO42-)含量:<0.1%4、碳酸盐(CO32-)含量:<0.05% 5、铁(Fe)含量:<10mg/kg 6、砷(As)含量:<1.5mg/kg 7、重金属(pb)含量:<5mg/kg三、包装和运输:工业氯化钠应在符合国家相关法律法规的情况下进行包装和运输。
包装应采用防潮、防污染的内袋和托盘等材料,并确保不能出现包装破损、产品流失、污染和变形等情况。
四、使用注意事项:在使用工业氯化钠时,注意保护环境,遵从安全生产规章制度,确保安全生产。
同时,还需要注意以下事项:1、储藏:应将工业氯化钠储存在干燥通风、遮阳的场所中,避免受潮和日晒。
2、防火:避免将工业氯化钠与易燃物质、酸类和氧化剂等物质接触,以防发生化学反应。
3、避免接触:在操作过程中,应采用适当的防护措施,避免工业氯化钠直接接触皮肤、眼睛和粘膜。
以上是工业氯化钠的标准和规范,这些规范的制定和落实能够保证工业氯化钠的质量和安全性,是保障生产和使用过程中的必要措施。
希望在今后的工业煤化学生产与使用中,能够进一步完善和推广这些标准和规范,确保工业氯化钠的优质使用。
工业氯化钠作为一种重要的煤化工副产物,在工业生产和民生领域都有着广泛的应用。
工业氯化钠质量标准工业氯化钠,即普通盐,是一种重要的化工原料,广泛应用于化工、医药、冶金、轻工等领域。
其质量标准对于保障产品质量、促进行业健康发展具有重要意义。
本文将对工业氯化钠的质量标准进行详细介绍,旨在为相关行业提供参考。
一、外观要求。
工业氯化钠应为白色结晶体,无杂质、无异味。
外观应干净整齐,无结块、结壳等现象。
二、化学成分。
1. 含钠量,工业氯化钠中钠的含量不得低于99.0%。
2. 含水量,含水量不得高于1.5%。
3. 铁含量,铁含量不得高于0.01%。
4. 碱度,PH值应在7.0-8.5之间。
三、颗粒度要求。
工业氯化钠颗粒应均匀细致,不得有明显的颗粒状块状物。
四、溶解度。
工业氯化钠在20℃时,溶解度不得低于36%。
五、重金属含量。
对铅、汞、砷、镉等重金属的含量有严格限制,需符合国家相关标准。
六、包装要求。
工业氯化钠应采用塑料编织袋或复合纸塑袋包装,每袋净重不得超过50kg。
包装应整洁、无破损,标识清晰完整。
七、贮存要求。
工业氯化钠应贮存在通风干燥的库房内,远离火种、热源,防潮、防雨淋。
贮存期不得超过一年。
八、质量检验。
工业氯化钠应定期进行质量检验,检测项目包括外观、化学成分、颗粒度、溶解度等,确保产品符合标准要求。
总结,工业氯化钠作为重要的化工原料,在生产和应用中其质量标准至关重要。
只有严格按照质量标准生产,才能保证产品质量,提升行业竞争力。
希望相关企业能够认真遵守工业氯化钠的质量标准,共同推动行业健康发展。
工业氯化钠标准工业氯化钠是一种重要的化工原料,广泛应用于化工、医药、冶金、制盐等领域。
为了保证工业氯化钠的质量和安全性,制定了一系列的标准来规范其生产和使用。
本文将就工业氯化钠标准进行详细介绍,以便相关行业的生产企业和使用单位参考。
首先,工业氯化钠的外观和性状是标准的重要内容之一。
根据标准规定,工业氯化钠应为白色结晶颗粒或粉末状,无臭,味咸,易溶于水。
外观和性状的合格标准,直接关系到工业氯化钠的质量和使用效果,因此生产企业在生产过程中需严格按照标准要求进行控制。
其次,工业氯化钠的化学成分和纯度也是标准所关注的重点。
标准规定了工业氯化钠的主要化学成分及其含量,包括氯化钠含量、硫酸盐含量、碳酸盐含量等。
此外,还规定了工业氯化钠的纯度指标,如水分含量、重金属含量等。
这些指标的合格与否,直接关系到工业氯化钠的化学性质和安全性,因此生产企业在生产过程中需要严格把控化学成分和纯度指标。
另外,工业氯化钠的包装、储存和运输也是标准所关注的内容之一。
标准规定了工业氯化钠的包装规范,包括包装材料、包装形式、包装标识等。
同时,还规定了工业氯化钠的储存和运输条件,以及注意事项。
这些规定的目的在于保证工业氯化钠在储存和运输过程中不发生质量变化,确保产品质量和安全。
最后,工业氯化钠的使用和处理也是标准所关注的内容之一。
标准规定了工业氯化钠的使用方法、注意事项,以及废弃物处理等内容。
这些规定的目的在于保证工业氯化钠在使用和处理过程中不对环境和人体造成危害,确保产品的安全性和环保性。
总之,工业氯化钠标准的制定和执行,对于保障产品质量、安全性和环保性具有重要意义。
生产企业和使用单位应严格按照标准要求进行生产和使用,确保工业氯化钠的质量和安全。
同时,相关部门也应加强对工业氯化钠的监督检查,确保标准的有效执行,推动工业氯化钠行业的健康发展。
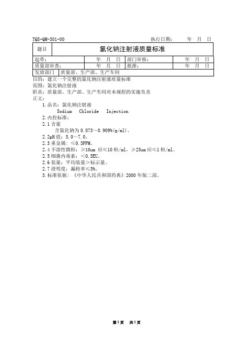
AG-I8035-2015 0.9%氯化钠注射液质量标准第1 页共1 页
0.9%氯化钠注射液质量标准
1、目的:建立0.9%氯化钠注射液质量标准。
2、范围:适用于公司采购的0.9%氯化钠注射液。
3、责任:质量部工作人员。
4、内容:
4.1、性状:本品为无色的澄明液体;味微咸。
4.2、pH值:取本品,依法测定(中国药典2010年版三部附录V A),pH值应
为4.5~7.0。
4.3、渗透压摩尔浓度:取本品,依法检查(中国药典2010年版三部附录V H),渗透压摩尔浓度应为260~320mOsmol/Kg。
4.4、细菌内毒素:取本品,依法检查(中国药典2010年版三部附录XII E),内毒素含量不高于0.5EU/ml。
4.5、无菌:取本品,依法检查(无菌检测(平板法)标准操作程序),应符合规定。
上海安集协康生物技术有限公司。
精制氯化钠质量标准与检测技术研究进展氯化钠(NaCl)是最常见的食盐,被广泛用于食品加工、调味和食盐制备等方面。
精制氯化钠的质量标准和检测技术对保障食盐的质量与安全具有重要意义。
本文将对氯化钠质量标准和检测技术的研究进展进行探讨。
一、氯化钠质量标准研究进展1. 中国国家标准(GB 5461-2012)对食用盐的质量标准进行了规定,其中包括了氯化钠的含量、湿度、铁、砷、铅、汞等有害物质的限量要求。
此外,还对碘盐、低钠盐、硝酸盐、硫酸盐的标准进行了规定。
对于氯化钠的含量,标准规定了食盐的氯化钠质量分数应不低于99.7%。
2. 国际盐业联合会(International Salt Industry Council,ISIS)制定了盐品质量规范和方法,对氯化钠的含量、湿度、杂质、添加剂等进行了详细规定。
3. 不同国家和地区的食盐生产标准也存在一定的差异,一些国家标准规定了食盐的纯度、颗粒度、晶型等要求。
例如,美国食品和药物管理局(FDA)规定了食盐的最低纯度(NaCl质量分数不低于97%)和最低晶型(95%为立方晶型)。
二、氯化钠检测技术研究进展1. 传统的氯化钠含量测定方法主要有重量法、滴定法和电位滴定法。
重量法需将样品溶解或熔融后,通过称量样品和残渣的差值得到氯化钠含量。
滴定法则是使用标准盐酸溶液滴定测定样品中氯离子含量。
电位滴定法使用电位滴定仪测定氯离子的滴定终点。
这些方法简单易行,但存在操作繁琐、耗时长、测定精度有限等缺点。
2. 现代分析技术的进步为氯化钠的检测提供了更多选择。
例如,原子吸收光谱法(AAS)和电感耦合等离子体质谱法(ICP-MS)可以准确测定氯化钠中的痕量金属离子,如铁、铅、锌等。
同时,近红外光谱法(NIR)和拉曼光谱法(Raman)可以快速、非破坏性地测定食盐中的氯化钠含量。
此外,核磁共振技术(NMR)也成为食盐检测中的常用方法。
3. 还有一些新兴的检测技术在氯化钠的质量检测中也开始应用,如纳米材料与纳米技术、生物传感器技术、荧光标记技术等。
目的:明确氯化钠质量标准和规范氯化钠检验方法。
适用范围:氯化钠的检验。
责任人:化验员。
引用标准:CP2000版二部。
本品按干燥品计算,含NaCl不得少于99.5%。
分子式为NaCl,分子量:58.44。
[性状] 本品为无色、透明的立方形结晶或白色结晶性粉末;无臭,味咸。
本品在水中易溶,在乙醇中几乎不溶。
[鉴别] 本品的水溶液显钠盐与氯化物的鉴别反应(见一般鉴别反应)。
[检查] 酸碱度取本品5.0g,加水50ml溶解后,加溴麝香草酚蓝指示液2滴,如显黄色,加氢氧化钠滴定液(0.02mol/L)0.10ml,应变为蓝色;如显蓝色或绿色,加盐酸(0.02mol/L)0.20ml,应变为黄色。
溶液的澄清度取本品5.0g,加水25ml溶解后,溶液应澄清。
碘化物取本品的细粉5.0g,置瓷蒸发皿内,滴加新配制的淀粉混合液(取可溶性淀粉0.25g,加水2ml,搅匀,再加沸水于25ml,随加随搅拌,放冷,加0.025mol/L硫酸溶液2ml、亚硫酸钠试液3滴与水25ml,混匀)适量使晶粉湿润,置日光下(或日光灯下)观察,5分钟内晶粒不得显蓝色痕迹。
溴化物取本品2.0g,加水10ml使溶解,加盐酸3滴与氯仿1ml,边振摇边滴加2%的氯胺T溶液(临用新制)3滴,氯仿层如显色,与标准溴化钾溶液(精密称取在105℃干燥至恒重的溴化钾0.1485g,加水使溶解成100ml,摇匀)1.0ml用同一方法制成的对照液比较,不得更深。
硫酸盐取本品5.0g,依法检查(见硫酸盐检查法),与标准硫酸钾溶液1.0ml制成的对照比较,不得更浓(0.002%)。
钡盐取本品4.0g,加水20ml溶解后,滤过,滤液分为两等份,一份中加稀硫酸2ml,另一份中加水2ml,静置15分钟,两液应同样澄清。
钙盐取本品2.0g,加水10ml使溶解,加氨试液1ml,摇匀,加草酸铵试液1ml,5分钟内不得发生浑浊。
镁盐取本品2.0g,加水20ml使溶解,加氢氧化钠试液2.5ml 与0.05%太坦黄溶液0.5ml,摇匀,生成的颜色与标准镁溶液(精密称取经800℃炽灼至怛重的氧化镁16.58mg,加盐酸2.5ml与水适量使溶解成1000ml,摇匀)1.0ml用同一方法制成的对照液比较,不得更深(0.001%)。
工业氯化钠标准工业氯化钠是一种重要的化工原料,在化工生产和其他领域有着广泛的应用。
为了保证工业氯化钠的质量,各国都制定了相应的标准,以确保其生产和使用的安全性和可靠性。
本文将介绍工业氯化钠的相关标准内容,以便相关生产企业和使用单位了解和遵守相关标准要求。
首先,工业氯化钠的外观要求。
根据标准规定,工业氯化钠应为白色结晶或结晶性粉末,无明显杂质。
外观应干净整齐,无结块、结壳和结晶不完整等现象。
这些要求旨在确保工业氯化钠的纯度和外观质量,以便满足生产和使用的需要。
其次,工业氯化钠的化学成分要求。
标准中通常规定了工业氯化钠的主要化学成分和杂质含量。
例如,氯化钠的纯度应不低于一定的含量,同时还规定了其他可能存在的杂质元素的含量限制。
这些要求是为了保证工业氯化钠的化学性质符合生产和使用的要求,避免对产品质量和生产过程造成不利影响。
另外,工业氯化钠的物理性质也是标准关注的重点。
比如,标准通常规定了工业氯化钠的晶体结构、晶体尺寸、溶解度、熔点和热稳定性等物理性质的要求。
这些要求旨在确保工业氯化钠在生产和使用过程中的物理性能符合要求,以保证产品质量和生产工艺的稳定性。
此外,标准还会对工业氯化钠的包装、运输和贮存提出相应的要求。
例如,包装应符合相关的标准要求,以保证产品在运输和贮存过程中不受到污染和损坏。
同时,标准还会规定工业氯化钠的贮存条件和有效期限,以保证产品在贮存过程中不发生质量变化和性能下降。
总的来说,工业氯化钠标准的制定旨在保证产品的质量和安全,促进行业的健康发展。
生产企业和使用单位应严格遵守相关标准要求,确保产品的质量和性能符合要求,以推动工业氯化钠行业的持续发展和进步。
通过对工业氯化钠标准的了解和遵守,可以有效提高产品质量,降低生产过程中的风险,保障产品的安全性和可靠性。
同时,也有利于促进工业氯化钠行业的规范化发展,提升整个行业的竞争力和可持续发展能力。
希望生产企业和使用单位能够充分重视工业氯化钠标准,做好产品质量管理,为行业发展做出积极贡献。
氯化钠国标
《氯化钠国标》是指我国国家标准中对氯化钠(NaCl)所规定的具体要求和标准。
氯化钠是一种常见的无机化合物,广泛应用于医药、食品、化工、冶金等领域。
为了保障公众的健康和安全,国家对氯化钠的生产、质量和使用进行了规范和标准化。
氯化钠国标主要包括以下方面:产品分类、技术要求、检验方法、包装、标志、贮存和运输等。
其中,技术要求是最为关键的部分,包括了氯化钠的化学成分、外观、颗粒度、溶解度、含水量、pH值、氯离子含量、重金属含量、微生物限制等指标。
这些指标的达标与否,直接关系到氯化钠的质量和安全性。
氯化钠国标的实施,不仅有助于保障氯化钠产品的质量和安全,也有助于推动氯化钠行业的健康发展。
同时,也为相关企业提供了明确的标准和依据,有利于提高企业的生产技术和管理水平,增强其市场竞争力。
- 1 -。
生理氯化钠溶液
Shengli Lühuana Rongye
Sodium Chloride Physiological Solution
书页号:2005年版二部-761
[修订]
【鉴别】本品显钠盐的火焰反应与氯化物的鉴别反应(附录Ⅲ)。
[增订]
重金属取本品50ml,蒸发至约20ml,放冷,加醋酸盐缓冲液(pH3.5)2ml 与水适量使成25ml,依法检查(附录Ⅷ H第一法),含重金属不得过千万分之三。
生理氯化钠溶液质量标准起草说明
根据国家药典会“《中国药典》2010年版(二部)化学药品科研项目会议纪要”分工,我所承担生理氯化钠溶液质量标准的起草任务,
四川省食品药品检验所承担本标准(草案)的复核工作,复核无意见。
生理氯化钠溶液为冲洗剂,在中国药典2005年版二部和美国药典(USP31-NF26)、英国药典(BP2008)、日本药局方(JP15)中均有收载,各国标准比较见《各国药典生理氯化钠溶液标准比较表》。
本次标准的起草工作是以《中国药典》2005年版(二部)标准为基础,按《中国药典》2010年版(二部)附录拟修订征求意见稿要求,同时参考美国药典、英国药典、日本药局方标准进行,起草过程中对国内七家药厂共12批样品进行了考察,增修订的内容有:(1)钠盐鉴别删去醋酸氧铀锌的沉淀反应,只保留钠盐的火焰反应;(2)增加重金属的检查项;(3)增加渗透压的检查项。
另对无菌检查进行方法验证,细菌内毒素检查进行干扰试验。
现将起草情况说明如下:
1.参与药典标准工作的厂家及各厂家提供的样品
以上厂家中仅中国大冢制药有限公司建议含量测定中增加铬酸钾作为指示剂。
2.钠盐鉴别(2)因醋酸氧铀属于国家重点控制的化学试剂,市场上较难购买,建议新版药典不再收录该项鉴别,钠盐鉴别只采用专属性较强的火焰反应鉴别钠离子。
3.铁盐美国药典有收载该项检查,与中国药典氯化钠原料的铁盐检查方法相同,均为比色法,限度均为不得过2ppm;考虑到英国药典、日本药局方均未收载该项检查,中国药典在原料中已有控制铁盐,在制剂工艺环节中不会增加,所以《中国药典》2010年版不作增订。
12批样品按美国药典进行铁盐的检查,结果均小于2ppm。
4.砷盐日本药局方有收载该项检查,与中国药典氯化钠原料的砷盐检查方法相同,限度为不得过0.1ppm;考虑到美国药典、英国药典均未收载该项检查,中国药典在原料中已有控制砷盐,限度为不得过0.4ppm,在制剂工艺环节中不会增加,所以《中国药典》2010年版不作增订。
12批样品按日本药局方进行砷盐的检查,结果均小于0.1ppm。
5.重金属美国药典、日本药局方均有收载该项检查,与中国药典氯化钠原料的重金属检查方法相同,均为比色法,限度美国药典以NaCl计为不得过0.001%,即以生理氯化钠溶液计为不得过0.1 ppm;
日本药局方以生理氯化钠溶液计为不得过0.3ppm;英国药典未收载该项检查。
考虑到中国药典虽在原料中已有控制重金属(不得过百万分之二),但在制剂工艺环节中有可能由器皿带进,故本次起草增订该法,限度则参照中国药典氯化钠注射液中重金属的限度,含重金属不得过千万分之三。
起草过程对12批样品进行检查,结果含重金属均小于千万分之一。
四川省药品检验所复核中对批号分别为070927 1(浙江天瑞药业有限公司生产)、B200801231(北京双鹤药业股份有限公司生产)、8A72C(中国大冢制药有限公司生产)等三批样品进行了检验,结果均符合规定。
6. 渗透压通常冲洗剂应调节至与血液等渗(见《中国药典》2005年版二部附录IS),并且《中国药典》2010年版附录Ⅸ G渗透压摩尔浓度测定法中规定凡处方中添加了渗透压调节剂的制剂,均应控制其渗透压摩尔浓度,故增加渗透压的检查项,限度以毫渗透压摩尔浓度计应为260~320 mOsmol/kg。
起草过程对12批样品进行检查,结果均符合规定(见表1)。
表1生理氯化钠溶液渗透压测定结果
7.细菌内毒素生理氯化钠溶液样品情况见表2。
表2 样品慨况
现就以上七批样品的检验情况说明如下:
本品收载在中国药典2005年版二部761页,中国药典2005年版二部附录ⅠS冲洗剂项下规定细菌内毒素限度为0.5EU/ml,本标准不对限度进行修订,最终确定限值:0.5EU/ml。
用收到的三批生理氯化钠溶液样品(带“*”者)进行干扰预试验,将生理氯化钠溶液的1、2、4、8、16倍稀释液,与湛江安度斯生物有限公司(批号:0808131 ,灵敏度0.25EU/ml)和厦门市鲎试剂厂有限公司(批号:081017,灵敏度0.25EU/ml)两个厂家生产的鲎试剂进行试验,内毒素干扰预试验结果表明生理氯化钠溶液原液(1倍稀释液)对两个厂家生产的鲎试剂无干扰作用。
随后进行正式干扰试验,生理氯化钠溶液2倍稀释后与上述两个厂家生产的灵敏度为0.25 EU/ml鲎试剂(湛江安度斯生物有限公司批号:0809051和厦门市鲎试剂厂有限公司批号:081124)进行干扰试验,结果对两个厂家生产的鲎试剂均无干扰作用,Es/ Et均在0.5 ~ 2.0范围之内,表明生理氯化钠溶液2倍稀释液或以下浓度的溶液对两个厂家鲎试剂的试验无干扰作用。
七批生理氯化钠溶液样品按拟定标准检查细菌内毒素,结果均符合规定。
8. 无菌按《中国药典》2005年版二部附录XI H进行方法验证,用薄膜过滤法处理,选用金黄色葡萄球菌[CMCC(B)26003]为阳性对照菌。
经验证,该品种无抑菌作用,无菌检查样品无需特殊处理,“无菌”检查项可归入“其他”项下。
9.其他检查项目本次标准的修订工作是基于中国药典2005年版二部基础上进行,其他项目与美、英、日三国药典方法基本相同,不作修改,本次起草按原方法对12批样品进行检查,结果均符合规定。
10. 含量测定四国药典均采用银量法直接滴定,仅指示剂不同,
中国药典指示剂为荧光黄,美国药典指示剂为黄色曙红,英国药典指示剂为铬酸钾,日本药局方指示剂为荧光素钠。
实验结果表明:荧光黄作指示剂,终点颜色变化敏锐,结果准确,而且与中国药典氯化钠原料含量测定方法一致,故《中国药典》2010年版仍采用原法,不作修改。
实验对12批原料进行含量测定,结果均符合规定(见表3)。
表3生理氯化钠溶液中氯化钠含量测定结果
各国药典生理氯化钠溶液标准比较表
8
9。