双向压力控制回路实验指导书
- 格式:docx
- 大小:86.38 KB
- 文档页数:3
双压力调整回路功能及工作过程
1.压力传感器:双压力调整回路中的压力传感器负责监测系统中的工
作压力。
它能够将实时的压力信号转换为电信号,并传送给控制器。
2.控制器:控制器是双压力调整回路的核心部件,其功能是根据实时
的压力信号与设定的目标压力值进行比较,并计算出误差信号。
通过与执
行器的配合,控制器能够实现对阀门的精确控制。
3.执行器:执行器接收来自控制器的控制信号,并将其转换为机械运动。
执行器通常通过电动机、气动元件或液压元件的驱动来实现。
当控制
器向执行器发送开启或关闭的指令时,执行器会相应地控制阀门的开闭程度。
4.阀门:双压力调整回路中的阀门一般为比例阀或调节阀。
当控制器
发出开启阀门的信号时,阀门打开,允许流体通过。
相反,当控制器发出
关闭阀门的信号时,阀门关闭,限制或切断流体的流动。
在工作过程中,双压力调整回路的控制策略通常是反馈控制。
控制器
首先将从传感器获取到的压力信号与设定的目标压力值进行比较,并计算
出误差信号。
然后,控制器将误差信号发送给执行器,执行器相应地调整
阀门的开闭程度。
通过不断地调整阀门的开闭来控制流体的流动,系统中
的压力得以维持在目标压力值范围内。
双压力调整回路的主要优点是能够实现较高的压力控制精度,并且具
有较快的响应速度。
它可以广泛应用于工业自动化系统中,例如液压系统、气动系统以及供水系统等。
通过合理地设计和调整双压力调整回路的参数,可以实现精确、稳定和可靠的压力控制,满足不同系统的需求。
义乌工商职业技术学院实训报告课程名称液压与气动分院机电信息分院班级学号姓名指导教师2012-2013学年第1 学期实训项目名称:压力控制回路实训成绩:实训日期: 2012-10-8 实训地点:实训楼514完成实训报告日期:2012-10-8同组成员姓名及分工情况:一、实训目的通过教师边实训演示、边讲解,边提出问题,使学生进一步熟悉、掌握液压实训的基本操作,了解各种液压控制元件及在系统中的作用。
理解液压传动基本工作原理和基本概念,也可以在学生充分阅读理解实训指导书的基础上完成本实训,记录实训结果,回答指导书所列出的思考题。
二、实训装置AUTOMATION STUDIO 软件三、实训内容和步骤(一)实验内容1. 串联溢流阀的调压回路如图15-15所示,调节溢流阀1,使p1=5MPa,调定溢流阀2和溢流阀3的压力分别为2 MPa,然后测定溢流阀2和溢流阀3串联后的p1值。
思考为什么测得的p1不是4 MPa。
2. 先导式溢流阀和换向阀和卸荷回路如图15-16所示,1YA、2YA失电,调溢流阀1使p1=5MPa;1YA得电、2YA失电,先导式溢流阀使泵卸荷,p1值为泵回油管阻力值;1YA失电、2YA得电,换向阀使泵卸,p1值为泵回油管阻力值。
图15-15 串联溢流阀的调压回路图15-16 先导式溢流阀和换向阀卸荷回路3. 顺序阀平衡回路如图15-17所示为采用顺序阀的平衡回路。
①1YA得电,阀3为单向顺序阀,开泵液压缸活塞杆后退,到底后调节阀1使p1=3 MPa。
②旋紧单向顺序阀3的调压弹簧后1YA失电活塞杆不前进,逐渐调小单向顺序阀3的压力,直到活塞杆前进,并记录该时p2的值,并于理论计算p2的值进行比较(液压缸D=40mm,d=25mm),能得到什么结论。
以上压力控制回路,经实训演示后,请思考并用压力阀和液压系统基本工作原理,阀的结构等方面去解释上述实训结果。
(二)实验步骤(解决实验内容中的问题,要求有仿真图)四、总结分析指导教师签名:年月日。
目录第一部分:气动系统动作演示和气动基础演示及控制实验实验一、行程阀控制气缸连续往返气控回路 (2)实验二、气动基础实验及PLC控制原理实验 (3)第二部分:基本回路A 压力控制回路 (9)B 方向控制回路 (12)C 速度控制回路 (17)D 常用气动回路 (27)第三部分:继电器控制部分实验一电车、汽车自动开门装置 (31)实验二、鼓风炉加料装置 (32)实验三、气缸给进〔快进→慢进→快退〕系统 (33)实验四、双缸动作回路 (34)第四部分:PLC控制部分实验一、模拟钻床上占孔动作 (36)实验二、雨伞试验机 (38)第五部分:气动实用系统实验家具试验机的设计 (40)附录实验报告内容 (43)THPQD-1 气动与PLC实验指导书第一部分:气动系统动作演示和气动基础演示及控制实验实验一:行程阀控制气缸连续往返气控回路一: 实验目的认识气缸、气动阀,气泵及三大件实物和职能符号,了解其工作原理及各元件在系统中所起的作用。
二:实验气动元件:序号名称规格数量备注1 手旋阀 12 杠杆式机械阀 23 气控二位五1通阀 14 双作用气缸 1三:实验气动回路图:图1 气动回路图四:实验步骤:1、根据图1,把所需的气动元件有布局的卡在铝型材上,再用气管把它们连接在一起,组成回路。
2、仔细检查后,打开气泵的放气阀,压缩空气进入三联件。
调节三联件中间的减压阀,使压力为0.4MPa,由原理图可知,气缸首先应退回气缸最底部,调整机械阀3,使阀3处在动作状态位,此后手旋手动阀1,使之换位,气缸前进,到头后,调整机械阀4,使阀4也工作在动作状态位,这样气缸便可周而复始的动作3、使手动阀1复位,气缸退回到最底部后,便停止工作。
手动阀1手旋1次,气缸便往返一次。
五:思考题:1、为什么气缸能点动及连续运动?2、分析系统的工作原理。
实验二:气动基础实验及PLC控制原理实验气压传动是通过压缩空气为工作介质进行能量与信号的传递。
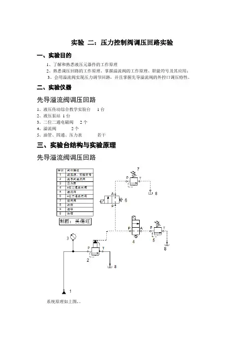
实验二:压力控制阀调压回路实验一、实验目的1、了解和熟悉液压元器件的工作原理2、熟悉调压回路的工作原理、掌握溢流阀的工作原理、职能符号及其应用;3、会用溢流阀实现压力调节回路,并且掌握先导溢流阀的外控口调压特性。
二、实验仪器先导溢流阀调压回路1、液压传动综合教学实验台1台2、液压泵站1台3、二位二通电磁阀2个4、溢流阀2个5、油管、四通、压力表若干三、实验台结构与实验原理先导溢流阀调压回路系统原理如上图,。
四、实验步骤:1.根据实验内容,设计实验所需的回路,所设计的回路必须经过认真检查,确保正确无误;2.按照检查无误的回路要求,选择所需的液压元件,并且检查其性能的完好性;3.将检查好的液压元件安装在插件板的适当位置,通过快速接头和软管按照回路要求,把各个元件连接起来(包括压力表)。
(注:并联油路可用多孔油路板)。
4.将电磁阀及行程开关与控制线连接;5.按照回路图,确认安装连接正确后,旋松泵出口自行安装的溢流阀。
经过检查确认正确无误后,再启动油泵,按要求调压。
6.系统溢流阀作安全阀使用,不得随意调整。
7.根据回路要求,调节顺序阀,使液压油缸左右运动速度适中;8.实验完毕后,应先旋松溢流阀手柄,然后停止油泵工作。
经确认回路中压力为零后,取下连接油管和元件,归类放入规定的抽屉中或规定地方。
先导溢流阀调压回路实验步骤:1.熟悉该液压回路的原理图;2.按照原理图连接好回路,确认回路连接无误,电磁阀的电磁线插入相应的输出端口。
3.打开溢流阀,开启电液,气动泵站电机。
调节先导型溢流阀压力、直动型溢流阀压力4.断开或接通外控口油路,观测液压表的压力值(实现调节压力值:4Mpa,3Mpa,2Mpa)。
五、实验操作注意事项:1.因实验元器件结构和用材的特殊性,在实验的过程中务必注意稳拿轻放防止碰撞;在回路实验过程中确认安装稳妥无误才能进行加压实验。
2.做实验之前必须熟悉元器件的工作原理和动作条件,掌握快速组合的方法,绝对禁止强行拆卸,不要强行旋转各种元器件的手柄,以免造成人为损坏。
液压与气动技术实训指导书2009年11月目录液压、气动实训操作规程 (I)项目一液压、气动工作原理与实训装置 (1)任务1、了解液压、气动实训台概况 (1)实训设备一 THYYC-2型微机控制液压传动综合实训装置(天煌公司) (1)实训设备二THYQD-1型气动与PLC实训装置(天煌公司) (7)实训设备三YZ-03 电液比例液压实训台(巨林公司) (9)一、装置概况 (9)二、系统主要参数 (10)三、实训台组成部分 (10)(一)实训工作台 (10)(二)液压泵站(注:可根据实际需求提供各种类型的液压泵站) (11)(三)常用液压元件 (11)(四)测试用传感变送器 (12)(五)电气测控制单元 (12)实训设备四QDA-1型气动PLC控制综合教学实训装置(巨林公司) (12)任务2、了解液压系统基本构成与调节(演示) (14)液压系统演示性实训 (14)行程阀控制气缸连续往返气控回路实训 (15)项目二液压、气动元件拆装 (16)项目三液压传动基本回路实训 (19)任务一压力控制回路 (19)任务二速度控制回路 (21)任务三方向控制回路 (25)任务四多缸动作回路 (26)项目四液压电气系统综合实训 (27)任务1 继电器控制的液压传动回路 (27)任务2 PLC控制的液压系统 (28)项目五气动基本回路实训 (30)任务1 压力控制回路 (30)任务2、速度控制回路 (31)任务3、方向控制回路 (36)常用气动回路 (42)一、选用的常用气动回路 (42)项目六:气动系统综合实训 (45)任务1 继电器控制的气动回路 (45)实训一电车、汽车自动开门装置 (45)实训二、鼓风炉加料装置 (46)实训三、气缸给进(快进→慢进→快退)系统 (47)实训四、双缸动作回路 (48)任务2 PLC控制的气动系统 (49)实训一模拟钻床上占孔动作 (49)实训二雨伞试训机 (51)选做项目:气动实用系统实训 (53)附录 (56)液压、气动实训操作规程1.学生做实训之前一定要了解本实训系统的操作规程,在实训老师的指导下进行,切勿盲目进行实训。
实验一压力控制回路二级调压回路组装一、实验目的1. 熟悉实验装置、液压元件、管路、电气控制回路等的连接、固定方法和操作规则。
2.掌握溢流阀的工作原理及其在液压系统中的应用。
3. 了解二级调压回路的构成,并掌握其回路的特点。
二、实验原理二级调压回路图a)为二级调压回路,活塞下降为工作行程,此时高压溢流阀2限制系统最高压力。
活塞上升为非工作行程,用低压溢流阀5限制其最高压力。
本回路常用于压力机的液压系统中。
图(a)二级调压回路之二(b)电气控制原理图1—液压泵2—先导式溢流阀3—耐震压力表4—二位四通电磁换向阀5—直动式溢流阀6—双作用单活塞杆液压缸三、回路组装步骤1、根据液压回路原理图正确连接各液压元件。
2、对照实验回路原理图,检查连接是否正确。
确认无误后,进入下一步。
3、进行液压回路调试。
3、1将溢流阀2调节手柄逆时针旋松,按下“启动”按钮,将“油泵系统压力”旋钮旋至“加载”状态。
3、2调节溢流阀2调节手柄,同时观察耐震压力表5的示值变化情况。
在示值为2MPa时,调节溢流阀2调节手柄,同时观察耐震压力表5的示值变化情况。
3、3当二位四通电磁换向阀4处于图示位置时系统压力由阀2调定,限制系统最高压力。
按下“SB7”按钮,当四通阀AD1得电后换位时,系统压力由阀5调定,限制最高压力,启动“SB7”按钮,调节溢流阀2调节手柄,同时观察耐震压力表5的示值变化情况,并记录压力值。
4、操纵控制面板,检验:当AD1断电时,油缸伸缩动作能否实现?当AD1通电时,油缸伸缩动作能否实现?观察P的变化。
若不能达到预定动作,检查:各液压元件连接是否正确,各液压元件的调节是否合理,电气线路是否存在故障等。
更正后重新开始实验,直至实验结果与原理分析结论一致。
5、排除故障:如果第3、4步不能实现,查找原因并排除故障,直至动作顺利实现。
四、实验整理1、将“油泵系统压力”旋钮调至“卸荷”状态,按下“停止”按钮。
2、拆卸所搭接的液压回路,并将液压元件、液压胶管等整理归位。
液压与气压传动实验指导书液压实验室编印(内部教材)前言一、液压与气压传动实验教学的目的实验教学和理论教学互为依存,互为补充,共同组成液压与气压传动课的重要环节。
实验教学的成绩记入学分。
实验教学不仅仅是帮助加深理解液压与气压传动中的基本概念,巩固理论教学知识,它的重要意义还在于引导学生在科学实验的海洋中,学到一些基本的实验理论,掌握基本的实验方法,培养分析和解决液压与气压传动中的工程实际问题的能力。
二、实验教学的特点实验教学是学生在教师的指导和启发下,独立完成对某个研究对象(如某个理论、元件、系统等)的实验。
因此要求学生自己组织各项实验的执行方案。
以小组为单位,独立完成实验,要充分发挥学生的主观能动性和创造性。
要求学生在学习方法上要注意:1、认真做好实验前的准备工作,特别要弄清实验对象和实验目的,收集必要的资料(包括实验理论、实验方法、实验条件等),自行拟定实验执行方案、实验步骤及记录表格,并分好工,以便在教师指导下经适当讨论(即审核实验方案和步骤等)后,独立完成实验任务。
2、主动地进行实验,对实验中出现的一切现象要仔细观察,实验的同时,要不断的对实验结果进行分析和判断。
3、每次实验课应分配一定比例的时间,以小组为单位,自己组织讨论,分析实验数据,提出看法和问题,必要时可重新做实验的某一部分。
4、认真回答知道教师提出的质疑(包括口头回答和用实验回答)。
三、实验纪律1、未预习好实验内容者,不准进行实验。
2、未了解实验装置和测试装置以前,不要任意启动设备。
3、进入实验室必须严肃认真,集中精力,抓紧时间,分工合作,完成本实验内容。
与本实验无关的一切设备,不要乱动,更不准擅自启动。
4、实验前后都要检查设备的完好性。
实验后应使设备处于正常关闭状态,做好必要的维护。
5、所借物品,实验结束时,作必要的维护后,及时归还。
6、如违犯上述纪律,经劝告仍不改者,指导教师和实验技术人员有权取消其实验资格。
如因违反纪律和不遵守操作规程而损坏仪器设备时,应追究责任并按章赔偿。
竭诚为您提供优质文档/双击可除二级调压回路实验报告篇一:调压回路实验指导书实验二级调压回路实验一、实验目的采用液压传动的装置,液压系统必须提供与负载相适应的油压,这样可以节约动力消耗,减少油液发热,增加运动平稳性,因此必须采用调压回路。
调压回路是由定量泵、压力控制阀、方向控制阀和测压元件等组成,通过压力控制阀调节或限制系统或其局部的压力,使之保持恒定,或限制其最高峰值。
通过实验达到以下目的:1、通过亲自拼装,了解调压回路组成和性能;2、理解液压传动基本工作原理和基本概念;3、通过二个不同调定压力的溢流阀,加深对溢流阀遥控口的作用理解;二、实验内容液压传动基础演示、二级调压基本回路实训。
三、实验设备及工具ThpYQ-1b型综合液压实验台,高压软管,快速自封接头。
四、实验内容及步骤1、透明压力表2、透明先导式溢流阀3、透明直动式溢流阀1、按照实验回路图的要求,取出所要用的液压元件,检查型号是否正确。
2、将检查完毕性能完好的液压元件安装在实验台面板合理位置。
通过快换接头和液压软管按回路要求连接。
3、溢流阀2调为0.8mpa,溢流阀3调为0.4mpa,控制电磁铁的“通”或“断”,观察压力表值的相应变化。
五、思考题1、该回路中,如溢流阀3调整压力大于溢流阀2压力值,将会出现什么问题?2、该回路中,如不采用遥控式溢流阀,二只溢流阀并联于回路中,情况如何?3、该回路中,如不采用遥控式溢流阀,二只溢流阀串联于回路中,情况如何?1篇二:交流调压实验报告电力电子实验四--交流调压实验姓名:肖珂学号:09291218班次:电气0907指导老师:汤钰鹏合作者:冷凝(09291174)一、实验目的熟悉单相交流调压电路的工作原理、分析在电阻负载和电阻电感负载时不同的输出电压和电流的波形及相控特性。
加深理解交流调压电路在电阻电感负载时其相控角α应限制在θ≤α≤π的范围内二、步骤内容(1)熟悉实验电路(包括主电路、触发控制电路)。
第1篇一、实验目的1. 理解双向控制系统的基本原理和组成。
2. 掌握双向控制系统的设计方法,包括硬件电路设计、软件编程和控制算法的实现。
3. 通过实验验证双向控制系统的性能,并对实验结果进行分析和总结。
二、实验原理双向控制系统是指能够实现两个方向运动或控制的系统。
在本实验中,我们以直流电机为例,设计一个双向控制系统,实现对电机的正反转和速度调节。
三、实验内容1. 硬件电路设计(1)直流电机驱动电路:采用L298N驱动芯片,实现对直流电机的驱动。
(2)电源电路:提供稳定的直流电源,用于驱动电机和电路板。
(3)控制电路:包括单片机(如AT89C51)、按键、显示模块(如LCD1602)等。
2. 软件编程(1)主程序:初始化单片机、设置波特率、配置I/O口等。
(2)中断服务程序:实现按键扫描、速度调节等功能。
(3)控制算法:根据按键输入,通过PID控制算法调节电机速度和方向。
3. 实验步骤(1)搭建实验电路,连接好各个模块。
(2)编写程序,实现双向控制功能。
(3)通过按键控制电机正反转和速度调节。
(4)观察LCD1602显示的电机状态和速度。
四、实验结果与分析1. 实验结果通过实验,我们成功实现了对直流电机的双向控制。
按键可以控制电机正反转,LCD1602显示电机状态和速度。
2. 结果分析(1)实验过程中,我们采用了PID控制算法对电机速度进行调节。
PID参数的选取对控制效果有较大影响,需要根据实际情况进行调整。
(2)在实验过程中,我们发现按键扫描和中断服务程序对实时性要求较高。
为了提高系统性能,可以采用中断优先级和中断嵌套技术。
(3)实验过程中,我们还对电路板进行了优化,减小了电路板的体积和功耗。
五、实验总结1. 通过本次实验,我们掌握了双向控制系统的设计方法,包括硬件电路设计、软件编程和控制算法的实现。
2. 实验结果表明,所设计的双向控制系统具有良好的性能,可以满足实际应用需求。
3. 在实验过程中,我们遇到了一些问题,如PID参数调整、中断嵌套等。
实验六梭阀和双压阀实验1、实验目的:(1)了解梭阀和双压阀的内部结构、工作原理、工作过程及应用。
(2)学会使用手动换向阀来代替气动系统中的梭阀和双压阀。
(3)学会automation simulator软件使用,绘制气动原理图并模拟气动回路运行过程。
2、实验原理:(1)元件实物图梭阀和双压阀元件实物如图6-1和图6-2所示,职能符号如图6-3、6-4所示。
图6-1梭阀实物图图6-2双压阀实物图图6-3梭阀职能符号图6-4双压阀职能符号(2)梭阀工作原理梭阀有两个信号输入口,一个信号输出口,只要其中一个信号输入口有信号或同时有信号,信号输出口均会有输出信号。
(3)双压阀工作原理双压阀有两个信号输入口,一个信号输出口,只有两个信号输入口同时有信号,信号输出口才会有输出信号。
3、实验仪器:4、实验步骤:(1)利用automation simulator软件绘制如图6-5所示气动原理图。
(2)模拟气动回路运行过程。
(3)将各个元件按照绘制的原理图的位置固定在实验台的实验架上,并检查是否紧固。
(4)打开气源,按下手动换向阀A或手动换向阀B的按钮,观察气路的变化。
(5)A按下手动换向阀C或手动换向阀D的按钮,观察气路的变化,同时按下手动换向阀C和手动换向阀D的按钮,观察气路的变化。
(6)关闭气源,拔下气管,将原件从实验台上取下放回设备箱。
图6-5 梭阀和双压阀构成的气动回路原理图5、实验报告:(1)填写实验记录表6-26、思考题:(1)梭阀和双压阀元件的使用和功能区别是什么?(2)举例上述实验的实际应用的气动控制系统。
课题一气压双手操作回路
实验目的:
了解逻辑阀的工作原理
能够独立搭建气动回路
独立连接继电器控制回路
教学方法:
理论教学、实践教学
教学设备:
气动实验台、双作用气缸、单气控阀、或门逻辑阀、手动换向阀、二位三通电磁阀
教学内容:
1、实验原理图:
2、实验步骤:
①根据实验需要选择元件(单杆双作用缸、单向节流阀、单气控阀、手动换向阀〈必须用配的塞头堵住A或B构成一个二位三通阀〉、三联件、连接软管)。
并检验元件的实用性能是否正常。
②看懂实验原理图,搭建实验回路图。
③确认连接安装正确稳妥,把三联件的调压旋钮放松,通电,开启气泵。
待泵工作正常,再次调节三联件的调压旋钮,使回路中的压力在系统工作压力以内。
④当切换手动阀时(二只手动阀同时同一个方向动作)使回路通,压缩空气经手动换向阀作用于单气控阀使其左位接入;此时压缩空气经气控阀过单向节流阀进入气缸的左腔,气缸伸出。
⑤只要有一个手动换向阀复位则气控阀在弹簧力的作用下复位到右位接入,气缸缩回。
⑥实验完毕后,关闭泵,切断电源,待回路压力为零时,拆卸回路,清理元器件并放回规定的位置。
气动技术实验指导书深圳大学机械基础实验教学示范中心2005 年5 月目录1.双作用气缸换向调速回路实验 2 2.双作用气缸压力控制回路实验 4 3.真空控制回路实验 6 4.机械手控制实验 8 5.搬运机构控制实验 10 6.关联控制实验 12 7.自动生产线模拟控制实验 14双作用气缸换向调速回路一、实验目的1. 了解一个完整气动回路的三大部分的关系和控制方法。
2. 了解本气动实验台的基本操作方法。
3. 加深对气缸、电磁阀等的结构和使用的认识。
二、实验设备PLC、两位五通单线圈电磁阀、双作用气缸、限流阀、节流阀。
三、实验方法和步骤1. 了解换向回路的结构和接线、接管方式。
2. 教师讲述换向回路的动作过程,并作示范。
3. 实验者独立操作实验,观察气缸运动情况(工作气压要控制在0.2-0.4Mpa 范围内)。
4.实验者学习使用FPWIN GR PLC 程序编辑软件,学习其程序。
5.示范程序已保存于PLC 中。
实验者完成控制实验后,将PLC 中的程序调出,并将其保存在电脑上后,重新下载到PLC 里。
双作用气缸换向调速回路实验报告专业:学号:姓名:实验日期:指导老师:成绩:一、实验目的 二、设备及仪器三、简述换向回路的工作过程四、分析换向回路的工作速度限流阀和节流阀的关系。
双作用气缸压力控制回路实验一、实验目的1.区分换向调速回路和压力控制回路的不同点。
2.加强本气动实验台的基本操作技巧。
3.加深对调压阀结构和使用的认识。
二、实验设备PLC、两位五通单线圈电磁阀、双作用气缸、调压阀。
三、实验方法和步骤1. 了解压力回路的结构和接线、接管方式。
2. 教师讲述压力回路的动作过程,并作示范。
3. 实验者独立操作实验,并调节调压阀的大小,感觉气缸输出力的变化(工作气压要控制在0.2-0.4Mpa 范围内)。
4. 示范程序已保存于PLC 中。
实验者完成控制实验后,将PLC 中的程序调出,并将其读懂。
双作用气缸压力控制回路实验报告专业:学号:姓名:实验日期:指导老师:成绩:一、实验目的 二、设备及仪器三、简述压力回路的实验过程四、分析压力回路的工作压力和调压阀之间的关系真空控制回路实验一、实验目的1.了解一个气动回路中的两个气动元件的关联控制方法。
液压传动压力控制回路实验本实验通过四个基本的压力控制回路:限压调压及压力形成实验、卸荷回路、二级调压回路,减压回路,使学生掌握液压系统压力控制的基本工作原理和各类压力控制阀在液压回路中功用。
一、实验目的1. 通过实验,深入理解压力控制回路的组成、原理和特点;2. 掌握压力控制回路的设计方法和所用仪器、设备的使用方法,并能根据实验结果对所设计的回路进行分析。
二、实验装置1.THPYC-1B型透明液压传动与PLC实验装置;2. 限压调压及压力形成实验:节流阀1个、溢流阀1个、压力表1个,液压缸1个、软管若干;3. 卸荷回路:透明二位四通换向阀1个、透明先导式溢流阀1个、透明压力表1个、软管若干;4. 二级调压回路:透明压力表1个、透明先导式溢流阀1个、透明直动式溢流阀1个、软管若干;5. 减压回路:透明溢流阀1个、压力表2个、透明减压阀1个、透明二位四通电磁阀1个、透明双作用油缸1个、软管若干。
三、实验步骤学生可根据具体情况任选其中的两个回路作为实验对象,其实验步骤如下:1.根据各回路图,选择所需的液压元件,把它们有布局的卡在铝型台面上,再用软管将它们连接在一起,组成回路。
2.并按照所选压力控制回路图组装液压回路,按照给定的继电器接线图接线,用继电器对液压系统进行控制;3. 启动:液压泵出口接油箱,接通电源,启动电机,空运转几分钟;4.分别对各回路进行动作,实验压力的测试和控制。
(1)限压调压及压力形成实验(如图2-6所示)1.透明节流阀2.透明溢流阀3.透明压力表图2-6 压力控制回路图1)调节:关闭阀1,调节溢流阀2,观察压力表3的变化值,并调节系统的最高压力为0.8 Mpa。
2)压力形成:调节溢流阀2为0.8Mpa(通过透明压力表来确认),调节节流阀1,观察压力的变化情况,并说明溢流阀的作用。
3)限压:(油箱上系统阀块上P-B10B已调0.8Mpa) ,关闭节流阀1,溢流阀2,观察系统压力值,并说明原因。
.适用于机械类各专业气压传动实验指导书编写李晓华河南工业大学机电工程学院2007年9 月实验一双作用气缸的换向回路一、实验目的1、初步了解和熟悉双作用气缸、单向节流阀、双气控二位五通换向阀、手动(人控)二位五通换向阀、三联件等气动元件的结构、性能和气动方向控制回路的设计方法。
2、练习本实验设备的使用及接线方法。
3、进一步学习领会气动方向控制回路的原理。
二、预习要求复习本实验指导书中附录部分的内容。
三、实验设备及器材1、气动实验台。
2、空气压缩机。
3、双作用气缸、单向节流阀、双气控二位五通换向阀、手动(人控)二位五通换向阀、三联件。
四、实验原理1、气动方向控制回路是通过控制气缸进气方向,从而改变活塞运动方向的回路。
图2—1是用双气控二位五通换向阀控制双作用气缸伸、缩的回路。
在回路中,通过对换向阀左右两侧分别加入输入控制信号,使气缸活塞杆伸出和缩回。
当左位加了控制信号后,气缸活塞杆伸出;控制信号一旦改为右位接入,不论活塞运动到何处,活塞杆立即退回。
在实际使用中必须保证信号有足够的延续时间,否则会出现事故。
2、双作用气缸的换向回路如图1—1所示:五、实验步骤1、按图1—1(双作用气缸的换向回路)依次连接各气动元件。
2、仔细检查回路,确保实验回路的连接无误后,先将空气压缩机出气口的阀门关闭,接通电源,待气源充足后,打开阀门使用。
3、通过调节装在气缸进出气孔处的单向节流阀,调节气缸的动作速度。
使气缸动作平缓,实验现象明显。
4、对换向阀左右两侧分别加入输入控制信号,观察气缸活塞杆的伸出和缩回。
六、注意事项1、本气动实验台采用插入式管接头。
使用时,先将接头体固定,把需用长度的管子垂直切断,修去切口毛刺,将管子插入接头内,使管子通过弹簧片和密封圈达到底部,即可牢固地连接、密封。
拆卸管子时,用手将管子向接头里推一下,然后向里推压顶套,即可拔出管子。
2、注意单向节流阀的连接方向。
3、实验时,所加气压信号或气压源的压力不要过大,一般以0.4MPa压力为宜。
实验三双向压力控制回路
一、实验目的
1、熟悉气泵的操作,熟练使用综合实验台上的气动元件;
2、掌握快速排气阀和减压阀的工作原理及使用方法;
3、深入理解气动回路中实现双向压力控制的原理。
二、实验原理图
+24V
三三
三三
图 1 气动原理图图2 电气控制线路图
二、实验器材
名称型号符号数量备注
单电控两位三通电
磁换向阀(常开)
3V210-08NO 1 元件柜中减压阀AR2000 1 元件柜中快速排气阀QE-01 1 元件柜中
A
P P
O
三三三三三三三三
A
DT1
P
R
三三三三三三三
三三三
DT1
KZ1
SB1
SB2
KZ12
KZ11
四、实验步骤
1.对照实验元件表,从元件柜中取出要用的气动元件,并检查型号是否正
确。
2.将气动元件的卡槽卡在实训台上,根据图 1、2 所示,搭接对应的气动回
路和电气控制线路回路。
3.回路搭接完毕,检查无误后,打开气源开关,调节三联件中减压阀的调
压旋钮,使回路中的压力在系统工作压力以内,再调节回路中减压阀的
压力,观察气缸动作。
4.打开电源开关,按下SB2 按钮,观察气缸动作的变化。
5.将实验结果记录下来。
6.实验结束后,将两个减压阀的压力分别调回零压,关闭电源,拆下气管
和元件,放入规定的元件柜内。
五、实验注意事项
1.在搭接回路时,要弄清减压阀的进气口与出气口。
2.在搭接回路时,要弄清快速排气阀的进气口、出气口和排气口。
3.单电控两位三通电磁换向阀要使用常开型。
4.注意减压阀的调节方法,旋钮拉下来后,顺时针旋紧增压,逆时针松开
减压,压力调定后,旋钮向上推锁紧。
六、实验思考题
1.活塞杆在伸出到位和退回到位时,气缸的进气压力是否相同?如果不同,
各为多少?
2.快速排气阀为什么可以加快气缸的运动速度?
3.写出电磁阀的动作顺序表。
七、参考资料
快速排气阀的作用是使气动元件或装置快速排气。
如图所示为膜片式快速排气阀结构示意图。
当 P 口进气时,膜片被下压封住排气口,气流经膜片四周小孔、A 口流出。
当气流反向流动时,A 口气压将膜片顶起封住 P 口,A 口气体经O 口迅速排掉。