机械制造工艺教案第一章2-4节-09-04-15
- 格式:ppt
- 大小:10.62 MB
- 文档页数:67
第1次课(第一章机械制造工艺预备,1.1机械产品开发及生产过程,1.2生产类型及其工艺特点)一、教学目的和要求1、掌握机械制造工艺的概念、学习的目的、特点、内容、发展方向1、掌握机械产品开发及生产过程。
2、掌握生产类型及其工艺特点二、教学内容纲要1、机械制造工艺的概念、学习的目的、特点、内容、发展方向2、机械产品开发及生产过程3、生产类型及其工艺特点三、重点、难点1、机械产品开发及生产过程2、生产类型及其工艺特点四、教学方法,实施步骤根据本章课的内容特点,运用启发式、案例分析式教学方法讲授本课程内容。
五、时间分配(2学时)本次课共2学时,其中机械产品开发及生产过程占0.7学时,生产类型及其工艺特点占0.7学时六、布置思考题1、了解制造业在国民经济中的地位2、针对我国的机械制造业现状,指出我国机械制造业与世界发达国家的差距3、课后习题:1-1;1-2;1-3;1-4第4次课(第二章、工艺规程制定2.2 毛坯选择2.2基准选择)一、教学目的和要求1.掌握各种新机械名词的概念;2能熟练掌握基准的选择和路线的拟定二、教学内容纲要1、毛坯选择2、基准选择三、重点、难点1、基准选择四、教学方法,实施步骤本此课可以采用黑板教学的方法和多媒体的教学方法两种手段,根据具体内容采用启发式和讲解式、引导式和提问式教学方法五、时间分配(2学时)1、毛坯选择(30)2、基准选择(60)六、布置思考题1.熟悉课堂所讲的内容,选择一个具体的实物分析和研究。
2.什么是工序、工步、安装、工位?第5次课(第二章、工艺规程制定2.3路线拟定、工序内容、经济分析)一、教学目的和要求能熟悉工序的具体内容,能进行具体的经济分析二、教学内容纲要1、路线拟定2.工序内容3.经济分析三、重点、难点1、路线拟定2.工序内容四、教学方法,实施步骤本此课可以采用黑板教学的方法和多媒体的教学方法两种手段,根据具体内容采用启发式和讲解式、引导式和提问式教学方法五、时间分配(3学时)1、路线拟定(60)2.工序内容(50)3.经济分析(25)六、布置思考题1.查找图书馆关于经济分析的具体书籍,扩展经济分析的能力和认识.2.什么是劳动生产率?提高劳动生产率的工艺措施有哪些?3.什么是时间定额、单件时间?第6次课(第三章、3.1概述3.2加工精度、受热变形、内应力变形)一、教学目的和要求能够系统地掌握工艺系统的热变形的相关知识和内容,同时能够熟练的掌握误差测量及起计算.二、教学内容纲要1、.工艺系统的热变形:(1)工艺系统的热源,(2)工艺系统的温升及其计算公式,(3)机床的热变形对工件的影响,(4)工件遇刀具的热变形,(5)工艺系统热变形的对策;2、.残余应力引起的变形;三、重点、难点.工艺系统的热变形:四、教学方法,实施步骤本此课可以采用黑板教学的方法和多媒体的教学方法两种手段,根据具体内容采用启发式和讲解式、引导式和提问式教学方法。
机械制造工艺基础第六版:第一章铸造教案讲义理论课教案任课教师:胡迎春班级:13级车、铣、钳日期:3.9理论课教案任课教师:胡迎春班级:13车、铣、钳日期:3.11 图1—3齿轮毛坯的砂型铸造工艺过程.特种铸造特种铸造:砂型铸造以外的其他铸造方法。
常用的特种铸造包括金属型铸造、压力铸造、离心铸造、熔模铸造等。
此外特种铸造还包括低压铸造、壳型铸造、陶瓷型铸造、密封铸造、连续铸造、理论课教案任课教师:胡迎春班级:13级车、铣、钳日期:3.15)收缩余量为了补偿铸件收缩,模样比铸件图样尺寸增大的加工余量为了保证铸件加工面尺寸和零件精度,设计时预先增加而在机械加工时切去的金属层厚度。
起模斜度起模斜度是指为使模样容易从铸型中取出或型芯从芯盒中脱出,在模样或芯盒上平行于起模方向所设的斜度。
铸造圆角制造模样时,凡相邻两表面的交角,2-分型面 3-型芯 4-支座型腔 5-芯头理论课教案任课教师:胡迎春班级:13级车、铣、钳日期:3.30砂箱捣砂锤墁刀成形墁刀砂钩拔模针风动锤手工造型工具造下型造上型上型起模下型起模合型脱箱、加套箱(3)地坑造型地坑造型是在地平面以下的砂坑中或特制的地坑中制造下型的造型方法。
地坑造型不用下砂箱,只用上砂箱,主要适用于大中型铸件的单件生产。
地坑造型操作较麻烦,劳动量大,1-通气管 2-型芯 3-冒口 4-铸型空腔 5-浇口 6-上箱 7-定位桩 8-焦炭1-下砂箱 2-刮板架 3-刮板 4-上砂箱 5-型砂2.机器造型机器造型:用机器完成紧砂和起模或至少完成紧砂操作的造型工序称为机器造型。
芯盒的装配取芯芯盒造芯刮板造芯.烘干与刷涂料烘芯:用适当温度和足够时间加热型芯,使其获得一定强度的过程。
芯骨:放入型芯中用以加强或支持型芯并有一定形状的金属构架。
烘芯的目的是提高烘芯的强度和透气性,减少型芯的发气量。
-直浇道 3-横浇道 4-内浇道冒口:铸型内存储供补缩铸件用熔融金属的空腔。
-直浇道 3-横浇道 4-内浇道合型:又称合箱,是将铸型的各个组元,如上型、下型、型芯、浇口盆等组合成一个完整铸型的操作过程。
机械制造工艺学教案第1次课(绪论、第一章加工精度分析1、1、加工精度概述)一、教学目的与要求掌握机械制造的基本理论与工艺规程的编制,对工艺问题能进行分析与提出改进措施。
2、掌握零件加工与机器装配结构工艺性的原则,设计的产品具有良好的结构工艺性。
3、掌握保证机器装配精度的方法。
4、掌握机床夹具的设计原理与方法,具有设计机床夹具的初步能力。
5、具有综合分析与解决实际工艺问题的能力,提出保证质量,提高劳动效率,降低成本的工艺途径。
二、教学内容纲要1、绪论(机械制造工艺的概念、学习的目的、特点、内容、发展方向)2、加工精度包括尺寸精度、形状精度、相互位置精度,各种精度的获得方法三、重点、难点各种加工精度的获得方法四、教学方法,实施步骤根据本章课的内容特点,运用启发式、案例分析式教学方法讲授本绪论课程内容。
五、时间分配(2学时)本次课共两学时,其中绪论占一学时六、布置思考题1、了解制造业在国民经济中的地位2、针对我国的机械制造业现状,指出我国机械制造业与世界发达国家的差距3、您认为应该采取哪些具体的措施与方略来改变这种现状,使我国的机械制造行业处于世界的前列?4、尺寸精度、形状精度、相互位置精度相比较,那种要求更高些?第二次课(第一章、加工精度1、2、几何及原理误差、1、3受力变形)一、教学目的与要求使学生能够更清晰地明白在机械制造当中存在的构件受力变形的实际问题,在以后的机械制造分析中能够从力学受力变形的角度来思考问题。
二、教学内容纲要1、工艺系统几何误差及原理误差2、工艺系统的刚度3、受力变形对加工精度的影响4、机床刚度的测定,接触刚度,5、减少受力变形的措施;三、重点、难点1、工艺系统几何误差及原理误差2、工艺系统受力变形对加工精度的影响,四、教学方法,实施步骤根据本章课的内容特点,运用讲解式、问题探究式教学方法讲授本课程内容。
五、时间分配(3学时)1、工艺系统几何误差及原理误差(25分)2、工艺系统的刚度及测定(45分)3、受力变形对加工精度的影响(35分)4、接触刚度,减少受力变形的措施;(30分)六、布置思考题1、查阅相关的资料,思考与比较普通机床与数控机床在工作的时候,哪个系统受力的影响更大些?2、几何误差与原理误差的区别?以车床为例说明机床的几何误差对零件的加工精度有何影响?第3次课(第一章、加工精度1、4受热变形1、5内应力变形)一、教学目的与要求能够系统地掌握工艺系统的热变形的相关知识与内容,同时能够熟练的掌握误差测量及起计算、二、教学内容纲要1、、工艺系统的热变形:(1)工艺系统的热源,(2)工艺系统的温升及其计算公式,(3)机床的热变形对工件的影响,(4)工件遇刀具的热变形,(5)工艺系统热变形的对策;2、、残余应力引起的变形;三、重点、难点、工艺系统的热变形:四、教学方法,实施步骤本此课可以采用黑板教学的方法与多媒体的教学方法两种手段,根据具体内容采用启发式与讲解式、引导式与提问式教学方法。
机械制造工艺基础教案.绪论一、机械制造工艺机械制造工艺是各种机械的制造方法和过程的总称。
制造方法:热加工方法铸、锻、焊冷加工方法机床切削组装试验钳工装配、试验学习本课就是了解整个机械制造中各种机械加工方法的工艺过程。
二、课程的性质和任务本课的性质是技校机械类专业的一门专业基础课。
主要内容包括:(1)毛坯制造工艺(俗称热加工工艺)(2)零件切削加工工艺(俗称冷加工工艺)(3)机械加工工艺规程制定(编写工艺文件:根据零件图样进行工艺分析,制定加工工序、工步。
)(4)装配(将合格零件装配成成品的工艺过程)学习本课的基本要求:(1)以机械制造工艺过程为主线,了解毛坯制造(铸、锻、焊)零件切削加工(车、铣、刨、磨)各主要工种的工作内容、工作特点、工艺装备和应用范围等基础知识。
(2)一般了解各工种主要设备(包括附件、工具)的基本工作原理和使用范围。
(3)初步掌握选择毛坯和零件加工方法的基本知识。
(形状复杂的宜选用铸件毛坯,强度要求高的宜选用锻件毛坯)(5)初步掌握确定常见典型零件加工工艺过程的基本知识。
(典型零件:轴类、套类、齿轮、箱体等)(6)了解装配的基本知识和典型机械、部件的装配方法。
三、生产过程概述1、生产过程与工艺过程(1)生产过程将原材料转变为成品的全过程叫生产过程。
金属材料铸、锻、焊毛坯切削、热处理零件装配、试验机械(成品)生产过程包括:生产准备过程(设计、编写工艺规程、制定材料设备采购计划、制定生产计划等)工艺过程(需要的各工种工序工艺过程)生产辅助过程(原材料购臵、运输保管、成本核算、销售服务(2)工艺过程改变生产对象的形状、尺寸及相对位臵和性质,使其成为成品或半成品的过程。
包括:毛坯制造、零件加工、产品组装。
(工艺过程实际就是零件及产品的制造过程,它是直接作用于生产对象的加工过程,在整个生产过程中,它是一个主要部分)2、工艺规程规定产品或零部件制造工艺过程和操作方法的工艺文件。
1)工艺规程中常用的文件形式:(有以下两种)(1)机械加工工艺过程卡片零件从毛坯到成品需安排的工艺过程。
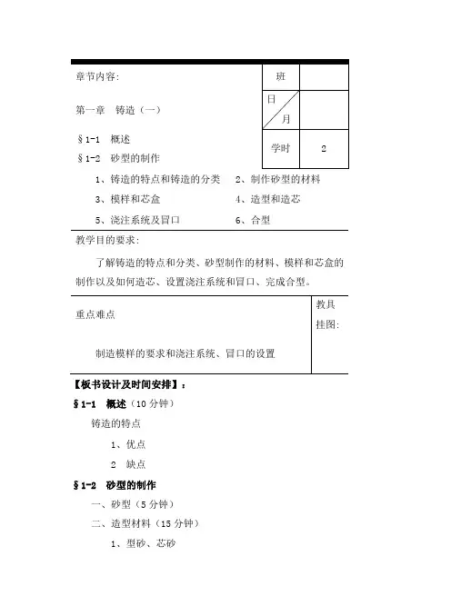
1、铸造的特点和铸造的分类2、制作砂型的材料3、模样和芯盒4、造型和造芯5、浇注系统及冒口6、合型教学目的要求:了解铸造的特点和分类、砂型制作的材料、模样和芯盒的制作以及如何造芯、设置浇注系统和冒口、完成合型。
【板书设计及时间安排】:§1-1 概述(10分钟)铸造的特点1、优点2 缺点§1-2 砂型的制作一、砂型(5分钟)二、造型材料(15分钟)1、型砂、芯砂2、型(芯)砂的性能要求三、模样和芯盒(25分钟)1、模样⑴加工余量⑵收缩余量⑶起模斜度⑷铸造圆角⑸芯头⑹分型面四、造型(15分钟)1、手工造型2、机器造型和自动化造型五、造芯(5分钟)六、浇注系统和冒口(10分钟)1、浇注系统2、冒口七、合型(5分钟)【教学内容】:§1-1 概述铸造:将液态金属浇注到具有与零件形状、尺寸相适应的铸型型腔中,待其冷却凝固,以获得毛坯或零件的生产方法,称为铸造。
(一)铸造特点1、优点:(1)可制成形状复杂、特别是具有复杂内腔的毛坯,如箱体、气缸体等。
(2)适应范围广。
(3)铸造可直接利用成本低廉的废机件和切屑,设备费用较低。
(4)铸件的尺寸与质量几乎不受限制。
(5)铸件的形状、尺寸与零件很接近,因而减少了切削加工的工作量,可节省大量金属材料。
2、缺点(1)生产工序繁多、工艺过程较难控制、铸件易产生缺陷。
(2)铸件的尺寸均一性差,尺寸精度低,(3)和相同形状、尺寸的锻件比,铸件的内在质量差,承载能力不及锻件。
(4)工作环境差,温度高、粉尘多,劳动强度大(二)铸造的分类最基本的工艺方法是砂型铸造,还有多种特种铸造方法,如熔模铸造、金属型铸造、压力铸造、离心铸造等。
砂型铸造用型砂紧实成形的铸造方法。
可分为湿砂型(不经烘干可直接进行浇注的砂型)铸造和干砂型(经烘干高黏土砂型)铸造两种。
工艺过程一般由造型、造芯、烘干、合型、浇注、落砂、清理及铸件检验等组成。
§1-2 砂型的制作一、砂型的制作(一)砂型铸型:用型砂、金属或其他耐火材料制成,包括形成铸件形状的空腔、型心和浇冒口系统的组成整体。
《机械制造工艺》全书教学设计方案教师:序号:生产过程在计算机的控制下,实现自动化、柔性化、智能化、集成化,使产品质量和生产效率大大提高,缩短生产周期,提高经济效益。
发展高速切削、强力切削,提高切削加工效率也是机械制造技术发展的一个方向。
要实现高速切削与强力切削,必须有与之相适应的机床和切削刀具。
目前数控车床主轴转速已达5 000 r/min;加工中心主轴转速已达20 000 r/min;磨削速度普遍已达40~60 m/s (一般在35 m/s左右),高的可达80~120 m/s。
二、机械制造技术应用的主要任务1.保证产品质量,制造优质的装备制造合格的产品是机械制造技术应用的首要任务。
2.提高劳动生产率提高劳动生产率是人类不断追求的目标,只有提高劳动生产率社会才能进步,提高生产率也是机械制造业永恒的课题。
3.降低生产成本,提高经济效益在生产技术上,采用新材料、新工艺、新技术等可有效降低成本。
4.降低工人劳动强度,保证安全生产在设计和制造工艺装备、生产准备和制造过程中,首要目标是降低工人劳动强度和保证安全生产,做到“以人为本,安全第一”。
5.环境保护在机械制造的全过程中,要减少对环境的污染,不能只搞生产,不管环境;要考虑对切屑、粉尘、废切削液、油雾等采取适当措施,避免环境污染。
3.任务实施三、金属切削加工使用金属切削刀具从工件上切除多余(或预留)的金属(使之成为切屑)从而获得形状、尺寸精度、位置精度及表面质量都合乎技术要求的零件的一种机械加工方法称为金属切削加工(metal cutting)。
1.切削运动金属切削加工时,任何一个工件都要经过由毛坯加工到成品的过程,在这个过程中,要使刀具对工件进行切削加工形成各种表面,必须使刀具与工件间产生相对运动,这种相对运动称为切削运动(cutting motion)。
(1)主运动(main motion)。
(2)进给运动(feed motion)。
(3)合成切削运动(resultant cutting motion)。
《机械工艺教案》PPT课件第一章:机械工艺概述1.1 教学目标了解机械工艺的定义和分类掌握机械加工的基本过程和方法理解机械工艺在工程中的应用1.2 教学内容机械工艺的定义和分类机械加工的基本过程:铸造、锻造、焊接、切割、磨削等机械工艺在工程中的应用案例1.3 教学方法采用PPT课件进行讲解,配合实物图片和动画演示引导学生参与讨论和提问,增强对机械工艺的理解1.4 教学评估进行课堂提问,检查学生对机械工艺的基本概念的理解布置课后作业,要求学生绘制机械加工过程的示意图第二章:金属的塑性变形与再结晶2.1 教学目标了解金属塑性变形的原理和条件掌握再结晶的概念和过程理解金属塑性变形和再结晶对材料性能的影响2.2 教学内容金属塑性变形的原理和条件:应力、应变、屈服强度等再结晶的概念和过程:再结晶温度、再结晶晶粒大小等金属塑性变形和再结晶对材料性能的影响:强度、韧性、塑性等2.3 教学方法采用PPT课件进行讲解,配合图表和实例分析引导学生进行实验观察和数据分析,加深对金属塑性变形和再结晶的理解2.4 教学评估进行课堂提问,检查学生对金属塑性变形和再结晶的基本概念的理解布置课后作业,要求学生分析实例中的材料性能变化第三章:金属的切削加工3.1 教学目标了解金属切削加工的原理和过程掌握金属切削参数的选择和计算理解金属切削加工对材料性能的影响3.2 教学内容金属切削加工的原理和过程:切削力、切削温度等金属切削参数的选择和计算:切削速度、进给量、切削深度等金属切削加工对材料性能的影响:切削硬化、切削裂纹等3.3 教学方法采用PPT课件进行讲解,配合图表和实例分析引导学生进行实验观察和数据分析,加深对金属切削加工的理解3.4 教学评估进行课堂提问,检查学生对金属切削加工的基本概念的理解布置课后作业,要求学生计算和选择金属切削参数第四章:金属的铸造与焊接4.1 教学目标了解金属铸造和焊接的原理和过程掌握金属铸造和焊接的方法和技术理解金属铸造和焊接对材料性能的影响4.2 教学内容金属铸造的原理和过程:熔炼、浇注、冷却等金属焊接的原理和过程:熔化焊接、压力焊接、钎焊等金属铸造和焊接对材料性能的影响:气孔、裂纹、变形等4.3 教学方法采用PPT课件进行讲解,配合实物图片和动画演示引导学生进行实验观察和数据分析,加深对金属铸造和焊接的理解4.4 教学评估进行课堂提问,检查学生对金属铸造和焊接的基本概念的理解布置课后作业,要求学生分析实例中的材料性能变化第五章:机械零件的加工与装配5.1 教学目标了解机械零件加工和装配的原理和方法掌握机械零件加工和装配的技术和工具理解机械零件加工和装配对机械性能的影响机械零件加工的原理和方法:车削、铣削、磨削等机械零件装配的原理和方法:固定、连接、调整等机械零件加工和装配对机械性能的影响:精度、配合、磨损等5.3 教学方法采用PPT课件进行讲解,配合实物图片和动画演示引导学生进行实验操作和数据分析,加深对机械零件加工和装配的理解5.4 教学评估进行课堂提问,检查学生对机械零件加工和装配的基本概念的理解布置课后作业,要求学生分析实例中的机械性能变化第六章:金属的锻造与热处理6.1 教学目标了解金属锻造的原理和过程掌握金属热处理的原理和方法理解金属锻造和热处理对材料性能的影响6.2 教学内容金属锻造的原理和过程:变形、压制、拉伸等金属热处理的原理和方法:退火、正火、淬火等金属锻造和热处理对材料性能的影响:强度、硬度、韧性等6.3 教学方法采用PPT课件进行讲解,配合实物图片和动画演示引导学生进行实验观察和数据分析,加深对金属锻造和热处理的理解进行课堂提问,检查学生对金属锻造和热处理的基本概念的理解布置课后作业,要求学生分析实例中的材料性能变化第七章:机械零件的表面处理7.1 教学目标了解机械零件表面处理的原理和目的掌握机械零件表面处理的方法和技术理解机械零件表面处理对机械性能的影响7.2 教学内容机械零件表面处理的原理和目的:防锈、防腐、提高硬度等机械零件表面处理的方法和技术:镀层、喷涂、阳极氧化等机械零件表面处理对机械性能的影响:耐磨性、耐腐蚀性、疲劳寿命等7.3 教学方法采用PPT课件进行讲解,配合实物图片和动画演示引导学生进行实验观察和数据分析,加深对机械零件表面处理的理解7.4 教学评估进行课堂提问,检查学生对机械零件表面处理的基本概念的理解布置课后作业,要求学生分析实例中的机械性能变化第八章:机械装配工艺与设备8.1 教学目标了解机械装配工艺的原理和方法掌握机械装配过程中使用的设备和工具理解机械装配工艺对机械性能的影响8.2 教学内容机械装配工艺的原理和方法:装配顺序、装配基准等机械装配过程中使用的设备和工具:装配机、扳手、螺丝刀等机械装配工艺对机械性能的影响:精度、配合、磨损等8.3 教学方法采用PPT课件进行讲解,配合实物图片和动画演示引导学生进行实验操作和数据分析,加深对机械装配工艺的理解8.4 教学评估进行课堂提问,检查学生对机械装配工艺的基本概念的理解布置课后作业,要求学生分析实例中的机械性能变化第九章:现代机械制造技术9.1 教学目标了解现代机械制造技术的原理和方法掌握现代机械制造技术的关键技术和设备理解现代机械制造技术对机械性能的影响9.2 教学内容现代机械制造技术的原理和方法:数控加工、3D打印等现代机械制造技术的关键技术和设备:CNC机床、激光切割机等现代机械制造技术对机械性能的影响:精度、表面质量、生产效率等9.3 教学方法采用PPT课件进行讲解,配合实物图片和动画演示引导学生进行实验观察和数据分析,加深对现代机械制造技术的理解9.4 教学评估进行课堂提问,检查学生对现代机械制造技术的基本概念的理解布置课后作业,要求学生分析实例中的机械性能变化第十章:机械工艺的优化与质量控制10.1 教学目标了解机械工艺优化的原理和方法掌握机械工艺质量控制的方法和技术理解机械工艺优化和质量控制对机械性能的影响10.2 教学内容机械工艺优化的原理和方法:工艺参数优化、工艺流程优化等机械工艺质量控制的方法和技术:统计过程控制、全面质量管理等机械工艺优化和质量控制对机械性能的影响:稳定性、可靠性和一致性等10.3 教学方法采用PPT课件进行讲解,配合实物图片和动画演示引导学生进行实验操作和数据分析,加深对机械工艺优化和质量控制的理解10.4 教学评估进行课堂提问,检查学生对机械工艺优化和质量控制的基本概念的理解布置课后作业,要求学生分析实例中的机械性能变化重点解析本文档为《机械工艺教案》PPT课件,共包含十个章节,涵盖了机械工艺概述、金属的塑性变形与再结晶、金属的切削加工、金属的铸造与焊接、机械零件的加工与装配、金属的锻造与热处理、机械零件的表面处理、机械装配工艺与设备、现代机械制造技术以及机械工艺的优化与质量控制等方面的内容。
机械制造工艺学教案一、课程简介1.1 课程背景机械制造工艺学是机械工程领域的一门重要学科,它研究机械产品的制造过程和方法,涉及从原材料到成品的全过程。
本课程旨在培养学生对机械制造工艺的基本概念、原理和方法的理解,以及运用这些知识进行机械制造的能力。
1.2 课程目标通过本课程的学习,学生应能:(1)理解机械制造工艺的基本概念和原理;(2)掌握常用的机械制造工艺方法和工艺参数的确定;(3)能够分析机械制造过程中的问题和优化制造工艺;(4)具备一定的机械制造实践能力和创新意识。
二、教学内容2.1 第一章:机械制造工艺概述本章主要介绍机械制造工艺的基本概念、分类和特点,以及机械制造工艺学的任务和研究方法。
2.2 第二章:铸造工艺本章主要介绍铸造工艺的基本原理、铸造方法、铸造参数的确定和铸造质量的控制。
2.3 第三章:金属塑性成形工艺本章主要介绍金属塑性成形工艺的基本原理、金属成形方法、成形参数的确定和成形质量的控制。
2.4 第四章:金属切削加工工艺本章主要介绍金属切削加工工艺的基本原理、切削方法、切削参数的确定和切削质量的控制。
2.5 第五章:机械装配工艺本章主要介绍机械装配工艺的基本原理、装配方法、装配参数的确定和装配质量的控制。
三、教学方法3.1 课堂讲解通过讲解教材内容,引导学生理解机械制造工艺的基本概念和原理,并通过实例分析,使学生掌握常用的机械制造工艺方法和工艺参数的确定。
3.2 实验和实践组织学生进行实验和实践,使学生在实际操作中掌握机械制造工艺的方法和技巧,培养学生的实践能力。
3.3 小组讨论和报告组织学生进行小组讨论和报告,培养学生的合作能力和口头表达能力,加深学生对机械制造工艺学的理解和应用。
四、评估方式4.1 平时成绩包括学生的课堂表现、作业完成情况和实验实践成绩,占总成绩的40%。
4.2 期末考试包括选择题、填空题、简答题和计算题,占总成绩的60%。
五、参考教材《机械制造工艺学》,机械工业出版社,第五版。
《机械制造工艺学》教学教案(第一部分)一、教学目标1. 让学生了解机械制造工艺学的基本概念、内容及其在工程实践中的应用。
2. 使学生掌握机械制造工艺过程中的基本原理和方法。
3. 培养学生分析、解决机械制造问题的能力。
二、教学内容1. 机械制造工艺学的基本概念1.1 机械制造工艺学的定义1.2 机械制造工艺学的分类1.3 机械制造工艺学的作用2. 机械制造工艺过程2.1 工艺过程的定义与分类2.2 工艺过程的设计与优化2.3 工艺过程的质量控制3. 机械制造工艺方法3.1 铸造工艺3.2 焊接工艺3.3 切削工艺3.4 塑性成形工艺3.5 表面处理工艺三、教学方法1. 讲授法:讲解基本概念、原理和方法。
2. 案例分析法:分析实际工程案例,让学生了解工艺学的应用。
3. 讨论法:引导学生探讨工艺过程中的问题,培养解决问题的能力。
四、教学手段1. 课件:制作精美的课件,辅助讲解。
2. 视频:播放相关工艺过程的视频,增强学生的直观感受。
3. 实例图片:展示实际工艺过程中的图片,加深学生的理解。
五、教学评价1. 课堂问答:检查学生对基本概念、原理和方法的理解。
2. 课后作业:巩固所学知识,提高应用能力。
3. 小组讨论:评估学生在讨论中的表现,培养团队协作能力。
4. 期末考试:全面检验学生的学习效果。
《机械制造工艺学》教学教案(第二部分)六、教学章节4. 机械制造工艺参数4.1 尺寸精度4.2 形状精度4.3 表面质量4.4 机械性能5. 机械制造工艺设备5.1 概述5.2 铸造设备5.3 焊接设备5.4 切削设备5.5 表面处理设备六、教学目标1. 使学生了解机械制造工艺参数的定义、分类及其在工艺过程中的作用。
2. 培养学生掌握工艺参数的测量方法及调整技巧。
3. 让学生熟悉各种工艺设备的结构、原理及应用,为实际操作打下基础。
七、教学内容1. 机械制造工艺参数7.1 尺寸精度的定义与分类7.2 形状精度的定义与分类7.3 表面质量的定义与分类7.4 机械性能的影响因素及调整方法2. 机械制造工艺设备8.1 工艺设备的分类与选型8.2 铸造设备的结构与工作原理8.3 焊接设备的结构与工作原理8.4 切削设备的结构与工作原理8.5 表面处理设备的结构与工作原理八、教学方法1. 讲授法:讲解工艺参数的定义、分类及其在工艺过程中的作用。
3、铸件的外观检查及缺陷4、特种铸造简介 板书设计及时间安排】 章节内容:第一章铸造(二) § 1-3浇注、落砂和清理§ 1-4特种铸造简介班 %学时 2 1、浇注2、落砂和清理教学H 的要求:了解铸件浇注、落砂及清理的工艺过程;掌握铸件的外观 检查及缺陷形成的原因;了解几种特种铸造的工艺特点'|教具重点难点 挂图:铸件的外观检查及缺陷形成的原因§ 1-3浇注、落砂和清理•、浇注(15分钟)1、 浇注的工具2、 浇注对铸件的影响二、落砂和清理(15分钟)1、落砂和除芯2、清理的内容和方法三、铸件外观的检查及缺陷(40分钟)1、 铸件质量的内容2、外观质量的项n3、常见的缺陷§1-4特种铸造简介、金属型铸造(5分钟)二、压力铸造(5分钟)三、离心铸造(5分钟)四、熔模铸造(5分钟)【教学内容】:§ 1-3浇注、落砂和清理—>浇注1、浇注是将熔融的金属从浇包注入铸型的操作;浇包是容纳、输送和浇注熔融金属用的容器。
2、浇注对铸件质量的影响8、浇注温度的影响。
金属液浇入铸型时所测量到的温度称为浇注温度,是铸造过程必须控制的质量指标之一。
温度不足,易产生浇不族和冷隔的缺陷,温度过高, 易产生缩松、缩孔、粗晶、气孔等缺陷。
灰铸铁(指具有片状石墨的铸铁)的浇注温度一般在1340°。
b、浇注速度的影响单位时间内浇入铸型屮的金属液质量称为浇注速度,用kg/s表示。
浇注速度应根据铸件的具体情况而定,可通过操纵浇包和布置浇注系统进行控制。
3、浇注的注意事项A、浇注前应把熔融金展表而的熔渣除尽以免流入铸型而影响质量;B、浇注时,必须使浇口杯保持充满,不允许浇注屮断,并注意防止飞溅和满溢。
二、落砂和清理1、落砂和除芯落砂是用手工或机械使铸件和型砂、砂箱分开的操作;除芯是从逐渐屮去除芯砂和芯骨的操作。
2、落砂的方法手工落砂用于单件、小批量生产;机械落砂一般有落砂机进行,用于大批量生产。
机械制造工艺与设备公开课教案第一节:机械制造工艺的概述(1000字)机械制造工艺是指通过一系列的工艺步骤,将原材料转化为最终产品的过程。
它是机械制造的核心环节,决定了产品的质量和性能。
本节将从机械制造工艺的定义、分类和发展历程三个方面进行介绍。
首先,机械制造工艺是指将原材料加工转化为最终产品的一系列工艺步骤。
它包括了材料的选择、加工工艺的设计、加工设备的选择和加工过程的控制等。
机械制造工艺的目标是实现产品的高效率、高质量和低成本。
其次,机械制造工艺可以根据加工方式的不同进行分类。
常见的机械制造工艺包括锻造、铸造、焊接、切削、冲压、喷涂等。
每种工艺都有其适用的材料和产品类型,需要根据具体情况选择合适的工艺。
最后,机械制造工艺的发展历程可以追溯到古代。
人类在远古时期就开始使用简单的工具进行加工,逐渐发展出了锻造、铸造等工艺。
随着科学技术的进步,机械制造工艺也得到了快速发展,出现了更多的加工方式和设备。
第二节:机械制造工艺的主要步骤(1000字)机械制造工艺包括了多个步骤,每个步骤都对最终产品的质量和性能有着重要影响。
本节将介绍机械制造工艺的主要步骤,并对每个步骤进行详细说明。
首先,材料准备是机械制造工艺的第一步。
在这一步骤中,需要选择合适的原材料,并进行切割、熔化、混合等处理,以便后续的加工过程。
其次,加工工艺设计是机械制造工艺的核心环节。
在这一步骤中,需要确定产品的加工方式、工艺参数和加工顺序等。
通过合理的工艺设计,可以提高产品的质量和生产效率。
然后,加工设备选择是机械制造工艺的重要环节。
不同的产品和工艺需要使用不同的加工设备,因此需要根据具体情况选择合适的设备。
同时,还需要考虑设备的性能、稳定性和可靠性等因素。
最后,加工过程控制是机械制造工艺的关键环节。
通过对加工过程的监控和控制,可以确保产品的质量和尺寸精度。
常见的加工过程控制方法包括工艺参数的调整、设备状态的监测和产品的检测等。
第三节:机械制造设备的分类与应用(1000字)机械制造设备是机械制造工艺的重要组成部分,它的选择和应用对产品的质量和生产效率有着直接影响。
机械制造工艺教案一、引言机械制造工艺是制造业中非常重要的一环,它涉及到产品的设计、加工工艺、工装夹具、质量控制等多个方面。
本教案旨在通过系统的学习和实践,培养学生掌握机械制造工艺的能力,为将来从事相关行业提供基础知识和技能。
二、学习目标1. 掌握机械制造工艺的基本概念和基本流程;2. 理解机械零件的设计和加工步骤;3. 能够运用CAD软件进行产品设计;4. 熟悉常用的机床和工装夹具,了解其使用方法及技巧;5. 掌握质量控制的基本原理和方法。
三、教学内容1. 机械制造工艺概述- 机械制造工艺的定义及分类- 机械制造工艺的基本流程2. 机械零件设计与加工- 零件设计的基本原则- 零件图纸的要求和标注- 零件加工的基本步骤3. CAD软件的应用- CAD的基本原理和功能介绍 - CAD绘图的基本操作方法 - CAD参数化设计4. 常用机床和工装夹具- 不同类型机床的用途及特点 - 工装夹具的作用和种类5. 质量控制- 质量控制的概念和重要性- 质量控制的基本方法和工具- 质量标准及其应用四、教学方法1. 理论授课结合实例分析通过讲解理论知识,并结合实际机械制造工艺案例进行分析,帮助学生深入理解概念和流程。
2. 实践操作配备相应的机械设备和CAD软件,让学生亲自进行机械零件设计和加工,提高实践操作能力。
3. 小组讨论和案例研究鼓励学生在小组内进行讨论和合作,共同解决实际问题,通过案例研究提升综合分析和解决问题的能力。
五、教学评估1. 平时表现包括学生的课堂参与度、讨论表现等。
2. 设计作业学生需完成一份机械零件设计和加工图纸,并进行实际操作制作。
3. 考试采取书面考试的形式,考查学生对机械制造工艺的理解和应用能力。
六、教学资源1. 教材《机械制造工艺教程》2. 设备和软件资源- 提供相应的CAD软件和机械设备供学生进行实践操作。
- 提供教学用的电子版教材和课件材料。
七、教学进度安排以下是针对本教案的教学进度安排,可根据实际情况进行调整:第一周:机械制造工艺概述第二周:机械零件设计与加工第三周:CAD软件的应用第四周:常用机床和工装夹具第五周:质量控制第六周:复习和总结八、教学反馈和改进在课程结束后,收集学生对本教案的反馈意见,并加以整理和分析。