土方回填检验批质量验收记录
- 格式:doc
- 大小:32.00 KB
- 文档页数:1
土方填方路基(路床)检验批质量验收记录范本一:正式风格【文档标题】土方填方路基(路床)检验批质量验收记录【1、引言】本次土方填方路基(路床)检验批质量验收记录,旨在对工程施工过程中土方填方路基(路床)的质量进行验收,确保工程质量达到要求。
【2、验收对象】2.1 工程名称:xxxx2.2 工程位置:xxxx2.3 施工单位:xxxx2.4 监理单位:xxxx【3、检验依据】3.1 《土方工程施工规范》(GB 50029-2019)3.2 《路基与路面工程质量验收规范》(JTG D20-2017)3.3 相关设计文件和规范要求【4、检验内容】4.1 现场勘察和见证4.2 原材料验收4.3 填方土质检验4.4 压实度检查4.5 路基平整度检查4.6 路基坡度检查【5、检验方法】5.1 现场勘察和见证:由监理工程师进行现场勘察和见证,确认施工过程符合设计要求。
5.2 原材料验收:按照规范要求对填方土进行取样,进行化验分析,确保原材料质量符合设计要求。
5.3 填方土质检验:采用现场取样测试、实验室试验等方法,对填方土质进行检验,包括土壤颜色、土壤含水量等指标。
5.4 压实度检查:通过现场动力触探、静力触探等方法,对路基进行压实度检查。
5.5 路基平整度检查:使用平整仪或光纤激光器等工具,对路基平整度进行测量。
5.6 路基坡度检查:使用水平仪、经纬仪等工具,对路基坡度进行测量。
【6、检验结果】根据以上检验方法,对土方填方路基进行检验,结果如下:6.1 原材料验收合格,填方土质符合设计要求。
6.2 压实度达到设计要求。
6.3 路基平整度符合设计要求。
6.4 路基坡度满足设计要求。
【7、质量验收结论】根据上述检验结果,土方填方路基(路床)质量验收合格,符合设计和规范要求。
【8、附件】本文档涉及附件:xxxx(附件名称),详见附件。
【9、法律名词及注释】9.1 土方工程施工规范:国家关于土方工程施工的技术规范,指导土方填方路基(路床)的施工质量要求。
土方回填工程检验批质量验收记录项目名称:土方回填工程施工单位:XX施工公司监理单位:XX监理公司验收时间:2024年X月X日一、工程概况1.施工范围:本次土方回填工程施工范围为XX平方米的区域。
2.土方成分:根据设计要求和施工方案,本次回填的土方主要由黏土、砂土和碎石组成。
3.施工过程:施工按照设计图纸和施工方案的要求进行,先进行回填并压实的主体工作,然后进行表面整平和抹灰等工序。
二、质量验收内容1.回填土方的密实度验收:根据设计要求,土方回填后需要达到一定的密实度。
验收过程中使用了CBR试验和压实度测试仪进行测量和评判。
经过测试,土方回填的密实度符合要求。
2.表面整平验收:根据设计要求,回填土方表面需要进行整平和抹灰。
验收过程中对整平效果进行了检查,发现无明显裂缝和凹凸不平的情况,符合设计要求。
3.回填土方的稳定性验收:根据设计要求,回填土方需要具有一定的稳定性,不能发生松散和坍塌现象。
通过观察和记录,未发现回填土方发生松散和坍塌的情况,达到了稳定性要求。
4.回填土方的排水性验收:根据设计要求,回填土方需要具备一定的排水性能。
验收过程中通过排水试验和地下水位观测等方式进行了评判,发现回填土方排水性良好,符合设计要求。
三、质量验收结果根据上述质量验收内容,本次土方回填工程经过验收,结果如下:1.回填土方的密实度符合设计要求。
2.回填土方表面整平效果良好,无明显裂缝和凹凸不平的情况。
3.回填土方具有较好的稳定性,未发生松散和坍塌现象。
4.回填土方具备良好的排水性能。
四、存在问题与整改意见在质量验收过程中发现以下问题:1.回填土方中存在少量杂物,需要进行清理。
2.部分回填土方未进行充分压实,需要重新压实。
以上问题已向施工单位进行反馈,并提出以下整改意见:1.清理杂物:施工单位应清理回填土方中的杂物,确保土方的纯度。
2.重新压实:施工单位应对部分未充分压实的土方进行重新压实,确保土方的密实度。
五、质量验收结论根据对土方回填工程的质量验收结果和存在问题的整改意见,对本次工程进行综合评定:满足设计要求的合格项数:4项存在质量问题的项数:2项质量验收结论:本次土方回填工程经过验收,合格率为66.7%。
土方回填工程查验批质量查收记录表
单位(子单位)工程名称
分部(子分部)工程名称地基与基础
施工单位青岛润通水利工程有限企业
分包单位
施工履行标准名称及编号
施工质量查收规范的规定
同意误差或同意值(mm)项目柱基场所平坦管地
基坑人工机械沟(路)主1标高-50±30± 50-5-50
控
分层压实
项 2
系数
目
一 1 回填土料
般分层厚度
2
项及含水量
鲁 JJ-083
查收部位基槽
项目经理
分包项目经理
监理(建设)施工单位检查评定记录
单位查收记
录12345678910
-210 -2 -2 -2 -2-1 -1 -1 12
切合设计要求
切合设计要求
切合设计要求
目 3 表面平坦度202030202015 16 12 13 12 12 15 16 12 12
专业工长(施工员)施工班组长
主控项目合格,一般项目切合设计及规范要求。
施工单位检查
评定结果
项目专业质量检查员:年月日
监理(建设)单
位查收结论
专业监理工程师:
(建设单位项目专业技术负责人):年月日注:地(路)面基层的误差只合用于直接在挖﹑填方上做地(路)面的基层
山东省建设工程质量监
督总站监制。
土方回填工程检验批质量验收记录表
文档编制序号:[KKIDT-LLE0828-LLETD298-POI08]
土方回填工程检验批质量验收记录
表由施工项目专业质量检查员填写,监理工程师(建设单位项目技术负责人)组织项目专业质量(技术)负责人进行验收。
2.记录中定量项目填写数据,定性项目“符合规范要求”用√标注,结果和结论栏由本人签字。
土方回填工程检验批质量验收记录
表由施工项目专业质量检查员填写,监理工程师(建设单位项目技术负责人)组织项目专业质量(技术)负责人进行验收。
2.记录中定量项目填写数据,定性项目“符合规范要求”用√标注,结果和结论栏由本人签字。
土方回填工程检验批质量验收记录
表由施工项目专业质量检查员填写,监理工程师(建设单位项目技术负责人)组织项目专业质量(技术)负责人进行验收。
2.记录中定量项目填写数据,定性项目“符合规范要求”用√标注,结果和结论栏由本人签字。
土方回填工程检验批质量验收记录
表由施工项目专业质量检查员填写,监理工程师(建设单位项目技术负责人)组织项目专业质量(技术)负责人进行验收。
2.记录中定量项目填写数据,定性项目“符合规范要求”用√标注,结果和结论栏由本人签字。
土方回填检验批质量验收记录一、项目概述项目名称:XX工程项目地点:XX地区项目时间:XX年XX月XX日至XX年XX月XX日二、背景介绍回填土方工程是工程施工过程中的一项重要工作。
为了保证回填土方的质量,确保工程的安全可靠性,需要进行回填土方质量验收。
本次记录为对XX工程回填土方工程进行的质量验收。
三、验收目的1.评估回填土方的质量是否符合相关规范要求;2.掌握回填土方工程的施工现场情况,并对施工过程中的关键环节进行评估;3.确认回填土方工程是否达到预期效果。
四、验收内容1.回填土方质量评定根据相关规范要求,对回填土方的质量进行评定。
主要包括土方的密实度、均质度、水分含量、含杂物等指标。
2.回填土方施工记录记录施工过程中的环境条件、施工设备、工序执行情况等相关信息。
五、验收方法1.现场检查对回填土方工程现场进行实地检查,确认施工现场环境是否符合要求,施工设备是否正常运行,工序执行是否规范。
2.取样检验在施工现场随机取样,将取样土样送至实验室进行检验,包括密实度试验、均质度试验、水分含量试验等。
六、验收结果经过现场检查和实验室检验,得出以下结论:1.回填土方质量评定结果:根据密实度、均质度、水分含量等指标,回填土方质量合格/不合格。
2.回填土方施工记录:记录施工现场情况,包括环境条件、施工设备、工序执行情况等。
施工现场合格/不合格。
七、存在问题及处理根据验收结果,发现以下问题:1.问题一:回填土方密实度不达标。
处理措施:对未密实的土方进行再次均质和压实,确保密实度符合要求。
2.问题二:施工现场环境不符合规范要求。
处理措施:整理和清洁施工现场,确保环境条件符合要求。
八、建议改进措施针对存在问题,提出以下建议改进措施:1.加强施工过程中的密实和均质工艺,提高回填土方的质量。
2.严格控制施工现场环境,确保满足相关规范要求。
九、总结通过本次回填土方质量验收,我们对回填土方工程的质量进行了评估,并查出了存在的问题。
土方回填检验批质量验收记录根据工程管理的要求,对土方回填工程进行质量验收是非常重要的一步,可以确保土方回填质量符合相关规范和标准。
以下是土方回填检验批质量验收记录的示范:一、基本信息工程名称:XXX项目工程地点:XXX施工单位:XXX公司监理单位:XXX公司检验批编号:XXX日期:XXXX年XX月XX日二、土方回填工程概况1.工程范围:XXX2.工程进度:XXX3.回填材料:XXX(例如:粗砂、砾石、淤泥等)三、土方回填施工情况1.施工设备使用的施工设备及数量:(例如:挖掘机2台、铲车1台)设备情况:(例如:设备完好,操作正常)2.施工人员施工人员数量:(例如:总共10人)施工人员构成:(例如:2名技术工人,8名普通工人)施工人员证书情况:(例如:技术工人均持有XXX证书)3.施工工艺及流程详细描述施工工艺和流程,包括:-土方回填前的工程准备工作;-回填材料的选择和调配;-土方回填的分层压实工艺;-施工过程中的质量控制措施。
四、土方回填质量检验结果1.材料检验回填材料的检测结果:(例如:经过实验室检测,回填材料符合GB/TXXXX标准)2.施工质量检验(1)地基基础验收情况地基基础的回填厚度:(例如:符合设计要求,回填厚度为XXX)地基基础的压实度:(例如:经过动力压实测试,符合规范要求)(2)回填土方验收情况回填土方的密实度:(例如:经过静水压试验,达到设计要求)回填土方界面的水平度:(例如:经过测量,与设计要求一致)(3)其他质量检验情况例如:排水系统、防渗透材料等的验收情况五、存在的问题及整改措施存在的问题:1.XXX问题2.XXX问题整改措施:1.XXX整改措施2.XXX整改措施六、质量验收结论经过检验,对土方回填工程进行验收,结论如下:1.土方回填工程质量合格,符合相关规范和标准;2.部分存在问题需要整改,整改措施已提出。
七、监理单位意见检查人员签字:__________________日期:XXXX年XX月XX日监理单位意见:___________________日期:XXXX年XX月XX日八、施工单位意见施工单位签字:__________________日期:XXXX年XX月XX日以上是土方回填检验批质量验收记录的一份示范,实际记录可根据具体工程的情况进行修改和调整。
土方回填工程检验批质量验收记录注:表中允许偏差实测值单位为“mm”。
省建设厅制地基验槽记录施工单位:注:槽底土质或岩层情况由勘察单位填写,地基处理情况由专业施工单位填写,并附检查报告。
省建设厅制SG—T027(原SG—T095)地基与基础分部工程质量验收报告的容填写和签署意见,工程建设参与各方按规定承担相应质量责任。
2、地基与基础分部工程质量文件按要求填写汇总表并整理成册附后备查。
省建设厅制SG—T044(原SG—T031)现浇结构混凝土工程检验批质量验收记录省建设厅制竣工工程申请验收报告注:由施工单位填写,报建设单位。
省建设厅制主体结构分部工程质量验收报告注:1、主体结构分部工程完成后,监理单位(建设单位)应组织有关单位进行质量验收,并按规定的容填写和签署意见,工程建设参与各方按规定承担相应质量责任。
2、主体结构分部工程质量文件按要求填写汇总表并整理成册附后。
省建设厅制SG—T021(原SG—T004)单位(子单位)工程观感质量检查记录省建设厅制SG—018(原SG—T001)单位工程质量竣工验收记录省建设厅制SG—010主要原材料与构配件出厂证明与试验单目录单位工程名称:施工单位:省建设厅制SG—024(原SG-T007)分项工程质量验收记录省建设厅制地基处理工程质量验收报告注:1.地基处理工程完成后,监理单位(建设单位)应组织有关单位进行质量验收,并按规定的容填写和签署意见,工程建设参与各方按规定承担相应质量责任。
2.地基处理工程质量文件按要求填写汇总表并整理成册附后。
地基处理工程质量文件汇总表整体面层(混凝土面层)检验批质量验收记录注:本表适用于整体水泥混凝土面层施工检验批质量验收,由施工项目专业质量检查员填写,监理工程师(建设单位项目技术负责人)组织项目专业质量(技术)负责人等进行验收。
整体面层(水泥砂浆面层)检验批质量验收记录注:本表适用于整体水泥砂浆面层施工检验批质量验收,由施工项目专业质量检查员填写,监理工程师(建设单位项目技术负责人)组织项目专业质量(技术)负责人等进行验收。
填土方路基检验批质量检验记录填土方路基检验批质量检验记录日期:XXXX年X月X日地点:XXXX工地检验人员:XXX检验项目:填土方路基检验目的:通过对填土方路基进行质量检验,确保填土质量符合设计要求,保障工程质量。
检验仪器:塌落度试验器、颗粒分析仪、压实度试验器等。
检验方法:根据施工方案和相关规范,采取抽样检验的方式。
一、检验前的准备工作1.确认填土方路基施工情况,包括填土材料种类、填土工艺、填土层数等。
2.检查填土方路基施工的相关文件,包括施工方案、批准图纸等。
3.准备好所需的检验仪器和设备,并进行仪器的校准。
二、取样检验1.根据工程要求和规范,选择代表性的填土样品进行取样。
2.取得填土样品后,进行标识,包括采样点位、取样日期、代号等。
三、检验项目1.塌落度试验使用塌落度试验器对填土样品进行塌落度试验,测量填土的塌落度。
2.颗粒分析试验使用颗粒分析仪对填土样品进行筛分,分析填土的颗粒组成和颗粒分布情况。
3.压实度试验使用压实度试验器对填土样品进行压实度试验,测量填土的压实度。
四、检验结果记录1.对每个样品的检验结果进行记录,包括塌落度、颗粒分析结果和压实度。
2.根据设计要求和规范,对填土的质量进行评判,确定是否符合要求。
3.将每个样品的检验结果整理成表格,包括样品编号、塌落度、颗粒分析结果和压实度等。
五、分析和控制1.根据检验结果进行分析,找出填土方路基施工中存在的问题和不足。
2.针对问题和不足提出相应的整改措施,并制定质量控制计划。
3.对填土方路基进行监督和管理,确保整改措施的实施和效果。
六、检验报告1.编制填土方路基检验报告,包括检验目的、检验方法、检验结果和分析等内容。
2.将检验报告送交施工单位和监理单位,供其参考。
以上是对填土方路基检验批质量检验记录的详细描述。
通过此次检验,我们能够及时发现填土方路基的质量问题,并提出相应的整改措施,确保工程质量的合格和安全。
同时,通过检验记录的整理和报告的编制,我们能够对填土方路基的质量状况进行跟踪和监控,为后续施工和验收提供科学的依据。
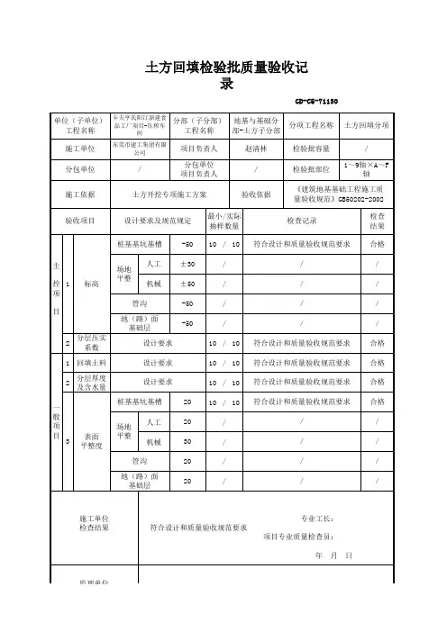
土方回填工程检验批质量验收记录表GB50202-2002010102土方回填是一个综合性项目,使用哪一项时,在哪一项打“V”注明。
或在表名土方回填前加上xx 土方回填,更清楚。
主控项目:1. 检查数量:柱基按总数抽查10%但不少于5个,每个不少于2点;基抗每20m2取1点,每坑不少于2点;基槽、管沟、排水沟、路面基层每20m取1点,但不少于5点;地面基层每30〜50m2取1点,但不少于5点;场地平整每100〜400m取1点,但不少于10点。
检验方法:用水准仪测量回填后的表面标高,检查测量记录。
2. 检查数量:柱基抽查总数的10%但不少于5个;基槽和管沟回填,每层按长度20〜50m取样1组,但不少于1组;基坑和室内填土,每层按100〜500mm2取样1组,但不少于1组;场地平整填方,每层按400〜900m2取样1组,但不少于1组。
检验方法:按规定或环刀法取样测试,不满足要求应随时返工。
检查测试记录。
注:灌砂或灌水法的取样数量可较环刀法适当减少。
一般项目:1. 检查数量:全数检查。
检验方法:取样检验或直观鉴别。
检查施工记录和试验报告。
2. 检查数量同主控项目2。
检验方法:分层厚度及含水量:符合设计要求。
如设计无规定应符合规范表 6.3.3的规定。
用水准仪检查分层厚度。
取样检测含水量。
检查施工记录和试验报告。
3.检查数量:每30〜50m2取1点检查表面平整度。
检验方法:用水准仪和靠尺检查。
土方回填前清除基底的垃圾、树根等杂物,去除积水、淤泥,验收基底标高。
如在耕植土或松土上填方,应在基底压实后再进行。
填方土料按设计要求验收。
填方施工中检查排水措施,每层填筑厚度、含水量控制、压实程度。