最新大跨与空间结构(网架及网壳结构)
- 格式:pptx
- 大小:14.29 MB
- 文档页数:102
第〇章第4章网架和网壳结构CAD1基础知识1.1关于网架和网壳结构的概述空间网架和网壳结构是近几年来非常流行的大跨度钢结构形式, 其盛行的原因主要有两方面。
一是受力好和空间刚架好, 二是工厂化生成和安装方便。
以节点划分主要有两种类型: 焊接球与螺栓球, 尤以螺栓球较为普遍。
螺栓球网架和网壳中构件主要有: 杆件、螺栓球、封板锥头、高强螺栓和套筒(无纹螺母)。
以基本单元几何构成来分就很多了, 常用的是正交正放四角锥。
不同位置构件的称谓见图:1.2设计流程1.3了解一些AutoCADGDCAD的图形平台是AutoCAD R14;需要利用其右边的屏幕菜单, 如果AutoCAD R14的屏幕菜单被关闭, 请点击菜单“Tools—Preferences—Display”, 在第一项关于“Screen Menu”上作出选择。
2GDCAD中常用的命令是“Dview”, 主要用来看模型的空间透视图, 具体在command: 下键入“DV”回车然后选择对象, 键入“CA”后可动态显示透视图。
3AutoCAD 与用户的交流主要是对话框与文本区, 按“F2”可显示或关闭文本提示区。
4一个平板网架的工程实例4.1建立工程点击桌面上“网架网壳CAD”快捷方式, 进入主菜单, 点击“工程—新工程”, 在工程卡片上填写工程名比如“GDTEST”, 指定工程存放路径及AutoCAD R14的路径, 程序自动在工程存放路径下建立“GDTEST”子目录(或称文件夹), 以后所有与该工程有关的文件全部放在其下面。
4.2建立零部件库文件4.3点击“零部件规格—重组规格”, 屏幕出现规格卡片, 左边是读取路径, GDCAD安装完成后, 程序目录下带有一“DATA”子目录, 内部包含某一种网架加工厂家的零部件规格系列, 因此缺省的读取路径指向“DATA”子目录, 点击“读取”按钮, 显示钢管等零部件序列编号, 如果不准备采用某一序号, 请点击该序号去掉其前面的“(”选择符。
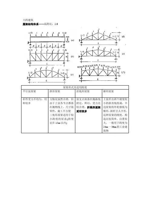
大跨建筑屋架结构体系——高跨比:1:6二、空间结构体系(一)网架结构体系 网架的优点• 结构组成灵活多样但又有高度的规律性,适应各种支承条件和各种建筑造型,可适应各种建筑方面的要求•网架高度内的空间可以用以设置管道等设施,网架结构外露或部分外露,因其几何图形的规则,可以丰富建筑效果•网架的结构高度较小,不仅可以有效地利用建筑空间,而且能够利用较小规格的杆件建造大跨度的结构•杆件类型划一,适合于工厂化生产、地面拼装和整体吊装网架结构受力特点•具有各向受力的性能,它改变了一般平面桁架的受力状态,是高次超静定空间结构•网架结构的各杆件之间互相起支撑作用,整体性强、稳定性好,空间刚度大,是一种良好的抗震结构型式,尤其对大跨度建筑其优越性更为显著•在结点荷裁作用下,网架的杆件主要承受轴力,充分发挥材料强度,节省钢材网架的分类1、几何形态上分:平板网架、柱面网架、球面网架2、平面桁架系、四角锥体系、三角锥体系3、螺栓球节点、焊接球节点4、双层网架、多层网架四角锥体网架的上弦和下弦平面均为方形网格,上下弦错开半格,用斜腹杆连接上下弦的网格交点,形成一个个相连的四角锥体。
四角锥体网架网架的选型•对于矩形平面、周边支承情况,当其边长比小于或等于1.5时,宜选用斜放四角锥网架,棋盘形四角锥网架,正放抽空四角锥网架,也可考虑两向正交斜放网架,两向正交正放网架。
•正放四角锥网架耗钢量较其他网架高,但杆件标准化程度比其他网架好,目前采用较多。
•对于中小跨度,也可选用星形四角锥网架和蜂窝形三角锥网架。
当边长比大于1.5时,宜先用两向正交正放网架,正放四角锥网架和正放抽空四角锥网架。
当平面狭长时,可采用单向折线形网架。
网架的结构高度•网处的高度(即厚度)直接影响网架的刚度和杆件内力。
增加网架的高度可以提高网架的刚座,减少弦杆内力,但相应的腹杆长度增加,围护结构加高。
网架的高度主要取决于网架的跨度。
•网架的高度与短向跨度之比一般为:•跨度=<30m,约为1/10~1/13•跨度30~60m,约为1/12~1/15•跨度>60m,约为1/14~1/18(二)薄壳壳体的受力特征•薄——不致于产生明显的弯曲应力,厚——可以承受压力、拉力和剪力的形抵抗结构(将材料造成一定的形式从而获得强度去承受荷载的结构)•薄壳结构赖以获得这种能力的“形”就是曲面,薄壳的结构效能就是归功于曲面的曲率和几何特征•薄壁壳体结构,由于它主要承受曲面内的轴力作用,所以材料强度能得到充分利用,同时由于它的空间工作,所以具有很高的强度和很大的刚度。
3.大跨度钢结构
大跨度结构主要有网架结构、悬索结构和网壳结构等。
(1)网架结构(图)
网架结构广泛用作体育馆、展览馆、俱乐部、影剧院、食堂、会议室、候车厅、飞机库、车间等的屋盖结构。
具有工业化程度高、自重轻、稳定性好、外形美观的特点。
构成网架的基本单元有三角锥、三棱体、正方体、截头四角锥等,由这些基本单元可组合成平面形状的三边形、四边形、六边形、圆形或其他任何形体。
一般而言,网架钢结构有下列三种节点形式:
·焊接球节点
·螺栓球节点(图)
·钢板节点
(2)悬索及索桁架结构
以一系列拉索为主要承重构件,这些索按一定的规律组成各种不同的形式,悬挂于相应的支撑结构上,使材料强度在受拉情况下得到充分发挥的结构形式。
节约钢材(以浙江省体育馆为例,仅17kg/m2)、外形美观、设计施工较复杂,适合于大跨度屋顶。
(3)网壳结构
同网架结构一样,网壳也是由许多杆件按一定规律布置,通过节点连接成空间杆系结构,但网架的外形呈平板状,而网壳的外形呈曲面状。
一般为单层或双层,按其外形为单曲面或双曲面而构成网状穹顶、网状筒壳以及双曲抛物面网壳等多种形式。
网壳结构的特点:外形美观、通透感好,建筑空间大、用材省,设计施工较复杂。
苏州乐园宇宙大战馆球体屋面(穹顶)(图)
上海商务中心(网状网壳)(图)。
简述大跨度空间结构的主要形式及特点1、网架结构由多根杆件按照某种规律的几何图形通过节点连接起来的空间结构称之为网格结构,其中双层或多层平板形网格结构称为网架结构或网架。
它通常是采用钢管或型钢材料制作而成。
1.1网架结构的形式(1)平面桁架系组成的网架结构。
主要有:两向正交正放网架、两向斜交斜放网架、两向正交斜放网架、三向网架等型式。
(2)四角锥体组成的网架结构。
主要有:正放四角锥网架、斜放四角锥网架、正放抽空四角锥网架、棋盘形四角锥网架、星型四角锥网架、单向折线型网架等型式。
(3)三角锥组成的网架结构。
主要有:三角锥网架、抽空三角锥网架(分Ⅰ型和Ⅱ型)、蜂窝形三角锥网架等型式。
(4)六角锥体组成的网架结构。
主要形式有:正六角锥网架。
1.2网架结构的主要特点空间工作,传力途径简捷;重量轻、刚度大、抗震性能好;施工安装简便;网架杆件和节点便于定型化、商品化、可在工厂中成批生产,有利于提高生产效率;网架的平面布置灵活,屋盖平整,有利于吊顶、安装管道和设备;网架的建筑造型轻巧、美观、大方,便于建筑处理和装饰。
2、网壳结构曲面形网格结构称为网壳结构,有单层网壳和双层网壳之分。
网壳的用材主要有钢网壳、木网壳、钢筋混凝土网壳等。
2.1网壳结构的形式主要有球面网壳、双曲面网壳、圆柱面网壳、双曲抛物面网壳等。
2.2网壳结构主要特点兼有杆系结构和薄壳结构的主要特性,杆件比较单一,受力比较合理;结构的刚度大、跨越能力大;可以用小型构件组装成大型空间,小型构件和连接节点可以在工厂预制;安装简便,不需大型机具设备,综合经济指标较好;造型丰富多彩,不论是建筑平面还是空间曲面外形,都可根据创作要求任意选取。
3、膜结构薄膜结构也称为织物结构,是20世纪中叶发展起来的一种新型大跨度空间结构形式。
它以性能优良的柔软织物为材料,由膜内空气压力支承膜面,或利用柔性钢索或刚性支承结构使膜产生一定的预张力,从而形成具有一定刚度、能够覆盖大空间的结构体系。
大跨度空间结构是目前发展最快的结构类型。
大跨度建筑及作为其核心的空间结构技术的发展战况是代表一个国家建筑科技水平的重要标志之一。
而大跨度结构的表现形式是多种多样的。
大跨度空间结构;拱券结构及穹隆结构;椼架结构与网架结构;壳体结构;悬索结构;膜结构一、拱券结构及穹隆结构从迄今还保存着的古希腊宏大的露天剧场遗迹来看,人类大约在两千多年前,就有扩大室内空间的要求。
古代建筑室内空间的扩大是和拱结构的演变发展紧密联系着的,从建筑历史发展的观点来看,一切拱结构-包括各种形式的券、筒形拱、交叉拱、穹隆-的变化和发展,都可以说是人类为了谋求更大室内空间的产物。
券拱技术是罗马建筑最大的特色及成就,它对欧洲建筑做出了巨大的贡献,影响之大无与伦比。
罗马建筑典型的布局方法、空间组合、艺术形式和风格以及某些建筑的功能和规模等等都是同券拱结构有密切联系。
拱形结构在承受荷重后除产生重力外还要产生横向的推力,为保持稳定,这种结构必须要有坚实、宽厚的支座。
例如以筒形拱来形成空间,反映在平面上必须有两条互相平行的厚实的侧墙,拱的跨度越大,支承它的墙则越厚。
很明显,这必然会影响空间组合的灵活性。
为了克服这种局限,在长期的实践中人们又在单向筒形拱的基础上,创造出一种双向交叉的筒形拱。
而之后为了建筑的发展热门又创造出了穹隆结构穹隆结构也是一种古老的大跨度结构形式,早在公元前14世纪建造的阿托雷斯宝库所运用的就是一个直径为14.5米的叠涩穹隆。
到了罗马时代,半球形的穹隆结构已被广泛地运用于各种类型的建筑,其中最著名的要算潘泰翁神庙。
神殿的直径为43.3米,其上部覆盖的是一个由混凝土做成的穹隆结构。
在大跨度结构中,结构的支点越分散,对于平面布局和空间组合的约束性就越强;反之,结构的支承点越集中,其灵活性就越大。
从罗马时代的筒形拱衍变成高直式的尖拱拱肋结构;从半球形的穹隆结构发展成带有帆拱的穹隆结构,都表明由于支承点的相对集中而给空间组合带来极大的灵活性。
大跨网架与网壳结构设计与分析发布时间:2021-05-31T12:49:12.787Z 来源:《基层建设》2021年第3期作者:韩蓉[导读] 摘要:本文结合相关设计规范,利用3D3S设计软件,设计同尺寸网架和网壳2种大跨屋盖结构。
中国五洲工程设计集团有限公司北京 100053摘要:本文结合相关设计规范,利用3D3S设计软件,设计同尺寸网架和网壳2种大跨屋盖结构。
研究表明:网壳比网架结构受力性能更好,具有更好的经济性。
关键词:大跨网架;大跨网壳;3D3S1.引言大跨屋盖结构近年来越来越多的应用于各类建筑中。
大跨屋盖结构有多种形式,其中网架和网壳是经过近十几年来国内得到推广和应用最多一种空间结构类型[1]。
但屋盖结构体系是选用网架还是网壳,结构的受力,位移均不同的。
本文以某会议场馆的设计为依托,进行网架与网壳的方案比选。
2.网架与网壳结构设计2.1 网架与网壳模型设计2.1.1 结构选型及平面尺寸网架一般为双层平板网格结构,杆件的形式通常选用空心圆钢管[2]。
由《空间网格结构技术规程(JGJ7-2010)》(以下简称《规程》)可知:网架有正放、正放抽空、棋盘形、斜放等形式[3]。
本文选取空间稳定性较好的正放四角锥网架。
网壳由于要与网架同平面尺寸,因此选用正放四角锥柱面网壳。
网架和网壳模型的平面尺寸均为:60.0m×90.0m。
2.1.2 网格结构的高度由《规程》第3.2.5条可知:网架的高跨比在1/10~1/18区间内[3]。
本文网架高度选为3.5m。
双层柱面网壳的厚度可取跨度的1/50~1/20[1],本文网壳高度选为2.0m。
2.1.3 网格尺寸网格尺寸的大小,主要是指上弦网格大小。
网格尺寸一般取3~6m[4]。
本文网架和网壳的网格尺寸选取为3.0m×3.0m。
2.1.4 结构总高本文研究的是大跨度网架与网壳屋盖结构,取净高均为15m。
2.2 模型计算1、杆件截面尺寸尽量呈现梯度性。