江西省建设工程计价办法.
- 格式:doc
- 大小:16.50 KB
- 文档页数:3
江西省建设工程计价办法(试行)第一章总则第一条为了进一步规范我省建设工程的计价行为,维护发承包双方的合法权益,满足定额计价和工程量清单计价的需要,合理确定工程造价,根据《中华人民共和国招标标法》,国家标准《建设工程工程量清单计价规范》(GB50500-2003)《建设工程施工发包和承包计价管理办法》(建设部令第107号)等有关法律法规,结合本省具体情况制定《江西省建设工程计价管理办法》(试行)(以下简称本办法)。
第二条凡在江西省境内的建筑工程、装饰装修工程、安装工程计价,均执行本办法规定的工程量清单计价办法或定额计价办法。
第三条全部使用国有资金投资、国有资金占总投资额50%以上或虽不足50%,但国有资产投资者实质上拥有控股权的大中型建设工程必须执行工程量清单计价。
除上述规定以外的建设工程,由发包人根据有关法律法规在招标文件或合同中明确采用工程量清单计价办法或定额计价办法。
但两种计价办法不能在同一工程项目中同时使用。
第四条工程量清单计价是指投标人完成由招标人提供的工程量清单所需的全部费用,包括分部分项工程费,措施项目费,其他项目费和规费、税金。
工程量清单计价应按《建设工程工程量清单计价规范》的规定,采用综合单价计价。
定额计价办法是指按统一基价表或单位估价表、费用定额及有关文件规定和取费程序计算工程的直接费、间接费、利润、税金的计价办法。
工程量清单计价办法和定额计价办法是编制施工图预算、招标标底、投标报价、竣工结算的计价依据。
第二章工程量清单计价第五条工程量清单1、工程量清单是建设工程招标文件和合同的组成部分,由分部分项工程量清单、措施项目清单、其他项目清单组成。
工程量清单应包括建工程的全部项目,是各投标人报价的基础。
2、工程量清单的的编制应由具有编制招标文件能力的招标人或其委托人具有相应资质的工程造价咨询或招标代理机构编制。
3、工程量清单应依据招标文件、施工设计图纸、《建设工程工程量清单计价规范》和有关技术资料、计价规定及施工现场条件、工程具体情况等腰三角形进行编制。
江西省建筑工程取费江西省建筑工程取费计算方法一、工程取费计算依据根据《江西省建筑工程施工企业资质管理办法》和《江西省建筑工程工程量清单计价规范》,本文对江西省建筑工程的取费进行详细规定。
二、费用构成及计算方法1. 设计阶段费用设计阶段费用包括编制施工图纸及施工图设计、编制项目预算、编制招标文件等费用。
设计阶段费用按照建设项目投资总额的1%计算。
2. 建筑工程施工阶段费用建筑工程施工阶段费用包括施工准备费、人工费、材料费、机械使用费等各项费用。
具体计算方法如下:(1)施工准备费按照建设项目投资总额的1%计算;(2)人工费按照建筑工程施工员工工资总额计算;(3)材料费按照建筑工程施工所用材料总额计算;(4)机械使用费按照建筑工程施工所用机械设备总额计算。
3. 工程管理费工程管理费包括项目经理工资、员工薪酬、办公费等各项费用。
工程管理费按照建筑工程投资总额的3%计算。
4. 税费税费包括增值税、营业税、所得税等各项税费。
税费根据国家相关税法进行计算。
5. 利润利润按照建筑工程施工企业所持资质等级的不同,按照建筑工程施工合同总额的3-5%进行计算。
三、资质要求根据江西省相关要求,从事建筑工程取费计算的单位需要具备相应的建筑工程施工资质,并按照国家有关规定进行资质审查和管理。
四、安全保障建筑工程取费计算过程中,需要保证数据的准确性和真实性,确保合理计算费用,并严格遵守法律法规和财务规定,做到合法合规。
五、结算方式建筑工程取费按照施工合同约定的结算周期进行结算,结算过程中需要提供相关财务报表和其他相关文件,确保结算的合理性和及时性。
六、其他事项本文中所提及的费用计算方法和标准仅适用于江西省范围内的建筑工程,具体情况还需根据实际情况进行调整和执行。
七、总结以上是江西省建筑工程取费的相关规定和计算方法,建筑工程施工企业在进行项目报价和施工预算时应严格按照相关规定进行计算,并做好相应的审核和控制,确保项目的顺利进行。
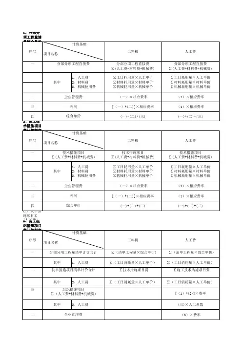
1、分部分项工程量清单综合单价计算程序表
2、施工技术措施项目费计算程序表
注:技术措施项目∑(人工费+材料费+机械费)未详列人工、材料、机械耗用量,而以每项“××元”表示的,或无工日耗用量的,以人工费为3、施工组织措施项目费计算程序表
注:组织措施项目∑(人工费+材料费+机械费)中的人工系数按15%计算。
4、零星工作项目费计算程序表
5、单位工程工程费用计算程序表
(1)以工料机费为计费基础
(2)以人工费为计费基础
注:“∑其他项目费中的人工费”指预留金、零星工作项目费中的人工费,预留金中的人工费按15%计算。
以人工费为基础计取有关费用时,人工费按15%比例计算。
江西省住房和城乡建设厅赣建字[2010]3号江西省建设工程计价管理办法第一章总则第一条为全面贯彻《建设工程工程量清单计价规范》GB50500—2008(以下简称“08计价规范”),规范建设工程发承包双方的计价行为,完善政府宏观调控和市场形成工程造价的机制,根据国家有关法律法规,结合我省实际,制定《江西省建设工程计价管理办法》(以下简称“本办法”)。
第二条本省行政区域内的工程建设项目(包括建筑工程、装饰装修工程、安装工程、市政工程、仿古建筑工程、园林绿化工程)的计价活动,均应按照“本办法”的规定执行。
第三条建设项目工程发承包价格的形成应当遵循以下原则:1。
政府宏观调控下的市场形成价格的原则;2.企业自主报价的原则;3。
公平、公正、竞争、诚信合理确定工程造价的原则;4。
遵守法律、法规及接受政府行政主管部门依法监督的原则;5。
编制、审核(鉴定)建设工程计价文件依法执业的原则。
第四条全部使用国有资金投资、国有资金占总投资额50%以上或虽不足50%但国有资产投资者实质上拥有控股权的工程建设项目(包括建筑工程、装饰装修工程、安装工程、市政工程、园林绿化工程),必须采用工程量清单计价方式。
非国有资金投资的工程建设项目,是否采用工程量清单方式计价由项目业主自主确定.当确定采用工程量清单计价时,则应执行“08计价规范”的所有规定;当确定采用定额计价时,除不执行工程量清单计价的专门性规定外,“08计价规范”规定的工程价款调整、工程计量与价款支付、索赔与现场签证、竣工结算以及工程造价争议处理等条文必须执行。
第五条工程量清单计价是指按照分部分项工程费、措施项目费、其他项目费、规费和税金的划分计算工程项目费用,并采用综合单价的计价方法.工料单价法是指按统一基价表或单位估价表、费用定额及有关文件规定和取费程序计算工程的直接费、间接费、利润、税金的计价办法。
第二章工程量清单及计价第六条工程量清单是工程量清单计价的基础和重要依据.是建设工程招标文件的主要组成部分。
江西省建设工程材料预算价格编制办法江西省建设厅赣建字【2001】7号江西省建设工程材料预算价格编制办法为适应社会主义市场经济发展的需要,合理确定建设工程材料预算价格(以下简称材料预算价格),规范建设工程造价的计价方法,根据国家及我省的有关规定,制定本办法。
一、编制原则、作用和适用范围(一)材料预算价格的编制应遵循“就地、就近、经济、合理”的原则,要充分考虑国家经济建设的发展、材料供求关系的变化、本地区建设工程的分布状况,投资情况、工程类别、材料来源、运输方式、运输距离等因素、采取加权平均方法进行确定。
(二)材料预算价格的编制要坚持实事求是的原则,要以国家价格法规政策为基础,认真做好调查研究工作,正确确定各项比例数据,分析本地区的实际情况,剔除影响价格的不合理因素。
对文件规定与本地区市场情况不一致的,应予调整。
(三)材料预算价格是编制建设工程投资估算指标、概(预)算定额、单位估价表的基础,是实行工程造价动态管理的重要依据。
(四)本办法适用于江西省一般工业与民用建设安装工程以及市政、园林及仿古建筑、房屋修缮、装饰、抗震加固等工程材料预算价格的编制。
(五)材料预算价格编制区划范围外或者列入国家、省重点建设的工程,经批准可按照本办法编制专项工程材料预算价格。
二、材料预算价格的组成材料预算价格(包括构件、成品及半成品)是指材料自采购地(交货地、生产厂)到达施工工地仓库后的出库价格,或到达施工现场堆放点所发生的全部费用。
其费用组成包括:供应价、运杂费、采购及保管费。
材料预算价格的计算公式:材料预算价格=(供应价+运杂费)×(1+采购及保管费率)材料预算价格的表现形式:其中编码材料名称规格型号单位预算价格供应价运杂费采购及保管费三、材料预算价格中各项费用的确定(一)供应价供应价是指材料的销售价格。
包括材料原价(出厂价)、供销部门经营费等有关内容。
1.材料供应价以合格产品的批发价格为依据对工程中使用的零星材料可适当考虑部分零售价格。
附件江西省建设工程造价咨询效劳收费基准价费率:‰说明:1、本收费标准按差额累进制计算,当咨询工程的咨询费缺乏3000元者,一律按3000元/项收费。
2、安装工程造价含主材和设备价格,但不含甲方供给的设备价格。
3、施工全过程工程造价控制咨询效劳的内容包括:合同价、工程变更价款的审核,现场签证审核,参与设备材料询价,进度款支付和竣工结算审核等内容,如超过以上工作内容那么另行计费;咨询企业在开展施工阶段全过程工程造价控制咨询工作中,如发生工程造价核减额,那么可另按核减额6%的比例增加咨询效劳收费。
4、工程造价司法鉴定本通知未作规定,执行江西省开展改革委员会?关于正式核定全省面向社会效劳司法鉴定收费工程及标准的批复?〔赣发改收费字[2006]46号〕中第十一项“建筑工程鉴定〞的规定。
5、建设工程造价咨询效劳收费标准实行分档累进计费方式,如某工程工程总投资5000万元的工程量清单计价,计算收费额如下:200万元×4.5‰=0.9万元〔500万元-200万元〕×4.3‰=1.29万元〔1000万元-500万元〕×4.1‰=2.05万元〔3000万元-1000万元〕×3.9‰=7.80万元〔5000万元-3000万元〕×3.7‰=7.40万元应收咨询费合计=0.9万元+1.29万元+2.05万元+7.80万元+7.40万元=19.44万元赣价协〔2021〕9号各设区市协会联络处、各专业委员会、各有关单位会员、行业相关单位:为贯彻落实党的十八大、十八届三中全会精神和国务院关于进一步简政放权、推进职能转变的要求,根据?国家开展改革委关于放开局部建设工程效劳收费标准有关问题的通知?〔发改价格[2021]1573号〕精神,全国各地将陆续放开局部建设工程效劳收费标准。
为适应我省放开工程造价咨询效劳收费后的新常态,指导和标准从业单位的收费行为,进一步培育和促进我省建设工程造价咨询效劳业的开展,维护各方当事人的合法权益,应会员和社会有关单位对工程造价咨询效劳收费的诉求,我会根据?中华人民共和国价格法?、国家计委等六部委?关于印发<中介效劳收费管理方法>的通知?〔计价格[1999]2255号〕、?工程造价咨询企业管理方法?(原国家建设部149号令)和中国建设工程造价管理协会?关于标准工程造价咨询效劳收费的通知?〔中价协[2021]35号〕及?关于标准工程造价咨询效劳收费的五点意见?〔中价协[2021]26号〕等有关文件精神,在收集、整理和分析各邻边省市工程造价咨询效劳收费工程和标准的根底上,结合我省当前工程造价咨询收费的实际情况,编制了?江西省建设工程造价咨询效劳收费基准价?〔以下简称为“基准价〞,见附件〕。
安全施工文明措施费计价办法总说明一、《江西省建筑工程消耗量定额及统一基价表》(以下简称建筑定额)是在国家标准《建设工程工程量清单计价规范》(GB50500-2003)(以下简称《规范》)和《全国统一建筑工程基础定额》(GJD —101—95)及《全国统一建筑工程基础定额》(江西省单位估价表)(2000年)基础上,结合我省具体情况进行编制的。
二、建筑定额既是实行工程量清单计价办法时配套的消耗量定额,同时也是实行定额计价办法时的全省统一基价表。
它适用于我省境内工业与民用建筑的新建、扩建、改建工程。
三、建筑定额的作用1.是完成规定计量单位分项工程计价的人工、材料、施工机械台班消耗量标准。
2.是编制概算定额、估算指标的依据。
3.是编制施工图预算、编制招标标底、投标报价的依据。
4.是确定工程造价办理工程结算的依据。
5.是企业内部经济核算的基础。
四、建筑定额章节划分和表现形式主要内容分为三部分:第一部分为工程项目、第二部分为施工技术措施项目、第三部分为附录。
建筑定额章、节划分按《规范》统一项目编码设置。
定额基价的表现形式由人工费、材料费、机械费三项组成。
五、建筑定额中的基价,是全省计算建筑产品工程费的基础价。
各地区不得另编基价表。
六、建筑定额是依据现行有关国家产品标准、设计规范和施工验收规范、质量评定标准、安全操作规程编制的,并参考了行业、地方标准以及有代表性的工程设计、施工资料和其他资料。
执行定额计价办法时,除规定允许调整、换算者外,一般不得因具体工程的人工、材料、机械消耗与定额规定不同而改变消耗量。
七、建筑定额消耗量是完成规定计量单位的合格产品所需的人工、材料、机械和必要的施工措施费用标准,是按照正常的施工条件,目前我省建筑企业的施工机械装备程度,合理的施工工期、施工工艺、劳动组织为基础编制的,反映了社会平均消耗水平。
八、建筑定额中的消耗量和价格的确定1.人工工日消耗量:定额中的人工工日不分工种、技术等级,一律以综合工日表示。
赣建价〔2014〕5号各设区市和省直管试点县(市)建设局(建委),规划局、房管局、园林局、水务局,国家级和省级风景名胜区管理局(管委会),省直有关单位:国家住房和城乡建设部、质量监督检验检疫总局联合发布的《建设工程工程量清单计价规范》(GB50500-2013)和《房屋建筑与装饰工程工程量计算规范》(GB50854-2013)、《仿古建筑工程工程量计算规范》(GB50855-2013)、《通用安装工程工程量计算规范》(GB50856-2013)、《市政工程工程量计算规范》(GB50857-2013)、《园林绿化工程工程量计算规范》(GB50858-2013)、《矿山工程工程量计算规范》(GB50859-2013)、《构筑物工程工程量计算规范》(GB50860-2013)、《城市轨道交通工程工程量计算规范》(GB50861-2013)、《爆破工程工程量计算规范》(GB50862-2013)(以下统称为2013计价计量规范)以来,我厅组织全省各主管部门、建设、施工、设计、监理、工程造价咨询和招投标代理机构等建设市场各方主体深入开展了宣贯工作;各级建设行政主管部门和造价管理机构主动提前做好新规范实施后的衔接工作,为我省全面执行新规范打下了良好的基础。
现就进一步做好我省全面实施和执行2013计价计量规范有关工作通知如下:一、2014年9月1日之后,全省范围内使用国有资金投资的建设工程承发包,必须采用工程量清单计价;非国有资金投资的建设工程,宜采用或推荐采用工程量清单计价。
二、《江西省建设工程计价管理办法》(赣建字【2010】3号)所规定的计价方法和内容与“2013计价计量规范”有差异或抵触的,一律按“2013计价计量规范”所规定的内容执行。
三、“2013计量规范”中明确规定由各省(市)建设行政主管部门选择确定和自行规定的有关计价内容,将由省建设工程造价管理局结合我省实际和计价工作的需要,尽快做出明确的具体规定。
江西省建设工程材料预算价格编制办法江西省建设厅赣建字【2001】7号江西省建设工程材料预算价格编制办法为适应社会主义市场经济发展的需要,合理确定建设工程材料预算价格(以下简称材料预算价格),规范建设工程造价的计价方法,根据国家及我省的有关规定,制定本办法。
一、编制原则、作用和适用范围(一)材料预算价格的编制应遵循“就地、就近、经济、合理”的原则,要充分考虑国家经济建设的发展、材料供求关系的变化、本地区建设工程的分布状况,投资情况、工程类别、材料来源、运输方式、运输距离等因素、采取加权平均方法进行确定。
(二)材料预算价格的编制要坚持实事求是的原则,要以国家价格法规政策为基础,认真做好调查研究工作,正确确定各项比例数据,分析本地区的实际情况,剔除影响价格的不合理因素。
对文件规定与本地区市场情况不一致的,应予调整。
(三)材料预算价格是编制建设工程投资估算指标、概(预)算定额、单位估价表的基础,是实行工程造价动态管理的重要依据。
(四)本办法适用于江西省一般工业与民用建设安装工程以及市政、园林及仿古建筑、房屋修缮、装饰、抗震加固等工程材料预算价格的编制。
(五)材料预算价格编制区划范围外或者列入国家、省重点建设的工程,经批准可按照本办法编制专项工程材料预算价格。
二、材料预算价格的组成材料预算价格(包括构件、成品及半成品)是指材料自采购地(交货地、生产厂)到达施工工地仓库后的出库价格,或到达施工现场堆放点所发生的全部费用。
其费用组成包括:供应价、运杂费、采购及保管费。
材料预算价格的计算公式:材料预算价格=(供应价+运杂费)×(1+采购及保管费率)材料预算价格的表现形式:其中编码材料名称规格型号单位预算价格供应价运杂费采购及保管费三、材料预算价格中各项费用的确定(一)供应价供应价是指材料的销售价格。
包括材料原价(出厂价)、供销部门经营费等有关内容。
1.材料供应价以合格产品的批发价格为依据对工程中使用的零星材料可适当考虑部分零售价格。
南昌市建设工程造价计价管理办法(2023年修正)文章属性•【制定机关】南昌市人民政府•【公布日期】2023.07.26•【字号】南昌市人民政府令第172号•【施行日期】2023.07.26•【效力等级】地方政府规章•【时效性】失效•【主题分类】价格,建筑市场监管正文南昌市建设工程造价计价管理办法(2005年4月30日市人民政府令第104号发布根据2023年7月26日市人民政府令第172号修正)第一条为了加强对建设工程造价计价的管理,规范建设工程造价计价行为,维护建设工程各方合法权益,根据《中华人民共和国建筑法》、《江西省建筑管理条例》等法律、法规的规定,结合本市实际,制定本办法。
第二条本市行政区域内建设工程造价的计价及管理,适用本办法。
交通、水利等专业建设工程造价的计价及管理,按照国家、省有关规定执行。
第三条本办法所称建设工程造价,是指建设工程从筹建到竣工交付使用期间所需的全部费用,主要包括建筑安装工程费、设备购置费、预备费以及其他相关费用。
第四条住房和城乡建设主管部门负责本市建设工程造价计价管理工作,其所属的建设工程造价管理机构负责具体工作。
县、区住房和城乡建设主管部门负责本辖区建设工程造价计价管理工作。
有关行政管理部门按照各自职责做好建设工程造价计价管理工作。
第五条建设工程造价由发包与承包双方在合同中约定。
建设工程造价计价应当遵循公平、合法和诚实信用的原则。
第六条建设工程造价的计价依据包括以下内容:(一)工程估算指标和概算指标;(二)工程概算定额、预算定额与单位估价表;(三)费用定额、工期定额;(四)人工、材料、设备、施工机械台班价格;(五)工程造价指数;(六)工程量清单计价规范;(七)国家和省规定的其他计价依据。
第七条市建设工程造价管理机构应当按照国家和省有关规定做好新材料、新工艺、新技术的预算定额补充项目的编制工作。
第八条市建设工程造价管理机构应当建立工程造价信息数据库,定期发布建设工程材料、设备等市场价格信息。
附件:江西省建筑业营改增后现行建设工程计价规则和依据调整办法(试行)为满足我省建筑业营改增后建筑工程计价工作的需要,保障建筑业“营改增”后工程造价计价工作顺利、平稳实施,根据国家财政部、国家税务总局《关于全面推开营业税改征增值税试点的通知》(财税〔2016〕36号)和住房城乡建设部办公厅《关于做好建筑业营改增建设工程计价依据的调整准备工作的通知》(建办标[2016]4号)的规定,结合我省具体情况,本着遵守规定、简明适用的原则,制订本办法。
具体如下:一、调整原则遵循增值税“价税分离”的税制要求和维持营改增前后建设工程项目费用水平基本不变的思路,对我省现行建设工程计价定额基价、取费标准、计费程序基本不作调整,对包含在材料费、机械费、总价措施费和企业管理费中可抵扣的进项税额从含税造价中扣除,在除税价的基础上计算增值税(销项税额),进而形成增值税下的工程总造价{工程总造价价=税前工程总造价×(1+11%)}。
考虑到增值税的价外税属性,将附加税(城市建设维护税、教育费附加、地方教育费附加)放入企业管理费中。
二、调整依据1. 住房城乡建设部办公厅《关于做好建筑业营改增建设工程计价依据的调整准备工作的通知》(建办标[2016]4号);2. 《关于全面推开营业税改征增值税试点的通知》(财税〔2016〕36号);3.江西省现行清单计价规范、计价定额和费用标准、工程造价相关管理政策等;4.其他相关资料。
三、调整方法本办法按照增值税一般计税方法的税制要求,对现行建设工程计价定额的计算规则和依据进行调整,把包括在材料费、机械费、总价措施费和企业管理费中的进项税额扣除,具体方法如下:1.材料费(1)材料单价按运到施工现场交货的情况考虑,其费用包括原价、运杂费和场外运输损耗费,另加采保费。
材料费中包括的进项税额按下列公式计算:注:其中采保费按照我省规定费率,保持现有水平不变,其中考虑30%含有可扣进项税额,税率按17%。
江西省建设工程计价办法(试行)第一章总则第一条为了进一步规范我省建设工程的计价行为,维护发承包双方的合法权益,满足定额计价和工程量清单计价的需要,合理确定工程造价,根据《中华人民共和国招标标法》,国家标准《建设工程工程量清单计价规范》(GB50500-2003)《建设工程施工发包和承包计价管理办法》(建设部令第107号)等有关法律法规,结合本省具体情况制定《江西省建设工程计价管理办法》(试行)(以下简称本办法)。
第二条凡在江西省境内的建筑工程、装饰装修工程、安装工程计价,均执行本办法规定的工程量清单计价办法或定额计价办法。
第三条全部使用国有资金投资、国有资金占总投资额50%以上或虽不足50%,但国有资产投资者实质上拥有控股权的大中型建设工程必须执行工程量清单计价。
除上述规定以外的建设工程,由发包人根据有关法律法规在招标文件或合同中明确采用工程量清单计价办法或定额计价办法。
但两种计价办法不能在同一工程项目中同时使用。
第四条工程量清单计价是指投标人完成由招标人提供的工程量清单所需的全部费用,包括分部分项工程费,措施项目费,其他项目费和规费、税金。
工程量清单计价应按《建设工程工程量清单计价规范》的规定,采用综合单价计价。
定额计价办法是指按统一基价表或单位估价表、费用定额及有关文件规定和取费程序计算工程的直接费、间接费、利润、税金的计价办法。
工程量清单计价办法和定额计价办法是编制施工图预算、招标标底、投标报价、竣工结算的计价依据。
第二章工程量清单计价第五条工程量清单1、工程量清单是建设工程招标文件和合同的组成部分,由分部分项工程量清单、措施项目清单、其他项目清单组成。
工程量清单应包括建工程的全部项目,是各投标人报价的基础。
2、工程量清单的的编制应由具有编制招标文件能力的招标人或其委托人具有相应资质的工程造价咨询或招标代理机构编制。
3、工程量清单应依据招标文件、施工设计图纸、《建设工程工程量清单计价规范》和有关技术资料、计价规定及施工现场条件、工程具体情况等腰三角形进行编制。
江西省建筑工程施工发包与承包计价管理办法第一章总则第一条为了加强建设工程造价管理,规范我省建筑工程施工发包与承包计价行为,维护建筑工程发包与承包双方的合法权益,促进建筑市场的健康发展,根据国家和省有关法律、法规、规章的规定,结合本省实际,制定本办法。
第二条在本省行政区域内从事建筑工程施工发包与承包计价(以下简称工程发承包计价)活动,实施工程发承包计价的监督管理,适用本办法。
本办法所称建筑工程是指房屋建筑、市政基础设施、房屋维修、仿古建筑和园林绿化等工程。
本办法所称房屋建筑工程,是指各类房屋建筑及其附属设施和与其配套的线路、管道、设备安装工程及室内外装饰装修工程。
本办法所称市政基础设施工程,是指城市道路、公共交通、供水、排水、燃气、热力、环卫、污水处理、垃圾处理、地下公共设施及附属设施的土建、管道、设备安装工程。
第三条工程发承包计价包括编制施工图预算、招标标底、工程量清单、投标报价、工程结算和签订合同价等活动。
第四条建筑工程施工发包与承包价在政府宏观调控下,由市场竞争形成。
工程发承包计价应当遵循以下原则:(一)政府宏观调控下的市场形成价格的原则;(二)遵守法律、法规及接受政府行政主管部门依法监督的原则;(三)公平、公正、诚信合理确定工程造价的原则;(四)编制、审核(鉴定)工程发承包计价依法执业的原则。
第五条省人民政府建设行政主管部门负责全省范围内工程发承包计价工作的监督管理。
县级以上人民政府建设行政主管部门负责本行政区域内工程发承包计价工作的监督管理。
具体工作委托各级建设工程造价管理机构负责。
第二章施工图预算与招标标底和投标报价第六条施工图预算、招标标底、投标报价由成本(直接工程费、间接费)、利润、其它费用和税金构成。
第七条施工图预算和招标标底、投标报价编制可以采用以下计价方法:(一)工料单价法。
分部分项工程量的单价为直接费。
直接费以工程定额的人工、材料、机械的消耗量及其相应价格确定。
其他直接费、现场经费、间接费、利润、其他费用、税金按照工程费用定额的有关规定另行计算。
江西省建设工程材料预算价格动态管理办法录入时间: 2006—10-18 0:00:00来源:江西省建设厅江西省建设工程材料预算价格动态管理办法第一章总则第一条为规范工程建设材料预算价格管理和工程造价计价行为,及时反映工程建设材料市场价格变化对工程造价的影响,合理确定与有效控制工程造价,根据《江西省建筑管理条例》等有关法律法规的规定,结合本省实际,制定本办法。
第二条本办法适用于本省行政区域内一般工业与民用建筑、装饰、安装和市政、园林及仿古建筑、房屋修缮等工程.第三条材料预算价格动态管理,是指对建设工程所需的各类材料,因市场价格变动而与定额(单位估价表)取定的材料预算价格之间产生的材料价差所采取的各项调整措施之总称。
第四条省建设行政主管部门负责全省建设工程材料预算价格的监督管理,省建设工程造价管理机构受省建设行政主管部门的委托,负责建设工程材料预算价格管理的日常工作。
各设区市建设行政主管部门负责本行政区域内的建设工程材料预算价格的监督管理。
第二章材料预算价格的动态管理第五条材料预算价格的动态管理,包括定额(单位估价表)材料预算价格、不同时期材料预算价格价差系数和不同时期市场材料价格信息发布的管理。
第六条定额(单位估价表)材料预算价是指全省统一工程定额的基准性材料预算价格,是计算不同时期(报告期)材料预算价格价差的基础,是实行工程造价动态管理的重要依据.价差系数是指工程造价管理机构根据不同时期当地工程建设材料市场价格情况适时发布的材料价差系数,它是编制施工图预算、招标标底、投标报价和办理工程结算时计算材料价格的依据。
市场信息价格是指工程造价管理机构根据不同时期当地工程建设材料市场行情变化定期发布的材料信息价格,它是编制施工图预算、招标标底、投标报价和承发包双方签订合同和办理工程结算时计算材料价格的参考。
第七条材料价差的调整范围是指合同规定的工程开工至竣工期内,因材料价格增减变化而发生价差的工程所需材料。
江西省建设工程计价办法(试行) 第一章总则第一条为了进一步规范我省建设工程的计价行为,维护发承包双方的合法权益,满足定额计价和工程量清单计价的需要,合理确定工程造价,根据《中华人民共和国招标标法》,国家标准《建设工程工程量清单计价规范》(GB50500-2003)《建设工程施工发包和承包计价管理办法》(建设部令第107号)等有关法律法规,结合本省具体情况制定《江西省建设工程计价管理办法》(试行)(以下简称本办法)。
第二条凡在江西省境内的建筑工程、装饰装修工程、安装工程计价,均执行本办法规定的工程量清单计价办法或定额计价办法。
第三条全部使用国有资金投资、国有资金占总投资额50%以上或虽不足50%,但国有资产投资者实质上拥有控股权的大中型建设工程必须执行工程量清单计价。
除上述规定以外的建设工程,由发包人根据有关法律法规在招标文件或合同中明确采用工程量清单计价办法或定额计价办法。
但两种计价办法不能在同一工程项目中同时使用。
第四条工程量清单计价是指投标人完成由招标人提供的工程量清单所需的全部费用,包括分部分项工程费,措施项目费,其他项目费和规费、税金。
工程量清单计价应按《建设工程工程量清单计价规范》的规定,采用综合单价计价。
定额计价办法是指按统一基价表或单位估价表、费用定额及有关文件规定和取费程序计算工程的直接费、间接费、利润、税金的计价办法。
工程量清单计价办法和定额计价办法是编制施工图预算、招标标底、投标报价、竣工结算的计价依据。
第二章工程量清单计价第五条工程量清单 1、工程量清单是建设工程招标文件和合同的组成部分,由分部分项工程量清单、措施项目清单、其他项目清单组成。
工程量清单应包括建工程的全部项目,是各投标人报价的基础。
2、工程量清单的的编制应由具有编制招标文件能力的招标人或其委托人具有相应资质的工程造价咨询或招标代理机构编制。
3、工程量清单应依据招标文件、施工设计图纸、《建设工程工程量清单计价规范》和有关技术资料、计价规定及施工现场条件、工程具体情况等腰三角形进行编制。
《建设工程工程量清单计价规范》附录中缺项的部分,编制人可作相应补充,并报送工程造价管理机构备案。
第六条工程量清单采用统一标准格式,标准格式由下列内容组成: 1、封面(工程量清单); 2、填表须知; 3、总说明;
4、分部分项工程量清单;
5、措施项目
清单; 6、其他项目清单; 7、零星工作项目表。
第七条工程量清单计价采用统一标准格式,标准格式由下列内容组成: 1、封面(工程量清单报价表); 2、投标总价; 3、工程项目总价表; 4、单项工程费汇总表; 5、单位工程费汇总表; 6、分部分项工程量清单计价表; 7、措施项目清单计价表; 8、其他项目清单计价表; 9、零星工作项目计价表; 10、分部分项工程量清单综合单价分析表; 11、措施项目费分析表; 12、主要材料价格表;第八条按工程量清单计价的招标工程设置标底时,标底应按以下依据编制: 1、招标文件; 2、工程量清
单; 3、江西省建设行政主管部门颁发的建设工程消耗量定额、统一基价表、单位估价表、费用定额和本办法; 4、施工设计图纸; 5、国家技术和经济规范及标准,合理的施工组织设计等; 6、工程造价管理机构发布的人工、材料、机械的市场信息价。
第九条投标报价的编制,投标人应按照以下依据编制: 1、招标文件; 2、工程量清单; 3、企业定额或参照本省建设行政主管部门发布的建设工程消耗量定额、费用定额和本办法;按照市场价格或参照工程造价管理机构发布的人工、材料、机械的市场信息价,并考虑风险因素,进行自主报价。
但不能低于本企业成本; 4、施工设计图纸; 5、国家技术和经济规范及标准,合理的施工组织设计等。
第十条其他项目费一般规定 1、预留金:是指可能发生的工程量清单漏项、计价误差引起工程量增加或施工中设计变更引起标准提高及工程量增加等而预留的资金。
招标人可按分部分项工程费5%的金额预留。
2、材料购置费:是指招标人采购材料所需的价款,招标人可按拟采购材料的品种、数量和价格进行估算。
分部分项工程量清单项目的综合单价,不得包括招标人自行采购材料的价款。
3、总承包服务费:包括协调配合招标人依法进行工程分包和材料采购所需的费用,总承包费按照分包工程分项工程费的3%计取。
4、零星工作项目费:由投标人按分部分项工程费的2%估算。
预留金、材料购置费和零星工作项目费三项费用,是编制招标标底或投标报价时的估算金额和数量,投标人应在投标时计入投标报价,竣工结算时应按承包人实际完成的工作内容进行结算。
第十一条措施费:措施项目分为施工技术措施项目和施工组织措施项目,施工技术措施费参照基价表或单位估价表中的子目列项计算
;施工组织措施费参照费用定额中的措施费计算。
第十二条不可竞争费是指:安全文明施工措施费(包括环境保护费、文明施工费、安全施工费)、规费(包括社会保障费、住房公积金、危险作业意外伤害保险、工程定额测定费、工程排污费、上级(行业)管理费等费用)和税金等。
均应在工程发承包过程中,按照现行规定的标准计取和足额上缴。
其中安全施工措施费用按有关规定另列结算。
第十三条由于设计变更或工程量清单计算误差引起工程量增减,属合同约定幅度以内的,执行原综合单价。
若无合同约定且工程量增减幅度在15%以内的(含15%),仍执行原综合单价;幅度超过15%的,其增加部分的工程量或减少后剩余部分的工程量的综合单价,可作调整,具体由承包人提出合理的综合单价,经发包人确认后,作为结算依据。
第十四条工程量清单漏项或由于设计变更,产生新的工程量清单项目,由承包人提出该项目合理的综合单价,经发包方认可,并报工程造价管理机构备案后,作为结算的依据。
第十五条由于工程量的变更,且实际发生了本办法第十三条、第十四条规定以外的费用损失,承包人可向发包人提出索赔。
因承包人的过错给发包人造成损失的,发包人可向承包人提出索赔。
索赔应当由承包双方协商确定后给予补偿。
第三章定额计价第十六条江西省工程消耗量定额及统一基价表、单位估价表是全省建设工程按定额计价的依
据和标准。
第十七条定额计价采用统一标准格式,标准格式由下列内容组成:1、封面:招标标底编制书、投标报价表、预结算造价书; 2、工程费用总价表;
3、工程定额计价表;
4、工程造价审核对比表。
第十八条按定额计价的招标投标建设工程,其招标标底和投标报价应当按照以下依据编制: 1、招标文件;2、《江西省建筑工程消耗量定额及统一基价表》或《江西省装饰装修工程消耗量定额及统一基价表》、《江西省安装工程消耗量定额及单位估价表》及《江西省建筑安装工程费用定额》; 3、施工设计图纸、施工组织设计方案及相关技术资料; 4、工程造价管理机构发面的人工、材料、机械的市场信息价。
招标标底的编制应当由具有编制招标文件能力的招标人或其委托具有相应资质的工程造价咨询机构或招标代理机构编制。
第十九条施工措施费应根据建设工程实际情况,按照现行的江西省统一基价表、单位估价表、费用定额的标准列项计算。
第二十条管理费、利润、规
费、税金按现行的费用定额进行计算。
第二十一条安全施工措施费、工程定额费、工程定额测定费、规费和税金为不可竞争费,均按照现行有关定额规定的标准计取。
其中安全施工措施费用按有关规定另列计算。
第二十二条按照定额计价出现消耗量定额项目缺项时,承包人应当编制补充项目,通过发承包双方认可,经工程所在地设区市建设工程造价管理机构审核,并报省工程造价管理机构备案后,作为结算的依据。
第二十三条竣工结算应根据施工合同,招标文件和本省有关计价规定进行。
第四章附则第二十四条当建设工程计价发生争议时,由发承包双方根据本办法和有关计价规定协商解决。
协商不成的,由工程造价管理机构调解处理。
调解不成的,由当事人申请仲裁委员会仲裁,或依法向人民法院起诉。
第二十五条当发承包合同中约定的计价办法无效,或合同中没有约定计价办法,且不属于本办法必须按工程量清单计价范围的工程,应当按照本办法规定的定额计价办法计价。
第二十六条工程量清单、工程量清单计价和定额计价的标准格式,所有要求签字、盖章的地方,必须由规定的单位或人员签字、盖章。
未按规定签字或盖章的无效。
第二十七条本办法由江西省建设工程造价管理站负责解释。
第二十八条本办法自2004年10月1日起施行。
附录:江西省建设工程计价标准格式 1、工程量清标准单格式 2、工程量清单计价标准格式3、工程定额计价标准格式。