车工工作流程图及标准
- 格式:doc
- 大小:463.00 KB
- 文档页数:26
1、将零件夹到车床上,伸出30-40mm。
2、装车刀,刀杆伸出40-50mm;装出93-95°的偏角;刀尖严格对准工件的旋转中心。
3、对刀,移动车刀横向手动进给;将零件端面车平;停机;左手握住总想手轮,右手顺时针旋转总想刻度盘至“0”刻度线。
4、移动刀尖碰旋转着的工件外缘,握住横向手轮,旋转刻度盘至“0”刻度线。
5、车刀沿纵向进刀,横向进刻度盘上的10格,自动纵向进2-3mm,停机测量。
6、根据测量的实际直径大小来调整横向进刀数值。
7、纵向进刀至16mm(先自动进给,再手动确定使纵向进到尺寸要求。
)8、切角,调整车刀方向,使其与工件端点截面呈45°角,横向进刀车出1mm棱角。
同样方法将工件另一端车出相同的棱角9、抛光,将工件伸出一般夹紧调整转速为290r/min,用粗砂布抛光到工件表面没有黑点,调整转速为570r/min、820r/min,用粗砂布继续抛光,最后调整转速为1170r/min,用细砂布抛光至工件表面光亮照人。
停机,掉头用砂布包夹工件,把工件另一半用同样方法抛光。
重复2-3次。
最终我们做出来的工件,尺寸略大于9.6mm,抛光非常光亮,不过车角的时候由于把握不是很准,角度和棱面长度有偏差。
古希腊哲学大师亚里士多德说:人有两种,一种即“吃饭是为了活着”,一种是“活着是为了吃饭”.一个人之所以伟大,首先是因为他有超于常人的心。
“志当存高远”,“风物长宜放眼量”,这些古语皆鼓舞人们要树立雄心壮志,要有远大的理想。
有一位心理学家到一个建筑工地,分别问三个正在砌砖的工人:“你在干什么?”第一个工人懒洋洋地说:“我在砌砖。
” 第二个工人缺乏热情地说:“我在砌一堵墙。
” 第三个工人满怀憧憬地说:“我在建一座高楼!”听完回答,心理学家判定:第一个人心中只有砖,他一辈子能把砖砌好就不错了;第二个人眼中只有墙,好好干或许能当一位技术员;而第三个人心中已经立起了一座殿堂,因为他心态乐观,胸怀远大的志向!井底之蛙,只能看到巴掌大的天空;摸到大象腿的盲人,只能认为大象长得像柱子;登上五岳的人,才能感觉“一览众山小”;看到大海的人,就会顿感心胸开阔舒畅;心中没有希望的人,是世界上最贫穷的人;心中没有梦想的人,是普天下最平庸的人;目光短浅的人,是最没有希望的人。
普通车工操作方法
普通车工操作方法包括以下步骤:
1. 准备工作:穿戴好劳动防护装备,确保车间环境整洁无障碍,工具齐备。
2. 检查车床:检查车床的功能和操作部件是否正常,如刀座、进给装置、主轴等。
3. 载入工件:将需要加工的工件放置在车床工作台上,并固定好,以确保工件不会移动。
4. 安装刀具:选择合适的刀具,根据加工要求安装在刀座上,并进行刀具调整,以确保刀具位置正确。
5. 执行加工:根据工艺要求,设置合适的加工参数,如进给速度、主轴速度等。
启动车床,逐步将刀具移向工件,进行加工。
6. 监控加工过程:在加工过程中,持续监控加工质量和工件状态。
注意切削液使用,保持加工区域的清洁。
7. 完成加工:加工完成后,停止车床运行,仔细检查加工质量,清理加工区域,保持车间的整洁。
8. 记录工艺数据:将加工所用的参数和加工结果记录下来,以备后续参考和改进。
以上是普通车工操作方法的基本流程,具体操作过程应根据具体车床类型和加工要求进行调整和优化。
1、车工工作流程图及标准2、车床工作流程图及标准3、车削准备工作流程图及标准4、审图工作流程图及标准5、轴类零件的车削加工工作流程图及标准6、套类零件的车削加工工作流程图及标准7、盘类零件的车削加工工作流程图及标准8、薄壁类零件的车削加工工作流程图及标准9、T型丝杠车削加工工作流程图及标准10、不规则形状零件的车削加工工作流程图及标准11、细长轴的车削加工工作流程图及标准12、托辊对焊工作流程图及标准车工工作流程图14 15车床工作流程图节点车间领导司机A B1516车床工作流程标准轴类零件的车削加工工作流程图131415轴类零件的车削加工工作标准套类零件车削加工工作流程图套类零件车削加工工作流程标准盘类零件车削加工工作流程图盘类零件车削加工工作流程标准薄壁件零件车削加工工作流程图程序:加工完毕☆工件转下道工序B7☆拆卸刀具,打扫场地卫生 标准:符合车床操作规程5—10 分机电设备加工厂 车工岗位作业规范薄壁件零件车削加工工作流程标准T 型丝杠车削加工工作流程图程序:加工完毕☆工件转下道工序A7☆拆卸刀具,打扫场地卫生 标准:符合车床操作规程5—10 分机电设备加工厂 车工岗位作业规范T型丝杠车削加工工作流程标准标准:符合车床操作规程不规则形状工件车削加工工作流程图不规则形状工件车削加工工作流程标准细长轴车削加工工作流程图细长轴车削加工工作流程标准托辊对焊工作流程图托辊对焊工作流程标准。
从基础开始一直到初级、中级技能考试,全面——值得拥有外圆车削(一)要求:车削一定要在熟悉车床之后进行并首先会刃磨外圆车刀。
D L Ra1 Ø45 —0 0.10142±0.50 6.32 Ø40 —0 0.10140±0.30 3.2序号质检内容配分评分标准1 外圆公差30 超0.02扣5分2 外圆RX6.3 20 降一级扣10分3 长度公差10 超差不得分4 倒角二处5×2 不合格不得分5 平端面二处5×2 不合格不得分6 接刀痕 5 接刀痕大扣分7 工件完整 5 不完整扣分8 安全文明操作10 违章扣分第三次课件请保留阶台车削(二)序号质检内容配分评分标准1 外圆公差三处10x3 超0.01扣2分2 外圆Ra3.2 三处6x3 降一级扣3分3 长度公差三处4x3 超差不得分4 倒角二处3x2 不合格不得分5 平端面二处4x2 不合格不得分6 清角去锐边四处2x4 不合格不得分7 工件完整 5 不完整扣分8 安全操作10 违章扣分材料毛坯时间材料毛坯时间45 Ø50x14545 Ø50x150多阶台车削(三)序号质检内容配分评分标准1 外圆公差六处5x6 超0.01扣2分,超0.02不得分2 外圆Ra3.2 六处3x6 降一级扣2分3 长度公差六处3x6 超差不得分4 倒角二处2x2 不合格不得分5 清角去锐边十处10 不合格不得分6 平端面二处2x2 不合格不得分7 工件外观 6 不完整扣分8 安全文明操作10 违章扣分此件用上次课件改制材料毛坯时间45一夹一顶车削(四)序号质检内容配分评分标准1 外圆公差四处8x4 超0.01扣2分,超0.02不得分2 外圆Ra3.2 四处4x4 降一级扣2分3 长度公差四处3x4 超差不得分4 倒角二处3x2 不合格不得分5 清角二处2x3 不合格不得分6 平端面二处3x2 不合格不得分7 中心孔 5 不合格不得分8 工件外观7 不完整扣分9 安全文明操作10 违章扣分要求:会正确使用A.B型中心钻。
细长轴车削加工工作流程图及标准单位名称机电设备加工厂流程名称细长轴车削工作流程层次三级概要细长轴车削工作节点车间领导车工A B123 4 5 6 7 8 9准备工具量具刀具审图对细长轴进行粗车装夹细长轴对细长轴进行半精车加工完毕结束检查车床手柄位置是否正常,对各注油点,滑道润滑,低速运转2分钟对细长轴进行精车安全教育、布置工作安全学习细长轴车削加工工作流程标准任务名称节点任务程序、重点及标准时限相关资料安全教育布置工作A1B1程序:☆工作前,对职工进行安全教育,并布置当天工作☆职工进行安全学习10-15分审图B2程序:☆认真读图,看图纸有无问题,如有问题及时找工程技术人员询问,无问题按照图纸技术要求准备工具标准:认真读图保证图纸加工要求10—30分车工岗位作业规范准备工具量具刀具B3程序:☆根据工件图样及材料要求,选择所需的刀具、工具、量具。
刀具:45度偏刀、尖刀、75和90度外车刀、切槽刀。
量具:卡尺、钢直尺、千分尺、卷尺。
工具:扳手、中心架、跟刀架、活顶尖、死顶尖标准:工具、刀具、量具准备正确齐全5—10分车工岗位作业规范装夹细长轴B4程序:☆选择加工余量小、支撑力大的点或面标准:装夹稳固,可靠,符合图纸加工要求10—20分车工岗位作业规范对细长轴进行粗车B5程序:☆选用75度外车刀:切削速度取50—60转/分;走刀量取0.3—0.4mm;背吃刀量取1.5—2mm标准:符合图纸要求保证加工工艺要求10—60分车工岗位作业规范对细长轴进行半精车B6程序:☆选用90度外车刀:切削速度取60—100转/分;走刀量取0.08—0.12mm;背吃刀量取1—1.5mm标准:符合图纸要求保证加工工艺要求10—30分车工岗位作业规范对细长轴进行精车B7程序:☆选用90度外车刀:切削速度取80—120转/分;走刀量取0.08—0.12mm;背吃刀量取0.5—1mm标准:符合图纸要求保证加工工艺要求10—30分车工岗位作业规范加工完毕B8 程序:☆工件转下道工序☆拆卸刀具,打扫场地卫生标准:符合车床操作规程5—10分车工岗位作业规范。
车工概述车工是一种机械加工工艺,是在车床上进行的一种金属材料的加工方法。
通过车床上的刀具进行切削、切断和修整金属工件,以获得所需的形状和尺寸。
车工是制造业中最常用的金属加工方法之一,广泛应用于汽车行业、航空航天工业、机械制造等领域。
工作流程车工的工作流程通常包括以下几个步骤:1. 材料准备:选择合适的金属材料,并进行预处理,如清洗、去除氧化层等。
2. 设定车床:调整车床的参数,如车刀的位置、进给速度、转速等,以适应不同的工件需求。
3. 安装工件:将待加工的金属工件安装在车床上,并进行夹紧,以确保工件在加工过程中的稳定性。
4. 刀具选择:根据工件的材质和加工要求,选择合适的刀具,如车刀、内圆刀或切槽刀等。
5. 加工操作:根据所需的形状和尺寸,通过调整车刀的位置和角度,进行切削、切断或修整工件。
6. 检查和调整:在加工过程中,需不断检查工件的几何尺寸和表面质量,如有必要,及时调整车床的参数。
7. 后处理:加工完成后,进行工件的清洁和修整,以便进一步的加工或使用。
技能要求成为一名优秀的车工需要具备以下技能:1. 机械基础知识:了解基本的机械原理和车床的结构,掌握车床的操作方法和安全规范。
2. 材料认识:熟悉常见的金属材料,了解它们的特性和加工难度,以便选择合适的刀具和加工参数。
3. 刀具使用:掌握不同刀具的特点和适用范围,能够正确选择和使用各种刀具,提高加工效率和质量。
4. 精确测量:具备精确测量的能力,如使用卡尺、千分尺等工具测量工件的尺寸,确保加工质量符合要求。
5. 稳定操作:具备良好的手眼协调能力和操作技巧,能够稳定地操作车床和刀具,防止意外事故的发生。
应用领域车工是一种通用的金属加工方法,广泛应用于各个制造业领域。
以下是几个常见的应用领域:1. 汽车制造业:车工在汽车工业中的应用非常广泛,用于加工零件、发动机部件、底盘以及车身结构等。
2. 航空航天工业:飞机和宇航器的制造过程中大量使用车工技术,包括加工发动机零件、航空航天结构件等。
从基础开始一直到初级、中级技能考试,全面——值得拥有外圆车削(一)要求:车削一定要在熟悉车床之后进行并首先会刃磨外圆车刀。
D L Ra1 Ø45 —0 0.10142±0.50 6.32 Ø40 —0 0.10140±0.30 3.2序号质检内容配分评分标准1 外圆公差30 超0.02扣5分2 外圆RX6.3 20 降一级扣10分3 长度公差10 超差不得分4 倒角二处5×2 不合格不得分5 平端面二处5×2 不合格不得分6 接刀痕 5 接刀痕大扣分7 工件完整 5 不完整扣分8 安全文明操作10 违章扣分第三次课件请保留阶台车削(二)序号质检内容配分评分标准1 外圆公差三处10x3 超0.01扣2分2 外圆Ra3.2 三处6x3 降一级扣3分3 长度公差三处4x3 超差不得分4 倒角二处3x2 不合格不得分5 平端面二处4x2 不合格不得分6 清角去锐边四处2x4 不合格不得分7 工件完整 5 不完整扣分8 安全操作10 违章扣分材料毛坯时间材料毛坯时间45 Ø50x14545 Ø50x150多阶台车削(三)序号质检内容配分评分标准1 外圆公差六处5x6 超0.01扣2分,超0.02不得分2 外圆Ra3.2 六处3x6 降一级扣2分3 长度公差六处3x6 超差不得分4 倒角二处2x2 不合格不得分5 清角去锐边十处10 不合格不得分6 平端面二处2x2 不合格不得分7 工件外观 6 不完整扣分8 安全文明操作10 违章扣分此件用上次课件改制材料毛坯时间45一夹一顶车削(四)序号质检内容配分评分标准1 外圆公差四处8x4 超0.01扣2分,超0.02不得分2 外圆Ra3.2 四处4x4 降一级扣2分3 长度公差四处3x4 超差不得分4 倒角二处3x2 不合格不得分5 清角二处2x3 不合格不得分6 平端面二处3x2 不合格不得分7 中心孔 5 不合格不得分8 工件外观7 不完整扣分9 安全文明操作10 违章扣分要求:会正确使用A.B型中心钻。
人车跟车工岗位流程人车跟车工工作职责、标准1、工作职责1.1严格按作业标准操作和执行。
1.2做好接班和交班的工作1.3设备出现故障或存在问题时,必须向队领导汇报。
1.4对当班的安全生产负责。
1.5遵守劳动纪律,保持人车卫生。
2、工作标准2.1作业标准2.1.1作业前的准备2.1.1.1接班前班长安排好人车司机和跟车工以及人行车的运行方式。
2.1.1.2机车司机和跟车工共同对机车和人车各处进行一次全面检查。
2.1.2摘车2.1.2.1列车停稳后,与司机联系好,跟车工从最后一节人车走到电机车后的第一节人车前,跟车工站在轨道外安全的一侧,双脚与轨道离开200mm距离,面对车辆之间的碰头,一手托在车上弯腰,另一手提住插销,用力将插销拔出,脱出链环后,再插回碰头。
2.1.2.2若第一次未将插销拔出,可提示司机微动一下车,使插销松动后,再顺势拔出。
2.1.3挂车2.1.3.1当机车接近人车后,跟车工面对机车和人车的碰头之间站立,双脚与轨道离开200mm距离。
2.1.3.2弯腰,一手提拔人车头的插销,一手托住车头链环送入人车的连接装置中。
2.1.3.3当车头链环与人车连接装置孔对准时,将插销插入。
2.1.3.4若机车头与人车的距离不适合,造成孔对不正,跟车工直腰后,提示司机微动一下,然后再按2.1.3.2 和2.1.3.3要求操作。
2.1.4人车运行2.1.4.1维护好乘车秩序,先下后上,在人车发车前,跟车工要仔细检查人车乘坐情况,严禁超员乘坐,严禁将身体各部位或所带工具等露出车外或要求放置在专用工具车内,并检查人车门是否关闭到位。
2.1.4.2按照发车时间或联系好后,跟车工经检查无误,座到尾车最后一排座位上,用口哨发出开车信号。
2.1.4.3中途无特殊情况严禁在非停车点以外点发送停车信号。
2.1.4.4中途发现车辆掉道或其他异常情况,应发送急停信号,检查处理。
2.1.4.5掉道后影响人车运行或其他事故应及时向队值班室汇报。
汽车油漆工作业标准和流程图英文回答:Car painting is a crucial part of the automotive industry, as it not only enhances the aesthetic appeal ofthe vehicle but also protects it from external elements. As a professional car painter, I follow a set of standards and procedures to ensure a high-quality finish on every vehicle.The first step in the car painting process is preparation. This involves cleaning the surface of the car thoroughly to remove any dirt, grease, or rust. I also need to sand down any rough areas to create a smooth surface for the paint to adhere to. This step is crucial for ensuring that the paint job is flawless and long-lasting.After preparing the surface, the next step is to applya primer. The primer helps the paint adhere to the surface better and provides an even base for the paint color. I make sure to apply the primer evenly and allow it to drycompletely before moving on to the next step.Once the primer is dry, it's time to apply the base coat. This is the actual color of the car and requires precision and skill to apply evenly. I use a spray gun to apply the base coat in thin, even layers to achieve a smooth and consistent finish. It's important to allow each layer to dry before applying the next to prevent any runs or drips in the paint.After applying the base coat, I move on to the clear coat. The clear coat not only adds a glossy finish to the paint job but also protects the base coat from UV rays and other environmental factors. I apply the clear coat in the same manner as the base coat, ensuring even coverage and allowing each layer to dry before applying the next.Once the clear coat is dry, I inspect the paint job for any imperfections or inconsistencies. If necessary, I may need to sand down certain areas and reapply paint to achieve a flawless finish. Finally, I buff and polish the paint to bring out its shine and luster, giving the car ashowroom-quality finish.Overall, car painting requires attention to detail, patience, and skill to achieve a professional result. By following the standard procedures and using quality materials, I can ensure that every car I paint looks its best and stands the test of time.中文回答:汽车油漆工作是汽车行业中至关重要的一部分,它不仅可以提升车辆的美观度,还可以保护车辆免受外部因素的影响。
套类零件车削加工工作流程图及标准单位名称机电设备加工厂流程名称套类零件的车削工作流程层次三级概要套类零件车削工作节点车工A123 4 5 6 7 8 9准备工具量具刀具审图对套类工件进行粗车装夹套类工件对套类工件半精车对套类工件半精车加工完毕结束检查车床手柄位置是否正常,对各注油点,滑道润滑,低速运转2分钟开始套类零件车削加工工作流程标准任务名称节点任务程序、重点及标准时限相关资料审图B2程序:☆认真读图,看图纸有无问题,如有问题及时找工程技术人员询问,无问题按照图纸技术要求准备工具标准:认真读图保证图纸加工要求10—30分工岗位作业规范准备工具量具刀具B3程序:☆根据工件图样及材料要求,选择所需的刀具、工具、量具和钻头。
刀具:45度偏刀、90度外车刀、内孔刀、切槽刀。
量具:游标卡尺、钢直尺、千分尺;工具:扳手标准:工具、刀具、量具准备正确齐全5—10分工岗位作业规范装夹套类工件B4程序:☆把套类工件装夹在三爪自定心卡盘上标准:装夹稳固,可靠,符合车床安全操作规程10—20分工岗位作业规范对套进行粗车B5程序:☆粗车端面,钻孔,留2—3加工余量,以待半精车☆钻孔时,要浇注切削液,钻头直径小时,切削速度宜高些,一般取160—400转/分,钻头直径大时,切削速度宜低些,一般去40—100转/分标准:在加工时,保证图纸技术要求10—60分工岗位作业规范对套进行半精车B6程序:☆内孔留0.8—1mm加工余量,车端面切削速度取160—480转/分,走刀量取0.15—0.2mm标准:符合图纸要求10—30分工岗位作业规范对套进行精车B7程序:☆切削速度宜高些,一般取250—600转/分,走刀量取小些,0.1—0.15mm标准:符合图纸要求10—30分工岗位作业规范加工完毕B8 程序:☆工件转下道工序☆拆卸刀具,打扫场地卫生标准:符合车床操作规程5—10分工岗位作业规范。
1、车工工作流程图及标准
2、车床工作流程图及标准
3、车削准备工作流程图及标准
4、审图工作流程图及标准
5、轴类零件的车削加工工作流程图及标准
6、套类零件的车削加工工作流程图及标准
7、盘类零件的车削加工工作流程图及标准
8、薄壁类零件的车削加工工作流程图及标准
9、T型丝杠车削加工工作流程图及标准
10、不规则形状零件的车削加工工作流程图及标准
11、细长轴的车削加工工作流程图及标准
12、托辊对焊工作流程图及标准
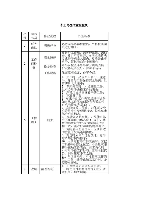
车工工作流程图
车工工作标准
车床工作流程图
车床工作流程标准
轴类零件的车削加工工作流程图
轴类零件的车削加工工作标准
套类零件车削加工工作流程图
套类零件车削加工工作流程标准
盘类零件车削加工工作流程图
盘类零件车削加工工作流程标准
薄壁件零件车削加工工作流程图
薄壁件零件车削加工工作流程标准
T型丝杠车削加工工作流程图
T型丝杠车削加工工作流程标准
不规则形状工件车削加工工作流程图
不规则形状工件车削加工工作流程标准
细长轴车削加工工作流程图
细长轴车削加工工作流程标准
托辊对焊工作流程图
托辊对焊工作流程标准。
1、车工工作流程图及标准
2、车床工作流程图及标准
3、车削准备工作流程图及标准
4、审图工作流程图及标准
5、轴类零件的车削加工工作流程图及标准
6、套类零件的车削加工工作流程图及标准
7、盘类零件的车削加工工作流程图及标准
8、薄壁类零件的车削加工工作流程图及标准
9、T型丝杠车削加工工作流程图及标准
10、不规则形状零件的车削加工工作流程图及标准
11、细长轴的车削加工工作流程图及标准
12、托辊对焊工作流程图及标准
车工工作流程图
车工工作标准
车床工作流程图
车床工作流程标准
轴类零件的车削加工工作流程图
轴类零件的车削加工工作标准
套类零件车削加工工作流程图
套类零件车削加工工作流程标准
盘类零件车削加工工作流程图
盘类零件车削加工工作流程标准
薄壁件零件车削加工工作流程图
薄壁件零件车削加工工作流程标准
T型丝杠车削加工工作流程图
T型丝杠车削加工工作流程标准
不规则形状工件车削加工工作流程图
不规则形状工件车削加工工作流程标准
细长轴车削加工工作流程图
细长轴车削加工工作流程标准
托辊对焊工作流程图
托辊对焊工作流程标准。