稳态-瞬态荧光光谱仪操作说明书
- 格式:doc
- 大小:99.00 KB
- 文档页数:5
深能级瞬态谱仪操作流程下载温馨提示:该文档是我店铺精心编制而成,希望大家下载以后,能够帮助大家解决实际的问题。
文档下载后可定制随意修改,请根据实际需要进行相应的调整和使用,谢谢!并且,本店铺为大家提供各种各样类型的实用资料,如教育随笔、日记赏析、句子摘抄、古诗大全、经典美文、话题作文、工作总结、词语解析、文案摘录、其他资料等等,如想了解不同资料格式和写法,敬请关注!Download tips: This document is carefully compiled by theeditor. I hope that after you download them,they can help yousolve practical problems. The document can be customized andmodified after downloading,please adjust and use it according toactual needs, thank you!In addition, our shop provides you with various types ofpractical materials,such as educational essays, diaryappreciation,sentence excerpts,ancient poems,classic articles,topic composition,work summary,word parsing,copy excerpts,other materials and so on,want to know different data formats andwriting methods,please pay attention!深能级瞬态谱仪是一种用于研究半导体材料中深能级缺陷的仪器。
以下是深能级瞬态谱仪的一般操作流程:1. 样品准备将待研究的半导体样品切割成合适的尺寸,并进行表面处理,以确保良好的电学接触。
XXX有限公司荧光光谱仪操作规范文件编号 :WI-ZL-389版本/版次: A/2页次:1/11.目的为保证使用者正确的操作,以达成仪器之正确使用维护。
提高仪器的使用寿命,特制定此规范。
参考资料:《Ux220 WorkStation V6.0使用说明书》2.使用环境:温度:15℃-25℃湿度:30-80%RH3.仪器说明:荧光光谱仪由测试仪主机,电脑及测试软件,测试结果输出的打印机组成。
4. 荧光光谱仪的操作方法:4.1打开仪器电源:测试主机电源、电脑电源;4.2开启操作程序Ux220 v6.4;4.3开机预热:打开“设置X光管”窗口,勾选“打开高压电源”及“慢速升管压管流”,确定即可;4.4用银校正片进行校正,校正不成功重新校正;4.5输入样品信息、选择合适基材;4.6将样品放入样品室,确认样品信息、测量次数无误后点击开始测量;4.7测量完成输出报告并把报告存档。
5.注意事项:5.1本仪器只允许经过专业培训并有上岗证的人员操作。
5.2本仪器只能检测均匀且颜色单一的物质,如导线,必须把铜丝与绝缘外皮分别进行检测;必须确保样品厚度在2-3mm以上,若厚度不足可堆叠数个样品至适当厚度;若粒状样品其粒径大于5mm可直接进行测量,若粒径小于5mm则将样品放置样品杯中,尽量不要留下空隙且样品厚度要有2-3mm。
5.3银片校正时银片金属面朝下。
5.4关机时先降管流管压,再关程序,最后关电源;5.5“Running”指示灯亮时,禁止打开仪器样品室的盖,以免X射线辐射对人体造成危害。
5.6测试大件样品样品室盖无法关闭时,仪器附件人员必须远离仪器三米以外,待延时灯闪烁10秒后仪器开始测试,待延时灯(也叫做测量指示灯)熄灭后,人员方可靠近。
Edinburgh InstrumentFLS920User Manual目录一、开机步骤 (2)二、实验操作 (4)1、实验前准备 (4)2、稳态实验 (6)A、发射光谱实验 (6)B、激发光谱实验 (9)C、同步谱 (10)D、Map (11)E、偏振光谱 (12)3、低温实验 (17)A、液氮冷却系统(Oxford) (17)B、ARS冷却系统 (19)4、样品衰减操作 (22)A、纳秒、皮秒级衰减 (22)纳秒灯为光源 (22)激光器为光源 (27)B、微妙、毫秒级衰减 (29)三、数据处理 (32)1、数据一般处理 (32)2、稳态光谱 (33)3、瞬态光谱 (33)四、附录 (36)1、氢灯清洗方法 (36)一、开机步骤1、打开总电源(开之前保证所有仪器开关关闭)2、开启PH13、开启PMT制冷电源CO14、开启光谱仪控制电源CD920(控制盒)或样品室下方的控制板电源此为控制盒此为控制板5、根据需要的光源开启氙灯或是其它灯源电源此为氙灯电源此为氢灯电源6、开启电脑,同时将谱仪样品室上方盖子移开。
待进入操作系统后进入F900软件。
二、实验操作 1、实验前准备在做实验前有几点需要注意:A 、 对于红敏PMT (R928),其制冷必须达到一定温度,一般为室温-40℃左右。
待C O 1显示在-17℃左右的时候,在软件的S i g n a l R a t e 窗口里观察E m 1的C P S 读数显示。
若其读数维持在50C P S 以下,则表明读数正常,P M T 制冷达到工作状态,可以用该探测器进行实验。
Fig.2.1 B 、 对于近红PMT (5509),其必须准备以液氮杜瓦罐(约15升左右),将制冷部件的管子插入罐中,开启制冷电源Fig.2.2制冷电源杜瓦罐通气管道电源开启后,其显示屏上有两行显示,一行为设定的80k,一行为PMT的温度显示。
PMT温度显示会很快显示为80k(约一分钟内)。
稳态/瞬态荧光光谱仪(FLS 920)操作说明书中级仪器实验室一、仪器介绍1.FLS 920稳态/瞬态荧光光谱仪具有两种功能稳态测量:激发光谱(荧/磷光强度~激发波长)、发射光谱(荧/磷光强度~发射波长)、同步扫描谱(固定波长差、固定能量差、可变角)。
瞬态测量:荧光(磷光)寿命(100ps—10s)。
适合各类液体和固体样品的测试。
2.主要应用高分子和天然高分子自然荧光的研究溶液中大分子分子运动的研究固体高分子取向的研究高聚物光降解和光稳定的研究光敏化过程的研究3.主要性能指标光谱仪探测范围:(光电倍增管, 190-870nm;Ge探测器,800-1700nm)荧光寿命测量范围:100ps-10s信噪比:6000:1(水峰Raman)可以配用制冷系统,为样品提供变温环境液氮系统(77K-320K)使用Glan棱镜,控制激发光路、发射光路的偏振状态使用450W氙灯和纳秒、微秒脉冲闪光灯做激发光源F900系统软件:控制硬件,包括变温系统,数据采集、分析4. 仪器主要部分结构图5.仪器光路图二、仪器测试原理(SPC)时间相关单光子计数原理是FLS920测量荧光寿命的工作基础。
时间相关单光子计数法(time-correlated single photon counting)简称“单光子计数(SPC)法”,其基本原理是,脉冲光源激发样品后,样品发出荧光光子信号,每次脉冲后只记录某特定波长单个光子出现的时间t,经过多次计数,测得荧光光子出现的几率分布P(t),此P(t)曲线就相当于激发停止后荧光强度随时间衰减的I(t)曲线。
这好比一束光(许多光子)通过一个小孔形成的衍射图与单个光子一个一个地通过小孔长时间的累计可得完全相同的衍射图的原理是一样的。
三、测量之前需要特别注意的事项1. 在切换光源、修改设置或放样品之前必须把狭缝(Δλ)关到最小(0.01nm),否则会损坏光电倍增管!如果打开样品室盖子之后,Em1的Signal Rate增加,请停止实验并立即与工作人员联系!2. 测量样品的瞬态性质之前,请用F4500荧光光谱仪对样品的稳态性质进行表征,了解样品的激发光谱和发射光谱及最佳激发波长和发射波长;3. 用PMT检测时,必须等稳压电源CO1的温度示数在-17℃以下才可以开始采集数据;4. 严禁用稳态瞬态荧光光谱仪测量未知样品紫外可见区的稳态光谱!5. 狭缝范围0.01~18nm,调节时注意不要超过其上限;6. 每次设置完参数后都要点击Apply或者回车键确定;7. 文件保存路径为:C:\users\导师\自己文件夹;8. 用未开封的新软盘拷贝数据;9. 如实填写仪器使用记录,爱护仪器。
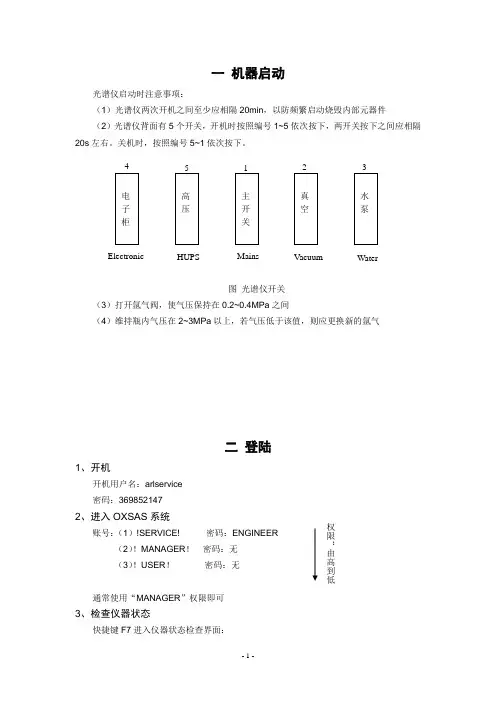
一 机器启动光谱仪启动时注意事项:(1)光谱仪两次开机之间至少应相隔20min ,以防频繁启动烧毁内部元器件 (2)光谱仪背面有5个开关,开机时按照编号1~5依次按下,两开关按下之间应相隔20s 左右。
关机时,按照编号5~1依次按下。
图 光谱仪开关(3)打开氩气阀,使气压保持在0.2~0.4MPa 之间(4)维持瓶内气压在2~3MPa 以上,若气压低于该值,则应更换新的氩气二 登陆1、开机开机用户名:arlservice 密码:3698521472、进入OXSAS 系统账号:(1)!SERVICE! 密码:ENGINEER(2)!MANAGER ! 密码:无 (3)!USER ! 密码:无通常使用“MANAGER ”权限即可3、检查仪器状态快捷键F7进入仪器状态检查界面:Electronic HUPSMains V acuumWater权限:由高到低VACUUM:真空度SPTEMP:真空室温度MAINS:电源电压NEG-LKV:-1000V电源POS.5V:+5V电源POS.12V:+12V电源NEG.12V:-12V电源POS.24V:+24V电源NEG.100V:-100V电压三数据备份及数据恢复数据备份及恢复分为软件内部操作、软件外部操作。
1、数据备份(1)软件内部备份:操作页面中选择“脱机模式”,待页面变灰后点击“备份数据”按钮,输入相应的文件名(例如:20101019OXSAS_DB.BAK)以防止将先前数据覆盖,然后点击备份即可。
(2)软件外部备份:退出OXSAS操作系统,进入其相应的数据备份及恢复程序“OXSAS Full Backup Restore”,然后选择“备份数据库”按钮下的“备份”选项即可(系统自动选择路径并生成相应文件名)。
2、数据恢复(1)软件内部恢复:操作页面中选择“脱机模式”,待页面变灰后点击“恢复数据库”按钮,选择之前备份的数据库,恢复即可。
(2)软件外部恢复:退出OXSAS操作系统,进入其相应的数据备份及恢复程序“OXSAS Full Backup Restore”,然后点击“恢复数据库”按钮,选择相应数据库,点击“RESTORE”即可。
稳态/瞬态荧光光谱仪(FLS 920)操作说明书一、仪器测试原理时间相关单光子计数原理是FS920测量荧光寿命的工作基础。
时间相关单光子计数法(time-correlated single photon counting)简称“单光子计数(SPC)法",其基本原理是,脉冲光源激发样品后,样品发出荧光光子信号,每次脉冲后只记录某特定波长单个光子出现的时间t,经过多次计数,测得荧光光子出现的几率分布P(t),此P(t)曲线就相当于激发停止后荧光强度随时间衰减的I(t)曲线。
这好比一束光(许多光子)通过一个小孔形成的衍射图与单个光子一个一个地通过小孔长时间的累计可得完全相同的衍射图的原理是一样的。
二、测量之前需要特别注意的事项1.在切换光源、修改设置或放样品之前必须把狭缝(Δλ)关到最小(0.01nm),否则会损坏光电倍增管!如果打开样品室盖子之后,Em1的Signal Rate增加,请停止实验并立即与工作人员联系!2.测量样品的瞬态性质之前,请用先对样品的稳态性质进行表征,了解样品的激发光谱与发射光谱及最佳激发波长和发射波长;3.用PMT检测时,必须等稳压电源CO1的温度示数在-15ºC以下才可以开始采集数据;4.狭缝范围0。
01~18nm,调节时注意不要超过其上限;(L1: 1mm相当于1.8nm, 200—900nm);(L2: 1mm相当于5。
4nm, 900—1900nm)5.每次设置完参数后都要点击Apply或者回车键确定;6.文件保存路径为:C:\data\导师\自己文件夹7.用专用u盘拷贝数据并到另一台电脑发送数据8.如实填写仪器使用记录,爱护仪器。
三、稳态荧光光谱的测定1.紫外可见区稳态荧光光谱的测定步骤1)打开Xe900电源,待其稳定,稳定后电压约16—17V,电流25A;2)打开CO1电源和FLS920主机电源;3)打开计算机,双击桌面上F900图标,进入工作站4)点击窗口左上角的按钮,进入Signal Rate设置窗口,先将Excitation Wavelength和Em1Wavelength处的Δλ均设置为0。
荧光光谱仪器检测仪安全操作及保养规程荧光光谱仪是一种常用的科学实验装置,用于测量物质在光激发下发射的荧光。
为了确保仪器的正常运行和保障使用者的安全,本文将介绍荧光光谱仪器的安全操作指南以及保养规程。
一、安全操作指南1.仪器安装:在安装荧光光谱仪器时,应确保放置在平稳、通风良好的实验台上。
保持仪器与电源之间的安全距离,避免过度拉伸电源线。
2.电源管理:在使用荧光光谱仪器前,确保电源开关处于关闭状态。
使用过程中,禁止将潮湿的手或物品接触到电源线或插座。
3.仪器预热:打开仪器时,应注意预热时间。
根据仪器型号和使用手册的要求,预热时间通常在15至30分钟范围内。
在预热过程中,应避免触碰仪器内部的高温部件。
4.样品处理:合理选择样品容器和试剂,避免使用腐蚀性或有毒的样品。
遵守实验室安全操作规范,戴好手套和眼镜等防护装备,以确保个人安全。
5.荧光标准品:在进行荧光光谱仪器校准时,使用合适的荧光标准品。
避免将荧光标准品接触到皮肤或眼睛,以免引起刺激或伤害。
6.数据保存:使用荧光光谱仪器时,及时备份和保存测量数据,以防止数据的丢失或损坏。
7.仪器关闭:在使用完成后,及时关闭荧光光谱仪器和电源开关。
注意等待仪器降温后再进行移动或拆卸操作。
二、保养规程1.定期清洁:定期清洁荧光光谱仪器的外部表面,使用干净、柔软的布进行擦拭。
避免使用含酸、碱或有机溶剂的擦拭剂,以免损坏仪器表面。
2.灯管维护:定期检查和更换荧光光谱仪器中的灯管。
根据使用手册的要求,维护灯管的寿命和亮度。
3.光路检查:定期检查荧光光谱仪器的光路,确保光学元件清洁无尘。
使用专用的气体或布进行清洁,避免使用尖锐物品接触光学元件。
4.电源线检查:定期检查电源线的连接情况,确保电源线没有损坏或老化现象。
如发现问题,及时更换电源线以避免安全隐患。
5.防尘措施:在不使用荧光光谱仪器时,应采取防尘措施。
可以使用仪器自带的防尘罩或布料进行覆盖,避免灰尘进入仪器内部。
6.定期校准:根据使用手册的要求,定期进行荧光光谱仪器的校准。
荧光光谱仪操作流程下载温馨提示:该文档是我店铺精心编制而成,希望大家下载以后,能够帮助大家解决实际的问题。
文档下载后可定制随意修改,请根据实际需要进行相应的调整和使用,谢谢!并且,本店铺为大家提供各种各样类型的实用资料,如教育随笔、日记赏析、句子摘抄、古诗大全、经典美文、话题作文、工作总结、词语解析、文案摘录、其他资料等等,如想了解不同资料格式和写法,敬请关注!Download tips: This document is carefully compiled by theeditor. I hope that after you download them,they can help yousolve practical problems. The document can be customized andmodified after downloading,please adjust and use it according toactual needs, thank you!In addition, our shop provides you with various types ofpractical materials,such as educational essays, diaryappreciation,sentence excerpts,ancient poems,classic articles,topic composition,work summary,word parsing,copy excerpts,other materials and so on,want to know different data formats andwriting methods,please pay attention!荧光光谱仪操作流程。
1. 仪器准备。
开启仪器电源,启动软件。
设置激发和发射波长。
ZSX PrimusII荧光光谱仪技术操作规程1.操作规程1.1仪器的开机和关机:1.1.1开水冷机组接通电源---打开水冷机组开关1.1.2开机接通电源——打开稳压器开关(稳定1min)——打开主电源开关——打开主机开关(稳定2小时)。
1.1.3开计算机接通电源——打开稳压器开关(稳定1min)——打开显示器电源——打开计算机主机电源——在桌面上双击ZSX图标——自动初始化1.1.4开X射线——点击菜单条上的“开机-关机”,选择“开机”,在“开启X射线”复选框打“√”,点击“开始”。
1.1.5 改变X射线输出功率:点击菜单条上的“开机-关机”按钮——选择“光管/光路气氛变更”——选择〈改变电压和电流〉——设定管电压值——设定管电流值——点击“开始”按钮。
1.1.6改变分析室气氛:1)在光路气氛中选择〈真空〉(或〈大气〉)2)点击“开始”按钮。
1.1.7 PHA调节:选择〈PHA调节〉。
——如果P-10气体开始流动的时间较短时,请设置等待时间——选择样品位置——选择〈PC〉和〈SC〉——点击“开始”。
1.1.8关机:选择菜单上的〈开机/关机〉按钮——选择【关机】——选择〈手动关机〉——选择〈关闭X射线〉——选择〈真空保护〉——点击“开始”按钮。
1.2样品分析1.2.1未知样品的定量分析1)点击菜单上的“分析”按钮2)点击样品ID设定窗口中的“样品ID”3)点击“定量”按钮4)选择一个样品位置5)必要时,在“样品信息”框内输入一个样品名6)必要时,在“样品信息”框内输入一个操作者名7)在“分析条件”框内选择〈定量分析〉8)在“分析条件”框内的“文件夹”中,选择一个包含分析方法的文件夹9)在“分析条件”框内选择一个分析方法10)在“重复次数”中输入重复次数11)点击OK按钮12)点击“开始”按钮进行分析。
1.3控制分析1.3.1漂移校正1)点击菜单上的“分析”按钮2)点击样品ID设定窗口中的“样品ID”3)点击“控制”4)选择一个样品位置5)必要时输入一个样品名6)必要时输入一个操作者名7)选择“分析条件”框中的〈漂移校正样品〉8)在“分析条件”框内的“文件夹”中,选择一个包含分析方法的文件夹9)选择一个极限范围名10)选择合适的“更新选择”项11)设定“重复次数”12)点击OK按钮13)点击“开始”按钮进行分析,自动计算系数1.3.2偏差修正1)点击菜单上的“分析”按钮2)点击样品ID设定窗口中的“样品ID”3)点击“控制”4)选择一个样品位置5)必要时输入一个样品名6)必要时输入一个操作者名7)选择“分析条件”框中的〈偏差修正样品〉8)在“分析条件”框内的“文件夹”中,选择一个包含分析方法的文件夹9)选择一个极限范围名10)选择合适的“更新选择”项11)设定“重复次数”12)点击OK按钮13)点击“开始”按钮进行分析,自动计算系数1.3.3检查分析1)点击菜单上的“分析”按钮2)点击样品ID设定窗口中的“样品ID”3)点击“控制”4)选择一个样品位置5)必要时输入一个样品名6)必要时输入一个操作者名7)选择“分析条件”框中的〈检查分析〉8)在“分析条件”框内的“文件夹”中,选择一个包含分析方法的文件夹9)选择一个极限范围名10)选择合适的“更新选择”项11)设定“重复次数”12)点击OK按钮13)点击“开始”按钮进行分析2. 维护规程2.1 日常维护2.1.1样品盒和面罩的清洁2.1.1.1每次放样片前清洁一次2.1.1.2样品盒和面罩的清洁要求如果面罩的内外表面弄脏了,用干净的布或纸浸湿酒精后,去除污垢。
稳态瞬态荧光光谱仪操作说明书稳态/瞬态荧光光谱仪(FLS 920)操作说明书一、仪器测试原理时间相关单光子计数原理是FS920测量荧光寿命的工作基础。
时间相关单光子计数法(time-correlated single photon counting)简称“单光子计数(SPC)法”,其基本原理是,脉冲光源激发样品后,样品发出荧光光子信号,每次脉冲后只记录某特定波长单个光子出现的时间t,经过多次计数,测得荧光光子出现的几率分布P(t),此P(t)曲线就相当于激发停止后荧光强度随时间衰减的I(t)曲线。
这好比一束光(许多光子)经过一个小孔形成的衍射图与单个光子一个一个地经过小孔长时间的累计可得完全相同的衍射图的原理是一样的。
二、测量之前需要特别注意的事项1.在切换光源、修改设置或放样品之前必须把狭缝(Δλ)关到最小(0.01nm),否则会损坏光电倍增管!如果打开样品室盖子之后,Em1的Signal Rate增加,请停止实验并立即与工作人员联系!2.测量样品的瞬态性质之前,请用先对样品的稳态性质进行表征,了解样品的激发光谱与发射光谱及最佳激发波长和发射波长;3.用PMT检测时,必须等稳压电源CO1的温度示数在-15ºC以下才能够开始采集数据;4.狭缝范围0.01~18nm,调节时注意不要超过其上限;(L1: 1mm相当于1.8nm, 200-900nm);(L2: 1mm相当于5.4nm, 900-1900nm)5.每次设置完参数后都要点击Apply或者回车键确定;6.文件保存路径为:C:\data\导师\自己文件夹7.用专用u盘拷贝数据并到另一台电脑发送数据8.如实填写仪器使用记录,爱护仪器。
三、稳态荧光光谱的测定1.紫外可见区稳态荧光光谱的测定步骤1)打开Xe900电源,待其稳定,稳定后电压约16-17V,电流25A;2)打开CO1电源和FLS920主机电源;3)打开计算机,双击桌面上F900图标,进入工作站4)点击窗口左上角的按钮,进入Signal Rate设置窗口,先将ExcitationWavelength和Em1 Wavelength处的Δλ均设置为0.01nm,按回车键(Enter)或者点击Apply确认,再将Source设置为Xe900,Em1 Detector设置为R955,然后点击Apply;5)打开样品室的盖子,放入待测样品,然后盖好;6)调节slit到合适大小(一般2.5mm)。
瞬态吸收光谱ta100说明书瞬态吸收光谱(Transient Absorption Spectroscopy,简称TA)是一种用于研究材料在光激发下的动力学过程的实验技术。
TA100是一种常见的商用瞬态吸收光谱仪,下面是对其说明书的详细介绍:1. 仪器概述:TA100是一种基于光学原理的实验仪器,用于研究材料在光激发下的吸收光谱变化。
它可以测量材料在不同时间尺度上的吸光度变化,从飞秒到纳秒级别。
2. 主要组成部分:TA100由以下几个主要组成部分组成:- 光源:提供激发光源,通常使用飞秒激光器或连续波激光器。
- 光学系统:包括激发光路和探测光路,用于激发材料并测量吸光度变化。
- 采集系统:用于采集和处理实验数据,通常包括高速采集卡和计算机。
3. 实验步骤:进行TA100实验的一般步骤如下:- 准备样品:将待测样品制备成适当的形式,如溶液、薄膜或晶体。
- 设置实验参数:选择合适的激发光源、激发波长和激发强度,并设置采集参数,如时间分辨率和采样率。
- 进行实验:将样品放置在光学系统中,激发样品并测量吸光度随时间的变化。
- 数据处理:对采集到的数据进行处理和分析,如绘制吸光度随时间的曲线、计算吸光度变化的动力学参数等。
4. 实验应用:TA100广泛应用于材料科学、光化学、生物医学等领域的研究中,常见的应用包括:- 荧光光谱研究:通过测量样品在激发光源下的吸光度变化,研究材料的激发态和退激发态的动力学过程。
- 光敏材料研究:用于研究光敏材料在光激发下的电荷转移、能量转移等过程。
- 光催化研究:通过测量光催化材料在光激发下的吸光度变化,研究光催化反应的机理和动力学过程。
以上是对TA100瞬态吸收光谱仪的详细说明书,希望能对您有所帮助。
荧光分析仪使用指南说明书第一章:引言欢迎您使用荧光分析仪!本使用指南将为您提供关于荧光分析仪的详细操作说明和技术指导,以帮助您更好地理解和使用该仪器。
第二章:产品概述荧光分析仪是一种用于定量分析和研究样品中荧光发射和激发光的仪器。
它具备高灵敏度、高分辨率和广泛的应用领域,被广泛应用于生物医学、化学、环境科学等领域。
第三章:仪器组成荧光分析仪主要由以下部分组成:1. 光源:提供激发光源,如氙灯或激光器;2. 光路系统:用于引导激发光进入样品并接收样品发射光,如滤光片、镜片等;3. 采集系统:用于采集和转换样品发射光为电信号的探测器和放大器;4. 控制系统:用于控制仪器的运行和参数设置的电子设备;5. 数据处理和分析软件:用于对采集到的数据进行处理、分析和可视化展示的软件。
第四章:仪器操作在正式使用荧光分析仪之前,请确保您已阅读并理解以下操作步骤:1. 准备样品:根据您的研究目的,选择合适的样品并按照相关要求进行制备;2. 打开仪器:按照说明书中的操作指南打开荧光分析仪,并确保所有部件处于正常工作状态;3. 校准仪器:根据仪器的校准要求进行仪器的校准,确保仪器的准确性和稳定性;4. 设置实验参数:根据您的实验需求,在仪器的控制系统中设置合适的实验参数,如激发波长、检测波长等;5. 加载样品:将制备好的样品放置在仪器的样品台上,并确保样品与光路系统之间的距离和角度适当;6. 进行测量:点击仪器控制系统中的测量按钮,开始对样品进行荧光测量;7. 数据保存和分析:根据需要,将测量得到的数据保存到计算机中,并使用数据处理和分析软件进行进一步处理和分析;8. 关闭仪器:在使用完毕后,按照说明书中的操作指南正确关闭荧光分析仪,并进行必要的仪器保养。
第五章:常见问题与故障排除在使用荧光分析仪的过程中,可能会遇到一些常见问题和故障。
以下是一些常见问题以及相应的解决办法:1. 信号弱或无法检测到信号:请检查激发光源、光路系统和探测器是否正常工作;2. 背景噪音较大:请检查是否存在外界干扰源,如光线、电磁辐射等,并采取相应的防护措施;3. 数据异常或不符合预期:请排除可能存在的样品制备错误、操作失误等因素,并重新进行实验;4. 仪器无法启动或异常关闭:请检查电源是否正常连接,仪器是否受到外界干扰,并联系售后服务进行进一步检修。
荧光稳态测量系统(PTI QuantaMaster TM 4CW)操作说明书一.仪器介绍1.荧光稳态测量系统(PTI QuantaMaster TM 4CW)功能PTI推出的QuantaMaster/TimeMaster系列荧光稳态/瞬态测量系统具有测量可靠、灵敏度高、使用方便、配制灵活等优点,做稳态时:系统信噪比一般为6000:1,最高可达12000:1,数据采集速度可达1000 点/秒,波长范围从紫外到近红外,样品所处的环境温度可调。
在稳态光谱测量中,通过使用光子计数技术,提供最高的微弱信号检出能力,可对荧光物质进行定性检测和定量分析。
除常规的荧光稳态测量外,还可进行各向异性(偏振)、双发射、化学和生物发光等方面的测量。
做瞬态(荧光寿命)测量时,系统采用了先进的频闪分时测量技术和非线性时标据采集技术,具有测量速度快、精度高、灵敏度高、使用方便、配制灵活等优点,是目前测量速度最快、最先进的荧光寿命测量系统。
该系统能够探测7pM荧光素的寿命,最短测量寿命可达100ps。
激发光源可采用激光、弧光脉冲及LED灯以满足不同的应用。
通过扩展和升级,可实现电致发光、磷光、荧光比率和比率成像等的测量。
主要应用:1、光物理与光化学、光合作用机理;2、分子反应动力学;3、突变筛选;4、缩氨酸结合动力学;5、FRET动力学;6、发射光谱和荧光淬灭;7、荧光量子产率、荧光偏振及导向性;8、蛋白质结构与折叠的研究;9、DNA 测序研究、ds-DNA中的染料探针;10、膜的渗透性及结构研究、膜的流动性和脂相转移;11、药物与生物体系相互作用的检测;12、溶剂-溶质相互作用;13、麻醉过程研究;14、蛋白结构和折叠;15、核酸动态特性与结构;16、光合作用机理;17、激发态特性;18、层面研究;19、膜的渗透性与离子转移;20、膜的动态特性和结构;21、分子距离和旋转动态特性;22、溶剂与溶质的相互作用;23、微胞结构与反应动力学;24、污染物质的探测与辨别;25、聚合物结构和动态特性;26、药与生物系统的相互作用;27、混合荧光物质的探测与辨别。
X荧光光谱仪安全操作规程编号:AQ-CZGC-001-S1.目的:为了让使用者能更明确、准确、安全地使用该仪器,特制订此操作规程。
2.适用范围:适用于嘉田公司需要用到该仪器的操作过程、校正过程、维护保养过程。
3.职责:3.1企划部负责安全操作规程的建立;3.2实验室负责仪器的维护保养及校准的跟进,以及确保按此规程进行仪器操作。
4.操作步骤:4.1添加液氮4.1.1在添加液氮前,需确保仪器、仪器电源均处于关闭状态;4.1.2打开仪器的上盖,拔出液氮罐的盖,小心添加液氮,快满前停止添加;4.1.3插回内部液氮罐的盖和仪器后面的上盖;4.1.4添加液氮后需等待30分钟方可开机;4.1.5检查液氮的方法:把用长约40cm的螺丝刀插入到液氮罐底,约20秒后取出,5秒后,螺丝刀没入液氮的部分将会结霜;注:加液氮过程中,必须戴防护手套,以免液氮泄漏冻伤手,使用液氮需确保室内空气流通4.2开启电源4.2.1依次打开UPS电源、EDX主机、计算机、EDX软件;4.2.2从主程序中点击“维护”,再点击“仪器初始化”,直到听见仪器马达运作的声音;4.2.3启动X光管及检测器;点击“仪器设置”,然后点击“执行预置”;4.3预热4.3.1需预热30分钟,以确保仪器处于稳定的工作状态,再进行下一步操作;4.4校对4.4.1手动打开样品室盖,放置A750到样品室测试孔位置,在维护菜单里,点“仪器样正”,点“开始”;4.4.2确认校正结果:用定性easy组别测试A750,查看结果,若A1>85%,能测出Sn,Cu,Ni,则校正OK,继续下步操作,如NG超过两次,需联络厂商或具备资质的机构做能量校正;4.5样品的简单前处理4.5.1有平整光滑测试面的样品可直接测试;4.5.2小样品和颗粒样品用样品杯装起再测试;4.5.3泡沫、蓬松棉、布料等疏松样品需压缩后再重叠加厚度测试;4.5.4薄片样品叠起来并压紧测试;4.5.5塑料气泡包装材料需重叠增加厚度后再将空气除去测试;4.6测试分析4.6.1放置处理好的样品到样品室,并打开摄像头确认对准测试部位;4.6.2主菜单里点击“分析”,继续点击“分析组别”选择合适的组别;注:选组别的方法:a塑料、纸张、油墨都选塑胶分析组别进行测试;b铜合金样品选铜合金分析组别进行测试;c铝合金样品选铝合金分析组别进行测试;d焊锡样品选焊锡分析组别进行测试;e定性分析选用定性easy组别进行测试;4.6.3输入样品名称、说明、操作者等样品信息,然后点击“确认”,完成样品信息的输入;4.6.4点击“开始”进行测试,测试完成后,将自动弹出测试结果;4.7标准曲线的制作4.7.1导入已设好的条件:copy岛津给的四个定量组别文件到路径“C:﹨edx﹨user﹨grpqn﹨”;4.7.2输入标准值:在主菜单里点击“条件定量”,选出要制作的标准曲线,点击“分析情报标准样品标准值”后,输入标准样品的标准值,依次点击“确认应用关闭确认文件保存确定”后,关闭“组别条件”窗口;4.7.3强度登记:在主菜单里点击“分析”点击“样品序列样品登记”,点开“分析组别定量”,选出要制作的标准曲线,“测试目的”选“标准样品分析”,点“确定关闭”,点亮“分析”窗口,按提示放相应的标准样品到样品室测试孔,逐次点击“开始”,直至所有样品登记完毕;4.7.4画线:在主菜单里点击“条件定量”,选出已登记完强度的标准曲线,点击“分析情报”,依次点亮每个分析对象(Pb 、Cd 、Hg 、Cr、Br等),点击“校正曲线计算应用”,每个元素都画完线后,关闭“校正曲线”窗,“分析信息”窗点“确认”,“文件保存确定”,关闭“组别条件”窗口;4.7.5标准化样品强度的登记:放相应的标准化样品到样品室测试孔位置,主菜单里点开“分析”,点击“样品序列样品登记”,点开“分析组别定量”,选出要做标准化样品强度登记的标准曲线,“测试目的”选“标准化样品分析”,点击“确定关闭”,点亮“分析”窗口,点击“开始”;4.8系统更新:4.8.1放置相应的标准化样品到样品室测试孔位置;4.8.2用相应的分析组别分析该样品,方法与分析未知样品相同;4.8.3比较测试结果与标准值,偏差较小,不必做系统更新;偏差较大,则做系统数更新;4.8.4系数更新:主菜单里点开“分析”,点击“样品序列样品登记”,点开“分析组别定量”,选出要做系数更新的标准曲线,“测试目的”选“标准化样品分析系数更新”,点击“确定关闭”,点亮“分析”窗口,点击“开始”,系数更新OK;4.9关机4.9.1主程序中点击“维护”,再点击“仪器设置”,继续点击“执行停止”。
第1篇一、前言荧光光谱法是一种重要的光谱分析方法,广泛应用于化学、生物、医学等领域。
为了确保实验结果的准确性和重现性,特制定本操作规程。
二、实验原理荧光光谱法是基于物质在激发光照射下,吸收能量后跃迁到激发态,随后以发射荧光的形式释放能量的原理。
通过测量激发态物质发射的荧光强度和波长,可以确定物质的种类和浓度。
三、仪器与试剂1. 仪器:荧光光谱仪、样品池、光源、检测器、计算机等。
2. 试剂:待测物质、溶剂、标准溶液等。
四、操作步骤1. 样品制备:根据实验需求,将待测物质溶解于适当的溶剂中,配制成所需浓度的溶液。
2. 样品池清洗:使用去离子水或专用清洗液清洗样品池,并用去离子水冲洗干净。
3. 样品池填充:将制备好的样品溶液注入样品池中,确保样品池内液体量适中。
4. 仪器准备:开启荧光光谱仪,预热仪器,调整光源强度和检测器灵敏度。
5. 测量参数设置:根据实验需求,设置激发波长、发射波长、扫描范围等参数。
6. 标准曲线绘制:将已知浓度的标准溶液依次注入样品池,测量其荧光强度,以荧光强度为纵坐标,浓度或吸光度为横坐标,绘制标准曲线。
7. 样品测量:将待测样品注入样品池,按照设置好的参数进行测量。
8. 数据处理:将测量得到的荧光强度与标准曲线进行对比,计算待测样品的浓度。
9. 结果记录:将实验数据、操作步骤、仪器参数等记录在实验记录本上。
五、注意事项1. 操作过程中,注意保护眼睛,避免直视光源。
2. 严格遵循实验规程,避免操作失误。
3. 样品池、试剂等应妥善保存,防止污染。
4. 仪器设备应定期校准,确保测量结果的准确性。
5. 实验结束后,关闭仪器,整理实验场所。
六、安全与环保1. 操作过程中,注意个人防护,佩戴防护眼镜、手套等。
2. 实验废弃物应按照相关规定进行处理,不得随意丢弃。
3. 实验室内保持通风,避免有害气体积聚。
4. 定期检查仪器设备,确保其正常运行。
七、结论本规程旨在规范荧光光谱实验操作,提高实验结果的准确性和重现性。
稳态/瞬态荧光光谱仪(FLS 920)操作说明书一、仪器测试原理时间相关单光子计数原理是FS920测量荧光寿命的工作基础。
时间相关单光子计数法(time-correlated single photon counting)简称“单光子计数(SPC)法”,其基本原理是,脉冲光源激发样品后,样品发出荧光光子信号,每次脉冲后只记录某特定波长单个光子出现的时间t,经过多次计数,测得荧光光子出现的几率分布P(t),此P(t)曲线就相当于激发停止后荧光强度随时间衰减的I(t)曲线。
这好比一束光(许多光子)通过一个小孔形成的衍射图与单个光子一个一个地通过小孔长时间的累计可得完全相同的衍射图的原理是一样的。
二、测量之前需要特别注意的事项1.在切换光源、修改设置或放样品之前必须把狭缝(Δλ)关到最小(0.01nm),否则会损坏光电倍增管!如果打开样品室盖子之后,Em1的Signal Rate增加,请停止实验并立即与工作人员联系!2.测量样品的瞬态性质之前,请用先对样品的稳态性质进行表征,了解样品的激发光谱与发射光谱及最佳激发波长和发射波长;3.用PMT检测时,必须等稳压电源CO1的温度示数在-15ºC以下才可以开始采集数据;4.狭缝范围0.01~18nm,调节时注意不要超过其上限;(L1: 1mm相当于1.8nm, 200-900nm);(L2: 1mm相当于5.4nm, 900-1900nm)5.每次设置完参数后都要点击Apply或者回车键确定;6.文件保存路径为:C:\data\导师\自己文件夹7.用专用u盘拷贝数据并到另一台电脑发送数据8.如实填写仪器使用记录,爱护仪器。
三、稳态荧光光谱的测定1.紫外可见区稳态荧光光谱的测定步骤1)打开Xe900电源,待其稳定,稳定后电压约16-17V,电流25A;2)打开CO1电源和FLS920主机电源;3)打开计算机,双击桌面上F900图标,进入工作站4)点击窗口左上角的按钮,进入Signal Rate设置窗口,先将Excitation Wavelength和Em1Wavelength处的Δλ均设置为0.01nm,按回车键(Enter)或者点击Apply确认,再将Source设置为Xe900,Em1 Detector设置为R955,然后点击Apply;5)打开样品室的盖子,放入待测样品,然后盖好;6)调节slit到合适大小(一般2.5mm)。
注意:对于未知样品的最大Em的情况下,Em1的slit第一次只能开一点(一般< 0.3mm),以避免荧光最强未知的signal rate 大于106,破坏PMT。
7)点击按钮,选择Emission Scan,进入设置窗口,在General标签内选择L1,在Excitation标签内,将Monochromator Wavelength设置为合适的激发波长,在Emission1标签内根据待检测波长将Detector设置为R928-P A,然后在Emission Scan Parameters内设置波长扫描范围、扫描间隔(step)、停留时间(Dwell Time)和扫描次数(Number of Scans),设置完毕后点击Start即开始测量,得到发射光谱(荧光光谱);8)单击按钮,选择Excitation Scan,进入设置窗口,在General标签内选择L1,在Emission1栏内,将Monochromator Wavelength设置为待检测波长,Detector根据待检测波长设置为R955,然后在Excitation Scan Parameters内设置波长扫描范围、扫描间隔(step)、停留时间(Dwell Time)和扫描次数(Number of Scans),设置完毕后点击Start即开始测量,得到激发光谱;9)在Signal Rate设置窗口内输入相应的Excitation Wavelength和Em1 Wavelength值,逐渐加大Δλ,使Em1获得一个合适的Signal Rate(注意:在设置后需要按下回车或者Apply按钮设置才真正生效,Ref的Signal Rate不要超过107,Em1的Signal Rate最好不要超过105,千万别超过106);按照步骤7)进行测试,得到发射光谱。
注意:对于已知样品的最佳Ex、Em波长情况下,可以直接跳过7)与8)步骤,直接进入9)。
2.近红外区稳态荧光光谱的测定步骤如果测量范围在近红外区(900-1900nm),需要用到InGaS检测器,具体操作步骤和设置如下:1)打开Xe900电源,待其稳定,稳定后电压约16-17V,电流25A;2)打开FLS920主机电源;3)点击窗口左上角的按钮,进入Signal Rate设置菜单,将Excitation Wavelength和Em2Wavelength处的Δλ均设置为0.01之后,Source设置为Xe,Em2 Detector设置为InGaS,然后点击Apply (注意:将Source设置为Xe之前一定要将Δλ设置到足够小,此情况下Em2 的Signal Rate应低于400cps,否则请通知工作人员);4)点击按钮,Emission Scan,进入设置窗口,在General标签内选择L2,选择其它测量步骤与紫外可见区的稳态荧光测量步骤5~9相同。
3.数据处理1)测量完成后,直接点击保存图标保存原始文件;2)数据处理的功能都在Data菜单下:Scale:将当前的谱图坐标乘以输入的数值显示出来Normalise:归一化,用此功能可以比较峰位是否相同Subtract Baseline:扣基线Crop Range:设置横坐标显示范围Differentiate:显示微分曲线Integrate:积分Reverse:将横坐标刻度倒过来显示Correction:谱图校正3)谱图处理完了以后点击File,选择Export ASCII即可以转换成文本文件。
四、荧光寿命的测量注:目前仪器的配置只能测量紫外可见区的荧光寿命,FLS920配有两个脉冲灯(纳秒和微秒灯),一般情况下荧光强度在25微秒内衰减到零用纳秒灯,荧光寿命大于25微秒衰减到零用微秒灯,具体设置和步骤如下:1.紫外可见荧光寿命(荧光强度在25微秒内衰减到零)测量步骤1)打开CO1,主机和nF900电源;2)打开计算机,双击桌面上F900图标进入工作站;3)点击View菜单,选择nF Lamp Setup进入窗口,点击Switch Lamp On,观察纳秒灯的频率,注意在此窗口不要更改设置,观察正常后关闭窗口。
如果发现频率不能稳定在40kHz,请通知工作人员清洗氢灯;4)点击软件窗口左上角的按钮,进入Signal Rate设置窗口,先将Excitation Wavelength和Em1Wavelength处的Δλ均设置为0.01,按回车键(Enter)或者点击Apply,再将Source设置为nF Lamp,Em1 Detector设置为R955,然后点击Apply;5)打开样品室,放入样品,盖好盖子,输入样品的Excitation Wavelength和Em1 Wavelength值,逐渐加大Δλ,使Em1获得一个合适的Signal Rate(一般不超过2000);6)点击按钮,选择Manual Lifetime,进入设置菜单,在mode标签内,选择L1,在Excitation栏内设置好激发波长和Light Source,在Emission 1栏内设置好发射波长和Detector,将Live选择框勾上,然后开始设置下部的Lifetime Sample 1菜单,在Rates标签内一边观察Stop Rate一边调节Iris Setting使Stop Rate务必在2000以下,再在Time Range标签内选择一个合适的Time Range和Channels (一般为1024),在Stop Condition标签内根据样品情况选择一个合适的条件,设置好之后,点击New开始测试;2.紫外可见荧光寿命(荧光强度大于25微秒才能衰减到零)测量步骤对于荧光强度大于25微秒才能衰减到零的样品,需要用到微秒灯,其设置和步骤如下:1)打开CO1,主机和nF900电源;2)打开计算机,双击桌面上F900图标进入工作站;3)点击Options菜单,选择Hardware Configuration在Lamps栏中将Steady State Lamp勾掉,再将Microsecond Flashlamp勾上,然后确定并重启程序,并把Xe灯处的光路切换开关拨向上方(注意:实验完成后一定要将此开关拨回);4)点击软件窗口左上角的按钮,进入Signal Rate设置窗口,先将Excitation Wavelength和Em1Wavelength处的Δλ均设置为0.01,按回车键(Enter)或者点击Apply,再将Source设置为µF Lamp,Em1 Detector设置为R955,然后点击Apply;5)打开样品室,放入样品,盖好盖子,输入样品的Excitation Wavelength和Em1 Wavelength值,逐渐加大Δλ,使Em1获得一个合适的Signal Rate;6)点击按钮,选择Manual Lifetime,进入设置菜单,在Excitation栏内设置好激发波长和LightSource,在Emission 1栏内设置好发射波长和Detector,将Live选择框勾上,再在Time Range标签内选择一个合适的Time Range和Channels,在Stop Condition标签内根据样品情况选择一个合适的条件,设置好之后,点击New开始测试;3.数据处理1)测量完成后,点击保存将原始文件保存到“C:\data\导师\自己的文件夹”;2)点击“Zoom In”按钮,然后在图上选取一个需要进行拟合的范围,在Data菜单下选择“Exponential Fit中的Tail Fit,在弹出的窗口内输入数值进行拟合,得到衰减寿命;3)对于寿命很短的样品,在样品测量完成后,要做仪器的衰减(即IRF),液体样品用30%硅胶水溶液作散射体,固体样品用固体本身作散射体,在Signal Rate设置窗口中将Excitation Wavelength和Em1 Wavelength值都设置为Excitation Wavelength值,然后调整Δλ获得合适的Em1值,完成后关闭窗口。
4)点击按钮,选择Manual Lifetime,进入设置菜单,将Live、IRF和Add选择框勾上,别的设置与样品一致,设置好之后,点击New开始测试;5)测量完成后,选择拟合范围,点击Data菜单,选择Exponential Fit中的Rconvolution Fit进行拟合;6)拟合完成后,保存拟合的文件,共三种类型的文件,原始文件,ASCⅡ文件和图片文件:直接点击保存可以保存原始文件,点击File选择Export ASCII即可以保存成文本文件;选择save as,保存文件类型选择为Windows MetaFile可以保存成图片格式。