汽轮机盘车原理
- 格式:docx
- 大小:22.31 KB
- 文档页数:4
滦南热电厂汽轮机盘车装置的故障分析与处理1.系统概况滦南热电厂一期工程采用了哈尔滨汽轮机厂生产的CC50-8.83/1.27/0.118型汽轮机,机组均选用了哈尔滨汽轮机厂提供的配套低速盘车装置。
该盘车装置既能手动投入,又能自动投入;既能手动盘车,又能电动盘车。
盘车电动机为Y225S-8型封闭式三相异步电动机,功率18.5 kW,转速730 r/min,经过二级减速后,盘车减为额定转速4.7 r/min。
2.盘车装置的工作原理及性能盘车装置工作时,电动机通过蜗杆、蜗杆轮缘、主动齿轮带动汽轮机转子上的齿轮环转动,从而带动汽轮发电机转子转动。
2.1盘车的投运盘车的投运方式又分为:手动投盘车和自动投盘车。
手动投盘车时,一面旋转蜗轮杆一端的手轮,一面推手杆,使主动齿轮进入啮合位置,然后启动盘车电机,盘车进入工作状态。
盘车装置的自动投入,依靠装置中的油动机、油动机滑阀和电磁铁。
油动机活塞直径170mm,活塞最大行程81 mm。
采用“O”型密封圈橡胶活塞环。
使活塞杆向下运动的油压是由润滑油作用在活塞上部产生的,当压力油泄掉后,活塞下的弹簧使活塞拉动活塞杆复位。
油动机的进、排油是由油动机滑阀控制的。
滑阀套筒和滑阀套杆由不锈钢制成。
滑阀杆和电磁铁拉杆相接。
盘车装置自动投入时,按下“启动”按钮,顶轴油泵启动,转子被托起,电磁供油阀开启向滑阀供油,电磁铁线圈带电,拉杆拉起,滑阀杆上移15 mm,润滑油经过滑阀错油口流至油动机活塞上,活塞推活塞杆向下顶曲拐,使其绕拉杆轴转动,通过拉杆轴上的辊子使主动齿轮向啮合的方向移动,盘车电机按照自动操作程序连续点动,使其主动齿轮与转子上的大齿轮啮合,待完全啮合后,手杆接触行程开关,电机电路完全接通,盘车启动。
同时电磁阀断电,油动机滑阀下移,油动机活塞上压力油泄掉,油动机活塞下弹簧复位,使活塞拉动活塞杆复位。
2.2盘车的停运在机组盘车过程中,如停止盘车,只须按“停止”按钮,电动机停转,由于汽轮发电机转子转动惯性很大,仍在低速转动,此时主动齿轮变为被动,使其受一个和啮合方向相反的作用力,此力以及弹簧套内的弹簧力使主动齿轮退出啮合,此时拉杆轴随之转动,拉杆轴上的辊子复位,活塞杆下的曲拐也同时复位。
上图中,
油缸里的活塞4在油压P1和P2的作用下上下运动带动机构实现盘车。
P2是盘车油压,正常P2>1,泄压时当然<1了,P2的原理下面说。
当P2>1时,活塞在压力下上移,带动拉杆6和框架7上移,插销9同样上
移,卡入荆轮中,荆轮带动转子转动,盘车一次,盘了一定的角度。
这样周而复始,实现盘车。
活塞指示杆2同时上移,到达上止点后,触动位置开关1到100,OK了,此时给下图的电磁阀11信号,进行P2的泄压。
位置开关1的0和100是负责控制电磁阀的,给它开或关的信号。
再来下图:
下图中各机构名称和作用不解释,一看就知。
继续说油压和电磁阀。
当位置开关100时,电磁阀逻辑判断为关,溢流阀18泄油压,此时,P1>2,活塞下移,插销脱开荆轮,一直到位置开关为0。
当位置开关为0时,电磁阀判断为开,P2升油压,P2>1,顶活塞上移,插销
进荆轮,盘车。
当位置在0~100之间时,电磁阀不改变状态。
盘车装置汽轮机启动前和停机后,为避免转子弯曲变形,须设置连续盘车装置。
在汽轮机启动冲转前,转子两端由于轴封供汽,蒸汽便从轴封两端漏如汽轮机,并集中在汽缸上部,使转子和汽缸产生温差,若转子不动则会使转子产生热弯曲;同样,汽轮机停机后,转子仍具有较高的温度,蒸汽聚集在汽缸的上部,由于汽缸结构不同,汽轮机上下缸温降速度不一样,也会使转子产生热弯曲;另外,在汽轮机启动前,通过盘车可使汽轮机上下缸以及转子温度均匀,自由膨胀,不发生动静部分磨擦,有助于消除温度较高的轴颈对轴瓦的损伤,还能消除转子由于重力产生的自然弯曲。
1)盘车的分类盘车一般分为低速盘车和高速盘车两类,高速盘车的转速一般为40~80 r/min,而低速盘车一般为2~10 r/min。
高速盘车对油膜的建立较为有利,对转子的加热或冷却较为均匀,但盘车装置的功率较大,高速旋转如果温降速度控制不好,容易磨坏汽封齿,另外,高速盘车需要一套可靠的顶轴油系统,系统复杂。
从发展方向看,有向低速盘车发展的趋势。
2)本机盘车的特点本汽轮机采用的盘车装置为低速盘车,安装在低压缸B和发电机之间,电动机驱动,配置气动操纵机构,主要有以下特点:A、在汽机转速降至零转速时,既能电动盘车,也能手动盘车;既可远方操作,也可就地操作。
B、盘车装置先启动电机后啮合。
盘车转速为1.5 r/min。
盘车装置在汽轮机冲转后自动退出。
D、盘车装置与顶轴油系统间设联锁,防止在油压建立之前投入盘车。
3)盘车装置传动机构图2-21 盘车装置传动机构图2-21 盘车装置传动机构示意图。
盘车的传动机构有以下几部分组成:盘车齿轮、摆动齿轮、小齿轮、减速齿轮、中间齿轮、涡轮、涡杆、从动轮以及电机传动链条等组成。
摆动齿轮为活动式传动机构,摇臂与盘车装置的操作手柄及气动执行机构的活塞杆相连接,其回转中心位于主动齿轮轴上,摆动齿轮在主动轴的小齿轮上公转,在摇臂顺时针转动到一定位置时,摆动齿轮与转子盘车齿轮进入啮合状态。
汽机盘车装置工作原理及故障分析摘要:盘车是汽轮机组非常重要的一个装置,它用于汽轮机启动和停止时汽机转子低速盘动,检查和消除转子弯曲。
本文介绍了盘车装置的工作原理,对盘车运行过程中出现的一些故障进行了分析及处理。
关键词:盘车;手动;自动;跳闸;故障分析;处理一、前言盘车装置是汽轮发电机组正常启动和停机的重要设备,盘车装置由减速机、箱体、齿轮传动系统、液压装置、电气控制等部分组成。
具有能耗低、运行平稳、操作简便省力、安全可靠、可实现远距离控制等优点。
特别在自动过程中齿轮啮合具有瞬动功能,避免顶齿时强行启动引起的振动。
其主要作用有:1.启动前盘车,减小转子热偏差防止产生热弯曲。
启动过程中,为了在凝汽器内建立一定的真空,需要向轴封供汽,轴封供汽会使轴瓦处转子受热,盘车可以带动转子低速旋转以便使转子均匀加热。
还可以用来检查汽轮机是否具备启动条件,盘车装置投运正常后,可通过听针倾听汽机各轴封处及汽缸内部有无异常声响判断动静部分是否存在摩擦。
通过偏心检查可以判断主轴弯曲度,如果不具备启动条件禁止冲转。
2.停机后盘车,使转子均匀冷却,减小转子热变形和重力变形。
汽轮机停机后,汽缸和转子等部件由热态逐渐冷却,其下部冷却快,上部冷却慢,转子因上下温差而产生弯曲,弯曲程度会随着停机后的时间而增加。
因此,停机后投入盘车装置,盘车可搅和汽缸内的汽流,以利于消除汽缸上、下温差,防止转子变形,消除温度较高的轴颈对轴瓦的损伤。
我公司汽轮机组采用的是常州思源电力设备有限公司生产的138B.118Z型低速自动机械盘车,主要参数为:电机功率:7.5kW;电机转速:1440rpm;轴系盘转转速: 4rpm;进油压力:0.08~0.12MPa:油缸推力:700N。
二、盘车工作原理1、传动系统:摆动齿轮副在曲柄连杆机构的推动下实现与大齿轮切向啮合,减速机与电动机直接联接,其输出扭矩通过齿轮副和摆动齿轮副盘动汽轮机大齿轮及其轴系转动。
减速机的安装型式为立式和卧式两种,我厂选用卧式结构。
汽轮机盘车装置汽轮机盘车装置简介汽轮机盘车装置是一种用于启动和停止汽轮机的装置。
它通过控制汽轮机的转速和负载来实现对汽轮机的快速启动和停止。
本文将介绍汽轮机盘车装置的原理、组成部分以及使用方法。
原理汽轮机盘车装置的原理是通过控制汽轮机的进气和排气阀门来实现对汽轮机的启动和停止。
当需要启动汽轮机时,盘车装置会逐渐打开汽轮机的进气阀门,使蒸汽进入汽轮机。
随着进气阀门的进一步打开,汽轮机的转速逐渐增加,直至达到设定的启动转速。
,盘车装置会打开汽轮机的排气阀门,将冷却水注入汽轮机以保持温度稳定。
当需要停止汽轮机时,盘车装置会逐渐关闭汽轮机的进气阀门,停止蒸汽的进入。
,盘车装置会逐渐关闭汽轮机的排气阀门,停止冷却水的注入。
随着进气阀门和排气阀门的关闭,汽轮机的转速逐渐降低,最终停止转动。
组成部分汽轮机盘车装置主要由以下五个组成部分构成:1. 进气阀门进气阀门用于控制蒸汽进入汽轮机的量。
它由气动执行机构、阀门和控制系统组成。
通过控制进气阀门的开度,可以控制汽轮机的转速。
2. 排气阀门排气阀门用于控制冷却水进入汽轮机的量。
它由气动执行机构、阀门和控制系统组成。
通过控制排气阀门的开度,可以控制汽轮机的冷却水流量。
3. 控制系统控制系统包括传感器、控制器和执行机构。
传感器用于监测汽轮机的转速和温度。
控制器根据传感器的反馈信号来控制进气阀门和排气阀门的开度。
执行机构负责执行控制器的指令,控制阀门的开合。
4. 冷却水系统冷却水系统包括冷却水箱、冷却水管道和冷却水泵。
冷却水通过冷却水泵被抽入汽轮机,在冷却汽轮机的也起到稳定温度的作用。
5. 惰性负载装置惰性负载装置用于在汽轮机启动时提供负载,以防止汽轮机过速。
它可以是一台发电机或其他负载装置。
使用方法使用汽轮机盘车装置需要按照以下步骤进行操作:1. 准备工作:检查进气阀门、排气阀门和冷却水系统的状态,确保其正常工作。
2. 设置启动参数:根据实际情况设置启动转速和冷却水流量的参数。
汽轮机盘车知识汽轮机的盘车装置是一种低速盘动汽轮机转子的设备,主要是在汽轮机启动和停机中使用.凝汽式汽轮机在启动中,为提高凝汽器的真空度,必须向汽缸两端轴封供汽.为防止窜入汽缸中的蒸汽造成汽轮机转子热弯曲,向轴封送汽前必须投入电动盘车盘动转子.对于其它类型的机组,在汽轮机冲转前也必须投入盘车装置,将转子缓慢地转动起来.停机后,汽缸上下存在温差,如果转子静止不动,则会造成热弯曲,这一弯曲在自然状态下需要几十个小时才能逐渐消失,在热弯曲减小到规定值以前,汽轮机无法启动.如果停机后投入盘车装置,汽轮机转子便能均匀冷却.不会造成热弯曲,这样汽轮机在停机后随时多可以启动.汽轮机的盘车装置按其盘动转子时的转速不同,可分为低速盘车和高速盘车两种.低速盘车用在中小型汽轮机中,盘动转子的转速为3-6r/min.高速盘车用在大型机组中,盘动转子的转速为40-70r/min.高速盘车虽然耗电较多,但盘车转速高,有利于改善轴承润滑条件,会减轻低速盘车造成的"研瓦"现象,同时对消除转子热变形和停机时充分均匀地冷却轴承有好处.盘车装置按传动齿轮的种类可分为蜗杆传动的盘车装置及纯齿轮传动的盘车装置.盘车装置按其脱扣装置的结构,可分为螺旋传动及摆动齿轮传动两种.按不同结构方式还可以分为许多类型.尽管盘车装置构造多样,但总的只由三大部分构成,即:1,与汽轮机转子连接着的一套减速机构;2,决定盘车时减速机构与汽轮机转子是呈啮合状态还是脱扣状态的啮合机构;3,辅助机构(如行程开关\润滑系统\联动装置等).盘车在水轮发电机组中是这样的。
盘车方法:1、先把上导、下导、推力、水导、大轴法兰均匀分成8等分,按逆时针排号1、2、3、4、5、6、7、8;然后在每处在+X和+Y处安放百分表2、通过一种方法使机组转动部分按机组规定的转动方向旋转(俯视顺时针),一般可通过天车拉转子转动或自动盘车装置转动。
一般第一圈不计数,因为第一圈让推力轴承上形成充分的油膜。
汽轮机盘车的作用汽轮机冲动转子前或停机后,进入或积存在汽缸内的蒸汽使上缸温度比下缸温度高,从而使转子不均匀受热或冷却,产生弯曲变形。
因而在冲转前和停机后,必须使转子以一定的速度持续转动,以保证其均匀受热或冷却。
换句话说,冲转前和停机后盘车可以消除转子热弯曲。
同时还有减小上下气缸的温差和减少冲转力矩的功用,还可在启动前检查汽轮机动静之间是否有摩擦及润滑系统工作是否正常。
2.盘车有两种方式:小机组采用人力手动盘车,中型和大型机组都采用电动盘车3.电动盘车装置主要有两种形式:1)具有螺旋轴的电动盘车装置(大多数国产中小型汽轮机及125、300MW机组采用)2)具有摆动齿轮的电动盘车装置(国产机组50MW、100MW、200MW采用)4.具有螺旋轴电动盘车装置和工作原理螺旋轴电动盘车装置由电动机、联轴器、小齿轮、大齿轮、啮合齿轮、螺旋轴、盘车齿轮、保险销、手柄等组成。
啮合齿轮内表面铣有螺旋齿与螺旋轴相啮合,啮合齿轮沿螺旋轴可以左右滑动。
当需要投入盘车时,先拔出保险销,推手柄,手盘电动机联轴器直至啮合齿轮与盘车齿轮全部啮合。
当手柄被推至工作位置时,行程开关接点闭合,接通盘车电源,电动机起动至全速后,带动汽轮机转子转动进行盘车。
当汽轮机起动冲转后,转子的转速高于盘车转速时,使啮合齿轮由原来的主动轮变为被动轮,即盘车齿轮带动啮合齿轮转动,螺旋轴的轴向作用力改变方向,啮合齿轮与螺旋轴产生相对转动,并沿螺旋轴移动退出啮合位置,手柄随之反方向转动至停用位置,断开行程开关,电动机停转,基本停止工作。
若需手动停止盘车,可手揿盘车电动机停按钮,电动机停转,啮合齿轮退出,盘车停止。
5.具有摆动齿轮的盘车装置的构造和工作原理装置主要由齿轮组、摆动壳、曲柄、连杆、手轮、行程开关、弹簧等组成。
齿轮组通过两次减速后带动转子转动。
盘车装置脱开时,摆动壳被杠杆系统吊起,摆动齿轮与盘车齿轮分离;行程开关断路,电动机不转,首轮上的缩紧销将手轮锁在脱开位置;连杆在压缩弹簧的作用下推紧曲柄,整个装置不能运动。
某汽轮机盘车介绍及投运分析摘要:汽轮机在冲转前或停机后,进入或积存在汽缸内的蒸汽使上缸温度比下缸温度高,从而使转子不均匀受热或冷却,产生弯曲变形。
盘车装置的作用是在汽轮机冲转前和停机后带动转子作低速转动,使转子受热均匀,可以消除转子的热弯曲。
同时也有利于减少上下汽缸的温差,减小冲转启动力矩及提升热机速度。
另外,在启机前,通过盘车还可以检查汽轮机动静部分之间是否有摩擦以及润滑油系统工作是否正常。
本文在介绍田湾3号机汽轮机盘车结构及原理之上,对盘车投运做了分析与总结。
关键字:盘车;原理;逻辑;首次启动1盘车功能汽轮机在冲转前或停机后,进入或积存在汽缸内的蒸汽使上缸温度比下缸温度高,从而使转子不均匀受热或冷却,产生弯曲变形。
盘车装置的作用是在汽轮机冲转前和停机后带动转子作低速转动,使转子受热均匀,可以消除转子的热弯曲。
同时也有利于减少上下汽缸的温差,减小冲转启动力矩及提升热机速度。
另外,在启机前,通过盘车还可以检查汽轮机动静部分之间是否有摩擦以及润滑油系统工作是否正常。
如果停机时间比较长,为了防止转子弯曲,油循环和盘车装置应该运行足够长的时间,至少 48 小时,直到转子完全冷却。
田湾 3、4 号机组采用哈动制造的自动盘车装置,可以实现在汽轮机低速惰转时自动投入,并且在高速冲转时自动退出。
2 盘车结构田湾 3、4 号机组盘车装置本体主要包含有盘车电机、涡轮蜗杆、减速齿轮、就地控制装置、啮合/脱扣电磁阀;盘车附件包括有仪用压空供应管线、润滑油供油电磁阀及管线。
盘车电机为三相交流异步电机,额定电压为 380V,额定功率为 11KW(启动功率是 22KW),电源连接在BMC13 段,在失电工况下,由XKA60 机组柴油机分级带载第5 步(65s)启动盘车装置。
3 盘车投退控制原理与逻辑3.1盘车控制原理田湾 3、4 号机组盘车装置主要通过仪用压空推动盘车气缸活塞动作,活塞联动啮合推杆运动,以驱动盘车末级齿轮与盘车大齿轮的啮合。
汽轮机盘车装置调试期间常见故障分析及处理摘要:为做好汽轮机盘车装置的调试工作,本文基于汽轮机盘车装置的主要功能,具体结构与工作原理,介绍了汽轮机盘车装置在调试期间常见的主要问题,并针对这些问题提出了一系列具体解决措施,以供同行参考。
关键词:汽轮机盘车;结构;工作原理;问题;措施1、盘车装置功能、结构及工作原理盘车投入时,盘车电机转子通过蜗杆、蜗杆轮缘、主动齿轮带动机组转子齿轮环转动,实现转子旋转。
盘车装置主要由齿轮组、曲柄、连杆、手轮、行程开关、弹簧等组成。
齿轮组通过两次减速后带动转子转动:一次减速是由蜗杆、蜗轮完成的,将电动机730r/min的转速降至为约15.2r/min;第二次减速是由主动齿轮和齿轮环配合完成,将约15.2r/min的转速降至约4.7r/min的额定盘车转速。
蜗杆上加工有单头阿基米德螺旋线,模数14,蜗杆两端靠滚动轴承支撑在壳体上。
为了承受涡轮施加于蜗杆的轴向推力,在蜗轮手轮端装有止推轴承。
1.1盘车装置工作过程解析盘车的运行方式分为手动和电动盘车两种模式运行,电动盘车的投运过程又可根据投入驱动形式分为手动投电动盘车和自动投电动盘车。
盘车投入工作时的原理:通过对手轮转动轴操作,顺时针转动手轮拖动拉杆轴转动,与手轮同轴的曲柄随之转动,克服压缩弹簧的推力带动手杆向右方(工作位方向)运动,内部拉杆由于轴的旋转同时向相反方向运动,推动蜗轮轴和主动齿轮旋转并横向移动,当蜗轮轴螺旋推至定位圈、主动齿轮与盘车齿轮进入啮合状态时行程开关闭合,接通电源齿轮组即开始转动。
手动投盘车时,顺时针转动旋转拉杆轴一端手轮,适当推动与手轮同轴的手动拉杆,使曲柄随之转动,克服压缩弹簧推力,内部拉杆由于轴的旋转同时向相反方向运动,当主动齿轮与盘车齿轮进入啮合状态时盘车进入工作状态,此时需要人力连续盘动拉杆轴手轮使盘车运行。
手动盘车工况应用于调试阶段,盘车装置投入前,检查盘车摆动轮与主轴盘车齿轮的啮合状态、摩擦及停机后电动无法投入等紧急工况。
汽轮机盘车装置汽轮机盘车装置简介汽轮机是一种将燃料燃烧产生的热能转化为机械能的设备。
汽轮机盘车是指通过对汽轮机进行一系列操作,使其快速启动并达到运行状态。
为了有效地盘车和维护汽轮机的正常运行,盘车装置被广泛应用于汽轮机厂房中。
本文将介绍汽轮机盘车装置的工作原理、主要组成部分和操作流程。
工作原理汽轮机盘车装置的工作原理主要涉及到控制汽轮机的停车、启动和运行过程。
其基本原理包括以下几点:1. 启停控制系统:通过控制汽轮机的供气、供热、供水和电力等参数,实现汽轮机的启动和停车过程。
启停控制系统通常由自动控制系统和人工操作控制系统组成。
2. 汽轮机盘车装置:盘车装置主要由控制台、保护装置和仪表设备组成。
控制台提供操作人员进行启停控制和监测汽轮机运行状态的界面;保护装置用于监测和保护汽轮机在运行过程中的安全性;仪表设备用于显示和记录汽轮机各项运行参数。
3. 启动过程:启动过程包括预热、通气、点火和加荷等阶段。
具体操作包括逐渐加热汽轮机至高温状态,通过引入空气将燃料点火以产生燃烧,加速汽轮机转速并逐步加荷,使汽轮机进入工作状态。
4. 停车过程:停车过程包括减载、冷却和切断供气等阶段。
具体操作包括逐渐减少荷载,冷却汽轮机至安全温度,切断燃料供给和外部能源供应,并最终使汽轮机停止运转。
主要组成部分汽轮机盘车装置一般包括以下主要组成部分:1. 控制台:控制台是盘车装置的操作中心,通常包括操作按钮、显示屏、指示灯和报警器等设备。
通过操作控制台,操作人员可以对汽轮机进行启停控制,监测汽轮机的运行参数。
2. 保护装置:保护装置用于监测汽轮机运行过程中的各项参数,并对异常情况进行检测和保护。
一旦发现异常情况,保护装置将自动采取相应措施,如停止供气、切断电源等,以保证汽轮机的安全运行。
3. 仪表设备:仪表设备用于显示和记录汽轮机的运行参数,包括转速、温度、压力等方面的参数。
通过仪表设备,操作人员可以实时了解汽轮机的运行状态,及时做出相应的调整和处理。
盘车工作原理
盘车工作原理是指通过传动系统将动力源(如发动机)的动力传递到车轮上,以推动车辆前进。
盘车工作原理主要包括以下几个方面:
1. 发动机的工作:发动机内燃机燃烧燃油产生高温高压气体,通过连杆机构将活塞上下往复运动转化为旋转运动,从而带动曲轴转动。
2. 驱动系统:曲轴通过连杆与变速器连接,将发动机的旋转
运动传递给变速器。
变速器的作用是在不同的速度和扭矩需求之间实现传递和调整。
3. 变速器:将发动机的转矩通过齿轮传动等方式调整并传递到驱动轴上。
变速器通过齿轮的组合,以不同的比例将发动机转速转化为车轮转速,以实现车辆不同速度的行驶。
4. 驱动轴:将变速器传递的转矩通过万向节等连接装置传递到车轮上,驱动轮通过与地面的摩擦力将车辆推动前进。
在盘车工作原理中,还包括涡轮增压器、离合器等辅助装置,它们的作用是进一步提高发动机的功率输出并实现动力传递的顺畅。
整个过程中需要注意的是,各个部件的配合和转矩传递,以确保车辆的正常行驶和安全性能。
汽轮机盘车知识汽轮机的盘车装置是一种低速盘动汽轮机转子的设备,主要是在汽轮机启动和停机中使用.凝汽式汽轮机在启动中,为提高凝汽器的真空度,必须向汽缸两端轴封供汽.为防止窜入汽缸中的蒸汽造成汽轮机转子热弯曲,向轴封送汽前必须投入电动盘车盘动转子.对于其它类型的机组,在汽轮机冲转前也必须投入盘车装置,将转子缓慢地转动起来.停机后,汽缸上下存在温差,如果转子静止不动,则会造成热弯曲,这一弯曲在自然状态下需要几十个小时才能逐渐消失,在热弯曲减小到规定值以前,汽轮机无法启动.如果停机后投入盘车装置,汽轮机转子便能均匀冷却.不会造成热弯曲,这样汽轮机在停机后随时多可以启动.汽轮机的盘车装置按其盘动转子时的转速不同,可分为低速盘车和高速盘车两种.低速盘车用在中小型汽轮机中,盘动转子的转速为3-6r/min.高速盘车用在大型机组中,盘动转子的转速为40-70r/min.高速盘车虽然耗电较多,但盘车转速高,有利于改善轴承润滑条件,会减轻低速盘车造成的"研瓦"现象,同时对消除转子热变形和停机时充分均匀地冷却轴承有好处.盘车装置按传动齿轮的种类可分为蜗杆传动的盘车装置及纯齿轮传动的盘车装置.盘车装置按其脱扣装置的结构,可分为螺旋传动及摆动齿轮传动两种.按不同结构方式还可以分为许多类型.尽管盘车装置构造多样,但总的只由三大部分构成,即:1,与汽轮机转子连接着的一套减速机构;2,决定盘车时减速机构与汽轮机转子是呈啮合状态还是脱扣状态的啮合机构;3,辅助机构(如行程开关\润滑系统\联动装置等).盘车在水轮发电机组中是这样的。
盘车方法:1、先把上导、下导、推力、水导、大轴法兰均匀分成8等分,按逆时针排号1、2、3、4、5、6、7、8;然后在每处在+X和+Y处安放百分表2、通过一种方法使机组转动部分按机组规定的转动方向旋转(俯视顺时针),一般可通过天车拉转子转动或自动盘车装置转动。
一般第一圈不计数,因为第一圈让推力轴承上形成充分的油膜。
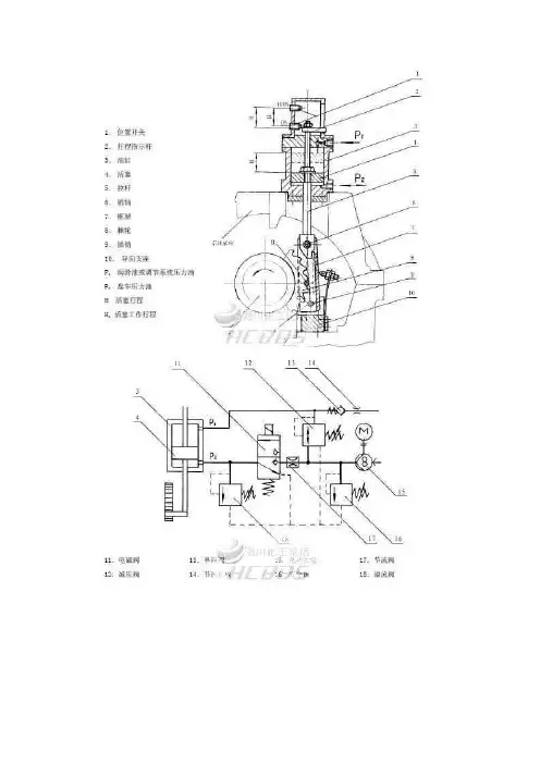
汽轮机盘车装置的故障分析与处理1系统概况滦南热电厂一期工程采用了哈尔滨汽轮机厂生产的型汽轮机,机组均选用了哈尔滨汽轮机厂提供的配套低速盘车装置。
该盘车装置既能手动投入,又能自动投入;既能手动盘车,又能电动盘车。
盘车电动机为Y225S-8型封闭式三相异步电动机,功率18.5 kW,转速730 r/min,经过二级减速后,盘车减为额定转速4.7 r/min。
2盘车装置的工作原理及性能盘车装置工作时,电动机通过蜗杆、蜗杆轮缘、主动齿轮带动汽轮机转子上的齿轮环转动,从而带动汽轮发电机转子转动。
2.1盘车的投运盘车的投运方式又分为:手动投盘车和自动投盘车。
手动投盘车时,一面旋转蜗轮杆一端的手轮,一面推手杆,使主动齿轮进入啮合位置,然后启动盘车电机,盘车进入工作状态。
盘车装置的自动投入,依靠装置中的油动机、油动机滑阀和电磁铁。
油动机活塞直径170mm,活塞最大行程81mm。
采用“O”型密封圈橡胶活塞环。
使活塞杆向下运动的油压是由润滑油作用在活塞上部产生的,当压力油泄掉后,活塞下的弹簧使活塞拉动活塞杆复位。
油动机的进、排油是由油动机滑阀控制的。
滑阀套筒和滑阀套杆由不锈钢制成。
滑阀杆和电磁铁拉杆相接。
盘车装置自动投入时,按下“启动”按钮,顶轴油泵启动,转子被托起,电磁供油阀开启向滑阀供油,电磁铁线圈带电,拉杆拉起,滑阀杆上移15 mm,润滑油经过滑阀错油口流至油动机活塞上,活塞推活塞杆向下顶曲拐,使其绕拉杆轴转动,通过拉杆轴上的辊子使主动齿轮向啮合的方向移动,盘车电机按照自动操作程序连续点动,使其主动齿轮与转子上的大齿轮啮合,待完全啮合后,手杆接触行程开关,电机电路完全接通,盘车启动。
同时电磁阀断电,油动机滑阀下移,油动机活塞上压力油泄掉,油动机活塞下弹簧复位,使活塞拉动活塞杆复位。
2.2盘车的停运在机组盘车过程中,如停止盘车,只须按“停止”按钮,电动机停转,由于汽轮发电机转子转动惯性很大,仍在低速转动,此时主动齿轮变为被动,使其受一个和啮合方向相反的作用力,此力以及弹簧套内的弹簧力使主动齿轮退出啮合,此时拉杆轴随之转动,拉杆轴上的辊子复位,活塞杆下的曲拐也同时复位。
汽轮机盘车装置介绍:本文档旨在详细介绍汽轮机盘车装置的相关知识和使用方法。
盘车装置是汽轮机运行过程中必不可少的设备,用于实现汽轮机的启动、停车和调整。
本文将从以下几个方面进行介绍:汽轮机盘车装置的工作原理、结构组成、操作步骤和维护要点等。
章节一、汽轮机盘车装置的工作原理1.1 汽轮机盘车装置的定义1.2 盘车装置的工作原理概述1.3 盘车过程中相关参数的变化规律章节二、汽轮机盘车装置的结构组成2.1 主要部件的功能和作用2.2 主要部件的结构图示2.3 盘车装置与汽轮机其他部件的连接方式章节三、汽轮机盘车装置的操作步骤3.1 准备工作3.1.1 确定盘车装置所需的设备和工具3.1.2 检查盘车装置的安全状态3.2 盘车前的准备工作3.2.1 关闭汽轮机的各种设备和系统3.2.2 检查盘车装置的工作状态和连接情况3.3 盘车装置的启动步骤3.3.1 启动主控制系统3.3.2 启动盘车装置的辅助设备3.3.3 检查盘车装置的工作状态和参数3.4 盘车装置的停车步骤3.4.1 停止盘车装置的辅助设备3.4.2 停止主控制系统3.4.3 检查盘车装置的停车状态和参数章节四、汽轮机盘车装置的维护要点4.1 盘车装置的定期维护4.1.1 清洁盘车装置的各个部件4.1.2 检查盘车装置的工作状态和连接情况4.2 故障处理和修理4.2.1 盘车装置常见故障的判断和处理方法4.2.2 盘车装置的维修和更换零部件附件:本文档涉及的附件见下表所示:附件1:汽轮机盘车装置的结构图附件2:盘车装置的操作手册附件3:汽轮机盘车装置的维护记录表法律名词及注释:1、盘车装置:用于汽轮机启动、停车和调整的设备。
2、主控制系统:控制并监测盘车装置的系统,包括各个传感器、开关和执行机构等。
3、辅助设备:提供盘车装置所需的电力、气体和液体等辅助能源的设备,如电源、压缩空气系统和润滑系统等。
汽轮机盘车装置的故障分析与处理
1系统概况
滦南热电厂一期工程采用了哈尔滨汽轮机厂生产的型汽轮机,机组均选用了哈尔滨汽轮机厂提供的配套低速盘车装置。
该盘车装置既能手动投入,又能自动投入;既能手动盘车,又能电动盘车。
盘车电动机为Y225S-8型封闭式三相异步电动机,功率18.5 kW,转速730 r/min,经过二级减速后,盘车减为额定转速4.7 r/min。
2盘车装置的工作原理及性能
盘车装置工作时,电动机通过蜗杆、蜗杆轮缘、主动齿轮带动汽轮机转子上的齿轮环转动,从而带动汽轮发电机转子转动。
2.1盘车的投运
盘车的投运方式又分为:
手动投盘车和自动投盘车。
手动投盘车时,一面旋转蜗轮杆一端的手轮,一面推手杆,使主动齿轮进入啮合位置,然后启动盘车电机,盘车进入工作状态。
盘车装置的自动投入,依靠装置中的油动机、油动机滑阀和电磁铁。
油动机活塞直径170mm,活塞最大行程81mm。
采用“O”型密封圈橡胶活塞环。
使活塞杆向下运动的油压是由润滑油作用在活塞上部产生的,当压力油泄掉后,活塞下的弹簧使活塞拉动活塞杆复位。
油动机的进、排油是由油动机滑阀控制的。
滑阀套筒和滑阀套杆由不锈钢制成。
滑阀杆和电磁铁拉杆相接。
盘车装置自动投入时,按下“启动”按钮,顶轴油泵启动,转子被托起,电磁供油阀开启向滑阀供油,电磁铁线圈带电,拉杆拉起,滑阀杆上移15 mm,润滑油经过滑阀错油口流至油动机活塞上,活塞推活塞杆向下顶曲拐,使其绕拉杆轴转动,通过拉杆轴上的辊子使主动齿轮向啮合的方向移动,盘车电机按照自动操作程序连续点动,使其主动齿轮与转子上的大齿轮啮合,待完全啮合后,手杆接触行程开关,电机电路完全接通,盘车启动。
同时电磁阀断电,油
动机滑阀下移,油动机活塞上压力油泄掉,油动机活塞下弹簧复位,使活塞拉动活塞杆复位。
2.2盘车的停运
在机组盘车过程中,如停止盘车,只须按“停止”按钮,电动机停转,由于汽轮发电机转子转动惯性很大,仍在低速转动,此时主动齿轮变为被动,使其受一个和啮合方向相反的作用力,此力以及弹簧套内的弹簧力使主动齿轮退出啮合,此时拉杆轴随之转动,拉杆轴上的辊子复位,活塞杆下的曲拐也同时复位。
与此同时,与拉杆轴相连的手杆由工作位置倒回非工作位置,手杆脱离行程开关的滚轮,使电路断开,电磁供油阀关闭切断润滑油供油,盘车自动退出。
当盘车结束机组启动冲车时,汽轮发电机转子转速一旦超过盘车转速,主动齿轮同样由主动变为被动,使其受到和啮合方向相反的作用力,此力与弹簧套内的弹簧力使主动齿轮退出啮合,此时拉杆轴随之转动,拉杆轴上的辊子复位,活塞杆下的曲拐也同时复位。
与此同时,与拉杆轴相连的手杆由工作位置倒回非工作位置,手杆脱离行程开关的滚轮,使电路断开,盘车电动机停转,电磁供油阀关闭切断润滑油供油,盘车装置自动退出。
3调试中的问题及解决办法
由于盘车装置控制屏配线问题,油动机电磁阀不能正常工作,为了缩短调试工期,通过仔细分析论证,经试运指挥部同意,决定首次冲车时采用手动盘车。
因为盘车装置的油动机电磁阀无法带电,引起油动机滑阀和油动机不工作,造成曲拐与拉杆轴上的辊子处于原始位置,所以汽轮发电机转子冲动时,汽轮发电机转子转速一旦超过盘车转速时,主动齿轮同样由主动变为被动,使其受到和啮合方向相反的作用力,此力与弹簧套内的弹簧力使主动齿轮退出啮合,此时拉杆轴也随之转动,与拉杆轴相连的手杆由工作位置倒回非工作位置,手杆脱离形成开关的滚轮,此时盘车装置可以自动退出。
但是当电磁阀带电问题解决后,在#1汽轮机第2次冲车时,盘车装置却无法顺利退出,被迫打闸停机。
检查发现油动机活塞杆未复位,油动机活塞没有上移,活塞上部压力油无法泄掉。
经分析研究得出结论,在转子冲动,主动齿轮退出啮合位置时,由于油动机活塞上部压力油无法泄掉,活塞杆仍然向下顶着曲拐,拉杆轴上的辊子无法复位,从而抵消了弹簧套内弹簧力,致使主动齿轮无法顺利退出啮合位置。
在停机后,对油动机活塞上压力油不能正常泄掉的原因又进行了查找和分析,并与#2机组盘车的安装情况比较发现:
厂家所提供的油动机滑阀进、排油管配管错误(正好相反),造成油动机活塞上压力油无法泄掉。
改管处理后,再次试验,按“停止”按钮,盘车停止,但是手杆未完全退到非工作位置。
经过检查发现油动机活塞杆略向上移动,活塞上部的压力油仅泄掉一小部分,也就是说油动机活塞在电磁阀断电后无法回到上止点,造成主动齿轮退出啮合位置时,由于油动机活塞上部压力油无法全部泄掉,活塞杆仍然向下顶着曲拐,使拉杆轴上的辊子无法全部复位,从而大部分抵消了弹簧套内弹簧力,致使主动齿轮无法顺利退出啮合位置,于是手杆无法自动完全退到非工作位置。
初步怀疑为油动机滑阀错油口位置不对,解体油动机滑阀检查后,未发现异常。
于是又怀疑电磁阀拉杆行程不对,经检查后未发现异常。
这说明不是油动机滑阀和电磁阀的问题。
此时决定解体检查油动机,解体后确实发现油动机活塞未回到上止点。
初步诊断为活塞卡涩,通过对活塞的检查,发现活塞上的“O”型密封圈与油缸壁卡涩,造成活塞卡涩。
经厂家同意除去了密封圈,但是做此处理后活塞依然卡涩,于是怀疑活塞杆与油缸内的铜套筒不同心,将活塞解体,发现确实存在此问题。
厂家重新加工活塞杆后,再次试验,盘车可以自动退出。
但是试验盘车的自动投入时,盘车无法自动投入。
经检查发现油动机活塞的最大行程不能使主动齿轮完全进入啮合位置,导致手杆无法压触行程开关,电机电路无法接通,盘车无法启动。
这属于厂家的设计问题,经仔细研究并经厂家同意,在连接活塞杆的螺母下加装了一个厚度为12mm的铜垫。
再次试验,盘车可以自动退出。
至此,盘车的自动投入与自动退出问题得以彻底解决。
4结束语
汽轮机盘车装置出现故障的根本原因为油动机活塞上部压力油无法泄掉,造成盘车装置无法自动退出。
而造成油动机活塞上部压力油无法泄掉的原因有:
厂家提供的油动机滑阀进、出油管路配管错误;油动机活塞杆与油缸内套铜筒不同心造成活塞卡涩。
另外,无法自动投入盘车,属于制造上的失误,但是经现场改进得以解决。