卧式加工中心生产线桁架机械手设计
- 格式:doc
- 大小:821.50 KB
- 文档页数:26
卧式加工中心换刀机械手设计摘要机械手是自动换刀装置中交换刀具的主要工具它担负着把刀库上的刀具送到主轴上再把主轴上已用过的刀具返回刀库上的任务设计思路是用机械手的动作来实现对加工中心的换刀机械手的转动有回转液压缸运来实现其动力则由驱动系统实现加工中心的自动换刀装置通常是由刀库和机械手组成它是加工中心的象征又是加工中心成败的关键环节因此各加工中心制造厂家都在下大力研制动作迅速可靠性高的自动换刀装置以求在激烈的竞争中取得好效益自动换刀装置是加工中心的核心内容各厂家都在保密极少公开有关资料尤其机械手部分更是如此这种机械手的拔刀插刀动作大都由油缸动作来完成根据结构要求可以采用油缸动活塞固定或活塞动油缸固定的结构形式整个机械手由机械臂伸缩机构机械爪开合机构回转机构及装卸刀具直线运动机构组成SummaryThe machine hand changes the knife automatically to exchanges the main tool that knife have in the device it carry to have the knife the knife on the sends to the principal axis last useses again the principal axis the top already over ofthe knife has to return the knife the mission on the Designing the way of thinking is to uses the action of the machine hand realizes centrally to process to change the knife the machine turns to move the turn-over liquid presses the urn carries realize its motive is then from drive the system realizesProcess the central changing the knife the device automatically usually constitute with the machine from the knife it is a key to process the central symbol again is process the center success or failure linkTherefore each process the center manufactory house to all obtain the performance in descend strongly research to manufacture action quickly dependable highly automatically change the knife device in order to in the vigorous competition change the knife automatically the device is to process the central core contents each factory house is all at keep secret minimum amount public relevant data particularly the cent of machine hand is also suchThis kind of machine pulls out the knife and put the knife acts mostly from oil an action to completeRequest according to the construction can adopt the oil urn move the piston fixsOr the piston moves oil a fixed construction formWhole machine hand from flexible organization in machine arm the machine claw opens to match the organization turning round the organization and packing to unload the knife have the straight line the sport the organization constitutes 引言本次设计的题目是加工中心的自动换刀装置中的核心部件---机械手的设计机械手是自动换刀装置中交换刀具的主要工具它担负着把刀库上的刀具送到主轴上再把主轴上已用过的刀具返回刀库上的任务设计此机械手的目的是为了使加工中心能够更快的的工作使加工中心能够得到更加充分的利用以实现其的价值所在再者由于使用了机械手减少由于人工换刀带来的生产效率低并且容易出事故的弊端本次设计的内容主要有回转液压缸装置和机械运动的驱动系统对于其中动作的实现则由电气控制来实现由于本人能力及学识有限在设计中存在有很多缺陷望老师们能多加指导加工中心的总体布局盘式刀库的卧式加工中心卧式加工中心的主轴是水平设置的卧式加工中心刀库容量一般较大有的刀库可存放几百把刀具卧式加工中心的结构较立式加工中心复杂占地面积大价格也较高卧式加工中心较适用于加工箱体之类的零件特别对箱体零件上的一些孔和孔系以及孔和型腔与基准面有严格要求的箱体容易得到保证适合于批量加工卧式加工中心的功能较立式加工中心多在立式加工中心上加工不了的工件在卧式加工中心上一般都能加工21 技术条件我们所设计的加工中心的主要的技术参数有⑴刀库容量 24把刀⑵刀柄型号 40号刀柄⑶刀具最大直径 120㎜⑷刀具重量 11㎏⑸换刀时间 5s⑹选刀方式任选22 总体布局我们设计的加工中心的总体布局如图11所示图11 卧式加工中心的总体布局23 卧式加工中心的机械结构⑴主轴组件对加工中心主轴组件的基本要求是具有足够的刚度精度传递足够的功率和转矩以及高速运转和适应自动换刀的条件主轴轴承多采用高精度高刚度高速滚动轴承卧式加工中心的主轴组件按进给功能分有镗轴进给滑枕进给及非进给主轴等类型大多数采用非进给型主轴⑵立柱立柱有侧面导轨型与正面导轨型侧面导轨型立柱便于机床的总体设计制造成本也较低并抑易于与非数控卧式镗铣床建立模块化系列关系但这类立柱在机床工作时受力状况较差且热变形的对称性差因而对机床加工精度影响较大正面导轨型立柱多采用门式结构有较好的热对称结构和受力条件多数加工中心采用这种立柱形式工作台卧式加工中心可采用自动分度工作台数控回转工作台换刀机械手的设计31 刀具的交换装置com 自动换刀装置加工中心区别于NC镗铣床的主要特点就在于它具有根据工艺要求自动更换所需刀具的功能即自动换刀ATC机能机械手是自动换刀装置中交换刀具的主要工具它担负着把刀库上的刀具送到主轴上再把主轴上已用过的刀具返回刀库上的任务加工中心的自动换刀形式可分为有机械手换刀方式和无机械手换刀方式两类无机械手换刀方式适用于采用40号以下刀柄的小型加工中心或换刀次数少的用量型刀具的重型机床这种换刀方式没有机械手因而结构简单另外刀库回转是在工步与工步之间即非切削时进行的因此虽然刀库设置在立柱顶面却免去了刀库回转时的震动对加工精度的影响无机械手换刀方式中刀库可以是圆盘型直线排列式也可以是格子箱式等无机械手换刀方式中特别需要注意的是刀库转位定位的准确度为保证转位准确就要尽力消除刀库驱动传动链的间隙为此可采用双导程蜗杆蜗轮副或采用可以相互错位的两片齿轮结构形式或采用插销定位反靠定位等方法来准确定位圆盘型刀库可设在立柱顶上立柱主轴箱的侧面也可设在横梁一端或设在主轴箱上由主轴箱和刀库配合运动完成自动换刀动作直线排列式刀库可设在工作台上方也可设在工作台的一端或两端由主轴箱或工作台配合运动完成自动换刀动作格子箱式刀库可设在双工作台的中间换刀时小直径刀具可轴向取刀大直径刀具可径向取刀加工中心的自动换刀装置通常是由刀库和机械手组成它是加工中心的象征又是加工中心成败的关键环节因此各加工中心制造厂家都在下大力研制动作迅速可靠性高的自动换刀装置以求在激烈的竞争中取得好效益自动换刀装置是加工中心的核心内容各厂家都在保密极少公开有关资料尤其机械手部分更是如此无机械手换刀方式中特别需要注意的是刀库转位定位的准确度为保证转位准确就要尽力消除刀库驱动传动链的间隙为此可采用双导程蜗杆蜗轮副或采用可以相互错位的两片齿轮结构形式或采用插销定位反靠定位等方法来准确定位采用机械手进行刀具交换的方式应用的最为广泛这是因为机械手换刀有很大的灵活性而且可以减少换刀时间图见零号图自动换刀机械手换刀动作如表31所示表31 机械手的换刀动作机械手的种类加工中心换刀机械手的种类繁多可以说每个厂家都推出自己的独特的换刀机械手在加工中心的自动换刀系统中是机械手具体执行刀具的自动更换对其要求是迅速可靠准确协调由于加工中心机床的刀库和主轴其相对位置距离不同相应的换刀机械手的运动过程也不尽相同它们由各种形式的机械手来完成常见的机械手有⑴单臂单爪回转式机械手机械手摆动的轴线与刀具主轴平行机械手的手臂可以回转不同的角度来进行自动换刀换刀具的所花费的时间长用于刀库换刀位置的刀座的轴线相平行的场合如图所示图31 单臂单爪回转式机械手⑵单臂双爪回转式机械手图32 单臂双爪回转式机械手这种机械手的手臂上有两个卡爪两个卡爪有所分工一个卡爪只执行从主轴上取下旧刀送回刀库的任务另一个卡爪则执行由刀库取出新刀送到主轴的任务其换刀时间较上述单爪回转式机械手要短如图32所示⑶双臂回转式机械手俗称扁担式这种机械手的两臂各有一个卡爪可同时抓取刀库及主轴上的刀具在回转180°之后有同时将刀具归回刀库及装入主轴是目前加工中心机床上最为常用的一种形式换刀时间要比前两种都短如图33-a 所示图33-a 双臂回转式机械手这种机械手在有的设计中还采用了可伸缩的臂如图33-b 所示图33-b 双臂回转式机械手⑷双机械手这种机械手相当与两个单臂单爪机械手相互配合起来进行自动换刀其中一个机械手执行拔旧刀归回刀库另一个机械手执行从刀库取新刀插入机床主轴上如图34所示图34 双机械手⑸双臂往复交叉式机械手图35 双臂往复交叉式机械手这种机械手两臂可往复运动并交叉成一定角度两个手臂分别称作装刀手和卸刀手卸刀手完成往主轴上取下旧刀归回刀库装刀机械手执行从刀库取出新刀装入主轴整个机械手可沿导轨或丝杠作直线移动或绕某个转轴回转以实现刀库与主轴之间的运送刀具工作如图35所示⑹双臂端面夹紧式机械手这种机械手只是在夹紧部位上和前几种不同上述几种机械手均靠夹紧刀柄的外圆表面来抓住刀具而此种机械手则是夹紧刀柄的两个端面如图36所示图36 双臂端面夹紧式机械手由于双臂回转式机械手的动作比较简单而且能够同时抓取和装卸机床主轴和刀库集中的刀具换刀时间较短我们本次设计所要求的换刀时间为5秒故我们选用双臂回转式机械手如果我们采用不能伸缩的机械手由于机械手回转时其手部回转半径较大如刀库中刀具排得较密可能碰撞刀具且用这种类型的机械手直接在刀库与主轴之间换刀只宜采用顺序换刀或刀具编码式任意选刀不然换刀时间将增加故我们采用可伸缩式的双臂回转机械手com 手爪的选择1.单臂双爪式机械手的手爪这种机械手的手爪大都采用机械锁刀方式有些大型加工中心亦有采用机械加液压锁刀方式以保证大而重的刀具在换刀中不被甩出较普通采用的机械锁刀方式手爪弹簧销式手爪如图A-A放大图它是目前加工中心上用较多的一种手臂的两端个有一个手爪刀具被弹簧2推着的活动销4类似于人的手指顶靠在固定爪5中锁紧销3被弹簧1顶起使活动销4被锁住不能后退这就是保证了机械手在换刀过程中手爪中的刀具不会被甩出当手臂处于抓刀位置时锁紧销2被设置在主轴伸出端或刀库上的撞块压下活动销4就可以活动使得机械手可以抓住或放开主轴或刀库刀套中的刀具此外钳形手的杠杆手用得也较普遍锁销2在弹簧作用下其大直径外圆顶着止退销3杠杆手爪6就不能摆动张开手爪中的刀具就不会被甩出当抓刀或还刀时锁销2被装在刀库或主轴端处的撞块压回止退销3和杠杆手爪6就能摆动张开刀具就能装入或取出钳型手和杠杆手均为直线运动抓手机械手的手爪在抓住刀具后还必须具有锁刀功能以防止在换刀过程中掉刀或刀具被甩出当机械手松刀时刀库的夹爪既起着刀套的作用又起着手爪的作用对于双臂回转式机械手的手爪大都采用机械锁刀方式有些大型加工中心亦有采用机械液压锁刀方式以保证大而重的刀具在换刀中不被甩出手爪的形式有⑴机械锁刀手爪弹簧销式手爪使用这种形式的抓持机构手爪不需要设置专门的传递装置因而结构简单使用广泛但在机械手有旋转运动时为避免刀具甩脱手爪就必须有自锁夹持机构其结构较复杂⑵钳形杠杆机械手这种机械手手爪的张合需要动力传递装置传动较复杂但手爪的结构可较简单使用也较普遍⑶虎钳形指在手爪中设有定位销使刀具在手爪中定位用这种形式的夹持机构时刀具需经特殊补充加工不能使用标准刀具所以使用者较少我们在这里采用第一种手爪com 刀具的夹持在刀具自动交换装置上机械手抓刀具的方法大体上可以分为下列两类⑴柄式夹持轴向夹持⑵发兰式夹持这种夹持方式在刀具夹头的前端有供机械手用的发兰盘采用发兰式夹持当应用中间搬运装置时可以很方便地从一个机械手将刀具夹头过渡到另一个辅助机械手上去刀具夹头采用带洼形的法兰盘夹持刀夹在这里我们采用第一种夹持方式刀柄型号为BT40图37所示为标准刀具夹头的锥柄柄部由图可见刀柄圆柱部分的V形槽是供机械手夹持之用带V形槽圆柱右端按所装刀具例如钻头铣刀铰刀及镗杆等不同根据标准可设计成不同形式图37 刀柄的型式表3-1为日本BT标准刀柄的尺寸表3-1 日本BT标准刀柄的尺寸柄部型号锥体螺纹孔凸缘D1 L r l1 l2 l3 d1 g d2 t b BT40 4445 654 1 9 30 70 17 M1619 225 161 BT45 5715 828 12 11 38 70 21 M2023 29 193 BT50 6985 1018 15 13 45 90 25 M24 27353 257柄部型号凸缘参考尺寸L1 W D2 D3 T Y Y1 V d D4 BT40 21 012 53 63 25 16 16 166 10 75679BT45 26 012 68 80 30 32 32 212 12 95215 BT50 31 020 85 100 35 32 32 232 15 119019 32 机械手的驱动装置这种机械手的拔刀插刀动作大都由油缸动作来完成根据结构要求可以采用油缸动活塞固定或活塞动油缸固定的结构形式整个机械手由机械臂伸缩机构机械爪开合机构回转机构及装卸刀具直线运动机构组成图见自动换刀机械手的驱动装置和驱动装置外形com 手臂的伸缩运动回转头的两端对称分布着两个机械臂可以同时伸出抓刀机械臂伸缩机构由回转液压缸1见驱动外形图输出轴47齿轮44以及齿条39和45组成见自动换刀机械手图当压力油通过支架28和贯穿花键轴30的通孔见换刀机械手驱动装置图进入回转液压缸1时推动输出轴47转动轴上的齿轮44便带动齿条39和44作直线运动使两只机械臂同时伸出通过齿条39及44上的挡块52压向调整螺钉53来限制终点位置同时由左视图中的微动开关30发出信号以进行下一个动作当回转液压缸改变油路时机械臂便缩回com 手爪的开合见自动换刀机械手图机械臂的头部带有固定手爪14与活动手爪18用来夹持刀柄之用活动手爪18可绕小轴15转动其一端由弹簧杆19作用支靠在小轴20上当弹簧顶杆3未碰到挡块13而自由伸出时挡杆22在弹簧作用下其一端的斜面与活动手爪18的端部斜面台阶相靠从而将活动手爪18锁死当挡块13左移将弹簧顶杆3压入时顶杆3的一端迫使杠杆21顺时针转动这样杠杆21的一端将挡杆22的斜面自活动手爪18的端部斜面滑开因此当活动手爪18伸向刀柄拔刀或插刀后收回时刀柄表面可使活动手爪18压缩弹簧而稍微张开这样机械爪即可将刀柄抱住或退出与此同时齿条44或39上的挡杆压于调整螺钉而限位同时微动行程开关动作发出下一动作的信号由于机械爪伸向刀柄拔刀或插刀后收回都是当机械手处于轴向向左移动后的位置上进行的为了使机械手的活动手爪18在这时能从自锁状态下松开在机床床身立柱上设有固定杆35在机械臂的一侧有挡块装置挡块13锥孔盘4在端面上周向均匀分布有4个锥孔和轴9固定相连轴9装于支架12内其右端又与一端盖10用螺纹固定当挡块13未与固定杆35相碰时锥孔盘4处于与钢球5相对位置弹簧销11顶着端盖10使锥孔盘4紧靠于支架12的端面上此时机械臂的弹簧顶杆3自由伸出活动手爪1处8于锁死状态当机械手轴向向右移动后固定杆35迫使挡块13转动由于此时锥孔盘4端面上的锥孔与钢球5错开这样锥孔盘4即连同挡块13轴9端盖11压缩弹簧销11向左移动挡块13即将机械臂上的弹簧顶杆3压入将活动手爪18自锁紧状态下松开当机械爪伸出抓住刀柄后机械手轴向向左伸出此时挡块13亦同时离开固定杆35借弹簧1的作用将挡块13拉回原来的锥孔盘4上锥孔与钢球5相对的原始位置由弹簧销11的作用使挡块13又向右移动至锥孔盘4与支架12端面压紧的位置这时机械臂上的弹簧顶杆3又自由伸出将活动手爪18锁死保证机械手将刀具拔出后机械手能将刀具可靠地夹紧com 回转运动见驱动装置图回转机械用来实现刀具的交换动作由图驱动外形装置图可见它由手臂14回转座51组成的手臂14与花键轴50固定连接花键轴与两个花键套筒49相连后者则由固定在机床立柱上回转座51上的两个滚动轴承支撑齿轮41通过花键轴套筒安装在花键轴的右端回转液压缸的结构见第三张图回转缸壳体79和上端盖86下端盖74定片93间均用螺钉联接并将它们作为一体通过上端盖与固定在立柱上转轴2支承在上下端盖上与动片90固定联接其伸出端通过花键轴部分与中间座的齿轮联接向手臂传递运动当液压缸通入高压油而使转轴转动时通过传动齿轮99带动齿轮41回转这样由花键轴50带动手臂14转动其转角两相对180°的极限位置可由螺钉67及53限定同时由螺钉65及68压下微动开关69及52发出到位信号以进行下一个动作com 直线运动回转头14的向左或向右拔刀或插刀的直线运动是由液压缸来实现液压缸座系固定于机床立柱上活塞杆端部有联接件与花键轴相连当活塞杆因液压缸进入高压油而向左或向右运动时通过联接件即可带动花键轴作直线运动从而带动回转头及机械手臂作向左或向右运动在液压缸两端设有缓冲装置可防止活塞与液压缸端面的撞击当活塞在左右两极限位置时都设有可调挡块由微动开关作用发出到位信号需要提醒的是既要保证不漏油又要保证机械手动作灵活过紧的密封往往影响机械手的正常动作这种液压缸活塞驱动的机械手每个动作结束之前均需设置缓冲机构以保证机械手的工作平稳可靠缓冲结构可以是小孔节流可以外接节流阀或是缓冲阀等为了使机械手工作平稳可靠除了要设有缓冲机构外还要考虑尽可能减小机械手的惯量圆柱体围绕旋转中心的运动惯量可由下式确定J J0WR298 com2式中 J0圆柱体绕其自身中心的惯量N·m·s2W圆柱体的重量NR旋转半径 m由上式可见惯量与物体重量成正比与旋转半径的平方成正比因此要尽可能采用密度小质量请的材料制造有关的零件要尽可能的减小机械手的回转半径由于液压驱动的机械手需要采用严格的密封因此还需要缓冲机构33 设计计算com 手指夹紧力的计算手指对工件的夹紧力可按下式计算N≥k1k2k3G kg·f式中k1安全系数通常取122我们取k1 18k2动载系数主要考虑惯性力的影响可按k2=1+ag估算a为机械手在搬运过程中的加速度单位为ms2a=98ms2g为重力加速度所以这里k2 1k3方位系数按《机械工程手册》第10卷表562-3选取k3 0911我们取k3 10G被夹持工件的重量单位kg这里G 11kg则我们设计的机械手手指的夹紧力为N≥18×1×10×11 kg·f 198 kg·fcom 齿轮的设计齿轮传动按照两齿轮轴在机构中相对位置的不同分为两轴相互平行两轴相交和两轴交错即不平行也不相交三类用与平行轴传动的有直齿斜齿圆柱齿轮直齿斜齿内齿轮直齿斜齿缘这些齿轮有称为平面齿轮用与相交轴传动的有两轴线垂直相交和两轴线相交但不垂直的直齿圆弧齿延伸外摆线齿锥齿轮用与交错轴传动的有螺旋齿轮蜗轮蜗杆和轴线偏置的锥齿轮双曲线齿轮这些齿轮又称空间齿轮齿轮齿形曲线主要采用渐开线其它还有摆线圆弧线等由于渐开线齿形容易制造便于安装所以大多数齿轮采用渐开线齿形齿形标准摘自JB-100-60JB304-62齿轮传动是机械传动中最重要的传动之一形式很多应用广泛传递的功率近十万千瓦圆周速度可达200ms齿轮传动按照两齿轮轴在机构中相对位置的不同一齿轮传动主要特点①效率高在常用的机械传动中以齿轮传动的效率为最高如一级圆柱齿轮的效率可达99这对大功率传动十分重要因为即使效率只提高1也有很大的经济效益②结构紧凑在相同的使用条件下齿轮传动所需的空间尺寸一般较小③工作可靠寿命长设计制造正确合理使用维护良好的齿轮工作十分可靠寿命可长达一二十年这也是其它机械传动所不能比拟的这对车辆及矿井内工作的机器尤为重要④传动比稳定传动比稳定往往是对传动性能的基本要求齿轮传动获得广泛应用也就是由于这一特点但是齿轮传动的制造及安装精度要求高价格较贵且不宜用于传动距离大的场合齿轮传动可做成开式半开式及闭式如在农业机械建筑机械以及简易的机械设备中有一些齿轮传动没有防尘罩或机壳齿轮完全暴露在外边这叫开式齿轮传动这种传动外界杂物极易侵入而且润滑不良因此工作条件不好轮齿也极易磨损故只宜用于低速传动当齿轮传动装有简易的防护罩有时还把大齿轮部分地浸入油池中则称为半开式齿轮传动它的工作条件虽有改善但仍不能做到防止外界杂物侵入润滑条件也不算最好而汽车机床航空发动机等所用的齿轮传动都是装在精确加工而且封闭严密的箱体机匣内这称为闭式齿轮传动齿轮箱它与开式或半开式相比润滑及防护等条件最好多用于重要的场合二设计原则所设计的齿轮传动在具体的工作情况下必须具有足够的相应的工作能力以保证在整个工作寿命期间不致失效目前设计一般使用的。
加工中心机械手结构及控制部分设计概述加工中心机械手是当前数控加工设备中非常重要的一种,它可以对工件进行多维度、多角度、高效、精确的加工。
本文将从机械手结构和控制部分两个方面进行设计概述。
一、机械手结构设计1. 机械手基座设计机械手基座承载整个机械手,并起到机械手安装、固定、调整和支撑的作用。
一般由铸铁或焊接结构制成,具有较高的刚性和稳定性,以确保机械手高速、高精度、高刚性的加工。
2. 机械手手臂设计机械手手臂是机械手的关键部分,它决定了机械手可操作的空间范围和精度。
手臂一般由多个铰链机构组成,以便手臂在各个方向可以做到规划的运动轨迹。
3. 机械手末端设计机械手末端是机械手与加工工件直接接触的部分,它的设计需要考虑机械手的安全和加工工件的形状、材质,以及加工的目的。
机械手末端一般配备工具夹持装置,以便能够安装各种形状和规格的工具。
二、控制部分设计机械手的控制部分是关键的电子设备,它的设计不仅需要考虑机械手的动作和执行,同时也需要考虑效率和安全性,控制器的设计一般包括如下几个方面:1. 控制算法设计控制算法是机械手控制部分最为重要的部分,它直接决定了机械手的精准性、稳定性和响应时间。
控制算法可以根据具体的加工要求进行调整,以达到最优的控制效果。
2. 系统硬件设计控制部分的硬件设计需要考虑控制器具有较强的计算和处理能力,同时具有高效、稳定、可靠、开放式的控制接口,方便其它功能模块的整合,并且具有适应各种机械手动作要求的伺服控制技术。
3. 控制软件设计控制软件是机械手控制部分的重要组成部分,其在整个控制体系中具有非常重要的作用,控制软件需要具有丰富的控制功能、复杂的控制逻辑、强大的数据处理和处理能力,并且方便用户进行界面操作和工艺参数设定与修改。
总之,机械手结构和控制部分的设计应该全面考虑机械手的工作环境、工作压力、工作速度、工作精度等一系列因素,并且需要充分考虑机械手的寿命和可靠性等问题,从而为机械手的高效、精确、安全地工作提供最坚实的保障。
桁架机械手结构和设计分析1. 引言1.1 桁架机械手结构和设计分析介绍桁架机械手是一种具有高度灵活性和精准性的工业机器人,其设计和结构分析对于提高生产效率和质量具有重要意义。
本文将对桁架机械手的结构和设计进行深入分析,并探讨其工作原理、结构组成、设计要点、性能优势和应用领域。
桁架机械手通过桁架结构实现多自由度运动,可以完成复杂的工业任务。
其结构由横梁、立柱、关节和执行器等组成,通过精密的控制系统实现精准定位和操作。
设计要点包括结构刚度、负载能力、运动速度和精度等方面,关乎机器人的稳定性和性能表现。
桁架机械手具有快速响应、高精度、重复性好、节能环保等优势,适用于各种制造业领域,如汽车制造、电子设备组装、航空航天等。
通过优化设计和控制算法,桁架机械手在现代工业生产中发挥着不可替代的作用。
在深入分析和研究桁架机械手的结构和设计特点的基础上,可以更好地理解其工作原理和性能优势,为其在工业生产中的应用提供更有效的支持和指导。
2. 正文2.1 桁架机械手的工作原理分析桁架机械手是一种常用于工业生产线上的自动化装配机器人,其工作原理可以分为三个主要部分:控制系统、传动系统和执行系统。
控制系统是桁架机械手的大脑,负责接收并处理来自外部的指令,以实现机械手的各项动作。
控制系统通常由PLC(可编程逻辑控制器)或者工控机组成,通过编程来实现机械手的自动化操作。
控制系统可以根据预先设定的程序来指导机械手进行各种动作,包括抓取、放置、旋转等。
传动系统是桁架机械手的动力来源,主要由伺服电机、减速器、传动链条等组成。
伺服电机可以提供足够的力和速度,减速器可以将电机提供的高速度降低到合适的速度,传动链条将力传递给机械手各部件,使其进行相应动作。
执行系统是桁架机械手的动作执行部分,包括各种执行器、传感器等。
执行系统根据控制系统发出的指令,利用传动系统提供的动力,实现机械手的各项动作。
传感器可以监测机械手的位置、速度、力度等参数,确保机械手的准确运行。
桁架机械手结构和设计分析1. 引言1.1 研究背景在现代工业生产中,提高生产效率、降低生产成本、提升产品质量已经成为企业发展的主要目标。
而桁架机械手具有结构简单、移动灵活、承载能力强等优点,可以满足不同生产环境和需要,因此被广泛应用于各个领域。
研究背景中的桁架机械手已经成为工业生产中不可或缺的一环,对于提高生产效率、降低生产成本、提升产品质量起到了重要的作用。
进一步深入研究桁架机械手的结构和设计分析将有助于推动工业智能化的发展,推动整个工业产业的进步和提升。
1.2 研究意义桁架机械手作为现代机器人技术领域的重要组成部分,具有广阔的研究意义。
桁架机械手的研究可以为工业自动化提供更高效、更精确的解决方案,提高生产效率和产品质量。
桁架机械手的研究可以推动智能制造和数字化生产的发展,促进工业4.0时代的到来。
桁架机械手的研究也可以为机器人在医疗、服务、军事等领域的应用提供技术支持,扩大机器人技术的应用范围。
桁架机械手的研究具有重要的理论和实用价值,对推动机器人技术的发展具有重要意义。
深入研究桁架机械手的结构和设计是具有深远意义的。
1.3 研究目的桁架机械手是一种用于工业生产和物流领域的重要装备之一,其结构和设计对于机械手的性能和稳定性具有至关重要的影响。
本文旨在通过对桁架机械手的组成结构、运动原理、设计分析、优缺点以及应用领域的研究,探讨桁架机械手在工业生产中的潜在应用和发展前景。
具体研究目的包括:1. 分析桁架机械手的组成结构,深入了解各组件的功能和作用,为后续设计和改进提供参考依据。
2. 探讨桁架机械手的运动原理,揭示其运动规律和动作控制方式,为优化控制系统提供理论支撑。
3. 对桁架机械手的设计进行详细分析,并对其结构进行改进和优化,提高其性能和稳定性。
4. 探讨桁架机械手的优缺点,比较其与其他类型机械手的差异,为用户选择合适的机械手提供参考依据。
5. 研究桁架机械手在不同应用领域的具体应用情况,深入了解其在工业生产中的实际应用价值和潜力。
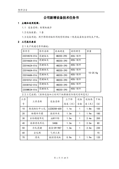
公司新增设备技术任务书1主题和适用范围:1.1设备名称:桁架机械手1.2设备数量: 1套1.3设备用途:用于将传动轴车间现有的016一线连成柔性自动化生产线。
2工艺技术要求2.1生产线通过零件描述:2.2工艺流程:(具体设备加工时间T机根据实际情况有所变化)2.3自动化连线装置主要要求:2.3.1本线为自动化连线,每班配置操作工一名,整体方案中要充分考虑人机工程2.3.2桁架机械手机械结构具有高强度、高抗震性等功能,运行平稳可靠。
2.3.3自动上下料系统与加工设备应能连线,保证动作时序协调,实现连续生产。
2.4生产线概述:2.4.1生产线布局区域:35m(长)×5.3m(宽)×5.2m(高)2.4.2设计生产节拍:240s;投标人在投标时提供详细的节拍计算表。
2.4.3实施内容:上料机构(考虑物流线),桁架机械手连线,中心孔深度测量装置,精车外圆测量装置,去毛刺方式的人机工程,下料机构;投标人在投标时提供详细的自动化连线方案及方案设计说明。
2.4.4供方在投标时需提供详细手爪的方案图。
2.5生产线的功能:2.5.1柔性功能:人工在对生产线以下内容作相应的调整便可加工尺寸合适范围内的产品;2.5.2调整上料机构相应部件以适应不同品种2.5.3调整铣打机刀具及夹具2.5.4调整数控车床刀具及夹具2.5.5调整组合机刀具及夹具2.5.6调整滚挤机刀具及夹具2.5.7调整冷轧机刀具及夹具2.5.8如有必要调整桁架机械手手指2.5.9调整生产线控制程序2.5.10自动化功能:采用桁架机械手实现自动周转,加工设备、辅助设施及桁架机械手由控制系统控制并实现自动化加工。
2.5.11集成控制功能:生产线设总控系统,对装备运行进行集中控制,总控系统可实现生产线自动及手动运行,可以控制生产线高效、可靠地自动运行,并对设备生产情况及区域内安全运行情况进行监控,同时可实现各机台程序传输、调用及后台编程。
1前言1.1 机械手发展历史与现状随着经济的不断发展,客户的需求日益多样化,人们对制造企业的生产模式提出了更高的要求,大批量的生产方式将逐渐被模块化、柔性化的生产方式所取代。
因此,企业对制造装备提出了更高的要求,柔性化的数控加工设备将成为装备制造业发展的主流。
因此,将卧式加工中心的机械手设计作为毕业设计题目,迎合了装备制造业发展趋势。
卧式加工中心的换刀机械手是自动换刀装置中交换刀具的主要工具,它用来把刀库上的刀具送到主轴上,同时把主轴上已用过的刀具返回刀库。
据不完全统计,全世界的工业机器人中大约有近一半的工业机器人用于各种形式的加工中心的自动换刀领域。
目前用得最广泛的是模仿人的手臂功能的多关节机器人,其手臂灵活性最大,可以使换刀卡爪的空间位置和姿势调至任意状态,满足换刀需求。
我国的机械手起步于20世纪70年代初期,经过30多年发展,大致经历了3个阶段:70年代萌芽期、80年代的开发期和90年代的应用化期。
在我国,机械手市场份额大部分被国外机械手企业占据着。
在国际强手面前,国内的机械手企业面临着相当大的竞争压力。
如今,我国正在从一个“制造大国”向“制造强国”迈进,中国制造业面临着与国际接轨、参与国际分工的巨大挑战,政府务必会加大对机器人的资金投入和政策支持,将会给机械手产业发展注入新的动力。
不仅如此,我国目前已基本掌握了机器人操作机的设计制造技术、控制系统硬件和软件设计技术、运动学和轨迹规划技术,生产了部分机器人关键元器件。
国际上,目前机器人界都在加大科研力度,进行机器人共性技术的研究。
例如,德国的CLOOS、REIS、KUKA 公司;瑞典的ABB公司;奥地利的IGM公司;意大利的CAMAU公司;日系有OTC、Panasonic、FANUC公司在机器人方面都做的比较好。
从机器人技术发展趋势看,自动换刀机器人和其它工业机器人一样,正在不断向智能化和多样化方向发展。
1.2设计目的及意义1.2.1 设计目的本次设计主要为卧式加工中心设计其用于换刀的机械手部分,目的是为了使加工中心能够更快的工作,使加工中心能够得到更加充分的利用,以实现其价值所在。
机床机械桁架机械手的设计与结构摘要:机械手臂是先进的生产设备, 实现生产的高度自动化, 可以自动的搬运或者抓取材料、货物。
将机械手臂和数控机床结合,就能够形成自动化的生产线,可以自动化的完成生产流程的各个环节,比如说装料、组装、生产和回收等,能够大幅度的提升生产的效率,减少人工劳动,降低人力成本。
如今科技在不断的发展,机械手臂也有了更多的应用范围。
下面我们就简单分析了自动化数控机床的机械手臂的应用情况,要想更好的对机械手臂应用就应该有科学的设计方案,要明确设计需要,选择合适的开发平台和语言。
同时还要设定好有关的结构与常用的指令。
还有就是对于机械手臂的数据通信结构的设计同样也是很关键的,还有做好上面的这些工作,才能制定出能够更高效的对机械手臂进行应用。
下面我们就对此展开了深入的分析与探讨,希望能够为有关人员提供一些参考。
关键词:机构分析;机械手;驱动系统引言如今在机械制造业对于机械手臂的应用是相当普遍的,特别对于自动化高速生产线来说,机械手臂更是有着极为关键的作用。
嗯。
机械手臂是很灵活的,这对于生产制造来说相当的重要,同时他的惯性也很小,所以机械手臂在生产线上可以将人工完全的取代。
1总体结构对于机床桁架机械手的设计以及分析两方面来进行,而如果是分析桁架的话,因为其结构和力学的结构梁比较类似,所以,我们为了方便可以看作是梁来进行分析,将桁架与简支梁进行比较,这样只需分析简支梁的弯矩图就能够实现对于桁架的分析,使机械手能够更有效的对桁架施加作用力。
机床桁架对于机械手的要求是非常高的,既要保证效率,有需要有足够的可靠性,在选择桁架立柱的时候主要考虑的就是能够能为其提供稳定的支撑,并且还要尽量减少机床的体积,通常立柱结构都是钢结构的。
2桁架结构2.1立柱组件立柱组件主要是用来对结构进行支撑的,使桁架能够始终保证比较稳定的工作,不会出现振动或者噪声,通常情况下单机自动化设备采用的都是双立柱结构提供支撑。
有些工件比较小或者是安装以及使用空间比较小的话,也有采用单立柱结构进行支撑的。
桁架机械手结构和设计分析根据组成结构的不同,可以将机械手分为关节机械手、桁架机械手等不同的类型。
在机床领域应用桁架机械手,可代替人工开展上、下料工作。
作为自动化设备的桁架机械手,具有高效、稳定、高精度、高强度、操作简单、性价比高的优势,在工业自动化发展过程中发挥着重要的作用。
1 桁架机械手的结构组成目前我国机械加工领域,很多均是采取人工或者是专用机械来开展机床上下料,但随着科技的进步,机械加工产品的更新换代速度不断加快,人工或者是专用机械在很多方面存在着不足,如生产效率较低、柔性不够、占地面积大、人工劳动强度大等,无法实现大批量生产,基于此,迫切需要对桁架机械手进行应用。
机床制造过程中有效运用桁架机械手,是实现自动化生产的主要策略,同时与集成加工技术有机结合起来,便可以开展上下料、工程转序、工件翻转等生产线上的相关工作。
桁架机械手的结构组成部分主要包括3个,即主体、控制系统以及驱动系统。
首先,主体。
桁架机械手的主体部分,多为龙门式结构,主要由基座、十字滑座、过渡连接板、z向滑枕、y向横梁、立柱以及导轨等组成。
交流伺服电动机借助蜗轮减速器来驱动齿轮与z向滑枕、y 向横梁上固定的齿条进行滑动,从而实现在z向上的直线运动,并驱动z向滑枕、十字滑座等质量较轻的移动部件沿着导轨进行快速运动。
滑枕多为铝合金拉制型材,横梁多为方钢型材,将齿条、导轨安装在横梁上,通过导轨与滚轮的接触,使得桁架机械手悬挂在横梁上。
其次,控制系统。
对于桁架机械手来说,其控制核心主要通过各种工业控制器来得以实现,如单片机、运动控制或者是PLC等。
借助控制器,对按钮、各种传感器等提供的输入信号进行分析处理,经过相应逻辑判断之后,对指示灯、电动驱动器或继电器等各种输出元件下达执行命令,使桁架机械手完成X轴、Y轴、Z轴的联合运动,从而实现一整套作业流程的全自动化。
控制系统的有效运算,是实现桁架机械手高效运行的重要前提。
最后,驱动系统。
桁架机械手的各部分,均设有执行机构,可以是手指,也可以是手臂,主要负责确定物料的抓取角度、装夹物料。
机床机械桁架机械手的设计与结构探索摘要:机械手作为近些年机械工业中普遍应用的设备,无论是大、小机床生产线都能够在加工中有效应用,同时在自动化生产线中起到了至关重要的作用。
基于此,本文针对机床桁架机械手的设计与结构进行深入性的分析与探究。
关键词:机床机械;桁架机械手;设计;结构机械手在其行业领域中的应用得到了显著的提高,机械手臂是一种高度自动化的生产设备,能够实现材料以及货物的搬运和抓取。
在生产设备中属于自动化设备,充分结合机械手与数控机床的自动化生产线能够对上料、生产等多项工作进行独立完成,缩减人力资源的投入。
1.数控机床设备机械桁架结构分析1.1立柱技术组件立柱技术部件的主要作用是在数控机床设备中支撑机械桁架部件的整体结构无论在任何情况下,机械桁架部件都具备良好、稳定的运行[1]。
在大部分应用单机自动化设备时,双立柱结构作为重点支撑结构。
针对小工件,由于安装、应用的空间存在限制,可通过单立柱结构支撑整体结构。
1.2横梁技术组件通常情况下,铝合金材料、钢可制成横梁技术部件,在具体制造时,机械零件具备大众型结构特点的生产资料主要是以钢材为主。
而钢结构技术材料在实际应用过程中所呈现的优势体现在经济成本较低,性能与刚能较强。
而质地轻、具有可塑性、利于运输、安装等则是铝合金横梁的技术优势。
1.3驱动技术组件驱动技术组建是通过带有传动结构的驱动技术、齿轮减速箱部件和电气设备组合而成,数控机床的内部机械桁架部件。
现阶段,大多数数控机床中,60.00~170.00m/min为机械桁架的运行速度,在运行引入一般的丝杠传动装置,难以满足桁架结构时的速度要求。
在生产设计过程中,数控机床的内部机械桁架部件大多倾向于使用小齿轮部件和带齿条的电机设备,在特定的实现过程中这种设计思想能达到0.06mm精度。
如果在运行中数控机床的传递环节精度比较低,也可以考虑伺服电机装置与同步带总成的传递方式。
这种传动方式的主要优点是经济成本较低,使用过程中维护保养比较方便,结构设计比较简单,这种传输方式适用于中小型企业。
桁架机械手结构和设计分析【摘要】本文主要介绍了桁架机械手的结构和设计分析。
首先阐述了桁架机械手的工作原理,包括桁架结构的支撑作用和运动机理。
其次分析了桁架机械手的结构组成,包括桁架杆件、关节和执行器等部件。
随后探讨了桁架机械手的设计要点,包括刚度优化、运动精度和负载能力等方面。
接着介绍了桁架机械手的性能优势,如高强度、轻量化和高速度等特点。
最后探讨了桁架机械手在工业、医疗和航空航天等领域的应用情况。
结论部分分析了桁架机械手的发展趋势,包括智能化、自适应和灵活性等方向。
未来发展方向包括结构优化、多功能化和自主控制等方面。
桁架机械手具有广阔的发展空间和应用前景,将在未来得到更加广泛的应用。
【关键词】关键词:桁架机械手、结构分析、工作原理、设计要点、性能优势、应用领域、发展趋势、未来发展方向1. 引言1.1 桁架机械手结构和设计分析桁架机械手是一种具有高度灵活性和精准性能的机械装置,能够在工业生产中扮演关键的角色。
本文将对桁架机械手的结构和设计进行深入分析,以揭示其工作原理、优势性能以及未来发展方向。
桁架机械手的工作原理主要基于其结构特点,即由多个连杆和关节组成的桁架结构。
通过控制各个关节的运动,桁架机械手可以实现各种复杂的动作,如抓取、搬运、装配等。
其结构组成包括主体结构、驱动系统、传感器系统和控制系统等部分,每个部分协同工作,实现机械手的高效运转。
在设计要点方面,桁架机械手的轻量化、刚性化和精准化是关键考虑因素。
结构设计需要考虑载荷分布、材料选择和强度分析等技术要求,以确保机械手在各种工作环境下具备稳定性和可靠性。
性能优势方面,桁架机械手具有操作自由度高、精度高、速度快、寿命长等优点,适用于各种自动化生产场景。
桁架机械手的应用领域涵盖了汽车制造、电子设备装配、航空航天等多个领域,为生产效率的提升和生产安全的保障作出了重要贡献。
未来随着技术的不断进步,桁架机械手将更加智能化、柔性化,为人类创造更多可能性。
桁架机械手在加工自动生产线上的应用发布时间:2023-03-06T01:12:55.409Z 来源:《中国科技信息》2022年第10月19期作者:张函玉[导读] 近些年,随着我国机床公司的迅速发展,相关技术实力明显提升,和国外的差别也越来越大张函玉连云港杰瑞自动化有限公司江苏省连云港市 222006摘要:近些年,随着我国机床公司的迅速发展,相关技术实力明显提升,和国外的差别也越来越大。
自桁架机械手引进车床数控系统后,进一步增强了自动化生产线的生产率,快速提升了公司的运行效率。
所以,本文简略了解桁架机械手在自动生产线里的应用情况。
关键词:桁架机械手;自动化生产线;应用桁架机械手和机床是迅速磨削生产线设备的关键设备,能促进自动分类、装卸搬运、装卡、工件移位旋转、产品工件转序磨削等进到现场。
它不但能够降低劳动效率,并且能够降低人力成本,特别喜欢大批量、小组件的磨削。
1 机械手和手臂1.1 桁架机械手的特点桁架机械手是自动生产线磨制单元中最常见的运输设备之一。
梳理桁架机械手的结构和主要用途,将其归类为工业机械手。
与工业机械手相比,桁架机械手给人的原始印象并没有那么华丽,信息化也略逊一筹。
事实上,在机械手面前再加上工业二字,表明两者没有明显差别。
多骨关节桁架机械手和三个坐标桁架机械手实质上都是属于桁架机械手。
在机械设备电子产品行业,桁架机械手和工业机械手是数控车床常见的附属设备,主要运用于运输运送。
所以,针对硬件配置特点,两者的作用没区别,都是属于主机智能化处理构件。
工件和数控刀片会让数控车床冲击特点形成一定的影响。
桁架机械手的功能是运送,参与零件生产制造阶段。
柔性模块应用哪种桁架机械手应该考虑多种要素、成型机床的磨削方法、生产部件的尺寸、外观、比例精度、储存、运输空间等。
就冲床机械设备而言,它具有结构紧凑、运输快、可靠、准确等优点,多用于直线运输。
同时,由于阻隔薄膜运输的优点,多用作长距离变步距渣土外运,搭配方便。
桁架机械手结构和设计分析桁架机械手是一种具有高度灵活性和精准定位能力的自动化装配设备,广泛应用于现代制造业中。
它的结构和设计对于机械手的性能和稳定性有着至关重要的影响。
本文将对桁架机械手的结构和设计进行分析,探讨其关键技术和发展方向。
桁架机械手的结构通常由桁架、运动部件、执行器和控制系统等几个主要部分组成。
桁架是机械手的主要支撑结构,对于机械手的稳定性和承载能力起着关键作用。
1. 桁架结构桁架通常采用铝合金、碳纤维等高强度材料制成,具有轻量化、刚性高、稳定性好等特点。
桁架的主要作用是承载运动部件和执行器,同时在机械手运动过程中保持结构的稳定性。
现代桁架机械手的桁架结构往往采用模块化设计,可以根据实际需求进行自由组装和改造,从而满足不同场景下的生产需求。
2. 运动部件桁架机械手的运动部件通常包括关节、轴承、滑块等,用于实现机械手的多轴自由度运动。
这些运动部件需要具有高精度、低摩擦、耐磨损等特点,以确保机械手的定位精度和运动稳定性。
运动部件的设计也需要考虑其负载能力和寿命等因素,以满足机械手在不同工作环境下的需求。
3. 执行器执行器是桁架机械手的动力来源,通常包括电机、气缸、液压缸等。
执行器的选择与设计需要考虑其输出功率、速度、精度等参数,以适应不同工作场景下的需要。
执行器与运动部件之间的匹配也需要进行合理设计,以实现机械手的高效运动。
4. 控制系统控制系统是桁架机械手的大脑,负责对机械手的运动、定位、力反馈等进行实时控制。
现代桁架机械手的控制系统通常采用PLC、CNC等集成控制技术,可以实现多轴同步运动、智能路径规划、力矩控制等功能。
控制系统还需要与传感器、视觉系统等配合,实现对工件和生产环境的实时感知和调节。
二、桁架机械手的设计分析桁架机械手的设计需要全面考虑其性能、稳定性、可靠性等方面的要求,从而实现高效的自动化装配和操作。
1. 性能设计桁架机械手的性能设计包括运动性能、负载能力、定位精度等方面的考虑。
58 2013年08月日用电器技术创新·Technology and Innovation概述在全自动化数控加工过程中,零件的装卸传送环节一般利用机器人完成操作,但在各种场合中都采用机器人不一定广泛合适。
针对具体的生产工艺,结合机床的实际结构,利用桁架式机械手的控制方案,可以实现更简便更一体的零件装卸传送操作。
1 主控制器简介使用通用可编程控制器GPC1000A作为生产线的主控制器,其主要具有以下特点:◆同时支持逻辑控制和运动控制;◆通过GSK-Link连接伺服驱动、IO单元,总共最大可达25站点;◆通过GSK-Link-PA连接GSK数控系统,总共最大可达25站点;◆多通道运动控制,最多可控制16轴。
GPC1000A具备逻辑控制和运动控制功能,通过一种自动化生产线中桁架式机械手的控制方案梁桂明 唐建锐(广州数控设备有限公司 广州 510000)摘要:通过GPC1000A 可编程控制器实现对桁架式机械手在自动生产线中的控制应用。
结合自动生产线现场布局,描述机械手控制部分的设计和调试过程,实现生产过程的自动控制。
关键词:GPC1000A 通用可编程控制器;逻辑控制;运动控制;GSK-Link;GSK-Link-PA;柔性生产线Abstract:Through programmable controller GPC1000A, it can realize the control application of gantry robot in the flexible production line. Combined with the field layout of flexible production line, it describes the design and debugging process of robot manipulator control, and realizes the automotive control of production process.Key words:programmable controller GPC1000A;logic control;motion control;GSK-Link; GSK-Link-PA;flex-ible production lineGSK-Link控制总线扩展I/O单元和伺服单元,实现生产线中数控机床、输送带、自动检测设备及其它电气设备间的逻辑时序控制,及机械手、送料、自动测量系统的运动轴控制; GPC1000A通过GSK-Link-PA接入车间设备总线网络,与数控机床进行实时数据交换;提供支持TCP/IP以太网接口,支持文件传输及ModbusTCP协议,与上位机连接进行用户程序更新或系统程序升级,连接PC或HMI进行生产过程的监控,如图1。
桁架机械手的结构组成和动作原理近几年来,机床行业发展很快,技术水平有了很大的提高,与国外的差距变得越来越小,尤其是加工中心机床开始引用桁架机械手后发展速度特别快。
采用桁架机械手输送的柔性加工自动线,可以大大提高数控企业的生产效率,推动由桁架式机械手输送的柔性加工自动线向国际水准迈进。
数控机床桁架机械手结构组成桁架机械手主要实现机床制造过程的完全自动化,并采用了集成加工技术,适用于生产线的上下料、工件翻转、工件转序等。
桁架机械手由主体、驱动系统和控制系统三个基本部分组成。
按机器人结构分类为直角坐标型,机械手沿二维直角坐标系移动。
主体部分通常采用龙门式结构,由Y向横梁与导轨、Z向滑枕、十字滑座、立柱、过渡连接板和基座等部分组成,Z向的直线运动皆为交流伺服电动机通过蜗轮减速器驱动齿轮与Y向横梁、Z向滑枕上固定的齿条作滚动,驱动移动部件沿导轨快速运动。
移动部件为质量较轻的十字滑座和z向滑枕,滑枕采用由铝合金拉制的型材。
横梁采用方钢型材,在横梁上安装有导轨和齿条,通过滚轮与导轨接触,整个机械手都悬挂在其上。
桁架机械手的控制核心通过工业控制器(如:PLC,运动控制,单片机等)实现。
通过控制器对各种输入(各种传感器,按钮等)信号的分析处理,做出一定的逻辑判断后,对各个输出元件(继电器,电机驱动器,指示灯等)下达执行命令,完成X,Y,Z三轴之间的联合运动,以此实现一整套的全自动作业流程。
数控车床桁架机械手动作原理由于桁架机械手输送的速度快、加速度大、加减速时间短,当输送较重的工件时,由于惯量大,伺服驱动电机要有足够的驱动和制动的能力,支撑元件也要有足够的刚度及强度。
只有这样,才能使伺服电动机满足桁架机械手输送的高响应、高刚度及高精度要求。
在选择合适伺服电动机的情况下,根据物料运动的距离和运行节拍,计算出伺服系统的位移和轨迹,对驱动器PID参数进行动态调整。
桁架机械手根据接收到的位移、速度指令,经变化、放大并调整处理后,传递给运动单元,通过光纤传感器对运行状态进行实时检测,在高速搬运过程中,运动部件在极短的时间内到达给定的速度,并能在高速行程中瞬间准停,通过高分辨率绝对式编码器的插补运算,控制机械误差和测量误差对运动精度的影响。
结构设计的新颖桁架机械手【1】结构设计的新颖桁架机械手【引言】结构设计是工程领域中至关重要的一环。
在机械手的设计中,桁架结构是一种常用的设计方案。
然而,传统的桁架机械手在某些应用场景下可能面临一些限制,例如复杂环境中的灵活性和精确性要求。
为了克服这些问题,工程师们开发出了新颖的桁架机械手结构。
本文将深入探讨这种新颖结构的设计原理、应用领域以及对未来机械手技术发展的影响。
【2】设计原理2.1 结构组成新颖桁架机械手的设计原理基于传统桁架结构,但引入了一些创新的思想。
它由多个关节和连接器组成,每个关节都能够以自由度的方式进行运动。
关节之间通过连接器连接,形成一个具有高度灵活性和可伸缩性的桁架结构。
这种设计使得机械手能够在复杂环境中具备更大的机动性。
2.2 运动控制新颖桁架机械手的运动控制基于先进的智能控制系统。
通过传感器和算法的支持,机械手能够实时感知外部环境并作出快速、准确的响应。
这种高级的运动控制系统使得机械手能够完成更加复杂的任务,例如特定形状的物体抓取和装配。
【3】应用领域3.1 工业制造新颖桁架机械手在工业制造领域具有广泛的应用前景。
其高度灵活的设计使得它能够适应不同产品的制造需要。
在汽车制造过程中,新颖桁架机械手可以完成复杂的装配任务,提高生产效率和产品质量。
3.2 医疗领域桁架机械手在医疗领域的应用也备受关注。
新颖桁架机械手的高度灵活性和精确性使得它成为进行微创手术和精细操作的理想工具。
在神经外科手术中,机械手能够帮助医生实现更准确的操作,减少手术风险。
【4】对未来机械手技术的影响新颖桁架机械手的出现对未来机械手技术发展具有深远的影响。
它提供了一种全新的机械手结构设计思路,激发了人们对机械手技术的创新研究。
新颖桁架机械手的高度灵活性和智能化控制也为机械手应用的拓展提供了更多可能性。
相信随着技术的进一步发展,新颖桁架机械手将在更多领域展现出其强大的潜力。
【总结】结构设计的新颖桁架机械手在工程领域引起了广泛的关注。
AUTOMOBILE DESIGN | 汽车设计时代汽车 机床机械桁架机械手的设计与结构分析李翔宁夏机械研究院股份有限公司 宁夏银川市 750000摘 要: 机械手臂在目前的机械制造行业可以说是相当有名的一种设备,在自动化高速生产线上,机械手臂已经是一种不可或缺的设备。
它的灵活性是生产制造中非常可贵的一种性能,再加上惯性比较小,这样就保证机械手臂可以完全取代人工,被应用在生产线上。
不论是大型生产线还是小的机床都可以使用机械手臂,它的使用使整个生产设备的效率和质量得到了提高。
机械手臂主要附在机床的桁架结构上,然后通过分析机械手臂在生产工作中的作用,布置方案和动力部件成,最终完成机床上的桁架机械手设计方案,并且在整个机械制造行业中。
机械手臂的应用,大大提升了生产线的自动化程度,代替了人工,也保证了 生产过程中的安全性和稳定性。
关键词:机构分析 机械手 驱动系统1 引言最近几点来,我国劳动力的价值在不断的升高,这样就促进了自动化生产的发展。
机床市场以及一些中小型加工工厂对自动化设备的需求更是日益增长。
一些单一品种产品或是数量多结构简单的成批产品,对自动化设备的依赖程度更是在不断提高。
在这些生产中如果使用自动化设备,将会大大降低成本,提高生产效率。
2 桁架结构机床上使用的桁架机械手对其可靠性,效率等要求较高。
桁架机械手主要由立柱部件,横梁部件,驱动部件,直线运动部件,润滑部件,控制部件等部分组成。
2.1 立柱组件立柱组件主要是对整个结构起到一个支撑的作用,确保整个桁架不论在什么工况下都可以稳定工作,并且不发生振动和噪声,一般的单机自动化设备都是使用双立柱结构作为支撑。
像一些小一点的工件或者安装和使用空间受到限制的地方,也可以使用单立柱结构作为支撑。
一般多机连线都是使用2n-1个立柱结构的方式用来固定。
立柱结构主要使用钢结构,也存在一些特别的结构使用铝合金作为其制作材料。
2.2 横梁组件横梁作为整个工件传输的通道,一般也使用钢或铝合金材料制作。
摘要机械手是工业制造上不可缺少的一部分,作灵活、运动惯性小、通用性强、能抓取靠近机座的工件,并能绕过机体和工作机械之间的障碍物进行工作,这些优点就是机械手能够快速良好发展的根本,机械手能够代替人力,更能够准确的去完成工作。
在现代工业中,生产过程的机械化,自动化已成为突出的主题。
化工等连续性生产过程的自动化已基本得到解决。
专用机床是大批量生产自动化的有效的办法;控制机床、数控机床、加工中心等自动化机械是有效地解决多品种小批量生产自动化的重要办法。
但除切削加工本身外,还有大量的装卸、搬运、装配等作业,有待于进一步实现机械化,工业机械手就是为实现这些工序的自动化而生产的。
机械手是能够模仿人体上肢的部分功能,可以对其进行自动控制使其按照预定要求输送制品或操持工具进行生产操作的自动化生产设备。
通过对卧式加工中心生产线的加工布局的分析,确定了桁架机械手输送的方案,即桁架机械手输送缸体的输送程序,输送方法和桁架机械手的结构;实现了桁架机械手在专机输送上的应用,达到了快速,柔性输送缸体的目的,提高了机床的性能、可靠性、和自动化程度;从根本上解决卧式加工中心生产线的生产节拍长的难题。
关键词:卧式加工中心生产线;桁架机械手;伺服驱动;生产节拍ABSTRACTManipulator is an integral part of industrial manufacturing, flexible, small motion inertia, high universality, can grab workpiece near the base, and can work around an obstruction between the body and working machinery, these advantages is fundamental for the development of a manipulator can quickly good, robots can replace human, can more accurate to get the job done. In the modern industry, the production process of mechanization, automation has become a prominent theme. Chemical industry such as the continuity of the production process automation has been basically solved. Special machine tool is a effective way to mass production automation; Control machine tools, CNC machine tools, machining center and automation machinery is effective important way to solve the many varieties of small batch production automation. But in addition to cutting process itself outside, still have a lot of loading and unloading, handling, assembly, etc., subject to further realize the mechanization, industrial robots is to realize the automation of these processes and production. Manipulator is part can imitate human body upper limb function, and can automatically control the products or running tools according to the predetermined requirement for the operation of automated production equipment.Through the analysis on machining layout of Horizontal machining center production line,set the plan to use gantry robot for material transfer,i.e. transfer sequence,transfer method and structure of gantry robot so as to realize the use of gantry robot in material transfer of special purpose machine,achieve the aim of quick and flexible cylinder block transfer,improve the performance,reliability and automation level of the machine,as well as completely solve the problem of long cycle time of Horizontal machining center production line.Key words:Horizontal machining center production line;gantry robot;servo drive;cycle time目录摘要 (1)ABSTRACT (2)目录 (3)第1章绪论 (4)1.1毕业设计的目的 (5)1.2毕业设计的基本要求 (6)1.2.1毕业设计的知识储备要求 (6)1.2.2毕业设计的软件技能要求 (6)1.2.3毕业设计的课题要求 (6)1.3对毕业设计课题的认识 (6)1.3.1对创新设计的认识 (6)1.3.2机械手的分类 (7)1.3.3对机械手发展的认识 (10)1.3.4对上下料机械手的认识 (10)第2章问题的提出 (12)2.1问题的提出 (12)2.2问题的解决 (12)第3章产品设计 (13)3.1设计任务 (13)3.1.1 设计要求 (13)3.1.2 产品设计参数 (13)3.2设计过程 (13)3.2.1桁架机械手的整体布局 (13)3.2.2桁架机械手的工作过程设计 (15)3.2.3桁架机械手的设计 (15)3.2.4 Y轴驱动及导向设计 (20)3.2.5心杆驱动系统设计 (21)3.2.6优势和局限性 (22)第4章双工位桁架机械手 (23)4.1双工位桁架机械手的思考 (23)总结 (24)参考文献 (25)致谢 (26)第1章绪论1.1毕业设计的目的大学生活就要结束在即,毕业设计就是完整的大学生活的句号。
毕业设计可以检验我们大学生活的学习情况,可以让我们回顾学过的知识,还可以解决实际中的问题。
当然从中找到自己在学习中的不足,以便查缺补漏,使我们能在激烈的社会竞争中占一席之地。
毕业设计是大学生毕业前必须完成的实践性教学环节,是实现大学本科学生培养目标和要求的重要手段,是培养学生综合运用所学专业的基础理论、专业知识和基本技能、分析、解决理论和实际问题的能力和科研能力的重要方法,也是学生理论联系实际、走向工作岗位前的一次综合训练和考核。
在21世纪的今天,全国高校全面推行的素质教育以提高大学生综合素质为根本宗旨,以培养学生创新精神和实践能力为根本任务,毕业设计是大学教学改革和全面推行素质教育不可缺少的重要内容,是大学生发挥潜能、培养自身创新思维的必要课堂。
因此必须站到新的高度。
用新的观点去看待、重视和研究它、采取合理有效的措施实现毕业设计目标。
毕业设计还能极大地提高我们的工作能力,在指导老师的悉心指点下,在和同学的学术交流中,在自身的锻炼学习中,工作能力、与人合作的能力和自我学习能力都会得到锻炼与提高。
毕业设计最终是一种考核方式,在未来的工作岗位上,各种各样的考核会让我们百炼成钢,而毕业设计就是这样的一次考核。
它对我们的知识面、掌握知识的深度、运用理论结合实际去处理问题的能力、实验能力、外语能力、计算机能力、绘图能力书面及口头表达能力进行一次最综合的考验。
我们能在这次考核中体味职场的压力和魅力,也能发现自己的不足,尽快的去解决或在以后的工作和学习上扬长避短。
这半年是作为学生的最后半年,回顾四年生活,知识日积月累,经验随着知识水涨船高。
但都是在跟随老师学习已有的知识,现在看着自己设计出来的作品,唏嘘不已。
在这个过程中特别感谢指导老师的谆谆教导,对作品进行修改、改进。
才有了如今的成果。
所以,毕业设计是我们对大学生活说的一句再见,是大学生活对于我们的一次总结。
让我们自信满满地面对社会、打拼明天。
1.2毕业设计的基本要求1.2.1毕业设计的知识储备要求熟练掌握《机械设计》、《机械原理》、《理论力学》、《机械制图》、《液压与气压传动》等相关机械基础课程。
搜集有关机械手的结构设计,了解机床加工中心组成、设计标准,运动参数等的资料。
了解桁架机械手并参观实体,对其结构要明白其中原理,搜索各种不同形态的机械手的尺寸参数、功能特性等有关资料。
1.2.2毕业设计的软件技能要求熟练掌握AutoCAD绘图软件,并能利用其完成对二维平面图图纸的设计和绘制。
熟练掌握Word文档、Powerpoint等办公软件的使用。
1.2.3毕业设计的课题要求1.根据整体布局,完成桁架机械手的机构设计,并作出二维图纸。
2.阐述桁架机械手的工作过程。
3.撰写桁架机械手结构设计过程,计算运动参数。
1.3 对毕业设计课题的认识1.3.1对创新设计的认识创新设计是在设计中采用新的技术手段、技术原理和非常规的方法进行设计,以满足市场需求,提高产品的竞争能力。
高新技术产品的生产大都具有小批量、多品种、多规格、生产工艺复杂、工作条件或环境特殊等特点,因而对一些高新技术机械产品的设计往往不能沿用传统产品设计的老一套方法,需要有针对性地进行创新性设计。
创新性设计强调技术要素、才能要素、方法要素。
创新设计体现了人们依据社会需要,运用科学技术原理,创造性地构思产品的完整思维过程。
任何一种设计都离不开创新,工业设计领域中,无论是对传统产品的改进性设计,还是对新产品的开发性设计都需要创新.我们此次设计的主题,桁架机械手的设计也包涵着诸多的创新成分。