电线电缆行业检测设备.
- 格式:doc
- 大小:1.07 MB
- 文档页数:11
耐压仪 4 大组成部分耐压仪是一种广泛应用于电气行业的测试工具,主要用于检测电气设备、电线和电缆的绝缘强度,以确保其安全运行。
一个完整的耐压仪通常由四个主要组成部分组成,分别为高压发生器、控制器、测试夹具及电缆。
高压发生器高压发生器是耐压仪的核心部件,主要用于产生高电压的测试电源,以模拟真实的工作环境。
高压发生器通常包括变压器、整流器、配电系统和保护系统,可以根据测试需要输出不同电压等级的电源。
高压发生器通常还具有强制漏电保护、过流保护和过压保护等安全保护功能,确保测试的安全性和可靠性。
除此之外,高压发生器还常常配备LCD显示屏、触摸屏和多种输出接口,以方便测试人员进行操作和数据处理。
控制器控制器是连接高压发生器和测试夹具的关键部件,主要用于控制测试电流、电压和时间等参数,并对测试过程进行监控和记录。
控制器通常具有多种测试模式和自动化控制功能,以适应不同实际应用场合的需求。
控制器还常常配备多种安全保护措施,以确保测试人员和设备的安全,例如人体触电保护、自动断开保险丝等等。
现代耐压仪的控制器还常常具有网络接口和蓝牙功能,以方便测试数据的传输和管理。
测试夹具测试夹具是耐压仪与被测试设备之间的中介部分,主要用于将高压电源传递到被测试设备上,以进行测试。
测试夹具通常包括钳型夹、插头夹、卡式夹等多种形式,以适应不同型号和规格的被测试设备。
测试夹具通常要求具有高绝缘、低泄漏和高强度等特性,以确保测试的准确性和安全性。
一些高级测试夹具还具有防电磁干扰、温度传感和高精度检测等额外功能。
电缆电缆是将高压发生器、控制器和测试夹具相互连接的电线组成部分,直接影响耐压仪的测试性能和可靠性。
电缆选材、制造和使用的质量直接决定了信号传输的质量和稳定性,因此需要特别注意。
耐压仪的电缆通常要求具有高绝缘、低泄漏和高耐久等特性,以确保测试的准确性和安全性。
现代电缆还常常具有防抗干扰、防屈曲和防老化等特殊功能。
总结耐压仪是电气行业不可缺少的测试工具之一,它的功能和性能主要取决于高压发生器、控制器、测试夹具和电缆这四个组成部分。
电线电缆绝缘电阻检测方案电线电缆的绝缘电阻检测是电力行业和电子行业中非常重要的一项工作,它可以用于判断电线电缆的绝缘性能是否良好,并且可以提前预测潜在的故障风险。
本文将介绍一种常用的电线电缆绝缘电阻检测方案。
1.仪器设备进行电线电缆绝缘电阻检测需要准备一台绝缘电阻测试仪,其主要功能是测量电线电缆的绝缘电阻。
绝缘电阻测试仪可以通过施加一定的直流电压到电线电缆上,然后测量电流的大小,从而计算得出绝缘电阻的数值。
2.测试方法(1)准备工作:在进行绝缘电阻测试之前,首先需要对测试仪进行校准,并确认测试仪的工作正常。
然后,将测试仪的一对测试引线连接到待测电线电缆的两端。
(2)测试步骤:将测试仪的电压选择开关调节至适当的位置,一般选取适当的电压,使得测试得到的电流在100mA至1A之间。
然后,按下测试仪上的测试按钮,待测试仪稳定后,记录下此时的电压和电流数值。
(3)计算绝缘电阻:绝缘电阻的计算可以使用欧姆定律,即R=U/I,其中R为绝缘电阻,U为施加的电压,I为测得的电流。
根据实际测量情况,进行相应的单位转换,最终得到电线电缆的绝缘电阻数值。
3.注意事项(1)测试前的准备工作很重要,确保仪器设备的正常工作状态和精准度,以及电线电缆的连接可靠性。
(2)测试时需要合理选择施加的电压,一般情况下,电压不宜太高,以免对电线电缆产生过大的影响。
(3)测试时应保持环境的稳定性,避免有风、水汽等影响测量准确性的因素。
(4)测试结果需要与标准数值进行比较,得出是否正常的结论。
4.应用范围总结:电线电缆绝缘电阻检测是一项重要的测试工作,可以及早发现潜在的故障风险,保障电线电缆的正常运行。
根据测试仪器设备、测试方法和注意事项等方面的要求,可以进行高效、准确的测试,并得出合理的结论。
技术规格书1。
直流数字电阻测试仪实验标准:GB3048。
2、GB3048.4、GB 5013、GB5023、IEC 60245—2、IEC 60227、IEC 60468等要求;适用范围:可用测量单根金属裸电线、多股绞合电线、电缆导体电阻;主要参数:1.量程范围:20 mΩ~2000Ω;2.最小分辨率:≤1μΩ;3.基本误差:≤±(0.05%读值+2字);4.测量值显示:数显;功能全自动分析:测量电线电缆、接触器、电阻器等直流电阻;测量半导电屏蔽电阻率;测量电线电缆长度;测量电线电缆的高压击穿点位置;测量变压器的直流电阻和相不平衡率、线不平衡率;宽范围测量电阻,测量档位可自动判定转换;测量环境温度和电线电阻温度系数自动换算;对于常用的电线、电缆检测只需输入规格型号,系统自动提供有关检测标准值;直读实际测量值和自动换算后的Ω/km值,自动运算、自动判定检测结果;可正、反向电流测量电阻;数据库可手动添加和查询;具有数据储存、显示、调用、打印功能;配置:512内存、80G硬盘、19寸液晶显示器、电流输出线、电压测试线、温度测试线、测试绝缘棒等。
2.恒温水槽符合标准:GB/T2951.3、UL1581、IEC60811-1-3标准要求;适用范围:为电线电缆试验提供高精度的、受控的、温度均匀的恒定场源;主要参数:一、1、温度范围:常温+5~99℃;2、水温均匀性:≤±1℃,微机温控PID调节;3、内置循环搅拌装置;4、加热器功率:不锈钢护套;5、工作室尺寸:W≥1200mm D≥600mm;H≥1200mm;二、1、温度范围:常温+5~99℃;2、水温均匀性:≤±1℃,微机温控PID调节;3、内置循环搅拌装置;4、加热器功率:不锈钢护套;5、工作室尺寸:15L3。
臭氧老化试验箱实验标准:ASTM D470、D1352、D1373、ISO1431、GB/T2951.5—1997、GB7762-2003、GB/T136421-92、HG/T2869—97、GJB1217-91、IEC 60811—2-1等;适用范围:用于测试橡胶及其制品的耐臭氧老化性能;主要参数:1、臭氧产生装置:静电弧放电;2、温度范围:常温~100℃;3、臭氧浓度:0~300ppm,分辨率:±1ppm;4、系统精度:测量读值≤3%,控制设定≤4%;5、温度均匀度:≤±2℃;6、温度波动度:≤±0。
电线电缆检测仪器配置标准一、电线电缆各标准试验仪器1、GB/T 2951-2008、IEC60811-1-1:2001《电线和光缆绝缘和护套材料通用试验方法》仪器配置:2、GB/T3048-2008《电线电缆电性能试验方法》仪器配置:3、GB5023-2008、IEC60227-1:2003《额定电压450/750V及以下聚氯乙稀绝缘电缆》以及GB5013-2008、IEC60245-1:2003《额定电压450/750V及以下橡皮绝缘电缆》仪器配置:4、汽车和铁道用电缆仪器配置:QC/T730、QC/T413、QC/T29106、GB/T12528、GB/T5054。
1、GB14820、GB8410、TB/T1484、TB/T1507、5、特种线缆检测中心推荐设备配置:本配置方案依据GB12972、GB/T13033、JB/T2171、JB/T5332、JB/T6213、JB8734、GB/T9332、GB9333、GB/T20637等要求而编制。
6、架空绝缘电缆试验仪器配置:本配置方案依照GB12527-2008《额定电压1 kV及以下架空绝缘电缆》、GB14049-2008《额定电压10KV架空绝缘电缆》7、《航空电线电缆》试验仪器设备配置本配置方案依据国军标GJB17系列《航空电线电缆试验方法》、GJB150系列《军用装备实验室试验方法》、IEC540以及美国军用标准二、家用和类似用途电器检测中心推荐设备配置本配置方案依据GB4706、IEC60335-1《家用和类似用途电器的安全》等要求而编制。
主要针对标准中家用和类似用途电器的安全性能、电参数性能、产品设计合理性和产品结构的可靠耐用等几个方面进行测试评估,以便企业对产品进行设计和工艺改进提供依据,同时也三、家用和类似用途插头插座检测中心推荐设备配置本配置方案依据GB1002、GB1003、GB2099、IEC60884、VDE0620和UL817等要求而编制。
电线电缆测试项目及仪器总汇电线电缆是现代电气工程中常见的一种电气设备,其质量的好坏直接影响到电气系统的稳定性和安全性。
为了保证电线电缆的质量,需要进行各种测试和检测。
下面将总结一些常见的电线电缆测试项目以及相应的测试仪器。
1.电阻测试电阻测试是电线电缆测试中最常见的项目之一、电阻测试可以用来检测电线电缆的导体间的电阻大小,以及电线电缆的接触电阻等。
测试仪器包括电阻测量仪等。
2.绝缘测试绝缘测试是电线电缆测试中非常重要的一项。
绝缘测试可以用来检测电线电缆的绝缘性能,以及是否存在绝缘破损等问题。
测试仪器包括绝缘电阻测试仪等。
3.耐压测试耐压测试是用来检测电线电缆在一定电压下是否能够正常工作的测试项目。
测试仪器包括耐压测试仪等。
4.弯曲测试弯曲测试可以用来检测电线电缆在弯曲状态下的耐久性以及柔韧性。
测试仪器包括弯曲测试仪等。
5.扭曲测试扭曲测试可以用来检测电线电缆在扭曲状态下的耐久性以及机械性能。
测试仪器包括扭曲测试仪等。
6.阻燃测试阻燃测试可以用来检测电线电缆在遭受火灾时的阻燃性能,以及是否能够保证电气系统的安全。
测试仪器包括阻燃测试仪等。
7.热老化测试热老化测试可以用来模拟电线电缆在长时间高温环境下的使用情况,以检测其在高温环境下的性能稳定性。
测试仪器包括热老化测试仪等。
8.导电性测试导电性测试可以用来检测电线电缆的导体是否良好导电,以及是否存在导体接触不良等问题。
测试仪器包括导电性测试仪等。
9.屏蔽性能测试屏蔽性能测试可以用来检测电线电缆的屏蔽效果以及屏蔽材料的性能。
测试仪器包括屏蔽性能测试仪等。
10.应力测试应力测试可以用来检测电线电缆在受到外力作用时的变形情况,以及是否能够正常工作。
测试仪器包括应力测试仪等。
以上是一些常见的电线电缆测试项目以及相应的测试仪器。
在进行电线电缆测试时,需要根据具体的测试要求和标准选择相应的测试项目和测试仪器,并严格按照测试方法进行测试。
只有通过全面的测试,才能保证电线电缆的质量和可靠性。
电线电缆检测报告一、检测对象本次检测的对象为一批进口电线电缆产品,共包括10种规格型号的电线电缆。
二、检测目的本次检测的目的是对进口电线电缆产品进行质量检验,确保其符合国家相关标准和技术规范要求,提供安全可靠的电力传输和应用。
三、检测方法本次检测采用非损伤性检测方法,包括外观检测、电性能检测和物理性能检测。
具体的检测方法和仪器设备如下:1.外观检测通过目测和镜检等方法,对电线电缆外观进行检查。
主要检测项包括外包装是否完整无损、是否存在异物、是否存在明显的外观缺陷等。
2.电性能检测采用电性能测试仪器对电线电缆的电阻、绝缘电阻、介质损耗角正切以及交流电耐压等参数进行测试。
3.物理性能检测通过拉伸试验、弯曲试验、耐燃试验等手段,对电线电缆的机械性能和耐磨性能进行检测。
四、检测结果根据上述的检测方法,对10种规格型号的电线电缆进行了检测。
以下为检测结果摘要:1.外观检测所有电线电缆产品外包装完好,无明显的外观缺陷或异物。
2.电性能检测所有电线电缆产品的电阻、绝缘电阻和介质损耗角正切都符合国家相关标准和技术规范要求。
交流电耐压测试结果显示,所有电线电缆产品在额定电压下未发生击穿或闪络现象,符合国家相关安全要求。
3.物理性能检测拉伸试验结果显示,所有电线电缆产品的拉伸强度都满足国家相关标准和技术规范要求。
弯曲试验结果显示,所有电线电缆产品在规定弯曲半径下无明显断裂或损伤。
耐燃试验结果显示,所有电线电缆产品在明火下均未燃烧或延燃,符合国家相关安全要求。
五、结论根据以上检测结果,所有电线电缆产品均符合国家相关标准和技术规范要求,具有良好的电性能和物理性能。
可以放心使用在电力传输和应用中,提供安全可靠的电源供应。
电线电缆检测设备都有哪些?
电线电缆检测设备都有哪些?我们可以看一下专业的检测设备公司。
很多不同地方的电线电缆需要的设备也都各不相同,你先咨询一下比较好。
检测使用的设备有电线还有测电笔万能表这些对他来讲都是很有作用检测使用的设备有电线,还有测电笔万能表,这些对他来讲都是很有作用的。
电线电缆检测设备都有哪些我觉得有很多,比如说首先它的一个探测的一个方案,比如说啊,他本身呢就是靛蓝,一定要有专业的一些。
电力电缆检测这些设备网设这个设备应该这个专业方面的,即使那些感应装置啊,感觉的这个车电笔啊,等等。
电缆故障测试仪是一套综合性的设备。
用于电力电缆开路、短路、接地、低阻、高阻闪络性及高阻泄漏性故障的测试,以及同轴通信电缆和市话电缆的开路、短路故障的精确测试。
还可以测试电缆路径、埋深,以及电波测速,核定电缆长度等,并可建立电缆档案以便日常维护管理。
该仪器采用多种探测方式,应用当代先进的电子技术成果。
采用计算机技术及微电子技术,具有智能化程度高、功能齐全、使用范围广、测试准确、使用方便等特点。
电缆故障测试仪可用于电缆的开路、短路、接地故障以及高阻泄漏性故障和高阻闪络性故障。
特点适用测试各种型号、不同等级电压的通信电缆和电力电缆。
仪器功能齐全,测试故障安全、迅速、准确;并配有菜单显示操作功能,无需对操作人员作专门的训练;具有波开及参数存储、调出功能。
除上述功能之外,电缆故障测试仪还具有双踪显示功能,可将故障电缆的测试波形与正常波形进行对比,有利于对故障的进一步判断。
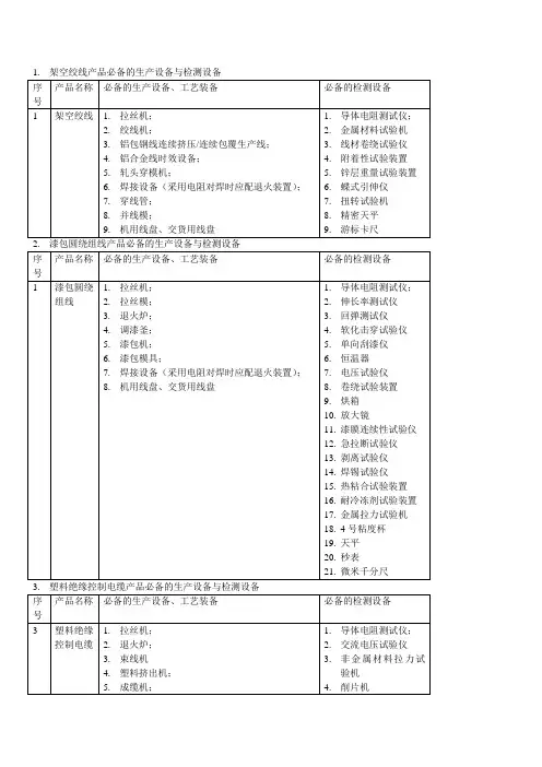
电线电缆生产企业检验设备要求序号产品检验设备精度或测量范围检验项目检验类别༷⌘1架空绞线微米千分尺金属材料拉力机分度值0.001mm1级或优于1级一、绞制前的单线:1.直径和直径公差出厂检验2.抗张强度和伸长率线材卷绕试验机、扭转试验机3.卷绕、扭转导体直流电阻测量系统允许总误差的范围为±0.65%4.电阻率锌层重量试验装置分度值0.01g 5.钢线镀锌层试验微米千分尺分度值0.001mm二、导线:1.截面积千分尺分度值0.01mm 2.导线直径案秤或类似设备±0.1% 3.线密度钢直尺分度值1mm 4.节径比及绞向2塑料绝缘控制电缆火花试验机±5%绝缘的火花试验过程检验投影仪或读数显微镜分度值0.01mm一、结构尺寸检查:1.绝缘厚度出厂检验2.护套厚度3.内衬层4.外径5.f值直尺分度值1mm6.成缆微米千分尺直尺分度值0.001mm分度值1mm7.屏蔽游标卡尺千分尺分度值0.02mm分度值0.01mm8.铠装导体电阻试验仪测量误差应不超过2%二、电气性能:1.导体电阻交流电压试验仪±3%2.绝缘线芯电压试验3.成品电压试验表(续)序号产品检验设备精度或测量范围检验项目检验类别༷⌘热延伸试验装置200℃以上(不含200℃)热延伸试验烘箱、削片机、冲片机、测厚仪(生产交联聚乙烯绝缘产品配备)三、绝缘热延伸试验计米器±0.5%四、长度出厂检验3挤包绝缘低压电力电缆火花试验机±5%外护套(挤包在金属套、铠装层外面)、隔离套的火花试验过程检验投影仪或读数显微镜分度值0.01mm一、结构尺寸检查:1.绝缘厚度出厂检验2.非金属护套厚度(包括挤包隔离层但不包括挤包内衬层)千分尺游标卡尺分度值0.01mm分度值0.02mm3.铅套厚度4.铠装层热延伸试验装置、削片机、冲片机、测厚仪200℃以上(不含200℃)热延伸试验烘箱(生产交联聚乙烯绝缘产品配备)300℃热延伸试验烘箱(生产乙丙绝缘产品配备)二、热延伸试验导体电阻测试仪测量误差应不超过±2%三、电气性能:1.导体电阻交流电压试验仪±3%2.电压试验4挤包绝缘中压电力电缆火花试验机±5%外护套(挤包在金属套、铠装层外面)、隔离套的火花试验过程检验投影仪或读数显微镜分度值0.01mm一、结构尺寸检查:1.绝缘厚度及偏心度出厂检验2.非金属护套厚度(包括挤包隔离层但不包括挤包内衬层)千分尺游标卡尺分度值0.01mm分度值0.02mm3.铅套厚度4.铠装层热延伸试验装置、削片机、冲片机、测厚仪200℃以上(不含200℃)热延伸试验烘箱(生产交联聚乙烯绝缘产品配备)300℃热延伸试验烘箱(生产乙丙绝缘产品配备)二、热延伸试验序号产品检验设备精度或测量范围检验项目检验类别判定导体电阻测试仪测量误差应不超过±2%)三、电气性能:1.导体电阻成盘电缆局放检测装置除3.6/6(7.2)kV的无屏蔽产品外,其余产品均需配备2.局部放电交流电压试验仪(或成盘电缆局放检测装置)±3%3.电压试验5架空绝缘电缆火花试验机±5%绝缘线芯火花试验过程检验投影仪或读数显微镜分度值0.01mm一、结构尺寸检查:1.绝缘厚度出厂检验2.外径3.屏蔽结构(10kV)导体电阻测试仪测量误差应不超过±2%二、电气性能:1.导体电阻交流电压试验仪±3%2.电压试验绝缘电阻测试仪±10%3.绝缘电阻热延伸试验装置、削片机、冲片机、测厚仪200℃以上(不含200℃)热延伸试验烘箱(交联聚乙烯绝缘产品配备)三、热延伸试验34。
电缆厂检测仪器操作规程第一章:总则第一条为了规范电缆厂检测仪器的使用和操作,确保产品质量和生产安全,制定本规程。
第二条本规程适用于电缆厂所有检测仪器及相关工作人员。
第三条仪器操作前,应检查仪器外观及配件是否完好无损。
第四条操作人员应具备一定的电气知识和操作技能,并接受相关安全培训。
第五条操作人员应穿戴符合安全要求的劳动防护用品,如安全帽、防护眼镜和耳塞等。
第六条操作人员应按照仪器说明书进行操作,并根据实际情况调整仪器参数。
第三章:仪器的维护和保管第七条操作人员在使用完仪器后,应及时清理和保养仪器,确保其处于正常工作状态。
第八条不得私自调整或更改仪器的内部结构和参数,如需要维修或调整应由专业人员进行。
第九条保管人员应将仪器放置在干燥、通风、无腐蚀性物质的环境中,并定期检查仪器的存放状况。
第四章:应急措施第十条在仪器使用过程中,如发生故障或突发事故,操作人员应立即停止操作,并报告相关人员。
第十一条操作人员应熟悉仪器的紧急停机和断电装置,一旦发生紧急情况,应及时采取相应措施。
第十二条所有操作人员应熟悉使用防火、防爆设备,并知悉逃生通道的位置和使用方法。
第五章:附则第十三条使用过程中发现仪器存在问题或有待改进的地方,应及时向上级汇报,并积极改进。
第十四条未经授权擅自使用检测仪器,或者故意破坏检测仪器的行为将受到相应处罚。
第十五条本规程的解释权归电缆厂所有。
以上是电缆厂检测仪器操作规程的主要内容,有效的操作规程不仅可以提高电缆检测工作的效率,还可以保证产品质量和人员的安全。
在实际操作中,所有操作人员都应严格按照规程要求进行操作,确保仪器的正常使用和延长使用寿命。
同时,在紧急情况下,操作人员应娴熟掌握应急措施,避免事故发生。
电线电缆检测检测方案1. 简介电线电缆是现代社会不可或缺的基础设施,广泛应用于电力传输、通信传输和数据传输等领域。
然而,由于其使用环境的复杂性和长期工作的形式,电线电缆容易受到各种外界因素的影响而发生故障。
因此,对电线电缆进行定期的检测和维护是非常必要的。
本文将介绍一种电线电缆检测的通用方案,帮助用户进行电线电缆的可靠性检测和故障诊断。
2. 检测设备在电线电缆检测中,我们需要使用一些专门的设备来帮助进行测试和诊断。
以下是常用的电线电缆检测设备:2.1 电缆故障测试仪电缆故障测试仪是用来检测电缆故障位置和类型的设备。
它可以通过发送特定的电信号,并根据接收到的信号变化来确定故障的位置。
常见的电缆故障测试仪包括:时间域反射仪(TDR)和电缆局放测量仪。
2.2 电缆绝缘测试仪电缆绝缘测试仪可以用来检测电缆的绝缘性能。
它通过施加高电压测试电缆的绝缘强度来判断电缆的绝缘状况。
常见的电缆绝缘测试仪有:直流电阻测试仪和交流耐压测试仪。
2.3 电缆线束测试仪电缆线束测试仪主要用于测试电缆线束的连通性和良好性。
它可以通过检测线束的开路、短路、接地等情况,确定线束是否正常工作。
3. 检测步骤进行电线电缆检测的一般步骤如下:3.1 准备工作在进行电线电缆检测之前,需要对相关检测设备进行准备和校验。
确保设备的正常工作和准确性。
3.2 检测电缆的绝缘状况使用电缆绝缘测试仪对电缆的绝缘状况进行测试。
首先,将测试设备连接到待测电缆的两端,并设置测试仪的测试参数。
然后,对电缆施加高电压,观察测试仪的显示结果,以确定电缆的绝缘状况是否符合要求。
3.3 检测电缆的连通性使用电缆线束测试仪对电缆的连通性进行测试。
将测试设备连接到待测电缆的两端,观察测试仪的显示结果。
如果显示结果正常,则表示电缆的连通性良好;如果显示结果异常,则需要进一步检查和修复。
3.4 检测电缆的故障位置使用电缆故障测试仪对电缆的故障位置进行测试。
首先,将测试设备连接到待测电缆的一端,并设置测试仪的测试参数。
序检测产品号/类型1投影仪2丈量显微镜3高绝缘电阻测试仪(高阻计)检测项目 / 参数序号名称1示值偏差2回程偏差3放大倍数1示值偏差2回程偏差1端钮电压2绝缘电阻检测标准(方法)名称及编号(含限制范围或年号)丈量不确立度说明量程 L=25mm :电线电缆检测仪器校准方法投仅对电线电U rel = 9 × 10-5;影仪( TICW )T-571-2006A量程 L=100mm缆公司拜托U rel = 12 × 10-5(引用 JJF1093-2002 投影仪校准方规范 )电线电缆检测仪器校准方法测U rel =3× 10-5仅对电线电量显微镜( TICW )T-572-2006A缆公司拜托(引用 JJG571-1988 丈量显微镜方检定规程 )电线电缆检测仪器校准方法高绝U rel =1.2%仅对电线电缘电阻测试仪(高阻计)缆公司拜托( TICW ) T-573-2006A方(引用 JJG690-2003 绝缘电阻测 5.0 级及以下4数字温度指示调理仪试仪(高阻计)检定规程)分辨力为℃:1绝缘电阻电线电缆检测仪器校准方法数字仅对电线电U95℃2分辨力为 1℃:稳固度温度指示调理仪缆公司拜托U 95=0.9 ℃3示值偏差( TICW ) T-576-2006A方(引用 JJG617-1996 数字温度指示调理仪检定规程)U rel×10-45直流低电1绝缘电阻电线电缆检测仪器校准方法直仅对电线电序检测产品号/类型阻表6直流电桥7工作用廉金属热电偶检测项目 / 参数序号名称2示值偏差1电阻2敏捷度1温度检测标准(方法)名称及编号(含限制范围或年号)丈量不确立度说明流低电阻表缆公司拜托( TICW ) T-575-2006A方(引用 JJG837-2003 直流低电阻0.05 级及以表检定规程 )下U95rel ×10-4电线电缆检测仪器校准方法直仅对电线电流电桥缆公司拜托( TICW ) T-574-2006A方 0.05 级及(引用 JJG125-2004 直流电桥检以下定规程 )U95=~电线电缆检测仪器校准方法工仅对电线电9.0 V作用廉金属热电偶缆公司拜托( TICW ) T-577-2006A方(引用 JJG351-1996 工作用廉金300 ℃及以下属热电偶检定规程 )检测项目 / 参数检测产品 /序号4电压类型序号名称8丈量方法1长度2质量3力值4温度5电压6电流7时间9低温冲击试1长度验装置2重量10曲挠试验装1长度置2时间3电流4重量11耐磨试验装1长度置2时间3重量12单根电线电1长度缆垂直焚烧2时间DZ-1 法试3角度验装置13自然通风热1电能老化试验箱2时间3温度电线电缆专用检验测试结果设备检定校准检测标准(方法)名称及编号(含年号)''橡皮塑料绝缘电线电缆试验仪器设施检定方法总则橡皮塑料绝缘电线电缆试验仪器设施检定方法低温冲击试验装置橡皮塑料绝缘电线电缆试验仪器设施检定方法曲挠试验装置橡皮塑料绝缘电线电缆试验仪器设施检定方法耐磨试验试验装置橡皮塑料绝缘电线电缆试验仪器设施检定方法单根电线电缆垂直焚烧DZ -1法试验装置橡皮塑料绝缘电线电缆试验仪器设施检定方法自然通风热老化试验箱''序检测产品 / 类检测项目 / 参数号别序号名称17火花试验机1电压2长度3敏捷度4稳固性18丈量方法1长度2质量3力值4温度5电压6电流7时间1长度19直流电阻试2电阻验装置1长度20伸长试验仪2时间21回弹角试验1长度2时间3重量仪1长度22急拉断试验2时间仪检测标准(方法)名称及编号(含年号)橡皮塑料绝缘电线电缆试验仪器设施检定方法火花试验机漆包线试验仪器设施检定方法总则漆包线试验仪器设施检定方法直流电阻试验装置漆包线试验仪器设施检定方法伸长试验仪漆包线试验仪器设施检定方法回弹角试验仪漆包线试验仪器设施检定方法急拉断试验仪序检测产品 / 类检测项目 / 参数号别序号名称23剥离试验仪1长度2时间3重量1时间24电热强迫通温度23电压风试验箱25融化击穿试1长度2角度验仪3电压4电流5重量6温度7时间序号检测产品/检测项目 / 参数类型序号名称26单向刮漆1长度2时间试验仪3电压4电流5力6重量27耐溶剂试1温度2时间验仪3角度4力''检测标准(方法)名称及编号(含年号)漆包线试验仪器设施检定方法剥离试验仪漆包线试验仪器设施检定方法电热强迫通风试验箱漆包线试验仪器设施检定方法融化击穿试验仪检测标准(方法)名称及编号(含年号)漆包线试验仪器设施检定方法单向刮漆试验仪漆包线试验仪器设施检定方法耐溶剂试验仪检测产品 /序号类型28击穿电压试验仪29低压漆膜连续性试验仪30高压漆膜连续性试验仪31焊锡试验仪检测产品 /序号类型检测项目 / 参数序号名称1电压2电阻3时间4重量5温度1长度2电压3时间4脉冲时间5力1电压2长度3电流4时间1长度2温度3时间检测项目 / 参数序号名称''检测标准(方法)名称及编号(含年号)漆包线试验仪器设施检定方法击穿电压试验仪漆包线试验仪器设施检定方法低压漆膜连续性试验仪漆包线试验仪器设施检定方法高压漆膜连续性试验仪漆包线试验仪器设施检定方法焊锡试验仪检测标准(方法)名称及编号(含年号)32来去刮漆1长度漆包线试验仪器设施检定方法''检测产品 /检测项目 / 参数检测标准(方法)名称及序号类型编号(含年号)序号名称试验仪2时间来去刮漆试验仪3电压4电流5重量33静摩擦系1长度漆包线试验仪器设施检定方法数试验仪2时间静摩擦系数试验仪3角度4重量34动摩擦系1长度漆包线试验仪器设施检定方法数试验仪2重量动摩擦系数试验仪3力4时间35耐冷冻剂1长度漆包线试验仪器设施检定方法试验装置2压力耐冷冻剂试验装置3温度36电缆局部1频次电缆局部放电测试系统检定方法放电测试2电压JB/T10435 - 2004系统3脉冲参数4电容5线性度检测产品 /序号类型37电压试验装置38成束焚烧试验装置检测项目 / 参数序号名称1电压2稳固性1长度2功率3时间4流量''检测标准(方法)名称及编号(含年号)高电压丈量技术第 2 部分:丈量系统IEC60060 - 2 : 1994电缆在火焰条件下焚烧试验第 3 部分:成束电线或电缆的焚烧试验IEC60332 - 3 : 1992。
电线电缆生产设备一、引言电线电缆生产设备是指在电线电缆生产过程中所使用的各种设备和工具,包括线材加工机械、挤出机、绞线机、编织机、包带机、绝缘剥皮机、检测设备等。
这些设备和工具在电线电缆生产中起到至关重要的作用,直接关系到产品的质量和生产效率。
本文将介绍一些常见的电线电缆生产设备及其功能。
二、线材加工机械线材加工机械主要用于对电线电缆所需的金属线材进行加工和处理,包括镀锡机、拉丝机、切割机、刻字机等。
这些机械设备可以对线材进行切割、拉伸、镀锡等处理,使其满足电线电缆生产的要求。
三、挤出机挤出机是电线电缆生产中最重要的设备之一,主要用于将塑料或橡胶熔融并挤出成各种形状的线材。
挤出机通常由料斗、螺杆、模具、冷却系统等组成,通过调节挤出机的参数和操作,可以得到不同尺寸和形状的电线电缆产品。
四、绞线机绞线机主要用于将多根线材绞合在一起,形成电线电缆的导体部分。
绞线机通常由多个绞线头组成,可以同时进行多根线材的绞合,提高生产效率。
绞线机还可以根据不同的绞合方式,形成不同结构的绞线,如扭矩绞线、束扎绞线等。
五、编织机编织机主要用于给电线电缆产品外面的绝缘层进行编织,增加产品的强度和耐用性。
编织机通常由多个细丝组成的编织头和控制系统组成,可以根据产品要求调整编织的密度和结构。
六、包带机包带机主要用于对电线电缆产品的外面进行包带,增加产品的抗拉强度和防护能力。
包带机通常由带轮、卷带盘、控制系统等组成,可以根据产品要求调整包带的张力和宽度。
七、绝缘剥皮机绝缘剥皮机主要用于对电线电缆产品的绝缘层进行剥离,使导体暴露出来。
绝缘剥皮机通常由刀具、剥皮轮、传动装置等组成,可以根据产品要求调整剥皮的深度和速度。
八、检测设备检测设备主要用于对电线电缆产品进行质量检测,包括电阻测试仪、绝缘测试仪、外观检测仪等。
这些设备通过测量电线电缆的电阻、绝缘电阻和外观等指标,判断产品是否符合要求。
九、结论电线电缆生产设备是电线电缆生产中不可或缺的重要组成部分,它们的功能和性能直接关系到产品的质量和生产效率。
公司名称:上海和晟仪器科技有限公司品牌:HESON/和晟
联系人:蒋和義
电线电缆行业检测设备
设备建议书
公司简介
本公司属台资企业在大陆设有工厂总部位于上海,在国内设有6家分公司,服务更便捷。
有独立的生产中心,研发中心,质检中心和售后中心全国统筹调度。
已成功入选上海造币厂,上汽股份,日本三菱,韩国三星电子,美国颇尔,美国库柏,德国博士工具,富士康等知名企业优质供应商名单。
依据标准
GB/T2951-2008电缆和光缆绝缘和护套材料通用试验方法
仪器参数
熔体流动速率仪基本参数
1.测量范围:0.1-400.00g/10min
2.温度范围:室温-450℃
3.控温精度:±0.2℃
4.计时精度:1S或0.01S
5.计时范围:1-9999S或
0.01-99.99S
6.负荷:全负荷
7.切料方式:手动、时控、自动
8.料筒内径:9.550mm±0.025mm
9.料筒长度:160mm
10.口模:材质为碳化钨、长: 8.000mm±0.025mm内径:
2.095mm±0.005mm
11.功率:0.45KW
12.电源:AC220V、50Hz
13.仪器尺寸:
400mm×500mm×600mm
14.仪器凈重:60Kg
15.实验砝码:0.325KG、0.875KG、
1.835KG、3.475KG、4.675KG、5.000KG、
2.5KG、2.915KG
炭黑含量测定仪HS-TH-3500应用范围
应用范围:适用于聚乙烯、聚丙烯、
聚丁烯塑料中炭黑含量的测定。
炭
黑的测试是通过试样在氮气保护
下,高温分解后的重量分析得到
的。
该仪器具有使用方便,操作简
单,测量准确,精度高,自动化程
度高等优点。
符合标准:ISO6964,
GB/T13021,IEC60811-4-1,
GB/T2951.41,JTG E50T1165
等。
炭黑分散度检测仪
炭黑分散度检测仪是上海和晟仪器针对聚烯烃
管材、管件和混配料中颜料或炭黑分散的检测仪器。
该仪器适配基于的软件及相应的显微镜,通
过对炭黑粒团的尺度、形态、及散布情况的测量, 可以建立起这些参数与力学性能、抗静电性能、吸湿性能等宏观性能指标的内在联系,这将对塑
料材料的品质保障、生产工艺、新品研发产生积极影响,同时推进企业和行业技术水平的快速提升。
符合标准:
GB15065-94电线电缆用黑色聚乙烯塑料GBT6030-2006橡胶中炭黑和炭黑二氧化硅分散的评估快速比较法
ISO18553-2002聚烯烃管道装置和混合物中
颜料或碳黑散布程度评估方法
拉力试验机基本参数
最大负荷5KN
测量范围最大试验力的0.4%-100%
分辨率1/200000
精度级别1级
控制系统无级调速0.01~500mm/min(伺服;分段无级调速5~500mm.min(标准
测试空间测试宽约370mm,有效行程约800mm
操作方式液晶触摸屏或专用英文测试软件操作
安全装置过载紧急停机、上下行程限定、漏电自动断电、自动断点停机
测试力准确度优于示值的±1%(±0.5%
变形准确度优于示值的±1%(±0.5%
电源系统220V50HZ
单位选择g kg n kn lb MPa
夹具配置根据用户产品试验需求选定一付
工作环境温度RT15℃湿度20%-80%
机台尺寸800×400×1800mm
机台重量约300KG CE认证
商标证书
十年诚信认证
我公司部分合作伙伴(排名不分先后):吉林大学化学学院上海船舶 704 研究所清华大学医学院四川电子科技大学
雷誉(上海)包装制品有限公司(日资)中科院宁波材料研究所库柏电气(上海)有限公司上海上汽股份有限责任公司麦太保工具(中国)有限公司(德资)郑州科瑞建设工程检测中心深圳喜德盛自行车(港制) YCC 拉链(港资)上海晋飞复合材料(美资)中科院上海应用物理研究所昆山三芝(韩资) 3M 胶带(中国)有限公司(美资)博士工具(中国)有限公司(德资)优尔稀聚合物(上海)有限公司富达铝业(常熟)有限公司(台资)新麦机械(无锡有限公司(台资)金固牢胶粘制品(平湖)有限公司(西班牙)封霖节能幕墙门窗(上海)公司(加拿大)金盛紧固件(安徽)有限公司(股份制)上海晋亿螺丝(港资)南京航空航太大学安积滤品(上海)有限公司(日资)上海航太机电股份有
限公司(国企)上海胜狮冷冻货柜有限公司(韩资)张家港国泰华荣集团(国企)鼎御五金制品(上海)有限公司(台资)北京工业大学上海市消防局(机关单位亿和精密工业(苏州)有限公司(美资)日本三菱电机(上海)有限公司(日资)上海来木电子股份有限公司(股份)江西升阳光电科技有限公司(台资)麦太保工具(中国)有限公司(德资)上海交通大学上海浦成感测器(德资)雅柏利粘扣带(上海)有限公司浙江华荣集团(股份资)上海造币厂(国企)常州品质检测中心诸暨产品品质监督检验所特艺建材(苏州)(新加坡)合肥协力仪表制造有限公司(国企)常熟通润汽车零部件(股份)江西 5272 化工厂(军工企业上海三盛铜业有限公司(股份)吉林吉研高科技纤维有限公司(股份制)倍立达(南京)集团有限公司(股份宁波博纳汽车零部件有限公司(股份)赫比通讯(上海)有限公司东莞泰伦碳纤维有限有限公司(股份)
河南万达铝业(股份)上海轴承研究所肯泰特机械(上海)有限公司(韩资)科威信(无锡)洗净科技有限公司(台资)烟台统利饮料工业有限公司摩根热陶瓷(上海)有限公司(英资)浙江道明光学股份有限公司(股份)阿托斯液压系统(上海)有限公司(义大利)上海铁美金属制品有限公司(日资)灏讯(中国)有限公司(瑞士)上海龙磁电子科技有限公司(股份)四川蜀邦实业有限责任公司(股份)上海江森自控汽车电子有限公司(外资)靖江市锐威工业紧固件制造有限公司(股份)颇尔筛检程式 (北京有限公司(美资)三星电子(苏州)有限公司(韩资)常熟恩杰斯电器有限公司(日资)双叶金属制品(苏州)有限公司(日资)上海环讯实业有限公司(台资)江西景德镇龙迪汽车内饰件有限公司(股份)上海延峰座椅有限公司(外资)昆山中冶宝钢焊丝厂(国企)安徽昊方机电股份有限公司(股份)江苏海华汽车零部件有限公司(股份圣戈班(上海有限公司(法资)克诺尔车辆设备(苏州)有限公司(德资)广西五菱宝马汽车空调有限公司烟台万利医用品有限公司(股份) SGS 通标技术(上海)有限公司深圳华测检测股份有限公司甘肃省农业机械鉴定站(国企)杭州赛恩斯能源科技有限公司(股份)比威电气系统(天津有限公司……。