电线电缆检测设备清单
- 格式:xls
- 大小:28.00 KB
- 文档页数:6
电线电缆测试项目及仪器总汇一、介绍电线电缆测试是针对电线电缆产品的性能和质量进行评估的一项重要工作。
通过测试,可以确保电线电缆的电气性能、机械性能、耐火性能等达到要求。
电线电缆测试仪器是进行这些测试的关键设备,能够对电线电缆进行各项性能指标的准确测量。
二、电线电缆测试项目1.电气测试:包括电阻测试、绝缘电阻测试、电容测试等。
2.机械测试:包括拉伸测试、弯曲测试、挤压测试等。
3.耐火性能测试:包括燃烧性测试、耐火试验等。
4.环境测试:包括温度测试、湿度测试、防护等级测试等。
三、电线电缆测试仪器1.电阻测试仪:用于测试电线电缆的电阻,可以精确测量导线电阻和接线电阻。
2.绝缘电阻测试仪:用于测试电线电缆的绝缘电阻,可以检测绝缘材料的质量。
3.电容测试仪:用于测试电线电缆的电容,能够检测电线电缆内部的电容情况。
4.拉伸试验机:用于测试电线电缆的拉伸强度和断裂强度,能够评估电线电缆的机械性能。
5.弯曲试验机:用于测试电线电缆的弯曲性能,可以模拟电线电缆在安装和使用过程中的弯曲情况。
6.挤压试验机:用于测试电线电缆的挤压强度,可以评估电线电缆的耐压能力。
7.燃烧试验设备:包括燃烧性测试仪、耐火试验设备等,用于评估电线电缆的耐火性能。
8.温湿度测试仪:用于测试电线电缆在不同温湿度条件下的性能,可以模拟各种环境条件。
四、电线电缆测试仪器选择要点1.准确性:仪器的测试结果应具有较高的准确性,能够满足电线电缆产品的测试需求。
2.稳定性:仪器应具有较高的稳定性,在长时间测试中不会出现漂移或变化。
3.可靠性:仪器的可靠性是保证测试结果准确性的关键,需要选择可靠性较高的品牌和型号。
4.灵活性:仪器应具有较高的灵活性,能够适应不同规格和型号的电线电缆产品的测试需求。
5.易操作性:仪器的操作应简单易懂,测试人员能够快速上手操作。
6.维护性:仪器维护应方便简单,能够及时进行维护和保养,延长仪器的使用寿命。
五、总结电线电缆测试项目及仪器总汇涵盖了电线电缆测试的各项内容和关键仪器的选择要点。
技术规格书1.直流数字电阻测试仪实验标准:GB3048.2、GB3048.4、GB 5013、GB5023、IEC 60245-2、IEC 60227、IEC 60468等要求;适用范围:可用测量单根金属裸电线、多股绞合电线、电缆导体电阻;主要参数:1.量程范围:20 mΩ~2000Ω;2.最小分辨率:≤1μΩ;3.基本误差:≤±(0.05%读值+2字);4.测量值显示:数显;功能全自动分析:测量电线电缆、接触器、电阻器等直流电阻;测量半导电屏蔽电阻率;测量电线电缆长度;测量电线电缆的高压击穿点位置;测量变压器的直流电阻和相不平衡率、线不平衡率;宽范围测量电阻,测量档位可自动判定转换;测量环境温度和电线电阻温度系数自动换算;对于常用的电线、电缆检测只需输入规格型号,系统自动提供有关检测标准值;直读实际测量值和自动换算后的Ω/km值,自动运算、自动判定检测结果;可正、反向电流测量电阻;数据库可手动添加和查询;具有数据储存、显示、调用、打印功能;配置:512内存、80G硬盘、19寸液晶显示器、电流输出线、电压测试线、温度测试线、测试绝缘棒等。
2.恒温水槽符合标准:GB/T2951.3、UL1581、IEC60811-1-3标准要求;适用范围:为电线电缆试验提供高精度的、受控的、温度均匀的恒定场源;主要参数:一、1、温度范围:常温+5~99℃;2、水温均匀性:≤±1℃,微机温控PID调节;3、内置循环搅拌装置;4、加热器功率:不锈钢护套;5、工作室尺寸:W≥1200mm D≥600mm;H≥1200mm;二、1、温度范围:常温+5~99℃;2、水温均匀性:≤±1℃,微机温控PID调节;3、内置循环搅拌装置;4、加热器功率:不锈钢护套;5、工作室尺寸:15L3.臭氧老化试验箱实验标准:ASTM D470、D1352、D1373、ISO1431、GB/T2951.5-1997、GB7762-2003、GB/T136421-92、HG/T2869-97、GJB1217-91、IEC 60811-2-1等;适用范围:用于测试橡胶及其制品的耐臭氧老化性能;主要参数:1、臭氧产生装置:静电弧放电;2、温度范围:常温~100℃;3、臭氧浓度:0~300ppm,分辨率:±1ppm;4、系统精度:测量读值≤3%,控制设定≤4%;5、温度均匀度:≤±2℃;6、温度波动度:≤±0.5℃;7、料架回转速度:3R/min;8、空气流量:280-560L/h之间9、工作室尺寸(W×H×D):≥60×50×50cm,不锈钢材质;10、黄铜试棒直径:Φ4、5、6、7、8、10、12、14、16、18、20mm共11支;4.自然通风热老化试验箱实验标准:GB/T 2951.2、VDE 0472Part303、IEC 60881-1-2等测试标准;适用范围:本试验箱系列用来研究橡胶、塑料、绝缘体或被覆试片在规定温度下加热至一定时间后的受热性能变化情况,以考核样品的耐老化性能。
电线电缆检测仪器配置标准一、电线电缆各标准试验仪器1、GB/T 2951-2008、IEC60811-1-1:2001《电线和光缆绝缘和护套材料通用试验方法》仪器配置:2、GB/T3048-2008《电线电缆电性能试验方法》仪器配置:3、GB5023-2008、IEC60227-1:2003《额定电压450/750V及以下聚氯乙稀绝缘电缆》以及GB5013-2008、IEC60245-1:2003《额定电压450/750V及以下橡皮绝缘电缆》仪器配置:4、汽车和铁道用电缆仪器配置:QC/T730、QC/T413、QC/T29106、GB/T12528、GB/T5054。
1、GB14820、GB8410、TB/T1484、TB/T1507、5、特种线缆检测中心推荐设备配置:本配置方案依据GB12972、GB/T13033、JB/T2171、JB/T5332、JB/T6213、JB8734、GB/T9332、GB9333、GB/T20637等要求而编制。
6、架空绝缘电缆试验仪器配置:本配置方案依照GB12527-2008《额定电压1 kV及以下架空绝缘电缆》、GB14049-2008《额定电压10KV架空绝缘电缆》7、《航空电线电缆》试验仪器设备配置本配置方案依据国军标GJB17系列《航空电线电缆试验方法》、GJB150系列《军用装备实验室试验方法》、IEC540以及美国军用标准二、家用和类似用途电器检测中心推荐设备配置本配置方案依据GB4706、IEC60335-1《家用和类似用途电器的安全》等要求而编制。
主要针对标准中家用和类似用途电器的安全性能、电参数性能、产品设计合理性和产品结构的可靠耐用等几个方面进行测试评估,以便企业对产品进行设计和工艺改进提供依据,同时也三、家用和类似用途插头插座检测中心推荐设备配置本配置方案依据GB1002、GB1003、GB2099、IEC60884、VDE0620和UL817等要求而编制。
电线电缆作业指导书一、适用范围:本作业指导书适用于室温条件下电线电缆的导体直流电阻试验及截面直径。
二、检测依据:1《电缆和光缆绝缘和护套材料通用试验方法第11部分:厚度和外形尺寸测量机械性能试验》GB/T2951.1-20082《电线电缆电性能试验方法第4部分:导体直流电阻试验》(GB/T 3048.4-2007)3《额定电压450/750V及以下聚氯乙烯绝缘电缆第2部分:试验方法》(GB/T 5023.2-20084《电线电缆电性能试验方法第2部分:金属材料电阻率试验》GB/T3048.2-20075 《裸电线试验方法第2部分:尺寸测量》三、试验仪器设备:单臂电桥;四、试样制备:4.1 试样截取从被试电线电缆上截取长度不小于1m的试样,或以成盘(圈)的电缆做为试样。
去除试样外表面绝缘、护套或其他覆盖物,也可以只去除试样两端与测量系统相连接部位的覆盖物,露出导体。
去除覆盖物时应小心进行,防止损伤导体。
4.2 试件拉直需要将试样拉直,不应有任何导体试样导体横截面发生变化的扭曲,也不应导致试样导体伸长。
4.3试样表面处理应预先清洁连接部位的导体表面,去除附着物,污垢和油垢。
连接处表面的氧化层应尽可能除尽。
如用试剂处理后,必须用水充分清洗以清除试剂的残留液。
对于阻水型导体试样,应采用低熔点合金浇注。
4.4大截面铝导体试样型式试验的试样长度导体截面(95-185)mm2,取3m;导体截面240mm2及以上,取5m。
有争议时,导体截面95-185mm2,取5m;导体截面240mm2及以上,取10m。
五.实验程序5.1实验环境温度5.1.1形式试验时,试样应在温度为(15~25)℃和空气湿度不大于85%的试验环境中放置足够长的时间,在试样放置和试验过程中,环境温度的变化应不超过±1℃。
应使用最小刻度为0.1℃的温度计测量环境温度,温度计距离地面应不少于1m,距离墙面应不少于10cm,距离试样应不超过1m,且二者大致在同一高度,并应避免受到热辐射和空气对流的影响。
电线电缆测试项目及仪器总汇电线电缆是现代电气工程中常见的一种电气设备,其质量的好坏直接影响到电气系统的稳定性和安全性。
为了保证电线电缆的质量,需要进行各种测试和检测。
下面将总结一些常见的电线电缆测试项目以及相应的测试仪器。
1.电阻测试电阻测试是电线电缆测试中最常见的项目之一、电阻测试可以用来检测电线电缆的导体间的电阻大小,以及电线电缆的接触电阻等。
测试仪器包括电阻测量仪等。
2.绝缘测试绝缘测试是电线电缆测试中非常重要的一项。
绝缘测试可以用来检测电线电缆的绝缘性能,以及是否存在绝缘破损等问题。
测试仪器包括绝缘电阻测试仪等。
3.耐压测试耐压测试是用来检测电线电缆在一定电压下是否能够正常工作的测试项目。
测试仪器包括耐压测试仪等。
4.弯曲测试弯曲测试可以用来检测电线电缆在弯曲状态下的耐久性以及柔韧性。
测试仪器包括弯曲测试仪等。
5.扭曲测试扭曲测试可以用来检测电线电缆在扭曲状态下的耐久性以及机械性能。
测试仪器包括扭曲测试仪等。
6.阻燃测试阻燃测试可以用来检测电线电缆在遭受火灾时的阻燃性能,以及是否能够保证电气系统的安全。
测试仪器包括阻燃测试仪等。
7.热老化测试热老化测试可以用来模拟电线电缆在长时间高温环境下的使用情况,以检测其在高温环境下的性能稳定性。
测试仪器包括热老化测试仪等。
8.导电性测试导电性测试可以用来检测电线电缆的导体是否良好导电,以及是否存在导体接触不良等问题。
测试仪器包括导电性测试仪等。
9.屏蔽性能测试屏蔽性能测试可以用来检测电线电缆的屏蔽效果以及屏蔽材料的性能。
测试仪器包括屏蔽性能测试仪等。
10.应力测试应力测试可以用来检测电线电缆在受到外力作用时的变形情况,以及是否能够正常工作。
测试仪器包括应力测试仪等。
以上是一些常见的电线电缆测试项目以及相应的测试仪器。
在进行电线电缆测试时,需要根据具体的测试要求和标准选择相应的测试项目和测试仪器,并严格按照测试方法进行测试。
只有通过全面的测试,才能保证电线电缆的质量和可靠性。
电线电缆检测报告一、检测对象本次检测的对象为一批进口电线电缆产品,共包括10种规格型号的电线电缆。
二、检测目的本次检测的目的是对进口电线电缆产品进行质量检验,确保其符合国家相关标准和技术规范要求,提供安全可靠的电力传输和应用。
三、检测方法本次检测采用非损伤性检测方法,包括外观检测、电性能检测和物理性能检测。
具体的检测方法和仪器设备如下:1.外观检测通过目测和镜检等方法,对电线电缆外观进行检查。
主要检测项包括外包装是否完整无损、是否存在异物、是否存在明显的外观缺陷等。
2.电性能检测采用电性能测试仪器对电线电缆的电阻、绝缘电阻、介质损耗角正切以及交流电耐压等参数进行测试。
3.物理性能检测通过拉伸试验、弯曲试验、耐燃试验等手段,对电线电缆的机械性能和耐磨性能进行检测。
四、检测结果根据上述的检测方法,对10种规格型号的电线电缆进行了检测。
以下为检测结果摘要:1.外观检测所有电线电缆产品外包装完好,无明显的外观缺陷或异物。
2.电性能检测所有电线电缆产品的电阻、绝缘电阻和介质损耗角正切都符合国家相关标准和技术规范要求。
交流电耐压测试结果显示,所有电线电缆产品在额定电压下未发生击穿或闪络现象,符合国家相关安全要求。
3.物理性能检测拉伸试验结果显示,所有电线电缆产品的拉伸强度都满足国家相关标准和技术规范要求。
弯曲试验结果显示,所有电线电缆产品在规定弯曲半径下无明显断裂或损伤。
耐燃试验结果显示,所有电线电缆产品在明火下均未燃烧或延燃,符合国家相关安全要求。
五、结论根据以上检测结果,所有电线电缆产品均符合国家相关标准和技术规范要求,具有良好的电性能和物理性能。
可以放心使用在电力传输和应用中,提供安全可靠的电源供应。
电线电缆检测设备都有哪些?
电线电缆检测设备都有哪些?我们可以看一下专业的检测设备公司。
很多不同地方的电线电缆需要的设备也都各不相同,你先咨询一下比较好。
检测使用的设备有电线还有测电笔万能表这些对他来讲都是很有作用检测使用的设备有电线,还有测电笔万能表,这些对他来讲都是很有作用的。
电线电缆检测设备都有哪些我觉得有很多,比如说首先它的一个探测的一个方案,比如说啊,他本身呢就是靛蓝,一定要有专业的一些。
电力电缆检测这些设备网设这个设备应该这个专业方面的,即使那些感应装置啊,感觉的这个车电笔啊,等等。
电缆故障测试仪是一套综合性的设备。
用于电力电缆开路、短路、接地、低阻、高阻闪络性及高阻泄漏性故障的测试,以及同轴通信电缆和市话电缆的开路、短路故障的精确测试。
还可以测试电缆路径、埋深,以及电波测速,核定电缆长度等,并可建立电缆档案以便日常维护管理。
该仪器采用多种探测方式,应用当代先进的电子技术成果。
采用计算机技术及微电子技术,具有智能化程度高、功能齐全、使用范围广、测试准确、使用方便等特点。
电缆故障测试仪可用于电缆的开路、短路、接地故障以及高阻泄漏性故障和高阻闪络性故障。
特点适用测试各种型号、不同等级电压的通信电缆和电力电缆。
仪器功能齐全,测试故障安全、迅速、准确;并配有菜单显示操作功能,无需对操作人员作专门的训练;具有波开及参数存储、调出功能。
除上述功能之外,电缆故障测试仪还具有双踪显示功能,可将故障电缆的测试波形与正常波形进行对比,有利于对故障的进一步判断。
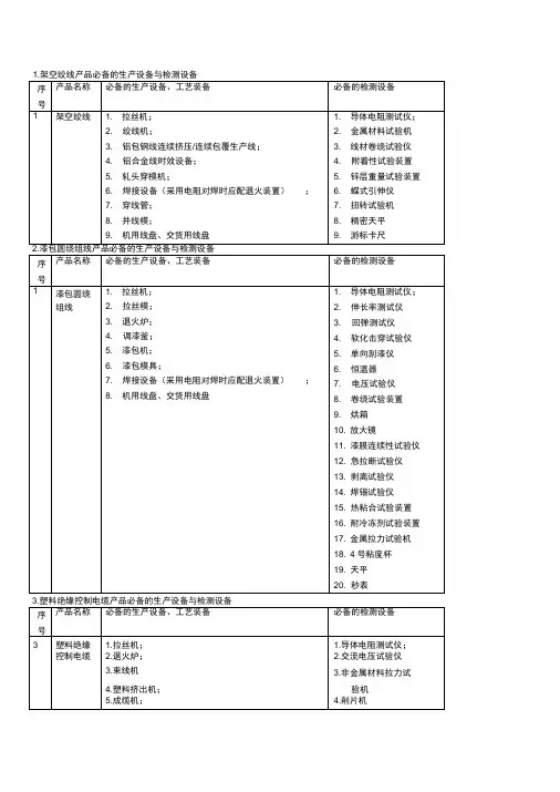
电线电缆生产企业检验设备要求序号产品检验设备精度或测量范围检验项目检验类别༷⌘1架空绞线微米千分尺金属材料拉力机分度值0.001mm1级或优于1级一、绞制前的单线:1.直径和直径公差出厂检验2.抗张强度和伸长率线材卷绕试验机、扭转试验机3.卷绕、扭转导体直流电阻测量系统允许总误差的范围为±0.65%4.电阻率锌层重量试验装置分度值0.01g 5.钢线镀锌层试验微米千分尺分度值0.001mm二、导线:1.截面积千分尺分度值0.01mm 2.导线直径案秤或类似设备±0.1% 3.线密度钢直尺分度值1mm 4.节径比及绞向2塑料绝缘控制电缆火花试验机±5%绝缘的火花试验过程检验投影仪或读数显微镜分度值0.01mm一、结构尺寸检查:1.绝缘厚度出厂检验2.护套厚度3.内衬层4.外径5.f值直尺分度值1mm6.成缆微米千分尺直尺分度值0.001mm分度值1mm7.屏蔽游标卡尺千分尺分度值0.02mm分度值0.01mm8.铠装导体电阻试验仪测量误差应不超过2%二、电气性能:1.导体电阻交流电压试验仪±3%2.绝缘线芯电压试验3.成品电压试验表(续)序号产品检验设备精度或测量范围检验项目检验类别༷⌘热延伸试验装置200℃以上(不含200℃)热延伸试验烘箱、削片机、冲片机、测厚仪(生产交联聚乙烯绝缘产品配备)三、绝缘热延伸试验计米器±0.5%四、长度出厂检验3挤包绝缘低压电力电缆火花试验机±5%外护套(挤包在金属套、铠装层外面)、隔离套的火花试验过程检验投影仪或读数显微镜分度值0.01mm一、结构尺寸检查:1.绝缘厚度出厂检验2.非金属护套厚度(包括挤包隔离层但不包括挤包内衬层)千分尺游标卡尺分度值0.01mm分度值0.02mm3.铅套厚度4.铠装层热延伸试验装置、削片机、冲片机、测厚仪200℃以上(不含200℃)热延伸试验烘箱(生产交联聚乙烯绝缘产品配备)300℃热延伸试验烘箱(生产乙丙绝缘产品配备)二、热延伸试验导体电阻测试仪测量误差应不超过±2%三、电气性能:1.导体电阻交流电压试验仪±3%2.电压试验4挤包绝缘中压电力电缆火花试验机±5%外护套(挤包在金属套、铠装层外面)、隔离套的火花试验过程检验投影仪或读数显微镜分度值0.01mm一、结构尺寸检查:1.绝缘厚度及偏心度出厂检验2.非金属护套厚度(包括挤包隔离层但不包括挤包内衬层)千分尺游标卡尺分度值0.01mm分度值0.02mm3.铅套厚度4.铠装层热延伸试验装置、削片机、冲片机、测厚仪200℃以上(不含200℃)热延伸试验烘箱(生产交联聚乙烯绝缘产品配备)300℃热延伸试验烘箱(生产乙丙绝缘产品配备)二、热延伸试验序号产品检验设备精度或测量范围检验项目检验类别判定导体电阻测试仪测量误差应不超过±2%)三、电气性能:1.导体电阻成盘电缆局放检测装置除3.6/6(7.2)kV的无屏蔽产品外,其余产品均需配备2.局部放电交流电压试验仪(或成盘电缆局放检测装置)±3%3.电压试验5架空绝缘电缆火花试验机±5%绝缘线芯火花试验过程检验投影仪或读数显微镜分度值0.01mm一、结构尺寸检查:1.绝缘厚度出厂检验2.外径3.屏蔽结构(10kV)导体电阻测试仪测量误差应不超过±2%二、电气性能:1.导体电阻交流电压试验仪±3%2.电压试验绝缘电阻测试仪±10%3.绝缘电阻热延伸试验装置、削片机、冲片机、测厚仪200℃以上(不含200℃)热延伸试验烘箱(交联聚乙烯绝缘产品配备)三、热延伸试验34。
GB/T2951和GB/T5013电线电缆检验中心设备推荐清单
Delta德尔塔仪器专业生产电线电缆全套检测设备,主要仪器设备能满足对额定电压110kV 及以下电力电缆、电缆附件、架空绝缘电缆、控制电缆、铝绞线及钢芯铝绞线、聚氯乙烯绝缘电缆电线、橡套电缆、船用电缆、机车及汽车用电缆、阻燃、耐火类电缆、各类绕组线、预分支电缆、插头插座、各类电线电缆用导体、绝缘及护套材料、电线组件的品质和检验要求,满足专业的电线电缆高压室、电气室、机械物理室、绕组线室、材料室、燃烧室和通讯电缆和光缆室等国内各质检院所,理工高校,生产厂家检验要求。
成束电线电缆燃烧试验装置
冲击电压试验系统
电缆局放测试系统
电缆动态曲挠试验机
电线电缆恒温水浴/油浴测试
电线电缆UL1581燃烧试验机。
电线电缆检测检测方案1. 简介电线电缆是现代社会不可或缺的基础设施,广泛应用于电力传输、通信传输和数据传输等领域。
然而,由于其使用环境的复杂性和长期工作的形式,电线电缆容易受到各种外界因素的影响而发生故障。
因此,对电线电缆进行定期的检测和维护是非常必要的。
本文将介绍一种电线电缆检测的通用方案,帮助用户进行电线电缆的可靠性检测和故障诊断。
2. 检测设备在电线电缆检测中,我们需要使用一些专门的设备来帮助进行测试和诊断。
以下是常用的电线电缆检测设备:2.1 电缆故障测试仪电缆故障测试仪是用来检测电缆故障位置和类型的设备。
它可以通过发送特定的电信号,并根据接收到的信号变化来确定故障的位置。
常见的电缆故障测试仪包括:时间域反射仪(TDR)和电缆局放测量仪。
2.2 电缆绝缘测试仪电缆绝缘测试仪可以用来检测电缆的绝缘性能。
它通过施加高电压测试电缆的绝缘强度来判断电缆的绝缘状况。
常见的电缆绝缘测试仪有:直流电阻测试仪和交流耐压测试仪。
2.3 电缆线束测试仪电缆线束测试仪主要用于测试电缆线束的连通性和良好性。
它可以通过检测线束的开路、短路、接地等情况,确定线束是否正常工作。
3. 检测步骤进行电线电缆检测的一般步骤如下:3.1 准备工作在进行电线电缆检测之前,需要对相关检测设备进行准备和校验。
确保设备的正常工作和准确性。
3.2 检测电缆的绝缘状况使用电缆绝缘测试仪对电缆的绝缘状况进行测试。
首先,将测试设备连接到待测电缆的两端,并设置测试仪的测试参数。
然后,对电缆施加高电压,观察测试仪的显示结果,以确定电缆的绝缘状况是否符合要求。
3.3 检测电缆的连通性使用电缆线束测试仪对电缆的连通性进行测试。
将测试设备连接到待测电缆的两端,观察测试仪的显示结果。
如果显示结果正常,则表示电缆的连通性良好;如果显示结果异常,则需要进一步检查和修复。
3.4 检测电缆的故障位置使用电缆故障测试仪对电缆的故障位置进行测试。
首先,将测试设备连接到待测电缆的一端,并设置测试仪的测试参数。
电线电缆类检测仪器符合GB、IEC、ASTM、UL、VDE、CSA、DIN、JIS、JWDS、JASO等系列标准;渗透行业电脑\设备用线、民用照明线缆、架空线缆、通讯线缆、矿用线缆、设备用线缆、船用线缆、航空线缆、铁路\公路用线缆等等。
我们从最专业的角度帮您规化实验室、建立实验室。
我们研发、生产电线电缆检测仪器涉及行业标准如下:1、GB/T2951-2008、IEC60811-1-1:2001《电线和光缆绝缘和护套材料通用试验方法》。
2、GB/T3048-2008《电线电缆电气性能试验方法》。
3、GB5023-2008、IEC60227-1:2003《额定电压450/750V及以下聚氯乙稀绝缘电缆》\GB5013-2008、IEC60245-1:2003《额定电压450/750V及以下橡胶绝缘电缆》以及CCC认证仪器。
4、汽车和铁道用线缆仪器配置:符合QC/T730、JIS C3406、JASO D611、JASO D608、JB/T8139《汽车用薄壁绝缘低压电线》GB/T12528-2008、JB8145、TB/T1484《铁路机车车辆电缆订货技术条件》、GB/T14820-2009《公路车辆用高压点火电线》、GB/T5054《道路车辆多芯连接电缆》QC/T29106-2004《汽车用低压电线束技术条件》、GB8410、FMVSS571.302、Directive 95/28/EC、BS AU 169a、ISO 3795、ULC 564.2《汽车内饰材料的燃烧特性》、TB/T2227、JIS C3005、SAE J1128、DIN5510-4-6、DIN72551-5、ISO6722、NFR13414、NF13415、HB6675、BS G189等要求配置。
5、特种线缆仪器配置:MT818-2009系列《煤矿用阻燃电缆》、GB/T12972系列《矿用橡套软电缆》GB13033系列《额定电压750V及以下矿物绝缘电缆及终端》JB/T2171《额定电压450/750V及以下农用直埋铝芯塑料绝缘塑料护套电线》JB5332《额定电压3.6-6kV 及以下电动潜油泵电缆》GB12527《额定电压1 kV及以下架空绝缘电缆》、GB14049《额定电压10KV、35KV架空绝缘电缆》JB8734系列《额定电压450/750V及以下聚氯乙烯绝缘电缆电线和软线》、JB8735《额定电压450-750V及以下橡皮绝缘软线和软电缆》。
电缆校直度
一、 电缆校直度概述
电缆校直度测试,是指检查电缆的校正,以便使它们的芯片符合有关的规定和标准。
一般用于电缆装配结构的质量检查和检验,如电缆和线圈的耦合,或测量表面电流和电线杆的接线情况。
电缆的校直度测试,可以帮助消费者避免使用抗拒性和非常低的绝缘的电缆,从而减少电子产品的故障率。
二、 电缆校直度检测设备
1. 单线测试仪:单线测试仪是用于测量电缆校直度的测试仪器,能够准确地测量单线的弯曲程度,及时发现潜在的问题,为电子产品的安全提供强有力的保障。
2. 校正器:校正器是用于测量电缆校直度的设备,可以准确地测量电缆的校直度,在发现问题的同时,可以迅速采取纠正措施,为电子产品的安全提供有效的保障。
3. 校准器:校准器是一种用于测量电缆校直度的设备,可以测量电缆的校直度,并及时发现可能存在的问题,从而提高电子产品的稳定性和可靠性。
三、 电缆校直度检测技术
1. 测量技术:电缆校直度检测一般采用测量技术。
通过对电缆校直度进行测试,可以准确地测量电缆的弯曲程度,及时发现潜在的问题,从而及时采取纠正措施,为电子产品的安全提供有效的保障。
2. 检查技术:电缆校直度检测也采用检查技术。
通过对电缆校直度的检查,可以准确地检查电缆的校直度,及时发现潜在的问题,从而及时采取纠正措施,为电子产品的安全提供有效的保障。