兖矿集团红黄牌牌标准模板
- 格式:doc
- 大小:40.50 KB
- 文档页数:14
采煤工作面牌板制作规格图编制单位:使用地点:综采工作面专业领导:编制日期:2011年11月11日要求完成日期:年月日1、开工牌板:0.5×0.4 (M)(长×宽),左上角带“局徽”标志。
采用钢板综采一区、综采二区、综采三区各做两块,在“不、黑框”后面加磁铁。
2、人名牌:0.05×0.08(M ),每个人名制作2块。
采用钢板,保证人名牌能例:班组长名单:、崔洪涛、郭新康、张传金、王广海、赵传德、张相刚、范海伟、 王延滨、杜少强、付吉常、牛庆林、王安生、刘守高、杨根东、周恩群、刘新 峰、史玉清、李大广安监员名单:侯小旺、范培全、何林、许卢方、李宗宝、王兴斌、牛玉来、陈乐、陈新利、姚树利、尹承民、王传学3、电器设备标识牌: 0.2×0.1(M )采用铝合金板 1、馈电开关 (3块) ;2、煤机开关 (1块) 3、真空开关 (3块) ;4、电表 (1块)注:底色是白色,字体是红色并凸起,四周带花边。
注:底色是白色,字体是红色并凸起,四周带花边。
5、组合开关 (1块);6、转载机开关 (1块)7、运输机开关 (1块) 8、皮带开关 (1块) 9、1#泵开关(2块),2#泵开关 (2块),10、潜水泵开关(6块) 综采一区、综采二区、综采三区各做一套。
4、电器设备按钮标识牌: 0.1×0.08(M )采用铝合金板 例:1)、1#泵按钮(2个)、2泵按钮(2个)、综采一区、综采二区、综采三区各做一套。
5、乳化泵水箱:0.25×0.40(M ),(2块)采用铝合金板综采一区、综采二区、综采三区各做一套。
注:底色是白色,字体是红色并凸起,四周带花边。
注:底色是白色,字体是红色并凸起,四周带花边。
注:底色是白色,字体是红色并凸起,四周带花边。
注:底色是白色,字体是红色并凸起,四周带花边。
6、截止阀标志牌: 0.06×0.10(M ),采用铝合金板 例:做01-20号,综采一区、综采二区、综采三区各做一套。
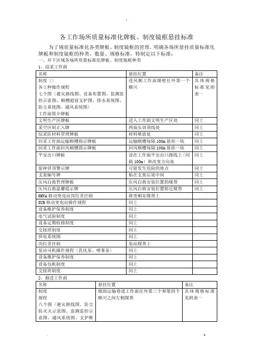
各工作场所质量标准化牌板、制度镜框悬挂标准为了规范质量标准化各类牌板、制度镜框的管理,明确各场所悬挂质量标准化牌板和制度镜框的种类、数量、规格标准,特制定以下标准:
一、井下区域各场所质量标准化牌板、制度镜框种类
1、综采工作面
2、掘进工作面
3、中央(采区)变电所
4、临时变配点
5、采区水仓
6、中央水泵房
7、皮带输送机
8、刮板输送机
9、避灾路线
10、辅助运输线路
10、各类通风牌板
11、洗车硐室
12、消防材料库
13、井下调度值班室(急救站)
14、、井下炸药库
15、行人斜井
16、材料提升斜井
17、主斜井
18、各类管路、电缆
19、通风队施工区域
20、生产准备队施工区域。
各工作场所质量标准化牌板、制度镜框悬挂标准为了规范质量标准化各类牌板、制度镜框的管理,明确各场所悬挂质量标准化牌板和制度镜框的种类、数量、规格标准,特制定以下标准:一、井下区域各场所质量标准化牌板、制度镜框种类1、综采工作面名称悬挂位置备注制度()各工种操作规程七个图(避灾路线图、设备布置图、监测监控示意图、顺槽超前支护图、排水系统图、防尘系统图、通风系统图)工作面简介牌板进风侧工作面煤壁往外第一个横川内具体规格标准见附表一文明生产区牌板进入工作面文明生产区处同上采空区禁止入内牌两端头切顶线处同上综采队材料管理牌板材料堆放处同上回采工作面运输顺槽指示牌板运输顺槽内每隔100m悬挂一块同上回采工作面回风顺槽指示牌板回风顺槽内每隔100m悬挂一块同上安全出口牌板设在工作面安全出口路线上(间隔100m)和改变方向处同上当心冒顶警示牌可能发生危险的地点同上支架编号牌贴在支架后梁中间同上压风自救管理牌板压风自救安装位置的煤帮同上压风自救温馨提示牌压风自救安装位置附近煤帮同上6MVA移动变电站岗位责任制移变硐室煤帮上SUB移动变电站操作规程同上设备维护保养制度同上电气试验制度同上设备定期检修制度同上交接班制度同上供电系统图同上岗位责任制泵站煤帮上泵站司机操作规程(乳化泵、喷雾泵)同上设备维护保养制度同上设备包机制度同上交接班制度同上2、掘进工作面名称悬挂位置备注制度规程八个图(避灾路线图、防尘防灭火示意图、监测监控示意图、通风系统图、支护断面图、进刀工艺流程图、作业循环图、设备布置图)工作面简介牌板辅助运输巷道工作面往外第三个和第四个横川之间左侧煤帮具体规格标准见附表一文明生产区牌板进入工作面文明生产责任区处煤帮醒目的位置同上煤帮(顶板)未支护牌板未支护的顶帮区域同上顶板离层仪管理牌板安装离层仪处西北角煤帮上同上巷道标志牌板巷道“十”或“丁”字口处顶板中间位置同上电话标志牌板电话旁边便于观看的煤帮位置同上掘进队材料堆放牌板材料堆放处同上局扇管理牌板距局扇2米范围内同一侧煤帮上同上局扇包机牌板悬挂于局扇上便于观看处同上压风自救管理牌板压风自救安装位置的煤帮同上压风自救温馨提示牌压风自救安装位置附近煤帮同上防突管理牌板同上3、中央(采区)变电所名称悬挂位置备注场所名称标志牌板门的两边具体规格标准见附表一非工作人员禁止入内牌板门的两边同上九个相关制度各工作操作规程图纸室内墙壁同上禁止合闸牌板禁止合闸的开关上同上设备完好牌设备正面同上设备入井许可证牌设备正面同上电缆指向牌电缆表面同上设备标志牌设备上吊挂同上电压等级牌设备正面同上设备状态牌设备上吊挂同上停送电牌停送电开关上同上主要大型设备编号牌设备上放置同上工作牌工作地点处同上灭火器材管理牌板消防沙箱上同上高压危险禁止牌高压开关上吊挂及其附近放置同上正在检修不准送电指示被检修开关或线路的上一级开关上吊同上牌挂当心触电牌板易发生触电危险的设备或设施上同上设备编号牌设备正面同上4、临时变配点名称悬挂位置备注场所名称标志牌板门的两边具体规格标准见附表一非工作人员禁止入内牌板门的两边同上三个制度(设备运行维护保养制度、设备定期检变配点内煤帮上同上修制度、电气试验制度)各种操作规程禁止合闸牌板禁止合闸的开关上同上设备完好牌设备正面同上设备入井许可证牌设备正面同上电缆指向牌电缆表面同上设备标志牌设备上吊挂同上电压等级牌设备正面同上设备状态牌设备上吊挂同上停送电牌停送电开关上同上主要大型设备编号牌设备上放置同上工作牌工作地点处同上灭火器材管理牌板消防沙箱上同上高压危险禁止牌高压开关上吊挂及其附同上近放置正在检修不准送电指示牌被检修开关或线路的上同上一级开关上吊挂当心触电牌板易发生触电危险的设备同上或设施上设备编号牌设备正面同上5、采区水仓名称悬挂位置备注场所名称标志牌板门的两边具体规格标准见附表一要害场所闲人免进牌板门的两边同上大型水泵编号牌设备或设施上吊挂同上设备完好牌设备正面同上设备入井许可证牌设备正面同上设备编号牌设备正面同上6、中央水泵房名称悬挂位置备注场所名称标志牌板门的两边具体规格标准见附表一要害场所闲人免进牌板门的两边同上九个相关制度各工种操作规程图纸室内墙壁同上大型水泵编号牌设备或设施上吊挂同上大型设备包机牌设备上吊挂同上主要设备技术特征牌板室内放置同上设备完好牌设备正面同上设备编号牌设备正面同上开关标识牌水泵阀门上同上设备入井许可证牌板设备正面同上7、皮带输送机名称悬挂位置备注禁止乘输送带牌板禁止乘人的带式输送机,每隔50米设一个具体规格标准见附表一必须桥上通过牌板设过桥处同上①主提升皮带六个制度一个规程(要害场所管理制度、岗位责任制度、交接班制度、干部上岗检查制度、巡回检查与定期检修制度、设备包机制度、操作规程)四个图纸(皮带运输系统图、电气原理图、皮带制动液压图、巡回检查路线图)②主运输皮带四个制度一个规程(岗位责任制度、交接班制度、巡回检查与定期检修制度、设备包机制度、操作规程)技术特征卡巡回检查线路图③顺槽皮带四个制度一个规程(岗位责任制度、交接班制度、巡回检查与定期检修制度、设备包机制度、操作规程)技术特征卡主提升皮带机房墙壁、主运输皮带机头硐室内或皮带机头靠行人道一侧的煤帮上同上8、刮板输送机名称悬挂位置备注必须桥上通过牌板设过桥处具体规格标准见附表一六个制度一个规程(设备包机刮板输送机机头行人侧煤帮同上制度、设备运行维护保养制度、上设备定期检修制度、岗位责任制、交接班制度、巡回检查制度、操作规程)9、避灾路线名称悬挂位置备注避水灾路线牌巷道煤帮同一侧,沿避灾路具体规格标准见附表一线每隔100m悬挂,拐弯处、“十”和“丁”口处必须悬挂避瓦斯·煤尘·火灾路线牌同上同上10、辅助运输线路名称悬挂位置备注巷道指向牌板辅助运输线路上分叉口具体规格标准见附表一主要巷道标志牌板在巷道入口处同上转弯标志牌板转弯路段的入口处顶板同上会车牌板会车处的煤帮上同上乘车牌板乘车点的煤帮上同上转弯减速牌板车辆行驶巷道的转弯处同上车辆靠中间行驶牌板车辆行驶巷道的顶部同上同上限速牌板需要限速的路段车辆行驶方向的右侧煤帮禁行牌板禁行路段入口处的巷道顶部同上转向指示牌板转弯处前方的煤帮上同上候车室灯箱井底候车处顶板上同上运人车停车点牌板井底车场停车点的巷道顶板同上里程标志牌运输线路的煤帮上同上路线提示牌板行人行车路线的拐弯处同上驶入各工作面指示牌板各工作面入口煤帮上同上鸣笛指示牌机动车通过巷道交叉处和弯同上道前20-30m鸣笛处10、各类通风牌板名称悬挂位置备注密闭检查牌板密闭墙体正中位置具体规格标准见附表一风门管理牌板风门右侧墙壁同上风桥管理牌板风桥下部行人侧墙壁正中位同上置调节风窗牌板调节风窗右侧墙壁同上隔爆水棚牌板水棚行人侧墙壁正中位置同上煤层注水管理牌板注水钻场3米范围同上测风牌板测风站一侧墙壁正中位置同上瓦斯检查牌板采面设在切眼探头处,掘进同上面设在回风流与全风压混合处横川范围内。
煤矿各类管理牌板制作尺寸标准煤矿作为国民经济支柱产业,尤其是在我国能源结构中的地位举足轻重。
随着经济的发展和市场需求的增加,煤矿的产值不断提升。
但是,在煤矿的生产过程中,由于工作环境恶劣以及人工疲劳等因素,使得煤矿发生了不少安全事故。
因此,煤矿管理尤其重要。
在煤矿中,各类管理牌板是监管部门对煤矿生产管理的重要工具。
为了确保各类管理牌板的制作尺寸标准,防止出现安全隐患,本文将为大家介绍煤矿各类管理牌板制作尺寸标准。
一、煤矿各类管理牌板的种类煤矿中各类管理牌板主要有:煤矿矿山安全生产牌、煤矿通用禁令牌、煤矿通行牌、煤矿矿工证、煤矿工作证、煤矿安全许可证等等。
煤矿矿山安全生产牌、煤矿通用禁令牌和煤矿通行牌是煤矿最常见的管理牌板。
二、煤矿矿山安全生产牌制作尺寸标准煤矿矿山安全生产牌是用来告知工作人员矿山安全生产管理制度的牌板。
煤矿矿山安全生产牌基本规格为A4或A3,上面一般需要印有公司名称、安全标准和安全措施等内容。
制作尺寸标准一般为800*600mm。
三、煤矿通用禁令牌制作尺寸标准煤矿通用禁令牌是用来告知工人有哪些工作是禁止的和需要注意什么的牌板。
这种牌板一般规格为A4,上面通常标识禁止性标志、文字内容和其它必要信息。
制作尺寸标准一般为210*297mm。
四、煤矿通行牌制作尺寸标准煤矿通行牌通常需要用来告诉人员哪些区域需要谨慎通行的牌板。
这种牌板一般规格为A4,上面包含了通行标志、文字内容和煤矿内部规定的必要信息。
制作尺寸标准一般为210*297mm。
五、煤矿各类管理牌板的材质煤矿各类管理牌板的材质应当具有一定的防火、防腐、防水和防尘等性能,以确保其维护和使用的持久性和可靠性。
一般情况下,煤矿的各类管理牌板均采用进口高强度耐磨性塑料制成,也可以选用铝制、亚克力板等制成。
六、结语在煤矿生产过程中,各类管理牌板作为煤矿生产管理的必要工具,对确保安全生产很重要。
为了防止出现安全隐患,煤矿矿山安全生产牌、煤矿通用禁令牌、煤矿通行牌等各类管理牌板的制作尺寸标准十分重要。
兖矿集团有限公司安全生产“红黄牌”和严重“三违”标准一、煤矿、非煤单位通用红牌标准1. 设计、方案、规程、措施的编制和审批违反规定及存在重大漏项的;2. 单项工程、零星工程无措施施工的;3. 现场作业不按规定设置安全设施或佩带安全防护用具的;4. 带有闭锁、连锁的机电设备保护装置失效或未投入使用的;5. 试验涉及重大安全的新技术、新工艺、新设备、新材料,试验方案及安全技术措施未经公司审批而擅自进行试验的;6. 检修作业没有明确施工负责人和安全负责人,或施工负责人和安全负责人擅离工作现场的;机电检修无措施施工或未办理相关票证的;7. 谎报和瞒报事故的;8. 发生事故无调度记录或涂改、伪造、销毁调度记录的;9. 重大问题或 A 级隐患未在规定期限内整改的;10. 紧急情况下应下达停产撤人命令而没有下达的;11. 已挂黄牌而未在规定期限内整改的;12. 其他严重危及安全的。
三、非煤单位红牌标准57. 电气设备应安装保护接地装置而未安装的;接地保护不符合规定的;58. 手持电动工具未使用漏电保护器的;59. 防爆区域内防爆电气设备失爆或防爆设施失效的;60. 机电检修无措施施工或未办理相关票证的;61. 化学品生产单位吊装、动火、动土、断路、高处、设备检修、盲板抽堵、受限空间作业未按规范要求办理安全作业证的;62. 6kV 及以上的高压电气作业不执行“工作票”、“操作票”的;63. 容易碰到的、裸露的带电体及机械外露的转动和传动部位护罩和遮拦等防护设施不全或防护功能失效的;64. 作业场所不按规定设置安全设施、职业危害防护设施的,作业场所防坠落等防护设施不全的;65. 在用特种设备未按规定进行登记注册未取得使用许可证的,特种设备的管理和使用不符合有关规定的;66. 使用明令禁止使用或淘汰设备、工艺的;67. 危险化学品生产、储存、运输、使用、经营和运输未取得相关许可手续的;68. 危险化学品的生产、储存、使用、经营场所和运输未按规定设置安全设施、设备或安全设施、设备失效的;69. 未按规定设置可燃气体、有毒气体检测报警装置的,未按规定配备和使用便携式可燃气体、有毒气体检测报警器或其他安全防护器具和用品的;70. 建设项目安全设施专项设计存在漏项,未按安全设施专项设计内容施工,存有安全隐患的;71. 施工队伍无资质或资质不符合要求的,未取得安全生产许可证的;72. 建筑施工工地临时用电不规范、安全防护设施不齐全,存在安全隐患的;73. 起吊作业重物坠落波及范围内站人的,超载起吊的,起吊索具不完好的以及起吊装置不牢固、起吊装置使用不当的;74. 销毁或删除保存期内重要电子信息的;75. 发生人身事故、重大非人身事故无调度记录或涂改、伪造、销毁调度记录的。
关于学习排查杜绝红黄牌现象的通知各部室、车间:根据兖矿集团安发【2010】273号文件规定,结合公司实际情况,现将生产、办公现场挂红、黄牌执行标准及现象整理汇总如下,各单位要根据标准认真组织全员学习,确保每一名员工都熟悉掌握这些标准。
同时,对照每条标准,对各自区域进行全面排查,彻底整改,杜绝现场存在挂红、黄牌现象。
一、挂“红牌”问题项(共45项)1.防爆区域内防爆电气设备失爆的或防爆设施失效的。
2.供用电保护不符合规定的;建筑施工现场临时用电工程专用的电源中性点直接接地的220/380V 三相四线制低压电力系统,不采用三级配电系统、TN-S 接零保护系统、二级漏电保护系统的。
3.手持电动工具未使用漏电保护器或使用不当的。
4.容易碰到的、裸露的带电体及机械外露的转动和传动部位护罩和遮拦等防护设施不全或防护功能失效的。
5.高压电气设备检修、操作不执行“工作票”、“操作票”制度的。
6.电气作业不按规定设置安全设施或佩带安全防护用具的。
7.机械设备、生产装置未按规定加装连锁装置或连锁装置失效的。
8.在用特种设备未按规定进行登记注册并取得使用许可证的,以及特种设备的管理和使用不符合有关规定的。
9.在用特种设备未经定期检验或检验不合格的;安全附件、连锁装置、测量调控装置等保护装置不全、失效的。
10.危险化学品生产、储存、运输或使用未取得相关许可手续的。
11.危险化学品的生产、储存和使用场所未按规定设置安全设施、设备或安全设施、设备失效的。
12.有毒有害气体区域未按规定配备安全防护用品的。
13.工业气瓶的管理和使用不符合有关规定的。
14.采用和使用国家明令禁止使用的工艺、设备的。
15.高处作业无安全防护设施或达不到规定要求的。
16.现场安全管理混乱,职责不清,危及安全生产的。
17.禁烟区域内抽烟或有抽烟现象的(烟灰、烟味、烟盒、火机)。
18.无证、无令、酒后驾驶各种机动车辆、人货混载(包括吊车、叉车等)的。
19.叉车上乘2人以上(包括2 人)的现象;用起重设备提升人员作业的。
生产作业现场红黄牌执行标准和严重“三违”标准及处罚规定为认真贯彻“安全第一、预防为主、综合治理”方针,推进能化公司安全生产制度建设,落实《xx集团有限公司关于加强安全基础管理实现安全发展的意见》(xx集团董发号)精神,加大安全监督检查力度,预防控制违章指挥、违章作业、违反劳动纪律的行为,保障安全生产,根据集团公司《xx集团有限公司生产作业现场红黄牌执行标准和严重“三违”标准及处罚规定》,特制定本规定。
一、矿井挂红牌停止作业或设施停止使用执行标准1、局扇无计划停电停风造成瓦斯超限的。
2、在石门揭煤、煤巷掘进、采煤工作面不按规定留设安全屏障的。
3、采掘工作面及其他作业场所出现高温烟火点或CO 超限的。
4、排放瓦斯时未执行排放瓦斯分级管理制度、没有排放瓦斯安全技术措施或不按排放瓦斯安全技术措施执行的。
5、在有煤与瓦斯突出危险的作业地点未按规定采取“四位一体”防突措施的;鉴定为高瓦斯矿井而有煤与瓦斯突出预兆的采掘工作面,没有采取“四位一体”防突措施的。
-4-6、瓦斯积聚未按规定进行处理或盲巷未及时封闭的。
7、改变通风系统(包括一翼或一个水平、一个采区)和巷道贯通未制定安全技术措施的。
8、高瓦斯、突出矿井采掘工作面放炮未执行放炮停电制度的。
9、风量不足的工作地点;瓦斯超限作业地点。
10、不符合规定的串联通风地点;出现循环风的局部通风地点。
11、井下巷道存在厚度超过2mm,连续长度超过5m 的煤尘堆积的。
12、局部通风机未按规定设置风电、瓦斯电闭锁的;局部通风机供电未执行“三专”的。
局部通风机未执行双风机双电源自动切换的。
13、矿井供电不符合“双回路”要求的。
高低压馈电线路或电气设备缺少或甩掉过流、漏电、接地保护的;井下电气设备超整定值运行的。
14、主要提升绞车、胶带输送机保护装置不齐全或保护失效的。
15、井下电气设备不符合矿用标准和防爆性能要求的。
16、井下使用明令禁止使用或淘汰的设备的。
17、斜巷防跑车及跑车防护装置不符合规定的。
兖矿科蓝煤焦化有限公司红黄牌制度一、挂红牌停止作业或设施停止使用执行标准1.防爆区域内防爆电气设备失爆的或防爆设施失效的。
2.供用电保护不符合规定的;建筑施工现场临时用电工程专用的电源中性点直接接地的220/380V三相四线制低压电力系统,不采用三级配电系统、TN-S接零保护系统、二级漏电保护系统的。
3.手持电动工具未使用漏电保护器或使用不当的。
4.容易碰到的、裸露的带电体及机械外露的转动和传动部位护罩和遮拦等防护设施不全或防护功能失效的。
5.机械设备、生产装置未按规定加装连锁装置失效的。
6.在用特种设备未按规定进行登记注册并取得使用许可证的。
7.在用特种设备未经定期检验或检验不合格的;安全附件、连锁装置、测量调控装置等保护装置不全、失效的。
8.危险化学品生产、储存、运输或使用未取得相关许可手续的。
9.危险化学品的生产、储存和使用场所未按规定设置安全设施、设备或失效的。
10.有毒有害气体区域未按规定配备安全防护用品的。
11.工业气瓶的管理和使用不符合有关规定的。
12.采用和使用国家明令禁止使用的工艺、设备的。
13.高处作业无安全防护设施或达不到规定要求的。
14.施工队伍无安全资质或无安全措施施工的。
15.现场安全管理混乱,职责不清,危及安全生产的。
二、挂黄牌限期整改执行标准1.电气保护设置不全,保护整定不合理的;设备接地装置或闭锁装置不符合要求的。
2.未按照规定进行电气预防性试验或试验结果不符合要求而未整改的。
3.变(配)电所绝缘安全工器具数量不足,未按规定检验或存在问题的。
4.无防止小动物进入配电室的防护设施或防护设施失效的。
5.电气设备超期服役,电缆老化的。
6.生产作业现场照明不足的,事故应急照明不能正常使用的。
7.安全监控仪器仪表损坏的。
8.未按规定设置避雷防护装置或防护装置不合格的。
9.未与工业气瓶充装单位签订托管协议的。
10.未按规定对重大危险源进行管理的。
11.未按规定编制应急预案或应急救援人员、器材、设备不落实的。
红黄牌管理规定:为认真贯彻“安全第一、综合治理"的安全方针,抓好落实责任,推进我矿安全生产工作健康持续开展,根据兖矿集团安发[2007]4号、兖矿集团安发【2005】181号、兖矿集团发【2005】497号,制定了《赵楼煤矿生产作业现场作业红黄牌管理规定》;一、指导思想以“安全第一、预防为主、综合治理”安全生产方针为指导,认真贯彻落实党和国家的煤矿安全生产法律及上级有关文件精神,推进矿井安全生产法制化建设,加大生产作业现场安全监督检查力度,明确责任,建立安全生产长效机制,创建本质安全型矿井,确保矿井安全生产。
二、职责范围划分及指标分配(一)矿根据安全生产需要要适时组织安全监督检查,矿党政主要领导任组长,分管领导任副组长,安监处牵头组织,安监处和业务科室根据工作需要派人员参加; (二)安监处是矿井专职安全监督检查部门,在矿党政的领导下,对全矿所属各单位行使安全监督检查职能,组织协调各业务科室开展安全监督检查工作;(三)分管安全生产的副矿(处)级以上领导对分管范围内的工作负有安排、协调、监督、检查职责,定期深入工作现场,检查、指导工作,每年必须完成一个挂牌指标,(四)各生产副总工程师对分管范围工作负有协调、解决、监督、检查职责,定期组织开展专业检查、召开专业会议。
各生产副总每半年必须完成一个挂牌指标; (五)各业务科室(安监处、调度室、生产技术科、机电科、综采办、地测科、通防科)按业务职责范围行使安全监督检查职能,负责各自安全技术管理工作,组织开展以业务保安为主要内容的专项安全检查,各业务科室每季度必须完成一个挂牌指标。
三、责任追究与处罚(一)在生产作业现场安全检查中,对现场存在重大事故隐患达到挂红牌标准的,坚决给予停止作业红牌处理,并对责任单位罚款10000—50000元;现场存在隐患达到黄牌标准的,坚决给予限期整改黄牌处理,并罚单位5000—20000元;(二)责任单位被挂红黄牌后,对分管领导、业务科室负责人及有关人员的处罚按照《赵楼煤矿安全生产责任连带处罚制度》(兖菏能化发【2009】14号)执行;(三)任何单位、任何个人不得以任何理由妨碍或干扰安全检查活动,否则每次罚款100—500元;(四)责任单位不配合检查,故意刁难检查人员,造成恶劣影响的,视情节予以500-1000元罚款,安全办公会做检查;(五)各业务科室必须按照规定完成挂红黄牌指标,未完成的按照科室在册人数每人罚款100元,科室负责人加罚100元,并在安全办公会上通报批评;(六)所挂红黄牌必须严格执行红黄牌标准,严禁随意挂牌.否则,所挂黄牌不予承认,并对挂牌者罚款200元。
各工作场所质量标准化牌板、制度镜框悬挂标准为了规范质量标准化各类牌板、制度镜框的管理,明确各场所悬挂质量标准化牌板和制度镜框的种类、数量、规格标准,特制定以下标准:
一、井下区域各场所质量标准化牌板、制度镜框种类
1、综采工作面
2、掘进工作面
3、中央(采区)变电所
4、临时变配点
5、采区水仓
6、中央水泵房
7、皮带输送机
8、刮板输送机
9、避灾路线
10、辅助运输线路
10、各类通风牌板
11、洗车硐室
12、消防材料库
13、井下调度值班室(急救站)
14、、井下炸药库
15、行人斜井
16、材料提升斜井
17、主斜井
18、各类管路、电缆
19、通风队施工区域
20、生产准备队施工区域。
煤矿采煤专业红黄牌内容第一章黄牌1、矿压显现较大未采取针对性措施,巷道动压大未采取水力切顶卸压技术等有效措施控制顶板的。
2、工作面支架连续出现3架及以上前梁不接顶、错差超过规定的。
3、矿压监测数据存在弄虚作假,未进行月分析,顶板监测数据发生变化未能及时反馈到基层队组的。
4、规程、措施编写不符合规定,错误、纰漏严重的;措施编写针对性较差,现场发生变化未及时补充修改的;规程、措施学习贯彻不符合规定而组织生产作业的;(考试不合格或未参加贯彻、考试的人员参与施工);作业规程未进行复审的。
5、综采工作面初采前未投用顶板监测系统开始试生产的。
6、执行上级规定不力,造成现场出现顶板管控不到位的。
7、采(盘)区内同时生产的采煤工作面个数超出《煤矿安全规程》第九十五条的规定:一个采(盘)区内同一煤层的一翼最多只能布置1个采煤工作面和2个煤(半煤岩)巷掘进工作面同时作业。
一个采(盘)区内同一煤层双翼开采或者多煤层开采的,该采(盘)区最多只能布置2个采煤工作面和4个煤(半煤岩)巷掘进工作面同时作业。
8、采煤工作面倾角大于15°时,液压支架未采取防倒、防滑措施的。
9、两巷封口柱支护支设要求不符合《作业规程》规定的(间排距3处超过要求100mm或2根单体液压支柱初撑力低于要求值)。
10、两巷端头支护支设要求不符合《作业规程》规定的(间排距3处超过要求100mm或连续2架支架或连续3根单体液压支柱低于要求值)。
11、超前支护支设要求不符合《作业规程》规定的(超前支护初撑力连续2架支架或连续3根单体液压支柱低于要求值)。
12、乳化液配制浓度现场无检测手段,现场检测浓度低于《作业规程》要求的或者泵站压力未达到《作业规程》要求的。
第二章红牌1、综采工作面回采期间安全出口不符合《煤矿安全规程》97条规定的,现场未及时采取有效措施的。
2、工作面支架连续3架立柱存在漏液、窜液现象,或连续3架初撑力均低于《作业规程》规定的。
3、倾斜、急倾斜工作面顶板管控不到位,工作面连续3架出现漏顶,或出现连续3架(含3架)及以上支架歪斜、挤架、咬架等现象的。
兖矿集团有限公司
关于修订印发《兖矿集团有限公司生产作业现场红黄牌执行标准和严重”三违”标准及处罚规定》的通知
各专业公司, 各能化公司, 各矿处, 集团公司各部室、各直属机构: 为认真贯彻”安全第一、预防为主、综合治理”方针, 促进安全生产责任落实, 推动集团公司安全有效发展, 进一步落实《兖矿集团有限公司董事局关于加强安全基础管理实现安全发展的意见》( 兖矿集团董发〔〕74号) 精神, 针对当前集团公司发展实际, 对《兖矿集团有限公司生产作业现场红黄牌执行标准和严重”三违”标准及处罚规定》进行了修订, 现印发给你们, 请认真贯彻执行。
二〇一〇年五月五日
兖矿集团有限公司
生产作业现场红黄牌执行标准和严重
”三违”标准及处罚规定
为认真贯彻”安全第一、预防为主、综合治理”方针, 促进安全生产责任落实, 推动集团公司安全有效发展, 进一步落实《兖矿集团有限公司董事局关于加强安全基础管理实现安全发展的意见》( 兖矿集团董发〔〕74号) 精神, 加大安全监督检查力度, 预防控制违章指挥、违章作业、违反劳动纪律的行为, 保障安全生产, 针对当前集团公司发展实际, 修订本办法。
一、矿井挂红牌停止作业或设施停止使用执行标准
1.风量不足的工作地点; 瓦斯超限作业地点。
2.不符合规定的串联通风地点; 出现循环风的局部通风地点。
3.高瓦斯矿井抽放措施落实不到位的; 煤与瓦斯突出矿井防突措施落实不到位的。
4.井下巷道存在厚度超过2mm, 连续长度超过5m的煤尘堆积的。
5.敞口盲巷未按规定封闭的。
6.高低压馈电线路或电气设备不按《煤矿安全规程》要求设置各项保护的; 电气设备超整定值运行的。
7.井下电气设备不符合矿用标准和防爆性能要求的。
8.井下使用明令禁止使用或淘汰的设备的。
9.容易碰到的、裸露的带电体及机械外露的转动和传动部位护罩和遮拦等防护设施不全或防护功能失效的; 井下作业地点防
坠落等防护设施不全的。
10.井下电气设备应安装保护接地装置而未安装的。
11.高压电气设备检修、操作不执行”工作票”、”操作票”制度的。
12.电气作业不按规定设置安全设施或佩带安全防护用具的。
13.主要提升绞车、胶带输送机保护装置不齐全或保护失效的。
14.起吊作业重物下站人的、超载起吊的、起吊索具不完好的以及起吊装置不牢固、不符合要求的。
15.采掘工作面生产系统不完善、安全设施不齐全组织生产的。
16.无措施施工或不按措施执行的。
17.采掘工作面没有开展支护质量监测的。
18.采掘工作面支护质量低劣, 危及安全的。
19.采掘工作面空顶范围超过规定或出现冒顶没有安排处理继续施工的。
20.采煤工作面超前支护距离达不到作业规程要求的。
21.采掘工作面有冲击地压危险, 没有编审防治实施方案和安全技术措施或未按其执行的。
22.斜巷施工耙装机固定不合格的; 耙装机或耙装机回头轮固定不合格的;耙装机耙斗与钢丝绳的联接不合格的。
23.巷道顶板离层值超过规定未及时采取加固措施的。
24.新型支护材料下井使用未经公司审查批准的。
25.掘进巷道在揭露老空前, 未采取探查老空安全措施的。
26.采掘机械装备紧停闭锁装置失效的。
27.斜巷防跑车及跑车防护装置不符合规定的。
28.小绞车安装、使用不符合规定的; 机车的闸、信号、连接装置不符合规定的。
29.斜巷人行车、斜巷架空乘人装置安全设施不符合规定的。
30.装封车不符合规定的。
31.擅自在矿井各类保安煤( 岩) 柱中进行采掘活动的。
32.有突水危险的区域, 未建立防水闸门或未采取其它防治水措施而擅自采掘的。
33.水体下和受底板承压水威胁的采掘工作面方案设计未按规定审批的。
34.有出水征兆而未及时采取撤人措施的。
35.有疑不探的, 未彻底疏放上部老空积水而顶水采掘的。
36.提供虚假图件或图纸资料错误, 影响事故抢险救灾的。
二、矿井挂黄牌限期整改执行标准
1.通防机构设置不健全或通防管理技术人员配备不足的。
2.局部通风风筒出口距迎头距离不符合规定的。
3.局部通风机未按照规定设置风电、瓦斯电闭锁的; 局部通风机供电不符合规定的; 未按规定进行局部通风机切换试验的。
4.防尘设施不齐全或使用不正常的; 消防设施不全的。
5.通风设施质量低劣的; 风门不闭锁的; 临时通风设施使用时间超期( 7天) 的。
6.采空区封闭不符合规定的; 防灭火措施落实不到位的。
7.矿井安全监测传感器不按规定安设或示值超差的。
8.采煤工作面安全出口宽度或高度达不到规定要求的。
9.电气设备保护接地装置制作规格、安装方式、连接方式不符合《煤矿安全规程》及《煤矿井下保护接地装置的安装、检查、测定工作细则》的。
10.未按规定进行高压电气设备、设施性能试验、继电保护整定试验、绝缘工器具和安全防护用品试验的。
11.电气作业”工作票”、”操作票”中应设置的安全措施填写不齐全, 不按规定签字或存在其它危及安全重大问题的。
12.电气设备继电保护定值整定与供电系统图、标志牌上标注不一致的。
13.积煤磨皮带、托辊及皮带磨机架的。
14.采掘工作面支护质量监测手段( 如液压支架未实现架架安设压力表、单体支柱现场无监测仪器等) 不满足要求的; 煤巷锚杆支护巷道未按规定进行顶板离层监测的。
15.采掘工作面使用的顶板安全仪器仪表有未经检测的, 或失效损坏超过3 台( 件) 的。
16.未按公司规定成立防冲机构, 配齐防冲专业技术人员的。
17.采煤工作面出现超过3棵单体支柱失效或液压支架出现超。