燃煤锅炉烟气处理大气课程设计
- 格式:pdf
- 大小:320.69 KB
- 文档页数:17
前言在目前,大气污染已经变成了一个全球性的问题,主要有温室效应、臭氧层破坏和酸雨。
而大气污染可以说主要是人类活动造成的,大气污染对人体的舒适、健康的危害包括对人体的正常生活和生理的影响。
目前,大气污染已经直接影响到人们的身体健康。
随着我国经济的高速发展,我国的二氧化硫污染越来越严重,必须通过有效的措施来进行处理,以免污染空气,影响人们的健康生活。
一、题目某燃煤锅炉房烟气净化系统设计二、目的通过课程设计进一步消化和巩固本课程所学的内容,并使所学的知识系统化,培养运用所学理论知识进行净化系统设计的初步能力。
通过设计,了解工程设计的内容、方法及步骤,培养学生确定大气污染控制系统的设计方案、进行设计计算、绘制工程图、使用技术资料、查阅有关设计手册、编写设计说明书的能力。
三、原始资料锅炉型号:SZL6-1.25-AII型,共2台(每台蒸发量为6t/h)所在地区:二类区。
2006年新建。
锅炉热效率:75%,所用的煤低位热值:20939kJ/kg,水的蒸发热:2570.8kJ/kg 锅炉出口烟气温度:160℃烟气密度:(标准状态下)1.34kg/m3空气过剩系数:α=1.3排烟中飞灰占煤中不可燃成分的比例:15%烟气在锅炉出口前阻力:800Pa当地大气压力:98kPa平均室外空气温度:15℃空气含水率(标准状态下)按0.01293kg/m3烟气的其它性质按空气计算煤的工业分析:C :65% H :4% S :1% O :4% N :1% W :7% A :18%净化系统布置场地如图1所示的锅炉房北侧20m 以内。
图2为锅炉立面图。
图1 锅炉房平面布置图 图2 锅炉房立面图四、 设计计算 (一)、用煤量计算每台锅炉的所需热量为:Q =蒸发量×水的蒸发热=6×103×2570.8=1.54×107kJ/h所需的煤量为:热η⨯n H Q =%75209391054.17⨯⨯=982.2kg/hH n ——煤的低位热值 η热——锅炉的热效率(二)、烟气量、烟尘和二氧化硫浓度的计算 以1kg 煤燃烧为基础,则重量(g ) 摩尔数(mol ) 产物摩尔数(mol ) 需氧数(mol) C 650 54.167 CO 2:54.167 54.167 H 40 40 H 2O: 20 10 S 10 0.3125 SO 2: 0.3125 0.3125O 40 2.5 O 2: 1.25 -1.25 N 10 0.714 N 2: 0.357 0 W 70 3.889 H 2O: 3.889 0 标准状态理论需氧数54.167+10+0.3125-1.25=63.23mol/kg=1.4163 m 3N /kg空气中含水量:10004.22181001293.03⨯⨯=0.01609(体积分数)1.标准状态下理论空气量0a V0a V =1.4163×4.78=6.77 m 3N /kg (干空气) 0a V =01609.0177.6-=6.88 m 3N /kg (湿空气)2.标准状态下理论烟气量0fg VCO 2: 54.167 mol/kgSO 2: 0.3125 mol/kgN 2:0.357+3.78×65.17=246.70 mol/kg H 2O: 20+3.889+0.01609⨯6.77= 24.0 mol/kg0fg V =10004.220.2470.2463125.0167.54⨯+++)(=7.28 m 3N /kg3.标准状态下实际烟气量fg Vfg V =0fg V +0a V (α-1)= 7.28+6.77×(1.3-1)=9.311 m 3N /kg标准状态下每台锅炉烟气流量总Q =fg V ⨯设计耗煤量 =9.311⨯982.2=9145.26 m 3/h4.标准状态下烟气中含尘浓度烟尘ρ烟尘ρ=Vd fgsh A ⨯=311.9%18%15⨯=2.90⨯103mg/m 35.标准状态下烟气中二氧化硫浓度2SO ρ2SO ρ=V so fgm )(2=311.91000643125.0⨯⨯=2.15×103 mg/m 3(三)、净化设备的选择1. 设备应达到的净化效率烟尘ρρηs-=1式中 ρs ——标准状态下锅炉烟所排放标准中的规定值,mg/m 3;ρ——标准状态下烟气污染物浓度,mg/m 3; 由于锅炉厂所在地区为:二类地区、2006年新建根据锅炉表1锅炉烟尘最高允许排放浓度和烟气黑度限值可知道:锅炉类别适用区域烟尘排放浓(mg/m 3) 烟气黑度Ⅰ时段Ⅱ时段 燃 煤 锅 炉自然通风锅炉 (<0.7MW(1t/h))一类区 100 80 1 二、三类区 150 120 其它锅炉 一类区 100 80 1 二类区 250 200 三类区 350 250 燃 油 锅 炉轻柴油、煤油 一类区80 80 1 二、三类区 100 100 其它燃料油一类区 100 80* 1 二、三类区200 150 燃气锅炉全部区域50501表1 锅炉烟尘最高允许排放浓度和烟气黑度限值I 时段:2000年12月31日前建成使用的锅炉;II 时段:2001年1月1日起建成的使用的锅炉(含在I 时段立项未建成或未使用的锅炉和建成使用的锅炉中需要扩建、改造的锅炉)。
环境工程专题课程设计大气污染控制工程设计说明书题目:某厂燃煤锅炉烟气除尘处理工程方案设计姓名:班级:环境工程0801学号:0813100123指导教师:成绩:浙江工商大学环境科学与工程学院2011年11月目录前言 (3)第一章工程概况 (3)1.1 设计条件1.2 设计要求第二章设计说明 (4)2.1 设计依据2.2 设计原则2.3 设计范围2.4 设计规模2.5 设计参数与指标第三章工艺选择 (6)3.1除尘技术简介3.1.1机械除尘器3.1.2 袋式除尘器3.1.3 电除尘器3.1.4湿式除尘器3.2 可供选择的除尘技术3.3 方案的技术比较3.4 方案确定第四章处理流程 (9)4.1 除尘系统4.2 除尘器系统4.3输灰系统4.4 控制系统4.5 供电装置第五章与其处理效果 (10)第六章主要设施与设备设计选型 (10)6.1 主要设施设计计算6.1.1 烟气流量与净化效率计算6.1.2 除尘器的选择与设计计算6.1.3 管道的设计计算6.1.4 风机的选择计算6.2 主要设备型号及技术参数确定第七章总图设计 (21)7.1 除尘器平面与立面布置图7.2 除尘器的总图7.3 电场布置图第八章技术经济分析 (21)8.1 综合技术经济指标8.2 人员编制8.3 工程概算8.4 运行费用分析第九章参考文献 (22)附图一除尘器平面与立面布置图附图二除尘器总图附图三电场布置图前言大气是人类赖以生存的最基本的环境因素,构成了环境系统的大气环境子系统。
一切生命过程,一切动物、植物和微生物都离不开大气。
大气为地球生命的繁衍,人类的发展,提供了理想的环境。
它的状态和变化,时时处处影响到人类的活动与生存。
造成大气污染的原因,既有自然因素又有人为因素,尤其是人为因素,如工业废气、燃烧、汽车尾气和核爆炸等。
随着人类经济活动和生产的迅速发展,在大量消耗能源的同时,也将大量的废气、烟尘物质排入大气,严重影响了大气的质量,特别是在人口稠密的城市和工业区域。
前言据统计,我国目前约有30万台中小型燃煤工业锅炉,耗煤量占全国原煤产量的1/3.而这些锅炉中,大部分没有安装脱硫设备,致使许多地区酸雨频频发生,严重危害了工农业生产和人体健康.因此,烟气脱硫是当前环境保护的一项重要工作.能用于烟气脱硫和除尘的设备很多,但要满足运转稳定可靠、不影响生产同时去除且压力降较小等要求,以袋式除尘器和旋流板为宜.1.设计任务书1.1.课程设计题目燃煤采暖锅炉烟气处理系统设计1.2.设计原始材料锅炉型号:SZL4-13型(额定热功率2.8米W),共3台设计耗煤量:600 千克/h·台烟气温度:160℃脱硫塔出口烟温:60℃标准状态下烟气密度:1.34千克/米3空气过剩系数:α=1.4锅炉外形尺寸:4866×3660×2550锅炉烟囱尺寸:Φ600排烟中飞灰占煤中不可燃成分的比例:16%烟气在锅炉出口前阻力:800Pa当地大气压力:97.86kPa冬季室外空气温度:5℃标准状态下空气含水:0.01293千克/米3烟气其他性质按空气计算煤的工业分析值:C=68% H=4% S=1% O=5%N=1% W=6% A=15% V=13%锅炉大气污染物排放标准(GB 13271-2001)二类标准:标准状态下烟尘浓度排放标准:200米g/米3标准状态下二氧化硫排放标准:900米g/米32.设计概况2.1.设计内容某燃煤采暖锅炉,烟气排放最大量Q=18450米3/h,烟气最高温度160℃,烟气含尘量2340米g/米3,烟气中二氧化硫含量1950米g/米3.2.2.设计依据《锅炉大气污染物排放标准》 GB13271-2001《袋式除尘器技术要求》 GB/T6719-2009《袋式除尘器性能测试方法》 GB12138-89《袋式除尘器安装技术要求与验收规范》 JB/T8471-1996《环境空气质量标准》 GB3095-19962.3.设计要求2.3.1.排放标准锅炉大气污染物排放标准(GB 13271-2001)二类标准:标准状态下烟尘浓度排放标准:200米g/米3标准状态下二氧化硫排放标准:900米g/米33.处理工艺设计3.1.除尘工艺设计3.1.1.各除尘器的简述离心式除尘器离心分离除尘器的工作原理是,利用烟气作旋转运动,依靠离心作用将烟气中粉尘分离出来.这种离心力要比单独靠中立获得的分离大得多,因而除尘较有效.它的结构简单,运行操作方便,可以分离捕集较细的粉粒,但除尘效率不高,约85%左右,阻力一般不大于1000Pa,因此,它被广泛应用于独立的除尘装置,也可作其他除尘器的预处理装置.洗涤式除尘器洗涤式除尘器是用液滴、液膜、气泡等洗涤含尘气体,使含烟气相互凝集,从而使尘粒得到分离的装置.其中应用最多的是文丘里洗涤除尘器,它的主要部件是文丘里管.压力水从文丘里管的喉口的小孔进入,高速的含尘烟气流通过喉口将水雾化成无数水滴,同时使尘粒粘附在所生产的水滴上.将这种气液混合物引入分离器,使水滴与尘粒分离,烟气得到净化.文丘里洗涤器的除尘效率一般在95%以上,它随液滴直径、喉管气速的增加而增加.当液滴直径比尘粒大50倍时,其除尘效率最高.这种除尘器结构简单,除尘效率高,水滴还能吸收烟气中的二氧化硫的三氧化硫.其缺点是阻力大,需要有污水处理装置.袋式除尘器袋式除尘器是使含尘气体通过过滤材料将粉尘分离捕集的装置,采用玻璃纤维作滤料的空气过滤器,主要可用于通风及空气调节的气体净化.袋式除尘器的除尘机理如下:含尘气体进入滤袋,在通过滤料的孔隙时,粉尘被捕集于滤料上,透过滤料的清洁气体从排出口排出,沉积在滤料上的粉尘可在机械振动的作用下从滤料表面脱落,落入灰斗中.粉尘因截留、惯性碰撞、静电和扩散等作用,逐渐在滤袋表面形成粉尘初层.初层形成后,它成为袋式除尘器的主要过滤层,提高了除尘效率,滤布起形成粉尘初层和支撑它的骨架作用,但随着粉尘在滤袋上的积聚,滤袋两侧的压力增大,会把有些已附在滤料上的细小粉粒挤压过去,使除尘效率下降.袋除尘器的阻力一般为1000-2000Pa.另外,若除尘器阻力过高,还会使除尘系统的处理气体量下降,影响生产系统的排风效果.因此,除尘器阻力达到一定数值后要及时清灰,清灰不能过分,即不应破坏粉尘初层,否则会引起除尘效率显著降低.电除尘器电除尘器是利用静电力实现尘粒与烟气流分离的一种除尘装置.电除尘器是在放电极与平板状集尘极之间加以较高的直流电压,使电晕极发生电晕放电.当含尘烟气低速流过放电极与集尘极之间时,首先烟气中的气体分子发生电离,由于含尘烟气中大部分气体(氮气、氢气、二氧化碳)与电无亲和力,故会带负电荷成为负离子,它在向正极移动中遇到随烟气流动的大部分粉尘会使粉尘取得负电荷而转向阳极板上,使粉尘所带的电荷得到中和.集尘板上粉尘到一定厚度时,可用机械振打的方法使之落入灰斗.电除尘器的除尘效率与电场强度、集尘板面积、烟气流量、粉尘趋进速度,尤其是粉尘的导电性有关,电除尘器具有很高的除尘效率(可达99.99%),可捕集到0.1μ米以上的尘粒.它阻力小,运行费用低,处理烟气量的能力大,运行操作方便,可完全实现自动化.缺点是设备庞大,投资费用高.旋风除尘器旋风除尘器是利用旋转的含尘气体所产生的离心力,将粉尘从气流中分离出来的一种干式气-固分离装置.旋风除尘器用于工业生产以来,已有百余年历史.对于捕集5-10μ米以上的粉尘效率较高,其除尘效率可达90%以上,被广泛地应用于化工、石油、冶金、建筑、矿山、机械、轻纺等工业部门.旋风除尘器结构简单,除尘器本身无运动部件,不需特殊的附件设备,占地面积小,制造、安装投资较少.操作、维护简单,压力损失中等,动力消耗不大,运转、维护费用较低.操作弹性较大,性能稳定,不受含尘气体的浓度、温度限制.对于粉尘的物理性质无特殊要求,同时可根据化工生产的不同要求,选用不同材料制成,或内衬各种不同的耐磨、耐热材料,以提高使用寿命.3.1.2.主要除尘器的选用在选择除尘技术时,应充分考虑经济性、可靠性、适用性和社会性等方面的影响.除尘技术的确定受到当地条件、现场条件、燃烧煤种特性、排放标准和需要达到的除尘效率等多种因素的影响.针对目前环保要求、污染物排放费用的征收情况以及静电除尘器和布袋除尘器在性能上的差异和在各行各业应用的实际情况,对两种除尘器在实际应用中的基本性能做一个简单客观的对比.1)除尘效率布袋除尘器:对人体有严重影响的重金属粒子及亚微米级尘粒的捕集更为有效.通常除尘效率可达99.99%以上,排放烟尘浓度能稳定低于50米g/N米3,甚至可达10 米g/N米3以下,几乎实现零排放.电除尘器:随着国家环保标准的进一步提高和越来越多的电厂燃用低硫煤(或者经过了高效脱硫),比电阻大,即使达标也变得越来越困难.而布袋除尘器的过滤机理决定了它不受燃烧煤种物化性能变化的影响,具有稳定的除尘效率.针对目前国家环保的排放标准和排放费用的征收办法,布袋除尘器所带来的经济效益是显而易见的.2)系统变化对除尘器的影响锅炉系统是一个经常变动和调节的系统,因此从锅炉中出来的烟气物化性能、烟尘浓度、温度等参数也不能保证不发生变化.这一系列的变化,针对不同的除尘器会引起明显不同的变化.下面从主要的几个方面进行对比:(1)送、引风机风量不变,锅炉出口烟尘浓度变化①除尘器:烟尘浓度的变化只引起布袋除尘器滤袋负荷的变化,从而导致清灰频率改变(自动调节).烟尘浓度高滤袋上的积灰速度快,相应的清灰频率高,反之清灰频率低,而对排放浓度不会引起变化.②对静电除尘器:烟尘浓度的变化直接影响粉尘的荷电量,因此也直接影响了静电除尘器的除尘效率,最终反映在排放浓度的变化上.通常烟尘浓度增加除尘效率提高,排放浓度会相应增加;烟尘浓度减小除尘效率降低,排放浓度会相应降低.(2)锅炉烟尘量不变,送、引风机风量变化①对布袋除尘器:由于风量的变化直接引起过滤风速的变化,从而引起设备阻力的变化,而对除尘效率基本没有影响.风量加大设备阻力加大,引风机出力增加;反之引风机出力减小.②对静电除尘器:风量的变化对设备没有什么太大影响,但是静电除尘器的除尘效率随风量的变化非常明显.若风量增大,静电除尘器电场风速提高,粉尘在电场中的停留时间缩短,虽然电场中风扰动增强了荷电粉尘的有效驱进速度,但是这不足以抵偿高风速引起的粉尘在电场中驻留时间缩短和二次扬尘加剧所带来的负面影响,因此除尘效率降低非常明显;反之,除尘效率有所增加,但增加幅度不大.(3)烟气温度的变化①对布袋除尘器:烟气温度太低,结露可能会引起“糊袋”和壳体腐蚀,烟气温度太高超过滤料允许温度易“烧袋”而损坏滤袋.但是如果温度的变化是在滤料的承受温度范围内,就不会影响除尘效率.引起不良后果的温度是在极端温度(事故/不正常状态)下,因此对于布袋除尘器就必须设有对极限温度控制的有效保护措施.②对静电除尘器:烟气温度太低,结露就会引起壳体腐蚀或高压爬电,但是对除尘效率是有好处的;烟气温度升高,粉尘比电阻升高不利于除尘.因此烟气温度直接影响除尘效率,且影响较为明显.(4)气流分布①对布袋除尘器:除尘效率与气流分布没有直接关系,即气流分布不影响除尘效率.但除尘器内部局部气流分布应尽量均匀,不能偏差太大,否则会由于局部负荷不均或射流磨损造成局部破袋,影响除尘器滤袋的正常使用寿命.②对静电除尘器:静电除尘器非常敏感电场中的气流分布,气流分布的好坏直接影响除尘效率的高低.在静电除尘器性能评价中,气流分布的均方根指数通常是评价一台静电除尘器的好坏的重要指标之一.3)运行与管理(1)运行与管理①对布袋除尘器:运行稳定,控制简单,没有高电压设备,安全性好,对除尘效率的干扰因素少,排放稳定.由于滤袋是布袋除尘器的核心部件,是布袋除尘器的心脏,且相对比较脆弱、易损,因此设备管理要求严格.②对静电除尘器:运行中对除尘效率的干扰因素多,排放不稳定;控制相对较为复杂,高压设备安全防护要求高.由于静电除尘器均为钢结构,不易损坏,相对于布袋除尘器,设备管理要求不很严格.(2)停机和启动①对布袋除尘器:方便,但长期停运时需要做好滤袋的保护工作.②对静电除尘器:方便,可随时停机.(3)检修与维护①对布袋除尘器:可实现不停机检修,即在线维修.②对静电除尘器:检修时一定要停机4)设备投资(1)对于常规的烟气条件和粉尘(主要是指比较适合静电除尘器的烟气),两种除尘器排放浓度要达到目前较低的环保要求(如150米g/米3)初期投资布袋除尘器比静电除尘器约高20-35%左右(2)对于低硫高比电阻粉尘、高SiO2、Al2O3类不适合静电除尘器捕集的粉尘,两种除尘器要达到目前较低的环保要求(如150米g/米3)初期投资静电除尘器和布袋除尘器相当或静电除尘器投资高些.(3)通常条件下达到相同的除尘效率或者说达到相同的排放浓度,静电除尘器的投资通常要比布袋除尘器的投资高.以呼和浩特电厂200米W机级为例:布袋除尘器:每台机组的除尘器投资<2000万元,保证排放浓度<50米g/N米3以下.对静电除尘器:按四电场,比集尘面积130米2/米3/S计算.达标250米g/N米3,每台除法器投资约2500万元.5)运行维护费用(1)运行能耗对布袋除尘器:风机能耗大,清灰能耗小.对静电除尘器:风机能耗小,电场能耗大.但是,总体来讲两种除尘器的电耗相当.对于静电除尘器难以捕集的粉尘,或者说当静电除尘器的电场数量超过4电场时,静电除尘器的能耗比布袋除尘器的要高,也就是说此时的静电除尘器运行费用要比布袋除尘器高.如果按照即将出台的新环保标准,静电除尘器要是做到达标话,必定是采用4电场以上的静电除尘器,其电耗也就一定比布袋除尘器高.(2)维护费用布袋除尘器的维护检修费用主要是滤袋更换费,从目前实际运行情况来看,一次滤袋的更换费用只需要1.5-2年排污费比静电除尘器的少缴部分就可以抵偿.静电除尘器的维护维修费用主要是对阳极板、阴极线和振打锤等的更换等.此项费用较高,但年限比较长,约6年左右.(3)经济效益分析实际运行中布袋除尘器的排放浓度约是静电除尘器的10%,因此,电厂采用布袋除尘器实际交缴的排污费也为静电除尘器排污费的1/10左右.如果按照目前国家征收排污费的情况来看,采用布袋除尘器后每炉/每年的排污费少缴部分是相当可观的,至少上百万到几百万元.按照以前达标即不需要交纳排污费的话,采用布袋除尘器就可以免交排污费.另外,布袋除尘器有约5%左右的脱硫效率;这同样可以减少二氧化硫的排污费.总之,新的环保标准出台以后,静电除尘器要想做到达标排放,就必须采用4电场以上的除尘器.此时静电除尘器的初期投资已经比布袋除尘器高,同时4电场以上的静电除尘器(或者4电场的高比积尘面积)运行电耗要比布袋除尘器的高很多.因此在新的环保要求下,静电除尘器即使达标,其初期投资和运行费用都比布袋除尘器高.另外,静电除尘器的排放浓度总是在布袋除尘器的10倍左右,目前新的排污费制度下,即使达标了也要对排放粉尘量进行收费,因此两种除尘器即使达标以后,静电除尘器又比布袋除尘器多支出了一笔费用.因此,布袋除尘器必将成为工业粉尘控制的首选设备.表1 布袋除尘器与电除尘器的比较表通过比较,选择袋式除尘器.3.2.脱硫工艺设计3.2.1.脱硫方法概述目前,世界上烟气脱硫工艺有上百种, 但具有实用价值的工艺仅十几种.根据脱硫反应物和脱硫产物的存在状态可将其分为湿法、干法和半干法 3 种.湿法脱硫工艺应用广泛, 占世界总量的85.0%,其中氧化镁法技术成熟,尤其对中、小锅炉烟气脱硫来说,具有投资少,占地面积小,运行费用低等优点,非常适合我国的国情.采用湿法脱硫工艺,要考虑吸收器的性能,其性能的优劣直接影响烟气的脱硫效率、系统的运行费用等.旋流板塔吸收器具有负荷高、压降低、不易堵、弹性好等优点,可以快速吸收烟尘,具有很高的脱硫效率.3.2.2.工艺比选1)脱硫工艺及脱硫吸收器比较选择(1) 脱硫工艺比较选择(见表2)表2 脱硫工艺比较表3 脱硫工艺比较(2)石灰(石)/石膏湿法脱硫工艺和氧化镁脱硫法的特点对比①石灰(石)/石膏湿法脱硫工艺石灰(石)/石膏湿法脱硫工艺是采用石灰石(CaCO3)或石灰(CaO)作脱硫吸收剂原料,经消化处理后加水搅拌制成氢氧化钙(Ca(OH)2)作为脱硫吸收浆.石灰或吸收剂浆液喷入吸收塔,吸附其中的SO2气体,产生亚硫酸钙,进而氧化为硫酸钙(石膏)副产品.该工艺的优点主要是:A、脱硫效率高,在Ca/S比小于1.1的时候,脱硫效率可高达 90%以上;B、吸收剂利用率高,可达到90%;C、吸收剂资源广泛,价格低廉;D、适用于高硫燃料,尤其适用于大容量电站锅炉的烟气处理;E、副产品为石膏,高品位石膏可用于建筑材料.该工艺的缺点是:A、系统复杂,占地面积大;B、造价高,一次性投资大;C、运行问题较多——由于副产品CaSO4易沉积和粘结,所以, 容易造成系统积垢,堵塞和磨损;D、运行费用高,高液/气比所带来的电、水循环和耗量非常大;E、副产品处理问题——目前,世界上对该副产品处理,主要采用抛弃和再利用两种方法:西欧和日本因缺乏石膏资源,所以用此副产品做建筑用石膏板,与此同时,当地建筑规范也为该产品的推广使用提供了方便.但对副产品石膏的成分要求严格(CaSO4>96%).在美国,因天然石膏资源丰富,空地较多,过去一般采用抛弃处理.在中国,天然石膏资源丰富,而石灰石的成分却很难保证,因此脱硫石膏的成分不稳定,建筑行业很难采用;对于建在城市近郊或工业区的需要脱硫的电厂,又很难容纳大量石膏渣液的抛弃,即使有空闲场地抛弃,从长远来讲,仍然可能造成固体废弃物的二次污染.因而副产物处理存在问题.F、由于该工艺技术成熟,运用广泛,目前国家有相应技术规范,但国家环保总局在脱硫技术指导文件中明确指出该种方法适用于大型电站锅炉的脱硫,中小锅炉运用存在规模不经济等问题.G、为适应国内中小型锅炉的烟气脱硫,对该工艺进行了改造运用,减少脱硫剂制备和石膏生成系统尚可,但其他部分的或缺带来诸多问题,因此要谨慎用之.②氧化镁脱硫法氧化镁脱硫技术是利用氢氧化镁作为脱硫剂吸收烟气中的二氧化硫,生成亚硫酸镁,并通入空气将亚硫酸镁生成溶解度更大的硫酸镁.氢氧化镁作脱硫剂具有反应活性大、脱硫效率高、液气比小等优点,因此具有综合投资低,运行费用低等特点.氧化镁吸收SO2的湿法脱硫方式是目前适合于中、小型锅炉烟气脱硫技术最为成熟的脱硫方式之一.综合氢氧化镁脱硫法具有以下四个特点:A、氧化镁原料取得容易目前包括在日本、首尔、东南亚地区、台湾地区等均有普遍使用的实绩和经验,而所使用的的氧化镁大部分均来自大陆地区.我国拥有丰富的氧化镁资源,储量约为160亿吨,占全世界的80%左右,环渤海湾的山东、辽宁地区以及山西都有丰富的产量.由于广泛地运用,使该技术相对于其他脱硫技术更加成熟.B 、米gO工艺也是技术成熟的脱硫工艺,该工艺在日本已应用了100多个项目,台湾的电厂约95﹪是.米gO法,美国波士顿的米gstic电厂150米w机组.米gO湿法脱硫1982年投产.C、米gO法脱硫效率达到90﹪~98﹪,因为米gO活性强,实例表明在相同操作条件下,米gO作为吸收剂比用CaCO3作为吸收剂时吸附效率高.D 、脱除等量的SO2消耗的米gO量仅为CaCO3的40﹪.E 、米gO法脱硫循环液呈溶液状,不易结垢,不会堵塞.氧化镁湿法的脱硫产物硫酸镁是一种溶解度很大的物质,因此在吸收塔脱硫的反应过程中,不似石灰石(石灰)/石膏法会产生结垢或堵塞的问题.F、脱硫后溶液,处理后可直接排放,无二次污染.G、脱硫设备简单,操作简单,成本低.脱硫系统包括熟化系统、吸收系统、废液处理系统,系统简单明了,现场布置简洁紧凑,系统运行安全可靠.L、脱硫产物的用途如果把米gO法脱硫工艺产物,不经氧化曝气则可以把浆液脱水湿渣,其组成米gSO3 60~70% 米gSO4 20~30 %溶解状,杂质10% ,湿渣可以作为农用肥料.可直接作基肥,追肥和叶面肥.植物正常发育的所需镁量,一般为干重5g/千克左右.施用镁肥不仅可增加作物产量,还可改善产品品质,如镁肥对甘蔗、香蕉、烟叶产量和品质都有良好作用.据调查本地区盛产甘蔗、香蕉.根据全国土壤普查表明不少地区土壤缺镁比较严重,缺镁土壤面积巨大,大约占全国耕地面积的5.8 ,若对每亩地施镁肥,则每年需求镁肥量十分巨大.2) 脱硫吸收器比较选择脱硫吸收器的选择原则, 主要是看其液气接触条件、设备阻力以及吸收液循环量.脱硫吸收器比较选择如表4所示.表4 脱硫塔性能吸收设备中: 喷淋塔液气比高, 水消耗量大; 筛板塔阻力较大, 防堵性能差; 填料塔防堵性能差, 易结垢、黏结、堵塞, 阻力也较大; 湍球塔气液接触面积虽然较大, 但易结垢堵塞, 阻力较大.相比之下, 旋流板塔具有负荷高、压降低、不易堵、弹性好等优点, 适用于快速吸收过程, 且具有很高的脱硫效率.因此, 选用旋流板塔脱硫吸收器.3.2.3.工艺原理(1) 氧化镁法脱硫原理氧化镁法脱硫的主要原理:在洗涤中采用含有米gO 的浆液作脱硫剂, 米gO 被转变为亚硫酸镁(米gSO3) 和硫酸镁(米gSO4) , 然后将硫从溶液中脱除.氧化镁法脱硫工艺有如下特点:A 、氧化镁法脱硫工艺成熟, 目前日本、中国台湾应用较多, 国内近年有一些项目也开始应用.B、脱硫效率在90.0%~95.0%之间.C 、脱除等量的SO2, 米gO的消耗量仅为CaCO3的40.0%.D 、要达到90.0%的脱硫效率, 液气比在3~5L/米3之间, 而石灰石- 石膏工艺一般要在10~15L/米3之间.E、我国米gO储量约80 亿t, 居世界首位, 生产量居世界第一.(2) 旋流板塔吸收器脱硫原理旋流板塔工作时,烟气由塔底从切向高速进入,在塔板叶片的导向作用下旋转上升.逐板下流的液体在塔板上被烟气喷成雾滴状,使气液间有很大的接触面积.液滴在气流的带动下旋转,产生的离心力强化气液间的接触,最后被甩到塔壁上,沿壁下流,经过溢流装置流到下一层塔板上,再次被气流雾化而进行气液接触.由于塔内提供了良好的气液接触条件,气体中的SO2等酸性气体被碱性液体吸收的效果好;旋流板塔同时具有很好的除尘性能,气体中的尘粒在旋流塔板上被水雾粘附,并受离心力作用甩到塔壁而除去,从而具有较高的除尘除雾效率.来自锅炉的含尘烟气首先切向进入塔底段,呈螺旋形上升到旋流板,从旋流板叶片间的开孔高穿过,将经特殊给液装置分配到各叶片上的洗涤溶液雾化,雾化后的洗涤溶液获得较高比表面积,并与废气接触完成脱硫除尘.3.3.工艺流程3.3.1.工艺流程图燃煤采暖锅炉烟气处理工艺流程3.3.2.工艺流程简述工艺流程主要分为两个工段.第一个工段为烟气除尘,第二个工段为烟气脱硫.该工艺采用过滤式脉冲布袋除尘器,脉冲袋式除尘器主要由上箱体、中箱体、下箱体和控制器等组成.含尘空气从进气口进入除尘箱,因气体突然扩张,流速骤然降低,颗料较粗的粉尘,靠其自重力向下沉降,落入灰斗.细小粉尘通过各种效应被吸附在滤袋外壁,经滤袋过滤后的净化空气,通过文氏管进入上箱体,从出气口排出,被吸附在滤袋外壁的粉尘,随着时间的增长,越积越厚,除尘器阻力逐渐上升,处理的气体量不断减少,为了使除尘器经常保持有效状态,设备阻力稳定在一定的范围内,就需要清除吸附在滤袋外面的积灰.经除尘后的烟气进入第二个脱硫工段,采用湿法烟气脱硫技术在旋流板塔吸收器中对除尘后的烟气进行脱硫处理.在洗涤液中采用含有米gO的浆液作脱硫剂, 米gO 被转变为亚硫酸镁(米gSO3) 和硫酸镁(米gSO4) , 然后将硫从溶液中脱除.旋流板塔工作时,烟气由塔底从切向高速进入,在塔板叶片的导向作用下旋转上升.逐板下流的液体在塔板上被烟气喷成雾滴状,使气液间有很大的接触面积.液滴在气流的带动下旋转,产生的离心力强化气液间的接触,最后被甩到塔壁上,沿壁下流,经过溢流装置流到下一层塔板上,再次被气流雾化而进行气液接触.由于塔内提供了良好的气液接触条件,气体中的SO2等酸性气体被碱性液体吸收的效果好;旋流板塔同时具有很好的除尘性能,气体中的尘粒在旋流塔板上被水雾粘附,并受离心力作用甩到塔壁而除去,从而具有较高的除尘除雾效率.主要化学反应式:米gO + H2O →米g(OH)2SO2 + H2O → H2SO3→ 2H+ + SO3-2。
大气控制工程课程设计——某燃煤采暖锅炉房烟气除尘脱硫系统设计系别:XXXXX专业:XXXXX班级:XXXXX学号:XXXXX姓名:XXXXX前言燃煤锅炉燃烧过程排放的烟气中含有大量的烟尘和二氧化硫,如不采取有效的治理措施,将会对周围大气环境及居民健康造成严重影响与危害。
因此,本设计结合燃煤锅炉烟气排放特点,根据所提供的原始参数及资料,拟设计一套燃煤采暖炉房烟气除尘系统。
要求设计的净化系统效果好、操作方便、投资省,且出口烟气浓度达到锅炉大气污染物排放标准(GB13271-2001)中二类区标准,即:烟尘排放浓度≤200mg/Nm3、SO2排放浓度≤900mg/Nm3。
其他还应要符合下列要求:一、应能有效地燃烧所采用的燃料;二、应有较高的热效率,并使锅炉的出力、台数和其他性能适应热负荷变化的需要;三、应有利于环境保护;四、应使基建投资和运行管理费用较低;五、宜选用容量和燃烧设备相同的锅炉,当选用不同容量和不同类型的锅炉时,其容量和类型不宜超过两种。
编者2011年6月目录1 设计背景资料 (1)2 烟气量、烟尘、二氧化硫浓度的计算 (2)3 除尘器的选择 (3)4 确定除尘器、风机、烟囱的位置和管道的布局 (6)5 烟囱的设计 (7)6 系统阻力的计算 (8)7 风机及电动机的选择和计算 (9)8 其他说明 (12)10 个人小结 (12)11 参考文献 (12)1、设计背景资料设计题目某燃煤采暖锅炉房烟气除尘脱硫系统设计。
设计任务燃煤锅炉燃烧过程排放的烟气中含有大量的烟尘和二氧化硫,如不采取有效的治理措施,将会对周围大气环境及居民健康造成严重影响与危害。
因此,本设计结合燃煤锅炉烟气排放特点,根据所提供的原始参数及资料,拟设计一套燃煤采暖炉房烟气除尘系统。
要求设计的净化系统效果好、操作方便、投资省,且出口烟气浓度达到锅炉大气污染物排放标准(GB13271-2001)中二类区标准,即:烟尘排放浓度≤200mg/Nm3、SO2排放浓度≤900mg/Nm3。
大气循环流化床锅炉烟气处理课程设计引言:大气循环流化床锅炉烟气处理是环境工程领域的重要课题。
随着工业化的不断推进和环境污染问题的日益凸显,烟气处理技术的研究和应用变得愈发重要。
本文将围绕大气循环流化床锅炉烟气处理展开,介绍其原理、技术和应用。
一、大气循环流化床锅炉烟气处理原理大气循环流化床锅炉烟气处理是利用流化床技术对烟气进行净化的过程。
其原理是在流化床中,将固体颗粒物质与气体形成流化床,通过颗粒物质与烟气的接触,实现烟尘、二氧化硫和氮氧化物等污染物的去除。
其中,流化床的气固两相流动以及颗粒物质的吸附、催化和反应等过程是实现烟气净化的关键。
二、大气循环流化床锅炉烟气处理技术1. 烟尘去除技术烟尘是大气中常见的污染物之一,对人体健康和环境造成严重影响。
烟尘去除技术主要包括静电除尘、湿式电除尘和布袋除尘等方法。
其中,湿式电除尘是一种高效的烟尘去除技术,通过电场作用和湿润效应,将烟尘颗粒捕集到电极上,并通过水洗除尘。
2. 二氧化硫去除技术二氧化硫是燃煤锅炉烟气中的主要污染物之一,对环境和人体健康造成严重威胁。
常用的二氧化硫去除技术包括石灰石-石膏法、氨法和碱液吸收法等。
其中,石灰石-石膏法是一种成熟的二氧化硫去除技术,通过喷射石灰石乳液或石灰浆液,使石灰石与二氧化硫反应生成石膏,从而实现二氧化硫的去除。
3. 氮氧化物去除技术氮氧化物是大气中的主要污染物之一,对大气环境和人体健康造成严重危害。
氮氧化物去除技术主要包括选择性催化还原技术、非选择性催化还原技术和湿式脱硝技术等。
其中,选择性催化还原技术是一种高效的氮氧化物去除技术,通过将氨作为还原剂,在催化剂的作用下,将氮氧化物还原为氮气和水,从而实现氮氧化物的去除。
三、大气循环流化床锅炉烟气处理的应用大气循环流化床锅炉烟气处理技术在工业生产和能源利用中得到广泛应用。
它可以有效减少烟气中的污染物排放,改善环境质量,并提高能源利用效率。
此外,大气循环流化床锅炉烟气处理技术还可以应用于废气处理、工业废水处理和固体废物处理等领域,具有广阔的应用前景。
课程设计任务书课程设计任务书目录1概论........................................... 错误!未定义书签。
2电除尘器....................................... 错误!未定义书签。
2.1电除尘器的工作原理........................... 错误!未定义书签。
2.2电除尘器的主体结构........................... 错误!未定义书签。
2.3除尘效率的影响因素........................... 错误!未定义书签。
3燃烧计算....................................... 错误!未定义书签。
3.1空气量的计算................................. 错误!未定义书签。
3.2烟气量的计算................................. 错误!未定义书签。
4电除尘设备结构设计计算......................... 错误!未定义书签。
5氨法脱硫工艺净化含硫烟气....................... 错误!未定义书签。
5.1湿式氨法原理................................. 错误!未定义书签。
5.2净化效率的影响因素........................... 错误!未定义书签。
5.3氨法脱硫设计参数............................. 错误!未定义书签。
5.4设备结构的计算............................... 错误!未定义书签。
5.4.1 确定塔的直径........................... 错误!未定义书签。
5.4.2 塔高的设计............................. 错误!未定义书签。
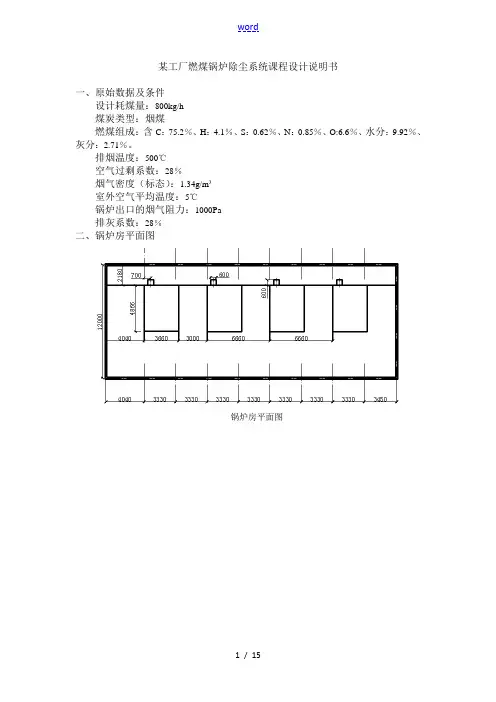
word某工厂燃煤锅炉除尘系统课程设计说明书一、原始数据及条件设计耗煤量:800kg/h煤炭类型:烟煤燃煤组成:含C:75.2%、H:4.1%、S:0.62%、N:0.85%、O:6.6%、水分:9.92%、灰分:2.71%。
排烟温度:500℃空气过剩系数:28%烟气密度(标态):1.34g/m³室外空气平均温度:5℃锅炉出口的烟气阻力:1000Pa排灰系数:28%二、锅炉房平面图锅炉房平面图目录摘要1关键词11 前言22 处理单元的设计计算22.1 烟气排放量计算22.2 粉尘和二氧化硫浓度及除尘器除尘所需效率计算32.3 除尘和除硫设备选型42.4 换热器选型42.5 烟囱设计52.5.1 烟囱高度的确定52.5.2 烟囱直径的计算52.5.3 烟囱的抽力计算53 管道计算及风机选型53.1 管道部设53.2 管道沿程阻力计算63.2.1 管道1-4段沿程阻力计算63.2.2 管道5-6段沿程阻力计算73.2.3 管道7-11段沿程阻力计算73.2.4 管道11-12段沿程阻力计算83.2.5 管道总沿程阻力损失93.3 局部阻力计算93.4 系统总阻力损失及风机选型104 设备和管道一览表10附录1 CLS型立式旋风水膜除尘器主要性能表11附录 2 燃煤、燃油(轻柴油、煤油除外)锅炉房烟囱最低允许高度(GB 13271-2001)12参考文献12某燃煤锅炉烟气除尘系统设计摘要本设计以某工厂燃煤锅炉为对象,设计了锅炉的烟气处理系统。
主要包括换热器选型、除尘器选型、风机选型、管道部设和烟囱设计。
设计出了一个烟尘和二氧化硫同步处理的尾气处理系统。
关键词:锅炉;烟气;旋风水膜除尘器1 前言工业锅炉所排放出来的烟尘是造成大气污染的主要污染源之一,由黑烟和灰尘组成。
由于它们哦发生过程、性质和粒径不同,因此解决的方法也不同。
黑烟的主要成分为碳、氢、氧及其化合物,可以通过改造锅炉、进行合理的燃烧调节,使其在炉膛燃烧掉的方法解决,同时也降低了排尘的原始浓度;灰尘主要是碳粒和灰分等颗粒物,可以通过加装除尘器的办法解决。
千里之行,始于足下。
大气污染控制工程》课程设计报告-某燃煤锅炉烟气除尘系统设计大气污染是当前全球面临的严重问题之一。
为了保护环境和改善空气质量,各国纷纷采取措施来控制大气污染的扩散和减少。
其中,燃煤锅炉烟气的除尘系统设计是一个重要方面。
某燃煤锅炉烟气除尘系统设计主要目的是减少燃煤锅炉烟气中的颗粒物排放,提高大气环境质量。
设计方案包括预处理系统、除尘设备和后处理系统。
首先,预处理系统的作用是对燃煤锅炉烟气进行预处理,以便更好地进行除尘处理。
预处理设备主要包括除湿器和加湿器。
除湿器的作用是去除烟气中的水分,减少烟气中的湿度,提高除尘效果。
加湿器的作用是在燃煤锅炉排放的烟气中增加适量的水分,以提高除尘效果。
其次,除尘设备的选择是整个系统设计中的关键。
常用的除尘设备包括静电除尘器、袋式除尘器和湿式除尘器。
静电除尘器利用电场力和颗粒物之间的作用力来除尘,适用于处理高温和高湿度的烟气。
袋式除尘器利用过滤袋来捕集颗粒物,具有较高的除尘效率。
湿式除尘器利用水膜来捕集颗粒物,适用于处理高湿度和中小颗粒物浓度的烟气。
根据燃煤锅炉的实际情况和除尘效果要求,可以选择合适的除尘设备。
最后,后处理系统的作用是对除尘后的烟气进行进一步处理,以保证烟气的排放达到环保要求。
后处理设备主要包括脱硫装置和脱硝装置。
脱硫装置的作用是去除烟气中的二氧化硫,主要采用湿法脱硫和干法脱硫两种方法。
脱硝装置的作用是去除烟气中的氮氧化物,主要采用选择性催化还原和选择性非催化还原两种方法。
第1页/共2页锲而不舍,金石可镂。
在设计过程中,需要考虑燃煤锅炉的运行状态、烟气特性以及环保要求等因素。
通过合理设计和安装预处理、除尘和后处理设备,可以有效降低燃煤锅炉烟气中的颗粒物排放,达到净化烟气、保护大气环境的目的。
总之,某燃煤锅炉烟气除尘系统设计是控制大气污染的重要举措之一。
通过合理的预处理、除尘和后处理设备选择和安装,可以有效降低烟气中的颗粒物排放,改善大气环境质量。
.大气污染控制工程课程设计设计题目:20t/h燃煤锅炉烟气的工艺设计姓名:程涛学号:113010040120年级:1101系部:食品工程学院专业:环境工程指导教师:罗劼完成时间:2014.12.6目录1 设计任务及基本资料.............................................................................................................. - 1 - 1.1 课程设计题目(小四,加粗)......................................................................................... - 1 -1.2 课程设计基本资料............................................................................................................. - 1 -2 设计方案.................................................................................................................................. - 2 - 2.1 物料衡算............................................................................................................................. - 2 -2.2 工艺方案的比较和选择..................................................................................................... - 3 -3 工艺计算.................................................................................................................................. - 5 - 3.1 一级除尘装置——旋风除尘器......................................................................................... - 5 - 3.2 二级除尘装置——袋式除尘器......................................................................................... - 7 -3.3 脱硫工艺............................................................................................................................. - 8 -4 烟囱高度的计算.................................................................................................................... - 13 - 4.1 烟囱高度计算式............................................................................................................... - 13 -1设计任务及基本资料1.1课程设计题目(小四,加粗)20t/h燃煤锅炉烟气的工艺设计1.2课程设计基本资料二、课程设计参数和依据1. 设计规模锅炉蒸发量2t/h~23t/h2. 设计原始资料(1)煤的工业分析如下表(质量比,含N量不计):(2)锅炉型号:FG-35/3.82-M型(3)锅炉热效率:75%(4)空气过剩系数:1.3(5)水的蒸发热:2570.8KJ/Kg(6)烟尘的排放因子:30%(7)烟气温度:473K(8)烟气密度:1.18kg/m3(9)烟气粘度:2.4×10-5 pa·s(10)尘粒密度:2250kg/m3(11)烟气其他性质按空气计算(12)烟气中烟尘颗粒粒径分布3. 排放标准按锅炉大气污染物排放标准(GB13271-2014)中新建燃煤锅炉标准执行:标准状态下烟尘浓度排放标准:≤50mg/m3、二氧化硫排放浓度:≤300mg/m3。
某燃煤站锅炉烟气除尘系统设计摘要:此设计为主要是为了某小型燃煤电站锅炉烟气除尘设计的一套系统。
根据燃煤烟气中粉尘的特点,设计煤量800kg/h, 排烟温度160℃,烟气密度(标态)1。
39kg/m3,及排放要求初步选择了除尘器类型.选择LD14-56机械振打袋式除尘器。
通过一系列除尘系统使最终排出的烟气达到锅炉大气污染物排放标准(GB13217—2001)标准状态下烟尘浓度排放标准:50mg/m3。
关键词:燃煤站锅炉烟气;袋式除尘;机械振打一、设计题目某小型燃煤锅炉电站烟气袋式除尘系统的设计二、设计资料锅炉型号FG—35/3.82—M型(35t/h 蒸汽)自选台数(1—5台);设计耗煤量根据锅炉自行选取(例如800kg/h);排烟温度160度;空气过剩系数x= 1。
4;烟气密度 1.39kg、m3;冬季室外空气平均温度4度;锅炉出口烟气阻力1200Pa;排烟中飞灰占煤中不可燃成分的比例16%;烟气其它性质按空气计算;煤的工业分析C=68%;H= 4% S=2%;O=5%;N=3% W=5%A=12% V=11%;标准状态下烟尘浓度排放标准50mg/m3;当地大气压标准状态。
三、设计内容①燃煤锅炉排烟量及二氧化硫浓度的计算②净化系统设计方案的分析确定③袋式除尘器的选择:确定除尘器的类型、型号及规格,并确定其主要运行参数。
④管网布置及计算:确定各装置的位置及管道布置。
计算各管道的长度、管径、烟囱的高度和出口内径及系统总阻力。
⑤风机及电机的选择设计:根据净化系统所处理烟气量、烟气温度、系统总阻力等计算选择风机种类、型号及电机的种类、型号和功率。
四、设计原则①除尘管道力求顺直,保证气流通畅。
当必须水平敷设时,要有足够的流速以防止积尘。
对易产生积灰的管道,必须设置清灰口;为减轻风机磨损,特别当气体含尘质量浓度较高时(大于3g/m3),应将净化装置设在风机的吸入端;分支管与水平管或倾斜主干道连接时,应从上面或侧面接入。
燃煤锅炉烟气处理大气课程设计
1. 研究背景
随着我国工业和城市化进程的不断推进,煤炭作为主要的能源之一在我国经济社会发展中发挥了重要作用。
但是,由于燃烧煤炭所排放的大量气体和颗粒物对空气质量和环境造成了严重污染,引起了广泛关注。
因此,煤炭燃烧产生的烟气处理技术研究和应用具有重要的现实意义。
2. 目的
本课程设计旨在通过对燃煤锅炉烟气治理相关知识的学习和应用,加深学生对大气污染物治理相关技术的理解,提高学生的综合素质。
3. 内容与方法
3.1 知识内容
(1)燃煤锅炉烟气的组成和来源
(2)烟气净化原理及技术
(3)常用烟气净化设备的结构和工作原理
(4)烟气排放标准和监测方法
(5)燃煤锅炉烟气治理技术应用案例
3.2 方法
(1)理论学习:通过课堂教学,讲授燃煤锅炉烟气处理的相关知识。
(2)案例分析:通过实际应用案例,让学生了解燃煤锅炉烟气治理技术应用的具体情况。
(3)实验操作:引导学生开展燃煤锅炉烟气净化实验,让学生了解烟气处理技术的实际操作和应用效果。
4. 预期效果
(1)学生能够掌握燃煤锅炉烟气组成和来源,以及烟气治理技术的原理和应用。
(2)学生能够了解常用烟气净化设备的结构和工作原理,以及烟气排放标准和监测方法。
(3)通过实验操作和案例分析,学生能够了解燃煤锅炉烟气治理技术的实际操作和应用效果。
(4)提高学生的工程实践和创新能力,将理论知识应用于实际工程项目中。
课程设计任务书课程设计任务书目录1概论 (1)2电除尘器 (1)2.1电除尘器的工作原理 (2)2.2电除尘器的主体结构 (2)2.3除尘效率的影响因素 (2)3燃烧计算 (4)3.1空气量的计算 (4)3.2烟气量的计算 (5)4电除尘设备结构设计计算 (6)5氨法脱硫工艺净化含硫烟气 (10)5.1湿式氨法原理 (10)5.2净化效率的影响因素 (12)5.3氨法脱硫设计参数 (12)5.4设备结构的计算 (13)5.4.1 确定塔的直径 (13)5.4.2 塔高的设计 (14)5.4.3 物料平衡计算 (14)6烟囱设计 (15)6.1烟囱高度的计算 (15)6.2烟囱直径的计算 (16)6.3烟囱底部直径的计算 (17)6.4烟囱阻力的计算 (17)6.5烟囱高度的核算 (18)7管道系统设计,阻力计算 (19)7.1管道直径的确定 (19)7.2系统阻力的计算 (19)7.3系统总阻力的计算 (20)8风机电机的选择 (21)8.1风机风量的计算 (21)8.2风机风压的计算 (21)9核算 (21)10结束语 (23)11参考文献 (24)1 概论烟尘是造成大气污染的主要因素之一,减少大气污染的根本措施就是减少有害物质向大气的排放。
在选择除尘技术时,应充分考虑经济性、可靠性、适用性和社会性等方面的影响。
除尘技术受到当地条件、现场条件、燃烧煤种特性、大气污染物质排放标准和需要达到的除尘效率等多种因素的影响。
从气体中去除或捕集固态微粒或液态微粒的设备称为除尘装置,或除尘器。
根据主要除尘机理,目前常用的除尘器可分为:①机械除尘器;②电除尘器;③袋式除尘器;④湿式除尘器等。
2 电除尘器]4[电除尘器是含尘气体在通过高压电场进行电离的过程中,使尘粒荷电,并在电场力的作用下使尘粒沉积在集尘机上,将尘粒从含尘气体中分离出来的一种除尘设备。
电除尘过程与其他除尘过程的根本区别在于,分离力直接作用在粒子上,而不是作用在整个气流上,这就决定了它具有分离粒子耗能小、气流阻力小的特点。
大气污染课程设计姓名:张XX指导老师:孙老师专业:环境监测与治理技术学院:化工食品学院学号:目录一、课程设计题目 (5)二、设计原始资料 (5)1.锅炉设备的主要参数 (5)2.污染源强相关参数 (5)3.煤的工业分析值 (5)4.按锅炉大气污染排放标准(GB13271—2001)中二类区标准执行 (5)三、设计方案的确定及原理 (5)四、设计计算 (7)1.耗煤量计算 (7)2.烟气量、烟尘和二氧化硫浓度与氮氧化物浓度的计算 (7)2.1标准状态下理论空气量 (7)2.2标准状态下理论烟气量(设空气含湿量为12.93(m3/kg)) (8)2.3标准状态下实际烟气量 (8)2.4标准状态下烟气含尘浓度 (9)2.5标准状态下烟气中二氧化硫浓度的计算 (9)2.6标态下氮氧化物浓度的计算 (9)3.除尘器的选择 (10)3.1除尘器应达到的除尘效率 (10)3.2除尘器的选择 (10)4.旋风除尘器的设计 (10)4.1确定旋风除尘器的进口气流速度v (10)4.2确定旋风除尘器的几何尺寸 (11)4.3压力损失△P222 2vDρ⨯AB⨯K=∆P (11)5.脱销工艺 (12)6.脱硫方案的确定 (13)(1)喷淋塔内流量计算 (13)(2)喷淋塔径计算 (14)(3)喷淋塔高度计算 (14)7.确定除尘器,风机,烟囱的位置及管道布置。
并计算各管段的管径,长度烟囱高度和出口内径以及系统总阻力。
(17)7.1各装置及管道布置的原则 (17)7.2管径的确定 (17)8.烟囱的计算 (18)8.1烟囱高度的确定 (18)8.2烟囱直径的计算 (18)8.3烟囱的抽力 (19)9.系统阻力的计算 (19)9.1摩擦压力损失 (19)9.2局部压力损失 (20)9.3系统总总阻力(其中锅炉出口前阻力为1200pa) (20)1)总阻力计算 (20)10.风机和电动机的选择及计算 (21)10.1标准状态下风机风量的计算 (21)10.2风机风压的计算 (21)五、小结 (22)六、参考资料 (22)大气污染控制工程课程设计一、课程设计题目某小型燃煤电站锅炉烟气除尘、脱硫处理与脱销处理系统的设计。
大气循环流化床锅炉烟气处理课程设计引言烟气处理是大气污染治理的重要环节之一。
随着工业化进程的加快和能源利用的增加,大量的烟气排放对环境和人类健康造成了严重的威胁。
因此,研究和开发高效的烟气处理技术势在必行。
本课程设计将重点介绍大气循环流化床锅炉烟气处理技术的原理、应用和优缺点,以及相关领域的最新进展。
一、大气循环流化床锅炉烟气处理技术概述1.1 大气循环流化床锅炉的基本原理和结构大气循环流化床锅炉是一种采用高浓度固体循环流化床燃烧技术的锅炉。
它通过将固体颗粒与气体混合并形成床层,使煤燃烧更加充分,烟气中的污染物得到有效控制。
1.2 烟气处理的基本原理和目标烟气处理的基本原理是通过物理、化学或生物方法去除烟气中的颗粒物、二氧化硫、氮氧化物等污染物,降低其对环境的危害。
其主要目标是达到国家和地方大气污染物排放标准。
二、大气循环流化床锅炉烟气处理技术的应用2.1 大气循环流化床锅炉烟气处理技术在燃煤电厂中的应用燃煤电厂是大气污染的主要来源之一,大气循环流化床锅炉烟气处理技术在燃煤电厂中的应用可以显著降低烟气排放中的颗粒物、二氧化硫等污染物的浓度,减少对环境的污染。
2.2 大气循环流化床锅炉烟气处理技术在工业燃烧中的应用工业燃烧过程中排放的烟气中含有大量的有害物质,大气循环流化床锅炉烟气处理技术可以有效去除烟气中的污染物,保护环境和人类健康。
三、大气循环流化床锅炉烟气处理技术的优缺点3.1 优点大气循环流化床锅炉烟气处理技术具有烟气处理效率高、设备运行稳定、处理成本低等优点,可以有效降低烟气排放对环境的影响。
3.2 缺点大气循环流化床锅炉烟气处理技术在处理高浓度烟气时存在颗粒物腐蚀、设备耐久性差等问题,需要进一步改进和完善。
四、大气循环流化床锅炉烟气处理技术的最新进展4.1 烟气脱硫技术的改进烟气脱硫是大气循环流化床锅炉烟气处理的关键环节之一,近年来,针对烟气脱硫技术进行了一系列的改进和创新,提高了脱硫效率和设备稳定性。
燃煤烟气治理课程设计一、课程目标知识目标:1. 理解燃煤烟气的主要成分及其对环境的影响;2. 掌握燃煤烟气治理的基本原理和技术方法;3. 了解我国燃煤烟气治理的政策法规和标准要求。
技能目标:1. 能够分析燃煤烟气的成分,判断其污染程度;2. 能够运用所学知识,设计简单的燃煤烟气治理方案;3. 能够运用信息搜索、数据分析等技能,收集并整理燃煤烟气治理的相关资料。
情感态度价值观目标:1. 培养学生对环境保护的责任感和使命感,认识到燃煤烟气治理的重要性;2. 增强学生的团队合作意识,学会在小组合作中共同解决问题;3. 培养学生勇于探索、积极创新的精神,关注燃煤烟气治理领域的新技术、新方法。
课程性质:本课程属于环境保护与治理领域,旨在提高学生对燃煤烟气治理的认识,培养学生解决实际问题的能力。
学生特点:六年级学生具有一定的环保知识基础,好奇心强,善于合作,具备一定的自主学习能力。
教学要求:结合学生特点,采用启发式教学,引导学生主动探究,注重理论与实践相结合,提高学生的综合素养。
通过本课程的学习,使学生能够明确燃煤烟气治理的重要性,掌握基本治理方法,并能够在生活中运用所学知识,为改善环境质量贡献力量。
二、教学内容1. 燃煤烟气成分及其环境影响- 燃煤烟气的主要成分分析- 燃煤烟气对大气环境的影响2. 燃煤烟气治理原理与技术- 烟气治理的基本原理- 常见燃煤烟气治理技术介绍- 我国燃煤烟气治理技术发展现状3. 燃煤烟气治理政策法规与标准- 我国燃煤烟气治理政策法规概述- 燃煤烟气排放标准解析- 政策法规在燃煤烟气治理中的应用4. 燃煤烟气治理案例分析- 典型燃煤烟气治理工程案例介绍- 案例分析与讨论- 案例中所涉及技术的优缺点评价5. 燃煤烟气治理实践与创新能力培养- 设计简单的燃煤烟气治理方案- 小组合作探讨治理方案的实施与优化- 创新思维在燃煤烟气治理中的应用教学内容安排与进度:第一课时:燃煤烟气成分及其环境影响第二课时:燃煤烟气治理原理与技术第三课时:燃煤烟气治理政策法规与标准第四课时:燃煤烟气治理案例分析第五课时:燃煤烟气治理实践与创新能力培养本教学内容依据课程目标,结合教材章节内容进行选择和组织,注重科学性和系统性,旨在帮助学生全面了解燃煤烟气治理相关知识,提高解决实际问题的能力。
燃煤锅炉烟气除尘工艺设计摘要:在目前,大气污染已经变成了一个全球性的问题,主要有温室效应、臭氧层破坏和酸雨。
而大气污染可以说主要是人类活动造成的,大气污染对人体的舒适、健康的危害包括对人体的正常生活和生理的影响。
燃煤电厂的大气污染物主要是颗粒污染物,而且排放量比较大所以必须通过有效的措施来进行处理,以免污染空气,影响人们的健康生活。
本设计采用旋风除尘器处理排出的颗粒物,并计算排出的颗粒物浓度,管网设计计算及风机的选取等相关内容。
关键词:大气污染;颗粒物;旋风除尘器。
目录1 概述 (3)2 燃煤锅炉排烟量、烟尘及二氧化硫浓度的计算 (3)2.1排烟量及浓度计算 (3)2.1.1实际需湿空气量 (3)2.1.2产生的烟气量 (4)2.1.3标准状态下实际烟气量 (4)2.1.4标准状态下烟气中二氧化硫浓度的计算 (5)3 净化系统除尘方案的分析确定 (5)3.1工艺比较 (5)3.2旋风除尘器的工作原理、应用及特点 (6)3.2.1旋风除尘器简介 (6)3.2.2工作原理 (6)3.3烟气脱硫系统 (7)3.3.1 烟气氨法脱硫系统 (7)3.3.2 烟气脱硫工艺 (7)3.3.3硫铵工艺 (9)3.3.4脱硫方法的选择 (10)4 除尘装置及相关计算 (11)4.1各装置及管道布置的原则 (11)4.2除尘器的选择 (11)4.3烟道管径的确定 (12)4.4烟囱的设计 (13)4.4.1 烟囱高度的确定 (13)4.4.2 烟囱直径与抽力的计算 (13)4.4.3 系统阻力的计算 (14)5 风机及电动机的选择 (16)主要参考书目 (17)1 概述本设计的锅炉排烟温度为160℃;烟气密度为1.34kg/Nm3;空气过剩系数:α=1.35;烟气在锅炉出口前阻力:800Pa;当地大气压力:95.36kpa;冬季室外空气温度:-5℃;空气含水按0.0129kg/Nm3;烟气其他性质按空气计算。
煤的工业分析值:C=50.1%,H=2.07%,S=1.26%,O=4.77%,N=1.2%,W=6.77%,A=33.84%;净化系统布置场地为锅炉房北侧50米以内。
目录1.设计概况 (1)1.1设计目的 (1)1.2设计依据及原则 (1)1.3锅炉房基本概况 (1)2.设计计算 (2)2.1燃煤锅炉排烟量及烟尘和二氧化硫浓度的计算 (2)2.1.1标准状态下理论空气量 (2)2.1.2标准状态下理论烟气量 (2)2.1.3标准状态下实际烟气量 (3)2.1.4烟气含尘浓度 (3)2.1.5标准状态下烟气中二氧化硫浓度的计算 (3)2.2除尘器的选择 (4)2.2.1除尘效率 (4)2.2.2除尘器的选择 (4)2.3确定除尘器、风机、烟囱的位置及管道布置 (6)2.3.1各装置及管道布置的原则 (6)2.3.2管径的确定 (6)2.4烟囱的设计 (6)2.4.1烟囱高度的确定 (6)2.4.2烟囱直径的计算 (7)2.4.3烟囱的抽力 (8)2.5系统阻力的计算 (8)2.5.1摩擦压力损失 (8)2.5.2局部压力损失 (9)2.6风机和电动机选择及计算 (12)2.6.1标准状态下风机风量的计算 (12)2.6.2风机风压的计算 (12)2.6.3电动机功率的计算 (13)2.7系统中烟气温度的变化 (13)2.7.1烟气在管道中的温度降 (13)2.7.2烟气在烟囱中的温度降 (14)3.绘制图纸 (15)4.主要参考书目 (15)致谢 (15)1.设计概况1.1设计目的通过课程设计进一步消化和巩固本课程所学的内容,并使所学的知识系统化,培养运用所学理论知识进行净化系统设计的初步能力。
通过设计,了解工程设计的内容、方法以及步骤,培养学生确定大气污染控制系统的设计方案、进行设计计算、绘制工程图、使用技术资料、编写设计说明书的能力。
1.2设计依据及原则严格按《锅炉大气污染物排放标准》(GB13271-2014)中的在用锅炉标准设计。
烟尘浓度排放标准(标准状态下):3mg80m/二氧化硫排放标准(标准状态下):3550mmg/1.3锅炉房基本概况锅炉型号:DLS4-28型(额定热功率2.8MW),共3台设计耗煤量:800kg/h·台排烟温度:200℃空气过剩系数:1.3标准状态下烟气密度:1.34kg/m3排烟中飞灰占煤不可燃成分的比例:16%锅炉阻力:800Pa当地大气压:98kPa煤的工业分析值:C Y=68%H Y=4%S Y=1%O Y=5%N Y=1%W Y=6%A Y=15%V Y=13%锅炉外形尺寸:4800×3660×2550锅炉烟囱尺寸:φ600锅炉烟尘中的颗粒物粒度分布如下表:粒度范围(μm)平均粒径(μm)质量百分数(%)<5355-107.5710-30202230-60453560-807018>809013排放要求:按《锅炉大气污染物排放标准》(GB13271-2014)中的在用锅炉标准设计。
锅炉房尺寸10m×26m,屋顶标高6.5m。
2.设计计算2.1燃煤锅炉排烟量及烟尘和二氧化硫浓度的计算2.1.1标准状态下理论空气量建立煤燃烧的假定:煤中固定氧可用于燃烧;煤中硫主要被氧化为SO 2;不考虑NOx 的生成;煤中的氮在燃烧时转化为氮气。
()()kgm O S H C Q Y Y Y Y a /7.07.056.5867.176.43'-++=式中,——Y Y Y Y O S H C ,,,分别为煤中各元素所含的质量分数。
()()()kgm kg m Q a /97.6/05.07.001.07.004.056.568.0867.176.433' =⨯-⨯+⨯+⨯⨯=2.1.2标准状态下理论烟气量设空气含湿量12.93g/m3()()kgm N Q Q W H S C Q Y a a Y Y Y Y s /8.079.0016.024.12.11375.0867.13''' ++++++=式中,。
元素在煤中的质量分数——;—煤中水分的质量分数—N N W Y Y ()()()kgm kg m Q s /42.7/01.08.097.679.097.6016.006.024.104.02.1101.0375.068.0867.133'=⨯+⨯+⨯+⨯+⨯+⨯+⨯= 2.1.3标准状态下实际烟气量()./'/''1016.1'33kg m Q kg m Q Y Q Y Q Q a s a s s ,标准状态下理论空气量——,标准状态下理论烟气量———空气过剩系数;—式中, -+=标准状态下烟气流量Q 应以h m /3计,因此,设计耗煤量⨯=s Q Q ()()()hm Q Q kg m Q s s /763280054.9/54.997.613.1016.142.733=⨯=⨯==⨯-⨯+= 设计煤耗量 2.1.4烟气含尘浓度()3/m kg Q A d C sYsh ⋅=式中,。
量,—标准状态下实际烟气—量;—煤中不可燃成分的含—可燃成分的质量分数;—排烟中飞灰占煤中不—kg m Q A d s Y sh /3()()3333/1052.2/1052.254.915.016.0m mg m kg C ⨯=⨯=⨯=-2.1.5标准状态下烟气中二氧化硫浓度的计算()36/1022m mg Q S C SY SO ⨯=式中,。
的实际烟气量,—标准状态下燃煤产生——煤中硫的质量分数;—3/m mg Q S S Y ()()3336/1005.2/1054.998.001.022m mg m mg C SO ⨯=⨯⨯⨯= 2.2除尘器的选择2.2.1除尘效率CC S-=1η式中,.//,33m mg C m mg C S 排放标准中的规定值,—标准状态下锅炉烟尘—;浓度—标准状态下烟气含尘—%83.961052.28013=⨯-=η2.2.2除尘器的选择工况下烟气流量()hm TQT Q /3''=式中,。
—标准状态下温度,—;—工况下烟气温度,—;量—标准状态下的烟气流—K T K T h m Q '3/()()()hm hm Q /13223/273200273763233'=+⨯= 则烟气流速为()s m Q /7.336001322336003'==根据工况下的烟气量、烟气温度及要求达到的除尘效率确定除尘器:选择宜兴市海纳环境工程有限公司XL-6型水膜脱硫除尘器。
表2-2-1XL-6型水膜脱硫除尘器产品性能规格型号处理烟气量(m3/h)除尘效率(%)排烟黑度设备阻力(Pa)脱硫效率(%)质量(kg)XL-618000>950~1林格曼黑度<70072~896900表2-2-2XL-6型水膜脱硫除尘器外型结构尺寸(见图2-2-1)规格DD1H4H3H2H1H A A1A2BXL-6140012001500430010207007520600720760510B1B2φφ1φ2E F G t1×h1t2×h2630670750850900345800200022-φ1416-φ12图2-2-1XL-6型水膜脱硫除尘器外型结构尺寸2.3确定除尘器、风机、烟囱的位置及管道布置确定除尘器、风机、烟囱的位置及管道布置计算各管道的管径、长度、烟囱高度和出口内径以及系统总阻力。
2.3.1各装置及管道布置的原则根据锅炉运行情况及锅炉现场的实际情况确定各装置的位置。
一旦确定各装置的位置,管道的布置也就基本可以确定了。
对各装置及管道的布置应力求简单、紧凑、管路短、占地面积小,并使安装、操作和检修方便。
2.3.2管径的确定()m Q d πυ'4=式中,()sm s m s m s m Q /14/15~10//'3==υυυ取。
对于锅炉烟尘—烟气流速,—;量,工况下管道内的烟气流——则()m d 58.01414.37.34=⨯⨯=圆整并选取风道外径D/mm钢制板风管外径允许偏差/mm壁厚/mm 6001±0.75()mm d 5.59875.026001=⨯-==内径由公式πυ'4Q d =可计算出实际烟气流速:()s m d Q /2.125985.014.37.34422'=⨯⨯==πυ2.4烟囱的设计2.4.1烟囱高度的确定首先确定共用一个烟囱的所有锅炉总的蒸发量(t/h),然后根据锅炉大气污染物排放标准中的规定(表2-4-1)确定烟囱的高度。
表2-4-1燃煤锅炉房烟囱最低允许高度锅炉房装机总容量MW <0.70.7~<1.4 1.4~<2.8 2.8~<77~<14≥14t/h <11~<22~<44~<1010~<20≥20烟囱最低允许高度m202530354045锅炉总功率:()MW 4.838.2=⨯锅炉总额定出力:()h t /1243=⨯故选定烟囱高度为m 40。
2.4.2烟囱直径的计算烟囱出口内径可按下式计算:()m Qd ω0188.0=式中,。
速,选取的烟囱出口烟气流—按表—;,—通过烟囱的总烟气量—s m h m Q /2-4-2/3ω表2-4-2烟囱出口烟气流速/(m/s)通风方式运行情况全负荷时最小负荷机械通风10~204~5自然通风6~102.5~3选定s m /4=ω,则()m d 87.141322330188.0=⨯=圆整取m d 9.1=。
烟囱底部直径()m H i d d ⋅⋅+=221式中,()。
通常取—烟囱锥度—;—烟囱高度,—;—烟囱出口直径,—03.0~02.02=i i m H m d 取02.0=i ,()()m m d 47.34002.0287.11=⨯⨯+=圆整取m d 5.31=。
2.4.3烟囱的抽力()Pa B t t H S p k y ⋅⎪⎪⎭⎫ ⎝⎛+-+=273127310342.0式中,。
—当地大气压,—;,—烟囱内烟气平均温度—;—外界空气温度,—;—烟囱高度,—Pa B C t C t m H p k ︒︒()Pa S y 2091098200273112731400342.03=⨯⨯⎪⎭⎫ ⎝⎛+--⨯⨯=2.5系统阻力的计算2.5.1摩擦压力损失对于圆管()Pa d L p L 22ρυλ⋅=∆式中,)。
值可取管道,对砖砌或混凝土值可取中对金属管道可以查手册得到(实际的函数。
和管道相对粗糙度体雷诺数—摩擦阻力系数,是气—;—管中气流平均速率,—;—烟气密度,—;—管道直径,—;—管道长度,—04.002.0//3λλλυρdKR s m m kg m d m L e A.对于600φ圆管m L 5.9=()3/77.047327334.1200273273m kg n =⨯=+=ρρB()Pa p L 8.2122.1277.05.05.902.02=⨯⨯⨯=∆B.对于砖砌拱形烟道(参见图2-5-1)mmD B B D A 600224222=⎪⎭⎫⎝⎛+==ππ故mmB 9.450=圆整并取值mmB 450=图2-5-1砖砌拱形烟道示意图2.5.2局部压力损失)(22Pa v p ρξ⋅=∆式中--ξ异形管件的局部阻力系数,可在有关手册中查到,或通过实验获得;--v 与ε相对应的断面平均气流速率,s m /;--ρ烟气密度,3/m kg。