大气课程设计,锅炉除尘系统方案
- 格式:doc
- 大小:961.50 KB
- 文档页数:28
课程设计说明书课程名称:大气污染控制工程课程设计题目:燃煤锅炉除尘系统设计课程设计任务书一、课程设计题目燃煤锅炉除尘系统设计二、课程设计的目的课程设计是大气污染控制工程教学中一个重要的实践环节,要求综合运用所学的有关知识,在设计中掌握解决实际工程问题的能力,并进一步巩固和提高理论知识。
通过设计,了解工程设计的内容、方法及步骤,培养确定大气污染控制系统的设计方案、进行设计计算、绘制工程图、使用技术资料、编写设计说明书的能力。
三、设计原始资料煤质表飞灰含氧量水分含硫量22% 1.5%7.5% 2.0%设计参数:锅炉型号:SZL10-1.6型 1台设计耗煤量:650kg/h烟气粘度:2.4X10-5pa.s烟气温度:473K空气过剩系数:a=1.4允许压力损失:1200pa烟气密度:1.18kg/m3烟气真密度:2.25kg/m3标准状态下烟尘允许排放浓度:50mg/m3标准状态下二氧化硫允许排放浓度:100mg/m3四、设计内容和要求在课程设计实践过程中,灵活运用学习的除尘系统的基本原理、基本装置。
结合相关文献资料的收集查阅,掌握除尘系统的设计。
1.燃煤锅炉除尘系统简介;除尘系统的设计;2.根据燃煤量、煤质等数据计算烟气量及烟尘浓度;选择除尘器;3.确定除尘器、风机、烟囱的位置及管道布置,并计算各管段的管径、长度、烟囱高度。
4.烟囱的设计;5.系统阻力的计算;6.风机和电动机的选择和计算。
7.按照工程制图要求绘制除尘系统图一张,需用AutoCAD出图。
五、主要参考书目(1)郝吉明,马广大主编.大气污染控制工程.北京:高等教育出版社,2006(2)同济大学等编.锅炉及锅炉设备.北京:中国建筑工业出版社,1986(3)蒋文举主编.大气污染控制工程.北京:高等教育出版社,2006目录1前言 (3)1.1烟气除尘技术概述 (3)1.1.1分类 (3)1.1.2除尘器性能指标 (4)1.1.3除尘器的选择 (4)1.2 袋式除尘器 (5)1.2.1 袋式除尘器的机理 (5)1.2.2袋式除尘器的分类 (6)2 袋式除尘器的选型设计的步骤 (8)2.1收集有关资料 (9)2.2 选定袋式除尘器的形式、滤料及清灰方式 (9)2.3确定过滤速度 (10)2.4确定过滤面积 (10)2.5估算除尘器的除尘效率、压力损失,确定过滤和清灰周期 (11)3 设计计算 (11)3.1燃煤锅炉排烟量及烟气的计算 (11)3.1.1 标准状态下理论空气量 (11)3.1.2 标准状态下理论烟气量 (11)3.1.3 标准状态下实际烟气量 (12)3.1.4 标准状态下烟气流量 (12)3.1.5 烟气含尘浓度 (12)3.2 除尘器的选型 (13)3.2.1 除尘效率 (13)3.2.2 除尘器的选择 (13)3.3 确定除尘器、风机、烟囱的位置及管道布置 (13)3.3.1 各装置及管道布置的原则 (13)3.3.2 管径的确定 (14)3.4 烟囱的设计 (14)3.5 系统阻力的计算 (15)3.5.1 摩擦压力损失 (15)3.5.2 局部压力损失 (15)3.6 风机的选型 (18)3.7 电动机的选型 (18)参考文献 (19)附图 (19)致谢 (20)1前言空气中的颗粒物事影响我国城乡空气质量的主要污染物之一。
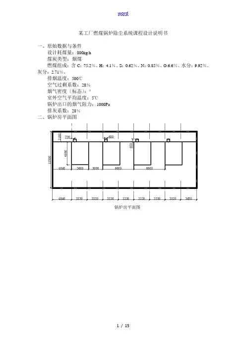
word某工厂燃煤锅炉除尘系统课程设计说明书一、原始数据与条件设计耗煤量:800kg/h煤炭类型:烟煤燃煤组成:含C:75.2%、H:4.1%、S:0.62%、N:0.85%、O:6.6%、水分:9.92%、灰分:2.71%。
排烟温度:500℃空气过剩系数:28%烟气密度〔标态〕:³室外空气平均温度:5℃锅炉出口的烟气阻力:1000Pa排灰系数:28%二、锅炉房平面图锅炉房平面图目录摘要1关键词11 前言22 处理单元的设计计算22.1 烟气排放量计算22.2 粉尘和二氧化硫浓度与除尘器除尘所需效率计算32.3 除尘和除硫设备选型42.4 换热器选型42.5 烟囱设计52.5.1 烟囱高度确实定52.5.2 烟囱直径的计算52.5.3 烟囱的抽力计算53 管道计算与风机选型53.1 管道部设53.2 管道沿程阻力计算63.2.1 管道1-4段沿程阻力计算63.2.2 管道5-6段沿程阻力计算73.2.3 管道7-11段沿程阻力计算73.2.4 管道11-12段沿程阻力计算83.2.5 管道总沿程阻力损失93.3 局部阻力计算93.4 系统总阻力损失与风机选型104 设备和管道一览表10附录1 CLS型立式旋风水膜除尘器主要性能表11附录 2 燃煤、燃油〔轻柴油、煤油除外〕锅炉房烟囱最低允许高度(GB 13271-2001)12参考文献12某燃煤锅炉烟气除尘系统设计摘要本设计以某工厂燃煤锅炉为对象,设计了锅炉的烟气处理系统。
主要包括换热器选型、除尘器选型、风机选型、管道部设和烟囱设计。
设计出了一个烟尘和二氧化硫同步处理的尾气处理系统。
关键词:锅炉;烟气;旋风水膜除尘器1 前言工业锅炉所排放出来的烟尘是造成大气污染的主要污染源之一,由黑烟和灰尘组成。
由于它们哦发生过程、性质和粒径不同,因此解决的方法也不同。
黑烟的主要成分为碳、氢、氧与其化合物,可以通过改造锅炉、进展合理的燃烧调节,使其在炉膛燃烧掉的方法解决,同时也降低了排尘的原始浓度;灰尘主要是碳粒和灰分等颗粒物,可以通过加装除尘器的方法解决。
大气除尘器除尘课程设计一、课程目标知识目标:1. 学生能够理解大气除尘器的基本原理,掌握其工作流程和结构组成;2. 学生能够掌握大气除尘器在不同工业领域的应用,了解其重要性;3. 学生能够了解大气除尘器在环保和可持续发展方面的意义。
技能目标:1. 学生能够运用所学知识分析大气除尘器的工作原理,并进行简单的故障排查;2. 学生能够运用数学和科学方法计算大气除尘器的除尘效率,具备一定的数据分析能力;3. 学生能够通过团队合作,设计并制作简单的除尘器模型,提高动手实践能力。
情感态度价值观目标:1. 培养学生对环境保护和大气污染治理的责任感和使命感;2. 培养学生关注社会热点问题,认识到科技创新在解决环境问题中的重要性;3. 培养学生具备良好的团队合作精神和沟通能力,形成积极向上的学习态度。
课程性质:本课程为科学实践活动课程,旨在通过理论学习和实践操作,帮助学生掌握大气除尘器的相关知识,提高学生的实践能力和创新能力。
学生特点:六年级学生具备一定的科学知识基础,对新鲜事物充满好奇心,具备初步的团队合作意识,但动手实践能力和问题解决能力有待提高。
教学要求:教师需结合学生特点,采用启发式教学,引导学生主动探究大气除尘器的相关知识,注重理论与实践相结合,培养学生的实践能力和创新能力。
通过课程目标的分解和教学设计,确保学生能够达到预期的学习成果,为后续的学习和成长奠定基础。
二、教学内容1. 大气除尘器基本原理:介绍大气除尘器的工作原理,包括重力除尘、惯性力除尘、电除尘和湿式除尘等;教材章节:第四章第二节《大气污染治理技术》。
2. 大气除尘器的结构组成:分析不同类型大气除尘器的结构特点,如袋式除尘器、静电除尘器等;教材章节:第四章第三节《大气除尘设备》。
3. 大气除尘器在工业领域的应用:举例介绍大气除尘器在电力、钢铁、化工等行业的应用;教材章节:第四章第四节《大气除尘技术的应用》。
4. 除尘效率的计算与分析:教授学生如何运用数学和科学方法计算大气除尘器的除尘效率,并进行数据分析;教材章节:第五章第二节《大气污染控制技术的评价与优化》。
环境工程专题课程设计大气污染控制工程设计说明书题目:某厂燃煤锅炉烟气除尘处理工程方案设计姓名:班级:环境工程0801学号:0813100123指导教师:成绩:浙江工商大学环境科学与工程学院2011年11月目录前言 (3)第一章工程概况 (3)1.1 设计条件1.2 设计要求第二章设计说明 (4)2.1 设计依据2.2 设计原则2.3 设计范围2.4 设计规模2.5 设计参数与指标第三章工艺选择 (6)3.1除尘技术简介3.1.1机械除尘器3.1.2 袋式除尘器3.1.3 电除尘器3.1.4湿式除尘器3.2 可供选择的除尘技术3.3 方案的技术比较3.4 方案确定第四章处理流程 (9)4.1 除尘系统4.2 除尘器系统4.3输灰系统4.4 控制系统4.5 供电装置第五章与其处理效果 (10)第六章主要设施与设备设计选型 (10)6.1 主要设施设计计算6.1.1 烟气流量与净化效率计算6.1.2 除尘器的选择与设计计算6.1.3 管道的设计计算6.1.4 风机的选择计算6.2 主要设备型号及技术参数确定第七章总图设计 (21)7.1 除尘器平面与立面布置图7.2 除尘器的总图7.3 电场布置图第八章技术经济分析 (21)8.1 综合技术经济指标8.2 人员编制8.3 工程概算8.4 运行费用分析第九章参考文献 (22)附图一除尘器平面与立面布置图附图二除尘器总图附图三电场布置图前言大气是人类赖以生存的最基本的环境因素,构成了环境系统的大气环境子系统。
一切生命过程,一切动物、植物和微生物都离不开大气。
大气为地球生命的繁衍,人类的发展,提供了理想的环境。
它的状态和变化,时时处处影响到人类的活动与生存。
造成大气污染的原因,既有自然因素又有人为因素,尤其是人为因素,如工业废气、燃烧、汽车尾气和核爆炸等。
随着人类经济活动和生产的迅速发展,在大量消耗能源的同时,也将大量的废气、烟尘物质排入大气,严重影响了大气的质量,特别是在人口稠密的城市和工业区域。
大气课程设计锅炉烟气除尘脱硫系统设计锅炉烟气除尘脱硫系统设计说明书目录 1 前言 (2)2 设计任务书 (2)设计题目................................................... 2设计原始资料............................................... 2设计内容和要求.............................................2 3 设计计算 (3)烟气量、烟尘和二氧化硫浓度的计算............................ 3 标准状态下理论空气量................................... 3 标准状态下理论烟气量................................... 3 标准状态下实际烟气量................................... 3 标准状态下烟气含尘浓度................................. 3 标准状态下烟气中二氧化硫浓度的计算 (4)除尘器设备的设计与计算...................................... 4 袋式除尘器的概念 (4)袋式除尘器的工作原理................................... 4 袋式除尘器的滤料....................................... 5 袋式除尘器的清灰方式...................................5 袋式除尘器的选择和计算................................. 6 脱硫设备的设计与计算.. (7)石灰石/石灰法湿法烟气脱硫技术的原理.................... 7 石灰石/石灰法湿法烟气脱硫技术的工艺流程................ 8 吸收塔内流量计算.......................................9 吸收塔径计算........................................... 9 吸收塔高度计算.. (9)烟囱的设计计算............................. 错误!未定义书签。
目录1 设计任务书21.1课程设计题目21.2设计原始资料21.3执行标准22 设计方案的选择确定22.1除尘系统选择的相关计算2用煤量计算2烟气量、烟尘和二氧化硫浓度的计算32.2数质量衡算、处理效率与达标验算42.2.1大气污染物排放限值42.2.2计算实现达标排放、污染治理设备与工艺处理效率需达到的理论值0 52.3旋风除尘器设计52.3.1除尘效率52.3.2工作状况下烟气流量52.3.3旋风除尘器的尺寸62.4脱硫吸收塔〔喷淋吸收空塔〕的设计82.4.1工况下烟气中二氧化硫浓度的计算92.4.2喷淋塔92.4.3新鲜浆料与浆液量的确定113 确定除尘器、风机、烟囱的位置与管道布置123.1各装置与管道布置的原则123.1.1管径的确定123.2烟囱的计算133.2.1烟囱高度的确定133.2.2烟囱直径的计算133.2.3烟囱的抽力143.3系统阻力的计算143.3.1摩擦压力损失153.3.2局部压力损失153.3.3系统总阻力153.4风机和电动机的选择与计算153.4.1标准状态下风机风量的计算153.4.2风机风压的计算163.4.3电动机功率的计算16参考文献171.设计任务书 1.1课程设计题目试根据设计原始资料,对锅炉烟尘进行污染控制系统设计,实现达标排放。
1.2. 设计原始材料1、锅炉炉型与型号:(1)某厂使用锅炉为生产系统提供过热蒸汽,炉型为链条炉,额定蒸汽量分别为1、2、4 t/h ,(2)锅炉为生产系统提供过热蒸汽,炉型为抛煤机炉,额定蒸汽量分别为6、8、10t/h ; (3)某电厂发电机组为12万kw ,锅炉为煤粉炉,小时燃煤量15、18、20t/h ,烟气温度423K 。
3、不同炉型燃煤排尘量和烟尘的粒度分布见下表:4、空气过剩系数为1.3-1.4,标准状态下空气含水按0.01293kg/m,系统漏风系数为炉膛0.1、除尘器0.01,每米管道0.001。
5、烟气在锅炉出口前阻力为800Pa ,管道摩擦阻力系数λ:金属管道取λ=0.02,砖砌或混凝土取λ=0.04;除尘器设备阻力查产品手册。
目录1 设计课程任务书 (1)1.1设计题目 (1)1.2设计目的 (1)1.3设计原始材料 (1)1.4设计内容和要求 (2)1.5主要参考书目 (3)2 烟气量烟尘和二氧化硫浓度的计算 (4)2.1标准状态下理论空气量 (4)2.2标准状态下理论烟气量 (4)2.3标准状态下实际烟气量 (4)2.4标准状态下烟气含尘浓度 (5)2.5标准状态下烟气中二氧化硫浓度的计算 (5)3 除尘器的选择 (6)3.1除尘器应该达到的除尘效率 (6)3.2除尘器的选择 (6)4 确定除尘器、风机和烟囱的位置及管道的布置 (8)4.1各装置及管道布置的原则 (8)4.2管径的确定 (8)5烟囱的设计 (9)5.1烟囱高度的确定 (9)5.2烟囱直径的计算 (9)5.3烟囱的抽力 (10)6 系统阻力计算 (11)6.1摩擦压力损失 (11)6.2局部压力损失 (12)7 系统中烟气温度的变化 (15)7.1烟气在管道中的温度降 (15)7.2烟气在烟囱中的温度降 (15)8 风机和电动机的选择及计算 (16)8.1标准状态下风机风量计算 (16)8.2风机风压计算 (17)8.3电动机功率计算 (18)9 通风除尘系统布置图 (19)10小结及参考文献 (22)10.1小结 (22)10.2参考文献 (22).....................................................................2. 烟气量烟尘和二氧化硫浓度的计算2.1标准状态下理论空气量 建立煤燃烧的假定: 1、煤中固定氧可用于燃烧; 2、煤中硫主要被氧化为 SO2; 3、不考虑NOX 的生成;4、煤中的N 在燃烧时转化为N2。
标准状态下理论空气量式中 Y C ,Y H ,Y S ,Y O ——分别为煤各元素所含的质量分数。
代入Y C =72% ,YH =4%,Y S =1%,YO =5%,得'a Q =4.76⨯ (1.867⨯0.72+5.56⨯0.04+0.7⨯0.01-0.7⨯0.05)=7.323(/)m kg 2.2标准状态下理论烟气量 (设空气含湿量为12.933(/)m kg )式中'a Q ——标准状态下理论空气量,3(/)m kg ; YW ——煤中水分所占质量分数,%;YN ——N 元素在所占质量分数,%;代入'a Q =7.323(/)m kg ,Y W =6%,Y N =1%, 得'S Q =1.867⨯ (0.72+0.375⨯0.01)+11.2⨯0.04+1.24⨯0.06+(0.016+0.79)⨯7.32+0.8⨯0.01=7.783(/)m kg 2.3标准状态下实际烟气量 式中α——空气过剩系数,取1.4注意:标准状态下烟气流量Q 以3/m h 计,因此,S Q Q =⨯设计耗煤量代入'S Q =7.783(/)m kg ,'a Q =7.32 3(/)m kg ,得SQ =7.78+1.016⨯0.4⨯7.32=10.753(/)m kgS Q Q =⨯设计耗煤量=10.75⨯600 =6450 3/mhQ ——标准状态下实际烟气量 2.4标准状态下烟气含尘浓度标准状态下烟气含尘浓度:式中shd ——排烟中飞灰占不可燃成分的质量分数;YA ——煤中不可燃成分的含量;SQ ——标准状态下实际烟气量,3(/)m kg 。
某燃煤站锅炉烟气除尘系统设计摘要:此设计为主要是为了某小型燃煤电站锅炉烟气除尘设计的一套系统。
根据燃煤烟气中粉尘的特点,设计煤量800kg/h, 排烟温度160℃,烟气密度(标态)1。
39kg/m3,及排放要求初步选择了除尘器类型.选择LD14-56机械振打袋式除尘器。
通过一系列除尘系统使最终排出的烟气达到锅炉大气污染物排放标准(GB13217—2001)标准状态下烟尘浓度排放标准:50mg/m3。
关键词:燃煤站锅炉烟气;袋式除尘;机械振打一、设计题目某小型燃煤锅炉电站烟气袋式除尘系统的设计二、设计资料锅炉型号FG—35/3.82—M型(35t/h 蒸汽)自选台数(1—5台);设计耗煤量根据锅炉自行选取(例如800kg/h);排烟温度160度;空气过剩系数x= 1。
4;烟气密度 1.39kg、m3;冬季室外空气平均温度4度;锅炉出口烟气阻力1200Pa;排烟中飞灰占煤中不可燃成分的比例16%;烟气其它性质按空气计算;煤的工业分析C=68%;H= 4% S=2%;O=5%;N=3% W=5%A=12% V=11%;标准状态下烟尘浓度排放标准50mg/m3;当地大气压标准状态。
三、设计内容①燃煤锅炉排烟量及二氧化硫浓度的计算②净化系统设计方案的分析确定③袋式除尘器的选择:确定除尘器的类型、型号及规格,并确定其主要运行参数。
④管网布置及计算:确定各装置的位置及管道布置。
计算各管道的长度、管径、烟囱的高度和出口内径及系统总阻力。
⑤风机及电机的选择设计:根据净化系统所处理烟气量、烟气温度、系统总阻力等计算选择风机种类、型号及电机的种类、型号和功率。
四、设计原则①除尘管道力求顺直,保证气流通畅。
当必须水平敷设时,要有足够的流速以防止积尘。
对易产生积灰的管道,必须设置清灰口;为减轻风机磨损,特别当气体含尘质量浓度较高时(大于3g/m3),应将净化装置设在风机的吸入端;分支管与水平管或倾斜主干道连接时,应从上面或侧面接入。
大气除尘工程课程设计一、课程目标知识目标:1. 理解大气除尘工程的基本概念、原理及主要设备;2. 掌握大气除尘技术的分类、特点及适用场合;3. 了解大气除尘工程在环境保护和可持续发展中的作用。
技能目标:1. 能够分析大气污染物的来源、危害及防治方法;2. 能够运用所学知识对大气除尘工程进行初步设计和计算;3. 能够运用现代技术手段,收集、整理和分析大气除尘相关信息。
情感态度价值观目标:1. 培养学生对环境保护的责任感和使命感,树立绿色发展的观念;2. 激发学生对大气除尘工程领域的兴趣,鼓励创新精神和实践能力;3. 增强学生的团队合作意识,培养沟通、交流和协作能力。
课程性质:本课程属于环保类课程,旨在让学生了解大气除尘工程相关知识,提高环境保护意识。
学生特点:初三学生已具备一定的物理、化学基础,具有较强的求知欲和动手能力。
教学要求:结合学生实际情况,注重理论联系实际,提高学生的实践操作能力和解决问题的能力。
通过课程学习,使学生在知识、技能和情感态度价值观方面均取得具体、可衡量的成果。
为后续相关领域的学习打下坚实基础。
二、教学内容1. 大气除尘基本概念:大气污染物的种类、来源及危害;除尘技术的定义及作用。
教材章节:第一章第一节。
2. 大气除尘原理及设备:湿式除尘、干式除尘、过滤式除尘等原理及设备结构。
教材章节:第一章第二节、第三节。
3. 大气除尘技术分类:按除尘原理、设备类型、应用场合等方面进行分类。
教材章节:第二章。
4. 大气除尘工程设计与计算:工程设计的步骤、计算方法及实例分析。
教材章节:第三章。
5. 大气除尘技术在环境保护中的应用:案例分析,了解大气除尘技术在工业、生活等方面的应用。
教材章节:第四章。
6. 环保意识与可持续发展:大气除尘工程在环境保护和可持续发展中的作用。
教材章节:第五章。
教学进度安排:第一周:大气除尘基本概念、原理及设备;第二周:大气除尘技术分类;第三周:大气除尘工程设计与计算;第四周:大气除尘技术应用及环保意识培养。
大气除尘器课程设计一、课程目标知识目标:1. 学生能够理解大气除尘器的概念、分类及工作原理;2. 学生能够掌握大气除尘器在环保和工业领域的作用;3. 学生能够了解大气除尘技术的发展趋势及其对环境保护的意义。
技能目标:1. 学生能够运用所学知识,分析大气除尘器在不同场景下的应用;2. 学生能够设计简单的大气除尘器实验方案,进行数据收集和处理;3. 学生能够通过小组合作,完成大气除尘器模型的制作和展示。
情感态度价值观目标:1. 学生能够认识到大气除尘技术在环境保护中的重要性,增强环保意识;2. 学生能够养成合作、探究的学习习惯,培养团队精神和创新精神;3. 学生能够关注社会问题,提高社会责任感,树立正确的价值观。
课程性质:本课程属于科学实践活动,结合物理、化学、环保等学科知识,注重培养学生的实践能力和创新能力。
学生特点:六年级学生具备一定的科学知识基础,好奇心强,善于观察和思考,喜欢动手操作。
教学要求:教师应注重理论与实践相结合,引导学生主动探究,激发学生的学习兴趣,培养其解决问题的能力。
在教学过程中,关注学生的个体差异,鼓励学生积极参与,充分展示自己的观点和成果。
通过课程学习,使学生达到预期学习成果,为后续学习奠定基础。
二、教学内容1. 大气除尘器概念与分类:讲解大气除尘器的定义,介绍常见的静电除尘器、布袋除尘器、湿式除尘器等类型及其工作原理;2. 大气除尘器在环保和工业领域的应用:分析大气除尘器在电力、化工、建材等行业的应用,介绍其在减少大气污染、保护环境方面的作用;3. 大气除尘器实验设计与制作:学习大气除尘器实验原理,设计实验方案,进行实验操作,收集并处理实验数据;4. 大气除尘器模型制作:分组进行大气除尘器模型的制作,培养学生的动手能力和团队协作精神;5. 大气除尘技术发展趋势及环保意义:介绍大气除尘技术的发展趋势,探讨其对环境保护的意义。
教学内容安排与进度:第一课时:大气除尘器概念与分类,工作原理介绍;第二课时:大气除尘器在环保和工业领域的应用;第三课时:大气除尘器实验设计与制作;第四课时:大气除尘器模型制作与展示;第五课时:大气除尘技术发展趋势及环保意义。
大气除尘课程设计一、课程目标知识目标:1. 学生能够理解大气除尘的基本概念,掌握其主要方法和技术。
2. 学生能够描述大气颗粒物的来源、危害及防治措施。
3. 学生能够解释大气质量指数(AQI)的计算方法和意义。
技能目标:1. 学生能够运用所学知识分析大气污染案例,并提出合理的除尘解决方案。
2. 学生能够通过实验、观察等方法,掌握大气颗粒物的采样和检测技巧。
3. 学生能够运用数据分析软件,对大气质量数据进行处理和分析。
情感态度价值观目标:1. 学生能够认识到大气除尘在环境保护和可持续发展中的重要性,增强环保意识。
2. 学生能够关注大气污染问题,积极参与社会公益活动,倡导绿色生活。
3. 学生能够培养团队合作精神,严谨的科学态度和良好的实验习惯。
课程性质:本课程属于环境科学领域,旨在提高学生对大气污染及其防治的认识,培养学生实际操作能力和解决问题的能力。
学生特点:初三学生具有一定的物理、化学基础,思维活跃,好奇心强,但可能对实际操作和数据分析较为陌生。
教学要求:结合学生特点,注重理论联系实际,以实验和案例分析为主线,引导学生主动参与,提高学生的实践操作能力和科学素养。
通过课程目标的实现,为学生后续学习环境科学相关课程打下坚实基础。
二、教学内容1. 大气除尘基本概念:讲解大气颗粒物的分类、来源及危害,介绍大气除尘的重要性和必要性。
教材章节:第三章第一节2. 大气除尘技术:介绍常见的除尘技术,如机械除尘、电除尘、湿式除尘等,分析各种技术的优缺点及适用范围。
教材章节:第三章第二节3. 大气质量指数(AQI):讲解AQI的计算方法、标准和意义,让学生了解大气质量评价体系。
教材章节:第三章第三节4. 实践操作:组织学生进行大气颗粒物采样和检测实验,掌握实验操作技巧,提高实践能力。
教材章节:第三章实验部分5. 案例分析:分析典型的大气污染案例,讨论除尘解决方案,培养学生解决问题的能力。
教材章节:第三章案例分析6. 数据处理与分析:教授学生使用数据分析软件,对大气质量数据进行处理和分析,提高学生的数据分析能力。
大气污染课程设计姓名:张XX指导老师:孙老师专业:环境监测与治理技术学院:化工食品学院学号:目录一、课程设计题目 (5)二、设计原始资料 (5)1.锅炉设备的主要参数 (5)2.污染源强相关参数 (5)3.煤的工业分析值 (5)4.按锅炉大气污染排放标准(GB13271—2001)中二类区标准执行 (5)三、设计方案的确定及原理 (5)四、设计计算 (7)1.耗煤量计算 (7)2.烟气量、烟尘和二氧化硫浓度与氮氧化物浓度的计算 (7)2.1标准状态下理论空气量 (7)2.2标准状态下理论烟气量(设空气含湿量为12.93(m3/kg)) (8)2.3标准状态下实际烟气量 (8)2.4标准状态下烟气含尘浓度 (9)2.5标准状态下烟气中二氧化硫浓度的计算 (9)2.6标态下氮氧化物浓度的计算 (9)3.除尘器的选择 (10)3.1除尘器应达到的除尘效率 (10)3.2除尘器的选择 (10)4.旋风除尘器的设计 (10)4.1确定旋风除尘器的进口气流速度v (10)4.2确定旋风除尘器的几何尺寸 (11)4.3压力损失△P222 2vDρ⨯AB⨯K=∆P (11)5.脱销工艺 (12)6.脱硫方案的确定 (13)(1)喷淋塔内流量计算 (13)(2)喷淋塔径计算 (14)(3)喷淋塔高度计算 (14)7.确定除尘器,风机,烟囱的位置及管道布置。
并计算各管段的管径,长度烟囱高度和出口内径以及系统总阻力。
(17)7.1各装置及管道布置的原则 (17)7.2管径的确定 (17)8.烟囱的计算 (18)8.1烟囱高度的确定 (18)8.2烟囱直径的计算 (18)8.3烟囱的抽力 (19)9.系统阻力的计算 (19)9.1摩擦压力损失 (19)9.2局部压力损失 (20)9.3系统总总阻力(其中锅炉出口前阻力为1200pa) (20)1)总阻力计算 (20)10.风机和电动机的选择及计算 (21)10.1标准状态下风机风量的计算 (21)10.2风机风压的计算 (21)五、小结 (22)六、参考资料 (22)大气污染控制工程课程设计一、课程设计题目某小型燃煤电站锅炉烟气除尘、脱硫处理与脱销处理系统的设计。
1.概述随着经济和社会的发展,燃煤锅炉排放的二氧化硫严重地污染了我们赖以生存的环境。
由于中国燃料结构以煤为主的特点,致使中国目前大气污染仍以煤烟型污染为主,其中尘和酸雨危害最大,且污染程度还在加剧。
因此,控制燃煤烟尘的SO对改善大气污染状况至关重要。
2高温气体净化主要包括脱硫和除尘两部分,此外还须脱除HCI、HF和碱金属蒸汽等有害杂质。
在常规工艺中,脱硫和除尘作为独立的单元操作分别在各自的装置中完成。
而在脱硫除尘一体化工艺过程中,将脱硫和除尘两个单元操作结合起来,即在一个操作单元中既达到除尘的目的又满足脱硫的要求。
脱硫除尘一体化操作可以简化工艺流程,节约设备投资。
因而,研究开发适合于我国燃煤锅炉烟气脱硫除尘一体化设备具有重要的使用价值。
目前烟气脱硫除尘一体化装置主要是通过工艺改造和设备优化组合来实现脱硫除尘的目的,很少有人来通过改良脱硫除尘剂的配方来实现这一目的。
假如能够在现有的成熟的高效率脱硫工艺的基础上,在投资成本和运营成本都不高的情况下,通过一些工艺的改良和脱硫药剂的改善来提高其除尘效率,使得该脱硫除尘一体化装置既有良好的脱硫效果,又能获得较高的除尘效率。
这种技术的研制和开发一定会有很好的推广价值,产生良好的社会效益和经济效益。
2.设计原始资料锅炉型号:SZL4-13型,共 4台(2.8MW×4)设计耗煤量:650kg/h(台)排烟温度:160℃烟气密度(标准状态下):1.34kg/m3空气过剩系数:α=1.4排烟中飞灰占煤中灰分(不可燃成分)的比例:16%烟气在锅炉出口前阻力:800Pa当地大气压力:97.86kPa冬季室外空气温度:-1℃空气含水(标准状态下)按0.01293kg/m3,烟气其它性质按空气计算浓度达到锅炉大气污染物排放标准(GB13271-20XX)中二类区标准,即:烟尘浓度≤200mg/Nm3。
3.燃煤锅炉排烟量及烟尘和二氧化硫浓度的计算燃料在空气中燃烧所生产的烟气体积即排烟量,燃煤烟气的主要成分是CO2,SO2,N2,灰分和水蒸气。
大气除尘系统课程设计一、课程目标知识目标:1. 学生能理解大气除尘系统的基本原理,掌握其工作流程及主要设备功能。
2. 学生能掌握大气颗粒物污染的危害,了解不同粒径颗粒物的特点及其对环境和人体健康的影响。
3. 学生能掌握大气质量标准和排放标准的相关知识,了解我国在环境保护方面的政策法规。
技能目标:1. 学生能运用所学的理论知识,分析大气除尘系统的设计方法和优化策略。
2. 学生能通过实验操作,掌握大气颗粒物的采样和分析方法,提高实验技能。
3. 学生能运用计算机软件,对大气除尘系统进行模拟和优化,提高解决问题的能力。
情感态度价值观目标:1. 学生通过学习大气除尘系统,增强环保意识,关注大气污染问题,树立可持续发展观念。
2. 学生在团队协作中,培养沟通、交流和合作的能力,提高团队意识。
3. 学生在面对大气污染问题时,能具备积极解决问题的态度,认识到科技在环境保护中的重要作用。
课程性质:本课程为环境科学相关学科的专业课程,旨在帮助学生掌握大气除尘技术,提高解决大气污染问题的能力。
学生特点:学生具备一定的物理学、化学和环境科学基础知识,对大气污染问题有一定了解,但对大气除尘系统的具体设计和操作尚不熟悉。
教学要求:结合学生特点,注重理论联系实际,采用讲授、实验和模拟等多种教学手段,提高学生的理论水平和实践能力。
通过课程学习,使学生达到上述课程目标,为未来从事环境保护工作奠定基础。
二、教学内容1. 大气除尘系统原理及分类:讲解大气除尘系统的基本原理、分类及各类除尘器的优缺点,涉及教材第3章第1节内容。
- 旋风除尘器- 湿式除尘器- 静电除尘器- 袋式除尘器2. 大气颗粒物污染及其危害:分析大气颗粒物污染的特点、来源及其对环境和人体健康的影响,涵盖教材第2章第3节内容。
- 颗粒物的粒径分布- 颗粒物污染来源- 颗粒物对人体健康的影响3. 大气质量标准和排放标准:介绍我国大气质量标准和排放标准,解释相关法规政策,参考教材第4章第2节内容。
大气锅炉除尘课程设计一、课程目标知识目标:1. 学生能理解大气锅炉的工作原理及其在工业生产中的应用。
2. 学生能掌握大气锅炉除尘的基本概念、分类及原理。
3. 学生能了解大气锅炉除尘设备的功能、结构及其操作方法。
技能目标:1. 学生能够运用所学知识分析大气锅炉除尘过程中的问题,并提出解决方案。
2. 学生能够独立操作大气锅炉除尘设备,进行简单的故障排查和处理。
3. 学生能够设计简单的除尘系统,提高实际操作能力。
情感态度价值观目标:1. 学生能够认识到大气锅炉除尘在环境保护和可持续发展中的重要性,培养环保意识。
2. 学生通过学习大气锅炉除尘技术,增强对科技创新的信心,培养勇于探索的精神。
3. 学生能够关注大气污染问题,积极参与社会公益活动,提高社会责任感。
课程性质:本课程为应用技术类课程,注重理论联系实际,强调实践操作能力的培养。
学生特点:学生为高中二年级学生,具有一定的物理、化学基础知识,对环境保护和科技创新有一定认识。
教学要求:结合学生特点,注重启发式教学,激发学生兴趣,提高学生动手操作能力,培养学生解决问题的能力。
在教学过程中,将目标分解为具体的学习成果,以便进行有效的教学设计和评估。
二、教学内容1. 大气锅炉工作原理及其环境影响- 锅炉的基本结构- 燃料燃烧过程及产物- 大气污染物排放特点2. 除尘技术概述- 除尘技术分类- 除尘原理及性能指标- 常见除尘设备及其优缺点3. 大气锅炉除尘设备- 袋式除尘器- 静电除尘器- 湿式除尘器- 除尘设备的选择与应用4. 除尘系统设计- 设计原则与要求- 系统组成及功能- 设备选型与布局- 操作与维护要点5. 实践操作与案例分析- 实践操作流程- 故障排查与处理- 案例分析与讨论教学内容安排与进度:第一周:大气锅炉工作原理及其环境影响第二周:除尘技术概述第三周:大气锅炉除尘设备第四周:除尘系统设计第五周:实践操作与案例分析教材章节关联:《环境保护与可持续发展》第四章:大气污染与防治《工业锅炉设备及运行》第六章:锅炉辅助设备教学内容注重科学性和系统性,结合教材章节,确保学生能够掌握大气锅炉除尘的相关知识,提高实际操作能力。
燃煤锅炉烟气除尘工艺设计摘要:在目前,大气污染已经变成了一个全球性的问题,主要有温室效应、臭氧层破坏和酸雨。
而大气污染可以说主要是人类活动造成的,大气污染对人体的舒适、健康的危害包括对人体的正常生活和生理的影响。
燃煤电厂的大气污染物主要是颗粒污染物,而且排放量比较大所以必须通过有效的措施来进行处理,以免污染空气,影响人们的健康生活。
本设计采用旋风除尘器处理排出的颗粒物,并计算排出的颗粒物浓度,管网设计计算及风机的选取等相关内容。
关键词:大气污染;颗粒物;旋风除尘器。
目录1 概述 (3)2 燃煤锅炉排烟量、烟尘及二氧化硫浓度的计算 (3)2.1排烟量及浓度计算 (3)2.1.1实际需湿空气量 (3)2.1.2产生的烟气量 (4)2.1.3标准状态下实际烟气量 (4)2.1.4标准状态下烟气中二氧化硫浓度的计算 (5)3 净化系统除尘方案的分析确定 (5)3.1工艺比较 (5)3.2旋风除尘器的工作原理、应用及特点 (6)3.2.1旋风除尘器简介 (6)3.2.2工作原理 (6)3.3烟气脱硫系统 (7)3.3.1 烟气氨法脱硫系统 (7)3.3.2 烟气脱硫工艺 (7)3.3.3硫铵工艺 (9)3.3.4脱硫方法的选择 (10)4 除尘装置及相关计算 (11)4.1各装置及管道布置的原则 (11)4.2除尘器的选择 (11)4.3烟道管径的确定 (12)4.4烟囱的设计 (13)4.4.1 烟囱高度的确定 (13)4.4.2 烟囱直径与抽力的计算 (13)4.4.3 系统阻力的计算 (14)5 风机及电动机的选择 (16)主要参考书目 (17)1 概述本设计的锅炉排烟温度为160℃;烟气密度为1.34kg/Nm3;空气过剩系数:α=1.35;烟气在锅炉出口前阻力:800Pa;当地大气压力:95.36kpa;冬季室外空气温度:-5℃;空气含水按0.0129kg/Nm3;烟气其他性质按空气计算。
煤的工业分析值:C=50.1%,H=2.07%,S=1.26%,O=4.77%,N=1.2%,W=6.77%,A=33.84%;净化系统布置场地为锅炉房北侧50米以内。
锅炉烟气除尘脱硫系统设计说明书目录1 前言 (2)2 设计任务书 (2)2.1 设计题目 (2)2.2 设计原始资料 (2)2.3 设计内容和要求 (2)3 设计计算 (3)3.1 烟气量、烟尘和二氧化硫浓度的计算 (3)3.1.1 标准状态下理论空气量 (3)3.1.2 标准状态下理论烟气量 (3)3.1.3 标准状态下实际烟气量 (3)3.1.4 标准状态下烟气含尘浓度 (3)3.1.5 标准状态下烟气中二氧化硫浓度的计算 (4)3.2 除尘器设备的设计与计算 (4)3.2.1袋式除尘器的概念 (4)3.2.2袋式除尘器的工作原理 (4)3.2.3袋式除尘器的滤料 (5)3.2.4袋式除尘器的清灰方式 (5)3.2.5袋式除尘器的选择和计算 (6)3.3脱硫设备的设计与计算 (7)3.3.1石灰石/石灰法湿法烟气脱硫技术的原理 (7)3.3.2石灰石/石灰法湿法烟气脱硫技术的工艺流程 (8)3.3.3吸收塔内流量计算 (9)3.3.4吸收塔径计算 (9)3.3.5吸收塔高度计算 (9)3.4 烟囱的设计计算............................. 错误!未定义书签。
3.4.1烟气释放热计算.................................... - 11 -3.4.2烟囱直径的计算.................................... - 11 -3.4.3烟气抬升高度计算.................................. - 12 -3.4.4烟囱的几何高度计算................................ - 12 -3.4.5烟囱阻力计算...................................... - 13 -3.4.6烟囱抽力计算.......................... 错误!未定义书签。
目 录2.烟气量烟尘和二氧化硫浓度的计算 ..................... 错误!未定义书签。
标准状态下理论空气量 .................................. 错误!未定义书签。
建立煤燃烧的假定: .................................... 错误!未定义书签。
1、煤中固定氧可用于燃烧; ............................. 错误!未定义书签。
2、煤中硫主要被氧化为 SO2; ........................... 错误!未定义书签。
3、不考虑NOX 的生成; ................................. 错误!未定义书签。
4、煤中的N 在燃烧时转化为N2。
......................... 错误!未定义书签。
标准状态下理论空气量 .................................. 错误!未定义书签。
' 4.76(1.867 5.560.70.7)Y Y Y Y a Q C H S O =++- 3(/)m kg .. 错误!未定义书签。
式中 YC ,YH ,Y S ,YO ——分别为煤各元素所含的质量分数。
错误!未定义书签。
代入YC =72% ,YH =4%,Y S =1%,YO =5%,............. 错误!未定义书签。
得'a Q =⨯ ⨯⨯⨯⨯ 3(/)m kg ............................... 错误!未定义书签。
标准状态下理论烟气量 .................................. 错误!未定义书签。
(设空气含湿量为3(/)mkg ) .............................. 错误!未定义书签。
'''1.867(0.375)11.2 1.240.0160.790.8Y Y Y Y YS a a Q C S H W Q Q N =++++++3(/)m kg ............................................... 错误!未定义书签。
式中'a Q ——标准状态下理论空气量,3(/)m kg ;........... 错误!未定义书签。
Y W ——煤中水分所占质量分数,%; ..................... 错误!未定义书签。
Y N ——N 元素在所占质量分数,%; ..................... 错误!未定义书签。
代入'a Q = 3(/)m kg ,Y W =6%,Y N =1%, ...................... 错误!未定义书签。
得'S Q =⨯ +⨯⨯⨯ ⨯+⨯ 3(/)m kg .......................错误!未定义书签。
标准状态下实际烟气量 .................................. 错误!未定义书签。
''1.016(1)S S a Q Q Q α=+- 3(/)m kg ............... 错误!未定义书签。
式中 .................................................. 错误!未定义书签。
α——空气过剩系数,取 ................................. 错误!未定义书签。
注意:标准状态下烟气流量Q 以3/m h 计,因此,S Q Q =⨯设计耗煤量错误!未定义书签。
代入'S Q =3(/)m kg ,'a Q = 3(/)m kg , .................错误!未定义书签。
得SQ =+⨯⨯3(/)m kg S Q Q =⨯设计耗煤量=⨯ =64503/m h 错误!未定义书签。
Q ——标准状态下实际烟气量 ............................. 错误!未定义书签。
标准状态下烟气含尘浓度 ................................ 错误!未定义书签。
Ysh S d A C Q ⨯= 3(/)kg m ................................ 错误!未定义书签。
式中shd ——排烟中飞灰占不可燃成分的质量分数; ......... 错误!未定义书签。
Y A ——煤中不可燃成分的含量; ......................... 错误!未定义书签。
SQ ——标准状态下实际烟气量,3(/)m kg 。
............... 错误!未定义书签。
代入shd =16%,YA =11%,SQ =3(/)m kg , ................... 错误!未定义书签。
得C=⨯3(/)kg m 标准状态下烟气中二氧化硫浓度的计算.....错误!未定义书签。
26210YSO SS C Q =⨯ 3(/)mg m ............................. 错误!未定义书签。
式中YS ——煤中可燃硫的质量分数 ....................... 错误!未定义书签。
代入YS =1%,SQ =3(/)m kg , ........................... 错误!未定义书签。
得2SO C =20000/=310⨯3(/)mg m.......................... 错误!未定义书签。
3.除尘器的选择 ....................................... 错误!未定义书签。
除尘器应该达到的除尘效率 .............................. 错误!未定义书签。
1S C Cη=-........................................... 错误!未定义书签。
除尘器的选择 .......................................... 错误!未定义书签。
4.确定除尘器、风机和烟囱的位置及管道的布置 ........... 错误!未定义书签。
5. 烟囱的设计 ......................................... 错误!未定义书签。
烟囱高度的确定 ........................................ 错误!未定义书签。
烟囱直径的计算 ........................................ 错误!未定义书签。
6. 系统阻力计算 ....................................... 错误!未定义书签。
摩擦压力损失 .......................................... 错误!未定义书签。
7. 系统中烟气温度的变化 ............................... 错误!未定义书签。
烟气在管道中的温度降 .................................. 错误!未定义书签。
烟气在烟囱中的温度降 .................................. 错误!未定义书签。
8. 风机和电动机的选择及计算 ........................... 错误!未定义书签。
标准状态下风机风量计算 ................................ 错误!未定义书签。
273101.3251.1273p y t Q Q B+=⨯⨯......................... 错误!未定义书签。
风机风压计算 .......................................... 错误!未定义书签。
电动机功率计算 ........................................ 错误!未定义书签。
1236001000y y e Q H N βηη=⨯ ............................... 错误!未定义书签。
9.通风除尘系统布置图 ................................. 错误!未定义书签。
10. 小结及参考文献 ..................................... 错误!未定义书签。
小结 .................................................. 错误!未定义书签。
参考文献 .............................................. 错误!未定义书签。
2. 烟气量烟尘和二氧化硫浓度的计算标准状态下理论空气量 建立煤燃烧的假定: 1、煤中固定氧可用于燃烧; 2、煤中硫主要被氧化为 SO2; 3、不考虑NOX 的生成;4、煤中的N 在燃烧时转化为N2。
标准状态下理论空气量' 4.76(1.867 5.560.70.7)Y Y Y Y a Q C H S O =++-3(/)m kg 式中 YC ,YH ,Y S ,YO ——分别为煤各元素所含的质量分数。
代入Y C =72% ,YH =4%,Y S =1%,Y O =5%,得'a Q =⨯ ⨯⨯⨯⨯ 3(/)m kg标准状态下理论烟气量 (设空气含湿量为3(/)mkg )'''1.867(0.375)11.2 1.240.0160.790.8Y Y Y Y Y S a a Q C S H W Q Q N =++++++3(/)m kg式中'a Q ——标准状态下理论空气量,3(/)m kg ;YW ——煤中水分所占质量分数,%; YN ——N 元素在所占质量分数,%; 代入'a Q =3(/)m kg ,Y W =6%,Y N =1%, 得'S Q =⨯ +⨯⨯⨯ ⨯+⨯3(/)m kg标准状态下实际烟气量''1.016(1)S S a Q Q Q α=+- 3(/)m kg式中α——空气过剩系数,取注意:标准状态下烟气流量Q 以3/m h 计,因此,S Q Q =⨯设计耗煤量 代入'S Q = 3(/)m kg ,'a Q =3(/)m kg , 得SQ =+⨯⨯3(/)m kg S Q Q =⨯设计耗煤量=⨯ =64503/m h Q ——标准状态下实际烟气量 标准状态下烟气含尘浓度标准状态下烟气含尘浓度:Ysh S d A C Q ⨯= 3(/)kg m式中shd ——排烟中飞灰占不可燃成分的质量分数;YA ——煤中不可燃成分的含量;SQ ——标准状态下实际烟气量,3(/)m kg 。