弯曲变形1
- 格式:ppt
- 大小:3.78 MB
- 文档页数:92
简述弯曲变形的变形特点
弯曲变形是指物体在外力作用下产生的弯曲形变。
它是许多结构和工程中常见的变形形式,具有以下几个特点。
首先,弯曲变形一般发生在杆件或梁上。
当外力施加在杆件或梁的端点处时,由于外力的作用,杆件或梁会发生挠度,也就是形成弯曲形状。
这种形变特点使得弯曲变形成为一种常见的结构设计和分析问题。
其次,弯曲变形是非常重要的因为它与结构的刚度和强度密切相关。
杆件或梁的弯曲刚度决定了结构的变形和挠度,而弯曲变形的刚度与杆件或梁的几何形状、材料性质以及外力大小有关。
因此,对于结构和工程设计而言,了解弯曲变形的特点和规律对于确保结构的安全性和可靠性至关重要。
此外,弯曲变形的形态和分布是非常复杂的。
根据杆件或梁的几何形状、材料特性和外力条件不同,弯曲变形的程度和形态也会有所差异。
一些杆件或梁会出现单一的弯曲点,而另一些则会出现多个弯曲点,形成复杂的变形形态。
总结起来,弯曲变形在结构和工程中是一种常见的变形形式。
它具有杆件或梁上发生、与刚度和强度密切相关以及复杂的变形形态等特点。
了解和掌握弯曲变形的特点对于进行结构设计和分析工作至关重要。
弯曲变形弯曲变形简介弯曲变形是指在受到外力作用时物体的形状发生弯曲的现象。
在力的作用下,物体会沿某个轴向发生曲率的变化。
这种变形是由于物体内部的应力分布不均匀造成的。
弯曲变形的现象普遍存在于日常生活和工程领域中,如桥梁、建筑物、杆件等。
弯曲变形的原理和影响因素在弯曲变形的过程中,物体经历了受力、应力和应变等过程。
受力物体受到的外力是引起弯曲变形的原因。
外力可以是静力或动力,来自外界的压力、重力、扭矩等。
不同类型的外力会对物体的弯曲变形产生不同的影响。
应力应力是指物体内部单位面积上的力。
在弯曲变形中,物体受到的外力通过内部的分子和原子之间进行传递,从而在物体内部产生应力。
应力的大小和方向直接影响着物体的弯曲程度和方向。
应变应变是指物体在受到外力作用后发生的形状变化。
应变可以分为线性应变和非线性应变两种类型。
线性应变是指弯曲变形的形状随应力成正比的变化。
非线性应变则是指物体在受到外力作用后,并不按线性规律进行变化。
影响因素弯曲变形的程度和形状会受到多种因素的影响:•材料的属性:材料的韧性、强度、刚度等属性会影响物体的弯曲变形。
•受力的位置和大小:外力的位置和大小直接决定了物体弯曲变形的形状和程度。
•物体的结构:物体的大小、形状、几何结构等都会影响其弯曲变形的方式和程度。
弯曲变形的应用和工程案例弯曲变形在工程领域中具有重要的应用价值。
许多结构和设备的设计都需要考虑弯曲变形的影响。
桥梁和建筑物桥梁和建筑物常常会受到各种外力的作用,如重力、风力、温度变化等。
这些外力会引起桥梁和建筑物的弯曲变形。
为了确保结构的稳定性和安全性,工程师需要考虑这些变形,并根据实际情况进行结构设计和加固。
杆件和承重构件杆件和承重构件在机械、航空航天和汽车等领域中广泛使用。
在受到载荷作用时,这些杆件会发生弯曲变形。
工程师需要根据载荷和弯曲变形来选择合适的材料和结构,以确保杆件的强度和稳定性。
弹性元件和弹簧弹性元件和弹簧在许多设备和机械中起到承载和缓冲作用。
弯曲与剪切变形的计算弯曲和剪切变形是材料力学中非常重要的概念。
在许多工程领域中,了解和计算弯曲和剪切变形对于设计和分析结构的性能至关重要。
本文将介绍弯曲和剪切变形的计算方法,并探讨它们的应用。
一、弯曲变形的计算弯曲是指材料在受力作用下沿弯曲轴线产生的变形。
弯曲变形的计算可以通过弯曲应变和弯曲应力来实现。
1. 弯曲应变的计算弯曲应变是材料在弯曲变形中的应变量。
假设材料长度为L,弯曲后的曲率半径为R,那么弯曲应变可以通过以下公式计算:ε = ρ / R其中,ε表示弯曲应变,ρ表示材料上某点的位置与原始中心线的偏移量,R表示弯曲后的曲率半径。
2. 弯曲应力的计算弯曲应力是材料在弯曲变形中的应力量。
弯曲应力可以通过以下公式计算:σ = M / S其中,σ表示弯曲应力,M表示弯矩,S表示抵抗弯曲变形的截面形状。
二、剪切变形的计算剪切变形是指材料在受力作用下平面内的切变变形。
剪切变形的计算同样可以通过剪切应变和剪切应力来实现。
1. 剪切应变的计算剪切应变是材料在剪切变形中的应变量。
剪切应变可以通过以下公式计算:γ = δ / h其中,γ表示剪切应变,δ表示平面内相邻点的位移,h表示两点间的距离。
2. 剪切应力的计算剪切应力是材料在剪切变形中的应力量。
剪切应力可以通过以下公式计算:τ = F / A其中,τ表示剪切应力,F表示应力面上的剪切力,A表示应力面的面积。
三、弯曲和剪切变形的应用1. 结构设计通过计算弯曲和剪切变形,可以评估结构在受力下的变形程度,从而进行结构设计的优化。
例如,在桥梁设计中,计算桥梁的弯曲和剪切变形可以确保结构的安全性和稳定性。
2. 材料选择了解材料在弯曲和剪切变形下的性能可以帮助工程师选择适合特定应用的材料。
不同材料的弯曲和剪切性能可能会有所不同,因此需要根据应用需求进行合适的选择。
3. 结构分析通过计算弯曲和剪切变形,可以对结构进行全面的分析。
这有助于理解和预测结构在受力下的行为,为结构的维护和优化提供依据。
第六章 弯曲变形一、是非判断题6.1 正弯矩产生正转角,负弯矩产生负转角。
( ) 6.2 弯矩最大的截面转角最大,弯矩为零的截面上转角为零。
( ) 6.3 弯矩突变的地方转角也有突变。
( ) 6.4 弯矩为零处,挠曲线曲率必为零。
( ) 6.5 梁的最大挠度必产生于最大弯矩处。
( ) 二、填空题6.1 梁的转角和挠度之间的关系是 。
6.2 梁的挠曲线近似微分方程的应用条件是 。
6.3 画出挠曲线的大致形状的根据是 。
判断挠曲线的凹凸性与拐点位置的根据是 。
6.4 用积分法求梁的变形时,梁的位移边界条件及连续性条件起 作用。
6.5 梁在纯弯时的挠曲线是圆弧曲线,但用积分法求得的挠曲线却是抛物线,其原因是。
6.6 两悬臂梁,其横截面和材料均相同,在梁的自由端作用有大小相等的集中力,但一梁的长度为另一梁的2倍,则长梁自由端的挠度是短梁的 倍,转角又是 短梁的 倍。
6.7 应用叠加原理的条件是 。
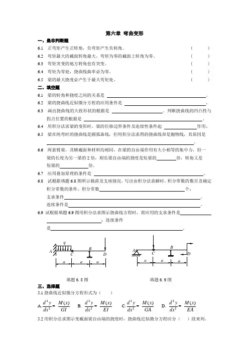
6.8 试根据填题6.8图所示载荷及支座情况,写出由积分法求解时,积分常数的数目及确定积分常数的条件。
积分常数 个; 支承条件 。
连续条件是 。
6.9 试根据填题6.9图用积分法求图示挠曲线方程时,需应用的支承条件是;连续条件是 。
填题6.8图 填题6.9图 三、选择题5.1挠曲线近似微分方程形式为( )A.22dx y d = GI x M )(B. 22dx y d = EI x M )(C.22dx y d = GA x M )(D. 22dx y d = EA x M )(5.2用积分法求图示变截面梁自由端的挠度时,挠曲线近似微分方程应分( )段来列。
A. 一段 B.二段 C..三段 D.四段5.3A.0=A θ,0≠A yB. 0≠B θ,0=B y C. 0=B θ,0≠B y D. 0=B θ,三、计算题6.1 用积分法求图示各梁的挠曲线方程及自由端的挠度和转角。
设EI =常量。
第六章 弯曲变形挠曲线的弯曲微分方程W=f(x)挠度 横截面形心(即轴线上的点)在垂直于x 轴方向的线位移, 转角 横截面对原来位置的角位移,称为该截面的转角可以是挠曲线上的点的切线方向与x 轴的夹角,也是改点的法线与横截面的夹角 【转角就是这一点的切线的斜正值为正的,负值为顺时针】规定转角顺时针为负值,逆时针为正值,而且剪力是顺时针为正值,逆时针为负值注意 用梁的轴线来代替梁弯矩规定下凸为正(叫做凹曲线)左顺右逆【使下侧受压为正】 梁的弯曲变形是很小的,在tan θ=θ值 在数学表达式中有|'1"w |p 1w +=中有二阶无穷小量 最后简化为 在规定的坐标系中, x 轴水平向右为正, w 轴竖直向上为正。
此时,挠度的二阶导数在挠曲线凹(下凸)时为正,反之为负。
【挠度的二阶导数是弯矩,一阶导数是转角正好有弯矩的定义对应起来】梁的挠曲线近似微分方程 在这公式中,只是纯弯曲,忽略了剪力和二阶无穷小量6---3用积分法求弯曲变形在挠曲线的某些点上,挠度和转角有时候是已知的 1()()M x x EIρ=()"M x w EI =1()d EIw M x x C '=+⎰12()d d EIw M x x x C x C =++⎰⎰积分常数的确定1.边界条件简支梁左右胶支座挠度为0;悬臂梁固定端挠度是零,转角也是零2.连续条件(1)挠度连续条件(2)转角连续条件3.感悟弯矩为零处转角取极值;转角为零处,挠度取极值【更加简单的是从挠度曲线上来判读】4.事实上:在简支梁中, 不论集中载荷作用于什么位置, 其最大挠度值一般都可用梁跨中点处的挠度值来代替, 精确度能够满足工程要求.技巧:(a )对各段梁,都是由坐标原点到所研究截面之间的梁段上的外力来写弯矩方程的.所以后一段梁的弯矩方程包含前一段梁的弯矩方程.只增加了(x-a)的项. 对于见对方对于简支梁的来说;中间作用一个集中力的话,要是判断那一段的挠度和转角的话,1 比较a 和b 的值,谁大挠度最大值就在那一侧;因为转角是在弯矩等于零的地方,所以可以知道转角一定会在 角支座处可能取得2比较集中力作用点的转角值得正负也可以判断6--4用叠加法求弯曲变形载荷叠加法和结构叠加法(逐段钢化法)在简支梁的一段作用的非集中载荷时候;要用积分的方法;取一小段dx 算出这一点的集度,再用第九栏的公式计算0)(a x M -+对于外伸梁一般用逐段钢化法;一般分为简支梁和固定端约束的梁;支点的简化时候有力和力偶两个(弯矩)[刚体作用时候是力可以平移的]剪力直接传递到支座上不引起变形6.5简单超静定梁独立平衡方程的数目的确定n次超静定梁寻求变形协调方程的关键是找到挠度的连接点6.6减小弯曲变形的一些措施改善机构的形式和载荷的作用方式,减小弯矩缩小跨度选择合适的截面形状工字形,等离对称轴较远的面例题中引入的是简支梁的三角形载荷;首先将载荷无限分解特别注意此时叠加的时候是积分2.简支梁部分载荷作用下的(载荷分布点的挠度和两端的转角)方法二的简化简支梁集中力在中间的作用下视为固定端约束3.对于外伸梁的端口的挠度和转角方法是固定的,一般有两种分段求变形(在脚支座的地方简化成力和弯矩,查表得出挠度和转角的表达式。
钢结构梁变形标准
钢结构梁变形标准主要涉及到三种变形:弯曲变形、挤压变形和剪切变形。
1. 弯曲变形:是指钢梁在承受负荷后出现的弯曲变形。
根据标准要求,弯曲变形应符合L/300的标准,其中L为跨度。
也就是说,在台阶承载时,钢梁的弯曲变形不应超过跨度的1/300,否则可能会影响结构的正常使用。
2. 挤压变形:是指钢梁在受压力作用下的长轴方向出现的压缩变形。
根据标准要求,挤压变形应符合L/150的标准,其中L为跨度。
即在台阶承载时,钢梁的挤压变形不应超过跨度的1/150,否则会危及结构的安全。
3. 剪切变形:是指钢梁在承受横向力时发生的剪切变形,一般表现为上下翘起或者下垂。
根据标准要求,剪切变形应符合1/150的标准,即在台阶承载时,钢梁的剪切变形不应超过跨度的1/150,否则会影响结构的正常使用。
另外,对于钢梁平面弯曲,也有明确的允许偏差标准。
根据《建筑钢结构制作和安装技术规范》中的规定,钢梁平面弯曲允许偏差的标准为梁长的1/200或50mm,取其中较小值。
以上信息仅供参考,具体的钢结构梁变形标准可能因不同的设计规范、使用环境和结构要求而有所差异。
在实际应用中,需要参考相关的设计规范和标准,结合实际情况进行判断和评估。
杆的变形量计算公式
杆件弯曲变形量可以通过杆件的杨氏模量、截面形状、杆件受力状态来计算。
下面是一般情况下杆的变形量计算公式:
1.直杆内力引起的弯曲变形量计算公式:
弯曲变形量(δ)=(M*L)/(E*I)
其中
δ为弯曲变形量
M为杆件的弯矩(Nm)
L为杆件的长度(m)
E为杆件的杨氏模量(Pa)
I为杆件的截面惯性矩(m^4)。
2.断面变形量引起的弯曲变形量计算公式:
弯曲变形量(δ)=(F*L)/(E*A)
其中
δ为弯曲变形量
F为杆件的力(N)
L为杆件的长度(m)
E为杆件的杨氏模量(Pa)
A为杆件的横截面积(m^2)。
这两个公式分别用于计算杆件在受到弯矩和受力作用下的弯曲变形量。
在实际应用中,根据杆件的不同形状和受力情况,可以选择相应的公式进
行计算。
此外,如果杆件的形状不规则,或杆件受力情况较为复杂,可以使用
数值方法来计算杆的变形量。
常用的数值方法包括有限元分析、杆件切割
法等。
综上所述,杆的变形量计算公式是根据杆件的弹性特性和几何形状推
导而来的。
通过这些公式,我们可以计算出杆件在受到弯矩和受力作用下
的弯曲变形量,为工程设计和结构分析提供了依据。
但在实际应用中,还
需要考虑一些特殊情况,并使用合适的数值方法进行计算。