可控硅晶闸管模块MTC160A1600V杭州国晶
- 格式:pdf
- 大小:452.90 KB
- 文档页数:4
BTA16-600B双向可控硅晶闸管应用及详细资料BTA16-600B 主要参数电流-IT(RMS): 16.0A电压-VDRM: ≥600V触发电流: IGT ≤18-25mA脚位排列: T1-T2-G (A1-A2-G);A1主电极,A2主电极,G门极BTA16引脚图附:双向可控硅的检测用万用表电阻R*1Ω挡,用红、黑两表笔分别测任意两引脚间正反向电阻,结果其中两组读数为无穷大。
若一组为数十欧姆时,该组红、黑表所接的两引脚为第一阳极A1和控制极G,另一空脚即为第二阳极A2。
确定A1、G极后,再仔细测量A1、G极间正、反向电阻,读数相对较小的那次测量的黑表笔所接的引脚为第一阳极A1,红表笔所接引脚为控制极G。
将黑表笔接已确定的第二阳极A2,红表笔接第一阳极A1,此时万用表指针不应发生偏转,阻值为无穷大。
再用短接线将A2、G极瞬间短接,给G极加上正向触发电压,A2、A1间阻值约10欧姆左右。
随后断开A2、G间短接线,万用表读数应保持10欧姆左右。
互换红、黑表笔接线,红表笔接第二阳极A2,黑表笔接第一阳极A1。
同样万用表指针应不发生偏转,阻值为无穷大。
用短接线将A2、G极间再次瞬间短接,给G极加上负的触发电压,A1、A2间的阻值也是10欧姆左右。
随后断开A2、G极间短接线,万用表读数应不变,保持在10欧姆左右。
符合以上规律,说明被测双向可控硅未损坏且三个引脚极性判断正确。
检测较大功率可控硅时,需要在万用表黑笔中串接一节1.5V干电池,以提高触发电压。
如需提供购买或其它中文技术支持请与我取得联系:公司网址:Email:MSN:。
产品规格书Specification of Products产品名称:产品型号:普通晶闸管模块湖北梅兰半导体有限公司湖北梅兰半导体有限公司Hubei Merlin Semiconductor Co., Ltd.厂址:湖北省 襄阳市 高新技术开发区电话:总机传真:分机E-mail:mlsanrex@(710)3807852 3807952 3807905 3806705811版本号:02 更新日期:2011.3MTC(MTA MTK)300A(高压系列)321VALUESYMBOL CHARACTERISTIC TEST CONDITIONS T j(°C)Min Type MaxUNITI T(AV)Mean on-state current180°half sine wave50HzSingle side cooled,T c=85°C125300AI T(RMS)RMS on-state current Single side cooled,T c=85°C125314AV DRMV RRMRepetitive peak off-state voltageRepetitive peak reverse voltageV DRM&V RRM tp=10msV DsM&V RsM= V DRM&V RRM+200Vrespectively12525005600VI DRMI RRMRepetitive peak currentat V DRMat V RRM12550mAI TSM Surge on-state current9.3.KAI2t I2T for fusing coordination10ms half sine waveV R=60%V RRM125432A2s*103 V TO Threshold voltage 1.15. V r T On-state slop resistance1250.95.mΩV TM Peak on-state voltage I TM=1500A1252.44V dv/dtCritical rate of rise of off-statevoltageV DM=67%V DRM125800V/μs di/dtCritical rate of rise of on-statecurrentFrom67%V DRMto1500A, Gate source1.5At r≤0.5μs Repetitive125100A/μsI GT Gate trigger current30200mAV GT Gate trigger voltage1.03.0VI H Holding currentV A=12V, I A=1A2520150mA V GD Non-trigger gate voltage At67%V DRM1250.2V R th(j-c)Thermal resistanceJunction to heatsinkAt1800sine, Single side cooled0.065°C /W V iso Isolation voltage50Hz,R.M.S,t=1min,I iso:1mA(MAX) 6000V Thermal connection torque(M10) 12.0N.mF mMounting torque(M6) 6.0N.m T stg Stored temperature-40140°C W t Weight1350g OutlineOUTLINE DRAWING & CIRCUIT DIAGRAMM10M13M14M15Fig.1通态伏安特性曲线Fig.2 结至管壳瞬态热阻抗曲线Fig.3最大功耗与平均电流关系曲线Fig.4管壳温度与通态平均电流关系曲线Fig.5 最大功耗与平均电流关系曲线Fig.6 管壳温度与通态平均电流关系曲线Fig.7 通态浪涌电流与周波数的关系曲线Fig.8 I 2t 特性曲线Fig.9 门极功率曲线Fig.10 门极触发特性曲线M14M13Outside DimensionM10M15。
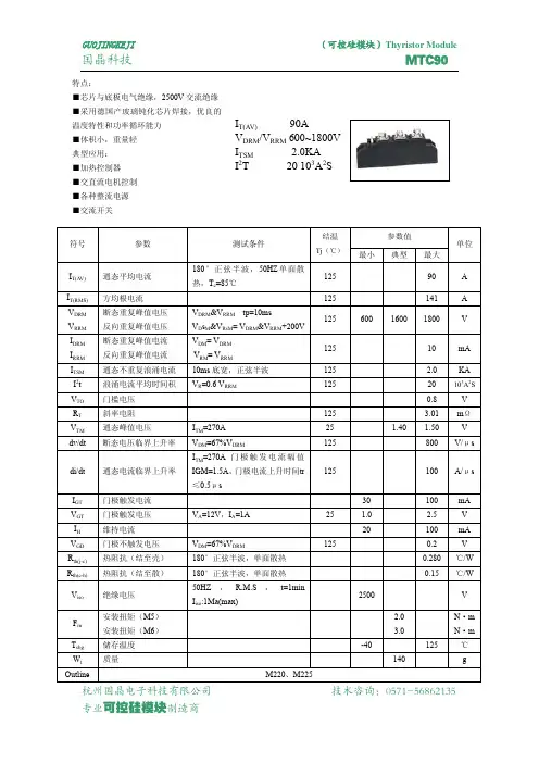
杭州国晶电子科技有限公司杭州国晶电子科技有限公司杭州国晶电子科技有限公司 模块典型电路 电联结形式(右图)模块外型图、安装图M220M225使用说明:一、使用条件及注意事项:1、使用环境应无剧烈振动和冲击,环境介质中应无腐蚀金属和破坏绝缘的杂质和气氛。
2、模块管芯工作结温:可控硅为-40℃∽125℃;环境温度不得高于40℃;环境湿度小于86%。
3、模块在使用前一定要加装散热器,散热器的选配见下节。
散热可采用自然冷却、强迫风冷或水冷。
强迫风冷时,风速应大于6米∕秒。
二、安装注意事项:1、由于MTC可控硅模块是绝缘型(即模块接线柱对铜底板之间的绝缘耐压大于2.5KV有效值),因此可以把多个模块安装在同一散热器上,或装置的接地外壳上。
2、散热器安装表面应平整、光滑,不能有划痕、磕碰和杂物。
散热器表面光洁度应小于10μm。
模块安装到散热器上时,在它们的接触面之间应涂一层很薄的导热硅脂。
涂脂前,用细砂纸把散热器接触面的氧化层去掉,然后用无水乙醇把表面擦干净,使接触良好,以减少热阻。
杭州国晶电子科技有限公司模块紧固到散热器表面时,采用M5或M6螺钉和弹簧垫圈,并以4NM力矩紧固螺钉与模块主电极的连线应采用铜排,并有光滑平整的接触面,使接触良好。
模块工作3小时后,各个螺钉须再次紧固一遍。
模块散热器选择用户选配散热器时,必须考虑以下因素:①模块工作电流大小,以决定所需散热面积;②使用环境,据此可以确定采取什么冷却方式——自然冷却、强迫风冷、还是水冷;③装置的外形、体积、给散热器预留空间的大小,据此可以确定采用什么形状的散热器。
一般而论,大多数用户会选择铝型材散热器。
为方便用户,对我公司生产的各类模块,在特性参数表中都给出了所需散热面积。
此面积是在模块满负荷工作且在强迫风冷时的参考值。
下面给出散热器长度的计算公式:模块所需散热面积=(散热器周长)×(散热器长度)+(截面积)×2其中,模块所需散热面积为模块特性参数表中给出的参考值,散热器周长、截面积可以在散热器厂家样本中查到,散热器长度为待求量。
中国·杭州国晶电子科技有限公司中国·杭州国晶电子科技有限公司 模块典型电路电联结形式(右图)中国·杭州国晶电子科技有限公司模块外型图、安装图M1076M1076S使用说明:一、使用条件及注意事项:1、使用环境应无剧烈振动和冲击,环境介质中应无腐蚀金属和破坏绝缘的杂质和气氛。
2、模块管芯工作结温:可控硅为-40℃∽125℃;环境温度不得高于40℃;环境湿度小于86%。
3、模块在使用前一定要加装散热器,散热器的选配见下节。
散热可采用自然冷却、强迫风冷或水冷。
强迫风冷时,风速应大于6米∕秒。
二、安装注意事项:1、由于MTC可控硅模块是绝缘型(即模块接线柱对铜底板之间的绝缘耐压大于2.5KV有效值),因此可以把多个模块安装在同一散热器上,或装置的接地外壳上。
2、散热器安装表面应平整、光滑,不能有划痕、磕碰和杂物。
散热器表面光洁度应小于10μm。
模块安装到散热器上时,在它们的接触面之间应涂一层很薄的导热硅脂。
涂脂前,用细砂纸把散热器接触面的氧化层去掉,然后用无水乙醇把表面擦干净,使接触良好,以减少热阻。
中国·杭州国晶电子科技有限公司模块紧固到散热器表面时,采用M5或M6螺钉和弹簧垫圈,并以4NM力矩紧固螺钉与模块主电极的连线应采用铜排,并有光滑平整的接触面,使接触良好。
模块工作3小时后,各个螺钉须再次紧固一遍。
模块散热器选择用户选配散热器时,必须考虑以下因素:①模块工作电流大小,以决定所需散热面积;②使用环境,据此可以确定采取什么冷却方式——自然冷却、强迫风冷、还是水冷;③装置的外形、体积、给散热器预留空间的大小,据此可以确定采用什么形状的散热器。
一般而论,大多数用户会选择铝型材散热器。
为方便用户,对我公司生产的各类模块,在特性参数表中都给出了所需散热面积。
此面积是在模块满负荷工作且在强迫风冷时的参考值。
下面给出散热器长度的计算公式:模块所需散热面积=(散热器周长)×(散热器长度)+(截面积)×2其中,模块所需散热面积为模块特性参数表中给出的参考值,散热器周长、截面积可以在散热器厂家样本中查到,散热器长度为待求量。