砂含泥量的快速测定方法之欧阳光明创编
- 格式:doc
- 大小:20.02 KB
- 文档页数:2
砂的含泥量及泥块含量测定一、含泥量测定(一)试验仪具1、天平:感量不大于0.1g ;2、烘箱:能控温在105℃±5℃;3、标准筛:孔径0.075mm 及1.18mm 的方孔筛各一只;4、容器:深度大于250㎜。
5、其它:搪瓷盘、毛刷等。
(二)试样制备将所取试样用四分法缩分至约1100g ,置于温度为(105±5)℃的烘箱内烘干至恒重,冷却至室温后分成大致相等的两份备用。
(三)试验方法步骤1、 称取试样500g ,倒入容器并注入洁净的水,充分搅和均匀,浸泡2h 。
2、用手在水中淘洗试样,滤去小于0.075mm 的颗粒。
3、再向容器中注入清水,重复上述操作,直至容器内的水目测清澈为止。
4、用水淋洗存留在筛上的细粒,并将0.075mm 筛放在水中,使水面略高出筛中砂粒的上表面来回摇动,以充分洗掉小于0.075mm 的颗粒;然后将两筛上筛余的颗粒和清洗容器中已经洗净的试样一并装入搪瓷盘,置于温度为105℃±5℃的烘箱中烘干至恒重,冷却至室温,称取试样的质量(m 1)。
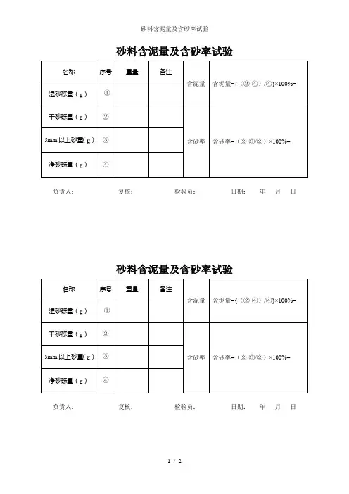
(四)结果计算及要求1、砂的含泥量按式3-28计算,精确至0.1%。
(3-28) 式中 Qn ——砂的含泥量(%); m 0——试验前的烘干试样质量(g ); m 1——试验后的烘干试样质量(g )。
2、以两个试样试验结果的算术平均值作为测定值。
两次结果的差值超过0.5%时,应重新取样进行试验。
试验数据记录及结果处理见表3-66。
二、泥块含量测定(一)试验仪具1、天平:称量1kg (感量不大于0.1g );2、烘箱:控温在105℃±5℃;3、标准筛:孔径0.6mm 及1.18mm 的方孔筛各一只;4、容器:深度大于250㎜。
5、其它:搪瓷盘、毛刷等 (二)试样制备将试样用四分法缩分至约5000g ,并置于箱内烘干至恒重,冷却至室温,筛除小于1.18100010⨯-=m m m Q n㎜的颗粒,相等的两份备用。
砂含泥量的快速测定方法砂的含泥量是砂的质量指标之一,它描述了砂中含有多少细粒颗粒,如粘土、泥和有机物。
测定砂中的含泥量对于建筑、建材和土壤工程等领域非常重要。
以下是几种常见的快速测定砂中含泥量的方法。
1.筛分法筛分法是最常用的测定砂含泥量的方法之一、首先,将砂样放入一套不同孔径的筛网中,通过轻轻晃动筛网,使颗粒按照尺寸进行分离。
通过重量比较和计算筛网上残留的物质,可以确定不同粒径砂中的含泥量。
这种方法快速且简单,但只能得到大致的结果。
2.沉降法沉降法是另一种测定砂中含泥量的常用方法。
将一定量的砂样放入一个标准的浮沉分离漏斗中,加入适量的水,轻轻搅拌使砂和泥混合均匀。
然后,在一定时间后,观察漏斗中不同层次的颜色变化,由此可以估计含泥量的多少。
3.速查法速查法是一种便捷且相对准确的测定砂中含泥量的方法。
通过观察砂样的颜色、纹理和透明度等特征,可以快速判断砂中的含泥量。
通常认为,颜色偏红、纹理不清晰、透明度较低的砂中含泥量较高。
4.试验法除了上述方法外,还有一些试验法可以用于测定砂中的含泥量。
例如,通过浸泡法,将砂样浸泡在水中,观察水中悬浮物的颜色和数量变化。
浸泡时间越长,含泥量越高。
还有通过液体限制性指数的测定,通过加入适量的液体,测量在一定时间内砂样的饱和度和压实度的变化。
含泥量越高,饱和度越大,压实度越小。
需要注意的是,这些方法都有其适用的范围和局限性。
选择合适的方法需要考虑实际需求、时间和成本限制等因素。
有时需要结合多种方法进行综合分析,以获得更准确的结果。
*欧阳光明*创编 2021.03.0729 改良土试验欧阳光明(2021.03.07)29.1 一般规定29.1.1改良土是在土中掺入适量的水泥、石灰、粉煤灰等掺合料或其它固化剂,按最优含水率加水拌和,经压实及养生后,抗压强度满足工程要求的混合料。
29.1.2 本试验适用于土粒径小于40mm的水泥改良土、石灰改良土、水泥石灰改良土,水泥粉煤灰改良土、石灰粉煤灰改良土、水泥石灰粉煤灰改良土等各种混合料的击实、无测限抗压强度和水泥石灰的剂量试验。
29.1.3 本试验采样,可用下列方法:1 四分法:将样品放在清洁、平整、坚硬的平面上,加清水使样品潮湿,用铲翻动使成圆锥体的料堆,再用铲翻动成一个新料堆,如此重复三次。
形成新料堆时,每铲翻料都要放在锥顶,应使滑动边部的样品尽可能均匀,并保持锥体中心不移动。
自最后形成的一料堆顶部用平头铲反复交错垂直插入使锥体顶部变平,每次插入提起铲时不要带有样品,最后将料堆等分成四份,将对角的两分铲到一边,剩余两份重复上述拌和方法缩分到达要求的样品数量为止。
2 分料器法:如果样品中含有小于5 mm颗粒的细料,材料应是表面干燥的。
将材料充分拌和后通过分料器,保留一部分,另一部分再通过分料器,如此重复进行,直至达到要求的样品数量为止。
29.1.4. 本试验含水率测定,依试样颗粒大小分别称取:细粒土约50克,准确至0.01g,粗粒土约500g,准确至0.2克,碎石类土约2000g,准确至1g。
再按本规程第4章第4.2节进行测定;现场快速测定可按本规程第4章第4.4节进行测定。
29.1.5 按预定干密度制成的各种改良土作无侧限抗压强度的试件,采用高径比为1的圆柱体。
29.2 重型击实试验29.2.1 本试验应采用下列仪器设备:1击实仪:尺寸规格应符合本规程表20.0.3的规定。
2天平、台称、标准筛等应符合本规程第20.0.5条的规定。
3量筒:50ml、100ml、500ml。
4 其他:脱模器、刮平尺、拌和土用工具、切土刀、瓷盘、称量盒、烘箱。
砂含泥量的快速测定方法Last revised by LE LE in 2021砂含泥量的快速测定:1.仪器设备1-1、天平:称量5kg,感量0.1g;1-2、试验筛:筛公称直径为0.08mm及1.25mm的方孔筛各一个;1-3、洗砂用的容器等;1-4、电炉:1-5、炒盘(铁制或铝制);1-6、铁铲2.试验步骤:2-1、称取样品重m1左右(以烘干后样品量在400g左右为宜,可以用下式进行称量:400+400*Wwc ’。
其中Wwc’为估计的砂的含水率),置于容器中,并注入饮用水,使水面高出砂面150mm,充分搅拌均匀后,用手在水中淘洗试样,使尘屑和黏土与砂粒分离,并使之悬浮或溶于水中。
缓缓地将浑浊液倒入公称直径为1.25mm、0.08mm的方孔套筛中(1.25mm筛有上,试验前将标准筛湿润)滤去小于0.08mm的颗粒;2-2、再次加水于容器中,重复以上过程,直至筒内的洗出液清澈为止。
2-3、用水淋洗剩余在筛上的细粒,并将0.08mm筛放在水中(使水面略高于筛中砂粒的表面)来回摇动以充分洗除小于0.08mm的颗粒。
然后将两只筛上剩余的颗粒和容器中已经洗净的试样一并装入已称重量为m2的炒盘中。
2-4、置炒盘于电炉上,用小铲不断的翻拌试样,到试样表面全部干燥后,切断电源,再继续翻炒一分钟,稍予冷却,称取干样与炒盘的总重m3;3.计算结果:3-1、砂的含泥量:WcW c =m1-(1+Wwc)(m3-m2)×100%m1——砂的含泥量式中:WcW——砂的含水率wc——样品重m1m——炒盘重2——干样与炒盘的总重。
m33-2、为减少偶然因素对测定的干扰,含水率与含泥量宜做二次平行的试验,并以它们的平均值为试验结果。
*欧阳光明*创编2021.03.07 一.目的欧阳光明(2021.03.07)检测砂子颗粒级配、含泥量、泥块含量,确定砂子的规格和类别。
指导检测人员按标准正确操作,确保检测结果科学、准确。
二.检测参数及执行标准颗粒级配、含泥量、泥块含量、表观密度、堆积密度、紧密密度。
执行标准:GB50204-2002《混凝土结构工程质量验收规范》中7.2.5条。
GB/T14684-2011《建设用砂》JGJ52-2006《普通混凝土用砂石质量及检验方法标准》三.适用范围适用于建设工程中混凝土及其制品和建筑砂浆用砂。
四.职责检测员必须执行国家标准,按照标准操作,随时作好试验记录,填写检测报告,并对数据负责。
五.样本大小及抽样方法同一规格产地,每验收批取样部位应均匀分布,将表面层铲去,然后由8个部位取大致等量的砂,组成一组样品,人工四分法缩分至所需试样。
用大型运输工具的,以400m3或600t *欧阳光明*创编2021.03.07为一验收批,用小型工具运输时,以200m3或300t为一验收批。
不足上述数量以一批论。
最少取样数量不少于30kg。
六.仪器设备1.鼓风烘箱:能使温度控制在(105±5)℃;2.案称:称量10kg,感量5g;3.电子天平1000g:精度1g。
4.摇筛机5.方孔筛:孔径为75μm -9.50mm的筛共八只,并附有筛底和筛盖;6.容器:要求淘洗试样时,保持试样不溅出(深度大于250 mm);7.量具:500 mL容量瓶;8.容量筒:圆柱形金属筒,内径108 mm,净高109mm,壁厚2mm,筒底厚约5mm,容积为1L;;9.密度计;10.放大境:3倍—5倍放大率;钢针;11.搪瓷盘,毛刷、垫棒(直径10 mm,长500 mm的圆钢)、直尺、漏斗或料勺、亚甲蓝溶液等;七.环境条件操作室:20 ±5℃。
八.检测步骤及数据处理1.颗粒级配准备好试验用的工具,检查仪器设备的状态是否正常。
砂子含泥量快速检测方法研究摘要:近几年来,交通行业获得更好发展,公路工程项目作为一项利国利民的基础工程,公路的发展与传统运输业、物流产业等多个方面都会起到帮助作用。
但是不可否认的是,公路工程项目建设期间,经常会出现路基质量问题,对车辆的平稳运行、人们的安全出行等多个方面都产生不利影响。
因此,本篇文章主要对砂子含泥量快速检测方法进行认真的分析,以作参考。
关键词:沙子;含泥量;快速;检测方法;水泥、砂石、水、化学外加剂等共同组合而成混凝土,砂石是混凝土非常重要的材料之一,大约占据混凝土总体积的70%左右,含泥量是砂石骨料质量标准当中重要指标,工作人员需要对含泥量进行严格控制,因为含泥量较高的话,会导致蓄水量的增加,混凝土拌合物的工作性以及混凝土的强度受到影响。
基于此,本文下面主要对砂子含泥量快速检测方法展开探讨。
1、概况伴随着时间的不断推移,我国建筑行业加快发展速度与脚步,基础设施建设项目越来越多,混凝土使用量在不断增加。
砂子是现代工程施工当中非常重要的材料,在工程项目施工期间,沙浆混凝土性能会受到多种因素所带来的影响,例如:砂子的含泥量以及泥块含量等等,所以国家制定出相关的标准,对于砂子含泥量进行约束与控制。
对砂子含泥量进行检测,是一项非常重要且复杂的工作,相关工作人员一定要秉承认真负责的态度,切实做好此项工作。
2、公路路基土建工程施工特点2.1施工技术标准化施工技术的标准化是对路基硬度做出的技术要求,路基非常容易在回填的过程当中,受到影响而出现变形问题。
另外,通过对路基进行科学处理与施工,再使用相关方法与措施,就可以确保路基结构更加的定。
2.2机械化程度高众所周知,路基施工非常复杂,工作人员需要参与到较大的土方量工程当中去,施工企业大多都会选择机械设备,进入到工程施工过程当中去,完成相关运输、挖掘等工作。
高度机械化的特点,能够降低工作人员的任务量,且进一步提高施工的安全性。
2.2施工条件复杂路基土建施工大多情况之下都会在露天环境当中完成,容易受到多种因素所带来的影响,例如:环境因素、人为因素等。
挖坑灌砂法测定压实度实验规程欧阳歌谷(2021.02.01)1 目的和适用范围1.1 本试验法适用于在现场测定基层(或底基层)、砂石路面及路基土的各种材料压实层的密度和压实度检测,但不适用于填石路堤等有大孔洞或大孔隙的材料压实层的压实度检测。
1.2 用挖坑灌砂法测定密度和压实度时,应符合下列规定:(1)当集料的最大粒径小于13.2mm、测定层的厚度不超过150mm时,宜采用φ100mm的小型灌砂筒测试。
(2)当集料的最大粒径等于或大于13.2mm,但不大于31.5mm,测定层的厚度不超过200mm时,应用φ150mm的大型灌砂筒测试。
2 仪具与材料技术要求本试验需要下列仪具与材料:(1)灌砂筒:有大小两种,根据需要采用。
型式和主要尺寸见图1及表1。
当尺寸与表中不一致,但不影响使用时,亦可使用。
储砂筒筒底中心有一个圆孔,下部装一倒置的圆锥形漏斗,漏斗上端面开口,直径与储砂筒底中心有一个圆孔,漏斗焊接在一块铁板上,铁板中心有一圆孔与漏斗上开口相接。
在储砂筒筒底与漏斗顶端铁板之间设有开关。
开关为一薄铁板,一端与筒底及漏斗铁板铰接在一起,另一端伸出筒身外,开关铁板上也有一个相同直径的圆孔。
图1 灌砂筒和标定罐(尺寸单位:mm)(2)金属标定罐:用薄铁板制作的金属罐,上端周围有一罐缘。
(3)基板:用薄铁板制作的金属方盘,盘的中心有一圆孔。
(4)玻璃板:边长约500--600mm的方形板。
(5)试样盘:小筒挖出的试样可用饭盒存放。
大筒挖出的试样可用300mm×500mm×400mm的搪瓷盘存放。
(6)天平或台秤:称量10--15kg,感量不大于1g。
用于含水量测定的天平精度,对细粒土、中粒土、粗粒土宜分别为0.01g、0.1g、1.0g。
(7)含水量测定器具:如铝盒、烘箱等。
(8)量砂:粒径0.3~0.6mm清洁干燥的砂,约20-40kg,使用前须洗净、烘干,并放置足够的时间,使其与空气的湿度达到平衡。
砂石骨料含泥量现场快速测定方法作者:闫红彬来源:《建材发展导向》2014年第04期摘要:采取有效的含泥量测定方法对减少砂石骨料含泥量以及水工混凝土工程质量起着非常重要的作用。
文章首先简单介绍了砂石骨料泥沙含量超标的危害,随后就我国砂石骨料含泥量的技术要求和检验方法进行概述,其次提出具体的含泥量现场快速测定方法,最后分析含泥量超标的应对措施。
关键词:砂石骨料含泥量;快速测定;饱和水法在混凝土工程建设中,混凝土出现质量问题主要由材料的质量偏差导致,例如所用水泥的强度、安定性及凝结时间,以及砂石骨料的密度、含泥量、颗粒大小及有机物含量等,这些因素一旦没有达到工程使用标准,就会造成混凝土出现脆裂甚至是粉碎的后果。
笔者以下从砂石骨料含泥量的危害及测定方法等对个层面进行分析讨论。
1砂石骨料泥沙含量过多的危害混凝土结构体出现裂纹、裂缝,强度降低,边角棱发生脱落现象等均为砂石骨料泥沙含量过多导致的危害。
砂石骨料中的泥与砂、石粒挤水泥混合在一起,使得水泥的胶凝力及对砂石的握裹力大大降低,从而降低了混凝土的强度和耐久性,极大程度上缩短了混凝土的使用周期,造成不必要的经济损失。
2砂石骨料含泥量的技术要求和检验方法2.1技术要求对于有抗冻要求的水工混凝土来说,其通常采用石粒径为D20和D40的石料。
因此,依照我国有关混凝土施工规范制定的要求可知,在水工混凝土中,其石含泥量必须低1%,砂的含泥量则不可超过总体砂量的3%。
2.2检验方法在对砂石骨料的含泥量进行测定时,必须严格遵守我国颁布的相关试验规程。
首先将砂石骨料样从料场取来,然后进行烘干操作。
在测定含泥量前,需对砂石料进行二次烘干、浸泡、淘洗等多项操作。
在所有准备完成后,根据相应的公式计算出砂石骨料中的含泥量。
3砂石骨料含泥量现场快速测定方法在实际混凝土的现场浇筑时,为使得各项措施尽快进行,需要尽量缩短测定砂石骨料含泥量的时间。
在计算含泥量的公式P=(Ma-Mb)/M1×100%中,P是含泥量,Ma为实验前的砂石样料的质量,Mb则为实验后的质量。
砂含泥量的快速测定方法砂含泥量是指土壤中砂颗粒与泥颗粒的相对含量,它是土壤质地分类的一个重要指标。
通常来说,砂含泥量的测定需要进行实验室的分析,有时候需要耗费相对较长的时间。
但是在一些情况下,我们需要快速地测定土壤的砂含泥量,因此需要一些快速的方法。
以下是几种常用的砂含泥量快速测定方法:1.目测法:这是一种非常简单且快速的测定方法。
将一定质量的土壤取样放入砂泥分离器中,加入适量的水并用棒子充分搅拌。
搅拌后,立即观察砂泥分离器中各种颗粒的分布情况。
根据砂、泥颗粒所占的比例,通过目测即可判断砂含泥量的大致范围。
2.水力分离法:这种方法利用水的重力、离心力以及水流的作用将砂颗粒与泥颗粒分离。
首先,将土壤样本与足够的水混合,并充分搅拌以使土壤颗粒彻底分散。
然后,将混合物倒入一个砂泥分离器中,进行适当的搅拌后,让其静置一段时间。
根据质量比重的不同,砂颗粒会沉积到砂泥分离器底部,而泥颗粒则会悬浮在水中。
通过将水从砂泥分离器中倒出,并且反复冲洗直到水澄清,可以得到砂颗粒。
然后通过干燥并称重可以计算出砂含泥量。
3. 网筛分析法:这是一种相对准确和被广泛使用的方法。
将一定质量的土壤样本通过一系列不同孔径的网筛进行筛分。
可以使用一组标准孔径的网筛进行连续筛分,如2mm、1mm、0.5mm等。
每个筛网下方放置一个盘子来接收通过筛网的颗粒。
经过筛分后,分别称重每个盘子中的颗粒,并根据颗粒质量与总样品质量的比例计算出每个网孔中的颗粒质量百分比。
通过将所有颗粒质量百分比相加,并与总样品质量进行比较,可以得出砂含泥量。
虽然这些方法可以快速测定砂含泥量,但是它们通常是经验性的,并不如实验室的分析方法准确。
因此,在需要较精确的砂含泥量数据时,建议仍然使用标准实验室方法进行分析。
砂的含泥量试验(标准方法)一、本方法适用于测定砂中的含泥量;二、仪器设备:1.天平:称量1000g,感量1g;2.烘箱:能使温度控制在105±5℃;3.筛:孔径0.080mm及1.25mm各一个;4.洗砂用的容器及烘干用的浅盘等;三、试样制备:将样品在潮湿状态下用四分法缩分至约1100g,置于温度为105±5℃的烘箱中烘干至恒重,冷却至室温后,立即称取各为400g(m0)的试样两份备用;四、试验步骤:1.取烘干的试样一份置于容器中,并注入饮用水,使水面高出砂面约150mm充分拌混均匀后,浸泡2h,然后,用手在水中淘洗试样,使尘屑、淤泥和粘土与砂粒分离,并使之悬浮或溶于水中。
缓缓地将浑浊液倒入 1.25mm及0.080mm的套筛(1.25mm筛放置上面)上,滤去小于0.080mm的颗粒,试验前筛子的两面应先用水润湿,在整个试验过程中应注意避免砂粒丢失;2.再次加水于筒中,重复上述过程,直到筒内洗出的水清澈为止;3.用水冲洗剩留在筛上的细粒,将净0.080mm筛放在水中(使水面略高出筛中砂粒的上表面)来回摇动,以充分洗除小于0.080mm的颗粒。
然后将两只筛上剩留的颗粒和筒中已经洗净的试样一并装入浅盘,置于温度为105±5℃的烘箱中烘干至恒重。
取出来冷却至室温后,称试样的重量(m1);五、试验结果计算:砂的含泥量wc按下式计算(精确至0.1%):wc=(m0-m1)/m0×100(%)式中:m0------试验前的烘干试样重量(g);m1------试验后的烘干试样重量(g);以两个试样试验结果的算术平均匀值作为测定值。
两次结果的差值超过0.5%时,应重新取样进行试验。
泥浆比重、粘度、含沙量三
2.泥浆比重计;泥浆杯和秤杆;游码读数;清水校正
泥浆比重常采用泥浆比重计测定。
泥浆比重计由由泥浆杯和秤杆等组成。
测量时将泥浆杯装满泥浆,加盖并擦净从小口溢出的泥浆。
然后置于支架上,移动游码,使杠杆呈水平状态,读出游码左侧所示刻度,即为泥浆的比重。
该仪器测使用前要用清水对仪器进行校正,如读数不在1.0处,可通过增减杠杆右端的金属颗粒来调节。
2.漏斗粘度计;测500ml所需时间;清水校正(泥浆粘度=测泥浆粘度(s)×15s/测清水粘度(s))
施工现场常采用漏斗粘度计测定泥浆的粘度。
测量时将用手指堵住漏斗下面的出口,从量杯分别将500ml和200ml泥浆分别通过滤网倒入漏斗,然后打
开出口,让泥浆从内径5mm,长度100mm的管子中流出,用秒表测定流出500ml所需时间(s),即为泥浆粘度。
该粘度计测得的是泥浆对水的相对粘度。
因此,在使用前应用水进行校正。
其方法是先往漏斗中注入700ml清水,而流出500ml的标准时间应为15s,如有误差则通过下式进行修正:泥浆粘度=测得的泥浆粘度(s)×15s/测得的清水粘度数(s)
3.含沙量仪;100ml泥浆;清水稀释;过滤;静置读数
含砂量通常采用含砂量仪来测定。
测定时将
100ml泥浆装入量杯中,用清水将泥浆稀释,将其倒入过滤筒筛网上过滤,并用水冲洗,最后将筛余的砂粒倒入干净的含砂量杯中,垂直静置一分钟,记录沉淀物体积的毫升数,即为泥浆的含砂率时间2021.03.10 创作:欧阳治。
第一节砂石材料试验检测欧阳光明(2021.03.07)砂石材料是桥涵工程建筑中用量最大的一种建筑材料,它可以直接(或经过加工)用在桥涵的垮工结构中,也可以加工成各种尺寸的集料作为水泥混凝上的粗集料。
砂石材料包括天然的或经人工轧制的石料、集料和砂。
用于桥涵结构中的砂石材料都应具备一定的技术性质,以适应不同结构的技术要求。
一、石料桥涵工程使用的石料制品有片石、块石、粗料石和拱石等,主要用于砌体工程,如桥涵拱圈、墩台、基础、锥坡等。
桥涵结构物所用石料=般有两方面的要求:1.石料制品的物理力学性质石料应符合设计规定的类别和标号,石质应均匀、不易分化和无裂缝。
石料力学性质需测定时,用切石机或取芯机制取边长为50mm±0.5mm的立方体,或直径与高均为50mm±0.5mm的圆柱体试件进行单轴抗压强度试验确定。
在某些气侯条件下,还必须测定抗冻性和坚固性指标。
2.石料制品规格和几何尺寸要求(1)片石:一般为爆破法开采的石块,其厚度不应小于15cm (卵形和薄片者不得使用);用于镶面的片石,表面应比较平整、尺寸较大者应稍作凿整。
(2)块石:形状大致方正,上下面大致平整,厚度在20~30cm,宽度一般为厚度的1.0~1.5 倍,长度约为厚度的1.5~3.0倍。
(3)粗料石:外形大致方正,成六面体,厚度为20~30cm,宽度为厚度的1.0~1.5倍,长为厚度的2.5~4.0倍,其表面凹陷深度不大于2cm。
(4)拱石:按设计要求采用粗料石或块石,主要用于石拱桥的拱圈砌筑。
3.石料物理性质试验方法石料的物理、力学性质试验应依据我国现行《公路工程石料试验规程》(JTJ054-94),常规试验检测包括以下几个方面:(1)石料真实密度试验石料的真实密度(简称密度)是石料在规定条件(105℃±5℃烘干至恒重,温度20℃)下,单位真实体积(不含孔隙的矿质实体的体积)的质量。
“试验常用方法为“李氏比重瓶法”(见JTJ 054-94/T 0204-94),即将石料样品粉碎磨细后,在105℃±5℃条件下烘至恒重,称其质量;然后在密度瓶中加水经沸煮后,使水充分进入闭口孔隙中,通过“置换法”测定其真实体积。
细集料砂当量试验方法(SE)试验步骤1、过4.75的筛。
2、测山砂的今水率(使今水率在3%左右)。
3、用冲洗管将冲洗液加入试筒,直致最下面的100刻度线(约80ml冲洗液)。
4、称量120g±1g干料重的湿样,倒入竖立的试筒中。
5、用手撑反复敲打试筒下部,以除气泡,然后放置10min。
6、试样静止10min后,试筒口塞上橡胶塞,固定在振荡机上。
7、开动振荡机,在30S±1S的时间内振荡90次。
8、将冲洗管插入试管中,用冲洗液冲洗试筒壁上的集料,然后迅速将冲洗管到试筒子底部,不断转动冲洗管。
9、缓慢匀速向上拔出冲洗管,且保持液面位于308刻度线时,切断冲洗液。
10然后开动秒表静止20min±15S。
11、在静止20min后用尺量测从试筒底部到絮状凝结物上面的高度h1。
12、将配重活塞徐徐插入试筒里,直至碰到沉定物时,立即拧紧套筒上的固定螺丝,将活塞取出,测高度h2,同时测液体温度。
13、结果整理。
砂当量按式计算:SE=H2/h*100SE----试样的砂当量(%)h2----试筒中活塞测定集料沉定物的高度(mm)。
h----试筒中絮凝物和沉定物的高度(mm)定值桥台桩基泥浆四大指标测泥浆比重小于1.1,含砂率小于4%,不大于6%。
泥浆稠度测定17—20S。
胶体率不小于90%。
泥浆质量差,其后果是:1、形成不了护壁泥膜或泥皮粘附力差,易于脱落,导致孔壁稳定性差,易产生塌孔或缩颈。
2、泥浆稠度大,比重大,含砂率高,形成的泥皮质量差,厚度大,大大降低桩的测摩阻力。
3、稠度在钢筋笼上沉积粘附,导致钢筋与砼握裹力降低。
泥浆比重过大,使得砼水下灌注阻力增大,降低砼的流动半径,使砼骨料大部份堆积在桩芯部位,而钢筋笼外几乎无骨料,不仅桩身质量不好而且桩的侧摩阻力也难以发挥,因此在施工中必须按照规范要求严格控制泥浆的质量。
检测参数标准化流程12参数名称粗集料的含泥量及泥块含量。
3名称解释测定碎石或砾石中小于O.075㎜的尘屑、淤泥和粘土的总含量及4.75㎜以上泥块颗粒含量。
4目的与适用范围测定碎石或砾石中小于O.075㎜的尘屑、淤泥和粘土的总含量及4.75㎜以上泥块颗粒含量。
5仪具与材料(1)台秤:感量不大于称量的0.1%。
(2)烘箱:能控温105℃±5℃。
(3)标准筛:测泥含量时用孔径为1.18㎜、0.075㎜的方孔筛各1只;测泥块含量时,则用2.36㎜及4.75㎜的方孔筛各1只。
(4)容器:容积约10L的桶或搪瓷盘。
(5)浅盘、毛刷等。
6 试验环境要求:温度、湿度无特殊要求。
7试验工作程序及样品处置7.1样品收发程序现场采样活委托送样→样品编号→取样品→试验员进行试验→进行原始数据记录处理→填写试验报告→复核人复核签字→审核签字→批准签字→报告盖章(归档)→客户7.2试验工作程序按规范要求进行取样→进行试验→试验结束→样品集中处理→进行原始记录数据的处理→填写试验记录→出具试验报告→完毕8 操作过程8.1试验准备按T0301方法取样,将来样用四分法或分料器法缩分至表。
T9310-1所规定的量(注意防止细粉丢失并防止所含粘土块被压碎),置于温度为105℃±5℃的烘箱内烘干至恒重,冷却至室温后分成两份备用。
表 T0310-1含泥量及泥块含量试验所需试样最小质量9 试验步骤9.1含泥量试验步骤9.1.1称取试样1份(m0)装入容器内,加水,浸泡24h,用手在水中淘洗颗粒(或用毛刷洗刷),使尘屑、粘土与较粗颗粒分开,并使之悬浮于水中;缓缓地将浑浊液倒入1.18㎜及0.075㎜的套筛上,滤去小于0.075㎜的颗粒。
试验前筛子的两面应先用水湿润,在整个试验过程中,应注意避免大于0.075㎜的颗粒丢失。
9.1.2再次加水于容器中,重复上述步骤,直到洗出的水清澈为止。
9.1.3用水冲洗余留在筛上的细粒,并将0.075㎜筛放在水中(使水面略高于筛内颗粒)来回摇动,以充分洗除小于0.075㎜的颗粒。
机制砂中石粉含量试验(亚甲蓝法)1、仪器设备及试剂:(1)、烘箱——温度控制范围为(105±5)℃;(2)、天平——称量1000g,感量1g;称量100g,感量0.01g;(3)、试验筛——筛孔公称直径为0.08mm及1.25mm的方孔筛各一只;(4)、容器——深度大于250mm的容器;(5)、移液管——2mL、5mL移液管各一只;(6)、亚甲蓝试验搅拌器——转速可调、可定时;(7)、玻璃容量瓶——1L;(8)、温度计——精度1℃;(9)、玻璃棒——2支,直径8mm,长300mm;(10)、滤纸——快速;(11)、搪瓷盘、毛刷、1000mL烧杯等。
2、试验前准备:(1)、亚甲蓝溶液的配制:将亚甲蓝粉末在(105±5)℃下烘干至恒重,称取烘干亚甲蓝粉末10g,精确至0.01g,倒入盛有约600mL蒸馏水(水温加热至35-40℃)的烧杯中,用玻璃棒持续搅拌40min,直至亚甲蓝粉末完全溶解,冷却到20℃。
将溶液倒入1L容量瓶中,用蒸馏水淋洗烧杯及玻璃棒,使所有亚甲蓝溶液全部移入容量瓶,容量瓶和溶液的温度应保持在(20±1)℃,加蒸馏水至容量瓶1L刻度。
震荡容量瓶以保证亚甲蓝粉末完全溶解。
将容量瓶中溶液移入深色存储瓶中,标明制备日期、失效日期(亚甲蓝溶液保质期应不超过28天),并置于阴暗处保存。
(2)、将样品缩分至400g,放在烘箱中于(105±5)℃下烘干至恒重,待冷却至室温后,筛除大于公称直径 5.00mm的颗粒备用。
3、试验步骤:(1)、标准法:①、②、悬浮液中加入5mL亚甲蓝溶液,以(400±40)r/min转速搅拌至少1min后,用玻璃棒蘸取1滴悬浮液(所取悬浮液滴应使沉淀物直径在8-12mm内),滴于滤纸(置于空烧杯或者其它支撑物上,以使滤纸表面不与任何固体或液体接触)上。
若沉淀物周围未出现色晕,再加入5mL亚甲蓝溶液,继续搅拌1min,再用玻璃棒蘸取一滴悬浮液,滴于滤纸上,若沉淀物周围仍未出现色晕,重复上述步骤,直至沉淀物周围出现约1mm 宽的稳定浅色色晕。
砂含泥量的快速测定:
1.
欧阳光明(2021.03.07)
2.仪器设备
1-1、天平:称量5kg,感量0.1g;
1-2、试验筛:筛公称直径为0.08mm及1.25mm的方孔筛各一个;
1-3、洗砂用的容器等;
1-4、电炉:
1-5、炒盘(铁制或铝制);
1-6、铁铲
3.试验步骤:
2-1、称取样品重m1左右(以烘干后样品量在400g左右为宜,可以用下式进行称量:400+400*W wc’。
其中W wc’为估计的
砂的含水率),置于容器中,并注入饮用水,使水面高出
砂面150mm,充分搅拌均匀后,用手在水中淘洗试样,使
尘屑和黏土与砂粒分离,并使之悬浮或溶于水中。
缓缓地
将浑浊液倒入公称直径为 1.25mm、0.08mm的方孔套筛中
(1.25mm筛有上,试验前将标准筛湿润)滤去小于
0.08mm的颗粒;
2-2、再次加水于容器中,重复以上过程,直至筒内的洗出液清澈为止。
2-3、用水淋洗剩余在筛上的细粒,并将0.08mm筛放在水中(使水面略高于筛中砂粒的表面)来回摇动以充分洗除小于0.08mm的颗粒。
然后将两只筛上剩余的颗粒和容器中已经洗净的试样一并装入已称重量为m2的炒盘中。
2-4、置炒盘于电炉上,用小铲不断的翻拌试样,到试样表面全部干燥后,切断电源,再继续翻炒一分钟,稍予冷却,称取干样与炒盘的总重m3;
3.计算结果:
3-1、砂的含泥量:Wc
W c=m1-(1+W wc)(m3-m2)
×100%
m1
式中:W c——砂的含泥量
W wc——砂的含水率
m1——样品重
m2——炒盘重
m3——干样与炒盘的总重。
3-2、为减少偶然因素对测定的干扰,含水率与含泥量宜做二次平行的试验,并以它们的平均值为试验结果。