第二讲 数码管动态显示原理
- 格式:ppt
- 大小:33.50 KB
- 文档页数:6
简述数码管动态显示的概念和原理数码管动态显示是一种可以在时间段内显示一系列数字或代码符号的显示设备。
它使用数字或字符来表达一个或几个信息,从而可以通过数码管了解系统运行状态。
它是一种低成本、低耗电量的显示设备,通常用于家用、商业和工业设备上,它们可以读取一个控制信号并将其显示出来。
数码管动态显示的原理是,它由一系列的数字或字符组成,每一种显示的字符或数字都固定闪烁的次数以便表示不同的信息。
通常,数码管的外壳称为管壳,它有7条小的金属线,可以控制灯泡的闪烁状态。
使用数码管动态显示的时候,每一个数字或字符都可以用一个电流强度编码表示。
当一个数字或字符编码不同时,向其输入不同电流强度,就可以让不同的段灯亮起或关闭。
通过改变不同段灯的颜色和闪烁频率,就可以得到不同的数字或字符的动态显示效果。
数码管动态显示的优势在于它的低成本、低耗电量,可以以低电压供电,从而使它成为TTL锁存器等数字电路中常用的显示设备。
由于数码管动态显示技术采用了芯片管控制,因此数据显示稳定准确,可以有效显示出较长的信息。
此外,它还具有良好的信号传输显示功能,可以满足复杂系统的显示需求。
另外,它还具有超低频功能,可以减少总线抖动和总线驱动能耗。
数码管动态显示技术的应用非常广泛,可以用于电子产品、家用设备、汽车驾驶仪表、几何定位系统、运动传感器、仪器仪表、室内室外温度表等等。
它们可以将运行参数和实时信息及时地传送到系统,用于改善设备的性能,及时发现和纠正异常。
总的来说,数码管动态显示使用在家用、商用和工业设备中是一种节能可靠的显示设备。
它可以准确表达出系统运行状态,具有可靠性和耐用性,同时它的成本低,耗电量低,因此是一种经济和高效的显示设备。
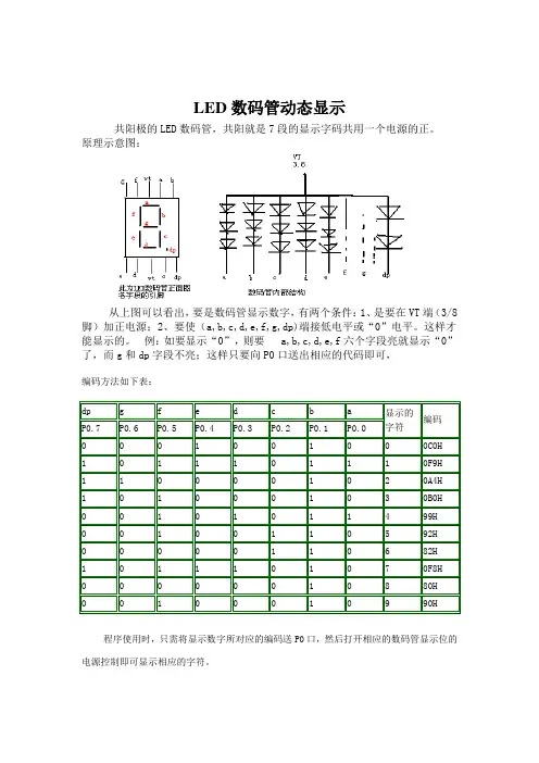
LED数码管动态显示共阳极的LED数码管,共阳就是7段的显示字码共用一个电源的正。
原理示意图:从上图可以看出,要是数码管显示数字,有两个条件:1、是要在VT端(3/8脚)加正电源;2、要使(a,b,c,d,e,f,g,dp)端接低电平或“0”电平。
这样才能显示的。
例:如要显示“0”,则要 a,b,c,d,e,f六个字段亮就显示“0”了,而g和dp字段不亮;这样只要向P0口送出相应的代码即可,编码方法如下表:dp g f e d c b a 显示的字符编码P0.7 P0.6 P0.5 P0.4 P0.3 P0.2 P0.1 P0.00 0 0 1 0 0 1 0 0 0C0H1 0 1 1 1 0 1 1 1 0F9H1 1 0 0 0 0 1 02 0A4H1 0 1 0 0 0 1 0 3 0B0H0 0 1 0 1 0 1 1 4 99H0 0 1 0 0 1 1 0 5 92H0 0 0 0 0 1 1 0 6 82H1 0 1 1 1 0 1 0 7 0F8H0 0 0 0 0 0 1 0 8 80H0 0 1 0 0 0 1 0 9 90H程序使用时,只需将显示数字所对应的编码送P0口,然后打开相应的数码管显示位的电源控制即可显示相应的字符。
双位数码管显示控制程序及说明START: MOV R0,#0 ;清零MOV DPTR,#TABLE ;指定查表起始地址LOOP: ACALL DISPLAY ;调用子程序DISPLAY INC R0 ;R0加1CJNE R0,#100,LOOP ;R0未到100则转换JMP START ;跳转DISPLAY: MOV A,R0 ;把R0里的数据送入A MOV B,#10 ;把10送入BDIV AB ;a b相除MOV 20H,A ;十位送入20HMOV 21H,B ;个位送入21HMOV R3,#50 ;把50送入R3LOOP1: MOV A,21H ;取个位数ACALL CHANG ;调用子程序CHANGCLR P2.4 ;开个位显示ACALL DLY ;调用子程序DLYSETB P2.4 ;关闭个位显示MOV A,20H ;取十位数6ACALL CHANG ;调用子程序CHANG CLR P2.5 ;开十位显示ACALL DLY ;调用子程序DLY SETB p2.5 ;关闭十位显示DJNZ R3,LOOP1 ;循环50次RET ;子程序返回CHANG: MOVC A,@A+DPTR ;查表MOV P0,A ;查表结果送入P0RET ;子程序返回DLY: MOV R6,#20 ;典型延时子程序延时D1: MOV R7,#248 ;10msDJNZ R7,$DJNZ R6,D1RETTABLE: DB 0C0H,0F9H,0A4H ;表数据共阳极数码管显示代码 DB 0B0H,99H,92H,82HDB 0F8H,80H,90HEND。
位数码管动态显示实验报告一、实验目的本次实验的目的是深入了解位数码管的工作原理和动态显示的实现方法,通过实际操作和编程,掌握数码管的驱动和控制技术,提高对数字电路和微控制器编程的理解和应用能力。
二、实验原理1、数码管的结构和工作原理数码管是由多个发光二极管(LED)组成的显示器件,常见的有共阴和共阳两种类型。
共阴数码管的阴极连接在一起,共阳数码管的阳极连接在一起。
通过控制各个段的点亮和熄灭,可以显示不同的数字和字符。
2、动态显示原理由于单片机的 I/O 端口资源有限,为了节省端口,通常采用动态显示的方式来驱动多位数码管。
动态显示是指依次快速地选通各位数码管,并在选通的同时将对应的数据送到端口上,利用人眼的视觉暂留效应,使得看起来好像各位数码管同时在显示。
三、实验设备和材料1、单片机开发板2、位数码管3、杜邦线若干4、电脑及相关编程软件四、实验步骤1、硬件连接将位数码管的各个引脚通过杜邦线与单片机开发板的相应 I/O 端口连接。
注意共阴或共阳的连接方式,以及段选和位选引脚的正确连接。
2、软件编程(1)选择合适的编程语言和开发环境,如 C 语言和 Keil 软件。
(2)定义相关的端口和变量,包括段选端口、位选端口、显示数据数组等。
(3)编写显示函数,实现位选和段选的控制,以及数据的更新。
(4)在主函数中调用显示函数,并设置合适的延时,以达到稳定的显示效果。
3、编译和下载程序将编写好的程序进行编译,生成可执行文件,并通过下载工具将程序下载到单片机开发板中。
4、观察实验结果接通电源,观察位数码管的显示是否符合预期,检查数字和字符的显示是否正确、清晰,有无闪烁或残影等问题。
五、实验结果与分析1、实验结果经过实验,位数码管能够成功地显示预定的数字和字符,显示效果稳定,无明显的闪烁和残影。
2、结果分析(1)显示清晰稳定:说明硬件连接正确,端口驱动能力足够,以及软件中的延时设置合理。
(2)若存在显示不完整或错误:可能是硬件连接错误,如引脚连接松动或接错;也可能是软件中的数据编码或显示逻辑有误。
动态数码管原理
数码管是一种用于显示数字和字符的数字式显示器件。
动态数码管是指在一段时间内,通过在不同的数码管之间迅速切换显示来实现显示的效果。
动态数码管由多个LED(发光二极管)组成,每个LED代表一个数字或字符。
常见的动态数码管有共阳极和共阴极两种类型。
共阳极数码管中,所有LED的阳极(正极)都连接在一起,而阴极(负极)则分别连接到控制芯片的引脚上。
共阴极数码管则相反,阴极连接在一起,而阳极分别连接到引脚上。
动态数码管的显示原理是通过将要显示的数字或字符的编码信息依次送入数码管的每个LED,然后在非常短的时间内快速切换到下一个数码管。
这样,人眼会感觉到所有的数码管都在同时显示,从而呈现出数字或字符的完整效果。
控制动态数码管显示的主要元件是控制芯片,它通常由微控制器或集成电路实现。
控制芯片接收外部的数据输入,将其转换为相应的LED的开关信号。
同时,控制芯片还会通过对数码管的驱动进行控制,使其按照指定的顺序和时间间隔进行切换显示。
动态数码管的刷新速度较快,一般在几十毫秒到几毫秒的范围内。
通过适当调整刷新速度,可以使数码管的显示看起来平滑而稳定,不会出现明显的闪烁感。
总结起来,动态数码管通过快速切换显示的方式,利用LED
的发光特性来显示数字和字符。
通过控制芯片的控制,实现数据输入和驱动控制,从而完成数码管的动态显示。
课题课题:数码管动态扫描显示授课班级时间数6课时教学方法讲授法教具自制课件视屏单片机开发板教学目标知识与技能1.数码管动态显示原理2.显示程序介绍情感与态度培养学生学习兴趣,克服学习障碍,养成良好学习习惯,树立学习信心。
教学重点数码管动态显示原理教学难点数码管动态显示原理、显示程序教学过程:第一课时教学环节教学内容教师活动学生活动教学资源安排1.课题引入视频引入听讲2.新课教学一、动态显示动态显示的特点是将所有位数码管的段选线并联在一起,由位选线控制是哪一位数码管有效。
这样一来,就没有必要每一位数码管配一个锁存器,从而大大地简化了硬件电路。
选亮数码管采用动态扫描显示。
所谓动态扫描显示即轮流向各位数码管送出字形码和相应的位选,利用发光管的余辉和人眼视觉暂留作用,使人的感觉好像各位数码管同时都在显示。
动态显示的亮度比静态显示要差一些,所以在选择限流电阻时应略小于静态显示电路中的。
二、中断系统结构讲解听讲三、80C51中断的控制:1.中断允许控制CPU对中断系统所有中断以及某个中断源的开放和屏蔽是由中断允许寄存器IE控制的。
EX0(IE.0),外部中断0允许位;ET0(IE.1),定时/计数器T0中断允许位;EX1(IE.2),外部中断0允许位;ET1(IE.3),定时/计数器T1中断允许位;ES(IE.4),串行口中断允许位;EA (IE.7), CPU中断允许(总允许)位。
同一优先级中的中断申请不止一个时,则有中断优先权排队问题。
同一优先级的中断优先权排队,由中断系统硬件确定的自然优先级形成,其排列如所示:讲解演示讲解听讲观看听讲记笔记3.课堂作业熟记共阴数码管码表4.课外作业利用动态扫描方法在六位数码管上显示出稳定的654321.5.课后反思教学过程:第二课时教学环节教学内容教师活动学生活动教学资源安排1.课题引入视频引入听讲2.新课教学80C51的单片机中断处理过程一、中断响应条件和时间中断响应条件:1. 中断源有中断请求;2.此中断源的中断允许位为1;3.CPU开中断(即EA=1)。