滚齿工艺
- 格式:doc
- 大小:7.06 MB
- 文档页数:5
滚齿机的加工工艺规程及其质量检测滚齿机是一种用于生产齿轮的机械设备,具有高效、精准的特点,广泛应用于各个领域。
为了确保滚齿机的加工质量,需要制定相应的加工工艺规程并进行质量检测。
本文将介绍滚齿机的加工工艺规程和质量检测方法。
一、滚齿机的加工工艺规程1. 制定工艺路线:通过对齿轮的类型、尺寸、材料等参数进行分析,确定适合的工艺路径。
工艺路径应包括加工前准备、滚切主过程、加工后处理等步骤。
2. 材料准备:选择适合的齿轮材料,根据要求进行预处理。
包括清洗、除锈、退火等工艺,以保证齿轮的材料性能和加工质量。
3. 设计夹具和工装:根据滚齿机的特点和齿轮的几何形状,设计和制造适合的夹具和工装,以确保加工的准确性和稳定性。
4. 加工参数设置:根据齿轮的尺寸、齿数等参数,确定适当的滚刀直径、模数、切削速度等加工参数。
这些参数的设置将直接影响到齿轮的精度和表面质量。
5. 加工过程控制:在加工过程中,要严格控制加工环境、切削液的使用、刀具的磨损等因素,以确保加工的稳定性和一致性。
6. 加工质量检测:加工完成后,对齿轮进行质量检测。
包括齿轮的齿形误差、齿距误差、齿厚误差、齿面粗糙度等参数的检测。
同时,还需对齿轮进行硬度、强度等性能的测试。
二、滚齿机的质量检测方法1. 齿形误差检测:采用齿形测量仪对齿轮的齿形进行检测。
通过比对实际齿形与设计齿形的差异,来评估齿轮的加工精度。
2. 齿距误差检测:使用两个测距仪测量相邻齿槽的间距,以确定齿距的准确性。
3. 齿厚误差检测:使用专用测量仪器对齿轮齿面的厚度进行测量,确认其与设计要求的一致性。
4. 齿面粗糙度检测:使用表面粗糙度仪测量齿轮齿面的粗糙度,以评估齿轮表面质量。
5. 硬度测试:采用硬度测量仪对齿轮的硬度进行检测,以确保其达到要求的强度标准。
6. 强度测试:通过进行强度试验或者材料化学成分分析,来评估齿轮的强度性能。
通过以上的质量检测方法,可以全面评估滚齿机加工出的齿轮的质量。
花键滚齿刀加工工艺研究引言:花键滚齿刀是一种应用广泛的刀具,常用于齿轮零件的加工中。
本文旨在对花键滚齿刀的加工工艺进行深入研究,探讨适合花键滚齿刀加工的工艺参数,以提高加工效率和产品质量。
一、花键滚齿刀的概述花键滚齿刀是一种用于齿轮加工的切削刀具,广泛应用于传动装置、机械制造和汽车工业等领域。
其具有高效、精准、耐磨等特点,能够提高齿轮的传动性能和使用寿命。
二、花键滚齿刀的加工原理花键滚齿刀的加工原理是通过切削刀具与工件的相对旋转及应力作用,将刀具的切削齿轮花键加工到工件表面上。
其加工精度与齿轮的模数、齿数、齿厚等参数密切相关。
三、花键滚齿刀的工艺参数1. 刀具的选择:要根据工件的材料以及加工要求选取合适的花键滚齿刀,包括刀具的直径、齿数、齿面等参数。
2. 花键滚刀的角度:花键滚齿刀的角度决定了加工出的花键的形状和尺寸,需根据实际使用需求进行调整。
3. 进给速度:进给速度对花键滚齿刀的加工效率和加工质量有着重要影响,需根据工件的材料硬度和刀具材料选择合适的进给速度。
4. 刀具磨损监测:花键滚齿刀使用过程中会有一定的磨损,监测磨损情况可以及时更换刀具,保证加工质量。
四、花键滚齿刀的加工工艺优化1. 材料选择:根据工件的材料选择合适的刀具材料,以提高切削性能和耐磨性。
2. 刀具涂层:合理选择刀具涂层,增强刀具的抗磨损性能和使用寿命。
3. 表面处理:对工件进行适当的表面处理,以提高花键滚齿刀的加工精度和表面质量。
4. 加工模拟:通过虚拟仿真软件对花键滚齿刀的加工过程进行模拟分析,优化刀具的设计和工艺参数。
五、花键滚齿刀加工工艺的应用案例以某汽车发动机的花键滚齿刀加工为例,通过优化加工工艺参数和刀具设计,使得花键滚齿刀的加工效率提高了20%,产品质量得到了显著改善。
六、结论花键滚齿刀加工工艺的研究对于提高齿轮加工的效率和质量具有重要意义。
通过选择合适的切削刀具、优化工艺参数以及加工工艺的优化,可以提高花键滚齿刀的加工效率和产品质量,满足工业生产的需求。
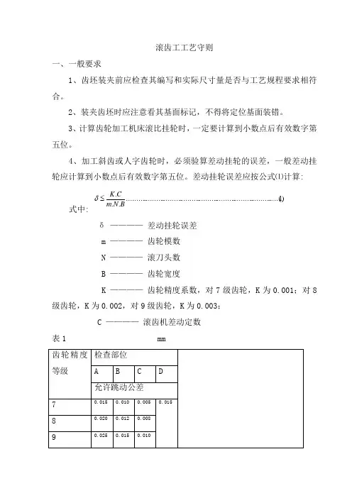
)1.....(...................................................................................BN m CK ≤δ滚齿工工艺守则一、一般要求1、齿坯装夹前应检查其编写和实际尺寸量是否与工艺规程要求相符合。
2、装夹齿坯时应注意看其基面标记,不得将定位基面装错。
3、计算齿轮加工机床滚比挂轮时,一定要计算到小数点后有效数字第五位。
4、加工斜齿或人字齿轮时,必须验算差动挂轮的误差,一般差动挂轮应计算到小数点后有效数字第五位。
差动挂轮误差应按公式⑴计算:式中:δ ———— 差动挂轮误差 m ———— 齿轮模数 N ———— 滚刀头数B ———— 齿轮宽度K ———— 齿轮精度系数,对7级齿轮,K 为0.001;对8级齿轮,K 为0.002,对9级齿轮,K 为0.003;C ———— 滚齿机差动定数表1 mm5、加工有偏重的齿轮时,应在相对应处安置适当的配重。
二、齿坯的装夹1、在滚齿机上安装滚齿夹具时,应按表1的要求调整。
2、在滚齿机上装夹齿坯时,应将有标记的基面向下,使其与支承面贴合,不得垫纸或铜皮等物。
压紧前用千分表检查齿坯外圆径向跳动和基准端面跳动,其跳动公差不得不于表2所规定数值。
压紧后需再次检查,以防压紧时产生变形。
表2 mm注:①当三个公差组的精度等级不同时,按最高的精度等级确定公差值。
②当以顶圆作基准时,表中的数值就指顶圆的径向跳动。
3、齿轮轴的装夹⑴在滚齿机上装夹齿轮轴时,应用千分表检查其两基准颈(或一个基准轴颈及顶圆)的径向跳动,其跳动公差应按公式⑵计算。
式中: t ————跳动公差,mm L ————两测量点间的距离,mm B ————齿轮轴的齿宽,mmK ————精度系数:对7级和8级精度齿轮轴,K 值取0.008~0.01,对9级精度齿轮轴,K 值取0.011~0.013。
)2.........(......................................................................K BLt⑵在滚齿机上装夹齿轮轴时,应用千分表在90°方向内检查齿顶圆母线与刀架垂直移动的平行度,在100mm长度内不得大于0.01mm。
齿面加工方法齿面加工方法是指对齿轮等零件的齿面进行加工的工艺方法。
齿轮是机械传动中常用的零件之一,其齿面的加工质量直接影响到齿轮传动的性能和寿命。
因此,齿面加工方法的选择和掌握对于提高齿轮传动的可靠性和效率具有重要意义。
齿面加工方法主要包括滚齿加工、铣齿加工和磨齿加工等。
下面将分别对这几种齿面加工方法进行详细介绍。
滚齿加工是指利用滚刀或滚子进行齿面加工的方法。
滚齿加工具有高效、高精度和低成本的特点。
在滚齿加工中,滚刀或滚子的齿形与齿轮的齿形相同,通过滚刀或滚子的滚动运动来实现对齿轮齿面的加工。
滚齿加工可以分为外滚齿和内滚齿两种形式。
外滚齿是指滚刀或滚子从齿轮的外侧对齿面进行加工,内滚齿是指滚刀或滚子从齿轮的内侧对齿面进行加工。
滚齿加工适用于大批量生产,尤其是对于大型齿轮的加工效果更加显著。
铣齿加工是指利用铣刀进行齿面加工的方法。
铣齿加工具有灵活性强、适应性广的特点。
在铣齿加工中,铣刀的齿形与齿轮的齿形相同,通过铣刀的旋转运动和工件的进给运动来实现对齿轮齿面的加工。
铣齿加工可以分为端铣齿和齿轮铣齿两种形式。
端铣齿是指铣刀从齿轮的端面对齿面进行加工,齿轮铣齿是指铣刀从齿轮的齿顶对齿面进行加工。
铣齿加工适用于中小批量生产,尤其是对于中小型齿轮的加工比较常见。
磨齿加工是指利用磨削工具进行齿面加工的方法。
磨齿加工具有加工精度高、齿面质量好的特点。
在磨齿加工中,磨削工具的齿形与齿轮的齿形相同,通过磨削工具的旋转运动和工件的进给运动来实现对齿轮齿面的加工。
磨齿加工可以分为外磨齿和内磨齿两种形式。
外磨齿是指磨削工具从齿轮的外侧对齿面进行加工,内磨齿是指磨削工具从齿轮的内侧对齿面进行加工。
磨齿加工适用于高精度要求的齿轮加工,尤其是对于精密齿轮的加工效果更好。
除了上述的滚齿加工、铣齿加工和磨齿加工之外,还有一些其他的齿面加工方法,如剃齿加工、刮齿加工和修齿加工等。
这些加工方法在特定的情况下具有一定的应用价值。
剃齿加工是指利用剃齿刀进行齿面加工的方法,适用于小模数的齿轮加工。
插齿与滚齿生产质量和精度基本相当,生产率和应用范围等方面又各自有其特点。
现分析比较如下:
一、插齿的加工质量:
1、插齿的齿形精度比滚齿高。
这是因为插齿刀在制造时,可通过精度磨齿机获得精确的渐开线齿形。
2、插齿后的齿面粗糙度值比滚齿小。
其原因是插齿的周进给量通常较小,插齿过程中包络齿面的切削刃数较滚齿多,因而插齿后的齿面粗糙度小。
3、循齿的运动精度比滚齿差。
因为在滚齿时,一般只是滚刀某几圈的刀齿参加切削,件上所有齿槽都是这些刀齿切出的;而插齿时,插齿刀上的各刀齿顺次切削工件各齿槽,而,插齿刀上的齿距累积误差将直接传给被切齿轮;另外,机床传动链的误差使插齿刀麓产生的转角误差,也使得插齿后齿轮有较大的运动误差。
4、插齿的齿向误差比滚齿大。
捆的齿向误差主要决定于插齿机主轴往复运动轨迹与工作台回转轴线的平行度误差。
插齿Z复运动频率高,主轴与套筒的磨损大,因此插齿的齿向误差常比滚齿大。
二、插齿的生产率:
切制模数较大的齿轮时,插齿速度要受插齿刀主轴往复运动惯性币床刚性的制约,切削过程又有空程时间损失,故生产率比滚齿加工要低。
怛在加工小模数、联齿、齿宽窄的齿轮时,插齿生产率会比滚齿高。
三、插齿的应用范围:
从上面分析可知,插齿适合于加工模数小、齿宽较小、工作平蓍要求较高而运动精度要求不太高的齿轮。
尤其适用于加工内齿轮、多联齿轮中的小齿轮、条及扇形齿轮等。
但加工斜齿轮需用螺旋导轨,不如滚齿方便。
滚齿加工方法和加工方案(一)滚齿的原理及工艺特点滚齿是齿形加工方法中生产率较高、应用最广的一种加工方法。
在滚齿机上用齿轮滚刀加工齿轮的原理,相当于一对螺旋齿轮作无侧隙强制性的啮合,见图9-24所示。
滚齿加工的通用性较好,既可加工圆柱齿轮,又能加工蜗轮;既可加工渐开线齿形,又可加工圆弧、摆线等齿形;既可加工大模数齿轮,大直径齿轮。
滚齿可直接加工8~9级精度齿轮,也可用作7 级以上齿轮的粗加工及半精加工。
滚齿可以获得较高的运动精度,但因滚齿时齿面是由滚刀的刀齿包络而成,参加切削的刀齿数有限,因而齿面的表面粗糙度较粗。
为了提高滚齿的加工精度和齿面质量,宜将粗精滚齿分开。
(二)滚齿加工质量分析1.影响传动精度的加工误差分析影响齿轮传动精度的主要原因是在加工中滚刀和被切齿轮的相对位置和相对运动发生了变化。
相对位置的变化(几何偏心)产生齿轮的径向误差;相对运动的变化(运动偏心)产生齿轮的切向误差。
(1)齿轮的径向误差齿轮径向误差是指滚齿时,由于齿坯的实际回转中心与其基准孔中心不重合,使所切齿轮的轮齿发生径向位移而引起的周节累积公差,如图9—4所示。
齿轮的径向误差一般可通过测量齿圈径向跳动△Fr反映出来。
切齿时产生齿轮径向误差的主要原因如下:①调整夹具时,心轴和机床工作台回转中心不重合。
②齿坯基准孔与心轴间有间隙,装夹时偏向一边。
③基准端面定位不好,夹紧后内孔相对工作台回转中心产生偏心。
(2)齿轮的切向误差齿轮的切向误差是指滚齿时,实际齿廓相对理论位置沿圆周方向(切向)发生位移,如图9-5所示。
当齿轮出现切向位移时,可通过测量公法线长度变动公差△Fw来反映。
切齿时产生齿轮切向误差的主要原因是传动链的传动误差造成的。
在分齿传动链的各传动元件中,对传动误差影响最大的是工作台下的分度蜗轮。
分度蜗轮在制造和安装中与工作台回转中心不重合(运动偏心),使工作台回转中发生转角误差,并复映给齿轮。
其次,影响传动误差的另一重要因素是分齿挂轮的制造和安装误差,这些误差也以较大的比例传递到工作台上。
滚齿机的刀具磨削与修整工艺滚齿机是一种专用机床,常用于生产各种齿轮。
齿轮作为机械传动装置的重要组成部分,其质量和工艺要求对机械产品的性能有着重要的影响。
而滚齿机的刀具磨削与修整工艺,则是保证齿轮加工质量和精度的关键环节之一。
一、刀具磨削工艺1.刀具磨削前准备在开始刀具磨削之前,需进行一系列准备工作。
首先,清洗刀具,确保刀具表面干净,无油污和切削屑。
其次,检查刀具的磨损和损坏情况,如发现刀具有裂纹、磨损严重或刃口破损等情况,需及时更换或修复刀具。
2.刀具的正确安装刀具的正确安装对于磨削效果和刀具寿命至关重要。
在安装刀具时,需仔细检查刀具与滚齿机主轴的配合情况,确保刀具安装紧固牢固。
此外,要确保刀具与工件的配合间隙符合要求,以获得良好的磨削效果。
3.刀具磨削过程控制刀具的磨削过程中,操作人员需掌握磨削参数和操作技巧。
首先,根据齿轮的材料、硬度和尺寸等要求,确定合适的磨削参数,包括切割速度、磨削深度和进给速度等。
其次,磨削时要保持适当的冷却润滑,以防止刀具过热和磨削烧伤。
最后,要注意磨削时的压力和力度控制,以保证刀具与工件之间的理想接触。
4.刀具磨削后处理刀具磨削后,需要进行适当的后处理。
首先,对刀具进行清洗,去除磨削时产生的切削屑和冷却液。
其次,对刀具进行检查,确保刀具表面无损伤和磨削缺陷。
如果发现刀具有磨损或其他问题,需要及时进行修复或更换。
二、刀具修整工艺与刀具磨削不同,刀具修整是指对已经磨损的刀具进行修复和磨削。
刀具修整工艺的关键在于恢复刀具的几何形状和尺寸精度,以延长刀具的使用寿命。
1.刀具检查与评估在进行刀具修整之前,需要对刀具进行全面检查和评估。
包括刀具的损坏程度、磨损情况和磨损位置等。
根据评估结果,确定刀具是否需要进行修整,以及修整的方式和程度。
2.刀具的磨削与修整刀具的磨削与修整包括对刃口的修复和修整、刀身的修整和打磨等工序。
其中,对刃口的修复可以采用砂轮磨削、线切割磨削或电火花修复等技术。
滚齿和插齿的工作原理滚齿和插齿是两种常见的齿轮加工工艺,它们分别用于加工不同类型的齿轮。
滚齿是一种通过切削方法加工齿轮,而插齿则是通过切削和成形的方式加工齿轮。
本文将分别介绍滚齿和插齿的工作原理,以及它们的应用领域和优缺点。
一、滚齿的工作原理滚齿是一种采用刀具对齿轮进行切削加工的方法,其工作原理主要是利用锥齿轮滚刀或滚刀头在齿轮的外径上滚动切削,逐渐形成齿凹和齿峰,最终完成齿轮的加工。
滚齿加工过程中,刀具的切削速度与齿轮的旋转速度需保持一定的比例关系,以便确保切削质量和加工精度。
滚齿加工的优点在于加工效率高、成本低、面积大,同时可以保证齿轮的准确度和表面质量。
滚齿的应用领域非常广泛,特别适用于大批量生产和高精度要求的齿轮。
常见的应用领域包括汽车变速箱、航空航天设备、重型机械设备等领域。
滚齿加工的优点主要体现在加工效率高、加工成本低、加工精度高等方面。
滚齿加工也存在一些缺点,如设备投资大、加工适用范围受限、使用材料和工件形状要求苛刻等。
二、插齿的工作原理插齿是一种通过切削和成形的方式对齿轮进行加工的方法。
插齿的工作原理是利用插齿刀或插齿铣刀沿着齿轮的齿廓轮廓进行切削,同时使用成形刀具在齿廓上进行成形,最终形成齿轮的齿凹和齿峰。
插齿加工的过程中需要严格控制刀具的位置、切削速度和切削深度,以确保加工的精度和表面质量。
插齿加工的优点在于加工适用范围广、加工精度高、加工速度快等方面。
插齿广泛应用于汽车、摩托车、机床、农业机械、轮船、飞机等机械制造领域,尤其在小批量多样化生产的齿轮加工方面有着重要的应用。
插齿加工的优点主要体现在加工适用范围广、加工精度高、加工速度快等方面。
插齿加工也存在一些缺点,如加工成本高、设备投资大、加工刀具磨损严重等。
滚齿和插齿是两种常见的齿轮加工工艺,它们分别适用于不同的齿轮加工场合。
滚齿加工适用于大批量生产和高精度要求的齿轮,插齿加工适用于小批量多样化生产的齿轮。
在实际生产中,需要根据具体工件的要求和生产规模来选择合适的加工工艺,以确保加工效率和产品质量。
滚齿加工原理滚齿加工是一种常见的齿轮加工方法,它通过滚刀在齿轮上滚动切削,以实现齿轮的加工。
滚齿加工具有高效、精度高、表面质量好等特点,因此在工业生产中得到了广泛应用。
下面我们来详细了解一下滚齿加工的原理。
首先,滚齿加工的原理是利用滚刀的滚动切削齿轮的齿廓。
滚刀的切削边缘与齿轮的齿廓形状相吻合,当滚刀在齿轮上滚动时,就能够完成对齿轮齿廓的加工。
这种滚动切削的方式,不仅可以保证齿轮的齿廓形状精确,而且还能够提高加工效率。
其次,滚齿加工的原理还包括滚刀的选择和工艺参数的确定。
滚刀的选择需要考虑到齿轮的模数、齿数、齿廓等因素,以确保滚刀与齿轮的匹配性。
同时,工艺参数的确定也十分重要,其中包括滚刀的进给量、转速、切削深度等,这些参数的合理确定将直接影响到齿轮加工的质量和效率。
另外,滚齿加工的原理还涉及到滚刀的运动轨迹。
滚刀在齿轮上的滚动轨迹需要精确控制,以确保滚刀与齿轮的匹配和切削效果。
通常情况下,滚刀的运动轨迹是根据齿轮的齿廓形状确定的,这就要求滚刀的设计和制造具有高精度。
最后,滚齿加工的原理还包括切削液的使用。
在滚齿加工过程中,切削液的使用对于降低切削温度、减少摩擦和延长刀具寿命都起着重要作用。
因此,合理选择切削液的种类和使用方法,对于滚齿加工的效果有着直接的影响。
总的来说,滚齿加工的原理是基于滚刀的滚动切削齿轮的齿廓,需要合理选择滚刀和确定工艺参数,控制滚刀的运动轨迹,并合理使用切削液。
这样才能够实现齿轮加工的高效、高精度和高质量。
滚齿加工作为一种重要的齿轮加工方法,在工业生产中具有着重要的地位和作用,值得我们深入学习和研究。
50SM13-2B金属齿轮加工工艺一、零件种类四轮轴齿、五轮组件、输出轴组件二、生产工艺流程四轮轴齿:四轮轴齿坏滚齿抛光处理铰孔清洗包装入库五轮轴齿:五轮轴齿坏滚齿抛光处理铰孔清洗五轮轮片:五轮片坏滚齿抛光处理清洗铆接六轮轮片:六轮片坏铰孔滚齿抛光处理清洗三、作业过程标准输出轴铆接㈠、滚齿加工作业要求:1、调整机床参数安装交换齿轮并调试刀架轴向和纵向起点位置;(滚刀转速、进刀量、径向切削量、滚刀模数)2、采用两顶尖式装夹工件;(工件中孔作为定位基准)3、启动机床前应检查刀架、拖板是否在切削起点,抬刀时是否碰到工件;4、启动机床并合上自动走刀手柄进行切削加工;(切削液采用32号机油)5、切削完成,松开自动走刀手柄。
㈡、抛光去毛刺作业要求:1、按下表参数比例将工件与磨料放入抛光桶中,并加入适量的水,盖上桶盖并拧紧螺丝;(注意:水平面至少应高出磨料2-5mm,低于桶顶至少10mm)2、将抛光机机盖打开,将刹车杆卡入刹车槽,确认转盘不能转动后将抛光桶装入并拧紧螺丝;3、确认所有的抛光桶已安装牢固后,合上机盖,按表一参数设置抛光时间;4、打开电源,进行抛光,抛光结束后取下抛光桶,有相应的筛子分离工件与磨料,如工件为钢件应放入脱水油中浸,时间至少3分钟;5、抛光后的工件应检查切削毛刺是否已被去除;6、本工序采用湖牌XGP30型卧式行星滚抛光机。
◆(表一)㈢、齿轮清洗作业要求:1、将齿轮浸入清洁的90号汽油中,并用手搅拌去其表面及孔中垃圾;2、洗净后的齿轮应放在筛网上晾干,等其干后浸入洁净的30号机油中,再取出沥净,即可包装;3、对清洗后的齿轮应检查确认齿面及中孔是否已无垃圾、切悄。
四、滚齿加工工艺参数:。
直齿罗拉滚齿形加工工艺及工装设计一、简介直齿罗拉滚齿形加工是一种金属加工工艺,通过使用罗拉滚刀对工件进行滚切加工,以获得直齿的齿形。
本文将介绍直齿罗拉滚齿形加工的工艺流程,并提出相应的工装设计。
二、直齿罗拉滚齿形加工工艺直齿罗拉滚齿形加工工艺一般包括以下几个步骤:1. 工件准备在加工之前,需要对工件进行准备。
首先,确定加工的工件尺寸和材料。
然后,根据工件的要求进行划线和标记,以便后续操作。
2. 罗拉滚刀选择根据工件的齿数和模数等参数,选择适合的罗拉滚刀。
罗拉滚刀的选用要符合工件的要求,并且具有良好的耐磨性和切削性能。
3. 加工前准备在进行加工之前,需要对罗拉滚刀进行检查和磨砺。
确保罗拉滚刀的刃口锋利且无损伤。
同时,清洁工作台和设备,确保加工环境的整洁。
4. 加工操作将工件安装在滚齿机上,并调整滚齿机的参数,使其适应工件的尺寸。
然后,将罗拉滚刀安装在滚齿机上,并通过滚齿机的传动装置将滚刀带动。
此时,工件会被滚刀的齿形所滚切,从而得到直齿的齿形。
5. 完成加工加工完成后,需要将工件从滚齿机上卸下,并进行外观检查。
如果工件的齿形符合要求,则加工工艺完成。
否则,需要重新调整滚齿机的参数并再次进行加工。
三、工装设计为了提高直齿罗拉滚齿形加工的效果和效率,需要设计合适的工装。
工装的设计应该考虑以下几个方面:1. 工装结构工装的结构应该简洁明了,便于操作和维护。
同时,应该具有足够的强度和刚性,以保证加工过程中不会发生变形和震动。
2. 工装调整工装应该具有一定的调整能力,以便根据不同的工件尺寸进行调整。
例如,可以通过调整夹具和定位装置的位置和角度来适应不同尺寸的工件。
3. 工装固定工装的固定方式应该牢固可靠,以保证加工过程中不会发生移动。
可以采用螺栓、夹具等固定方式,确保工装的稳定性。
4. 工装润滑工装的润滑系统应该设计合理,以保证滚齿机和罗拉滚刀的顺畅运转。
可以通过加油装置或润滑油路来实现工装的润滑。
四、总结直齿罗拉滚齿形加工工艺是一种常用的金属加工工艺,通过使用罗拉滚刀对工件进行滚切加工,可以得到直齿的齿形。
滚齿机装配工艺流程下载温馨提示:该文档是我店铺精心编制而成,希望大家下载以后,能够帮助大家解决实际的问题。
文档下载后可定制随意修改,请根据实际需要进行相应的调整和使用,谢谢!并且,本店铺为大家提供各种各样类型的实用资料,如教育随笔、日记赏析、句子摘抄、古诗大全、经典美文、话题作文、工作总结、词语解析、文案摘录、其他资料等等,如想了解不同资料格式和写法,敬请关注!Download tips: This document is carefully compiled by theeditor. I hope that after you download them,they can help yousolve practical problems. The document can be customized andmodified after downloading,please adjust and use it according toactual needs, thank you!In addition, our shop provides you with various types ofpractical materials,such as educational essays, diaryappreciation,sentence excerpts,ancient poems,classic articles,topic composition,work summary,word parsing,copy excerpts,other materials and so on,want to know different data formats andwriting methods,please pay attention!滚齿机装配工艺流程一、准备工作阶段在进行滚齿机的装配工艺之前,需要进行一系列准备工作。
滚齿工艺的编制原则:根据零件图纸、现有机床、刀具参数确定滚齿时的滚刀转速、滚刀轴向进给速度,进刀次数及滚削循环、窜刀量的大小等,并据此编写滚齿程序。
加工完成后按照图纸要求进行检测(如果有精加工工序则按留余量后尺寸加工)。
示例零件参数:m:3.2774,Z:43,α:18.5°,β:31.884°,全齿高:11.85,齿顶圆直径:175.41,齿宽:33;1.确定滚刀转速想要确定滚刀转速需要知道的条件包括:1)滚刀:滚刀直径,滚刀头数,滚刀材料及制造水平决定的滚切所能达到的最大线速度及适合的线速范围。
例如:汉江工具厂滚刀,直径160,头数1,最大线速 m/min,适合的线速范围为 —— m/min;2)工件:工件的材料所适合的切削速度;例如:常用齿轮钢20CrMnTi 适合的切削速度范围为 —— m/min;3)机床:机床允许的最大刀具转速及工作台回转转速。
例如:重庆机床厂出产的滚齿机YKX3132的道具转速范围为120-540r/min,工作台最大回转速度为30r/min 。
假定切削线速度选定为70m/min ,按滚到直径计算滚到转速为:刀刀π=xD xV n 1000=1000x70/3.14/100=222.9r/min 滚刀每转一转,工作台转K/Z 转K:滚刀头数,Z :工件齿数;工作台转数:ZK x n n 刀工作台==222.9x1/43=5.18 r/min ,远小于30r/min ; 因此将滚刀转速确定为220r/min ;注:滚到头数不能与齿数有公因数。
2.确定走刀次数走刀次数的确定取决全齿高及对滚齿齿面质量的要求,模数较小,有精加工后续时,可以一次滚切成形;模数较大时,一般分2到3此滚切,滚切过程中的循环方式取决于机床,例如重庆机床厂出产的滚齿机YKX3132具有顺铣、逆铣及顺逆、逆顺、顺顺、逆逆等多种循环方式,从便于排屑的角度考虑,一般采用逆铣,如果分2此进刀,一般采用顺逆铣(具体循环方式可视滚刀开槽情况及零件的可切削性确定)。
滚齿轮加工工艺流程
滚齿轮加工工艺流程主要包括设计准备、材料准备、加工设备调整、加工操作和检验等环节。
首先,设计准备。
在开始滚齿轮加工前,需要根据产品要求和技术要求,进行滚齿轮的设计和编制加工方案。
设计应考虑到齿轮的模数、齿数、分度系数等参数,确保加工出的齿轮符合要求。
接下来,进行材料准备。
根据设计方案,选择合适的材料进行加工。
常用的材料有高碳合金钢、中碳合金钢等。
材料准备应注意保证材料的质量和性能,以确保加工过程的顺利进行。
然后,进行加工设备调整。
将滚齿机的工作台、支持架和进给机构等部件进行调整,使其适合加工当前的齿轮。
调整应注意保证各部件的稳定性和准确性,以确保加工质量。
接下来,进行加工操作。
首先,将材料安装在滚齿机的工作台上,调整好材料的位置。
然后,根据加工方案,逐步进行滚刀的选择和装配,调整刀具的位置、角度和间距。
然后,启动滚齿机,根据设定的进给速度和进给量,进行滚齿加工。
加工过程中应注意加工速度和加工质量的控制,确保加工出的齿轮符合要求。
最后,进行检验。
将加工出的齿轮取出,使用齿轮测量仪等设备,对齿轮进行尺寸和形位公差的检测。
检测应按照相关标准和规范进行,确保加工出的齿轮符合要求。
总之,滚齿轮加工工艺流程包括设计准备、材料准备、加工设备调整、加工操作和检验等环节。
通过科学规范的操作和严格的质量控制,可以加工出满足要求的滚齿轮产品。
齿轮加工方法与工艺过程齿轮加工是制造齿轮零部件的重要工艺之一,其加工方法和工艺过程对于齿轮的质量和使用性能具有重要影响。
下面将介绍齿轮加工的几种常用方法和工艺过程。
第一种方法是铣削加工。
铣削加工齿轮是采用铣床进行的,通过铣刀在工件上进行切削,将齿轮的齿廓削成所需的形状。
铣削加工可以实现高精度和大批量的齿轮生产,适用于各种材料的齿轮加工。
第二种方法是滚齿加工。
滚齿是利用滚齿机进行的齿轮加工,通过滚刀在工件上滚切,将齿轮的齿廓加工成所需的形状。
滚齿加工可以实现高精度和高效率的齿轮生产,适用于大批量的齿轮加工。
第三种方法是切削加工。
切削加工可分为锥齿轮切削和直齿轮切削两种形式。
锥齿轮切削通常采用锥齿轮铣刀进行切削,将工件锥面的齿切削成所需的形状;直齿轮切削则是利用齿轮切削机对工件进行切削,将齿切削成所需的形状。
切削加工可以实现高精度和多种形状的齿轮加工,但速度较慢,适用于小批量的齿轮加工。
在齿轮加工的工艺过程中,首先需要进行齿轮加工的准备工作,包括选择合适的齿轮加工方法、准备加工刀具和夹具等。
然后进行齿轮的布置和定位,确定齿轮的加工位置和方向。
接下来进行切削或滚削操作,根据加工方法选择合适的设备和刀具进行齿轮的切削或滚削。
最后进行齿轮的检验和调整,检查齿轮的尺寸、形状和表面质量,进行必要的调整和修整。
在实际的齿轮加工过程中,还需要考虑材料的选择、加工参数的确定、刀具磨损的补偿以及表面处理等问题。
通过合理选择加工方法和优化工艺过程,可以提高齿轮的加工效率和质量,满足不同齿轮的加工需求。
在齿轮加工过程中,材料的选择是一个重要的环节。
常见的齿轮材料包括碳素钢、合金钢、不锈钢、铸铁等。
不同材料具有不同的力学性能和耐磨性能,需要根据齿轮的使用环境和要求选择合适的材料。
另外,材料的加工硬度也会影响加工方法的选择,硬度较高的材料一般需要采用滚削或磨削等方法进行加工。
在齿轮加工的过程中,加工参数的选择对于加工效率和质量有着重要的影响。
滚齿工序过程作业指导书滚齿: 开齿槽,为齿轮热处理前做准备工作或直接滚齿成形。
备注工序内容: 滚齿,公法线留量(见表),差动挂轮计算到小数点后第六位,齿底粗糙度达Ra12.5以上。
例:机床: 按图纸(齿轮模数、齿顶圆直径、齿轮重量等)选取滚齿机床。
例: 刀杆:刀杆:刀杆安装后,悬臂检查刀杆径向和端面圆跳动,其跳动公差不得大于表1的规定。
表1 mm齿轮精度等级 圆跳动公差A B C7 0.005 0.008 0.005 8 0.008 0.010 0.008 90.0100.0150.010注:1、精度等级按第Ⅱ公差组要求。
2、表中B 点跳动是指L ≤100mm 时的数值,L 每增加100mm ,B 点跳动允许增加0.01mm例:滚齿刀具:按图纸选取滚齿刀具(根据加工工件的模数、压力角、精度等级和工艺要求来确定),通过滚齿直接成品时选用标准齿轮滚刀,滚齿后还需要磨齿时,应选用磨前齿轮滚刀。
下图为标准滚刀及磨前滚刀。
磨前滚刀 标准滚刀滚刀精度:滚刀通常分为AA 、A 、B 、C 四种精度等级,小模数齿轮滚刀分为AAA 、AA 、A 三种精度等级,滚刀的精度等级应根据工件的精度等级来确定。
按表2所示对滚刀进行选择。
表2齿轮精度等级滚刀精度等级粗滚齿精滚齿 7 B 或C AA 8 A 9CA注:精度等级按第Ⅱ公差组要求。
滚刀磨钝标准: 在滚齿时,如发现齿面有光斑、拉毛、粗糙度变坏等现象时,应立即停止使用并交给专人进行复磨滚刀。
滚刀头数: 滚刀头数分为单头及多头滚刀,我厂多采用单头滚刀滚刀旋向:为了切出准确的齿形,应使滚刀和工件处于正确的“啮合”位置,即保证滚刀刀齿的排列方向与齿轮齿槽方向一致齿槽方向一致,从而加工出一定螺旋角的齿轮齿槽。
为此,在加工齿轮前须将滚刀轴线相对于齿轮顶面偏转一定的角度进行安装,该偏转角称为滚刀安装角,滚刀安装角的大小与方向不仅与滚刀的螺旋升角有关,还与被加工齿轮的螺旋角有关。
所以滚刀的安装角计算与调整如图1所示。
为方便记忆可利用下面口诀:“同减异加,右逆左顺”同减异加:是指当滚刀的螺旋升角ω的旋向与齿轮的螺旋角β的旋向相同时,滚刀安装角计算公式取“-”号;当滚刀的螺旋升角ω的旋向与齿轮的螺旋角β的旋向不同时,滚刀安装角计算公式取“+”号。
右逆左顺:是指当加工右旋齿轮时,滚刀逆时针偏转安装角δ;加工左旋齿轮时,滚刀顺时针偏转安装角δ。
图1滚刀:滚刀:滚刀安装后必须检查滚刀轴台径向圆跳动,其跳动公差不得大于表3规定,并且要求两轴台径向圆跳动方向一致。
表3 mm齿轮模数齿轮精度等级7 8 9跳动公差≤10 0.015 0.02 0.04 >10 0.02 0.03 0.05 注:精度等级按第Ⅱ公差组要求注:1、滚刀应轻轻推入刀杆中,严禁敲打,其轴向安装位置应尽量在两支撑点的中间。
2、滚刀装夹前需将内孔端面等各部清理干净。
滚刀调整:滚刀的对中,即要求滚刀中的某一个刀齿(或齿槽)的对称中心线要通过齿坯的中心。
按被加工齿轮精度等级的不同可分别采用如下方法:1、对8级精度以下的滚齿对中可用试切法和垫纸压片尖痕迹法实现。
2、对8级(含8级)精度以上的滚齿对中一般情况下要用对刀规(棒)实现。
此外,精滚滚刀成形主牙应位于径跳最大值的平面内,以便获得理想形状的轮齿齿形。
滚刀安装后:装夹工具:压板、丝杆、螺栓、T型块、螺母、工作台、滚齿胎具等。
注:根据零件尺寸大小选取相对应的滚齿胎具。
滚齿夹具:(要求)滚齿机上安装滚齿夹具时,按表4的要求进行检测:表4 mm 齿轮精度等级检查部位A B C D允许圆跳动公差7 0.015 0.010 0.0050.0158 0.020 0.012 0.0089 0.025 0.015 0.010零件装夹:(装夹方式)利用滚齿胎具及机床附件将齿轮、齿轮轴把紧,便于滚齿加工。
齿轮及齿轮轴装夹方式如下图如示:齿轮(以孔定心)齿轮轴齿轮(以外圆定心,端面定位)注:齿轮装夹:1、齿坯刻有圆线的端面是定位基准面,安装前应先清除油污,飞刺及碰疤等缺陷。
无圆线标记的齿坯,基准面分不清时,严禁上机床加工。
2、齿坯的定位与安装,若采用孔定心、端面定位时必须用专用的定心夹具,夹具心轴的找正按表1执行。
3、齿坏的定位与安装若采用外圆定心、端面定位时,则必须按齿坯的外圆和基准面找正,其找正精度应与零件图各值相吻合。
若齿坯用胎垫垫起,胎垫必须找正。
齿轮轴装夹:齿轮轴的装夹无论是使用弹簧卡具或三爪卡盘,一般卡两端轴颈或卡一端轴颈,另一端顶顶尖孔。
零件装夹:(装夹要求)齿轮:在滚齿机上装夹齿坯时,应将有标记的基面向下,使其与夹具的支承面贴合,不得垫纸或铜皮等物。
压紧之前用表检查齿坯外圆径向跳动和基准端面圆跳动,其跳动公差不得大于表5所规定数值。
表5 mm齿轮精度等级齿轮分度圆直径≤125 125-400 400-800 800-1600 1600-2500 2500-4000齿坯外圆径向跳动和基准端面跳动公差70.018 0.022 0.032 0.045 0.063 0.1008注:1、齿坯压紧后需再次检查,以防压紧时产生变形。
压紧力应通过支撑面,不得压在悬空处。
如下图所示。
9 0.028 0.036 0.050 0.071 0.100 0.160注:1、当三个公差组的精度等级不同时,按最高精度等级确定公差。
2、当以顶圆作基准时,表中的数值就指顶圆的径向跳动。
齿轮轴:齿轮轴找正偏差按表6内各值控制表6L(mm)≤500 500-1000 1000-2000A-B(u)15 25 50 2、齿轮轴装夹好后,还需用90°方向内检查齿顶圆母线与刀架垂直移动的平行度,在100mm长度内不得大于0.01mm。
切削参数:切削用量的拟定,原则上由操作者按本机床给定的范围,并按齿坯材质硬度及模数大小等不同情况选择。
用单头滚刀时推荐采用以下加工规范:滚切次数:模数在20mm以下时,粗滚、精滚各1次模数在20-30mm时,粗滚、半精滚、精滚各1次、切削深度:采用两次滚切时,粗滚后齿厚须留有0.50-1mm的精滚余量。
采用三次滚切时,第一次粗滚深度为全齿深的70%-80%,第二次半精滚齿厚须留有1-1.5的精滚余量。
切削速度:在15-40m/min范围内选取。
进给量:粗滚进给量在0.5-2.0mm/r范围内选取。
精滚进给量在0.6-5mm/r范围选取。
挂轮:一般滚齿机的速度挂轮是专用的,也有的与分齿挂轮,差动挂轮,走刀挂轮通用,如Y31125E。
在滚齿机说明书中都有相应的挂轮表可查,只有差动挂轮,由于螺旋角不同,故经常需要计算。
速度挂轮:滚刀转速N刀根据所选择的切削速度V切及滚刀外径D刀按下式计算:N刀=1000V切/πD刀式中:N刀—滚刀转数转/分V切—滚刀的切削速度(米/分)D刀—滚刀外径根据计算出的N刀值,可按下式求出速度挂轮:I速= A/B=N刀/K速K速为机床速度挂轮定数。
速度挂轮也可以从床说明书中的速度挂轮表中选择。
为防止滚齿机分度蜗轮的过量磨损,破坏机床精度,工作台不能转得太快,有的滚齿机规定了工作台的极限速度,有的规定了加工的最少齿数,因此,滚刀转速选择以后,还要验算一下工作台的转速。
工作台的转速NI按下式计算:NI=N刀×Z刀/ZI(转/分)式中:N刀—实际选用的滚刀转速转/分ZI—工件齿数Z刀—滚刀齿数分齿挂轮:分齿挂轮的选择是根据工件的齿数Z,滚刀的头数Z刀,和机床的分齿挂轮定数K分,按照下式进行计算:I分=a/b×c/d=K分×Z刀/Z1、由计算后数据查表得出挂轮齿数。
2、对得到的数据采用快速逼近法算出挂轮齿数。
差动挂轮:差动挂轮比值的误差直接影响斜齿轮的螺旋角误差(齿向误差),因此,工艺要求差动挂轮计算到小数点后第六位。
差动挂轮按下式计算:I差=a/b×c/d=K差×SIN(β)/Mn×K头式中:K差:滚齿机差动挂轮定数β:齿轮螺旋角Mn:齿轮法向模数K头:滚刀头数挂轮计算:挂轮计算出数值之后,可以采用查表法、辗转相除法及快速逼近法得出我们所需要的佳轮。
1、查表法:根据计算出的I值,直接查表,得出a、b、c、d挂轮的数值。
2、辗转相除法(整商法):由于苦计算复杂,故很少应用。
3、快速逼近法:(1)估算u的近似分数E/F(不要求高度近似);(2)计算u×(E/F),令u×(E/F)=P;(3)对1/IP-1I取整,并令N=int(1/IP-1I);(4)计算u′=E/F×(N±1)/N,其中,P>1时取“+”号,P<1时取“-”号(5)计算传动比误差△u=I u-u′I:(6)令E=E(N±1),F=F・N得近似分数E/F:若步骤5中△u>△u′不能满足加工精度要求,则从步骤2对E/F再逼近一次,直至△u>△u′,满足精度要求为止。
介轮:介轮用来改变挂轮的转动方向,不影响挂轮比值。
当采用一对介轮时,只起连接作用,介轮的齿数可以任意选择。
挂轮安装:计算到挂轮的齿数后,对挂轮、介轮进行安装和调整,安装前检查齿面有无严重磕碰现象,挂轮和轴套、键、垫圈、螺母是否安好,特别是介轮和中间轮的轴套(即安装四个挂轮中的中间两个挂轮b、c用的轴套)要转动灵活,否则,会造成脱轮现象,以致引起工件乱齿,打刀等情况,挂轮间隙应保持在0.15mm左右。
安装好的挂轮如图所示:注:一般操作时,装好挂轮后,先开空车试转,检查滚刀,工件,滚刀架,差动挂轮的主动轮和被动轮的运动方向是否正确,否则增加介轮来修正。
滚齿加工:将机床、滚刀、夹具、工件及各种挂轮都调整好之后,按工艺要求进行加工。