ykx3132m数控滚齿工培训教材.doc
- 格式:doc
- 大小:2.27 MB
- 文档页数:35
YKX3132、YKX3132M数控滚齿工培训教材1、YKX3132、YKX3132M数控滚齿机由重庆机床厂制造,机床的工作原理和主要用途:此机床采用了齿轮滚刀连续分齿的方法圆柱直齿轮、斜齿轮、小锥度齿轮、鼓形齿轮及花键。
此机床是高效型二轴、三轴此机床数控滚齿机。
适用于汽车、拖拉机等大比量加工齿轮的行业使用。
此机床承受重负荷强力切削和高速切削,采用高速钢涂层滚刀滚切,其切削速度可达到V 切=70-120m/ min.机床精度以精滚切齿为准,保证GB10095-2001的6-6-7级精度。
此机床结构简单、钢性好、效率高、操纵简单,具有手动操作和一次、二次方框循环。
2、YKX3132、YKX3132M数控滚齿机操作面板各按钮功能及如何使用;EDIT(或编辑)AUTO:自动MDI:手动数据输入;HNDL:手轮;JOG:手动;ZRN:机床回原点手动手轮进给倍率开关“X10”“X100”3、数控滚齿机各指令功能及使用YKX3132数控滚齿机各指令功能及使用:M03 主电机起动M54向前窜刀M05 主电机停止M10冲屑开M11冲屑关M07 冷却开M56窜刀停止M09 冷却关M02 程序结束M52外支加上升M50 工件夹紧;M53外支架下降M51工件放松YKX3132M数控滚齿机各指令功能及使用:M03 主轴起动M20 外支架下降M05 主轴停止M21外支加上升M07 冷却开M26冲屑开M09 冷却关M27冲屑关M10 工件夹紧;M89排屑开M11工件放松; M89排屑关M33向后窜刀闭M32向前窜刀M35窜刀停止M34自动窜刀M02程序结束4、如何按工艺参数及设备参数正确编制工件加工程序例:某一工件为圆柱斜齿轮,单件产品加工,产品高度50mm;齿数为40齿;机床转速要求320r/min;刀具头数为K=2头,以1.5mm/r进给量加工;切削方式为顺铣。
使用液压夹具。
程序中已知:加工起点:X轴起点为150mm,Z下轴起点为200mm; 加工终点X轴为80mm,以F400速度趋近于工件;Z轴加工终点按产品高度要求计算,串刀时间设置为每一循环后串刀10秒。
YKX3132、YKX3132M数控滚齿工培训教材1 / 352 /35一、数控滚齿机简介1、YKX3132、YKX3132M 数控滚齿机由重庆机床厂制造,机床的工作原理和主要用途:此机床采用了齿轮滚刀连续分齿的方法圆柱直齿轮、斜齿轮、小锥度齿轮、鼓形齿轮及花键。
此机床是高效型二轴、三轴此机床数控滚齿机。
适用于汽车、拖拉机等大比量加工齿轮的行业使用。
此机床承受重负荷强力切削和高速切削,采用高速钢涂层滚刀滚切,其切削速度可达到V 切=70-120m/ min.机床精度以精滚切齿为准,保证GB10095-2001的6-6-7级精度。
此机床结构简单、钢性好、效率高、操纵简单,具有手动操作和一次、二次方框循环。
2、YKX3132、YKX3132M数控滚齿机操作面板各按钮功能及如何使用3 / 35;EDIT(或编辑)AUTO:自动MDI:手动数据输入;HNDL:手轮;4 / 35JOG:手动;ZRN:机床回原点手动手轮进给倍率开关“X10”“X100”3、数控滚齿机各指令功能及使用YKX3132数控滚齿机各指令功能及使用:M03 主电机起动M54向前窜刀M05 主电机停止M10冲屑开M11冲屑关M07 冷却开M56窜刀停止M09 冷却关M02 程序结束M52外支加上升M50 工件夹紧;M53外支架下降M51工件放松YKX3132M数控滚齿机各指令功能及使用:M03 主轴起动M20 外支架下降M05 主轴停止M21外支加上升5 / 35M07 冷却开M26冲屑开M09 冷却关M27冲屑关M10 工件夹紧;M89排屑开M11工件放松; M89排屑关M33向后窜刀闭M32向前窜刀M35窜刀停止M34自动窜刀M02程序结束4、如何按工艺参数及设备参数正确编制工件加工程序例:某一工件为圆柱斜齿轮,单件产品加工,产品高度50mm;齿数为40齿;机床转速要求320r/min;刀具头数为K=2头,以1.5mm/r进给量加工;切削方式为顺铣。
滚齿机床工安全技术操作规程模版第一章总则第一条为了保障滚齿机床工作场所的安全,确保工作人员的人身安全以及生产设备的正常运行,特制定本安全技术操作规程。
第二条本规程适用于滚齿机床工作场所的所有工作人员,包括操作员、维修人员等。
第三条工作人员在滚齿机床工作场所必须遵守本规程的各项规定,执行安全操作程序,保障自身和他人的安全。
第四条管理部门应当定期组织对滚齿机床工作场所进行安全培训,提高工作人员的安全意识和技能。
第五条对于违反本规程的行为,管理部门有权采取相应的纪律和法律措施进行惩处。
第二章工作环境和设备的安全规定第六条滚齿机床工作环境应当保持整洁、无垃圾和杂物,且通风良好。
第七条应当设置专门的消防设备,包括灭火器、消防水带等,并定期检查和维护。
第八条滚齿机床工作区域应当明确划定,设立相应的警示标识,禁止未经许可的人员入内。
第九条工作人员应当佩戴符合安全要求的个人防护用品,如安全帽、劳保鞋、防护眼镜等。
第十条工作台和操作台应当稳固可靠,避免倾斜和晃动,同时应当摆放整齐。
第三章个人安全规定第十一条工作人员在进入滚齿机床工作场所前,应当检查个人是否符合工作要求,如是否饮酒、是否疲劳等。
第十二条工作人员应当按照操作规程正确穿戴个人防护用品,并保持干净整洁。
第十三条工作人员在操作滚齿机床时,应当集中注意力,不得分心或进行非工作相关的活动。
第十四条工作人员不得擅自调整滚齿机床的参数,如速度、压力等,如需调整应当事先取得许可。
第十五条工作人员应当定期参加健康体检,确保自身身体状况适宜进行滚齿机床操作。
第四章操作规程第十六条滚齿机床的启动和停止应当由专业操作人员完成,其他人员不得随意操作。
第十七条操作人员在启动滚齿机床前,应当确认工作区域是否清空,无人员或物体遮挡。
第十八条滚齿机床的运行过程中,操作人员应当密切观察工件和机件的运行情况,如有异常应及时停止。
第十九条作业完成后,操作人员应当将滚齿机床归位,关闭电源,并清理工作区域,保持整洁。
数控滚齿工培训教材数控滚齿工作为一种高精密度的加工技术,具有越来越广泛的应用,成为现代制造业的重要组成部分。
为了提高数控滚齿工作人员的技术素质和水平,提高数控滚齿加工质量,厂家或培训机构均需要编写和使用适合的培训教材。
一、数控滚齿工作的特点数控滚齿工作是一种非常精细的加工过程,需要使用数控滚齿机或滚齿车进行。
数控滚齿工作需要掌握多种机械知识和技能,例如机床操作、切削加工、工艺技术、测量检验等。
数控滚齿工作的重要特点包括:1.高精度。
数控滚齿工作需要达到较高的精度,通常要求达到毫米或微米级别的准确度。
2.复杂性。
数控滚齿工作需要精确计算和控制多个参数,例如滚齿深度、滚齿角度、滚齿直径等。
3.技术含量高。
数控滚齿工作需要打磨摆锤、刀具、冷却液等多个因素,技术含量相对较高。
4.安全性高。
数控滚齿工作需要遵循多项安全标准,例如保护设备、杜绝交通事故等。
二、数控滚齿工培训教材为了使数控滚齿工作人员能够掌握必要的技术和知识,并顺利操作数控滚齿机进行加工,他们需要相应的培训教材。
以下是数控滚齿工人员参考的一些重要教材:1.切削工艺与数控滚齿技术。
这是一本一主要介绍数控滚齿工艺和相应技术知识的教材。
本书通俗易懂,并附有多个实用案例和技巧。
2.数控滚齿机操作技术。
这是一本重点介绍数控滚齿机操作技术及其要求的教材。
本书详细介绍了如何进行机床调试、测量和检测,以及如何识别和解决常见问题。
3.数控滚齿水平考试试卷。
这是一份重点培训数控滚齿工人水平的标准试卷。
该试卷分为理论部分和实践部分,包含了常见的数控滚齿技术、机床操作、电气控制等多个方面的题目。
4.数控滚齿实操手册。
这是一本实践操作的教材,重点介绍了如何进行针对性训练和实操。
本书分为初级、中级和高级三个部分,每个部分都针对不同的操作难度程度进行了详细的指导。
三、教材编写与推广数控滚齿工作人员需要通过多种培训渠道进行培训,并使用适合的教材。
数控滚齿工作培训机构和数控滚齿设备厂商可以根据实际需求和要求编写相应的教材,并将其推广至有需要的机构和个人。
数控操作工人培训教程集团公司工人培训教材目录说在前面第一章:数控机床概论第一节:从人自身来认识电脑第二节:普通意义上的计算机第三节:计算机中常用的进制和编码方法第四节:个人电脑的基本知识第五节:广义的计算机系统及应用第六节:数控机床的概念及其基本特点第七节:如何学好数控设备知识第二章:数控机床的基本构成第一节:数控机床的控制结构第二节:数控系统第三节:执行机构第四节:步进电机第五节:直流伺服电机第六节:交流伺服电机第七节:驱动控制系统第八节:测量反馈系统第九节:基本外设第十节:位置随动系统的流程结构第三章:数控编程原理及规范第一节:基本编程规范第二节:准备机能--G指令第三节:辅助机能--M指令第四节:刀具机能与刀具的管理--T指令第五节:主轴机能--S指令第六节:一个小的程序实例第四章:数控系统的参数系统第一节:参数系统的作用第二节:参数的结构类型第三节:FANUC系统机床参数解析§3-1.FANUC-15系统的参数概览§3-2.设定参数§3-3.定时器参数§3-4.轴控制参数§3-5.坐标系参数§3-6. 进给率参数§3-7.加/减速参数§3-8.伺服参数§3-9.DI/DO相关参数§3-10. CRT/MDI及编辑参数§3-11.编程参数§3-12.行程限位参数§3-13.位置开关功能参数§3-14.参考标记参数§3-15.直线度补偿§3-16.刀具补偿参数§3-17.标度及坐标旋转参数§3-18.用户宏命令参数§3-19.与维修相关的参数第四节:SIEMENSE 840C的参数系统简介第五节:FANUC系统参数的输入方法第六节:SIEMENSE 840C系统的数据管理第五章:数控系统的诊断系统及使用、维护第一节:故障报警系统简介第二节:FANUC典型系统的故障报警介绍第三节:SIEMENSE 840C的报警系统第四节:诊断技术第五节:操作及保养注意事项第六章:数控机床的机械结构第一节:总体结构第二节:进给系统第三节:刀架和刀库系统第四节:主轴系统第五节:机械系统调整及注意事项第七章:数控机床的实用编程技术第一节:复杂的程序结构第二节:变量第三节:坐标系编程第四节:坐标值和尺寸第五节:插补功能第六节:进给功能第七节:参考点返回第八节:主轴功能第九节:固定循环第十节:刀具功能第十一节:用户宏和子程序第十二节:参数的编程输入第十三节:辅助功能第十四节:G代码一览第十五节:加工程序实例分析第十六节:程序的键盘输入方法第八章:数控机床的操作与工艺调整第一节:操作键盘及CRT操作平台的一般结构第二节:机床的典型加工操作方式第三节:数控机床与工艺调整相关的参数第四节:位置基准的调整方法第五节:机械间隙的测量和参数设置第九章:数控系统中常用的操作英语数控操作工人培训教程说在前面随着计算机技术和自动控制理论的高速发展,以计算机技术为核心的自动控制系统在设备上的应用也越来越广泛。
第三节 YM5150A 插齿机插齿机可加工内、外啮合的圆柱直齿轮,尤其是适合加工内齿轮和多联圆柱直齿轮。
一、插齿机的传动原理图插齿机的加工原理类似一对啮合的圆柱直齿轮,一个是齿坯,另一个是插齿刀(端面具有切削刃的齿轮形刀具),按照展成法加工。
插齿原理及插齿机传动原理图如图3-10所示。
插齿刀的沿齿坯齿向的往复运动A2为主运动,由偏心轮的曲柄驱动,通过调整曲柄偏心距改变插齿刀的插齿行程;插齿刀往复运动A2为间接动力源,驱动插齿刀旋转运动B11的传动链为圆周进给链,圆周进给量为/r A2;插齿刀的旋转运动B11为间接动力源,驱动齿坯旋转的传动链为展成运动链,展成运动链为内联系传动链,其传动联系为zz i 0=ω 式中:z z 、0——插齿刀、齿坯的齿数。
二、YM5150A 插齿机传动系统YM5150A 精密插齿机是在Y5150A基础上通过提高关键零部件的制造精度而成的。
主a)b)图3-10 插齿原理及插齿机传动原理图a) 插齿原理 b) 插齿机传动原理图vi fi ωi要用于加工内、外齿、直齿圆柱齿轮、多联齿轮、轴齿轮。
传动系统如图3-11所示。
1. YM5150A 插齿机主运动链YM5150A 主电动机为Y112M-4,额定功率kW 4,额定转速m in /1440r ,运动经同步带传递到离合器YL1,经主运动链变速机构至曲柄盘,带动插齿刀轴向运动;由粗加工变为精加工时,离合器YL1使插齿刀轴向运动速度自动提高58.1倍。
主运动链传动路线为——300100min /14404电动机r kW 曲柄盘—⎥⎥⎥⎦⎤⎢⎢⎢⎣⎡⨯⎥⎦⎤⎢⎣⎡⨯⎥⎦⎤⎢⎣⎡47/4353/3759/3143/3257/1831/4940/40 插齿刀每分钟的往复冲程数为⎥⎥⎥⎦⎤⎢⎢⎢⎣⎡⨯⎥⎦⎤⎢⎣⎡⨯⎥⎦⎤⎢⎣⎡⨯⨯=47/4353/3759/3143/3257/1831/4940/403001001440l n大径向进给量粗加工时,离合器YL1的传动比40/4011=L i ,插齿刀每分钟的冲程数列为33025019014010680小径向进给量精加工时,离合器YL1的传动比31/4912=L i ,插齿刀每分钟的冲程数列为520400300220170126即主运动链的变速机构共有两个变速组,形成六级插齿刀的轴向往复运动等比数列。
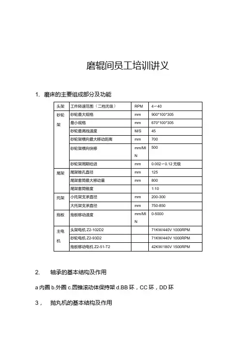
磨辊间员工培训讲义1, 磨床的主要组成部分及功能2, 轴承的基本结构及作用a内圈b.外圈c.圆锥滚动体保持架d.BB环,CC环,DD环3,抛丸机的基本结构及作用1•抛射室:轧辊进行抛丸的空间区域2•抛丸器:使钢砂加速到一定速度打到辊面上,使轧辊具有一定的粗糙度3•钢丸收集室:轧辊毛化时,钢砂掉到格栅上,落到抛射室底部的螺旋输送器处,钢砂积累在此4•螺旋输送机:将钢砂水平的送到斗式提升机处•5•斗式提升机:以螺旋输送器汇集来的钢砂,经其将钢砂垂直送到顶部•6•风洗式分离器:分离不同粒度的钢砂,灰尘混合物.7•旋振筛:利用振动电机的振动来筛分不同粒度的钢砂8•钢砂储料仓:储存的钢砂,保证抛丸时钢砂足量•9•除尘器:抛丸时,抛丸室里的钢砂在循环过程中发生的粉尘,经吸风罩和空气输送管道进入惯性沉降室,分离粉尘•10•轧辊驱动小车:承载轧辊进出抛丸室,抛丸时使轧辊旋转•4,轧辊的磨削方法及基准5,事故轧辊的处理方法工作辊及中间辊1. 般为轧制中发生压偏,因钢板局部叠层造成轧辊表面出现白色肋印2. 首先用肉眼确认受损程度,再将事故辊进行整个辊面磨削0.3mm,磨削完后对事故部位作一次涡流探伤确认,直到全部处理完后再进行正常磨削1. 首先用肉眼对裂纹进行确认,再对事故部位进行局部套沟,用磁粉探伤法进行确认,直到裂纹全部磨削宀完.2. 对整个辊面实施磨削,直到辊面直径全部一致后再进行正常磨削1. 对表面所粘铁皮用其它工具最大限度去除.2. 移入磨床,对整个辊面实施磨削,全面去除表面铁皮.3. 用肉眼确认掉肉或裂纹最严重部位,并记录位置.4. 对裂纹最严重部位实施局部磨削,并使用磁粉探伤法进行确认.5. 局部探伤正常的轧辊进行全面磨削至直径一致6. 对探伤后正常的轧辊再进行正常磨削支撑辊1. 在肋痕发生的状况下,如继续使用,因加工硬化局部发黑,最终发生裂纹.2. 对肋痕发生的支承辊实施全面磨肖U,将肋痕全部消除后再正常磨削。
数控车床实训实用手册(中高级培训)目录一、数控机床安全操作规程项目一:一把刀的编程项目二:一把刀的编程项目三:三把刀的编程用G71项目四:三把刀的编程用G71项目五:三把刀的编程用G73项目六:三把刀的编程用G73项目七:调头加工项目八:调头加工项目九:特殊外形的加工项目十:特殊外形的加工项目十一:椭圆的加工项目十二:椭圆的加工项目十三:椭圆的加工项目十四:椭圆的加工项目十五:椭圆的加工项目十六:抛物线的加工项目十七:内孔的加工项目十八:配合件的加工项目十九:中级技能鉴定项目二十:高级技能鉴定二、数控车床对刀方法(附视频)一、数控机床安全操作规程1、进入数控实训场地后,应服从安排,不得擅自启动或操作数控机床。
2、按规定穿戴好劳动保护用品,统一工作服、戴好工作帽、戴好防护眼镜。
3、不准穿高跟鞋、拖鞋上岗,严禁戴手套和围巾进行操作。
4、工件、刀具装夹牢固可靠、卡盘扳手、刀架扳手应随时取下。
5、刀架在运动(包括手动、自动和换刀)时仔细观察,不准与机床其他部分相撞。
6、操作数控机床时,严禁两人同时操作,一人操作,其他人观察。
7、开机床前,应仔细检查机床各部分是否完好,各传动手柄、变速手柄的位置是否正确,还应按要求对数控机床进行润滑保养。
8、操作数控系统面板时,对各键及开关的操作不得用力过猛,更不允许用扳手或其他工具进行操作。
9、完成对刀后,要做模拟加工试验,以防止正式操作时,发生撞坏刀具、工件或设备等事故。
10、在数控车削过程中,因观察加工过程的时间多于操作时间,所以一定要选择好操作者的观察位置,不允许随意离开实训岗位,以确保安全。
11、自动运行加工时,操作者应集中思想,左手指应放在程序停止按钮上,眼睛观察刀尖运动情况,右手控制修调按钮,控制机床刀架运行速率,发现问题,及时按下复位按钮,以确保刀具和数控机床安全,防止各类事故发生。
12、实训结束时,除了按规定保养数控机床外,还应认真做好交接班工作,必要时应做好文字记录。
金华职业技术学院机械零件加工(铣)实训指导书章跃洪编写二OO九年九月课题一数控铣床基本操作一.面板操作1.如何开机?机床开关,CNC开关,急停开关。
(关机相反)2.如何加油?3.如何回零?通常先回Z再回X、Y。
4.手轮如何使用?(注意进给方向与手轮倍率)5.手动方式下如何改变刀具移动速度?进给倍率↑、进给倍率↓(10%、20%……150%)快速倍率:F0、25%、50%、100%(初学置于25%)6.开机后如何设置一个主轴转速?MDI(录入)→程序→S××输入→循环启动7.手动方式下如何改变主轴转速?8.录入方式下如何操作?MDI(录入)→程序→指令输入→循环启动9.编辑方式下如何建立一个新程序?或打开一个已有程序?删除一个已有程序?建立:O××××,插入(或EOB)。
打开:O××××,下光标。
删除:O××××,删除。
10.如何输入、修改、删除程序字?11.如何检索程序或字?先输入要检索的程序或字,按下光标。
(上光标)12.通过哪些方式可以进行调试程序?13.自动方式下如何启动、暂停、中止加工程序?14.自动方式下如何对进给速度、快速速度及主轴转速进行调整?15.遇到撞刀等紧急情况,如何处理?按急停练习程序:(也可以自编)O0001;N10G90G40G69G15 N20G91G28G00Z00;N30 M03 S500;N40G90X20Y20.;N50G43Z5H1;N60G01Z-5F100N70X-20N80Y-20;N90X20.;N100Y20;N100G91G28G00Z00N110M05;N120M30;位置程序刀具偏置换档取消输入系统信息图形修改插入删除上页下页帮助复位课题二工件安装图所示长方体工件,编程坐标(工件坐标)原点在长方体的顶面中心位置,长度方向为X方向,宽度方向为Y方向,高度方向为Z方向。
YKX3132、YKX3132M数控滚齿工培训教材1 / 482 / 48一、数控滚齿机简介1、YKX3132、YKX3132M 数控滚齿机由重庆机床厂制造,机床的工作原理和主要用途:此机床采用了齿轮滚刀连续分齿的方法圆柱直齿轮、斜齿轮、小锥度齿轮、鼓形齿轮及花键。
此机床是高效型二轴、三轴此机床数控滚齿机。
适用于汽车、拖拉机等大比量加工齿轮的行业使用。
此机床承受重负荷强力切削和高速切削,采用高速钢涂层滚刀滚切,其切削速度可达到V 切=70-120m/ min.机床精度以精滚切齿为准,保证GB10095-2001的6-6-7级精度。
此机床结构简单、钢性好、效率高、操纵简单,具有手动操作和一次、二次方框循环。
2、YKX3132、YKX3132M数控滚齿机操作面板各按钮功能及如何使用3 / 48;EDIT(或编辑)AUTO:自动MDI:手动数据输入;4 / 48HNDL:手轮;JOG:手动;ZRN:机床回原点手动手轮进给倍率开关“X10”“X100”3、数控滚齿机各指令功能及使用YKX3132数控滚齿机各指令功能及使用:M03 主电机起动M54向前窜刀M05 主电机停止M10冲屑开M11冲屑关M07 冷却开M56窜刀停止M09 冷却关M02 程序结束5 / 48M52外支加上升M50 工件夹紧;M53外支架下降M51工件放松YKX3132M数控滚齿机各指令功能及使用:M03 主轴起动M20 外支架下降M05 主轴停止M21外支加上升M07 冷却开M26冲屑开M09 冷却关M27冲屑关M10 工件夹紧;M89排屑开M11工件放松; M89排屑关6 / 48M33向后窜刀闭M32向前窜刀M35窜刀停止M34自动窜刀M02程序结束4、如何按工艺参数及设备参数正确编制工件加工程序例:某一工件为圆柱斜齿轮,单件产品加工,产品高度50mm;齿数为40齿;机床转速要求320r/min;刀具头数为K=2头,以1.5mm/r进给量加工;切削方式为顺铣。
数控滚齿工培训教材数控滚齿工是现代制造业中不可或缺的职业,他们的作用主要是利用数控设备制作各种机械齿轮。
随着科技的发展,数控滚齿工的职业也需要不断的学习和更新,所以目前有很多关于数控滚齿工培训教材的出版。
数控滚齿工培训教材的必要性对于一名数控滚齿工来说,了解数控滚齿技术的原理和操作非常关键。
因此,一份完善的培训教材是必不可少的,它不仅是工人们学习的基础资料,也可以提供一些实用的操作建议和技巧,帮助学生更好的掌握数控滚齿技术。
此外,职业技术教育的目标在于培养学生掌握专业技能和职业技术,实现就业,所以一份完善的培训教材对于提高学生的技能水平和就业竞争力非常重要。
数控滚齿工培训教材的内容数控滚齿工培训教材的内容主要涵盖以下几个方面:第一,数控滚齿工的基本知识和原理,包括齿轮基础知识、滚刀加工原理、滚齿机等,这一章节的内容是学生了解数控滚齿技术的基础,为后续章节的操作打下基础。
第二,数控滚齿的工具和设备,这里包含了生产滚刀的设备和生产各种规格齿轮的设备。
学生通过本章的学习,可以了解到数控滚齿需要的各种工具和设备,为之后的操作提供了便捷。
第三,数控滚齿的加工技术,这是学生最为关注的章节,各种加工技术的讲解是本书最为重要的部分。
通过本章的学习,数控滚齿工可以了解到各种齿轮的加工技术以及目前主流数控滚齿加工技术的操作。
第四,数控滚齿工艺和质量管理,学生能够了解到数控滚齿的工艺流程,以及各种齿轮的质量管理方法。
第五,实际操作,实践操作是学习获得技能的最好的方法。
在本章中,包含了各种实例和案例的操作指导,学生可以通过真实的案例操作来锻炼自己的技能。
数控滚齿工培训教材的评价一份优秀的数控滚齿工培训教材应该符合以下标准:第一,内容全面、详实。
数控滚齿工作的每一个环节都应该得到详细的介绍,以便学生掌握。
第二,图文并茂。
数控滚齿工是一项操作性非常强的职业,图文并茂的教材会更容易让学生了解操作步骤和技巧。
第三,实用性强。
教材中所涵盖的知识应该贴近实际,符合市场需求,而且要能够让学生在实践中得到真正的提升。
滚齿机床工安全技术操作规程模版一、规程目的本规程旨在保障滚齿机床工操作人员的安全,并规范日常操作,预防意外事故的发生,确保生产安全。
二、适用范围本规程适用于滚齿机床工操作人员和相关负责人。
三、基本原则1. 安全第一:安全永远是第一位的原则,操作人员在操作过程中要始终保持安全意识。
2. 预防为主:通过完善的预防措施和操作规范,预防事故的发生。
3. 责任明确:明确岗位责任和权利,落实岗位责任制。
四、操作前准备1. 检查设备:操作人员在每次操作前必须对滚齿机床进行设备检查,确保设备完好无损。
2. 穿戴防护装备:操作人员应按照规定穿戴好安全帽、防护眼镜、耳塞、防护服等相应的防护装备。
3. 熟悉操作规程:操作人员应熟悉滚齿机床的操作规程和相关安全操作要求,确保操作正确无误。
五、操作规范1. 操作前确认:操作人员在操作滚齿机床前应确认设备处于停止状态,并将其锁定,切断电源。
2. 控制开关:操作人员在操作滚齿机床时,应熟悉控制开关的位置和使用方法,确保能够及时切断电源。
3. 空载试运转:在正式操作前,应进行空载试运转,检查滚齿机床的运行状态是否正常。
4. 加工物料放置:操作人员在放置加工物料时,要保证其稳定,防止滚齿机床运行过程中发生意外。
5. 定位固定:在进行加工操作时,应将加工物料进行合适的定位和固定,确保加工精度和安全。
6. 加工速度控制:在进行加工操作时,操作人员应控制好加工速度,避免过快导致意外事故的发生。
7. 清洁维护:操作人员在操作完成后,要及时清洁和维护滚齿机床,保持设备的良好状态。
六、操作注意事项1. 禁止操作疲劳:操作人员在疲劳状态下禁止进行滚齿机床的操作。
2. 禁止修改设备:操作人员禁止擅自修改滚齿机床的任何零部件,确保设备的正常运行。
3. 禁止擅自维修:操作人员在不具备相关维修技能和知识的情况下,禁止擅自进行滚齿机床的维修。
4. 禁止擅自开机:操作人员禁止擅自开机操作滚齿机床,必须经过相关负责人批准后方可操作。
YKX3132、YKX3132M数控滚齿工培训教材一、数控滚齿机简介1、YKX3132、YKX3132M数控滚齿机由重庆机床厂制造,机床的工作原理和主要用途:此机床采用了齿轮滚刀连续分齿的方法圆柱直齿轮、斜齿轮、小锥度齿轮、鼓形齿轮及花键。
此机床是高效型二轴、三轴此机床数控滚齿机。
适用于汽车、拖拉机等大比量加工齿轮的行业使用。
此机床承受重负荷强力切削和高速切削,采用高速钢涂层滚刀滚切,其切削速度可达到V 切=70-120m/ min.机床精度以精滚切齿为准,保证GB10095-2001的6-6-7级精度。
此机床结构简单、钢性好、效率高、操纵简单,具有手动操作和一次、二次方框循环。
2、YKX3132、YKX3132M数控滚齿机操作面板各按钮功能及如何使用;EDIT(或编辑)AUTO:自动MDI:手动数据输入;HNDL:手轮;JOG:手动;ZRN:机床回原点手动手轮进给倍率开关“X10”“X100”3、数控滚齿机各指令功能及使用YKX3132数控滚齿机各指令功能及使用:M03 主电机起动M54向前窜刀M05 主电机停止M10冲屑开M11冲屑关M07 冷却开M56窜刀停止M09 冷却关M02 程序结束M52外支加上升M50 工件夹紧;M53外支架下降M51工件放松YKX3132M数控滚齿机各指令功能及使用:M03 主轴起动M20 外支架下降M05 主轴停止M21外支加上升M07 冷却开M26冲屑开M09 冷却关M27冲屑关M10 工件夹紧;M89排屑开M11工件放松; M89排屑关M33向后窜刀闭M32向前窜刀M35窜刀停止M34自动窜刀M02程序结束4、如何按工艺参数及设备参数正确编制工件加工程序例:某一工件为圆柱斜齿轮,单件产品加工,产品高度50mm;齿数为40齿;机床转速要求320r/min;刀具头数为K=2头,以1.5mm/r进给量加工;切削方式为顺铣。
使用液压夹具。
程序中已知:加工起点:X轴起点为150mm,Z下轴起点为200mm; 加工终点X轴为80mm,以F400速度趋近于工件;Z轴加工终点按产品高度要求计算,串刀时间设置为每一循环后串刀10秒。
按以上要求计算并编制完整程序,(注:程序号可自行设置,各指令及功能需加入适当位置)此例没有给出模数、齿形角、螺旋角、变位系数等参数。
文档内容有些地方还有错误,但不多。
解:已知:由单件产品高度为50mm,采用顺铣加工方法且Z轴起点为200mm可得Z轴加工终点为Z上=200+50=250mm,并由题意计算出F=320*2*1.5/40=24,该工件完整程序编辑如下:YKX3132数控滚齿机程序编辑O****G98;M53;M50;M03 S320;M07;G00 X150;G00 Z200;G01 X80.0 F400;G01 Z250.0 F24;G00 X150;G00 Z200;M9;M5;M52;M51;M54; G4 X10;M56;M025、如何正确安装滚刀安装刀杆:选择平整的滚刀垫片,检查串刀行程位置和工件中心将滚刀对中安装,安装刀杆拖柄时应注意两端的卡环不能和端盖磨擦,两端要留间隙;6、如何正确校调滚刀轴台跳动调整可调垫,将最低点稍稍扭紧,高点旋松,校至0.01mm之内为好,注意可调垫不能过份扭紧,且每次换刀进行重新安装刀具时须将可调垫上的螺帽旋松,以保证其平行度。
7、如何正确安装滚刀刀杆将刀杆安装锥孔和锥度部擦拭干净并检查无磕碰高点后,将刀杆装入锥孔,再用螺杆旋紧,刀杆不能旋得过紧。
8、如何正确调整刀架角度当滚刀旋向和工件旋向相同时,刀架角度=工件螺旋角-刀具螺旋角;当滚刀旋向和工件旋向相反时,刀架角度=工件螺旋角+刀具螺旋角;双模数滚刀刀架角度应根据刀具制造商具体情况来定。
9、如何正确安装工装:将工装各端面和工作台面擦拭干净,并去除毛刺后将工装底座安装在机床工作台面上,根据工装设计结构安装,按工艺要求校调工装端跳和径跳。
10、如何正确安装挂轮安装挂轮前应检查各挂轮有无磕碰、崩缺等损伤,挂轮啮合间隙应在0.15mm左右为宜,不得有卡死,挂轮轴需紧固,检查挂轮架螺栓是否旋紧,扣好挂轮防松簧卡子,插好各润滑油管。
二、滚齿机操作规程介绍YKX3132、YKX3132M数控滚齿机操作规程开机检查:1、开机前,先回参考点,观看指示灯是否有亮,检查各油压表压力是否正确。
系统压力为2.0-2.5Mpa,润滑压力为0.4 -0.7Mpa,集中润滑压力为1.5-2.5Mpa,工件夹紧压力为1.2-1.5 Mpa,检查冷却油箱油量指示是否足够,冷却油箱过滤网和过滤磁铁是否有铁屑堵塞,检查液压油位是否达到2/3满。
各系统之油箱请按规定时间更换。
2、检查挂轮箱里的传动挂轮是否有磕碰和损伤及搭配间隙是否在0.1-0.2mm;挂轮锁紧卡是否紧固。
3、检查刀具串刀行程位置调整是否适当。
4、手动状态检查机床各动作是否能执行,如工作台运转是否正常,主轴运转是否正常,刀架快速上下是否灵活,顶尖上下是否灵活,工件是否能夹紧松开等。
5、每班加产品前空运行机床5-10分钟,观察机床是否有无异响、异味等。
6、确认各操作门及维护门是否已关闭。
7、检查安全防护罩是否完整。
加工产品:1、首件产品试加工之前,必须检查程序号是否正确。
2、确认程序无误后,关好机床防护门,将方式选择开关置于AUTO位置进行循环启动加工工件,注意在启动前需将进给倍率放慢至50%之内首件产品试加工时,应随时观察滚刀运行情况是否正常,在刀具离工件约20—30mm时应按暂停键,然后查看机床显示数据与实际是否相符,再决定下一步骤继续或停止。
3、加工时最好做两刀加工,以验证X绝对值尺寸,粗切第一次走刀结束后,用公法线千分尺测量并计算第二次走刀余量。
将方式选择开关置于EDIT,编辑好第二次进给数值并注意小数点的输入。
将方式选择开关置于AUTO进行第二次循环加工工件至工艺要求尺寸。
操作设备:1、装好产品启动加工时,必须观察滚刀与产品滚切正常时,才可以操作另外一台设备。
2、修改尺寸时,应注意小数点的输入,以免输入错误而产生撞刀,损坏机床。
3、加工过程中要随时巡查机床的运转情况,观察机床是否有异响、异味、冒烟等情况,发现异常时应立即停机检查并报修机床。
4、随时保持机台、操作箱面板按键附近的干燥程度。
加工产品过程中禁止打开防护门用手触摸工件、滚刀等,机床必须完全停止后才可以安装第二对产品,女员工头发必须盘起及带上发网,禁止酒后操作机床。
首件产品检测:工艺要求各项内容进行首件产品检验:齿数、W值、M值、Fr 、Fw及齿根圆直径、螺旋角方向,对照样件检查粗糙度,观查产品是否滚至有效长度。
送检齿形齿向。
三、滚齿工艺图纸的识读1、齿数:齿轮轮齿的个数。
用Z表示2、模数:衡量轮齿大小的基本参数。
用m表示。
单位mm3、分度圆:为了设计和制造的方便而规定的一个参考圆。
用d表示其直径。
单位mm4、压力角:齿廓曲线上受力方向与运动方向的夹角。
用α表示5、螺旋角:齿向与轴线相交的一个角度。
用β表示。
β=0就是直齿。
6、齿顶圆:过齿轮各齿顶端所作的圆。
7、齿根圆:与齿轮各轮齿的齿槽底部相切的圆。
齿根圆要用游标卡测量。
8、全齿高:齿顶圆与齿根圆之间的径向距离。
反映了刀具从齿顶圆切到齿根圆所需要的进刀总量,是首件产品加工调整机床的重要参数。
9、齿厚:在任意圆周上,一个轮齿的两侧齿廓间的弧线长。
10、齿距:在任意圆周上,相邻两齿同一侧齿廓间的弧线长。
用p表示11、公法线平均长度:在齿轮一周内,测量四次以上公法线长度的平均值。
评估齿厚的一种常用的检测方法12、公法线变动量:在齿轮一周内,测量四次以上公法线长度的最大值与最小值的差。
评估齿轮轮齿分度误差的一种常用检测方法。
13、跨棒距:评估齿厚的一种常用的检测方法。
14、齿圈径向跳动:在齿轮一周范围内,测头在齿槽内,于齿高中部双面接触,测头相对于齿轮轴线的最大变动量。
用Fr表示齿圈径向跳动是评估工件在加工时是否装夹偏心,是反映工装是否校正的重要参数。
15、齿面粗糙度:跟样件对比,目测。
要经常目测齿面是否有异常划伤、挖切、移位等现象。
16、齿顶倒角量:齿顶两侧的倒角量。
要经常目测齿顶是否倒角太小或太大变尖的现象。
四、滚齿关键工序的作用和基本工艺要求滚齿:在齿坯进行切出齿槽,并在齿轮两侧面留精加工余量。
齿形精度:M值、齿根圆直径、齿圈径跳、公法线变动量、齿形公差、齿向公差和齿距偏差. 粗糙度:齿面粗糙度。
五、滚齿工序的关键尺寸有哪些?在加工时控制不好易产生哪些质量问题?且如何防止?滚齿M值:超大差--降低剃齿刀的使用寿命;超小差;------ 剃不光、产生废品在保证能剃亮的情况下,M值越小越好。
齿圈径跳超差:剃齿公法线变动量超差;公法线变动量超差:总成噪音大,甚至齿轮咬死;齿形、齿向超差;影响剃齿质量齿面粗糙度超差:剃不光齿轮啮合强度降低;齿圈径跳、公法线变动量和齿距累积误差;影响齿轮传动的准确性;齿形和齿距偏差:影响齿轮传动的平稳性齿向:影响齿轮传动载荷分布的均匀性齿面粗糙度超差原因:切削三要素调整不当;刀具磨损或烧伤、有积瘤;刀具刃磨质量不好;冷却不充分,排屑不畅;工件材质太软;滚刀转速选择不当;齿形、齿向超差原因齿形超差:刀具刃磨质量差;刀体身齿形超差;刀具安装不对中或轴台径跳、端跳超差、窜动;滚刀窜刀窜过了头至两面边不成形;材质过软,有积瘤和粘刀。
齿向超差:差动挂轮的计算误差大;刀架的调整角度不正确;工件未夹紧,被啃切;加工细长轴齿或类似齿轮时,工件弯曲;插齿机斜导轨导程误差过大;插齿刀行程调整不合理;顶尖中心与工件回转中心不重合公法线变动量超差原因:机床蜗轮副传动间隙大;影响工作台传动上的齿轮副的传动误差过大;分齿挂轮齿面有严重磕碰或挂轮咬合的太松或太紧径向跳动超差原因:工装拉杆与定心孔间隙大,拉杆头部、端面跳动大;工装定位端面跳动、定位心轴、定位内孔跳动超差;机床顶尖与工装回转中心不同心;工件内孔与心轴间隙过大;工件和工装定位端面有铁屑、磕碰、毛刺等影响定位精度。
M值超差原因:M值量球达不到工艺要求;千分尺损坏有误差,机床刻度盘的复位精度差;测量时跨错齿;通用量检具精度较差;操作调整错误或测量错误等;六、滚齿关键工序在工艺上与上下道工序有什关联精车内孔超差:超小差:无法加工,超大差:齿圈径跳超差,剃齿公法线变动量超差. 精车端跳超差。
齿圈径跳超差:剃齿公法线变动量超差 .轴类中心孔破坏。
正火硬度不均匀:齿面粗糙度超差,剃齿齿面剃不光,总成噪音大。
七、滚齿关键工序如加工不好会对装配造成什么影响齿圈径跳超差公法线变动量超差:剃齿公法线变动量超差影响总成噪音齿形齿向超差齿面粗糙度超差:剃齿剃不光或齿形齿向超差,影响总成噪音齿顶倒棱超差; 超小差--齿顶易产生磕碰或剃齿后有锋边影响总成噪音;超大差--有效啮合长度降低、影响承载能力齿根圆直径超差:超小差--齿轮强度降低;超大差—齿轮啮合时产生干涉,甚至咬死倒锥齿齿侧角超差:影响换档性能八、滚齿FMEA九、滚齿潜 在 失 效 模 式 及 后 果 分 析机床型号:YKX3132 YKX3132M YKX3120A YXA3132 YBA3132 Y3150E YB3120 YB3120A/JK1 RA-200十、齿形齿向检测图详解齿形误差:(F f)在有效齿形面上,包容实际齿形的两条最近设计齿形间的法向距离。