高速脉冲原点返回指令说明
- 格式:doc
- 大小:593.00 KB
- 文档页数:4
FX3U·FX3UC定位(dìngwèi)指令(zhǐlìng)一览一、原点回归(huíguī)指令一、停止(tíngzhǐ)指令在一般的STOP动作(dòngzuò)(减速停止)中,使用[指令的OFF]或者[正转极限标志位和反转极限标志位]。
在为了避免危险而要求立即停止的场合,请使用脉冲停止标志位。
但是,如果在定位指令的执行过程中将脉冲输出停止标志位置ON,那么脉冲输出立即停止。
因此有电机立即停止、设备损坏的危险。
二、指令执行结束标志位、指令执行异常结束标志位三、FNC157-PLSV可变速脉冲输出执行PLSV指令一次,则D1中脉冲量以S1的频率从D2输出。
四、传送(chuán sònɡ)指令将软元件的内容传送(chuán sònɡ)到其他的软元件中的指令。
例子(lì zi):成组位软元件(yuánjiàn)的传送:例子(lì zi):五、四则逻辑运算DIV除法指令是将S1制定的常数或源元件中的二进制数作为被除数,除以S2指定(zhǐdìng)的常数或源元件中的二进制除数,商送到指定的目标元件D中去,榆树送到目标元件D+1 的元件中。
内容总结(1)FX3U·FX3UC定位指令一览原点回归指令一、停止指令在一般的STOP动作(减速停止)中,使用[指令的OFF]或者[正转极限标志位和反转极限标志位](2)在为了避免危险而要求立即停止的场合,请使用脉冲停止标志位(3)但是,如果在定位指令的执行过程中将脉冲输出停止标志位置ON,那么脉冲输出立即停止。
plc原点回归指令程序
PLC原点回归指令是用于将执行机构的当前位置归零的指令。
原点回归指令通常用于以下场景:
●设备启动时,需要将执行机构归零。
●设备发生故障后,需要将执行机构归零。
●需要重新设置执行机构的位置。
PLC原点回归指令的语法如下:
1.ZRN[S1 S2]
2.S1:原点回归速度,单位为脉冲/秒。
3.S2:爬行速度,单位为脉冲/秒。
ZRN指令的执行过程如下:
●执行机构以S1速度向原点方向运动。
●当执行机构遇到限位开关时,将速度减小到S2。
●执行机构继续向原点方向运动,直到限位开关复位。
●执行机构停止运动,并将当前位置归零。
脉冲输出功能本章节是对有关FP∑输出功能作了介绍脉冲输出功能的概述用到的指令和操纵器利用FP∑的脉冲输出功能,能够操纵脉冲串输入形式的电机驱动器,来实现定位操纵。
专用指令F171(SPDH)能够依照设置的初始速度、最大速度、加/减速时刻和目标值,自动输出所要求的脉冲,实现梯形起落速的定位操纵。
专用指令F171(SPDH)还能实现自动回原点功能。
专用指令F172(PLSH),能够实现点动(JOG)的脉冲输出。
目标值也能够被设置,以便脉冲输出能在目标值匹配时停下来。
专用指令F174(PL0H),能实现脉冲输出和数据表一致,以便定位操纵依照数据表来工作。
专用指令F175(SPSH),能实现线性插补操纵。
通过指定合成速度,加/减速时刻和目标值,这条指令利用线性插补操纵实现脉冲输出。
专用指令F176(SPCH),能实现圆弧插补操纵。
用户能够从两种形成圆弧的方式当选择其一。
一种是指定通过的位置,另一种是指定一个圆心位置。
通过指定不同的参数,脉冲利用圆弧插补实现输出。
注意:直线插补操纵指令F175(SPSH)和圆弧插补操纵指令F176(SPCH)只能和C32T2操纵单元配合利用。
设置系统寄放器当利用脉冲输出功能时,应将相应通道的系统寄放器和设置为“不利用高速计数器”。
几种脉冲输出方式正/反向脉冲输出方式在这种方式中,操纵器利用双向脉冲工作,一个为正向旋转脉冲,另一个为反向旋转脉冲图84:FP∑脉冲输出功能—CW/CCW 输出方式脉冲+方向输出方式(正向:关/反向:开)F0F1 OFF ON在这种方式中,操纵器利用一个脉冲输出指定速度,用开/关信号指定旋转方向。
在这种模式下,当旋转方向信号为“关”的时候正向脉冲工作。
图85:FP∑脉冲输出—脉冲+方向输出方式1脉冲+方向Y0Y1 ON OFF在这种方式中,操纵器利用一个脉冲输出指定速度,用开/关信号指定旋转方向。
在这种模式下,当旋转方向信号为“开”的时候正向脉冲工作。
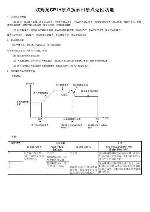
欧姆龙CP1H原点搜索和原点返回功能
1、定义原点的⽅式
(1)利⽤:原点输⼊信号、原点接近信号、CW限位输⼊信号、CCW限位输⼊信号,通过ORG指令进⾏原点搜索,搜索完成后,将脉冲输出当前值,即A276寄存器清零,原点标志位,即A280.05置0。
(2)利⽤INI指令,直接将脉冲输出当前值,即A276寄存器清零,原点标志位,即A280.05置0,表⽰原点已建⽴。
需要设定的参数:操作模式、原点搜索反转模式、原点侦测⽅式、原点搜索⽅向等。
2、原点返回功能
建⽴了原点后,可以通过ORG命令,进⾏原点返回。
若设备未定义原点,电机仍可运⾏,但是
(1)⽆法使⽤原点返回功能;
(2)不能通过绝对脉冲指令进⾏发送脉冲(因为没有建⽴脉冲的基准点,零点,⽆法得知具体位置);
(3)通过相对脉冲的定位会将当前位置置0,然后发送脉冲(原点⼀直在变化)。
3、原点搜索的三种操作模式
主要过程:
区别:。
CJ系列内置I/OCJ1M CPU22/CPU23 CPU单元操作手册2002年11月ivv注意:OMRON 产品是为合格的操作人员按照正常步骤使用并只为本手册中所叙述的目的而制造的。
下列约定是用来指出本手册中的注意事项,并对其进行分类。
始终注意它们所规定的情况。
不注意这些注意事项能导致对人体的伤害或危及财产。
! 指出一个急迫的危险情况,如不避免之,它会导致死亡或严重伤害。
! 指出一个潜在的危险情况,如不避免之,它能导致死亡或严重伤害。
! 指出一个潜在的危险情况,如不避免之,它可能导致轻度的或中度的伤害,或财产损失。
OMRON 产品附注所有OMRON 产品在本手册中都以大写字母表示。
当字“单元”表示 OMRON 产品时,它也以大写字母表示,不管它是否以产品的正式名称出现。
缩写“Ch ”,它出现在某些显示中和某些OMRON 产品上,往往表示“字”,在这个意义上在文件中缩写为“Wd ”。
缩写“PLC ”表示可编程序控制器。
但是,在有些编程设备的显示中用“ PC ”来表示可编程序控制器。
直观标题列在本手册左侧的下列标题是帮助读者确定各种不同类形的资料。
注指出对有效而方便地运用产品特别重要的资料。
1,2,3...1.指出一种或另一种的列举说明,如步骤,检查表,等。
OMRON, 2002版权所有,事先未经OMRON 公司书面许可,本出版物的任何部分都不可用任何形式,或用任何方法,机械的,电子的,照相的,录制的或其它方式进行复制,存入检索系统或传送。
对使用这里所包含的资料不负专利责任。
然而,因为OMRON 公司不断努力改进其高质量的产品,所以本手册中所含有的资料可随时改变而不另行通知。
在编写本手册时注意了一切可能的注意事项,然而,OMRON 公司对于可能的错误或遗漏不承担责任。
对于使用本出版物中所包含的资料导致的损害也不承担任何责任。
危险警告注意vi注意事项 . . . . . . . . . . . . . . . . . . . . . . . . . . . . . . . . . . . . .xi 1面向的读者 . . . . . . . . . . . . . . . . . . . . . . . . . . . . . . . . . . . . . . . . . . . . . . . . . . . . . . . xii2一般注意事项 . . . . . . . . . . . . . . . . . . . . . . . . . . . . . . . . . . . . . . . . . . . . . . . . . . . . . xii3安全注意事项 . . . . . . . . . . . . . . . . . . . . . . . . . . . . . . . . . . . . . . . . . . . . . . . . . . . . . xii4操作环境注意事项. . . . . . . . . . . . . . . . . . . . . . . . . . . . . . . . . . . . . . . . . . . . . . . . . . xiv5应用注意事项 . . . . . . . . . . . . . . . . . . . . . . . . . . . . . . . . . . . . . . . . . . . . . . . . . . . . . xiv6与EC规程的一致性 . . . . . . . . . . . . . . . . . . . . . . . . . . . . . . . . . . . . . . . . . . . . . . . . xviii第1章性能. . . . . . . . . . . . . . . . . . . . . . . . . . . . . . . . . . . . . . . . .1 1-1性能 . . . . . . . . . . . . . . . . . . . . . . . . . . . . . . . . . . . . . . . . . . . . . . . . . . . . . . . . . . . . 21-2按用途划分的功能. . . . . . . . . . . . . . . . . . . . . . . . . . . . . . . . . . . . . . . . . . . . . . . . . . 5第2章概述. . . . . . . . . . . . . . . . . . . . . . . . . . . . . . . . . . . . . . . . .11 2-1内置CPU单元输入的分配 . . . . . . . . . . . . . . . . . . . . . . . . . . . . . . . . . . . . . . . . . . . 122-2内置CPU单元输出的分配 . . . . . . . . . . . . . . . . . . . . . . . . . . . . . . . . . . . . . . . . . . . 152-3原点搜索功能的分配. . . . . . . . . . . . . . . . . . . . . . . . . . . . . . . . . . . . . . . . . . . . . . . . 16第3章I/O规格和配线. . . . . . . . . . . . . . . . . . . . . . . . . . . . . . . . .19 3-1I/O 规格. . . . . . . . . . . . . . . . . . . . . . . . . . . . . . . . . . . . . . . . . . . . . . . . . . . . . . . . . . 203-2配线 . . . . . . . . . . . . . . . . . . . . . . . . . . . . . . . . . . . . . . . . . . . . . . . . . . . . . . . . . . . . 233-3配线示例. . . . . . . . . . . . . . . . . . . . . . . . . . . . . . . . . . . . . . . . . . . . . . . . . . . . . . . . . 32第4章数据区分配和PLC设置设定 . . . . . . . . . . . . . . . . . . . . . .51 4-1内置I/O的数据区分配 . . . . . . . . . . . . . . . . . . . . . . . . . . . . . . . . . . . . . . . . . . . . . . 524-2PLC设置设定. . . . . . . . . . . . . . . . . . . . . . . . . . . . . . . . . . . . . . . . . . . . . . . . . . . . . 524-3辅助区数据分配 . . . . . . . . . . . . . . . . . . . . . . . . . . . . . . . . . . . . . . . . . . . . . . . . . . . 654-4脉冲输出时标志操作. . . . . . . . . . . . . . . . . . . . . . . . . . . . . . . . . . . . . . . . . . . . . . . . 72第5章内置I/O功能使用说明. . . . . . . . . . . . . . . . . . . . . . . . . . .73 5-1内置输入. . . . . . . . . . . . . . . . . . . . . . . . . . . . . . . . . . . . . . . . . . . . . . . . . . . . . . . . . 745-2内置输出. . . . . . . . . . . . . . . . . . . . . . . . . . . . . . . . . . . . . . . . . . . . . . . . . . . . . . . . . 915-3原点搜索和原点返回功能 . . . . . . . . . . . . . . . . . . . . . . . . . . . . . . . . . . . . . . . . . . . . 113第6章编程举例 . . . . . . . . . . . . . . . . . . . . . . . . . . . . . . . . . . . . .135 6-1内置输出. . . . . . . . . . . . . . . . . . . . . . . . . . . . . . . . . . . . . . . . . . . . . . . . . . . . . . . . . 136vii附录A脉冲控制指令的组合 . . . . . . . . . . . . . . . . . . . . . . . . . . . . . . . . . . . . . . . . . . . . . . . 145 B脉冲指令在其它CPU单元中的应用. . . . . . . . . . . . . . . . . . . . . . . . . . . . . . . . . . . . 149 C中断响应时间 . . . . . . . . . . . . . . . . . . . . . . . . . . . . . . . . . . . . . . . . . . . . . . . . . . . . . 153viii关于本手册:本手册介绍CJ1M CPU22和CJ1M CPU23 CPU单元支持的内置I/O的安装和操作,还含有下面介绍的章节。
运动控制器“原点返回”的14种模式及参数说明第一部分运动控制器“原点返回”的14种模式1.DOG1型------以DOG开关从ON—OFF 后的第1个零点(Z相)信号作为“原点”图1. DOG1型原点返回模式对“原点返回”模式各名词的说明(参见图1)①“原点返回”---又称为“回原点模式”,“回零模式”,“原点回归模式”,本文统一为“原点返回模式”。
②“原点返回方向”---本文简称“正向”。
与该方向相反简称为“反向”。
③近点DOG开关---也称为“原点开关”,“看门狗开关”。
本文简称为“DOG开关”(“DOG开关”为常OFF接法)④“原点返回速度”------本文简称为“高速”⑤“爬行速度”—也称为“蠕动速度”。
本文简称为“爬行速度”⑥零点信号-------本文简称为“Z相信号”。
(零点信号就是Z向信号,当编码器安装固定后,就是固定位置(对于电机一转之内的位置而言)⑦近点DOG ON后的移动量------本文简称为“T行程”⑧减速停止点------本文简称为“A点”1.1 “原点返回”的动作顺序①“原点返回”启动,以“高速”运行;②碰上DOG=ON,从“高速”降低到“爬行速度”;③当DOG从ON---OFF,从“爬行速度”减速停止,速度降为零。
又从“零速”上升到“爬行速度”,当检测到第1个“Z相信号”时,该“Z相信号”位置就是“原点”。
同时该轴停止在原点位置上。
(从“减速停止点A”到“Z相)信号”点是定位过程,所以能够精确定位)1.2 “原点返回”不能正常执行的原因(1)从“原点返回启动位置”到“减速停止点A”这一区间内如果没有经过“Z相信号”点一次,(Z相通过信号M2406+20N),系统会产生报警(ZCT)并减速停止。
(ZCT)(错误代码120). “原点返回”不能正常执行。
(这种情况是“原点返回启动位置”到“DOG”距离很短。
走完DOG的行程还没经过“Z相信号”,系统无法识别“Z相信号”位置。
基于PLC控制伺服DZRN回原点指令与相对定位指
令的分析
DZRN回原点指令
DZRN K20000 K3000 X12 Y0这是一个回原点指令,K20000表示刚开始回原点的脉冲频率,当检测到X12的上升沿后,脉冲输出频率降为3000。
当再检测到X12的下降沿后,脉冲输出停止。
脉冲输出端为Y0。
DDRVI相对定位指令
x2-------DDRVI K10000 K1000 Y0 Y2 意思为:当X2接通时,以当前的位置为起点,向Y0以1KHz的频率发送10000个脉冲,电机方向为正方向,并反应在Y2上。
一般伺服电机使用的最多的就是位置控制模式,其说明书上的接线,不要被吓到了cn1是控制端口,cn2是编码器反馈端口,不用管,有专用线的。
实际上,只用控制cn1的32、33、34、35,4根线就好了,这四根线分两组,32和33作为脉冲输入,34和35作为方向输入。
举个例子:我们把。
fx5u回原点指令
摘要:
1.介绍fx5u 回原点指令的基本概念
2.阐述fx5u 回原点指令的作用和原理
3.详述fx5u 回原点指令在自动化领域的应用
4.分析fx5u 回原点指令的未来发展趋势
正文:
FX5U 回原点指令是三菱PLC FX5U 系列中的一种指令,用于控制机器人在执行任务后能够准确返回原点,是实现自动化生产过程中机器人精准定位的重要手段。
FX5U 回原点指令的作用原理是,通过编程设定一个原点坐标,当机器人需要返回原点时,该指令会被激活,机器人会根据设定的原点坐标进行定位,然后返回到该坐标位置。
这一过程能够保证机器人在执行完任务后,能够快速、准确地返回原点,提高生产效率和生产质量。
在自动化领域,FX5U 回原点指令被广泛应用于各种机器人控制系统中。
例如,在汽车制造行业,机器人需要根据设定的原点坐标,完成焊接、装配、检测等任务,然后返回原点,准备执行下一个任务。
在电子制造行业,FX5U 回原点指令也被用于控制贴片机、插件机等设备的运行。
随着科技的不断发展,自动化领域的需求也在不断增长,对FX5U 回原点指令的要求也越来越高。
未来,FX5U 回原点指令将需要具备更高的定位精度、更快的返回速度,以满足更高速、更复杂的自动化生产需求。
同时,随着
物联网、大数据等技术的发展,FX5U 回原点指令也将与这些技术结合,实现更智能、更高效的自动化生产。
总的来说,FX5U 回原点指令是自动化生产过程中不可或缺的一种技术手段,其作用原理简单,但在实际应用中却能发挥重要作用。
信捷PLC原点复归程式介绍
一.PLC选择带有四个高速脉冲输出口的信捷PLC,型号:XC5-32-4PLS。
二.通过子程序调用方式实现原点归零。
结构简单,利于扩展。
本程序经过联机调试,可以直接使用
三.调用子程序的程序段如下。
P10为原点复归程序
四.原点复归程序说明
1.新捷PLC XC5-32-4PLS四个脉冲输出口分别为Y0 Y1 Y2 Y3。
这个硬件规定好的
2.程序中设定各轴的方向信号控制分别为Y5 Y6 Y7 Y4。
这些信号可以自行设定输出点
3.使用信捷特殊指令ZRN 来进行原点复归
4.原点信号分别用X1 X2 X3 X4来接入,也可以定义其他输入点
5.特别说明,原点复归时,感应到原点感应器后,电机开始减速运行,一直到原点信号的下降沿到到时,电机停止运转,认为该点为机械零点
五.具体的PLC程式
1.设定运转方向及启动归零
2.执行特殊指令ZRN,进行归零
3.归零完成,设置完成镖旗
总结:
本程序为基于信捷PLC编写的4轴同时复归的程序,用PLC自带的高速脉冲输出口,未添加其他控制模块,节约成本,同时采用子程序方式,模块化处理,易于修改扩展。
其思路可作为参考。
信捷 PLC高精度回零分析摘要: PLC控制伺服系统在工业生产中得到了广泛的应用,伺服系统的回零精度直接影响了生产过程中的位置精度,而精密加工、丝网印刷等要求比较高的行业对回零精度要求更高。
信捷XC系列支持高速脉冲输出和带有Z项脉冲的高精度ZRN回零,可为位置精度要求比较高的生产行业提供低成本的方案。
通过对信捷XCM-60T-E回零的进行分析并根据实际案例结合连接电路图对高精度ZRN原点回归进行详细的分析。
关键词:信捷PLC ZRN 原点回零 Z项脉冲伺服驱动脉冲输出0引言:信捷XC系列PLC原点回零方式有两大类,一类是简单的ZRN回零[1],通过一个回零开关实现回零操作。
第二类是高精度ZRN原点回零[1],其有两种回零方式,一种是不含Z项信号原点ZRN回零,一般使用步进电机或采用伺服系统但对回零精度要求不高的场所。
一种是高精度原点ZRN 回零,应用在回零精度比较高的场所,如切削加工、多轴联动控制等精密场所。
简单的ZRN回零使用和电路连接简单,通过外部一个辅助开关就可达到回零操作。
而高精度ZRN回零需要辅助端子和外部中断端子,更为复杂的需要伺服电机Z项脉冲的参与实现回零操作,使用和线路连接相对繁琐,但回零精度很高。
随着生产工艺要求的提高和一些精密加工行业的需求,高精度回零得到了越来越广泛的应用。
文章分析了使用Z项脉冲高精度回零的原理,并通过实例对高精度回零做了详细的分析。
1、带Z项脉冲高精度ZRN回零点原理图1回零示意图采用带有Z项脉冲的高精度回零指令ZRN,通过辅助开关和回零开关、Z项脉冲信号进行回零控制,达到精确回零的目的。
为了提高响应速度,减小回零误差,要求回零开关和Z项脉冲的输入端子必须采用外部中断中断端子,以达到快速响应。
信捷XC系列回零动作原理如图1所示,其中Da表示Da-D(a+n)系列参数,其均为为双字节32 位,占用两个地址位。
Da设置参数为原点回归时高速脉冲速度VH,D(a+2)为原点回归低速脉冲速度VL,D(a+4)为回零爬行脉冲速度VP,D(a+6)脉冲上升下降斜率(即脉冲频率每秒钟的变化值)K,D(a+8)原点回归完成后,初始化脉冲个数N,其数值写入脉冲个数专用寄存器D8170中,D(a+10)为Z相计数值(离开原点开关后,寻找Z相计数个数Q),Ya,Yb为脉冲输出。
干货:三菱FX3U控制伺服的高速脉冲指令,跟我一起做,马上就会三菱FX3U做为一款入门级PLC,应用很广泛,其实学习PLC就几点,开关量的输入、输出,就是我们平常所说的IO、伺服(或者步进电机)的控制、Modbus通信、模拟量输入输出,掌握了这些,基本可以做80%的项目了,小编今天主要来和大家说一下伺服电机(或者步进电机)的控制方法。
其实伺服电机就是高级一点的步进,其自带编码器,驱动器功能更加强大,支持位置模式、速度模式和转矩模式三种类型,因为伺服电机可以精确定位,所以通常我们用到的是位置模式。
位置模式需要PLC发送高速脉冲串给伺服驱动器,伺服驱动器再驱动伺服电机按照一定的角度和速度来旋转,从而达到位置控制的模式三菱FX3U这款PLC控制伺服电机有两种方法,一种是高速脉冲模式,一种是定位模式,其指令是不一样的,同时,FX3U只支持三路高速脉冲的发送,分别是Y0、Y1、Y2,所以最多只能控制三台伺服电机,如果想控制超三台伺服电机,可以选择加装定位模块或者几台PLC组网来实现。
一、高速脉冲模式1、PLSY指令PLSY是高速脉冲输出指令,可以指定Y0、Y1或者Y2发送高速脉冲,其指令格式如下如上图所示,分别是16位高速脉冲输出和32位高速脉冲输出,16位高速脉冲输出可以发送最大频率为32767的数据,而32位高速脉冲输出可以发送最大频率为200,000Hz的脉冲串,各位同学可以根据实际需要进行选择,不过这里小编建议大家养成一个好习惯,就是坚持用32位运算进行程序处理,可以有效防止程序溢出。
熟悉了相关指令,我们看下详细用法。
比如我们想接通M0的同时,让Y0输出频率为10000,数量为25000的脉冲串,那么就这样来写程序其中:频率为每秒钟发送的脉冲数,表示到伺服电机就是速度发送脉冲数即为一共发送多少个脉冲给驱动器,转换到伺服电机就是走过的距离或者角度Y0为输出通道,接线到驱动侧的高速脉冲输入点。
这里M0只要保持接通,就会以当前速度发送25000个脉冲,中间如果M0断开,则停止发送脉冲,再次接通M0则重新发送25000个脉冲直到完成。
第1章 运动控制指令1.1 测频指令(MotionControl.lib )MF ——测频功能块调用指令示例梯形图语言示例功能描述测频功能块可以测量第1路(I0.0)或者第2路(I0.1)输入脉冲的频率值。
参数说明输入参数数据类型功能描述参数值说明 EN BOOL 使能 0→1 上升沿使能 InSel BYTE 输入点选择0:第1路(I0.0) 1:第2路(I0.1)Gate DWORD 测频门宽 1~8,000(ms ) 输出参数数据类型功能描述值Active BOOL 测频完成标志0:测频完成 1:正在测频CV DWORD 当前频率值 10~20,000,000(单位:0.01Hz )指令说明1、 Gate 测频门宽:设置范围为1~8,000(ms ),大于8,000时,以8,000为设置值;小于1时,以1为设置值。
2、 CV 测得当前输入频率值:输出参数CV 单位为0.01Hz ,当输入脉冲频率为100Hz时,CV 值等于10000。
指令举例(梯形图和结构化文本)变量定义编程语言程序梯形图(LD)结构化文本(ST)程序说明:¾En由False变为True并保持时,I0.0通道接收脉冲,测频指令测量当前输入脉冲的频率,dwCV显示当前接收到脉冲的频率,Active等于1并保持。
¾En由True变为False时,Active等于0,dwCV等于0。
1.2 高速计数指令(MotionControl.lib)COUNT——高速计数功能块调用指令示例梯形图语言示例功能描述高速计数功能块可以实现A、B相计数和单相计数,可选择为增计数或者减计数,计数值达到设定值后可以选择是否启动中断。
在A、B相计数时,可接收90º±60º范围的相差。
计数值范围要求在-2147483648~2147483647。
参数说明输入参数数据类型功能描述参数值说明EN BOOL 使能 0→1 上升沿使能 Clr BOOL 清零0→1 上升沿使能InSel BYTE 输入点选择0:第1路(I0.0)单相计数,计数方向对应I0.41:第2路(I0.1)单相计数,计数方向对应I0.52:第3路(I0.2)单相计数,计数方向对应I0.63:第4路(I0.3)单相计数,计数方向对应I0.74:第1路(A相I0.0和B 相I0.1)双相计数 5:第2路(A 相I0.2和B 相I0.3)双相计数Mode BYTE 倍频模式 单相计数可为1和2,双相计数可为1、2和4PV DINT 设定计数值-2147483648~2147483647UpDn BYTE 计数方向控制 双相计数设置该项无效,单相计数设置该项有效。
定义外部端子(SHM )启动原点回归:PTPR模式下都可以,通过伺服内参数定义原点回归1.原点回归的行走路径:下面的是分别是向前寻找Z脉冲和向后寻找Z脉冲,不管是什么品牌的伺服,原点回归的路径都一样①.寻找不寻找Z脉冲(反向或者正向)3种②.寻找零点(正方向或者反方向)(零点定义)2种③.在一转的范围内寻找 Z脉冲(正方向或者反方向)000正反向寻找零点 PL并返回寻找Z010正反向寻找零点PL正向回寻找Z020正反向寻找零点 PL不去寻找Z001反方向寻找零点 NL并返回寻找Z011 021002 正方向寻找零点ORGOFF/ON为零点,返回寻找Z012 022003 反方向寻找零点,OFF/ON为零点,返回寻找Z013 023004 在一圈范围正方向寻找零点005 在一圈范围反方向寻找零点006 正方向寻找零点ORG,ON/OFF为零点,返回寻找Z016 026007 反方向寻找零点 ORG,ON/OFF为零点,返回寻找Z017 027008 直接定义原点以目前位置当做原点BOOT:驱动器启动时第一次serveron时是否执行原点回归0:不做原点回归1:自动执行原点回归MJDLY :延时时间的选择P5-40--P5-45作用:?????DEC1/DEC2 :第一/二段回原点减速时间的选择P5-40--P5-55ACC :加速时间的选择对应到P20--P35PATH :路径的形式0:原点回归后停止1-63:原点回归后,执行指定的路径作用:可以让电机回到原点后,再移动的位置原点回归牵涉到的其它的参数:P5-05:第一段高速原点回归速度的设定P5-06:第二段高度原点回归速度的设定P1-01:01PR64个命令程序,程序C#0为零为原点回归其它的为普通用户自定义程序例子:P2-10: 101ServeronY0P2-11:108CTRGP2-11: 127SHM 启动原点回归Y1P2-12: 124ORGP原点Y2P5-04:002正方向寻找零点ORG,OFF/ON为原点,反方向寻找ZP5-05:第一段高速原点回归速度设定P5-06:第二段高速原点回归速度设定这种情况下监控C-PUU不会为0,很有可能是因为找到Z脉冲时减速停止造成的P5-04:23反方向寻找零点ORG,ON/OFF为零点P6-00:02回零完成后执行自定义程序 2这种情况下监控的C-PUU会为零上面的情况就是回零后出现不是在零点的位置,有偏差:A.A系列中的P1-47原点回归模式中可以设置拉回原点设置的选项,在A2中不提供,而是通过另一种方式实现的。
表5.2脉冲输出功能说明
下面是对专用数据存储器DT90052控制代码的规定
特殊数据寄存器DT90052是设定标志专用寄存器,设定之后的值自动传入DT90190到DT90193中。
对于高速专用数据记录器的功能和脉冲输出功能的说明,参见表5.1~5.3。
梯形原点返回程序
说明:
设定3为接近终点。
X2为终点(CH0规定)
按下XA电机启动,启动频率100HZ最高频率1000HZ,过度时间500MS 按下X3时,表示接近终点,电机减速到100HZ
按下X2时,电机停止,表示已到达原点
(1)控制代码的指定(通过k值) 通过K值设定参看图3.45。
图3.45 通过K值设定说明
图示100:F171指令控制代号(原点返回时选择)
H
0:安装 *(1):控制代号
百分比
0:1/2 ( 50℅) 1:1/4(25%)
频率范围 0:1.5HZ-9.8KHZ
1: 48HZ-100KHZ 2: 191HZ-100KHZ 操作模式和输出方式 (一型原点返回,不带近原点输入。
有固定原点输入) 20: Ⅰ型原位返回 CW 21: Ⅰ型原位返回 CCW 22: Ⅰ型原位返回 输出为关 23: Ⅰ型原位返回 输出为开 24: Ⅰ型原位返回 CW 计数器重设 25: Ⅰ型原位返回 CCW 计数器重设 26: Ⅰ型原位返回 输出关和计数器重设 27: Ⅰ型原位返回 输出开和计数器重设
(二型原点返回,带近原点输入。
有固定原点输入,无固定近原点输入) 30: Ⅱ型原位返回 CW 31: Ⅱ型原位返回 CCW 32: Ⅱ型原位返回 输出为关 33: Ⅱ型原位返回 输出为开 34: Ⅱ型原位返回 CW 和计数器重设 35: Ⅱ型原位返回 CCW 和计数器重设 36: Ⅱ型原位返回 输出关和计数器重设 37: Ⅱ型原位返回 输出开和计数器重设
22: 减法计数 输出为关 23: 减法计数 输出为开
(*3):加速/减速时间“K 常数”
K30-K32767
(*4):偏差计数器清零标志“K 常数”
0.5ms-100ms。