(新)高速脉冲输出指令一
- 格式:doc
- 大小:90.00 KB
- 文档页数:5
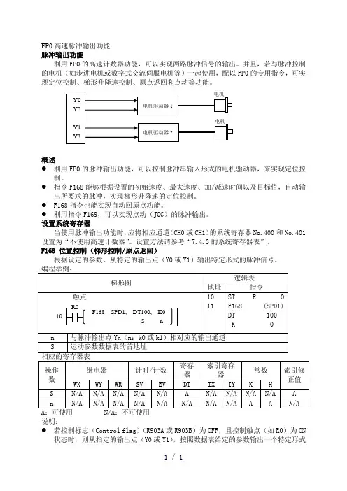
FP0高速脉冲输出功能脉冲输出功能利用FP0的高速计数器功能,可以实现两路脉冲信号的输出。
并且,若与脉冲控制的电机(如步进电机或数字式交流伺服电机等)一起使用,配以FP0的专用指令,可实现定位控制、梯形升降速控制、原点返回和点动等功能。
概述●利用FP0的脉冲输出功能,可以控制脉冲串输入形式的电机驱动器,来实现定位控制。
●指令F168能够根据设置的初始速度、最大速度、加/减速时间以及目标值,自动输出所要求的脉冲,实现梯形升降速的定位控制。
●F168指令也能实现自动回原点功能。
●利用指令F169,可以实现点动(JOG)的脉冲输出。
设置系统寄存器当使用脉冲输出功能时,应将相应通道(CH0或CH1)的系统寄存器No.400和No.401设置为“不使用高速计数器”。
设置方法请参考“7.4.3的系统寄存器表”。
F168 位置控制(梯形控制/原点返回)根据设定的参数,从特定的输出点(Y0或Y1)输出特定形式的脉冲信号。
说明:●若控制标志(Control flag)(R903A或R903B)为OFF,且控制触点(如R0)为ON状态时,则从指定的输出点(Y0或Y1),按照数据表给定的参数输出一个特定形式的脉冲串。
● 数据表用于指定位控运动的控制码、起始速度、最大速度、加速/减速时间或目标值等。
● 根据加/减速时间,输出频率从起始速度升到最大速度。
通道 控制标志 当前值 目标值 方向输出 原点接近原点输入CH0 R903A DT9044,9045 DT9046,9047 Y2 DT9052,bit2 X0CH1 R903B DT9048,9049 DT9050,9051 Y3 DT9052,bit6X1运行模式说明:● 增量模式<相对值控制>根据目标的设置设定值,来输出相应脉冲数的脉冲。
将控制码(Control code )设置为H02(即:增量模式;正向:OFF ;反向:ON ),当目标值为正时,方向信号输出为OFF ,同时高速计数器的当前值增加。
三菱PLC⾼速输出——脉冲输出PLSY的讲解对于伺服或步进电机使⽤的脉冲输出控制指令,需要根据不同功能选择需要的指令,三菱PLC中的⾼速脉冲输出指令主要有16位的PLSY、PLSR、PLSV,32的DPLSY、DPLSR、DPLSV,今天就来说说基本的PLSY指令的介绍。
01三种指令(PLSY、PLSR、PLSV)的区别1)简单介绍下这⼏个的区别,PLSY是基本的脉冲输出,功能是发送指定频率和指定数量脉冲的指令;2)PLSR是带有加减速功能的脉冲输出指令,功能是发送指定频率和制动数量脉冲的指令,同时能指定从0到指定频率的时间或从指令频率到0的时间。
如果这个加减速时间设置为0则与PLSY指令⼀样;3)PLSV是输出带有旋转⽅向的可变速脉冲指令,功能是输出指定⽅向和指令频率的脉冲,它与PLSR区别是可在指令运⾏中改变频率,PLSR则是即使改变操作数运⾏中也不反映,在下⼀次指令驱动时更改内容有效。
02PLSY指令说明PLSY指令说明其中S1是指定脉冲频率,S2是发送的脉冲数量,D是脉冲输出Y端⼦,其中16位指令PLSY的频率范围0~32676Hz,脉冲数量32676(2^15)P,32位指令S1脉冲频率采⽤基本单元0~100000Hz,采⽤⾼速输出适配器0~200000Hz,输出脉冲数量S2范围是0~2147483647(2^31)P。
脉冲输出端⼦⽬前FX3系列只⽀持Y0和Y1。
03需掌握的相关软元件1)特殊辅助继电器M8029M8029是指令完成标志,意思就是指令发送完成后会置位ON状态,脉冲未发送完毕或者中断、停⽌则处于OFF状态,使⽤多个M8029需要注意其位置,⼀定将其放在监视指令的正下⽅:M8029放置位置下⾯我们在三菱FX3g型PLC中看下指令的使⽤,XY双轴采⽤PLSY指令,X轴频率200p/s,脉冲数量2000p,Y轴脉冲频率500p/s,脉冲数量2500p,可以算出,X轴10s完成,Y轴5s完成,下⾯观察M8029的变化:M8029的变化从上图看出,Y轴脉冲发送完成后,M8029闭合,但只⽤Y轴下⽅的M8029有输出M201,X轴没有,等到X轴脉冲指令完成,M200才闭合,所以在放置M8029标志⼀定要注意位置。
欧姆龙高速脉冲指令
摘要:
1.欧姆龙CPH 型PLC 简介
2.高速脉冲输出指令的作用
3.高速脉冲输出指令的应用实例
4.总结
正文:
一、欧姆龙CPH 型PLC 简介
欧姆龙CPH 型PLC 是日本欧姆龙公司推出的一款可编程逻辑控制器,广泛应用于各种工业自动化控制场合。
其具有高速、高性能、多功能、易编程等特点,能够满足不同场合的控制需求。
二、高速脉冲输出指令的作用
高速脉冲输出指令是欧姆龙CPH 型PLC 中的一种指令,主要用于控制步进电机或伺服电机等高速脉冲驱动设备。
通过高速脉冲输出指令,可以实现对驱动设备的精确控制和调速,从而满足各种工业自动化控制场合的要求。
三、高速脉冲输出指令的应用实例
1.控制步进电机
步进电机是一种将电脉冲转换为角位移的电机,其工作原理是通过接收脉冲信号,驱动电机转动一定的角度。
欧姆龙CPH 型PLC 通过高速脉冲输出指令,可以精确控制步进电机的转速、位置和转向,实现对步进电机的精确控制。
2.控制伺服电机
伺服电机是一种通过接收脉冲信号实现角位移控制的电机。
与步进电机不同,伺服电机具有更高的控制精度和更低的转速波动。
欧姆龙CPH 型PLC 通过高速脉冲输出指令,可以实现对伺服电机的精确控制和调速,提高控制精度和运动平稳性。
四、总结
欧姆龙CPH 型PLC 的高速脉冲输出指令在工业自动化控制领域具有广泛的应用,可以实现对步进电机和伺服电机等高速脉冲驱动设备的精确控制和调速。
这五个指令虽然都是脉冲输出型,但可以分为两大类:一、脉冲输出指令(包括PLSY,PLSR和PLSR):可以应用高速点和普通点1、PLSY指令使用中可以设置单个输出点以一定的频率发出目标值个脉冲,在指令中可以设置脉冲频率、脉冲总数、和发出脉冲的输出点;但只能控制脉冲,如果是脉冲加方向的脉冲模式,那方向点要另选一个普通开关点另外控制。
2、PLSR为设置匀加减速指令,在指令中可以设置脉冲的最大频率、脉冲总数、加减速时间和脉冲输出点。
通过设置加减速时间来实现匀加速。
如果脉冲加方向的脉冲模式也需要另外控制方向点。
3、PLSV指令,为任意时间可变速指令,可以实时改变脉冲频率的指令,在指令中可以设置脉冲的实时频率、发出脉冲的输出点,和方向点。
但是不能设置发出脉冲的总数,也就是不能通过指令定位,如果需要不是很精准的定位可以在使用高速点的时候用脉冲计数器和目标值做一个比较,但是会在PLC的每个扫描周期比较一次,所以会超出一些脉冲。
二、定位指令:(包括DRVA和DRVI)他们都是为定位指令服务的,因此只能应用于高速点。
他们的指令表现形式基本一致,因此不做单一说明;在他们指令中可以设置脉冲总数、脉冲频率、脉冲的发出点和方向点。
高速脉冲点的特点就是他们有自己的脉冲计数寄存器,也就是不管通过上述几个指令发出脉冲,高速点会有以个特定的寄存器记录所发出的脉冲数,包括正向的和反向的,可作为运动控制中每个轴的坐标。
以上两个指令不同之处就是:DRVA是绝对记录脉冲式的,他的脉冲总数实际是他要到达的目标值,也就是和各高速点的计数寄存器相匹配,例如,当你输入脉冲目标值为20000,而你高速点的计数寄存器中是30000,这是他回朝着反向发出10000个脉冲;而DRVI指令却不同,他不管高速点计数器中的脉冲坐标值,他会向正方向运行20000个脉冲,因而成为相对脉冲指令。
以上说明比较混乱,语言组织不是很好,如果你哪个细节不明白再问我2:。
干货:三菱FX3U控制伺服的高速脉冲指令,跟我一起做,马上就会三菱FX3U做为一款入门级PLC,应用很广泛,其实学习PLC就几点,开关量的输入、输出,就是我们平常所说的IO、伺服(或者步进电机)的控制、Modbus通信、模拟量输入输出,掌握了这些,基本可以做80%的项目了,小编今天主要来和大家说一下伺服电机(或者步进电机)的控制方法。
其实伺服电机就是高级一点的步进,其自带编码器,驱动器功能更加强大,支持位置模式、速度模式和转矩模式三种类型,因为伺服电机可以精确定位,所以通常我们用到的是位置模式。
位置模式需要PLC发送高速脉冲串给伺服驱动器,伺服驱动器再驱动伺服电机按照一定的角度和速度来旋转,从而达到位置控制的模式三菱FX3U这款PLC控制伺服电机有两种方法,一种是高速脉冲模式,一种是定位模式,其指令是不一样的,同时,FX3U只支持三路高速脉冲的发送,分别是Y0、Y1、Y2,所以最多只能控制三台伺服电机,如果想控制超三台伺服电机,可以选择加装定位模块或者几台PLC组网来实现。
一、高速脉冲模式1、PLSY指令PLSY是高速脉冲输出指令,可以指定Y0、Y1或者Y2发送高速脉冲,其指令格式如下如上图所示,分别是16位高速脉冲输出和32位高速脉冲输出,16位高速脉冲输出可以发送最大频率为32767的数据,而32位高速脉冲输出可以发送最大频率为200,000Hz的脉冲串,各位同学可以根据实际需要进行选择,不过这里小编建议大家养成一个好习惯,就是坚持用32位运算进行程序处理,可以有效防止程序溢出。
熟悉了相关指令,我们看下详细用法。
比如我们想接通M0的同时,让Y0输出频率为10000,数量为25000的脉冲串,那么就这样来写程序其中:频率为每秒钟发送的脉冲数,表示到伺服电机就是速度发送脉冲数即为一共发送多少个脉冲给驱动器,转换到伺服电机就是走过的距离或者角度Y0为输出通道,接线到驱动侧的高速脉冲输入点。
这里M0只要保持接通,就会以当前速度发送25000个脉冲,中间如果M0断开,则停止发送脉冲,再次接通M0则重新发送25000个脉冲直到完成。
在Structured Control Language (SCL)中,高速脉冲指令通常用于控制脉冲的产生和分配。
这些指令可以用于实现运动控制、过程控制和逻辑控制等应用。
在SCL中,高速脉冲指令通常通过PLC(可编程逻辑控制器)或运动控制器来执行。
具体的指令和实现方式可能会因不同的PLC 和运动控制器而有所不同,但一般来说,以下是一些常见的高速脉冲指令:
1. PULSE:生成一个指定数量和频率的脉冲信号,可以用于驱动伺服电机或其他设备。
2. PULSECLR:清除脉冲信号的计数器,通常用于在需要重新生成脉冲信号时使用。
3. PULSEPLS:在脉冲信号的上升沿或下降沿时,将指定的脉冲数量添加到脉冲信号的计数器中。
4. PULSESET:设置脉冲信号的计数器为指定的值,通常用于初始化脉冲信号的计数器。
5. PULSEW AIT:等待指定的脉冲数量被消耗完,然后继续执行后续的指令。
这些高速脉冲指令可以通过编写SCL程序来控制脉冲的产生和分配。
具体的实现方式需要根据具体的PLC和运动控制器进行相应
的编程和调试。
19高速脉冲输出指令一高速脉冲输出功能是指在可编程序控制器的某些输出端产生高速脉冲,用来驱动负载实现精确控制。
这在运动控制中具有广泛应用。
使用高速脉冲输出功能时,PLC主机应选用晶体管输出型,以满足高速输出的频率要求。
一、高速脉冲有关概念1. 高速脉冲输出的方式高速脉冲输出有高速脉冲串输出PTO和宽度可调脉冲输出PWM两种方式。
PTO可以输出一串脉冲(占空比50%),用户可以控制脉冲的周期和个数,如图5-13(a)所示,PWM可以输出一串占空比可调的脉冲,用户可以控制脉冲的周期和脉宽,如图5-13(b)所示。
2. 高速脉冲输出端子的确定每种PLC主机最多可提供2个高速脉冲输出端。
高速脉冲的输出端不是任意选择的,必须按系统指定的输出点Q0.0和Q0.1来选择,也可以是以上两种方式的任意组合。
高速脉冲输出点包括在一般数字量输出映像寄存器编号范围内。
同一个输出点只能用做一种功能,如果Q0.0和Q0.1在程序执行时用做高速脉冲输出,则只能被高速脉冲输出使用,其通用功能被自动禁止,任何输出刷新、输出强制、立即输出等指令都无效。
只有高速脉冲输出不用的输出点才可能做普通数字量输出点使用。
在Q0.0和Q0.1编程时用做高速脉冲输出,但未执行脉冲输出指令时,可以用普通位操作指令设置这两个输出位,以控制高速脉冲的起始和终止电位。
二、高速脉冲指令及特殊寄存器高速脉冲输出有两种输出形式:高速脉冲序列(或称高速脉冲串)输出PTO(Pulse train Output)和脉冲宽度调制输出PWM(Pulse Width modulation),可通过特殊继电器来定义输出形式,输出形式可以是PTO/PWM的任意组合。
1. LADSTL作用PLS Q0.X检测各个相关特殊继电器的状态,激活由控制位定义的脉冲操作,从Q0.0或Q0.1输出高速脉冲。
高速脉冲串输出PTO 和宽度可调脉冲输出PWM 都由PLS 指令激活输出。
2. 特殊标志寄存器每个高速脉冲发生器对应一定数量的特殊寄存器,这些寄存器包括控制字节寄存器、状态字节寄存器和参数数值寄存器。
19高速脉冲输出指令一
高速脉冲输出功能是指在可编程序控制器的某些输出端产生高速脉冲,用来驱动负载实现精确控制。
这在运动控制中具有广泛应用。
使用高速脉冲输出功能时,PLC主机应选用晶体管输出型,以满足高速输出的频率要求。
一、高速脉冲有关概念
1. 高速脉冲输出的方式
高速脉冲输出有高速脉冲串输出PTO和宽度可调脉冲输出PWM两种方式。
PTO可以输出一串脉冲(占空比50%),用户可以控制脉冲的周期和个数,如图5-13(a)所示,PWM可以输出一串占空比可调的脉冲,用户可以控制脉冲的周期和脉宽,如
图5-13(b)所示。
2. 高速脉冲输出端子的确定
每种PLC主机最多可提供2个高速脉冲输出端。
高速脉冲的输出端不是任意选择的,必须按系统指定的输出点Q0.0和Q0.1来选择,也可以是以上两种方式的任意组合。
高速脉冲输出点包括在一般数字量输出映像寄存器编号范围内。
同一个输出点只能用做一种功能,如果Q0.0和Q0.1在程序执行时用做高速脉冲输出,则只能被高速脉冲输出使用,其通用功能被自动禁止,任何输出刷新、输出强制、立即输出等指令都无效。
只有高速脉冲输出不用的输出点才可能做普通数字量输出点使用。
在Q0.0和Q0.1编程时用做高速脉冲输出,但未执行脉冲输出指令时,可以用普通位操作指令设置这两个输出位,以控制高速脉冲的起始和终止电位。
二、高速脉冲指令及特殊寄存器
高速脉冲输出有两种输出形式:高速脉冲序列(或称高速脉冲串)输出PTO(Pulse train Output)和脉冲宽度调制输出PWM(Pulse Width modulation),可通过特殊继电器来定义输出形式,输出形式可以是PTO/PWM的任意组合。
1. 脉冲输出指令
LAD
STL
作用
PLS Q0.X
检测各个相关特殊继电器的状态,激活由控制位定义的脉冲操作,从Q0.0或Q0.1输出高速脉冲。
高速脉冲串输出PTO 和宽度可调脉冲输出PWM 都由PLS 指令激活输出。
2. 特殊标志寄存器
每个高速脉冲发生器对应一定数量的特殊寄存器,这些寄存器包括控制字节寄存器、状态字节寄存器和参数数值寄存器。
它们用以控制高速脉冲的输出形式,反映输出状态和参数值。
各寄存器的功能如表5-9所列。
表5-9 特殊寄存器功能表 Q0.0的寄存器
Q0.1的寄存器
功能描述
SMB66 SMB76 状态字,在PTO 方式下,跟踪脉冲串的输出状态 SMB67 SMB77 控制字,控制PTO/PWM 脉冲输出的基本功能 SMW68 SMW78 周期值,PTO/PWM 的周期值,2~65535 SMW70 SMW80 脉宽值,PWM 的脉宽值,0~65535 SMD72 SMD82 脉冲数,PTO 的脉冲数,1~4294967295 SMB166 SMB176 段号,多段管线PTO 进行中的段的编号 SMW168
SMW178
多段管线PTO 包络表起始字节地址
用于PTO 方式。
每个高速脉冲输出都有一个状态字节,程序运行时根据运行状态使某些位自动置位。
可以通过程序来读取相关位的状态,用此状态作为判断条件实现相应的操作。
状态字节中各状态位的功能如表5-10所列。
表5-10 状态字节表 Q0.0 Q0.1 功能描述
SM66.0 SM76.0 不用 SM66.1 SM76.1 SM66.2 SM76.2 SM66.3 SM76.3 SM66.4 SM76.4 PTO 包络表因计算错误而终止:0无错误,1终止 SM66.5 SM76.5 PTO 包络表因用户命令而终止:0无错误,1终止
SM66.6 SM76.6 PTO 管线溢出:0无溢出,1有溢出
SM66.7
SM76.7
PTO 空闲:0执行中,1空闲
(2)控制字节
每个高速脉冲输出都对应一个控制字节,通过对控制字节指定位的编程:设置字节中各控制位,如脉冲输出允许、PTO /PWM 模式选择、PTO 单段/多段选择、更新方式、时间基准和允许更新等。
控制字节中各控制位的功能如表5-11所列。
表5-11 控制位含义表 Q0.0控制位 Q0.1控制位 功能描述
SM67.0 SM77.0 PTO/PWM 更新周期值:0不更新,1允许更新 SM67.1 SM77.1 PWM 更新脉冲宽度值:0不更新,1允许更新 SM67.2
SM77.2
PTO 更新输出脉冲数:0不更新,1允许更新
三、PTO输出形式
1. PTO输出
PTO输出形式是指从Q0.0或(和)Q0.1输出指定周期的一段或几段方波脉冲序列,周期值为16位无符号数据,周期范围为50~65535μs或2~65535ms,占空比为50%,一般对周期值的设定为偶数,否则会引起输出波形占空比的失真。
每段脉冲序列中,脉冲的数量为32位数据,可分别设定为1~4294967295。
在PTO输出形式中,允许连续输出多个方波脉冲序列(脉冲串),每个脉冲串的周期和脉冲数可以不同。
当需要输出多个脉冲串时,允许这些脉冲串进行排队,形成管线,在当前的脉冲串输出完成后,立即输出新的脉冲串。
根据管线的实现方式,可分为单段则和多段PTO。
①单段管线PTO
在单段管线PTO输出时,管线中只能存放1个脉冲串的控制参数(入口地址)。
在当前脉冲串输出期间,就要对下一个脉冲串相关的特殊继电器进行更新,待当前的脉冲串输出完成后,通过执行PLS指令,就可以立即输出新的脉冲串,实现多段脉冲串的连续输出。
采用单段管线PTO的优点是:各个脉冲串的时间基准可以不同。
采用单段管线PTO的缺点是:编程复杂且烦琐,当参数设置不当时,会造成各个脉冲串间连接的不平滑。
②多段管线PTO。
当采用多段管线PTO输出高速脉冲串时,需要在变量存储器区(V)中建立一个包络表,在包络表中存储各个脉冲串的参数,当执行PLS指令时,CPU自动按顺序从包络表中调出各个脉冲串的入口地址,连续输出各个脉冲串。
包络表由包络段数和各段构成,每段长度为8字节,用于存储脉冲周期值(16位),周期增量值(16位),脉冲计数值(32位)。
编程时必须装入包络表的偏移首地址。
在表5-12中,给出了一个3段包络表的格式。
表5-12 包络表的格式
采用多段管线PTO输出的优点是:编程简单,可按照用序设定的周期增量值自动增减脉冲周期。
采用多段管线PTO输出的缺点是:所有脉冲串的时间基准必须一致,当执行PLS指令时,包络表中的所有参数均不能改变。
注意:输入0作为脉冲串的段数会产生一个非致命错误,将不产生PTO输出。
2. 使用PTO指令功能的编程要点
①确定高速脉冲串的输出端(Q0.0或Q0.1)和管线的实现方式(单段或多段)
②进行PTO初始化,利用特殊继电器SM0.1调用初始化子程序:
②编写初始化子程序。
.设置控制字节,将控制字节写入SMB67或SMB77。
.写入初始周期值,周期增量值和脉冲个数。
.如果是多段PTO,则装入包络表的首地址(可以子程序的形式建立包络表)。
.设置中断事件。
.编写中断服务子程序。
.设置全局开中断。
.执行PLS指令。
.退出子程序。
3. 多段管线PTO输出控制制应用举例
某台步进电机的运行曲线如图5-14所示,电机从A点(频率为2KHz)开始加速运行,加速阶段的脉冲数为200个,到B点(频率为10KHz)后变为恒速运行,恒速阶段的脉冲数为3400个;到C点(频率仍为10KHz)后开的减速,减速阶段的脉冲数为400个;到D点(频率为2KHz)后指示灯亮,表示从A点到D点的运行过程结束。
图5-14中的示例给出的包络表的值要求产生一个输出波形包括三段:步进电机加速(第一段);步进电机匀速(第二段)和步进电机减速(第三段)。
对该例,要4000个脉冲达到要求的电机转动数,启动和结束频率是2kHz,最大脉冲频率是
10kHz。
出于包络表中的值是则周期表示的,而不是用频率,需要把给定的频率值转化为周期值。
所以,启动和结束脉冲周期为
500μs。
最高频率的对应周期为
100μs。
在输出包络的加速部分,要求在200个脉冲左右达到最大脉
图5-14 频率/时序图
冲频率。
假定包络的减速部分在400个脉冲完成。
在该例中,使用一个简单公式计算PTO/PWM发生器用来调整每个脉冲周期所使用的周期增量值。
给定段的周期增量=(ECT-ICT)/Q
其中,ECT为该段结束周期时间;ICT为该段初始化周期时间;Q为该段的脉冲数量。
利用这个公式,加速部分(第一段)的周期增量是2;相似地,减速部分(第三段)的周期增量是1。
出于第二段是恒量控制,因此.该段的周期增量为0。
假定包络表存放在从VB200开始的V存储器区,表5-13给出了产生所要求波形的值。
表5-13 包络值表
V寄存器地址存储值V寄存器地址存储值
VB200 3(总段数)VW211 0(周期增量——段#2)
VW201 500(初始周期——段#1)VD213 3400(脉冲数——段#2)
VW203 -2(周期增量——段#1)VW217 100(初始周期——段#3)
VD205 200(脉冲数——段#1)VW219 1(周期增量——段#3)
VW209 100(初始周期——段#2)VD221 400(脉冲数——段#3)。