一拖二变频器操作流程
- 格式:doc
- 大小:63.00 KB
- 文档页数:5
TT200-404-A1-16-R02型矿用变频器使用手册青岛天腾电气有限公司目录一、概述 (3)使用须知 (3)主要技术参数 (4)二、安装与维护 (5)电气安装 (5)机械安装 (6)三、变频器连接方式 (8)四、控制盘 (11)控制盘概览 (11)控制盘控制传动 (13)实际信号显示模式 (15)参数模式 (16)五、转矩控制宏 (17)六、参考参数 (19)七、故障跟踪 (45)由传动产生的警告信息 (45)由控制盘产生的警告信息 (48)由传动产生的故障信息 (48)八、保护功能 (54)一、概述感谢您使用青岛天腾电气有限公司生产的矿用变频器系列。
TT200系列变频器在其它同类产品的基础上本着简单、可靠、便于装卸和维护的原则进行设计制造;变频器采用进口元器件,对外采用插接端口,操作简单,便于维护。
系统整体性能稳定可靠,适用于震动,高温,潮湿和强电磁干扰的矿山作业环境。
使用须知遵守发货时配备的使用手册的所有安全须知。
●在安装、调试和使用传动单元之前请仔细阅读安全须知●未经培训的人员不得操作和维修本系统,以免引起人身事故和设备损坏。
●操作人员应认真阅读本说明及配套的固件手册,并按照煤矿安全规程规定进行设备的开机前检查,机器开、停及各功能操作。
维修人员在检修设备时也须按照煤矿安全规程规定进行检修。
●本系统有高压线路和微电子数字线路,并在有瓦斯、粉尘爆炸危险的环境下工作,因此必须在断电5分钟后,方可开启箱体盖板进行检修操作。
并预防静电对微电路的影响。
●本系统的配件更换须使用青岛天腾电气公司提供的配件,以免引起安全事故和导致经济损失。
●为保证系统安全运行,非专业技术人员不得擅自改变系统设定参数。
●本系统在包装、运输和存储过程中,应做到防尘、防潮、防倒、防碰撞。
●本产品存储条件为0~35℃,湿度为<95%,不得露天存放,设备投入使用前应进行空载试运行。
●本产品在使用时应确保可靠接地。
●两次启停车时间间隔应大于5分钟。
BWS-2-□/□A一拖二变频柜操作规程1、主题内容与适用范围本规程规定了变频柜的规程和注意事项。
本规程适用于变频柜的操作。
2、操作前的准备工作2.1穿戴劳保,准备好工具、用具。
2.2检查泵的机械情况,保证状态完好,现场操作柱上的锁停开关必须置于运行位置,方可起泵。
2.3合上变频柜内的自动开关QF1、QF2、QF3和控制电源开关QF0变频器停止,指示灯亮(绿色),同时电压表有指示(无此表时无效)。
注:工频、变频不在同一柜中时无QF2、QF3。
3、手动工频3.1 将选择开关SA置中间位置,2个泵均能起、停。
3.2 如起1号泵,按1SB1、1SB2按钮。
起动运行工频,指示灯亮(绿色)。
2号泵与此相同,只是操作本回路的按钮。
(在现场操作柱也可起停变频器)3.3 将选择开关SA置于左450,2号泵变频运行,1号泵可手动工频运行。
将选择开关SA置于右450,1号泵变频运行,2号泵可手动工频运行。
4、变频运行(以1号泵为例)4.1将选择开关SA置于右450,按SB2按钮,变频器起动,同时指示灯亮(红色),1号泵电机旋转。
4.2将搬把开关SA置开环手动,则可手动通过调节电位器使频率改变,调节电机速度。
4.3将搬把开关SA置闭环自动,经输入的压力信号自动调节频率,改变电机转速。
4.4选择开关SA置中间位置时,手动、自动均停止。
5、压力调节可根据工艺要求调整调节器的(∧)与(∨)键,以达到工艺要求。
6.故障识别和处理变频器故障时,有声光报警,变频器停止运行。
可按复位按钮(黄色)去掉报警,这时变频器显示相关故障内容,请当班人员根据故障内容做好记录并排除故障后,再按变频器面板上的复位键RESET,变频器可重新起动。
变频器故障时,可转为手动工频。
引风机变频器操作说明及注意事项我公司引风机变频器安装在6kVⅢ段配电室,安装数量两套,呈东西方向排列,采用一拖二设计。
西面一台为#1引风机变频器(#1炉#1引风机和#2炉#1引风机共用);东面一台为#2引风机变频器(#1炉#2引风机和#2炉#2引风机共用),每套变频器都设计有两个旁路柜,供两台引风机使用。
我公司锅炉在正常运行情况下是一用一备,所以为了提高变频器的利用率,设计为一拖二方式,哪一台锅炉运行,变频器就被哪一台锅炉的引风机使用。
如果备用锅炉需要启动引风机做试验,可以通过变频器的旁路工频启动;如果需要切换锅炉,可以在备用锅炉点火前,将在运行锅炉的两台引风机切换为旁路运行,然后用变频运行备用锅炉的引风机,备用锅炉正常后,将在用锅炉的引风机用变频器旁路停止即可;如果变频器故障无法使用时,可以直接通过旁路运行需要启动的引风机。
变频器采用一拖二设计后,操作比较复杂,所以特下发该操作说明,希望锅炉和电气运行两个专业的人员认真学习,熟练掌握变频器在不同状况下的操作步骤,防止误操作发生,以保证锅炉的正常运行。
术语:1、变频器上电:投入原引风机开关,操作变频器旁路柜内的开关,接通变频回路,使变频器进入准备工作状态。
2、系统就绪:变频器已经上电,各部件达到允许运行的状态。
3、变频器启动:当变频器进入系统就绪状态,让引风机电机在变频器的拖动下,按给定的频率运转的操作。
4、变频器停止:当引风机电机在变频器的拖动下运转时,使变频器按设定程序逐渐将频率减至零,然后断开对电机控制的操作。
此时变频器回到系统就绪状态。
5、变频器旁路启动:不用变频器的变频功能,而是通过变频器旁路柜内的旁路开关,直接导通原引风机开关与电机之间电气连接的操作。
此时相当于引风机直接工频启动。
6、变频器旁路停止:直接操作原引风机开关,使电机停止运行的操作。
7、变频运行状态:变频器系统就绪,一经“变频器启动”操作即可让变频器运行的状态。
8、旁路运行状态:变频器旁路开关合闸,一经对原引风机开关进行合闸操作就可以让引风机工频运行的状态。
高压变频器手动一拖二旁路
变频改造方案为一拖二的方案,主要由两台刀闸柜、一台
变压器柜、一台功率单元柜和一台控制柜所组成。
高压变频器接入电气系统的方式如下图所示。
其中:QF1、QF2为高压开关,QS1、QS4为入口刀闸,QS2、QS5为出口刀闸,QS3、QS6为旁路刀闸。
高压母线段高压母线段
变频装置
电动机电动机
正常运行时:电机一运行于变频状态,电机二处于工频备用状态,此时QS1、QS3、QS5处于合闸状态,QS2、QS4、QS6处于分闸状态;同理如果电机二运行于变频状态,电机一处于工频状态,此时QS2、QS4、QS6处于合闸状态,QS1、QS3、QS5处于分闸状态。
正常切换时:如果电机一运行于变频状态,电机二处于工频备用状态,需要切换到电机二运行于变频状态,电机一处于工频备用状态,为了保证煤矿坑道的风量,第一步将电机二工频启动,同时将电机一变频停止,第二步将电机一工频启动,同时将电机二工频停止,第三步将电机二变频启动,同时将电机一工频停止备用,完成切换过程;同理也可完成反相切换。
电机除具备变频运行功能外,同时也具有工频旁路运行方式,以防止变频器发生故障退出后,还可以保证整个系统运行的可靠性。
QS2与QS3、QS5与QS6之间有机械互锁,以免工频、变频同时输出短路。
QS1与QS4之间有逻辑机械锁,以免KV两段电源有回流。
QS3和QS4,QS1和QS6之间有逻辑互锁,保证开关柜输入、输出对应的一致性。
QS3和QS6之间有逻辑互锁,确保变频器输出不同时驱动两电机。
如果检修高压变频器,两组风机都可以工频运行。
版本号:DS42.07MLVERT-D系列无电网污染高压大功率变频器MLVERT-D Harmonic-free High-Voltage Inverter操作手册Operation Handbook广东明阳龙源电力电子有限公司GuanDdong MingYang LongYuan Power Electronics Co., Ltd.2007-043.1确认AC220V控制电源已合上并且供电正常,整个变频系统处于良好的预备工作状态,如图3-1所示:图3-1说明:全部检查工作完成后,就可以根据工况实际需要,选择变频启动还是工频直接启动,具体操作请严格遵守以下规程。
第四章变频运行操作变频器变频运行共有两种控制方式,分别是:“触摸屏控制”和“远程控制(DCS控制)”。
本单将讲述触摸屏控制的操作方法。
4.1触摸屏控制变频运行操作,首先检查用户高压开关是否断开,负载电机及运行人员是否准备就绪。
4.1.1 仔细检查全部接线,并确认变频器前后柜门全部关好。
4.1.2 确认AC220V控制电源已合上并且供电正常,整个变频系统处于良好的预备工作状态。
4.1.3此时触摸屏上显示:“控制方式:触摸屏控制”。
如图4-1所示:图4-14.2 如果要凝结泵A以变频启动,凝结泵B工频备用4.2.1 在整个变频系统处于良好的预备工作状态后,触摸屏上“系统就绪”以红色高亮闪烁指示,如图4-2所示:图4-24.2.2 在触摸屏上按下“A泵启动”按钮,使QF4合闸,如图4-3所示:图4-34.2.3 延时5分钟后“请合高压”以红色高亮闪烁指示,如图4-4所示:图4-44.2.4 用户高压开关QF2合上后,QF2处于合闸状态,触摸屏上“系统等待”红色高亮闪烁指示。
如图4-5所示:图4-54.2.5 延时30S后触摸屏显示“请求运行”,如图4-6所示:图4-64.2.6 此时就可以根据实际工况需要设定频率,启动触摸屏上的“变频运行”按钮,如图4-7所示:图4-7全部操作完成以后且系统处于稳定运行状态后,触摸屏显示如图4-8所示:图4-84.3 如果要凝结泵B以变频启动,凝结泵A工频备用4.3.1 在整个变频系统处于良好的预备工作状态后,触摸屏上“系统就绪”以红色高亮闪烁指示,如图4-9所示:图4-94.3.2 在触摸屏上按下“B泵启动”按钮,使QF5合闸,如图4-10所示:图4-104.3.3 延时5分钟后“请合高压”以红色高亮闪烁指示,如图4-11所示:图4-114.3.4 用户高压开关QF3合上后,QF3处于合闸状态,触摸屏上“系统等待”红色高亮闪烁指示。
异步电动机变频调速一拖二控制技巧切换至工频运行,通过调节阀门开度调节流量,满足工艺要求的方案制,即变频一拖二控制。
通常情况下,一台电机变频运行,另一台作备用。
一般,变频故障切换旋钮在投入位置,当变频器故障时,当前运行的电机能自动切换到工频运行;这时变频控制回路可以退出,方便了维修。
110 kW 电机控制系统进行改造。
采用一台变频器分别拖动两台电机,二控制)。
1 设计原理1.1 主回路设计方案两种运行方式,两台电机共用一台变频器。
正常运行时为一开一备,一路供工频电,又分支两路(二、三回路)分别供电机MA、MB 工频控制;另一路供变频器,其输出也分支两路(一、四回路)分别供电机MA、MB。
由于变频器自身具有热保护功能,所以变频一、四回路不再外接热过载继电器,而在工频二、三回路加设电动机保护器FH。
的运行电流。
考虑到从变频器到电机电缆线路较长,变频器运行时将产生较强的高次谐波,对电机运行不利。
因此,在变频器主出线侧装影响。
由于电机一般运行在变频状态下,工频状态只是在变频器故障时运行。
3QF 下口较为理想,如图示La、Lb。
这样在变频回路故障、检修停电更换元器件时,控制电源不受影响,确保工业生产的稳定运行。
同下能断开变频侧主回路电源,以便变频器维修而不影响电机工频运行。
我公司使用的变频器类型较多,有西门子、ABB、施耐德、日产、国产的等。
由于对西门子变频器的原理、参数、技术特性、故障处理较为熟悉,并且西门子变频器质量较好、运行较为稳定,因此变频器选型为西门子ECO1-110K/3 型。
其端子5、9 接“变频器起停”信号,端子19、20 为“变频器故障”继电器5K输出端,端子21、22 为“变频器运行”继电器6K 输出端,端子3、4 接模拟量输入(4~20 m A), 端子12、13接模拟量输出。
并且保证变频器可靠接地。
1.2 控制回路设计方案1.2.1 MA电机控制回路如图2 所示,控制回路电源采用AC 220 V,MA电机有变频、工频两套回路,停止按钮共用,启动按钮各自设置。
变频恒压供水一拖二PLC 程序解析——PLC 步进指令应用实例之一一、变频恒压供水系统主电路和控制线路图:PEL3L2L1源电压指示作电流指示泵变频运行泵变频运行泵工频运行泵工频运行制电源体散热风机此系统是2000年前后,由上海博源自动化有限公司制作的(很想念他们,多年未联系了)。
主电路结构为变频一拖二形式。
控制原理简述如下: 系统由变频器、PLC 和两台水泵构成。
利用了变频器控制电路的PID 等相关功能,和PLC 配合实施变频一拖二自动恒压力供水。
具有自动/手动切换功能。
变频故障时,可切换到手动控制水泵运行。
控制过程:水路管网压力低时,变频器启动1#泵,至全速运行一段时间后,由远传压力表来的压力信号仍未到达设定值时,PLC 控制1#泵由变频切换到工运行,然后变频启动2#泵运行,据管网压力情况随机调整2#泵的转速,来达到恒压供水的目的。
当用水量变小,管网压力变高时,2#泵降为零速时,管网压力仍高,则PLC 控制停掉1#工频泵,由2#泵实施恒压供水。
至管网压力又低时,将2#泵由变频切为工频运行,变频器启动1#泵,调整1#泵的转速,维修恒压供水。
如此循环不已。
需要说明一下的是:变频器必须设置好PID 运行的相关参数,和配合PLC 控制的相关工作状态触点输出。
详细调整,参见东元M7200的说明书。
在本例中,须大致调整以下几个参数。
1、设置变频器启/停控制为外部端子运行;2、设置为自由停车方式,以避免变频/工频切换时造成对变频器输出端的冲击;3、设置PID 运行方式,压力设定值由AUX 端子进入。
反馈信号由VIN 端子进入;4、对变频器控制端子——输出端子的设置。
设定RA 、RC 为变频故障时,触点动作输出;设定R2A 、R2C 为变频零速时,触点动作输出;设定DO1、DOG 为变频器全速(频率到达)时,触点动作输出。
变频器零速信号变频器频率到达信手动/自动自动启动自动停止1#泵变频运行2#泵变频运行故障信号输入R200变频器故障信号1#泵工频故障2#泵工频故障变频器运转指令1#泵变频自动运行控制自动/手动控制1#泵工频手动运行控制2#泵变频自动运行控制2#泵工频手动运行控制1#泵变频自动运行2#泵变频自动运行1#泵变频自动运行2#泵变频自动运行1#泵工频运行指示2#泵工频运行指示故障指示上图为PLC 控制接线图。
注水泵一拖二变频柜操作规程与方法11、1 操作规程启动运行:先合电源柜的主电源电动开关,后按变频柜的启动运行按钮。
注意:如果同时需要1#和2#泵运行,必须先启动工频运行,后才能启动另一台泵变频运行。
停止运行:先按变频柜的停止按钮,后分电源柜的主电源电动开关。
紧急停止:直接按下电源柜上电源分闸开关!非紧急状态不可如此操作!11、2 启动运行或停止运行操作方法11、2、1 自动恒压启动运行(1)将变频柜上1#自动/2#自动切换开关拨到相应位置。
(2)将变频柜上自动/手动开关拨到自动位置。
(3)按住电源柜上变频电源合闸按钮2秒钟,直到听见电动开关合上的声音。
(4)如果在配电室操作:按住变频柜上1#变频启动运行按钮2秒钟(启动1#泵运行),直到听见接触器合上的声音。
(5) 如果在分控箱上操作:将分控箱上1#工频/变频运行主令开关指向变频启动运行2~3秒钟(启动1#泵运行),主电机风扇先转,主电机接着运行。
(6)2#泵操作与1#泵同理。
11、2、2 手动变频启动运行(1)将变频柜上自动/手动开关拨到手动位置。
(2)按住电源柜上变频电源合闸按钮2秒钟,直到听见电动开关合上的声音。
(3)如果在配电室操作:按住变频柜上1#变频启动运行按钮2秒钟(启动1#泵运行),直到听见接触器合上的声音。
(4) 调节频率调节旋钮,直到输出频率为所需运行频率。
(5)如果在分控箱上操作:将分控箱上1#工频/变频运行主令开关指向变频启动运行2~3秒钟(启动1#泵运行),主电机风扇先转,主电机接着运行。
(6)调节频率调节旋钮,直到输出频率为所需运行频率。
(7)2#泵操作与1#泵同理。
11、2、3 工频启动运行(1)按住电源柜上软启电源合闸按钮2秒钟,直到听见电动开关合上的声音。
(2)按住电源柜上1#工频电源合闸按钮2秒钟,直到听见电动开关合上的声音。
(3)如果在配电室操作:按住变频柜上1#软启转工频运行按钮2秒钟(启动1#泵运行),直到听见接触器合上的声音。
手动停止自动变频故障指示1#运行手動啟/停旁通启动
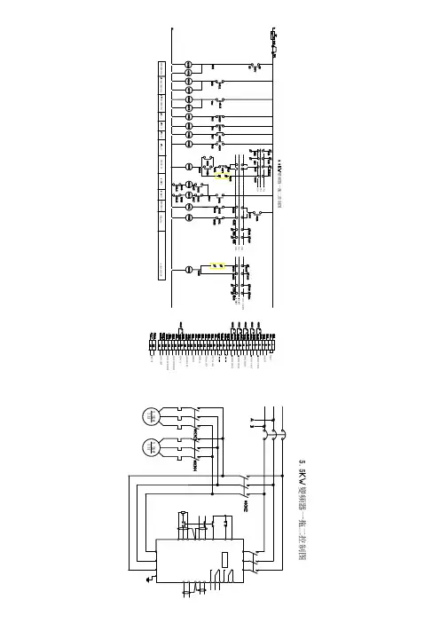
5.5變頻器一拖二控制图变频
停止旁路
1备2用主备风机切换
自动主备切换
1用2备1#风机故障指示2#风机故障指示1#停止2#停止2#运行變頻器启动短接点自动启停1#风机运行状态2#风机运行状态变频故障状态1#风机故障状态2#风机故障状态0~10V IN 启停手动状态启停自动状态变频状态旁路状态0~10 OUT 主备切换自动状态主备状态自动风机切换2用1备压差传感器主备切换手动状态24V电源2备1用 5.5變頻器一拖二控制图。
#1机凝结水泵变频器运行操作说明一、系统概述#1机凝结水泵变频室位于我公司一期汽机房零米,#1机定冷水系统北侧,按凸字形布置,采用“一拖二”方案设计;变频器入口电源开关利用原6KV IB段备用开关柜(10BBB15、1QF11),在变频器室除布置一套2800KVA变频器外,还新增两面6KV高压开关柜(1QF1、1QF2),分别用于变频器出口去1A、1B凝结水泵电机,为其提供变频动力电源;原1A、1B凝结水泵电机在6KV I段配电室的电源开关(10BBA04、10BBB04)作为凝结水泵电机工频电源开关继续使用。
二、电气系统一次接线图注:上图括号内编号为设计编号。
三、各系统逻辑说明(一)高压开关互锁逻辑1、高压开关1QF1和1A凝泵电机工频开关10BBA04(QF12)互锁;变频开关1QF2和1B凝泵电机工频开关10BBB04(QF13)互锁;2、在变频器上电自检成功,DCS中变频器控制界面发“允许合1QF1、允许合1QF2”光字后,才允许在操作界面上合1QF1或1QF2开关;但1QF1和1QF2开关之间也有互锁,不能同时都在合位,例如:当合上1QF1开关后,“允许合1QF2”光字消失,并闭锁1QF2合闸回路;在1QF1和1QF2开关电气控制回路中,设计了当变频器出口开关下口带电时,开关在就地控制权限下,闭锁就地合闸功能;当变频器运行时,高压开关1QF1和1QF2分合闸操作均被闭锁,防止带负荷状态下分合变频器出口开关,造成变频器内电子元件过压损坏。
3、高压开关1QF1(或1QF2)合闸和变频器预充电成功,变频器系统控制界面发“1QF11开关合闸允许”后,才能合变频入口电源开关10BBB15(1QF11);4、上述互锁逻辑在DCS软逻辑和电气控制回路中,采用双重化设计,保证闭锁功能动作可靠。
(二)凝泵变频器送电、启动操作下面以1A凝结水泵电机变频运行,1B凝结水泵电机工频备用运行方式为例,描述操作过程。
变频器运行操作规程变频器运行操作规程一、规范背景和目的为了确保变频器的正常运行、延长设备的使用寿命,提高生产效率和产品质量,特制定本操作规程。
二、工作职责1. 变频器操作员负责变频器的开机、运行、监控和关机等工作。
2. 变频器维修人员负责变频器的日常检修、维修和保养。
三、操作流程1. 开机操作(1)变频器操作员首先检查变频器的外观是否完好,机箱是否有异常噪音和异味。
(2)检查变频器的进、出线端子和连接线是否松动或有氧化现象。
(3)检查变频器的停机时间是否满足要求,如长时间停机需先通电预热。
(4)打开电源总开关,检查是否有电压波动的情况。
若正常,按下开机按钮。
(5)在触摸屏上确认变频器的运行参数是否设定正确,包括电机额定功率、运行频率等。
(6)点击启动按钮,变频器开始工作。
2. 运行操作(1)观察变频器运行状态,确保其正常运行。
(2)通过触摸屏监控变频器的运行参数,如电流、电压、频率等。
(3)定期检查变频器的温度,确保不超过额定温度范围。
(4)及时处理变频器故障和报警信息,避免因故障而导致停机。
3. 监控操作(1)观察变频器的工作状态,检查各个部件是否正常运行,如是否有异味、异响等。
(2)定期检测变频器的电流、电压、频率等运行参数,确保其在正常范围内。
(3)根据工艺要求调整变频器的运行频率和电流等参数。
(4)及时处理变频器故障和报警信息,确保设备运行的可靠性。
4. 关机操作(1)在停机前,先将负载卸下,减少变频器的负担。
(2)通过触摸屏切换到停机模式,确保变频器平稳停机。
(3)关闭电源总开关,切断电源供应。
五、安全防护1. 变频器操作员应穿戴好劳动防护用品,如安全帽、防护眼镜、防滑鞋等。
2. 变频器操作员禁止穿戴金属饰品和宽松的衣物,以防意外事故。
3. 在操作和维修变频器时,严禁随意触摸高压电源和运行机器。
4. 对于维修和保养变频器的人员,需要有相关的操作证书和经验。
5. 在操作和维修变频器时,要将设备停机并切断电源。
异步电动机变频调速一拖二控制技巧切换至工频运行,通过调节阀门开度调节流量,满足工艺要求的方案制,即变频一拖二控制。
通常情况下,一台电机变频运行,另一台作备用。
一般,变频故障切换旋钮在投入位置,当变频器故障时,当前运行的电机能自动切换到工频运行;这时变频控制回路可以退出,方便了维修。
110 kW 电机控制系统进行改造。
采用一台变频器分别拖动两台电机,二控制)。
1 设计原理1.1 主回路设计方案两种运行方式,两台电机共用一台变频器。
正常运行时为一开一备,一路供工频电,又分支两路(二、三回路)分别供电机MA、MB 工频控制;另一路供变频器,其输出也分支两路(一、四回路)分别供电机MA、MB。
由于变频器自身具有热保护功能,所以变频一、四回路不再外接热过载继电器,而在工频二、三回路加设电动机保护器FH。
的运行电流。
考虑到从变频器到电机电缆线路较长,变频器运行时将产生较强的高次谐波,对电机运行不利。
因此,在变频器主出线侧装影响。
由于电机一般运行在变频状态下,工频状态只是在变频器故障时运行。
3QF 下口较为理想,如图示La、Lb。
这样在变频回路故障、检修停电更换元器件时,控制电源不受影响,确保工业生产的稳定运行。
同下能断开变频侧主回路电源,以便变频器维修而不影响电机工频运行。
我公司使用的变频器类型较多,有西门子、ABB、施耐德、日产、国产的等。
由于对西门子变频器的原理、参数、技术特性、故障处理较为熟悉,并且西门子变频器质量较好、运行较为稳定,因此变频器选型为西门子ECO1-110K/3 型。
其端子5、9 接“变频器起停”信号,端子19、20 为“变频器故障”继电器5K输出端,端子21、22 为“变频器运行”继电器6K 输出端,端子3、4 接模拟量输入(4~20 m A), 端子12、13接模拟量输出。
并且保证变频器可靠接地。
1.2 控制回路设计方案1.2.1 MA电机控制回路如图2 所示,控制回路电源采用AC 220 V,MA电机有变频、工频两套回路,停止按钮共用,启动按钮各自设置。
同煤大唐塔山发电公司凝结泵一拖二变频器运行规程编写:姚贵忠审定:卜喜正批准:李军录发电部电气专业2009年8月20日凝结泵一拖二变频器运行规程一、系统介绍机组凝结泵变频调速系统主要包括:旁路柜(刀闸柜)、变压器柜、功率单元柜、控制柜四部分。
以上各部分依次自左至右安装在机组凝结泵变频器室内。
变频调速系统电气结构如下图:其中GK1、GK2、GK3为高压带电指示器,K1、K2、K3、K01、K02、K03为刀闸,带有电磁锁,用来切换凝结泵运行方式。
J 为移相变压器进线接触器,R 为限流电阻,起缓冲作用。
本系统为一拖二形式,只能有一台凝结泵在变频状态运行,同时另一台必须在工频状态备用。
如现在1号凝结泵变频运行,2号凝结泵工频运行,当需要切换2号凝结泵为变频运行时,需要先将2号泵投入工频运行,再将1号泵停运后切换为工频方式启动,再将2号泵停运后切换为变频方式启动,最后停运1号凝结泵。
变频、工频方式需要手动切换K1、K2、K3、K01、K02、K03刀闸实现。
如1号凝结泵要使用变频器时,先将K3、K01、K02断开,合上K1、K2、K03,电源开关合上,变频器进入充电状态,充电完成后就可以正常起动变频器。
6kV 电源由开关引入旁路刀闸柜后通过隔离开关进入变压器、变频器;变频器控制部分接受远方DCS 来的控制指令和变频器内部检测信号进行综合逻辑处理,对变频功率单元进行控制和监视;功率单元输出可变压变频的交流电源驱动电动机调速运行。
运行人员可通过DCS 控制变频器的启、停、加/减速,同时监视变频器输入、输出侧电流以及变频器报警、故障等运行工况,从而控制电动机转速改变凝结泵出口流量、压力实现调节,满足机组凝结水需要。
当变频器需要退出时,可通过旁路刀闸将变频器与凝结泵主电气回路实现隔离;凝结泵恢复原来的工频控制方式。
GK1GK2K01K1K3K2K02K03GK3ZINVERT(变频器)RJ6kV B段6kV A段1号凝结泵电机2号凝结泵电机凝结泵ZINVERT智能高压变频调速系统铭牌数据项目单位参数型号ZINVERT-A7H2800/06Y 适配电机功率kW 2300 额定容量kVA 2800输入电压V(AC) 6300输入电流A(AC) 256输入频率Hz 50输出电压V(AC) 0~6000输出电流A(AC) 0~300输出频率Hz 0~50环境湿度% <90环境温度℃-5~40使用海拔m <90防护等级IP20采用标准Q/(GZ)ZGDJ1-2008出厂日期2009.06生产厂家广州智光电机有限公司移相整流变压器铭牌数据型号ZGHVC-2800/6.3F-7 产品代号ZGY820-4D额定容量 2800 KVA 标准代号JB/T8636-1997相数 3 额定频率50 Hz使用方式户内冷却方式AF绝缘耐热等级H 连接组别Y/△短路阻抗 6.60% 绝缘水平LI60 AC20/AC20/AC5 海拔高度1000m 总重量4710kg分接头位置一次二次第三线圈额定电压额定电流额定电压额定电流X1Y1Z1 6000256.6 480 160.4 28kVA,yn连接,400V,40.4AX2Y2Z2 6300X3Y3Z3 6600组别 1 2 3 4 5 6 7二次移相角25.71°17.14°8.57°0°-8.57°-17.14°-25.71°生产厂家广州智光电气股份有限公司凝结泵变频器相关各元件位置状态位置设备名称1号变频运行2号工频备用时状态2号变频运行1号工频备用时状态1号、2号都工频运行时状态旁路柜1 1号凝结泵变频器输入刀闸K1 合分分1号凝结泵变频器旁路刀闸K3 分合合位置设备名称行2号工频备用时状态行1号工频备用时状态都工频运行时状态高压带电显示器GK1 亮灭亮旁路柜2 2号凝结泵变频器输入刀闸K01 分合分2号凝结泵变频器旁路刀闸K03 合分合高压带电显示器GK2 灭亮亮旁路柜3 1号凝结泵变频器输出刀闸K2 合分分2号凝结泵变频器输出刀闸K02 分合分高压带电显示器GK3 亮亮灭变频器输出PT保险FUA、FUB、FUC(XRNP1型,12kV,0.5A)给上给上给上变压器柜上部风扇三组运行运行停运功率单元柜上部风扇三组运行运行停运控制柜上部风扇一组运行运行停运变压器智能温度控制仪有读数有读数退出“总停”按钮拔出拔出拔出“远程/就地”切换开关远程远程就地UPS 启动启动停止外供380V AC电源开关QS1四联合合分变压器自供380V AC电源开关QS2四联合合分风机电源380V AC开关QS3三联合合分直流220V DC控制电源开关QS4两联合合分交流220V AC控制电源开关QS5两联合合分允许“总停”按钮跳6kV开关压板合入合入允许跳6kV开关压板合入合入强制开柜门压板(标有严禁操作)退出退出退出功率柜、变压器柜柜门锁保险FU1(±12VDC,10A)给上给上给上照明及刀闸指示灯保险FU2(220V AC,4A)给上给上给上控制柜声光报警器保险FU3(220V AC,4A)给上给上给上PLC控制器交流保险FU4(220V AC,4A)给上给上给上PLC控制器直流保险FU5(220V DC,4A)给上给上给上位置设备名称行2号工频备用时状态行1号工频备用时状态都工频运行时状态控制回路保险FU6(±220V DC,4A)给上给上给上移相变压器轴流风机保险FU21、FU22、FU23(220V AC,4A)给上给上给上变频器室2台空调运行运行停运墙上部两台排风扇运行运行停运二、凝结泵变频器投运1 凝结泵变频器启动操作1.1 凝结泵及其电机所有工作票已结束,工作现场清洁,所有措施已恢复。
变频器一拖二参数设置99.01 ENGLISH 12.01 NOT SEL 20.03 200A(300A) 99.02 FACTORY 20.04 300%99.03 NO 13 不设20.05 ON99.04 SCALAR 20.06 OFF99.05 380 14.01 FAULT 20.07 -5099.06 152(210)A 14.02 FAULT 20.08 5099.07 50 14.03 FAULT 20.11 300%99.08 1477(1480) 14.04-14.09 0 20.12 -300%99.09 80KW(110KW)20.13 NEG MAX TOPQ 99.1 ID MAGN 15.01 CURRENT 20.14 MAX LIM115.02 NO10.01 DI1,2 15.03 0/4(新系统)21.01 AUTO10.02 NOT SEL 15.04 0.1 21.02 50010.03 REQUEST 15.05 76% 21.03 COAST10.04-10.05 0 15.06 SPEED 21.04 NO10.06 NOT SEL 15.07 NO 21.05 510.07-10.08 0 15.08 0/4(新系统)21.06 20%15.09 0.1 21.07 COAST STOP 11.01 REF1 15.1 38% 21.08 NO11.02 EXT1 15.11-15.12 0 21.09 OFF2 STOP 11.03 DI3U,4D(R) 21.1 011.04 0单位(HZ) 16.01 YES11.05 50单位(HZ) 16.02 OPEN 22.01 ACC/DEC1 11.06 KEYPAD 16.03 0 22.02 811.07 0% 16.04 NOT SEL 22.03 611.08 100% 16.05 NOT SEL 22.04 811.09-11.11 0 16.06 OFF 22.05 616.07 DONE 22.06 016.08 0 22.07 316.09 INTERNAL 24V 22.08 022.09 0 30.19 330.2 ZERO25.01 OFF 30.21 330.22 NO26.01 NO 30.23 00000000 26.02 YES26.03 0 31.01 026.04 NO 31.04 NO26.05 0 31.05 NO31.06 NO27.01 OFF 31.07 NO30.01 NO 32.01 NO30.02 FAULT30.03 NOT SEL 35.01 NOT IN USE 30.04 NO30.05 DTC 42.01 OFF30.06 不设30.07 100% 60.01 NOT IN USE 30.08 74%30.09 4530.1 FAULT30.11 530.12 1030.13 NO30.14 60030.15 130.16 FAULT30.17 FAULT30.18 FAULTACS80010 START/STOP/DIR(外部启动、停机和转向控制信号源)10.01 NOT SEL(一次) DI1(二次)10.2 DI1(一次)10.3 FORWARD (固定为正向)11.01REF1(控制盘上选择给定类型),速度给定11.02DI1 DI1闭合,选择EXT2端口11.03AI1(一次) AI2(二次)模拟输入11.040HZ 外部给定最小值11.0550HZ 外部给定最大值11.06AI211.070%11.08100%12.01DI4模拟输入信号内部处理13.010V13.0210V13.03100%13.040.1S(模拟输入滤波时间哎你)13.05NO13.064Ma13.0720Ma13.08100%13.090.1s13.10NO14.03FAULT(故障输出方式),继电器输出(RO3),满足条件时,继电器处于通电状态14.040.0S(延时)14.050.0S14.060.0S14.070.0S14.080.0S14.090.0S15.01模拟输出对应的实际信号SPEED(电机转速)FREQUENCY(频率) CURRENT(电流) POWER(功率),15.02NO(取反功能)15.034mA (模拟输出最小值)16.01YES(一直允许运行)16.02OPEN(参数锁打开)16.03输入开锁密码(358)16.04DI3(复位)16.05NOT SEL(用户宏变换不能通过数字输入实现)16.06OFF(允许本地控制)16.07DONE(完成存储)16.09 INTERNAL 24V(控制板电源,内部默认)16.10ON(助手启用)16.12 0N(不复位)20.03(电机电流最大允许值)20.04300%(最大转矩极限值1)20.05ON(激活过电压控制)20.06ON(激活欠电压控制)20.07-0,00HZ(最小频率极限值),如果此值为正,电机不可能反向运转20.0849HZ(最大频率极限值)20.13NEG MAX TORQ20.14MAX LIM121 电机启动和停止的方式21.01AUTO(自动启动)21.02励磁时间(<10kw >100-200ms, 10-200kw >200-1000ms)21.03COAST(电机停止方式,自由停车)21.07COAST STOP (运行允许信号无效时停车模式,自由停车)加速/减速时间22.01ACC/DEC SEL22.0220S (加速) TIME122.0320S(减速)TIME122.0460S (加速) TIME222.0560S (减速)TIME222.06斜坡曲线时间与加速斜坡时间的比值最好1/5较为合适。
变频器一拖二经典案例解析有网友留言说:变频器控制两台电机,如何实现启动时先启动接触器,后启动变频器,而停止时先关变频器后关接触器呢,求大神指导?回复解答:图中,按下启动按钮SB1,接触器KM吸合,KM主回路闭合,其辅助点闭合变频器启动,同时变频器内部运行辅助触点Ka 闭合,使KM保持,变频器运行;当按下停止按钮SB2,中继K吸合并保持,其辅助常闭点断开变频器启动回路,变频器开始停车;当变频器转速由高降为近0停运后,其内部行辅助触点Ka断开,接触器KM失电断开,同时停止回路断开,变频器停运。
从而达到启动时,主回路接触器KM闭合后变频器启动,停止时变频器停运后主回路接触器KM才断开的控制。
运行中当变频器发生故障时,Ka断开,同时Kb也断开,回路断开变频器停运。
在实际应用中,变频器一拖多往往应用于那种电机功率不大(7.5KW以内),但电机很多的场合——例如生产线的变频驱动(很多小功率电机的情况)、辊道窑炉的传动电机等等。
那么如何实现变频器一拖二甚至一拖多功能?案例:某厂的窑炉传动就是这样的,这样的窑炉很多——1台11KW的富士变频器带了15台0.55KW的摆线针轮减速电机。
而且,这些电机可能随时启停————在电机就地设置了电机保护开关,可以随时启停电机,以对电机所在的链条等机械传动进行维修。
电机离变频器的平均距离约30米左右。
该系统正常运行多年,未发现有异常状况出现。
如果按正常变频器一拖一的方式虽然也很稳妥,但是1条窑就十几个电机,那几条窑得多少个变频器?那控制室里面岂不是成了变频器仓库?还有生产成本、维修量、噪音、温升都成了问题。
所以这时候变频器采用一拖多的方式就更能节约成本、减少故障率、也便于操作和维护。
那么变频器如何实现一拖多的功能?下面仅仅对一次电气原理图做出示例。
二次电气原理图需要根据控制要求设计,此处暂不赘述。
设备选型1. 变频器选型在选型的时候,首先要考虑运行工况————其中一台或多台电机是否要在变频器运行过程中随时启停。
一拖二变变频器操作流程一、变频启动、停止、升降频运行步骤
二、变频器工频运行
6KV工作II段变频器操作流程
二、变频器工频运行
备注:一拖二互切流程
正常切换时:
如果电机一运行于变频状态,电机二处于工频备用状态,需要切换到电机二运行于变频状态,电机一处于工频备用状态,为了保证出水母管的压力,第一步将电机二工频启动,同时将电机一变频停止,第二步将电机一工频启动,同时将电机二工频停止,第三步将电机二变频启动,同时将电机一工频停止备用,完成切换过程;同理也可完成反相切换。
高压给水泵除具备变频运行功能外,同时也具有工频旁路运行方式,以防止变频器发生故障退出后,还可以保证整个系统运行的可靠性。
QS2与QS3、QS5与QS6之间有机械互锁,确保工频、变频同时输出造成输出短路。
QS1与QS4之间有逻辑机械锁,避免6KV两段电源有回流。
QS3和QS4,QS1和QS6之间有逻辑互锁,保证开关
柜输入、输出对应的一致性。
QS3和QS6之间有逻辑互锁,确保变频器输出不同时驱动两电机。