4KW变频器一拖二电气原理图
- 格式:pdf
- 大小:185.24 KB
- 文档页数:1
变频器一拖二必须具备仿真调试功能。
变频器应具备仿真调试功能选相,当外部电机不具备连接和安装条件时,可以将变频器设定到仿真调试功能,模拟出电机的转速、转向、电流、输出电压等,但同时保证变频器无动力电输出,实现安全预调试。
变频器调速范围:0-107%连续可调。
变频器加/减速时间:0.1-3600秒(根据负载情况可设定)。
变频器输出频率:0-75Hz(根据电机情况可设定)。
变频器的平均无故障时间MTBF要高于50000小时。
变频器可做为软启动器使用。
用户可调用数字表,可显示速度、电流、电压、功率等。
变频器能够报告参数、故障记录、故障分析。
变频器具有浪涌吸收保护电路。
变频器至少应配备以下设备l 输入侧的滤波器l 输出电抗器l 直流电抗器l 安装在开关柜面板上的操作面板及其连线整套变频控制装置等所有部件及内部连线一体化设计,用户只须连接输入/输出电缆,控制电源和控制信号线即可。
变频器应有过电压,过电流,欠电压,缺相,变频器过载,变频器过热,电机过载,输出接地,输出短路等保护功能,并能联跳输入侧开关。
变频器应设有标准的双RS485接口,内部要求可以配置多种标准通讯协议以便与电气监控管理系统(ECMS)进行通讯联系。
具体协议型式待定。
为便于用户现场维护,变频器的现场操作界面应为中文显示,能同时显示变频器母线电压值、电机电流、变频器输出频率、电机运行方向、变频器的速度给定方式(如自动/手动方式)、变频器当前状态(是否故障及故障时间),可以实现七行液晶显示。
变频器的控制单元采用32位或以上CPU。
控制面板可以安装在变频器本体上,也可以安装在变频器柜门上,而且控制面板可以在变频器运行时实现带电插拔并且不会引起变频器停机故障;变频器的操作面板可同时存储2套所有变频器参数和通讯卡参数,并可下载到新的变频器中。
要求变频器本体具有24V直流电源,开关量I/O端子具备多种组态功能。
变频器的频率输出信号应为4~20mA.变频器的指令接受信号(来自DCS)也应为4~20mA。
变频器的电路原理图及其调速原理————————————————————————————————作者:————————————————————————————————日期:变频器电路原理图一、变频器开关电源电路变频器开关电源主要包括输入电网滤波器、输入整流滤波器、变换器、输出整流滤波器、控制电路、保护电路。
我们公司产品开关电源电路如下图,是由UC3844组成的开关电路:开关电源主要有以下特点:1,体积小,重量轻:由于没有工频变频器,所以体积和重量吸有线性电源的20~30%2,功耗小,效率高:功率晶体管工作在开关状态,所以晶体管的上功耗小,转化效率高,一般为60~70%,而线性电源只有30~40%二、二极管限幅电路限幅器是一个具有非线性电压传输特性的运放电路。
其特点是:当输入信号电压在某一范围时,电路处于线性放大状态,具有恒定的放大倍数,而超出此范围,进入非线性区,放大倍数接近于零或很低。
在变频器电路设计中要求也是很高的,要做一个好的变频器维修技术员,了解它也相当重要。
1、二极管并联限幅器电路图如下所示:2、二极管串联限幅电路如下图所示:三、变频器控制电路组成如图1所示,控制电路由以下电路组成:频率、电压的运算电路、主电路的电压、电流检测电路、电动机的速度检测电路、将运算电路的控制信号进行放大的驱动电路,以及逆变器和电动机的保护电路.在图1点划线内,无速度检测电路为开环控制。
在控制电路增加了速度检测电路,即增加速度指令,可以对异步电动机的速度进行控制更精确的闭环控制。
1)运算电路将外部的速度、转矩等指令同检测电路的电流、电压信号进行比较运算,决定逆变器的输出电压、频率。
2)电压、电流检测电路与主回路电位隔离检测电压、电流等。
3)驱动电路为驱动主电路器件的电路,它与控制电路隔离使主电路器件导通、关断。
4)I/0输入输出电路为了变频器更好人机交互,变频器具有多种输入信号的输入(比如运行、多段速度运行等)信号,还有各种内部参数的输出“比如电流、频率、保护动作驱动等)信号。
变频器一拖二水泵的控制原理一、变频器的基本原理变频器是一种能将电能转换为可调节频率和电压的设备。
变频器包括整流器、滤波器、逆变器和控制电路等主要部分。
其中,整流器将交流电源转换为直流电源,滤波器是为了减小电压的脉动,逆变器将直流电源转换为可调频率和电压的交流电源,控制电路根据输入的控制信号对变频器进行控制。
二、一拖二水泵的控制一拖二水泵是指一个变频器驱动两个水泵同时工作。
变频器通过调节水泵的转速来控制水泵的流量,实现对水泵的精确控制。
1.确定工作方式一拖二水泵通常有两种工作方式:主泵-备泵工作方式和主泵-辅泵工作方式。
主泵-备泵工作方式是指主泵和备泵在运行时刻交替工作,备泵在主泵故障时启动。
主泵-辅泵工作方式是指主泵在正常运行时,辅泵作为辅助泵,当流量过大时才启动。
2.设置变频器参数根据实际情况,设置变频器的工作频率、电压、最大转速、最小转速等参数。
这些参数会直接影响水泵的运行状态和工作性能。
3.控制水泵的转速通过调节变频器的输出频率和电压,可以调节水泵的转速。
当输出频率增加时,水泵的转速也会相应增加,进而提高水泵的流量;反之,当输出频率减小时,水泵的转速也会降低,从而减小水泵的流量。
4.设置保护功能为了保证水泵的安全运行,变频器还可以设置过流保护、过压保护、欠压保护、过载保护等功能。
当水泵出现异常运行状态时,变频器会自动检测并进行相应的保护措施,避免设备损坏。
5.实现一拖二控制在一拖二水泵系统中,通过一个变频器同时控制两个水泵的转速,可以实现两台水泵的同步运行。
在工作过程中,如果一台水泵发生故障,变频器可以自动切换到备用的水泵,保证系统的正常工作。
三、优点与应用1.精确控制:变频器可以根据实际需求精确调节水泵的转速和流量,提高水泵的工作效率。
2.节能降耗:变频器可以根据实时需求调整水泵的转速,最大程度地节约能源。
3.操作简便:通过变频器可以对整个系统进行集中控制,方便操作和管理。
4.应用广泛:一拖二水泵广泛应用于楼宇、工业、农业等领域,满足不同行业的多样化需求。
我们所说的一拖二一般有两种情况,
第一种情况是:一台大变频器拖动两台较小的电机,这两台电机的运行逻辑是同时启动和停止,这种控制方式比较简单,直接按照拖动一台来设计,只是在每台电机前加上相应的保护即可。
按汇川MD320系列变频器画的一次图如下:
需要注意的是,变频器的功率必须大于二台电机功率之和,而且电机保护要分别装置。
同样的原理可以实现一拖三甚至一拖多,在纺织厂曾经见过一拖一百的情况。
第二种情况是一台变频器在启动时拖动1#电机,当1#电机达到工频转速时,将负载投切到市电上;然后变频器停机投切到2#电机上再启动;一次原理如下:
其中,KM1和KM2机械电气互锁,KM3和KM4机械电气互锁。
二次图:。
变频器工作原理图解(总5页) -本页仅作为预览文档封面,使用时请删除本页-变频器工作原理图解1 变频器的工作原理变频器分为 1 交---交型输入是交流,输出也是交流将工频交流电直接转换成频率、电压均可控制的交流,又称直接式变频器2 交—直---交型输入是交流,变成直流再变成交流输出将工频交流电通过整流变成直流电,然后再把直流电变成频率、电压、均可控的交流电又称为间接变频器。
多数情况都是交直交型的变频器。
2 变频器的组成由主电路和控制电路组成主电路由整流器中间直流环节逆变器组成先看主电路原理图三相工频交流电经过VD1 ~ VD6 整流后,正极送入到缓冲电阻RL中,RL的作用是防止电流忽然变大。
经过一段时间电流趋于稳定后,晶闸管或继电器的触点会导通短路掉缓冲电阻RL ,这时的直流电压加在了滤波电容CF1、CF2 上,这两个电容可以把脉动的直流电波形变得平滑一些。
由于一个电容的耐压有限,所以把两个电容串起来用。
耐压就提高了一倍。
又因为两个电容的容量不一样的话,分压会不同,所以给两个电容分别并联了一个均压电阻R1、R2 ,这样,CF1 和CF2 上的电压就一样了。
继续往下看,HL 是主电路的电源指示灯,串联了一个限流电阻接在了正负电压之间,这样三相电源一加进来,HL就会发光,指示电源送入。
接着,直流电压加在了大功率晶体管VB的集电极与发射极之间,VB的导通由控制电路控制,VB上还串联了变频器的制动电阻RB,组成了变频器制动回路。
我们知道,由于电极的绕组是感性负载,在启动和停止的瞬间都会产生一个较大的反向电动势,这个反向电压的能量会通过续流二极管VD7~VD12使直流母线上的电压升高,这个电压高到一定程度会击穿逆变管V1~V6 和整流管VD1~VD6。
当有反向电压产生时,控制回路控制VB导通,电压就会通过VB在电阻RB释放掉。
当电机较大时,还可并联外接电阻。
一般情况下“+”端和P1端是由一个短路片短接上的,如果断开,这里可以接外加的支流电抗器,直流电抗器的作用是改善电路的功率因数。
变频一拖二恒压供水变频一拖二恒压供水产品特点1. 变频一拖二恒压供水按辅助供水方式可分为无辅助供水、小型水泵辅助供水、小型气压水罐辅助供水3种无辅助供水:同型号水泵互为备用,小流量供水时效率较低;小型水泵辅助供水:有两种以上规格的水泵(主泵和副泵),大流量条件下主泵运行,小流量条件下启用副泵,夜间流量接近零时仍然存在能量浪费;小型气压水罐辅助供水:小流量条件下切换到气压供水方式,避免能量浪费,隔膜式气压水罐可缓冲水锤压力波动。
2. 变频一拖二恒压供水按稳流罐构造可分为气水分离、气水接触2种气水分离:利用胶囊将水和空气隔离,空气与水无接触,卫生条件好,对水锤压力波动有缓冲作用;气水接触:消除负压时空气通过过滤器进入稳流罐,空气与水有接触,卫生条件取决于过滤器质量。
3. 变频一拖二恒压供水按供水压力可分为恒压变量、变压变量2种恒压变量:供水量随用水量变化,但供水水压保持设定值的供水方式。
控制简单,但节能不充分;变压变量:供水量随用水量变化,供水水压按设定供水工作曲线或配水管网终端多点压力控制的供水方式。
节能充分,控制系统比较复杂,管网压力有波动。
无负压供水设备的主要功能●该设备具有过压、欠压、过流、过载,瞬间停电,电子热保护等保护功能。
●变频器有完善的自诊断功能,当故障出现时能显示出故障信息代码以便用户对照。
●设备设有液位传感器系统,可防止水池缺水时烧毁水泵、变频器。
●设备设有相序保护和断相保护功能,如设备在使用过程中出现断相,相序错换,设备能自保护停机。
●设备具有定时泵切换功能,而使各泵的运转时间均一化,从而提高了泵的使用寿命。
●具有自动和手动运行功能。
当自动部分出现问题时,可转换到手动档工作。
●设备有消防供水接口系统,可以与用户的火警传感系统连接,可达到遇火警时消防高压用水自动开启的目的。
即两种设定压力。
●内置实时钟。
可编程压力运行时间图,多达每日8 段定时高低压供水功能。
变频一拖二恒压供水工作原理:变频一拖二恒压供水投入使用,自来水管网的水进入供水罐,罐内空气从真空消除器排除,待水充满后,真空消除器自动关闭。
变频器的电路原理图及其调速原理————————————————————————————————作者:————————————————————————————————日期:变频器电路原理图一、变频器开关电源电路变频器开关电源主要包括输入电网滤波器、输入整流滤波器、变换器、输出整流滤波器、控制电路、保护电路。
我们公司产品开关电源电路如下图,是由UC3844组成的开关电路:开关电源主要有以下特点:1,体积小,重量轻:由于没有工频变频器,所以体积和重量吸有线性电源的20~30%2,功耗小,效率高:功率晶体管工作在开关状态,所以晶体管的上功耗小,转化效率高,一般为60~70%,而线性电源只有30~40%二、二极管限幅电路限幅器是一个具有非线性电压传输特性的运放电路。
其特点是:当输入信号电压在某一范围时,电路处于线性放大状态,具有恒定的放大倍数,而超出此范围,进入非线性区,放大倍数接近于零或很低。
在变频器电路设计中要求也是很高的,要做一个好的变频器维修技术员,了解它也相当重要。
1、二极管并联限幅器电路图如下所示:2、二极管串联限幅电路如下图所示:三、变频器控制电路组成如图1所示,控制电路由以下电路组成:频率、电压的运算电路、主电路的电压、电流检测电路、电动机的速度检测电路、将运算电路的控制信号进行放大的驱动电路,以及逆变器和电动机的保护电路.在图1点划线内,无速度检测电路为开环控制。
在控制电路增加了速度检测电路,即增加速度指令,可以对异步电动机的速度进行控制更精确的闭环控制。
1)运算电路将外部的速度、转矩等指令同检测电路的电流、电压信号进行比较运算,决定逆变器的输出电压、频率。
2)电压、电流检测电路与主回路电位隔离检测电压、电流等。
3)驱动电路为驱动主电路器件的电路,它与控制电路隔离使主电路器件导通、关断。
4)I/0输入输出电路为了变频器更好人机交互,变频器具有多种输入信号的输入(比如运行、多段速度运行等)信号,还有各种内部参数的输出“比如电流、频率、保护动作驱动等)信号。
高压变频器手动一拖二旁路
变频改造方案为一拖二的方案,主要由两台刀闸柜、一台
变压器柜、一台功率单元柜和一台控制柜所组成。
高压变频器接入电气系统的方式如下图所示。
其中:QF1、QF2为高压开关,QS1、QS4为入口刀闸,QS2、QS5为出口刀闸,QS3、QS6为旁路刀闸。
高压母线段高压母线段
变频装置
电动机电动机
正常运行时:电机一运行于变频状态,电机二处于工频备用状态,此时QS1、QS3、QS5处于合闸状态,QS2、QS4、QS6处于分闸状态;同理如果电机二运行于变频状态,电机一处于工频状态,此时QS2、QS4、QS6处于合闸状态,QS1、QS3、QS5处于分闸状态。
正常切换时:如果电机一运行于变频状态,电机二处于工频备用状态,需要切换到电机二运行于变频状态,电机一处于工频备用状态,为了保证煤矿坑道的风量,第一步将电机二工频启动,同时将电机一变频停止,第二步将电机一工频启动,同时将电机二工频停止,第三步将电机二变频启动,同时将电机一工频停止备用,完成切换过程;同理也可完成反相切换。
电机除具备变频运行功能外,同时也具有工频旁路运行方式,以防止变频器发生故障退出后,还可以保证整个系统运行的可靠性。
QS2与QS3、QS5与QS6之间有机械互锁,以免工频、变频同时输出短路。
QS1与QS4之间有逻辑机械锁,以免KV两段电源有回流。
QS3和QS4,QS1和QS6之间有逻辑互锁,保证开关柜输入、输出对应的一致性。
QS3和QS6之间有逻辑互锁,确保变频器输出不同时驱动两电机。
如果检修高压变频器,两组风机都可以工频运行。
变频器工作原理图解1 变频器的工作原理变频器分为 1 交---交型输入是交流,输出也是交流将工频交流电直接转换成频率、电压均可控制的交流,又称直接式变频器2 交—直---交型输入是交流,变成直流再变成交流输出将工频交流电通过整流变成直流电,然后再把直流电变成频率、电压、均可控的交流电又称为间接变频器。
多数情况都是交直交型的变频器。
2 变频器的组成由主电路和控制电路组成主电路由整流器中间直流环节逆变器组成先看主电路原理图三相工频交流电经过VD1 ~ VD6 整流后,正极送入到缓冲电阻RL中,RL的作用是防止电流忽然变大。
经过一段时间电流趋于稳定后,晶闸管或继电器的触点会导通短路掉缓冲电阻RL ,这时的直流电压加在了滤波电容CF1、CF2 上,这两个电容可以把脉动的直流电波形变得平滑一些。
由于一个电容的耐压有限,所以把两个电容串起来用。
耐压就提高了一倍。
又因为两个电容的容量不一样的话,分压会不同,所以给两个电容分别并联了一个均压电阻R1、R2 ,这样,CF1 和CF2 上的电压就一样了。
继续往下看,HL 是主电路的电源指示灯,串联了一个限流电阻接在了正负电压之间,这样三相电源一加进来,HL就会发光,指示电源送入。
接着,直流电压加在了大功率晶体管VB的集电极与发射极之间,VB的导通由控制电路控制,VB上还串联了变频器的制动电阻RB,组成了变频器制动回路。
我们知道,由于电极的绕组是感性负载,在启动和停止的瞬间都会产生一个较大的反向电动势,这个反向电压的能量会通过续流二极管VD7~VD12使直流母线上的电压升高,这个电压高到一定程度会击穿逆变管V1~V6 和整流管VD1~VD6。
当有反向电压产生时,控制回路控制VB导通,电压就会通过VB在电阻RB释放掉。
当电机较大时,还可并联外接电阻。
一般情况下“+”端和P1端是由一个短路片短接上的,如果断开,这里可以接外加的支流电抗器,直流电抗器的作用是改善电路的功率因数。
变频器原理及接线图。
变频器(VFD )是应用变频技术与微电子技术,通过改变电机工作电源频率方式来控制交流电动机的电力控制设备。
变频器主要由整流(交流变直流)、滤波、逆变(直流变交流)、制动单元、驱动单元、检测单元微处理单元等组成。
变频器靠内部IGBT 的开断来调整输出电源的电压和频率,根据电进而达到节能、调速的目的,另外,变频器还有很多的保护功能,如过流、过压、过载保护等等。
变频器工作原理主电路是给异步电动机提供调压调频电源的电力变换部分,变频器的主电路大体上可分为两类:电压型是将电压源的直流变换为交流的变频器,直流回路的滤波是电容。
电流型是将电流源的直流变换为交流的变频器,其直流回路滤波是电感。
它由三部分构成,将工频电源变换为直流功率的“整流器”,吸收在变流器和逆变器产生的电压脉动的“平波回路”,以及将直流功率变换为交流功率的“逆变器”。
变频器接线图变频器接线方法一、主电路的接线1、电源应接到变频器输入端R 、S 、T 接线端子上,一定不能接到变频器输出端(U 、V 、W )上,否则将损坏变频器。
接线后,零碎线头必须清除干净,零碎线头可能造成异常,失灵和故障,必须始终保持变频器清洁。
等进入变频器中。
2、在端子+,PR 间,不要连接除建议的制动电阻器选件以外的东西,或绝对不要短路。
/article/zhishi/bpq/3、电磁波干扰,变频器输入/输出(主回路)包含有谐波成分,可能干扰变频器附近的通讯设备。
因此,安装选件无线电噪音滤波器FR-BIF 或FRBSF01或FR-BLF 线路噪音滤波器,使干扰降到最小。
4、长距离布线时,由于受到布线的寄生电容充电电流的影响,会使快速响应电流限制功能降低,接于二次侧的仪器误动作而产生故障。
因此,最大布线长度要小于规定值。
不得已布线长度超过时,要把Pr .156设为1。
5、在变频器输出侧不要安装电力电容器,浪涌抑制器和无线电噪音滤波器。
否则将导致变频器故障或电容和浪涌抑制器的损坏。
一拖二恒压供水控制系统中的PLC与变频器一拖二恒压供水控制系统1引言变频变频技术就是将近十几年来快速发展出来的比以往任何变频方法更加优越的新技术,因其具有节能效果明显、调速曲线平滑、调速过程简单、安全可靠、保护功能齐全、起动性能优越、自动化程度高等特点而受到越来越多的企业的青睐,被应用到工业生产控制过程中的任何场合,显著的节能效果给众多的企业带来了巨大的经济效益。
特别是近几年来随着igbt功率元件和dsp微处理系统在变频器中的应用,变频器本身已非常成熟,使得变频调速技术的优越性更加突出,传动效率越来越高,使用越来越方便,可靠性也得到了进一步的提高。
2系统形成及掌控方案2.1系统形成一拖二(一台变频器控制两台电机)变频恒压供水控制系统由变频器、信号采集及处理系统和控制系统3部分组成。
(1)变频器此系统对变频器的建议不低,现有国内外各品牌变频器基本都能够满足用户技术建议,在此我们以深圳蓝海华腾e5-p-4t18.5变频器为基准。
此变频器经过几番更新换代,质量更加可信、性能更加平衡,与国内其他品牌较之性价比较低。
再加之恒压供水专用扩展卡ex-dt03,并使控制系统更直观便利。
(2)信号收集及处置系统该系统主要由压力变送器,信号隔离器及pid调节器等组成,对就地采集的信号进行处理和转换,为控制系统提供一个准确可利用的信号。
(3)控制系统该控制系统由按钮、继电器、接触器、触摸屏等电子电气元件共同组成。
该系统做为变频变频掌控主体,可以掌控水泵的电控、提失速运转以及泵间的相互转换等。
主要电气元件均使用国内领先产品。
tpc7062ks就是北京昆仑通态旗下产品。
直观易学的组态的软件,并使它组态便利轻便,益于操作方式。
2.2控制系统方案为了同时实现恒压力供水的目的,系统使用闭环控制,同时考量系统的安全性,额外开环掌控,做为水泵。
开环、闭环之间可以便利的展开切换。
压力传感器展开实时检测,并将检测至的管道水压信号经过切换后传输给变频pid调节器,pid调节器将此信号与取值值展开比较后,经过一系列的运算将输入一个标准的掌控信号给本系统的执行器-变频器,变频器根据调节器输入信号的变化去发生改变其输入频率,进而发生改变水泵电机的输出功率,以此去掌控出水量的大小。
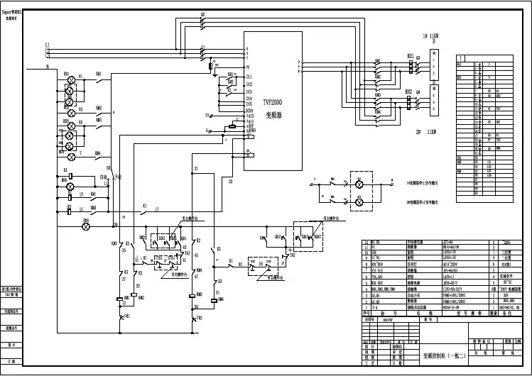
FU1 FU2S1S230AQF1QF2QF3QF4450VL31R S TKM1 Y00 1 令 令 令 令COMSCVIN RA RC R2A R2C D01 DOG令令X00 令KM2令 令 令令 令 380V 令令220V令令 令 令令P T300R+15V AUS GNDX01 令COM令令 令 FR1FR2u1k令令 令M02.2kKM3 KM4R200 S200M1 M2变频恒压供水一拖二 PLC 程序解析——PLC 步进指令应用实例之一一、变频恒压供水系统主电路和控制线路图:QF0L1 L2 L3 PETA1令令此系统是 2000 年前后,由上海博源自动化有限公司制作的(很想念他们,多年未联系了)。
主电路结构为变频一拖二形式。
控制原理简述如下:系统由变频器、PLC 和两台水泵构成。
利用了变频器控制电路的 PID 等相关功能,和 PLC 配合实施变频一拖二自动恒压力供水。
具有自动/手动切换功能。
变频故障时,可切换到手动控制水泵运行。
控制过程:水路管网压力低时,变频器启动 1#泵,至全速运行一段时间后, 由远传压力表来的压力信号仍未到达设定值时,PLC 控制 1#泵由变频切换到工运行,然后变频启动 2#泵运行,据管网压力情况随机调整 2#泵的转速,来达到恒压供水的目的。
当用水量变小,管网压力变高时,2#泵降为零速时,管网压力仍高,则 PLC 控制停掉 1#工频泵,由 2#泵实施恒压供水。
至管网压力又低时, 将 2#泵由变频切为工频运行,变频器启动 1#泵,调整 1#泵的转速,维修恒压供令令 令令 令 令 令 令令 令2#令 令 令 令 令1#令 令 令 令 令2#令 令 令 令 令1#令 令 令 令 令令令 令 令 令 令令 令 令 令水。
如此循环不已。
需要说明一下的是:变频器必须设置好 PID 运行的相关参数,和配合 PLC 控制的相关工作状态触点输出。
详细调整,参见东元 M7200 的说明书。