机械设计基础课程设计92332
- 格式:doc
- 大小:1.35 MB
- 文档页数:18
机械设计基础课程设计课程设计概述本课程设计旨在帮助学生加深机械设计基础课程所学内容的理解和应用,提高学生的机械设计能力。
该课程设计分为两部分,第一部分是机械零件的3D建模,第二部分是机械零件的装配设计。
本课程设计旨在让学生掌握常用机械零件的3D 建模和装配设计技巧,培养学生的机械设计思维和创新能力。
第一部分:机械零件的3D建模1.课程设计任务设计一种具有多重扭矩传递功能的联轴器,该联轴器支持高速和高扭矩传递,并且易于拆卸和维修,长度不得超过200mm,直径不得超过100mm。
2.课程设计步骤1.确定设计需求,制定设计目标。
2.通过研究联轴器的结构原理,确定联轴器的建模方案。
3.进行零件建模,制定3D建模方案。
4.利用建模软件完成联轴器零件的3D建模。
3.课程设计评分标准1.联轴器建模的准确性。
2.建模过程是否规范和顺畅。
3.是否考虑了联轴器的多重扭矩传递功能。
第二部分:机械零件的装配设计1.课程设计任务根据第一部分联轴器的3D建模,进行联轴器的装配设计,保证多个零件之间的精确配合,以及整个联轴器的安装和拆卸。
2.课程设计步骤1.制定联轴器装配方案,明确零件装配的顺序和具体要求。
2.通过装配软件,完成联轴器的装配设计,包括零件的精确配合。
3.对联轴器进行逐个零件的测试和调试,确保整个联轴器的安装和拆卸,以及扭矩的传递功能。
3.课程设计评分标准1.联轴器的装配是否符合设计要求。
2.装配过程是否规范和顺畅。
3.联轴器的扭矩传递性能是否符合设计要求。
总结通过本次课程设计,学生不仅能够了解机械设计基础课程所学内容的应用,同时也能够提高自己的创新能力和技术水平,进一步培养机械设计思维,培养专业能力和实践操作技能。
机械设计基础课程设计1000字机械设计基础课程设计本次机械设计基础课程设计的主题为设计一个手摇搅拌器,要求能够快速搅拌面粉等食材,并且操作简便、安全可靠。
一、设计方案1、结构设计手摇搅拌器的结构设计主要包括底座、转轴、上盖、搅拌器和手柄等部分。
底座采用圆形设计,表面带有凹槽,搅拌器可以沿凹槽在底座上自由移动。
转轴采用不锈钢材料,固定在底座中心位置,上盖和手柄都与转轴相连。
2、搅拌器设计搅拌器由圆形框架和两条“L”形杆组成,圆形框架上有若干个小孔,可以将食材与搅拌器内部的钩子充分混合。
两条“L”形杆与圆形框架相连,搅拌器可以通过手柄上的机构使“L”形杆沿底座上的凹槽向前后移动,带动圆形框架旋转。
3、手柄设计手柄设计采用人体工程学原理,整体呈弧形设计,手握感觉舒适、稳固。
手柄与搅拌器相连,通过上下移动带动搅拌器运动。
二、材料选择底座采用铝合金材料,轻盈、坚固、不易生锈。
搅拌器框架和“L”形杆采用食品级不锈钢材料,具有较好的强度和防腐性。
手柄采用PVC软胶材料,手感柔软舒适。
三、工程图底座工程图如下所示:(见附图1)搅拌器工程图如下所示:(见附图2)手柄工程图如下所示:(见附图3)四、制造工艺1、底座制造工艺首先将铝合金原材料加工成圆形底盘,然后将其表面上打凹槽的工艺进行切割、冲孔和弯曲。
最后在底座中央位置锁定不锈钢转轴。
2、搅拌器制造工艺首先将食品级不锈钢板材加工成圆形框架和“L”形杆,然后将两者焊接在一起。
接着将搅拌器上方凸起的钩子进行剪切、磨光、冲孔,形成若干个小刀片,与搅拌器内部的孔对应组成钩刀共振结构。
3、手柄制造工艺首先将PVC软胶原材料加工成弧形手柄,再将一端连接一个机构装置,通过上下移动带动搅拌器运动。
五、安全注意事项1、使用时请勿强行过度转动搅拌器,以免连接部分软件疲劳断裂。
2、使用前请确保所有螺钉紧固,避免因为零部件松动而引起故障。
3、清洁搅拌器时请确保底座内部已经停止旋转,并确保所有电源已经断开。
《机械设计基础》课程设计方案
一课程教学设计
1.以专业教学计划培养目标为依据,以岗位需求为基本出发点,以学生发展为本位,设计课程内容。
2.让学生在了解常用机构及机械零部件的基本知识及设计方法和设计理论的基础上,能进行简单机械及传动装置的设计,培养学生初步解决工程实际问题的能力。
3.在课程实施过程中,充分利用课程特征,加大学生工程体验和情感体验的教学设计,激发学生的主体意识和学习兴趣。
4.课程教学模式设计。
针对行业生产特点,设计学习情境,实施“课堂+实训”、“课堂+模型”教学模式等。
5.课程教法设计。
针对具体的教学内容和教学过程需要,采用模块教学、任务驱动法、讲授法、案例教学法、实训作业法等。
二内容标准
本课程实施模块教学,共设计了13个学习模块,每个模块包含了思政目标、教学目标、教学内容、课时分配等。
模块一认识机械
模块二平面机构的运动简图及自由度
模块三平面连杆机构
模块四凸轮机构
模块五间歇运动机构
模块六常用联接
模块七带传动与链传动
模块八齿轮传动
模块九其它齿轮传动
模块十轮系
模块十一轴承
模块十二轴
模块十三其他常用零部件
说明:
1.本标准应根据生源情况、企业要求等的需要,及时调整。
2.根据不同专业,本标准中的课时可能有所调整。
机械设计基础(课程设计一、教学目标本节课的教学目标是让学生掌握机械设计的基础知识,包括机械零件的选型、设计原则和设计方法等。
具体目标如下:1.知识目标:使学生了解机械设计的基本概念、原理和方法,掌握常用机械零件的设计方法和计算公式,了解机械设计中的标准和规范。
2.技能目标:培养学生运用机械设计原理解决实际问题的能力,能独立完成简单机械零件的设计和计算,提高学生的动手能力和创新能力。
3.情感态度价值观目标:培养学生对机械设计的兴趣和热情,树立正确的工程观念,培养团队合作精神和责任感。
二、教学内容本节课的教学内容主要包括以下几个部分:1.机械设计的基本概念和原理:介绍机械设计的定义、目的和意义,讲解机械设计的基本原则和方法。
2.常用机械零件的设计:讲解齿轮、轴承、联轴器等常用机械零件的设计方法和计算公式。
3.机械设计中的标准和规范:介绍国家标准和行业标准,讲解机械设计中常用的公差、配合和表面粗糙度等。
4.机械设计实例分析:分析实际工程中的机械设计案例,让学生了解机械设计的过程和方法。
三、教学方法为了提高教学效果,本节课将采用多种教学方法:1.讲授法:讲解机械设计的基本概念、原理和方法,使学生掌握基本知识。
2.案例分析法:分析实际工程中的机械设计案例,让学生了解机械设计的过程和方法。
3.讨论法:学生进行小组讨论,培养学生的团队协作能力和解决问题的能力。
4.实验法:安排课后实验,让学生动手实践,巩固所学知识,提高创新能力。
四、教学资源为了支持教学内容和教学方法的实施,丰富学生的学习体验,我们将准备以下教学资源:1.教材:选用权威、实用的机械设计教材,为学生提供系统的学习资料。
2.参考书:推荐相关参考书籍,拓展学生的知识视野。
3.多媒体资料:制作精美的PPT,生动展示机械设计的相关概念和实例。
4.实验设备:准备充足的实验设备,确保每个学生都能动手实践。
五、教学评估为了全面、客观地评估学生的学习成果,本节课将采用以下评估方式:1.平时表现:关注学生在课堂上的积极参与程度、提问回答等情况,给予相应的表现评价。
机械设计基础课程设计《机械设计基础课程设计》一、课程目标1. 增强学生在机械设计方面的基础知识,使其具备机械设计方面的良好理论基础。
2. 培养学生熟练运用机械原理,能够利用计算机软件进行机械产品的几何模型设计,整体结构选择和主要部件选型的能力。
3. 培养学生熟练应用各种机械制造方法,能够设计出适用于满足功能需求和质量要求的机械结构及制造方案。
4. 拓展学生技术创新思维,能够积极思考、分析问题,找出有效的解决方案。
二、课程内容1. 机械原理及机械设计方法①机械系统基本概念②力学原理③动力学原理④传动装置和运动控制⑤特种机械学2. 计算机辅助设计技术①对 3D模型的建模与设计②数字图像处理技术③机械产品仿真技术④工程设计软件及应用3. 制造工艺、工程图设计①工程图元素②计量坐标系统③制造技术4. 机械设计实践①零部件设计与选型②整体结构设计③机械结构的计算及分析三、教学方法1. 利用计算机软件完成设计与分析,模拟及仿真相关的练习,运用CAD/CAE软件。
2. 采用仡佬状元模式的教学,增强学生的参与性,激发学生的探究心理,进行深入的思考探讨。
3. 结合案例分析,增进学生机械设计的实践能力。
4. 针对性的课堂练习,结合实际生产,解决工程设计中实际问题。
四、总结练习1. 根据标准给出案例,对比思考,做出最优解决方案。
2. 分析机械设计思想、方法和设计工序,解决相关实际问题。
3. 按照机械系统的特性,利用计算机软件,结合案例分析,进行综合机械结构的优化设计。
4. 利用课堂讨论和实验测量,能够把机械设计的理论知识和综合技能实践有机的结合起来。
《机械设计基础》教案一、课程概述《机械设计基础》是机械工程及相关专业的一门重要专业基础课程,旨在培养学生掌握机械设计的基本原理、方法和技能,为后续专业课程的学习和实际工程应用奠定基础。
本课程内容丰富,涉及机械设计的基本理论、设计方法和设计实践,重点培养学生的创新能力和实践能力。
二、教学目标1.掌握机械设计的基本原理和方法,能运用所学知识解决实际问题。
2.培养学生的创新意识和团队合作精神,提高学生的设计能力。
3.了解机械设计领域的发展动态和前沿技术,拓宽学生的知识视野。
4.培养学生具备良好的工程素质和职业道德,为学生的职业生涯发展奠定基础。
三、教学内容1.机械设计概述:介绍机械设计的概念、任务、分类和发展趋势。
2.机械零件设计:包括传动零件、连接零件、轴系零件、弹簧等的设计原理和计算方法。
3.机械传动设计:介绍传动系统的类型、性能参数和设计方法,包括齿轮传动、带传动、链传动等。
4.轴承和联轴器设计:分析轴承的类型、性能和选用原则,介绍联轴器的结构和设计方法。
5.机械结构设计:阐述机械结构设计的基本原则、方法和步骤,包括结构要素、强度计算、稳定性分析等。
6.机械创新设计:探讨机械创新设计的方法和技巧,培养学生的创新思维和设计能力。
7.机械设计实例分析:分析典型机械设计实例,使学生了解机械设计的实际应用。
四、教学方法1.讲授法:系统讲解机械设计的基本原理和方法,使学生对课程内容有全面了解。
2.案例分析法:通过典型机械设计实例的分析,培养学生解决实际问题的能力。
3.讨论法:组织课堂讨论,激发学生的思维活力,培养学生的沟通能力和团队合作精神。
4.实践教学:安排课程设计、实验等实践环节,提高学生的动手能力和创新能力。
5.现代教育技术:利用多媒体、网络等现代教育技术手段,丰富教学形式,提高教学效果。
五、教学安排1.总学时:64学时2.理论教学:48学时3.实践教学:16学时(含课程设计、实验等)4.教学进度安排:第1周:机械设计概述第2-4周:机械零件设计(传动零件、连接零件、轴系零件、弹簧)第5-7周:机械传动设计(齿轮传动、带传动、链传动)第8-9周:轴承和联轴器设计第10-11周:机械结构设计第12周:机械创新设计第13周:机械设计实例分析第14周:课程设计第15周:实验第16周:复习与考试六、考核方式1.平时成绩:30%(包括课堂表现、作业、小测验等)2.实践环节:30%(课程设计、实验等)3.期末考试:40%七、教学资源1.教材:《机械设计基础》(主编:X,出版社:X)2.参考文献:《机械设计手册》、《机械设计课程设计指导书》等3.网络资源:中国大学MOOC、爱课程等在线课程资源4.实验室:机械设计实验室、机械创新实验室等八、教学效果评价1.课后作业:检查学生对课堂所学知识的掌握程度。
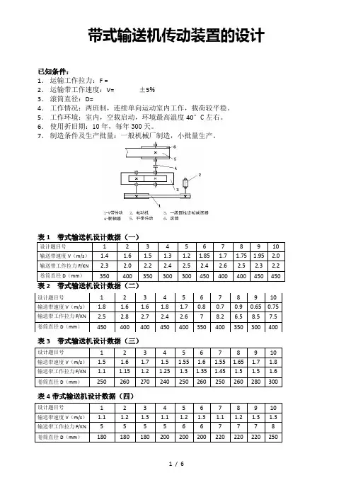
带式输送机传动装置的设计已知条件:1.运输工作拉力:F =2.运输带工作速度:V= ±5%3.滚筒直径:D=4.工作情况:两班制,连续单向运动室内工作,载荷较平稳。
5.工作环境:室内,空载启动,环境最高温度40°C左右。
6.使用折旧期:10年,每年300天。
7.制造条件及生产批量:一般机械厂制造,小批量生产。
设计题目号 1 2 3 4 5 6 7 8 9 10 输送带速度V(m/s) 1.4 1.6 1.5 1.3 1.2 1.85 1.7 1.75 1.95 2.0 输送带工作拉力F/KN 2.3 2.0 2.2 2.4 2.5 2.4 2.6 2.5 2.3 2.2 卷筒直径D(mm)350 400 350 300 300 450 400 400 450 450设计题目号 1 2 3 4 5 6 7 8 9 10 输送带速度V(m/s) 1.8 1.6 1.6 1.8 1.7 0.8 0.7 0.9 0.65 0.75 输送带工作拉力F/KN 2.5 2.8 2.7 2.4 2.6 7 8.2 6.5 8.5 7.5 卷筒直径D(mm)450 400 400 450 400 350 400 350 300 400 表3 带式输送机设计数据(三)设计题目号 1 2 3 4 5 6 7 8 9 10 输送带速度V(m/s) 1.5 1.6 1.7 1.5 1.55 1.6 1.55 1.65 1.7 1.8 输送带工作拉力F/KN 1.1 1.15 1.2 1.25 1.3 1.35 1.45 1.5 1.5 1.6 卷筒直径D(mm)250 260 270 240 250 260 250 260 280 300 表4带式输送机设计数据(四)设计题目号 1 2 3 4 5 6 7 8 9 10 输送带速度V(m/s) 1.1 1.2 1.3 1.1 1.2 1.3 1.1 1.2 1.3 1.3 输送带工作拉力F/KN 5 5 5 5 6 6 7 7 7 8 卷筒直径D(mm)180 180 180 200 200 200 220 220 220 250机械设计基础课程设计设计题目内装1.2.3.电子工程学院班级设计者:指导教师:完成日期:年月日成绩XX信息技术职业学院计算及说明结果••(3)轴的弯曲xAy平面C断面M c z=F Ay×50mm=1490×50 N•mm =74.5×103N•mmD断面M D z=F By ×65mm=1740×50 N•mm = 113×103N•mmxAz平面C断面M c y =F A z×50mm= 76×50 N•mm = 3.5×103N•mmD断面M D y =F B z×65mm= 460×65N•mm = 29×103N•mm合成弯矩C断面N•mm= N•mmD断面M D=N•mmN•mm M C=N•mmM DN•mm计算机辅助设计与制造专业课程设计任务书电子工程学院班学生学号课题设计课题:一级减速器编写设计计算说明书的要求和注意事项:(1)每一个自成单元的内容,都应有大小标题,标题应醒目突出。
机械设计基础课程设计范文一、课程目标知识目标:1. 让学生掌握机械设计的基本原理,理解机械结构的设计过程和关键要素。
2. 使学生了解并能够描述不同机械传动方式的工作原理及其应用场景。
3. 引导学生掌握机械设计中的强度、刚度、稳定性计算方法,并能运用这些知识进行简单机械结构的设计。
技能目标:1. 培养学生运用CAD软件进行机械零件图纸绘制的能力。
2. 培养学生运用相关计算软件对机械结构进行强度、刚度分析的能力。
3. 提高学生团队协作能力和问题解决能力,能够针对实际问题进行合理的机械设计。
情感态度价值观目标:1. 培养学生对机械设计的兴趣,激发学生的创新意识和探索精神。
2. 培养学生严谨的科学态度,注重实践,善于从实践中发现问题、解决问题。
3. 引导学生关注机械设计在工程领域的应用,认识到机械设计在国民经济发展中的重要性。
课程性质:本课程为机械设计基础课程设计,旨在通过实践操作,使学生在掌握基本理论知识的基础上,提高实际应用能力。
学生特点:学生具备一定的机械基础知识,具有较强的学习兴趣和动手能力,但缺乏实际设计经验。
教学要求:结合学生特点,注重理论与实践相结合,充分调动学生的积极性,培养其独立思考和解决问题的能力。
将课程目标分解为具体的学习成果,以便于教学设计和评估。
二、教学内容1. 机械设计基本原理:讲解机械设计的基本概念、设计要求和设计步骤,使学生掌握机械设计的基本方法。
参考教材第一章内容。
2. 机械传动方式:介绍常见的机械传动方式如齿轮传动、带传动、链传动等,分析各种传动方式的工作原理和应用场景。
参考教材第二章内容。
3. 机械设计计算方法:讲解机械结构强度、刚度、稳定性计算方法,使学生能够运用这些知识进行机械结构设计。
参考教材第三章内容。
4. CAD软件应用:教授CAD软件的基本操作,指导学生绘制机械零件图纸,提高学生的实践能力。
参考教材第四章内容。
5. 机械结构分析软件:介绍相关计算软件的使用,使学生能够对机械结构进行强度、刚度分析,为优化设计提供依据。
机械设计基础课程设计教案一、教学目标1. 了解机械设计的基本原理和方法,掌握机械设计的一般步骤。
2. 熟悉常用机械零件的设计方法和计算公式,具备一定的机械设计能力。
3. 培养学生动手实践能力和团队协作精神,提高学生解决实际问题的能力。
二、教学内容1. 机械设计的基本原理和方法2. 机械设计的一般步骤3. 常用机械零件的设计方法和计算公式4. 机械设计实例分析5. 课程设计的要求和评分标准三、教学方法1. 讲授法:讲解机械设计的基本原理、方法和步骤,分析常用机械零件的设计方法和计算公式。
2. 实践法:引导学生参与课程设计实践,培养学生动手能力和团队协作精神。
3. 案例分析法:分析典型的机械设计实例,帮助学生理解机械设计的方法和技巧。
4. 讨论法:组织学生进行分组讨论,交流设计心得,提高解决问题的能力。
四、教学安排1. 第一课时:讲解机械设计的基本原理和方法,介绍机械设计的一般步骤。
2. 第二课时:讲解常用机械零件的设计方法和计算公式,分析机械设计实例。
3. 第三课时:布置课程设计任务,讲解设计要求和评分标准。
4. 第四课时:学生分组进行课程设计实践,教师巡回指导。
五、教学评价1. 学生课程设计成果的完成情况,包括设计报告、图纸和实物模型。
2. 学生在课程设计过程中的动手实践能力和团队协作精神。
3. 学生对机械设计原理和方法的理解程度,以及解决实际问题的能力。
4. 学生课程设计的创新性和实用性,以及对机械设计的兴趣和热情。
六、教学资源1. 教材:《机械设计基础》2. 参考书籍:《机械设计手册》、《机械零件设计》3. 网络资源:相关机械设计的学习网站、论坛和视频教程4. 软件工具:CAD、SolidWorks等机械设计软件5. 实物模型:展示常用机械零件和完整的机械设备模型七、教学过程1. 课程导入:通过展示实物模型和图片,引发学生对机械设计的兴趣。
2. 讲解基本原理和方法:引导学生了解机械设计的基本原理和方法。
机械设计基础课程设计一、课程目标知识目标:1. 掌握机械设计的基本原理,理解机械结构的功能、组成及工作原理。
2. 学习并运用机械设计的相关知识,如力学、材料力学、机械制图等,完成简单的机械设计。
3. 了解机械设计过程中的创新思维和方法,掌握设计流程和步骤。
技能目标:1. 能够运用所学知识,进行简单的机械结构设计和分析。
2. 学会使用机械设计软件(如CAD等)进行绘图,提高设计效率。
3. 培养动手实践能力,完成课程设计任务,并能够进行作品展示。
情感态度价值观目标:1. 培养学生热爱科学、勇于探索的精神,激发对机械设计的兴趣。
2. 增强学生的团队协作意识,学会与他人共同解决问题,培养沟通与表达能力。
3. 树立正确的工程观念,注重实际应用,关注机械设计在实际生活中的运用。
课程性质分析:本课程为机械设计基础课程设计,旨在帮助学生将所学理论知识与实际应用相结合,提高学生的实践能力和创新能力。
学生特点分析:学生为高年级本科生,已具备一定的机械设计理论基础,具有较强的学习能力和动手能力,但对实际工程应用尚缺乏深入了解。
教学要求:1. 结合课本知识,注重理论联系实际,提高学生的实际操作能力。
2. 引导学生发挥主观能动性,培养创新意识和解决问题的能力。
3. 强化团队合作,提升学生的沟通与协作能力。
4. 注重过程评价,关注学生在课程设计过程中的表现和成果。
二、教学内容1. 教学大纲:a. 机械设计原理及其应用b. 机械结构设计方法与步骤c. 机械设计软件操作与绘图d. 机械设计实践与创新2. 教学内容安排与进度:a. 第一周:回顾机械设计原理,讲解机械结构设计的基本方法。
- 教材章节:第二章 机械设计原理、第三章 机械结构设计方法。
- 内容:机械设计基本要求、设计流程、创新思维。
b. 第二周:学习机械设计软件操作,进行简单机械结构绘图。
- 教材章节:第五章 机械设计软件应用。
- 内容:CAD软件操作、绘图技巧、二维及三维绘图。
计contents •课程设计概述•机械设计基础知识•课程设计实践•课程设计案例分析•课程设计成果展示与评价•课程设计反思与展望目录课程设计概述目的与意义培养学生综合运用机械设计基础理论知识的能力,提高分析和解决工程实际问题的能力。
使学生掌握机械设计的基本方法和步骤,熟悉常用机构和通用零件的工作原理、结构特点、设计方法和选用原则。
培养学生独立思考、创新意识和团队协作精神,为后续专业课程学习和从事机械设计工作奠定基础。
设计任务与要求设计任务设计要求进行方案构思和初步设计,确定主要参数和结构形式。
进行设计答辩和评审,接受老师和同学的质询和建议。
明确设计任务和要求,收集相关资料和文献。
编写设计说明书,包括设计思路、计算过程、结果分析等。
010*********课程设计流程机械设计基础知识了解机械传动的工作原理、传动比、效率和寿命等基础知识。
能够根据实际需求进行传动的选型、设计和优化。
掌握常用机械传动的类型、特点、应用和设计方法。
掌握机械制造工艺的基本概念、流程和方法。
了解机械制造中的加工方法、设备、夹具和刀具等基础知识。
能够根据实际需求制定机械制造工艺方案,并进行工艺分析和优化。
课程设计实践设计选题与分组设计选题分组方式设计方案制定与评审方案制定方案评审组织专家或教师对各小组的设计方案进行评审,提出改进意见和建议,确保设计方案的合理性和可行性。
详细设计零件制造质量检验030201详细设计与制造装配与调试装配过程调试与运行问题处理课程设计案例分析设计任务与目标设计一款高效、稳定的齿轮减速器,满足特定确定设计参数选择齿轮类型设计齿轮参数绘制齿轮图纸加工与装配案例一:齿轮减速器设计案例二:带式输送机传动装置设计设计任务与目标设计一款适用于带式输送机的传动装确定设计参数选择传动类型根据设计要求和性能需求,选择合适的传动类型(如皮带传动、链传动、设计传动装置结构根据选定的传动类型,设计传动装置的结构和布局,包括驱动电机、传动轴、轴承等关键部件。
机械设计基础课程设计报告书1. 引言机械设计基础课程设计是机械工程专业本科生必修的一门课程。
本课程设计旨在通过实践操作,提升学生对机械设计基础知识的理解与运用能力。
本报告书将详细介绍机械设计基础课程设计的目标、设计内容、设计过程、设计结果以及经验教训等。
2. 目标本课程设计的目标是让学生通过实际设计过程,掌握机械设计的基本原理和方法,提高机械设计的能力。
具体目标包括: - 理解机械设计的基本原理,包括静力学、动力学、材料力学等; - 掌握机械设计的基本方法,包括设计计算、绘图和选型等; - 能够独立完成机械设计任务,具备解决实际问题的能力。
本课程设计主要包括以下内容: - 设计任务:根据要求设计一台简单的机械装置,要求包括功能、工作原理和参数等; - 设计计算:根据设计任务进行力学计算,并做出相应设计参数的确定; - 绘图设计:根据设计任务进行零件绘图和装配图的设计,包括尺寸标注和视图绘制;- 材料选型:根据设计任务选择合适的材料,并做出相应的材料选型报告; - 结构优化:对设计结果进行综合评价,提出相应的改进方案。
4. 设计过程本课程设计的设计过程主要分为以下几个阶段: 1. 确定设计任务:根据教师要求和个人兴趣,确定设计任务和目标。
2. 设计计算:根据设计任务,进行力学计算和设计参数的确定。
3. 绘图设计:根据设计任务,进行零件绘图和装配图的设计。
4. 材料选型:根据设计任务,选择合适的材料,并做出相应的材料选型报告。
5. 结构优化:根据设计结果,对设计方案进行综合评价,并提出改进方案。
经过设计过程,我完成了一台简单的机械装置。
该装置具有稳定的工作性能和良好的实用性。
设计结果如下: - 功能:实现了设计任务所要求的功能; - 工作原理:采用了某种机械传动原理,实现了动力的转换和传递; - 参数:各零件的尺寸、材料、工作条件等。
6. 经验教训在整个设计过程中,我积累了一些经验教训,总结如下: - 设计前要充分了解设计任务的要求和背景; - 在设计计算过程中,要仔细审查和验证计算结果; - 在绘图设计中,注意尺寸标注的准确和清晰; - 材料选型要考虑其机械性能、可加工性和经济性等因素; - 结构优化要注重综合评价和改进。
机械设计基础课程设计计算说明书设计题目:设计带式输送机中的传动装置专业年级:电气工程系15级学号: 11111111111 学生姓名:宋指导教师:机械工程系完成时间 2017年 7 月 7 日机械设计基础课程设计任务书学生姓名:学号:11111111111111 专业:电气工程系任务起止时间:2017年 7 月 3 日至 2017年 7 月 7 日设计题目:设计带式输送机中的传动装置一、传动方案如图1所示:1—电动机;2—V带传动; 3—单级圆柱齿轮减速器4—联轴器;5—带式输送机;6—鼓轮;7—滚动轴承图1 带式输送机减速装置方案图二、原始数据滚筒直径d /mm400传送带运行速度v/(m/s)1.6运输带上牵引力F /N210每日工作时数T /h 24传动工作年限 5单向连续平稳转动,常温空载启动。
三、设计任务:1.低速轴系结构图1张(A2图纸);2.设计说明书1份。
在1周内完成并通过答辩参考资料:《机械设计》《机械设计基础》《课程设计指导书》《机械设计手册》《工程力学》《机械制图》指导教师签字:2017年7月7日目录(一)电机的选择 (1)(二)传动装置的运动和动力参数计算 (2)(三)V带传动设计 (3)(四)减速器(齿轮)参数的确定 (5)(五)轴的结构设计及验算 (7)(六)轴承的选择 (12)(七)联轴器的选择 (13)(八)键连接的选择和计算 (13)(九)心得体会 (14)(一)电机的选择1.选择电机的类型和结构形式:依工作条件的要求,选择三相异步电机 封闭式结构 u=380v Y 型2.电机容量的选择工作机的功率P 工作机=F 牵*V 运输带/1000= 3.36 kW V 带效率: 0.96 滚动轴承效率: 0.99齿轮传动效率(闭式): 0.97 x 1 (对) 联轴器效率: 0.99 传动滚筒效率: 0.96 传输总效率η= 0.859 则,电机功率η工作机P P =d = 3.91 kW3.电机转速确定工作机主动轴转速n 工作机= 76.43r/minV 带传动比范围:2~4 一级圆柱齿轮减速器传动比范围:3~6总传动比范围:6~24∴电动机转速的可选范围为: 458.58 ~ 1834.32 r/min 在此范围的电机的同步转速有:1500r/min,1000r/min,750r/min依课程设计指导书Y 系列三相异步电机技术数据(JB30 74-82)选择电机的型号为; Y132M1-6 性能如下表:(二)传动装置的运动和动力参数计算所选电机满载时转速n m = 960 r/min 总传动比:i 总=工作机n n m = 12.561.分配传动比及计算各轴转速i 总=i D ×i带传动的传动比i D = 3一级圆柱齿轮减速器传动比i= 4.19则高速轴I轴转速n1= 320r/min则低速轴II轴的转速n2= 76.37r/min2.各轴输入功率,输出功率P输出= P输入,效率如前述。
则高速轴I轴的输入功率P I= 3.75 kW ,输出功率P I'= 3.71 kW,则低速轴II轴的输入功率P II= 3.60 kW,输出功率P II'= 3.56 kW。
3.各轴输入转矩:小带轮输入转矩T d= 38.9N•mI轴输入转矩T I= 111.9N•mII轴输入转矩T II= 450.2N•m(三)V带传动设计1. 确定计算功率Pc已知电机输出功率,依教材《机械设计基础》表 13-9 ,取K A=1.2,故Pc= 4.7kW 。
2. 选择普通V 带型号已知Pc ,n m ,结合教材《机械设计基础》,由图 13-15 确定所使用的V 带为 A 型。
3. 确定大小带轮基准直径d1,d2。
由《机械设计基础》表 13-10取d1= 125mm ,带传动比i D 已知,则d 2=i D·d 1= 375mm ,取d2= 375mm4.验算带速v =⨯=10006011n d v π 6.3m/s5.求V 带基准长度和中心距(L0,a )初定中心距0a =1.5(d1+d2)= 750mm ,选a 0= 800mm 带长 ()021221004d -d )d (d 22a a L +++=π= 2405mm由表 13-2 ,对 A 型带进行选用,L d = 2480mm则实际中心距:=+≈2L -L a a 0d 0 837.5mm 6.验算小带轮包角=⨯--=01203.57180ad d α 163°>120°合格。
7.求V 带根数Z已知n 1,d 1 ,查表 13-4 ,得P 0= 1.37kW已知传动比i D ,查表 13-6 , 得ΔP 0= 0.11kW已知α1,查表 13-8 得K α= 0.96 ,查表 13.2 得K L = 1.09 则V 带根数Z==∆+LK K P P Pcα)(00 3.03 ,取 4 根 。
8.求作用在带轮上的压力FQ由《机械设计基础》表 13-1 ,可知 A 型带每米质量q= 0.105kg/m单根V 带的拉力F 0=qv K Zv Pc +-)15.2(500α2= 155N 作用在轴上的压力F Q =2ZF 0 sin 21α= 1226N(四)减速器(齿轮)参数的确定1. 选择材料及确定许用应力由《机械设计基础》表 11-1 得:小齿轮用: 40MnB ,热处理方式:调质,齿面硬度为 241~286HBS 大齿轮用: ZG35SiMn ,热处理方式:调质,齿面硬度为 241~269HBS由表 11-5 ,取安全系数S H = 1.0 ,S F = 1.25 。
则许用应力为:[σH1]=σHlim1/S H = 720MPa . [σH2]= σHlim2/S H = 615Mpa[σF1]=σFE1/S F = 476MPa . [σF2[= σFE2/S F = 408MPa2. 按齿面接触强度设计设齿轮按 9 级精度制造,按齿面接触强度设计。
由表 11-3 得载荷系数K= 1.5 ,由表 11-6 得齿宽系数Φd = 0.8 。
小齿轮输入功率P= 3.75kW , 转矩T 1=9.55×610×1n P= 1.12×105N•mm , 由表 11-4 可得弹性系数Z E= 188.9 则小齿轮直径d 1≥[]32112⎪⎪⎭⎫ ⎝⎛+⨯H H E dZ Z u u KT σφ 齿数取Z 1= 24 ,Z 2=iZ 1= 101 模数m=d 1/z 1= 2.81 按表 4-1 ,标准模数m= 3 ,实际传动比i=Z 2/Z 1= 4.21 传动比误差 0.02 ,是 符合要求 。
d 2=m Z 2=303mm,齿根顶圆直径d 2a =d 2+2h a =309mm,齿根圆直径d 2f =d 2-2h f =295.5mm 。
实际标准中心距离a= 187.5mm 齿宽=⋅=1d d b φ 56mm (圆整) 为补偿安装误差,取小齿轮齿宽b 1=b+5= 60mm3.验算轮齿弯曲强度由图 11-8 ,取齿形系数Y Fa1= 2.76 , Y Fa2= 2.24 .由图 11-9 ,取外齿轮齿根修正系数Y Sa1= 1.59 ,Y Sa2= 1.82 判断:[]==12Sa1Fa111Y Y 2Z bm KT F σ 122MPa≦[σF1]判断:[]==112212Sa Fa Sa Fa F F Y Y Y Y σσ 113MPa ≦[σF2]满足条件 合适4.齿轮的圆周速度==60x100011n d v π 1.2m/s对照表 11-2 可知,选着 9 级精度是合适的。
(五)轴的结构设计及验算1.高速轴及低速轴的材料选择根据表 14-1得,高速轴材料为: 45钢 ,热处理方式: 调质 低速轴材料为: 45钢 ,热处理方式: 调质高速轴极限强度[σB1]= 650MPa ,低速轴极限强度[σB2]= 650MPa 根据表 14-3 得,高速轴的许用弯曲应力[σ-1b ]= 60MPa 低速轴的许用弯曲应力[σ-1b ]= 60MPa2.轴颈初估初选小轮轴颈,根据扭转强度计算初估轴颈。
由表 14-2 得常数C1103111n d P C ≥= 24.9mm ,结合大带轮轮毂内径,圆整后暂取d 1= 25mm大轮轴颈3222n d P C ≥= 39.7mm ,结合联轴器内径,圆整后暂取d 2= 40 mm 3.轴的径向尺寸设计根据轴及轴上零部件的固定,定位,安装要求,初步确定轴的径向尺寸。
高速轴:(带尺寸的草图)各尺寸确定的依据:31p (13%)25.6nd mm=+=(有键槽加大3%),取d 1=28mm 。
d3=d2+2mm=38mm,取标准值d3=40mm。
d4=d3+2mm=42mm。
d5=d4+2h,轴肩高h=2C1=4mm,则d5=50mm。
取d6=32mm,比轴承内圈外径小,砂轮越程槽。
d7=d3=40mm. 低速轴:(带尺寸的草图)各尺寸确定的依据:3 1p(13%)41dn mm=+=(有键槽加大3%),取d1=42mm d2=d1+2h,轴肩高h=2C1=4mm,则d2=50mm。
d3=d2+2mm=52mm,取标准值d3=55mm。
d4=d3+2mm=57mm。
取d6=47mm,比轴承内圈外径小,砂轮越程槽。
d7=d3=55mm。
5.轴的轴向尺寸设计根据轴及轴上零部件的固定,定位,安装要求,初步确定轴的轴向尺寸。
高速轴:(带尺寸的草图)各尺寸确定的依据:l 1=2f+3e-3mm,其中A型带f=9mm,e=15mm,则l 1=60mm。
l4=b-2mm=58mm,轴段长度应比齿轮轮毂短2-3mm。
l5=1.4h,轴肩高h=2C1=4mm,则l5=5.6mm,取l5=6mm。
l7=B+挡油环宽度-4mm=18+19-4=33mm。
,C, e,K:取H=10mm,=15mm,轴承座宽度C=C1+C2+δ+10mm,取C1=22mm,C2=20mm,δ=0.025a+1=5.7mm,取δ=8mm,则C=60mm。
轴承盖厚度e=1.2d3,螺钉直径取d3=8mm,则e=9.6mm,取e=10mm,联轴器到轴承盖的距离取K=20mm。
l2=K+e+(C--B)=57mm,l3=B++H+2mm=45mm。
取l6=4mm。
低速轴:(带尺寸的草图)各尺寸确定的依据:l 1=112-2=110mm,轴段长度应比联轴器轴孔长度短1-2mm。
l4=b-2mm=54mm,轴段长度应比齿轮轮毂短2-3mm。
l5=1.4h,轴肩高h=2C1=4mm,则l5=5.6mm,取l5=6mm。