螺旋测微器使用知识点讲座及练习题(有答案)
- 格式:doc
- 大小:2.79 MB
- 文档页数:2
第 7 课时游标卡尺、螺旋测微器读数一、游标卡尺:1、游标卡尺分为内测脚、外测脚、深度尺和固定螺丝。
关于游标卡尺的末端数不要求估读。
读数时,当丈量物夹住待测物后应适合旋紧固定螺丝,免得游标卡尺在主尺上挪动;2、读数方法是从零刻线所对地点,在主尺上读得以mm为单位的整数部分,而后从游标尺与主尺可先“正对”地点,在游标尺上读得以mm为单位的小数部分,他们的和即为所测长度值。
3、游标卡尺示数=主尺示数(整毫米数)+游标尺示数(对齐格数分度的倒数)二、螺旋测微器:1、构造:测砧A、测微螺杆P、尺架 F、旋钮 K、微调旋钮K' 与可动刻度H、固定刻度G。
2、原理:精细螺纹的螺距为,螺旋 K 每旋转一周,测微螺杆就行进或许退后,可动刻度上的刻度为50 等份,每一小格表示。
3、读数方法:毫米的读数及半毫米部分在固定刻度上读出,半毫米以下部分在可动刻度上读出,并估读一位。
半毫米以下部分读数方法为:找出与水平轴线对应的可动刻度 H的刻线,这个刻线与可动刻度零刻线间的格数乘以,就是长度在半毫米以下部分的读数。
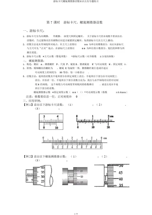
螺旋测微器示数=固定刻度示数(mm)() +可动刻度示数(格数0.01mm)注意:格数要估读一位,正对刻度补0三、应用举例:【例 1】读出以下游标卡尺读数:(1) ___________;( 2) _____________。
(3)___________;【例 2】读出以下螺旋测微器示数:( 1) ____________;( 2)___________。
(3)________________;四、讲堂练习:1、(1)已知不一样的工具丈量某物体的长度时,有以下不一样的结果:A.B.C.D.此中,用最小分度值为厘米的刻度尺丈量的结果是________ ;用游标尺上有10 个等分刻度的游标卡尺丈量的结果是_________ 。
( 2)一起学用一游标尺上标有20 平分刻度的游标卡尺测一物体的长度.测得的结果以下图,则该物体的长度L=________ m 。
实验基础知识一、螺旋测微器的使用1.构造:如图1所示,B为固定刻度,E为可动刻度.图12.原理:测微螺杆F与固定刻度B之间的精密螺纹的螺距为0.5 mm,即旋钮D每旋转一周,F前进或后退0.5 mm,而可动刻度E上的刻度为50等份,每转动一小格,F前进或后退0.01 mm,即螺旋测微器的精确度为0.01 mm.读数时估读到毫米的千分位上,因此,螺旋测微器又叫千分尺.3.读数:测量值(mm)=固定刻度数(mm)(注意半毫米刻度线是否露出)+可动刻度数(估读一位)×0.01(mm).如图2所示,固定刻度示数为2.0 mm,半毫米刻度线未露出,而从可动刻度上读的示数为15.0,最后的读数为:2.0 mm+15.0×0.01 mm=2.150 mm.图2二、游标卡尺1.构造:主尺、游标尺(主尺和游标尺上各有一个内、外测量爪)、游标卡尺上还有一个深度尺.(如图3所示)图32.用途:测量厚度、长度、深度、内径、外径.3.原理:利用主尺的最小分度与游标尺的最小分度的差值制成.不管游标尺上有多少个小等分刻度,它的刻度部分的总长度比主尺上的同样多的小等分刻度少1 mm.常见的游标卡尺的游标尺上小等分刻度有10个的、20个的、50个的,其规格见下表:4.读数:若用x表示从主尺上读出的整毫米数,K表示从游标尺上读出与主尺上某一刻度线对齐的游标的格数,则记录结果表示为(x+K×精确度)mm.三、常用电表的读数对于电压表和电流表的读数问题,首先要弄清电表量程,即指针指到最大刻度时电表允许通过的最大电压或电流,然后根据表盘总的刻度数确定精确度,按照指针的实际位置进行读数即可.(1)0~3 V的电压表和0~3 A的电流表的读数方法相同,此量程下的精确度分别是0.1 V和0.1 A,看清楚指针的实际位置,读到小数点后面两位.(2)对于0~15 V量程的电压表,精确度是0.5 V,在读数时只要求读到小数点后面一位,即读到0.1 V.(3)对于0~0.6 A量程的电流表,精确度是0.02 A,在读数时只要求读到小数点后面两位,这时要求“半格估读”,即读到最小刻度的一半0.01 A.基本实验要求1.实验原理根据电阻定律公式知道只要测出金属丝的长度和它的直径d ,计算出横截面积S ,并用伏安法测出电阻R x ,即可计算出金属丝的电阻率. 2.实验器材被测金属丝,直流电源(4 V),电流表(0~0.6 A),电压表(0~3 V),滑动变阻器(50 Ω),开关,导线若干,螺旋测微器,毫米刻度尺. 3.实验步骤(1)用螺旋测微器在被测金属丝上的三个不同位置各测一次直径,求出其平均值d . (2)连接好用伏安法测电阻的实验电路.(3)用毫米刻度尺测量接入电路中的被测金属丝的有效长度,反复测量三次,求出其平均值l .(4)把滑动变阻器的滑片调节到使接入电路中的电阻值最大的位置.(5)闭合开关,改变滑动变阻器滑片的位置,读出几组相应的电流表、电压表的示数I 和U 的值,填入记录表格内.(6)将测得的R x 、l 、d 值,代入公式R =ρl S 和S =πd 24中,计算出金属丝的电阻率.4.电流表、电压表测电阻两种方法的比较电流表分压 电压表分流规律方法总结1.伏安法测电阻的电路选择(1)阻值比较法:先将待测电阻的估计值与电压表、电流表内阻进行比较,若R x较小,宜采用电流表外接法;若R x较大,宜采用电流表内接法.(2)临界值计算法R x<R V R A时,用电流表外接法;R x>R V R A时,用电流表内接法.(3)实验试探法:按图4接好电路,让电压表的一根接线柱P先后与a、b处接触一下,如果电压表的示数有较大的变化,而电流表的示数变化不大,则可采用电流表外接法;如果电流表的示数有较大的变化,而电压表的示数变化不大,则可采用电流表内接法.图42.注意事项(1)先测直径,再连电路:为了方便,测量直径应在金属丝连入电路之前测量.(2)电流表外接法:本实验中被测金属丝的阻值较小,故采用电流表外接法.(3)电流控制:电流不宜过大,通电时间不宜过长,以免金属丝温度过高,导致电阻率在实验过程中变大.3.误差分析(1)若为内接法,电流表分压.(2)若为外接法,电压表分流.(3)长度和直径的测量.考点一测量仪器、仪表的读数1.游标卡尺的读数(1)10分度的游标尺的读数:主尺上读出整毫米数+游标尺上与主尺上某一刻度线对齐的游标的格数×1 10.(2)20分度的游标尺的读数:主尺上读出整毫米数+游标尺上与主尺上某一刻度线对齐的游标的格数×1 20.2.螺旋测微器的读数方法:固定刻度数mm+可动刻度数(估读一位)×0.01 mm.3.电流表和电压表的读数(1)若刻度盘上每一小格为:1,0.1,0.01,…时,需估读到最小刻度值的下一位.(2)若刻度盘上每一小格为:2,0.2,0.02,5,0.5,0.05,…时,只需估读到最小刻度值的位数.1.[直尺和游标卡尺的读数](2014·福建理综·19(1))某同学测定一金属杆的长度和直径,示数如图5甲、乙所示,则该金属杆的长度和直径分别为________ cm和________ mm.图5答案60.10 4.20解析刻度尺的分度值为1 mm,要估读到0.1 mm.游标卡尺读数=4 mm+10×0.02 mm=4.20 mm.2.[螺旋测微器的读数]完成下列读数(如图6所示)图6a.____________mm b.____________mmc.____________mm d.____________mm答案a.0.486(0.484~0.488)b.0.536(0.534~0.538)c.4.078(4.077~4.079) d.5.663(5.661~5.665)3.[电压表、电流表和电阻箱的读数](1)①如图7所示的电流表使用0.6 A量程时,对应刻度盘上每一小格代表________A,图中表针示数是________A;当使用3 A量程时,对应刻度盘上每一小格代表________ A,图中表针示数为________A.图7②如图8所示的电表使用较小量程时,每小格表示____________V,图中指针的示数为________ V.若使用的是较大量程,则这时表盘刻度每小格表示________V,图中表针指示的是________V.图8(2)旋钮式电阻箱如图9所示,电流从接线柱A流入,从B流出,则接入电路的电阻为____ Ω.今欲将接入电路的电阻改为2 087 Ω,最简单的操作方法是________.若用两个这样的电阻箱,则可得到的电阻值范围为_________.图9答案(1)①0.020.440.12.20②0.1 1.400.57.0(2)1 987将“×1 k”旋钮调到2,再将“×100”旋钮调到00~19 998 Ω解析(1)①电流表使用0.6 A量程时,刻度盘上的每一小格为0.02 A,指针的示数为0.44 A;当换用3 A量程时,每一小格为0.1 A,指针示数为2.20 A.②电压表使用3 V量程时,每小格表示0.1 V,指针示数为1.40 V;使用15 V量程时,每小格为0.5 V,指针示数为7.0 V.(2)电阻为1 987 Ω.最简单的操作方法是将“×1 k”旋钮调到2,再将“×100”旋钮调到0.每个电阻箱的最大阻值是9 999 Ω,用这样两个电阻箱串联可得到的最大电阻2×9 999 Ω=19 998 Ω.故两个这样的电阻箱,则可得到的电阻值范围为0~19 998 Ω.考点二实验操作及数据处理4.[实验操作](2014·江苏单科·10)某同学通过实验测量一种合金的电阻率.(1)用螺旋测微器测量合金丝的直径.为防止读数时测微螺杆发生转动,读数前应先旋紧图10所示的部件__________(选填“A”、“B”、“C”或“D”).从图中的示数可读出合金丝的直径为________ mm.图10(2)图11所示是测量合金丝电阻的电路,相关器材的规格已在图中标出.合上开关,将滑动变阻器的滑片移到最左端的过程中,发现电压表和电流表的指针只在图示位置发生很小的变化.由此可以推断:电路中______(选填图中表示接线柱的数字)之间出现了________(选填“短路”或“断路”).图11(3)在电路故障被排除后,调节滑动变阻器,读出电压表和电流表的示数分别为2.23 V和38 mA,由此,该同学算出接入电路部分的合金丝的阻值为58.7 Ω.为了更准确地测出合金丝的阻值,在不更换实验器材的条件下,对实验应作怎样的改进?请写出两条建议.答案(1)B0.410(2)7、8、9断路(3)电流表改为内接;测量多组电流和电压值,计算出电阻的平均值.(或测量多组电流和电压值,用图象法求电阻值)解析(1)螺旋测微器读数时应先将锁紧装置锁紧,即旋紧B.螺旋测微器的示数为(0+41.0×0.01) mm=0.410 mm.(2)电压表的示数不为0,电流表的示数几乎为0,说明连接两电表的电路是导通的.而滑动变阻器几乎不起作用,说明线路电阻很大,故可判断7、8、9间断路.(3)由题知R AR x≈0.005<R xR V ≈0.020,说明电流表的分压作用不显著,故可将电流表改为内接,并测出多组U、I值,求出R x后,再取平均值作为实验结果.5.[实验操作及数据处理]用伏安法测定电阻约为5 Ω的均匀电阻丝的电阻率,电源是两节干电池.如图12甲所示,将电阻丝拉直后两端固定在带有刻度尺的绝缘底座的接线柱上,底座的中间有一个可沿电阻丝滑动的金属触头P,触头上固定了接线柱,按下P时,触头才与电阻丝接触,触头的位置可从刻度尺上读出.实验采用的电路原理图如图乙所示,测量电阻丝直径所用螺旋测微器如图丙所示.图12(1)用螺旋测微器测电阻丝的直径时,先转动________使测微螺杆F接近被测电阻丝,再转动________夹住被测物,直到棘轮发出声音为止,拨动________使F固定后读数.(填仪器部件的字母符号)(2)根据电路原理图乙,用笔画线代替导线,将实物图丁连接成实验电路.(3)闭合开关后,滑动变阻器触头调至一合适位置后不动,多次改变P的位置,得到几组U、I 、L 的数据,用R =UI 计算出相应的电阻值后作出R -L 图线如图13所示.取图线上两个点间数据之差ΔL 和ΔR ,若电阻丝直径为d ,则电阻率ρ=________.图13答案 (1)D H G (2)如图所示 (3)πΔRd 24ΔL解析 (1)在用螺旋测微器测电阻丝的直径时,先转动粗调旋钮D ,使测微螺杆F 接近被测电阻丝,再转动微调旋钮H 夹住被测物,直到棘轮发出声音为止,拨动止动旋钮G 使F 固定后读数.(3)根据R =ρl S ,得ΔR =ρΔL S ,而S =πd 24,代入得ρ=πΔRd 24ΔL.6.[实验原理及数据处理]为测定一段金属丝的电阻率ρ,某同学设计了如图14甲所示的电路.ab 是一段电阻率较大的粗细均匀的电阻丝,电路中的保护电阻R 0=4.0 Ω,电源的电动势E =3.0 V ,电流表内阻忽略不计,滑片P 与电阻丝始终接触良好.(1)实验中用螺旋测微器测得电阻丝的直径如图乙所示,其示数为d =________ mm.图14(2)实验时闭合开关,调节滑片P 的位置,分别测量出每次实验中aP 长度x 及对应的电流值I ,实验数据如下表所示:①将表中数据描在1I -x 坐标纸中,如图15所示.试作出其关系图线,图象中直线的斜率的表达式k =________(用题中字母表示),由图线求得电阻丝的电阻率ρ为________ Ω·m(保留两位有效数字).图15②根据1I -x 关系图线纵轴截距的物理意义,可求得电源的内阻为________ Ω(保留两位有效数字).答案 (1)0.400 (2)①图线见解析图4ρπEd2 1.1×10-6 ②1.4 解析 (1)由题图乙所示螺旋测微器可知,其示数为0 mm +40.0×0.01 mm =0.400 mm. (2)①如图所示.根据图象由电阻定律可得R =ρx S ,由欧姆定律可得:R =E I ,则图象斜率k =1I x ,S =πd 24联立解得:k =4ρπEd 2=Δ1I Δx代入数据得: k =3.6-1.80.6=3联立解得电阻率为: ρ=k πEd 24代入数据得: ρ≈1.1×10-6 Ω·m ;②根据1I -x 关系图线纵轴截距为1.8,此时待测电阻丝的电阻为0,由闭合电路欧姆定律得:E =I (r +R 0) 即:3=11.8(r +4.0)得:r =1.4 Ω计算电阻率的两种方法1.根据电阻定律得ρ=RSl;2.通过有关图象来求电阻率.图象法处理实验数据是最常用的方法之一,要从物理规律出发,写出图象的函数关系式,弄清斜率、截距等的物理意义,从而求出相关物理量.考点三 电阻的测量电阻测量的六种方法 1.伏安法电路图⎩⎪⎨⎪⎧外接法:内接法:特点:大内小外(内接法测量值偏大,测大电阻时应用内接法测量,测小电阻时应采用外接法测量) 2.安安法若电流表内阻已知,则可将其当做电流表、电压表以及定值电阻来使用. (1)如图16甲所示,当两电流表所能测得的最大电压接近时,如果已知的内阻R 1,则可测得的内阻R 2=I 1R 1I 2.(2)如图乙所示,当两电流表的满偏电压U A2≫U A1时,如果已知的内阻R 1,串联一定值电阻R 0后,同样可测得的电阻R 2=I 1(R 1+R 0)I 2.图163.伏伏法若电压表内阻已知,则可将其当做电流表、电压表和定值电阻来使用. (1)如图17甲所示,两电压表的满偏电流接近时,若已知的内阻R 1,则可测出的内阻R 2=U 2U 1R 1.(2)如图乙所示,两电压表的满偏电流I V1≪I V2时,若已知的内阻R 1,并联一定值电阻R 0后,同样可得的内阻R 2=U 2U 1R 1+U 1R 0.图174.等效法测电阻如图18所示,先让待测电阻与一电流表串联后接到电动势恒定的电源上,读出电流表示数I ;然后将电阻箱与电流表串联后接到同一电源上,调节电阻箱的阻值,使电流表的示数仍为I ,则电阻箱的读数即等于待测电阻的阻值.图185.比较法测电阻如图19所示,读得电阻箱R 1的阻值及、的示数I 1、I 2,可得R x =I 2R 1I 1.如果考虑电流表内阻的影响,则I 1(R x +R A1)=I 2(R 1+R A2).图19 6.半偏法测电流表内阻电路图如图20所示图20步骤:(1)断开S2,闭合S1,调节R0,使的示数满偏为I g;(2)保持R0不变,闭合S2,调节电阻箱R,使的示数为I g 2;(3)由上可得R A=R.特别提醒当R0≫R A时,测量误差小,此方法比较适合测小阻值的电流表的内阻,且测量值偏小;电源电动势应选大些的,这样表满偏时R0才足够大,闭合S2时总电流变化才足够小,误差才小.7.[伏安法测电阻](2014·浙江理综·22)小明对2B铅笔芯的导电性能感兴趣,于是用伏安法测量其电阻值.(1)图21是部分连接好的实物电路图,请用电流表外接法完成接线并在图中画出.图21图22(2)小明用电流表内接法和外接法分别测量了一段2B 铅笔芯的伏安特性,并将得到的电流、电压数据描到U -I 图上,如图22所示.在图中,由电流表外接法得到的数据点是用________(填“○”或“×”)表示的.(3)请你选择一组数据点,在图上用作图法作图,并求出这段铅笔芯的电阻为_______ Ω. 答案 (1)见解析图甲 (2)× (3)见解析图乙 用“×”表示的数据连线时,1.2(1.1~1.3均可),用“○”表示的数据连线时,1.6(1.5~1.7均可) 解析 (1)连线如图甲所示.甲乙(2)U -I 图象如图乙所示,U -I 图象的斜率反映了电阻的大小,而用电流表内接法时测得的电阻偏大,外接法时测得的电阻偏小,所以外接法的数据点是用“×”表示的.(3)在U -I 图象上,选用外接法所得的“×”连线,则R =ΔUΔI=1.2 Ω,选用内接法所得的“○”连线,则R =ΔUΔI=1.6 Ω.8.[电表改装和电阻测量]现要测量电流表G 1的内阻,给出下列器材:电流表G 1(量程5 mA ,内阻r 1约为150 Ω)电流表G 2(量程10 mA ,内阻r 2约为100 Ω) 定值电阻R 1=100 Ω 定值电阻R 2=10 Ω 滑动变阻器R 3(0~200 Ω) 干电池E (1.5 V ,内阻未知) 单刀单掷开关S 导线若干 (1)定值电阻选________________;(2)如图23所示,在虚线框中已画出部分实验电路设计图,请补充完整,并标明所用器材的代号;图23(3)若选测量数据中的一组计算r 1,所用的表达式为r 1=____________________,式中各符号的意义是__________________________________________________________________ ________________________________________________________________________. 答案 (1)R 1 (2)电路图如图所示(3)R 1(I 2-I 1)I 1 I 1、I 2分别表示电流表G 1、G 2的读数,R 1表示定值电阻R 1的阻值.解析 (1)若选R 2,则其阻值太小,电流过大,而R 1与G 1内阻相当,故选R 1. (2)电路图如图所示.G 2的示数-G 1的示数为通过R 1的电流值.(3)由并联电路特点得:I 1r 1=R 1(I 2-I 1)r 1=R 1(I 2-I 1)I 1I 1、I 2分别表示电流表G 1、G 2的读数,R 1表示定值电阻R 1的阻值. 9.[等效替代法测电阻]电学实验中经常需要测量电阻的阻值.(1)测电阻的方法有很多种,现在提供一只标有“220 V 40 W ”的灯泡,它正常工作时的电阻为________ Ω.若用多用电表欧姆挡来测量这只灯泡的电阻,则测出的电阻值________(填“大于”“等于”或“小于”)灯泡正常工作时的电阻值. (2)用下列器材设计一个实验,测量该灯泡正常工作时的电阻值. A .220 V 交流电源 B .单刀双掷开关一个C .电阻箱一个(0~999.9 Ω,额定电流0.5 A)D .定值电阻一个(0.5 kΩ,额定电流0.3 A)E .交流电流表一个(0~0.3 A) 请在虚线框内画出电路原理图.答案 (1)1 210 小于 (2)见解析图解析 (1)正常工作时电压为额定电压,故有P =U 2R ,所以R =U 2P =1 210 Ω;灯泡在正常工作时发热,灯丝电阻率增大,电阻增大,因而用欧姆挡测量时阻值应小于正常工作时的电阻值.(2)应用替代法.因电阻箱的最大阻值小于灯泡正常工作的电阻值,故应串联一定值电阻,电路原理图如图所示.10.[半偏法测电阻](2015·新课标Ⅱ·23)电压表满偏时通过该表的电流是半偏时通过该表电流的两倍.某同学利用这一事实测量电压表的内阻(半偏法),实验室提供的器材如下: 待测电压表(量程3 V ,内阻约为3 000 Ω),电阻箱R 0(最大阻值为99 999.9 Ω),滑动变阻器R 1(最大阻值100 Ω,额定电流2 A),电源E (电动势6 V ,内阻不计),开关2个,导线若干.(1)虚线框内为该同学设计的测量电压表内阻的电路图的一部分,将电路图补充完整(如图24).图24(2)根据设计的电路,写出实验步骤:________________________________________________________________________________________________________________________________________________.(3)将这种方法测出的电压表内阻记为R V′,与电压表内阻的真实值R V相比,R V′________R V(填“>”、“=”或“<”),主要理由是____________________.答案(1)见解析图(2)见解析(3)>理由见解析解析(1)实验电路图如图所示.(2)移动滑动变阻器的滑片,以保证通电后电压表所在支路分压最小;闭合开关S1、S2,调节R1,使电压表的指针满偏;保持滑动变阻器滑片的位置不变,断开S2,调节电阻箱R0,使电压表的指针半偏,读取电阻箱的电阻值,此即为测得的电压表内阻.(3)断开S2,调节电阻箱R0使电压表成半偏状态,电压表所在支路总电阻增大,分得的电压也增大,此时R0两端的电压大于电压表的半偏电压,故R V′>R V.考点四实验拓展与创新11.[实验器材的创新]有一根细长且均匀的空心金属管线,长约30 cm,电阻约为5 Ω,已知这种金属的电阻率为ρ,现在要尽可能精确测定它的内径d.(1)用螺旋测微器测量金属管线外径D时刻度的位置如图25a所示,从图中读出外径为________ mm,应用________(选填“厘米刻度尺”或“毫米刻度尺”)测金属管线的长度L;图25(2)测量金属管线的电阻R ,为此取来两节新的干电池、开关和若干导线及下列器材: A .电压表0~3 V ,内阻约10 kΩ B .电压表0~15 V ,内阻约50 kΩ C .电流表0~0.6 A ,内阻约0.05 Ω D .电流表0~3 A ,内阻约0.01 Ω E .滑动变阻器,0~10 Ω F .滑动变阻器,0~100 Ω要求较准确地测出其阻值,电压表应选____________,电流表应选__________,滑动变阻器应选__________;(填序号)(3)实验中他的实物接线如图b 所示,请指出接线中的两处明显错误.错误1:___________________________________________________________________ 错误2:___________________________________________________________________ (4)用已知的物理常数和应直接测量的物理量(均用符号表示),推导出计算金属管线内径的表达式d =______________;(5)在实验中,下列说法正确的是________. A .为使电流表读数明显,应使电流尽可能大些B .为操作方便,中间过程可保持开关S 一直处于闭合状态C .千分尺的精确度是千分之一毫米D .用千分尺测量直径时必须估读一位答案 (1)5.200 毫米刻度尺 (2)A C E (3)导线连接在滑动变阻器的滑片上 采用了电流表内接法 (4)D 2-4ρILπU(5)D解析 (1)螺旋测微器的读数为: D =5 mm +20.0×0.01 mm =5.200 mm ;测量30 cm 金属管长度时应用毫米刻度尺来测量.(2)由于两节干电池的电动势为3 V ,所以电压表应选A ;由于通过金属管的最大电流为I m =U R x =35A =0.6 A ,所以电流表应选C.为了较准确地测出其阻值,滑动变阻器应选E.(3)由于待测金属管阻值远小于电压表内阻,所以电流表应用外接法,连线图中的两处明显错误分别是:错误1:导线连接在滑动变阻器的滑片上;错误2:采用了电流表内接法.(4)设金属管线内径为d,根据电阻定律应有:R=ρL14πD2-14πd2,又R=UI,联立可得:d=D2-4ρILπU(5)由金属的电阻率随温度的升高而增大可知,通过待测金属管线的电流不能太大,所以A 错误;为减小温度的影响,中间过程应断开开关,所以B错误;千分尺的精确度是0.01 mm,即应精确到1100毫米,所以C错误;千分尺读数时必须估读一位,即估读到0.001 mm,所以D正确.12.[液体电阻率的测量]如图26是一同学测量某导电液体电阻率的实物连线图.图中均匀的长直玻璃管内径为d,里面充满待测导电液体,玻璃管两端各装有一电极,电极距离为L.图26(1)根据实物连线图在虚线框内画出实验的电路原理图,其中导电液体用电阻R x表示.(2)在接通电路前,为保证器材安全滑动变阻器的滑片P应移到最________端(填“左”或“右”).在电路调试时,该同学发现:闭合开关S1后,单刀双掷开关S2接到a接点时电压表示数为4.5 V 、电流表示数为180 μA ;单刀双掷开关S 2接到b 接点时电压表示数为4.6 V 、电流表示数为164 μA.正式测量时,为减小实验误差,单刀双掷开关S 2应接到________点(填“a ”或“b ”).(3)该同学正确完成实验,测得该段液体的电阻R 0,则该导电液体的电阻率的表达式为ρ=______________(用R 0、L 、d 等表示). 答案 (1)如图所示(2)右 b (3)πR 0d 24L解析 (1)电路原理图如图所示(2)接通电路前为保证电路的安全,应使滑动变阻器接入电路中的电阻最大,即滑片应移到最右端.分别使用内接法和外接法时电流表示数变化大,电压表示数变化小,说明电流表对示数影响较小,即电流表内阻远小于被测电阻,为减小误差应当采用电流表内接法,故接b 点.(3)根据欧姆定律R =U I 、电阻定律ρ=RS L 及S =π(d 2)2可得电阻率ρ=πR 0d 24L.13.[实验拓展]某些固体材料受到外力后除了产生形变外,其电阻率也要发生变化,这种由于外力的作用而使材料电阻率发生变化的现象称为“压阻效应”.现用如图27所示的电路研究某长薄板电阻R x 的压阻效应,已知R x 的阻值变化范围为几欧到几十欧,实验室中有下列器材:图27A.电源E(3 V,内阻约为1 Ω)B.电流表A1(0.6 A,内阻r1=5 Ω)C.电流表A2(6 A,内阻r2约为1 Ω)D.开关S,定值电阻R0(1)为了比较准确地测量电阻R x的阻值,根据虚线框内电路图的设计,甲表选用________(选填“A1”或“A2”),乙表选用________(选填“A1”或“A2”).(2)在电阻R x上加一个竖直向下的力F(设竖直向下为正方向),闭合开关S,记下电表读数,A1的读数为I1,A2的读数为I2,得R x=________(用字母表示).(3)改变力的大小,得到不同的R x值,然后让力反向从下向上挤压电阻,并改变力的大小,得到不同的R x值,最后绘成的图象如图28所示.当F竖直向下(设竖直向下为正方向)时,可得R x与所受压力F的数值关系是R x=________________.(各物理量单位均为国际单位)图28(4)定值电阻R0的阻值应该选用________________.A.1 Ω B.5 Ω C.10 Ω D.20 Ω答案(1)A1A2(2)I1r1I2-I1(3)16-2F(4)B解析(1)由于A1内阻确定,并且与待测电阻接近,与待测电阻并联,用来测出待测电阻R x 两端的电压,用A2测得的电流减去A1测得的电流就是流过待测电阻的电流,根据欧姆定律就可求出待测电阻的阻值,电路连接如图所示.(2)待测电阻两端的电压U=I1r1,流过待测电阻的电流I=I2-I1,因此待测电阻的阻值为R x =I1r1I2-I1.(3)由图象的对称性可知,加上相反的压力时,电阻值大小相等;图象与纵坐标的交点为16 Ω,。
高中物理游标卡尺和螺旋测微器专项练习
题(有答案)
1.使用游标卡尺测量小球直径,读数为d=mm。
2.使用螺旋测微器测量金属丝直径,示数如图所示,直径为d=mm。
3.用游标卡尺测量物体宽度,游标标尺示数如图所示,读数为L=mm。
4.同学用螺旋测微器测量物体长度,示数为L=mm。
6.使用螺旋测微器测量物体厚度,示数如图所示,厚度为h=mm。
7.用游标卡尺测量金属小球直径,示数如图所示,直径为d=cm。
8.三把游标尺自左至右分别为10等分、20等分、50等分,读数依次为mm、mm、mm。
9.游标卡尺读数和螺旋测微器读数方法不同。
游标卡尺读
数为cm,螺旋测微器读数为mm。
10.用螺旋测微器测量圆金属丝直径d,示数如图所示,直径为mm。
11.用螺旋测微器测量物体宽度,结果如图所示,宽度为
d=mm。
游标卡尺与螺旋测微器的使用(复习题库)一、选择题1、一同学在某次实验中测量一物体长度,记录结果为11.75mm,则该同学所使用的测量工具可能为A.10分度的游标卡尺B.20分度的游标卡尺C.50分度的游标卡尺D.螺旋测微器【答案】B2、某同学分别用毫米刻度尺、10分度游标卡尺、50分度游标卡尺、螺旋测微器测量同一个物体的宽度,分别得到如下数据,其中读数肯定错误的是A.20.0mm B.19.9mm C.20.05mm D.19.99mm【答案】C3、甲、乙两位同学用刻度尺测量同一竹竿的长度时记录的数量分别是,甲为5.65m,乙为5.650m。
根据你学过的物理知识判断下列说法正确的是A.甲同学使用的是最小刻度为厘米的刻度尺进行测量B.乙同学使用的是最小刻度为厘米的刻度尺进行测量C.甲同学的记录数准确到厘米D.乙同学使用的是最小刻度为毫米的刻度尺进行测量【答案】B4、在实验“探究导体电阻与其影响因素”中,小明用螺旋测微器、10分度游标卡尺分别多次测量了同一根金属丝的直径,则下列判断正确的是A.若读数为0.82mm,则使用的是螺旋测微器B.若读数为0.8mm,则使用的是10分度游标卡尺C.若使用的是螺旋测微器,读数可能为0.819mmD.若使用的是10分度游标卡尺,读数可能为0.81mm【答案】BC二、填空题5、如图,游标卡尺的读数为________cm;【答案】1.146、下图中游标卡尺和螺旋测微器的读数分别为 mm 和 mm 。
【答案】11.4 5.665±0.002 7、读出下面图中游标卡尺与螺旋测微器的读数,游标卡尺读数为 cm ,螺旋测微器读数为 mm 。
【答案】2.285cm ;2.697 2.701mm mm 8、如图的游标卡尺的读数为 mm 。
【答案】91.609、某同学用一游标卡尺上标有20等分刻度的游标卡尺测一物体的长度.测得的结果如图所示,则该物体的长度L=_____cm 。
游标卡尺和螺旋测微器一、 游标卡尺 1、结构和作用2、游标卡尺的原理以10分度游标卡尺为例说明。
如图所示,将主尺的9小格9毫米长度平均分成10份,做成游标尺,游标尺的每小格即为0. 9毫米,比主尺相应小0.1毫米,根据游标尺和主尺的刻度错位可测量不足一毫米的长度。
主尺和游标尺上对应的一等份差值,叫做精确度,它体现了测量的准确程度。
游标卡尺正是利用主尺和游标尺上每一小格只差,来达到提高精确度的目的,这种方法叫做示差法。
如图3所示,游标尺上的第六条刻度线与主尺上的某一条对齐,则被测物体的长度:精确度⨯=⨯=⨯-=-=∆61.069.066mm mm mm L L Lbc dc同理,当游标上第n 条刻线与主尺上的某一条刻线对齐时,被测物体长度为精确度⨯=∆n L 3、游标卡尺的读数(1)确认游标格数、游标卡尺精确度: 标尺等分数精度1=mm10分度游标卡尺精确度为mm mm 1.0101=; 20分度游标卡尺精确度为mm mm 05.0201=; 50分度游标卡尺精确度为mm mm 02.0501=;(2)、从主尺读出游标尺零刻线前的毫米数1L ;(3)、看游标尺上第几条刻线跟主尺上某一条刻线对齐,毫米以下的读数就是精确度⨯=n L 2,得游标尺示数L 2;(4)、测量结果精确度⨯+=+=n L L L L 121,对于不同规格的游标卡尺读数方法如下表所示:5、注意单位和有效数字“0” 游标尺不需要估读。
二、螺旋测微器(也叫千分尺)器材实物:(如右图)测量范围:0~25 mm精 度0.01mm 500.5mm==读数方法:( 这些是干什么的?)2、读出下图中游标卡尺和螺旋测微器的读数游标卡尺的读数为_________mm.;螺旋测微器的读数为_________mm.3、下图中50分度游标卡尺和螺旋测微器的读数分别为_______mm 和_______mm 。
4、图甲为用螺旋测微器、图乙为用游标尺上有50个等分刻度的游标卡尺测量工件的情况,请读出它们的读数.甲:读数为 mm乙:读数为 ___mm01234560123456789cm5(1)某同学使用游标为10个小等分刻度的游标卡尺测量一物体的尺寸,得到图中的游标卡尺的读数,由于遮挡,只能看到游标的后半部分,则图中游标卡尺的读数为 cm;(2)从图中读出金属丝的直径为___________mm。
游标卡尺原理及练习题一、游标卡尺的结构和作用二、游标卡尺的原理以10分度游标卡尺为例说明。
如图所示,将主尺的9小格9毫米长度平均分成10份,做成游标尺,游标尺的每小格即为0. 9毫米,比主尺相应小0.1毫米,根据游标尺和主尺的刻度错位可测量不足一毫米的长度。
主尺和游标尺上对应的一等份差值,叫做精确度,它体现了测量的准确程度。
游标卡尺正是利用主尺和游标尺上每一小格只差,来达到提高精确度的目的,这种方法叫做示差法。
如图3所示,游标尺上的第六条刻度线与主尺上的某一条对齐,则被测物体的长度:精确度⨯=⨯=⨯-=-=∆61.069.066mmmmmmLLLbcdc同理,当游标上第n条刻线与主尺上的某一条刻线对齐时,被测物体长度为精确度⨯=∆nL三、游标卡尺的读数1、确认游标格数,算出游标卡尺精确度:10分度游标卡尺精确度为mmmm1.0101=;20分度游标卡尺精确度为mmmm05.0201=;50分度游标卡尺精确度为mmmm02.0501=;2、从主尺读出游标尺零刻线前的毫米数1L;3、看游标尺上第几条刻线跟主尺上某一条刻线对齐,毫米以下的读数就是精确度⨯=nL2,得游标尺示数L2;4、测量结果精确度⨯+=+=nLLLL121,对于不同规格的游标卡尺读数方法如下表所示:游标尺(mm)精度(mm)测量结果(游标尺上第n条刻度线与主尺上的某刻度线对齐时)(mm)刻度格数刻度总长度每小格与1毫米差1090.10.1主尺上读的毫米数+0.1 n20190.050.05主尺上读的毫米数+0.05 n50490.020.02主尺上读的毫米数+0.02 n5、注意单位和有效数字“0”游标尺不需要估读。
四、练习题:1.有一游标卡尺,主尺的最小分度是1mm,游标上有20个小的等分刻度。
用它测量一工件的长度,如下左图所示,图示的读数是 mm。
答案:104.00mm2.一游标卡尺的主尺最小分度为1mm,游标上有10个小等分间隔,现用此卡尺来测量工件的直径,如上右图所示。
游标卡尺和螺旋测微器一、游标卡尺1、结构和作用2、游标卡尺的原理以 10 分度游标卡尺为例说明。
以以下列图,将主尺的9 小格 9 毫米长度平均分成 10 份,做成游标尺,游标尺的每小格即为0. 9 毫米 ,比主尺相应小 0.1 毫米 ,依照游标尺和主尺的刻度错位可测量缺乏一毫米的长度。
主尺和游标尺上对应的一等份差值,叫做精确度,它表达了测量的正确程度。
游标卡尺正是利用主尺和游标尺上每一小格只差,来到达提高精确度的目的,这种方法叫做示差法。
如图 3所示,游标尺上的第六条刻度线与主尺上的某一条对齐,那么被测物体的长度:L Ldc Lbc6mm 6 0.9mm 60.1mm 6精确度同理,当游标上第 n 条刻线与主尺上的某一条刻线对齐时,被测物体长度为L n 精确度3、游标卡尺的读数〔1〕确认游标格数、游标卡尺精确度:精度1mm 标尺均分数10 分度游标卡尺精确度为1mm0.1mm ;1020 分度游标卡尺精确度为1mm0.05mm ;50 分度游标卡尺精确度为1mm;2050〔2〕、从主尺读出游标尺零刻线前的毫米数L1;〔3〕、看游标尺上第几条刻线跟主尺上某一条刻线对齐,毫米以下的读数就是L2n 精确度,得游标尺示数 L 2;〔4〕、测量结果 L L1L2L1n精确度,对于不同样规格的游标卡尺读数方法以下表所示:游标尺 (mm)精度测量结果 (游标尺上第 n 条刻度线与刻度格刻度总长每小格与 1 毫米差(mm)主尺上的某刻度线对齐时 )(mm)数度109主尺上读的毫米数+ 0.1 n 2019主尺上读的毫米数+ 0.05 n 5049主尺上读的毫米数+ 0.02 n 5、注意单位和有效数字“ 0〞游标尺不需要估读。
读数方法:测量值=主尺读整毫米数+标尺对齐格数×精度中学不要求应以标尺零刻线标尺上第几格估读位。
无需读取,不可以标尺与主尺某刻线边框读取。
对齐。
零刻线估读!不算。
二、螺旋测微器〔也叫千分尺〕器材实物:〔如右图〕测量范围: 0~25 mm精度50读数方法:测量值=固定尺读数+可动尺对齐格数×精度等于标尺上等分数的倒数,以 mm 为单位。
螺旋测微器1:螺旋测微器结构及原理:螺旋测微器的构造如图所示,有固定和可动两个部分。
固定y 刻度B 刻在轴圆柱面上,柱面的刻度分上下两条。
最小分度值为0.5mm 。
可动部分的可动旋钮D 、可动刻度E 与测微螺杆F 固定在一起。
当小砧A 和F 并拢时,可动刻度E 的零点应该恰 好跟固定刻度B 零点的重合。
逆时针旋转旋钮D ,使A 、F 正好接触待测金属丝直径的两端。
在使用时,F 快要接触被测物体时,停止使用旋钮D 。
改用微调旋钮D ′,这样就不至于在F 和被测物体之间产生过大的压力,既可以保护仪器,又能保证测量结果的准确。
当微调旋钮D ′使可动小砧向左顶住物体时,会发出“嗒、嗒、…”声,此时微调旋钮打滑测微螺杆F 不再前进,可以读数了。
旋钮旋转一圈,螺杆前进或后退0.5mm ,旋钮上可能刻度分成50等分,每一等分表示0.01mm ,把沿轴线方向不便于测量的微小距离用圆周上的点移动较大的距离表示出来(机械放大原理) 2:读数:要注意固定刻度上表示半毫米的刻度线是否已经露出;读数时准确到0.01mm ,估读到0.001mm 。
因为固定刻度上的最小刻度为0.5mm (在中线的上侧);可动刻度每旋转一圈前进(或后退)0.5mm.在可动刻度的周长上平均刻有50条刻线,所以相邻两条刻线间代表0.01mm 。
读数时,从固定刻度上读取整、半毫米数,然后从可动刻度上读取剩余部分(因为是10分度,所以在最小刻度后应再估读一位),再把两部分读数相加,得测量值。
右图中的读数应该是6.702mm 。
3、练习题1、螺旋测微器是一种精密的测量长度的仪器。
常用螺旋测微器的精度是0.01mm ,右图是某次测量的读数,为5.620mm 。
则刻度线旁边的方框内,符合给出的读数相应的数值是:A ,B ,C 。
答案 5 10 152.将图所示的螺旋测微器的读数写出来.甲.__ _mm 乙._____cm 解析;先读出固定尺上的读数,再读出可动尺上的读数.甲.8 mm +47.7×0.01 mm =8.477 mm.乙.6.5 mm +7.8×0.01 mm =6.578 mm =0.6578 cm. 答案:8.476 0.65783.某同学用螺旋测微器测量一铜丝的直径,测微器的示数如图实-5-20所示,该铜丝的直径为________mm.解析:螺旋测微器固定刻度部分读数为4.5 mm ,可动刻度部分读数为0.093 mm ,所以所测铜丝直径为4.593 mm.答案:4.592~4.5944.用螺旋测微器测圆柱体的直径时,示数如图实-5-22所示,此示数为________mm.答案:(1)10.40 (2)2.720YBD E A FD ’5、如图所示,甲图中螺旋测微器的读数为 mm . . 10.501(10.500-10.502均可得分,2分); 10.155 。
中学物理螺旋测微器读数规则及专项练习
一、中学物理螺旋测微器(又称千分尺)的读数规则如下:
1.读固定刻度:
从主尺上读出露出的刻度值,注意主尺上有整毫米和半毫米两行刻线,露出整毫米读整毫米,露出半毫米读半毫米,不要漏读半毫米值。
2.读可动刻度:
读取可动刻度上的读数,看第几条刻度线与主尺线重合(注意估读),乘以0.01mm即为可动读数。
3.计算结果:
将固定与可动读数相加即为测量值。
注意,螺旋测微器读数如以mm为单位,小数点后一定要读够三位数字,如读不够,应以零来补齐。
例题:
如上图,主尺应读6.5mm,动尺读36.0乘以0.01mm等于0.360mm。
所以最终读数为6.5mm+0.360mm=6.860mm。
二、专项练习
1.读数练习:
三、注意事项
1.游标卡尺与螺旋测微器的区别:
螺旋测微器比游标卡尺具有更高的精度,能够精确到0.01mm。
2.读数技巧:
在读取可动刻度时,要注意估读,并尽量使视线与刻度线垂直,以减少误差。
3.保养与维护:
使用后应及时清洁螺旋测微器,并保持其干燥和清洁,避免生锈或损坏。
通过以上规则和练习,学生可以更好地掌握螺旋测微器的使用方法和读数技巧,提高实验测量的准确性和精度。
螺旋测微器练习题螺旋测微器是一种常用的精密测量工具,广泛应用于机械加工、制造和科学实验等领域。
它的主要功能是测量物体的长度、直径和深度等尺寸参数。
在使用螺旋测微器进行测量时,我们需要掌握一些基本的操作技巧和解题方法。
下面,我们将通过一些练习题来加深对螺旋测微器的理解和应用。
练习题一:测量物体长度假设我们需要测量一根铁丝的长度,首先将铁丝放在螺旋测微器的测量范围内,轻轻旋转测微器的刻度盘,直到螺旋测微器的两个测量脚夹住了铁丝。
此时,我们可以读取刻度盘上的数值,这个数值就是铁丝的长度。
练习题二:测量物体直径现在,我们来测量一颗螺钉的直径。
首先,将螺钉放在螺旋测微器的测量范围内,调整测量脚的位置,使其与螺钉的两侧接触。
然后,旋转刻度盘,直到两个测量脚夹住了螺钉。
最后,读取刻度盘上的数值,这个数值就是螺钉的直径。
练习题三:测量物体深度接下来,我们将测量一个孔的深度。
首先,将螺旋测微器的测量脚放入孔中,使其与孔底接触。
然后,旋转刻度盘,使螺旋测微器的另一个测量脚与孔口接触。
最后,读取刻度盘上的数值,这个数值就是孔的深度。
练习题四:测量物体的不平面有时候,我们需要测量物体的不平面。
比如,我们要测量一块板材的厚度。
这时,我们可以使用螺旋测微器的测量脚夹住板材的两侧,然后旋转刻度盘,直到测量脚与板材的另一侧接触。
最后,读取刻度盘上的数值,这个数值就是板材的厚度。
练习题五:测量物体的间隙有时候,我们需要测量物体之间的间隙。
比如,我们要测量两个零件之间的间隙。
这时,我们可以使用螺旋测微器的测量脚夹住一个零件,然后旋转刻度盘,直到测量脚与另一个零件接触。
最后,读取刻度盘上的数值,这个数值就是两个零件之间的间隙。
通过以上的练习题,我们可以看到螺旋测微器在测量物体尺寸方面的灵活性和精确性。
在实际应用中,我们还需要注意一些细节,比如保持测量脚的垂直和水平,避免过度旋转刻度盘等。
只有掌握了正确的使用方法,我们才能准确地测量物体的尺寸。
人教高中物理选修3-1第二章恒定电流螺旋测微器读数练习学校:___________姓名:___________班级:___________考号:___________一、实验题1.主尺___副尺______读数_____2.主尺___副尺______读数_____3.主尺___副尺______读数_____4.主尺___副尺______读数_____5.主尺___副尺______读数_____6.主尺___副尺______读数_____ 7.主尺___副尺______读数_____ 8.主尺___副尺______读数_____ 9.主尺___副尺______读数_____ 10.主尺___副尺______读数_____ 11.主尺___副尺______读数_____12.主尺___副尺______读数_____ 13.读数____________cm.14.读数____________15.读数_________16.读数__________17.读数___________ 18.读数___________参考答案1.10mm;0.039mm;10.039【解析】【详解】[1][2][3].主尺10mm,副尺0.01mm×3.9=0.039mm,读数10.039mm. 2.8mm;0.063mm;8.063mm【解析】【详解】主尺8mm,副尺0.01mm×6.3=0.063mm,读数8.063mm.3.8.5mm;0.305mm; 8.805mm【解析】【详解】主尺8.5mm,副尺0.01mm×30.5=0.305mm,读数8.805mm.4.2mm; 0.140mm; 2.140mm【解析】【详解】主尺2mm,副尺0.01mm×14.0=0.140mm,读数2.140mm.5.8.5mm;0.305mm; 8.805mm【解析】【详解】主尺8.5mm,副尺0.01mm×30.5=0.305mm,读数8.805mm.6.2.5mm;0.086mm; 2.586mm【解析】【详解】主尺2.5mm,副尺0.01mm×8.6=0.086mm,读数2.586mm.7.3mm;0.008mm; 3.008mm【解析】【详解】主尺3mm,副尺0.01mm×0.8=0.008mm,读数3.008mm.8.5mm; 0.383mm 5.383mm【详解】[1][2][3].主尺5mm,副尺0.01mm×38.3=0.383mm,读数5.383mm.9.2.5mm;0.086mm; 2.586mm【解析】【详解】主尺2.5mm,副尺0.01mm×8.6=0.086mm,读数2.586mm.10.7mm; 0.500mm7.500mm【详解】[1][2][3].主尺7mm,副尺0.01mm×50.0=0.500mm,读数7.500mm.【点睛】螺旋测微器的读数方法是固定刻度读数加上可动刻度读数,在读可动刻度读数时需估读.11.9mm; 0.270mm;9.270mm【详解】[1][2][3].主尺9mm,副尺0.01mm×27.0=0.270mm,读数9.270mm.【点睛】螺旋测微器的读数方法是固定刻度读数加上可动刻度读数,在读可动刻度读数时需估读.12.5.5mm; 0.304mm; 5.804【详解】[1][2][3].主尺5.5mm,副尺0.01mm×30.4=0.304mm,读数5.804mm.【点睛】螺旋测微器的读数方法是固定刻度读数加上可动刻度读数,在读可动刻度读数时需估读.13.1.940cm【详解】[1].50分度的游标卡尺,精确度是0.02mm,游标卡尺的主尺读数为19mm,游标尺上第20个刻度和主尺上某一刻度对齐,所以游标读数为20×0.02mm=0.40mm,所以最终读数为:19mm+0.40mm=19.40mm=1.940cm.【点睛】解决本题的关键掌握游标卡尺读数的方法,主尺读数加上游标读数,不需估读.14.5.015cm[1].20分度的游标卡尺,精确度是0.05mm,游标卡尺的主尺读数为50mm,游标尺上第3个刻度和主尺上某一刻度对齐,所以游标读数为3×0.05mm=0.15mm,所以最终读数为:50mm+0.15mm=50.15mm=5.015cm.【点睛】螺旋测微器的读数方法是固定刻度读数加上可动刻度读数,在读可动刻度读数时需估读.15.101.50mm【详解】[1].游标卡尺的主尺读数为101mm,游标尺上第10个刻度和主尺上某一刻度对齐,所以游标读数为10×0.05mm=0.50mm,所以最终读数为:101mm+0.50mm=101.50mm.【点睛】对于基本测量仪器如游标卡尺、螺旋测微器等要了解其原理,要能正确使用这些基本仪器进行有关测量.16.41.25mm.【详解】[1].游标卡尺的主尺读数为41mm,游标尺上第5个刻度和主尺上某一刻度对齐,所以游标读数为5×0.05mm=0.25mm,所以最终读数为:41mm+0.25mm=41.25mm.【点睛】对于基本测量仪器如游标卡尺、螺旋测微器等要了解其原理,要能正确使用这些基本仪器进行有关测量.17.11.14mm.【详解】[1].游标卡尺的主尺读数为11mm,游标尺上第7个刻度和主尺上某一刻度对齐,所以游标读数为7×0.02mm=0.14mm,所以最终读数为:11mm+0.14mm=11.14mm.【点睛】解决本题的关键掌握游标卡尺读数的方法,主尺读数加上游标读数,不需估读.18.11.14mm.【详解】[1].游标卡尺的主尺读数为11mm,游标尺上第7个刻度和主尺上某一刻度对齐,所以游标读数为7×0.02mm=0.14mm,所以最终读数为:11mm+0.14mm=11.14mm.解决本题的关键掌握游标卡尺读数的方法,主尺读数加上游标读数,不需估读.。
11.3 导体电阻率的测量【七大题型】【人教版2019】【题型1 螺旋测微器的使用方法】 (1)【题型2 游标卡尺的使用方法】 (3)【题型3 电流表的内接与外接】 (4)【题型4 测量电阻率的一般方法】 (6)【题型5 双安法测量电阻】 ................................................................................................... 错误!未定义书签。
【题型6 双伏法测量电阻】 (13)【题型7 电桥法测量电阻】 (16)知识点1:螺旋测微器的原理及读数1.构造如图所示,它的测砧A和固定刻度B固定在尺架C上,可动刻度E、旋钮D和微调旋钮D′是与测微螺杆F连在一起的,并通过精密螺纹套在B上.2.原理测微螺杆F与固定刻度B之间的精密螺纹的螺距为0.5 mm,即旋钮D每旋转一周,F前进或后退0.5 mm,而可动刻度E上有50个等分刻度,可动刻度每旋转一格,F前进或后退0.01 mm,即螺旋测微器的精确度为0.01 mm.读数时估读到毫米的千分位上,因此,螺旋测微器又叫千分尺.3.读数方法L=固定刻度示数+可动刻度示数(估读一位)×0.01 mm.4.注意事项(1)读数时准确到0.01 mm,要估读到0.001 mm,测量结果若用毫米做单位,则小数点后面必须保留三位.(2)读数时,要注意固定刻度上半毫米刻度线是否露出.【题型1 螺旋测微器的使用方法】【例1】(2024·广东学业考试)用螺旋测微器测量金属电阻丝的直径,示数如图所示,该读数为()A.0.390mm B.0.410mm C.0.890mm【变式1-1】(2023·浦东期中)用50分度的游标卡尺测量某金属环内径,下列读数正确的是()A.5.5mm B.5.460mm C.5.46mm D.5.47mm【变式1-2】(2022·闵行期末)测量电阻丝的直径,选用的测量工具是()A.螺旋测微器B.刻度尺C.卷尺D.多用电表【变式1-3】(2023·新疆学业考试)下列测量长度的仪器中,能够精确到0.01mm的是()A.螺旋测微器B.毫米刻度尺C.50分度游标卡尺D.20分度游标卡尺知识点2:游标卡尺的原理及读数1.构造:主尺、游标尺(主尺和游标尺上各有一个内、外测量爪)、游标卡尺上还有一个深度尺.(如图所示)2.原理:利用主尺的单位刻度与游标尺的单位刻度之间固定的微量差值来提高测量精度.不管游标尺上有多少个小等分刻度,它的刻度部分的总长度比主尺上的同样多的小等分刻度少 1 mm.常见的游标尺上小等分刻度有10个、20个、50个的,其规格见下表:3.用途:测量厚度、长度、深度、内径、外径.4.读数若用x表示由主尺上读出的整毫米数,K表示从游标尺上读出与主尺上某一刻度线对齐的游标尺的格数,则记录结果表示为(x+K×精确度)mm.5.注意事项(1)游标卡尺是根据刻度线对齐来读数的,所以不需要估读,但读数要注意最小精确度所在的位数,如果读数最后一位是零,该零不能去掉.(2)读数时,要注意游标尺第几条刻度线(不含零刻度线)与主尺对齐.【题型2 游标卡尺的使用方法】【例2】(2023·徐州期末)某同学用游标卡尺测一电学元件的长度,测得结果如图所示。
螺旋测微器1.(4分)下图游标卡尺的读数为cm 螺旋测微器的读数为mm2.螺旋测微器的读数为 mm3.由螺旋测微器读出某物体的长度为 mm。
4.下图中螺旋测微器的读数为mm。
5.(5分)某同学利用螺旋测微器测量一金属板的厚度。
该螺旋测微器校零时的示数如图(a)所示,测量金属板厚度时的示数如图(b)所示。
图(a)所示读数为_________mm,图(b)所示读数为_________mm,所测金属板的厚度为_________mm。
6.(4分) 图中给出的是用螺旋测微器测量一小钢球的直径时的示数,此读数应是____ ___mm。
7.图甲的螺旋测微器的读数是______mm ;图乙的游标卡尺的读数是______mm 。
8.(6分)(1)为验证“两小球碰撞过程中动量守恒”,小球下滑过程中与斜槽轨道间存在摩擦力,这对实验结果 产生误差(选填 “会” 或“不会”)(2)某同学用用螺旋测微器测量某金属丝直径的结果如图所示。
该金属丝的直径是 mm 。
9.图中螺旋测微器的读数为 mm ,游标卡尺读数为 cm 。
10.图(甲)是用一主尺最小分度为1mm ,游标上有20个分度的卡尺测量一工件的长度,结果如图所示。
可以读出此工件的长度为____________cm .图(乙)是用螺旋测微器测量某一圆筒内径时的示数,此读数应为 cm11. 请读出游标卡尺的数值 .mm图乙图12.在“长度的测量”实验中,调整游标卡尺两测量脚间距离,主尺和游标的位置如图甲所示,此时游标卡尺的读数为_______mm;若要游标卡尺的读数为0.20mm,应使游标上除0刻度线外第_______条刻度线与主尺上的刻度线对齐.13.如图乙所示,螺旋测微器测出的金属丝的直径是__________mm.14.如图所示,游标卡尺的读数为____mm,螺旋测微器读数为____ mm.15.游标卡尺和螺旋测微器是两种常用的测量长度的精密仪器。
如图甲所示的游标卡尺,主尺的最小分度是1mm,游标上有20个小的等分刻度,图示状态的读数是___ _____mm;用如图乙所示螺旋测微器测量一根金属丝的直径的读数是____________mm。
螺旋测微器练习题(打印版)一、选择题1. 螺旋测微器的最小读数单位是:A. 0.01mmB. 0.1mmC. 1mmD. 10mm2. 螺旋测微器的测量范围通常为:A. 0-25mmB. 25-50mmC. 50-100mmD. 100-200mm3. 使用螺旋测微器测量物体时,以下哪项操作是正确的?A. 直接用手拿取测量对象B. 测量时施加过大的力C. 测量前不校零D. 测量时保持测微器稳定4. 螺旋测微器的微分筒每转动一圈,测微螺杆移动的距离是:A. 0.5mmB. 0.01mmC. 1mmD. 0.1mm二、填空题1. 螺旋测微器的测量精度可以达到________mm。
2. 螺旋测微器的固定套筒上的刻度是用来测量________的。
3. 使用螺旋测微器测量时,应使________与被测表面接触。
三、判断题1. 螺旋测微器的零位校正非常重要,可以提高测量的准确性。
(对/错)2. 测量时,螺旋测微器的测微螺杆应该缓慢移动,以避免损坏测量对象。
(对/错)3. 螺旋测微器的微分筒每转动一圈,固定套筒上的刻度就会移动一个刻度。
(对/错)四、简答题1. 请简述螺旋测微器的工作原理。
2. 描述螺旋测微器的校零过程。
五、计算题假设使用螺旋测微器测量一个圆柱体的直径,固定套筒上的刻度显示为10mm,微分筒上的刻度显示为0.5mm。
请计算圆柱体的直径。
参考答案一、选择题1. A2. A3. D4. B二、填空题1. 0.012. 固定套筒3. 测微螺杆三、判断题1. 对2. 对3. 错四、简答题1. 螺旋测微器通过测量测微螺杆在固定套筒内移动的距离来确定物体的尺寸。
当测微螺杆与被测物体接触时,通过旋转微分筒,使测微螺杆逐渐退出,直到与物体表面接触,此时固定套筒上的刻度和微分筒上的刻度共同显示测量结果。
2. 校零过程是将螺旋测微器的测微螺杆与固定套筒的零刻度对齐,然后旋转微分筒,直到固定套筒上的零刻度与微分筒上的零刻度对齐,确保测量的起始点是准确的。
螺旋测微器测长度读数试题精选含答案1.图甲中螺旋测微器的读数应为mm ;图乙中游标卡尺的读数应为cm。
2.右图中螺旋测微器读数应为_______mm;游标卡尺的计数为_______mm。
3.如图所示,甲图中二十分度的游标卡尺的读数是cm;甲乙中螺旋测微器的读数为mm。
4.用螺旋测微器测量金属丝的直径,示数如图14-5所示,读数为______mm;用游标为20分度的卡尺测量球的直径,示数如图14-6所示,读数为________cm.5.螺旋测微器的读数__________mm,游标卡尺的读数______________cm6.图甲中游标卡尺的读数是cm,图乙中螺旋测微器的读数是mm.7.用螺旋测微器测量某金属丝直径时的读数如下图一,金属丝直径为mm.(2)图二为用50分度的游标卡尺测量物体长度时的读数,由于遮挡,只能看见游标的后半部分,这个物体的长度为mm.8.读出游标卡尺的读数为__________cm.螺旋测微器的读数为__________mm9.读出游标卡尺的读数为__________cm.螺旋测微器的读数为__________mm10.如图所示,螺旋测微器的读数为mm;游标卡尺的读数为cm。
11.用螺旋测微器测圆柱体的直径时,示数如图甲所示,此示数为mm,用游标卡尺测量答案第2页,总10页某物体的厚度时,示数如图乙所示,此示数为cm12.(1)游标尺上有20个等分刻度的游标卡尺测量工件的情况如图所示,读数为mm。
(2)游标尺上有50个等分刻度的游标卡尺测量工件的情况,读数为mm 。
13.(2分)游标尺上有10个等分刻度的游标卡尺,游标尺刻度的总长为9mm,游标尺的每一分度与主尺的最小分度相差0.1mm.有一把这样的游标卡尺,由于长期使用,测量爪磨损严重,当左、右测量爪合在一起时,游标尺的零线与主尺的零线不重合,出现如图所示的情况,此时两零刻线间的距离为____________mm .14.在“练习使用螺旋测微器”的实验中,测量某金属丝直径时的刻度位置如图所示,从图中读出金属丝的直径为mm。
螺旋测微器
1:螺旋测微器结构及原理:
螺旋测微器的构造如图所示,有固定和可动两个部分。
固定y 刻度B 刻在轴圆柱面上,柱面的刻度分上下两条。
最小分度值为0.5mm 。
可动部分的可动旋钮D 、可动刻度E 与测微螺杆F 固定在一起。
当小砧A 和F 并拢时,可动刻度E 的零点应该恰 好跟固定刻度B 零点的重合。
逆时
针旋转旋钮D ,使A 、F 正好接触待测金属丝直径的两端。
在使用时,F 快要接触被测物体时,停止使用旋钮D 。
改用微调旋钮D ′,这样就不至于在F 和被测物体之间产生
过大的压力,既可以保护仪器,又能保证测量结果的准确。
当微调旋钮D ′使可动小砧向左顶住物体时,会发出“嗒、嗒、…”声,此时微调旋钮打滑测微螺杆F 不再前进,可
以读数了。
旋钮旋转一圈,螺杆前进或后退0.5mm ,旋钮
上可能刻度分成50等分,每一等分表示0.01mm ,把沿轴线方向不便于测量的微小距离用圆周上的点移动较大的距离表示出来(机械放大原理) 2:读数:
要注意固定刻度上表示半毫米的刻度线是否已经露出;读数时准确到0.01mm ,估读到0.001mm 。
因为固定刻度上的最小刻度为0.5mm (在中线的上侧);可动刻度每旋转一圈前进(或后退)0.5mm.在可动刻度的周长上平均刻有50条刻线,所以相邻两条刻线间代表0.01mm 。
读数时,从固定刻度上读取整、半毫米数,然后从可动刻度上读取剩余部分(因为是10分度,所以在最小刻度后应再估读一位),再把两部分读数相加,得测量值。
右图中的读数应该是6.702mm 。
3、练习题
1、螺旋测微器是一种精密的测量长度的仪器。
常用螺旋测微器的精度是0.01mm ,右图是某次测量的读数,为5.620mm 。
则刻度线旁边的方框内,符合给出的读数相应的数值是:A ,B ,C 。
答案 5 10 15
2.将图所示的螺旋测微器的读数写出来.甲.__ _mm 乙._____cm 解析;先读出固定尺上的读数,再读出可动尺上的读数.
甲.8 mm +47.7×0.01 mm =8.477 mm.
乙.6.5 mm +7.8×0.01 mm =6.578 mm =0.6578 cm. 答案:8.476 0.6578
3.某同学用螺旋测微器测量一铜丝的直径,测微器的示数如图实-5-20所示,该铜丝的直径为________mm.
解析:螺旋测微器固定刻度部分读数为4.5 mm ,可动刻度部分读数为0.093 mm ,所以所测铜丝直径为4.593 mm.答案:4.592~4.594
4.用螺旋测微器测圆柱体的直径时,示数如图实-5-22所示,此示数为________mm.
答案:(1)10.40 (2)2.720
Y
B
D E A F
D ’
5、如图所示,甲图中螺旋测微器的读数为 mm . . 10.501(10.500-10.502均可得分,2分); 10.155 。
6.用螺旋测微器分别测量一金属块的长度,下图是螺旋测微器的读数的示意图,由图可知金属块的长度分别是 cm 答案: 1.0200
7.读出下面图中螺旋测微器读数为 mm 。
答案:螺旋测微器读数为 5.693 mm 。
(5.692-5.696)cm.
8、下列各图读数
A mm
甲图
B
C D mm
mm
mm。