波峰焊过程确认方案
- 格式:docx
- 大小:42.26 KB
- 文档页数:8
无铅自动波峰焊作业指导书01
无铅自动波峰焊作业指导书01
一、引言
二、准备工作
1.确认焊接设备和工具的完好性。
2.准备所需焊接材料,如无铅焊锡丝、助焊剂等。
三、操作步骤
1.打开焊接设备电源,确认设备参数设置正确。
2.检查焊嘴温度,确保其达到工作温度。
3. 将待焊接的PCB(Printed Circuit Board,印刷电路板)放置在焊嘴下方的传送带上。
4.调整焊锡浸入深度,使其能够完全湿润焊垫而不超出焊垫边缘。
5.打开助焊剂喷雾器,并根据需要将适量助焊剂均匀喷洒在焊垫上。
6.将待焊接元件放置在PCB上,并确保其正确对位。
7.触摸开关或脚踏开关以开始焊接过程。
8.焊接完成后,确认焊接质量并进行可靠性测试。
9.将已焊接好的PCB从传送带上取下,并进行下一步工序。
四、操作注意事项
1.操作者应注意个人安全,佩戴防护手套和眼镜等个人防护用具。
2.注意焊接温度和时间的控制,避免焊接过热或不充分。
3.注意焊接位置的精确对位,避免焊接偏移或短接。
4.避免焊接过程中的振动或冲击,以免影响焊接质量。
5.定期检查和维护焊接设备,确保其正常工作。
五、作业记录
六、结束语。
工具手套 口罩 小耙子 漏勺 灰刀 锡渣盒仪器1.2首次关机操作:1.3次日开机只需打开启动和照明即可,关机则只需关闭启动和照明。
2.参数设置2. 1参数调整时一次只能变换一个参数2.2每台锡炉须建立对于不同机型的最佳参数。
2. 3锡炉参数调整及不良须做《PPM值统计报表》,每日统计三次,每次抽取10PCS板,用总不良焊点数/单块PCB焊盘数×10*1000000.当PPM值超过5000PPM时表明制程有异常因素,须采取措施排除。
1.4注意事项:1.4.1开机前必须先确认锡温是否达到焊接要求,焊锡完全熔化前禁止开启波峰马达。
1.4.2锡炉禁止非锡炉技术人员操作。
1.4.3开机前将锡渣清理干净。
1.4.4助焊剂涂布使用喷雾方式时,开机前先确认喷雾机的气压.助焊剂的存量;然后用牙刷沾上稀释剂将喷头出水.出气孔粘附的松香刷洗干净,生产中每隔2小时也须清洗一次,每天早上上班时用一块硬纸板(尺寸同PCB)代替PCB过喷雾器,看助焊剂是否覆盖整个纸板,若有不均则调整喷雾机,直到合格。
1.4.5检查操作面板,确认所有的参数达到设定值后才可过产品。
1.4.6锡炉稳定后,先过5台产品,确认没问题后再开线。
1.4.7锡炉出现问题时先按急停开关,再关闭预热,然后取出炉内的产品。
1.4.8打开锡炉门操作和保养维护时一定要戴上口罩,手套等防护用品。
1.4.9加锡时一定要了解锡炉内的焊锡成份,核对当前使用的锡条与锡炉内的焊锡一致后才能添加。
1.4.10锡炉各项参数的具体操作方法参考对应锡炉的操作手册。
1.4.11调整波峰后流时要保证波峰平稳,在氧化物能流走的情况下后流尽可能小,这样可减小焊接不良也可保证PCB过波峰时行进速度与与波峰后流速度基本一致。
1.4.12调整运输轨道宽窄时要注意从入口到出口宽度一致,PCB不能卡得太松以免掉板或过波峰时停板,也不能太紧以免PCB变形严重或过波峰时板面溢锡和碰掉组件。
温度曲线测试仪,高温玻璃1.锡炉的基本操作及注意事项1.1首次开机操作:确认电源打开 确认锡温达到设定值后按启动范围 打开预热 打开运输马达 打开波峰 打 开爪洗马达 打开冷却装置 打开喷雾器确认产品过完 关闭喷雾机 关闭预热 关闭波峰 关闭运输马达 关闭爪洗马达 关闭冷却装置 关闭启动2. 6.5温度曲线标准如下:。
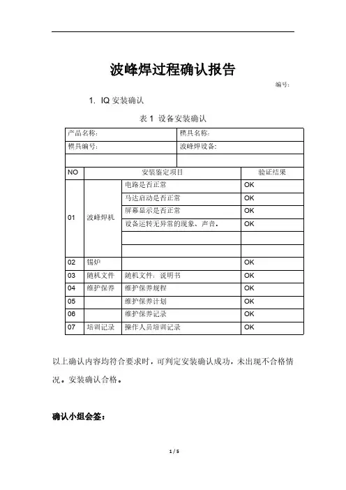
波峰焊过程确认报告
编号:
1.IQ安装确认
表1 设备安装确认
产品名称:模具名称:
模具编号:波峰焊设备:
NO安装鉴定项目验证结果
电路是否正常OK
马达启动是否正常OK
屏幕显示是否正常OK 01波峰焊机
设备运转无异常的现象、声音。
OK
02锡炉OK
03随机文件随机文件:说明书OK
04维护保养维护保养规程OK
05维护保养计划OK
06维护保养记录OK
07培训记录操作人员培训记录OK
以上确认内容均符合要求时,可判定安装确认成功,未出现不合格情况。
安装确认合格。
确认小组会签:
2.OQ操作确认
目的
确定预先设计的参数能生产出符合波峰焊要求的工艺参数设
置范围。
接受准则
1)PCB板:
a.印制板翘起最大角度不得超出工艺要求
b.印制板组装件上的元器件不得损坏
c.印制板不得有气泡、烧伤等缺陷
d.印制板阻焊膜应保持良好
2)焊点
a.焊点外形光滑,锡料适量,焊点不允许出现拉尖、桥接、引
线(或焊盘)与焊料脱开或焊盘翘起以及虚焊、漏焊现象印
制板组装件上的元器件不得损坏
b.焊点表面外形光洁,结晶细密,无针孔、麻点、焊料瘤
c.湿润程度良好
d.焊料边缘与焊件表面才形成湿润角应小于30度。
波峰焊接机焊接验证方案设备编号:
目录
1. 验证方案的起草与审批
1.1 验证方案的起草
1.2 验证方案的审批
2. 概述
3. 验证目的
4. 验证内容
5. 检测结果
1 验证方案的起草与审批
1.1 验证方案的起草
1.2 验证方案的审批
2 概述
日本电热计器株式会社生产CHCR-300CC波锋焊接机,其工作原理为环形轨道自动移动,印制板单面焊锡。
主要技术参数:
1):焊接温度(浸焊):250℃±2%
2):波峰焊接温度:250℃±2%
3):波峰焊接速度:1.3米/分±5%
4):助焊剂发泡气压:2Kg/cm2±10%
5):清洗泵压力:4Kg/cm2±10%
本公司用该装置对印制板装配自动焊接。
3 验证目的
3.1 检查并确认波峰焊接的运行性能,检查实际操作是否符合操作规程。
3.2 验证波峰焊接对产品的质量影响.
4 验证内容
4.1 运行确认
5 验证结论
5.1 波峰焊剂(焊锡)送专门机构进行材料分析,并出具结果报告。
5.2 波峰焊机性能检测有技术部进行,并出具结果报告。
5.3 印制板焊接完毕冲击振动检测由技术部进行,并出具结果报告。
5.4 检测结果报告审批:签署主检人员,审核为部门经理,批准为管代,并签署日期,加盖公章。
波峰焊作业指导书一、引言波峰焊是一种常用的电子元器件焊接工艺,广泛应用于电子创造业。
本作业指导书旨在提供波峰焊作业的详细步骤和操作要点,以确保焊接质量和生产效率。
二、设备准备1. 波峰焊机:型号XXX,额定功率XXX,工作电压XXX。
2. 焊接台:应保持平整,无杂物和油污。
3. 焊接夹具:选择适合工件的夹具,确保稳固性。
4. 焊锡丝:规格为XXX,质量应符合标准要求。
5. 通风设备:确保作业环境通风良好,减少有害气体对操作人员的影响。
三、操作步骤1. 准备工作a. 确认焊接工艺参数:根据工件要求,设置合适的焊接温度、焊接速度和焊锡量等参数。
b. 检查设备状态:确保波峰焊机和相关设备正常运行,无故障和漏电等安全问题。
c. 准备工件:清洁工件表面,确保无灰尘、油污和氧化物等杂质。
2. 调试焊接机a. 打开波峰焊机电源,待其预热到设定温度。
b. 调整波峰高度:根据工件高度,调整波峰高度,使其与工件焊盘接触良好。
c. 调整焊锡流量:根据工件要求,调整焊锡流量,确保焊接质量和外观。
3. 开始焊接a. 将工件放置在焊接台上,并使用夹具固定。
b. 将焊锡丝插入焊锡槽中,确保焊锡丝顺畅供应。
c. 将工件从焊锡槽中通过波峰,确保焊锡充分覆盖焊盘。
d. 完成焊接后,将工件从焊接台上取下,检查焊接质量。
四、操作要点1. 温度控制:根据工件要求和焊锡规格,调整焊接温度,确保焊接质量和工件不受损。
2. 波峰高度:根据工件高度和形状,调整波峰高度,使其与工件焊盘接触良好,避免焊接不均匀。
3. 焊锡流量:根据工件要求和焊锡规格,调整焊锡流量,确保焊接质量和外观。
4. 夹具固定:选择适合工件的夹具,并确保夹具稳固,避免工件挪移或者变形。
5. 检查焊接质量:焊接完成后,检查焊接点的外观和焊锡覆盖情况,确保焊接质量符合要求。
五、安全注意事项1. 操作人员应穿戴好防护设备,包括防护眼镜、耳塞、防静电手套等。
2. 注意设备的接地和漏电保护,确保操作安全。
波峰焊作业指导书一、引言波峰焊是一种常用的电子元器件焊接方式,通过将电子元器件插入PCB板的孔中,然后将其与PCB板焊接在一起,以实现电子元器件与PCB板的连接。
本作业指导书旨在提供波峰焊作业的详细步骤和注意事项,以确保焊接质量和作业安全。
二、准备工作1. 确保工作区域干净整洁,无杂物和易燃物。
2. 检查波峰焊设备是否正常工作,包括焊接机、传送带、预热区、焊锡浴等。
三、焊接前的准备1. 检查焊锡浴的温度,确保其达到所需的温度。
2. 检查焊锡浴的表面是否有氧化物,如有需要进行清洁处理。
3. 检查焊锡浴的液位,确保焊锡浸没PCB板的一半以上。
四、焊接操作步骤1. 将PCB板放置在传送带上,确保PCB板与传送带平行。
2. 调整传送带的速度,使其与焊接工序相匹配。
3. 确保焊接工序的温度和时间设置正确。
4. 将电子元器件插入PCB板的孔中,确保插入深度适当。
5. 将PCB板送入预热区,预热一段时间,以确保电子元器件和PCB板达到适宜的焊接温度。
6. 将预热后的PCB板送入焊锡浴中,确保焊锡浴彻底浸没PCB板的一半以上。
7. 在焊锡浴中停留一段时间,使焊锡充分润湿焊盘和电子元器件引脚。
8. 将焊接完成的PCB板送入冷却区,冷却一段时间,以确保焊接彻底固化。
9. 检查焊接质量,包括焊点是否光亮、焊接是否坚固等。
五、注意事项1. 操作人员必须穿戴防静电服和防静电手套,以防止静电对电子元器件的损坏。
2. 操作人员必须经过培训并具备一定的焊接技能,以确保操作的准确性和安全性。
3. 操作人员必须严格按照操作规程进行操作,不得随意调整设备参数。
4. 操作人员必须定期对设备进行维护和保养,确保设备的正常工作。
5. 在作业过程中,如发现异常情况或者设备故障,应即将停机检修,并及时报告相关负责人。
六、安全注意事项1. 在操作过程中,严禁将手指或者其他物体伸入传送带、预热区或者焊锡浴中。
2. 在操作过程中,应注意防止烫伤和触电等事故的发生。
波峰焊焊接工艺指导书一、概述波峰焊是一种常用的焊接方法,主要适用于焊接插件、接插件等电子元器件。
它通过将焊接头置于熔化的焊料表面,使焊料以波峰的形式包裹住焊接部分,实现焊接连接。
本指导书将介绍波峰焊焊接工艺的操作步骤和注意事项。
二、操作步骤1.准备工作(1)确认焊接板的质量和尺寸是否符合要求;(2)确认焊料种类和规格,保证焊料质量良好;(3)检查和调整焊机的参数,如预热温度、焊接时间等。
2.安装板料将待焊接的板料放入焊接机的工作台上,确认板料位置正确、稳定。
3.清洗板料使用无尘布或擦拭纸对板料进行清洁,去除灰尘和油污。
4.预热打开焊接机,根据焊料的要求设定预热温度。
等待焊机达到设定温度后,开始预热,保持稳定的预热温度。
5.上锡将焊料条放在焊接头下方,并调整焊料高度,使其紧贴焊料表面。
然后启动焊机,将焊料熔化并上升形成波峰。
6.板料焊接(1)将焊接板垂直放入焊接波峰中,焊接部分被焊料波峰完全覆盖。
(2)等待一段时间,让焊接部分充分受热,保证焊料与焊接部分的接触良好。
(3)取出焊接板,等待焊料凝固。
7.检查焊接质量(1)检查焊接部分是否完全被焊料覆盖,无漏焊现象;(2)检查焊料与焊接部分的接触是否良好,无孔洞或松动现象;(3)测量焊接部分的电阻值,确保电阻值符合要求。
8.清理工作台清除工作台上焊料的残留物,保持工作台整洁。
三、注意事项1.操作人员必须戴好防静电手套和防静电服,以防止静电对元器件的损坏。
2.焊接前要确保焊接板没有脏污和油渍,以免影响焊接质量。
3.焊接过程中应保持焊接板的稳定,避免晃动或移位导致焊接不良。
4.控制预热温度和焊接时间,避免过高温度或时间过长导致焊接部分或焊料损坏。
5.焊接时要注意焊接区域与人体的安全距离,避免烫伤或其他安全事故发生。
6.焊接完成后应对焊接部分进行检查,确保焊接质量符合要求。
7.使用过的焊料和废弃物应按规定的方法进行处理,以保护环境。
四、总结波峰焊是一种常用的焊接方法,它可以实现快速、高质量的焊接连接。
波峰焊作业指导书一、作业前准备1.确认焊接材料、设备和环境符合要求,确保工作区域整洁、通风良好。
2.检查焊接机、波峰焊机、流量计等设备的工作状态是否正常,如有异常应及时修理或更换。
二、工件准备1.根据焊接要求准备合格的工件,确保表面无油污、灰尘等杂质。
2.确认焊缝位置,并加工好对准工件的夹具。
三、焊接参数设定1.根据焊接工艺要求和焊接材料选择合适的焊丝、焊咀,并进行装配。
2.根据焊丝和焊缝的尺寸确定合适的焊接参数,包括焊接温度、速度、波峰高度和波峰宽度等。
四、安全操作要求1.工作人员应穿戴好防护用具,如安全帽、防护镜、手套等,确保自身安全。
2.保持工作区域整洁,避免触摸到流动的熔融金属,以防烫伤。
3.焊接机和波峰焊机使用时应牢固固定,以免在操作过程中引起震动或意外倾倒。
五、操作步骤1.打开焊接机和波峰焊机的电源,等待设备预热至设定温度。
2.将工件夹在夹具上,使焊缝位置与焊丝对准。
3.调整焊丝送丝装置的速度和波峰浸泡时间,确保焊丝能顺利送入焊缝并形成合适的焊缝。
4.将焊丝轻轻放在焊缝的起始位置上,并慢慢移动焊丝,保持稳定的速度和间距。
5.焊接完成后,关闭焊接机和波峰焊机的电源,并等待设备冷却。
6.检查焊缝的质量,确保焊缝的均匀、牢固和无缺陷。
六、清理和保养1.清理焊接机、波峰焊机和周边区域的焊渣、金属屑等杂物,保持设备的清洁。
2.定时检查焊接机和波峰焊机的部件和连接,如有松动或损坏应及时修理或更换。
3.定期对焊接机和波峰焊机进行保养,如更换润滑油、清洗过滤器等。
七、注意事项1.焊接操作时应集中注意力,防止发生意外。
2.严禁将手指或其他物体置于焊缝内,以免烫伤或引起电击。
3.避免过度操作焊接机和波峰焊机,以免引起设备过热或损坏。
通过以上的作业指导书,可以规范和指导焊工在波峰焊作业中的操作步骤和要求,确保焊接质量和操作安全。
在实际操作中,还需要根据具体情况进行调整和改进,以达到最佳的焊接效果。
波峰焊安全操作规程(一)1、目的:制定本公司安全操作规程,明确锡炉的安全使用方法。
2、基本操作1.1 开机操作:确认电源打开→确认锡温达到设定值→开经济运行→开预热1、2→开运输→开波峰→开洗爪→开冷却抽风装置(气阀)→开助焊剂阀→开照明1.2 关机操作:确认产品过完关闭预热→关闭波峰→关闭运输→关闭洗爪→关闭冷却抽风装置(气阀)→关闭助焊剂阀→关闭照明1.3 根据生产加班安排调整开关机定时时间。
3、注意事项2.1 禁止非锡炉操作人员操作,出现异常时应立即停机检查。
2.2 开机前必须先确认锡温是否达到焊接要求,焊锡完全熔化前禁止开启波峰马达。
2.3 开机前请将锡渣清理干净,每2小时检查并清理易堵塞的锡槽。
2.4开机前先确认助焊剂的存量;然后用牙刷或毛巾将喷头出水、出气孔粘附的松香残留刷洗干净,生产中每隔4小时须清洗一次;检查喷雾是否均匀;洗爪过滤槽每4小时清理一次。
2.5 检查操作面板,确认所有的参数(预热温度、链速、波峰、喷雾)达到设定值后才能过产品。
2.6 锡炉稳定后,仔细检查先过的12台产品,确认OK后再批量过炉。
2.7 锡炉出现问题时先按急停开关,再关闭预热、运输、波峰、气阀,然后取出炉内的产品。
2.8 打开锡炉门操作和保养维护时一定要戴上口罩、手套等防护用品。
2.9 加锡时一定要核对当前使用的锡条与锡炉内的焊锡一致后才能添加。
2.10调整波峰后要保证波峰平稳,在氧化物能流走的情况下后流尽可能小,这样可减少焊接不良,也可保证PCB过波峰时行进速度与波峰后流速度基本一致。
2.11调整运输轨道宽窄时要注意从入口到出口宽度一致,PCB不能卡得太松以免掉板或过波峰时停板,也不能太紧以免过炉架、钛爪变形或过卡板。
2.12 过炉架须过出口4/5后才能取出,避免因拖拉导致钛爪变形。
2.13 下班前须清扫台面、地面,用气枪清理设备内外灰层,整理好锡炉周边环境卫生。
2.14 过炉治具、工具使用过后须放回原位,清理出的锡块应在下班前加到手浸炉。
波峰焊作业指导书引言概述:波峰焊是一种常见的焊接工艺,广泛应用于电子元器件的生产过程中。
正确的波峰焊作业流程对于确保焊接质量和提高生产效率至关重要。
本文将详细介绍波峰焊的作业指导书,帮助操作人员正确进行波峰焊作业。
一、设备准备1.1 确保波峰焊机的正常运转:在进行波峰焊作业前,首先要检查波峰焊机的各项功能是否正常,包括预热系统、波峰系统、传送系统等。
1.2 准备焊接材料:准备好焊锡丝、焊盘、通孔板等焊接材料,确保其质量符合要求。
1.3 调整焊接参数:根据焊接材料的要求,调整波峰焊机的焊接参数,包括温度、速度、波峰高度等。
二、工件准备2.1 清洁工件表面:在进行波峰焊前,要确保工件表面干净无杂质,以确保焊接质量。
2.2 固定工件位置:将工件固定在焊接位置,确保其稳定不会移动。
2.3 预热工件:对于一些特殊材料或大尺寸工件,可以进行预热处理,以提高焊接效果。
三、波峰焊作业3.1 开始焊接:将预热好的工件放置在波峰焊机的焊接位置,启动波峰焊机进行焊接。
3.2 控制焊接时间:根据工件的要求,控制焊接时间,确保焊接质量。
3.3 检查焊接质量:焊接完成后,及时检查焊接质量,包括焊点是否完整、焊接是否均匀等。
四、焊后处理4.1 清洁焊接残渣:焊接完成后,及时清洁焊接残渣,以免影响下一次焊接的质量。
4.2 进行质量检测:对焊接完成的工件进行质量检测,确保焊接质量符合要求。
4.3 记录数据:对每次焊接的参数、时间、质量等数据进行记录,以便后续分析和改进。
五、安全注意事项5.1 穿戴防护装备:在进行波峰焊作业时,要穿戴好防护眼镜、手套等防护装备,确保安全。
5.2 避免操作失误:操作人员应经过专业培训,避免因操作失误导致事故发生。
5.3 定期维护设备:定期对波峰焊机进行维护保养,确保其正常运转。
结论:波峰焊作业指导书是确保波峰焊作业质量和效率的重要工具,操作人员应严格按照指导书的要求进行操作,确保焊接质量和安全。
同时,定期对设备进行维护保养,及时处理问题,以提高生产效率和产品质量。
波峰焊作业指导书一、引言波峰焊是一种常见的电子焊接工艺,广泛应用于电子行业的组装生产中。
本作业指导书旨在提供对波峰焊作业的详细指导,以确保操作人员能够正确、安全地进行波峰焊作业。
二、作业环境准备1. 确保作业区域干燥、通风良好,并且无易燃物品。
2. 检查波峰焊设备的工作状态,确保设备正常运行。
3. 准备所需的焊接材料,包括焊锡丝、焊接通孔板等。
三、作业前准备1. 确认所需焊接材料的规格和型号,根据需要调整焊接设备的参数。
2. 检查焊接设备的电源线是否连接正常,电源是否稳定。
3. 检查焊接头的清洁度,确保焊接头表面无氧化物和污垢。
4. 检查焊接设备的传动部件和传感器,确保其正常工作。
四、作业步骤1. 将需要焊接的通孔板放置在焊接台上,确保其位置准确。
2. 打开焊接设备的电源开关,并根据焊接材料的要求设置合适的焊接参数。
3. 调整焊接设备的工作台高度,使其与通孔板的焊接区域相匹配。
4. 将焊锡丝插入焊接设备的焊锡丝架中,并确保焊锡丝的供给顺畅。
5. 打开焊接设备的预热功能,待设备预热完成后,开始进行实际焊接作业。
6. 将焊接头放置在通孔板的焊接区域,并保持一定的焊接角度和速度。
7. 观察焊接过程中焊锡丝的熔化情况,确保焊接头与通孔板之间形成良好的焊接接触。
8. 完成焊接后,断开焊接设备的电源开关,将焊接头移开,并等待焊接区域冷却。
9. 检查焊接质量,确保焊接接头的焊点光滑、牢固,并且无焊接缺陷。
五、安全注意事项1. 在进行波峰焊作业时,必须佩戴防护眼镜和防护手套,以防止热溅、火花等对人身安全造成伤害。
2. 焊接设备必须放置在稳定的工作台面上,并确保设备周围无易燃物品。
3. 操作人员必须熟悉焊接设备的使用方法和操作规程,并遵循设备制造商的使用说明书。
4. 在进行焊接作业时,应注意周围的工作环境,确保无人员靠近焊接区域。
5. 在进行焊接作业前,应检查焊接设备的接地是否良好,以确保电气安全。
六、常见问题及解决方法1. 问题:焊接头与通孔板之间焊接不牢固。
XXXXXXXXXXXX公X司管理文件QG/HQ_JTZSZX_001波峰焊过程确认方案编制:审核:管代:批准:版本:A/0受控状态:发放号码:2016-04-14 发布2016-04-15 实施XXXXXXXXXXXX公X 司发布QG/HQ_JTZSZX_001目录1. 目的..........................................................2. 范围..........................................................3. 参考标准及文件................................................4. 确认小组......................................................5. 设备..........................................................6. 确认计划......................................................7. 安装鉴定......................................................8. 操作鉴定......................................................9. 性能确认......................................................10. 再确认的条件.................................................. 错误!未定义书签。
错误!未定义书签。
错误!未定义书签。
错误!未定义书签。
错误!未定义书签。
错误!未定义书签。
错误!未定义书签。
错误!未定义书签。
波峰焊工艺流程|波峰焊调试技巧波峰焊工艺流程波峰焊机基本上采用热辐射方式进行预热,最常用的波峰焊预热方法有强制热风对流、电热板对流、电热棒加热及红外加热等。
在这些方法中,强制热风对流通常被认为是大多数工艺里波峰焊机最有效的热量传递方法。
在预热之后,线路板用单波(λ波)或双波(扰流波和λ波)方式进行焊接。
对穿孔式元件来讲单波就足够了,线路板进入波峰时,焊锡流动的方向和板子的行进方向相反,可在元件引脚周围产生涡流。
这就象是一种洗刷,将上面所有助焊剂和氧化膜的残余物去除,在焊点到达浸润温度时形成浸润。
1单机式波峰焊工艺流程a.元器件引线成型一印制板贴阻焊胶带(视需要)—插装元器件—印制板装入焊机夹具—涂覆助焊剂—预热—波峰焊—冷却—取下印制板—撕掉阻焊胶带—检验—二次焊—清洗—检验—放入专用运输箱;b.印制板贴阻焊胶带—装入模板—插装元器件—吸塑—切脚—模板上取下印制板—印制板装焊机夹具—涂覆助焊剂—预热—波峰焊—冷却—取下印制板—撕掉吸塑薄膜和阻焊胶带—检验—补焊—清洗—检验—放入专用运输箱。
2联机式波峰焊工艺流程将印制板装在焊机的夹具上—人工插装元器件—涂覆助焊剂—预热—浸焊—冷去口—切脚—刷切脚屑—喷涂助焊剂—预热—波峰焊(精焊平波和冲击波)—冷却—清洗—印制板脱离焊机—一检验—补焊—清洗—检验—放入专用运输箱。
对于混和技术组装件,一般在λ波前还采用了扰流波。
这种波比较窄,扰动时带有较高的垂直压力,可使焊锡很好地渗入到安放紧凑的引脚和表面安装元件(SMD)焊盘之间,然后用λ波完成焊点的成形。
在对未来的设备和供应商作任何评定之前,需要确定用波峰进行焊接的板子的所有技术规格,因为这些可以决定所需机器的性能。
波峰焊调试技巧一、波峰焊轨道水平调试技巧波峰焊工作中如果轨道不平行,整套机械传动装置装处于倾斜状态,也就是说整套机械运作倾斜。
那么由于各处受力不均匀,将使受力大的部位摩擦力变大,从而导致运输产生抖动。
波峰焊工作流程一、准备工作1.1 设备检查波峰焊设备就像我们干活的好伙伴,在开始工作之前,得好好检查它。
看看锡炉,就像查看炉灶是不是能正常生火做饭一样,锡量得合适,不能太多也不能太少,少了就像做饭没米,多了又容易溢出造成浪费和危险。
还有波峰发生器,这可是关键部件,就如同汽车的发动机,得确保它能正常产生波峰,不然焊接就没法顺利进行。
1.2 材料准备焊接用到的材料也不能马虎。
焊锡条就像建筑用的砖头,质量得过关。
要选择合适熔点和成分的焊锡条,不然就像穿错鞋子走路,怎么都不得劲。
助焊剂也很重要,它就像炒菜时的油,能让焊接过程更顺畅。
而且助焊剂的量要控制好,少了焊接效果不好,多了又可能留下残渣,就像糖放多了齁得慌。
二、电路板预处理2.1 清洁电路板就像要上战场的士兵,得干干净净的。
如果电路板上有油污、灰尘或者氧化物,那就像士兵带着伤病上战场,肯定影响战斗力。
所以要把电路板清理干净,这就好比给士兵疗伤,让它以最好的状态去接受焊接。
2.2 插件插件这一步就像给电路板组建队伍。
把各种电子元件准确无误地插到电路板上对应的位置,这得小心又小心,就像走钢丝一样,一个插错了,整个电路板可能就没法正常工作,那就成了“一着不慎,满盘皆输”。
三、焊接过程3.1 预热预热是焊接的前奏,就像跑步前的热身运动。
适当的预热可以让电路板和元件先适应一下高温环境,防止突然进入高温的锡炉时受到热冲击,就像人突然从寒冷的地方进入炎热的地方容易生病一样。
预热的温度和时间都要掌握好,不然就会前功尽弃。
3.2 焊接终于到了焊接这一重头戏。
电路板通过波峰焊设备,就像士兵穿过枪林弹雨。
锡液形成的波峰就像汹涌的海浪,把电路板上的焊点包裹起来,让元件和电路板牢牢地结合在一起。
这时候要时刻关注焊接的情况,确保每个焊点都焊接得饱满、光滑,没有虚焊或者短路的情况。
如果出现虚焊,就像盖房子时砖头没砌稳,随时可能出问题;短路就更严重了,就像电路里的交通堵塞,整个电路板就瘫痪了。
波峰焊操作规程一、引言波峰焊是一种常见的电子产品焊接方式,它通过将插件的引脚浸入熔化的焊锡中,实现焊接与固定。
为了保证焊接质量的稳定性和一致性,有必要制定一套详尽的波峰焊操作规程。
本文将介绍波峰焊操作规程的主要内容及步骤。
二、设备准备1. 检查设备在开始波峰焊操作之前,需要检查设备的工作状态。
确保焊接机、热风机和冷却装置等设备运行正常。
2. 准备焊锡及助焊剂选择合适的焊锡丝以及助焊剂,并保证其质量符合相关标准。
焊锡丝的直径、成分和熔点应根据焊接任务而确定。
三、钢网准备1. 检查钢网确保钢网的孔径、厚度和平整度符合要求。
检查钢网是否有损坏或变形,并及时更换。
2. 调整钢网高度根据焊接任务需求,调整钢网的高度。
确保钢网与插件引脚之间的距离符合要求,通常为2-3mm。
四、波峰焊操作步骤1. 设定焊接程序根据焊接任务的要求,在焊接机上设定相应的焊接程序。
确定焊接温度、波峰高度、预热时间等参数。
2. 开始预热启动焊接机,让其进行预热。
预热时间通常为5-10分钟,待设定温度达到后方可进行下一步操作。
3. 调整波峰高度根据焊接任务的要求,调整波峰高度。
通常情况下,波峰高度应略高于插件引脚的高度。
4. 准备插件将焊锡丝和助焊剂涂抹在插件的焊盘上,确保焊点涂覆均匀。
5. 插件定位将准备好的插件放置在钢网上,并调整位置,使其与焊点对齐。
6. 开始焊接将钢网缓慢地下移,插件的引脚将被浸入焊锡中。
要保持匀速下移,以确保焊接质量的稳定性。
7. 波峰焊完成当焊点完全浸入焊锡中后,继续下移一段距离,以确保焊点形成一定的柱状形态。
待上升时,焊点会被波峰除锡剂清除。
8. 冷却焊接完成后,打开冷却装置,将焊点快速冷却。
冷却时间通常为2-3分钟。
五、注意事项1. 运行时的注意事项在进行波峰焊操作时,操作人员应站立在稳定的位置上,并戴上相应的防护设备,如防静电手套、护目镜等。
2. 设备维护定期对波峰焊设备进行维护和保养,保持其正常工作状态,清理焊接头、钢网和焊炉等部件。
波峰焊的原理与工艺流程下载温馨提示:该文档是我店铺精心编制而成,希望大家下载以后,能够帮助大家解决实际的问题。
文档下载后可定制随意修改,请根据实际需要进行相应的调整和使用,谢谢!并且,本店铺为大家提供各种各样类型的实用资料,如教育随笔、日记赏析、句子摘抄、古诗大全、经典美文、话题作文、工作总结、词语解析、文案摘录、其他资料等等,如想了解不同资料格式和写法,敬请关注!Download tips: This document is carefully compiled by theeditor. I hope that after you download them,they can help yousolve practical problems. The document can be customized andmodified after downloading,please adjust and use it according toactual needs, thank you!In addition, our shop provides you with various types ofpractical materials,such as educational essays, diaryappreciation,sentence excerpts,ancient poems,classic articles,topic composition,work summary,word parsing,copy excerpts,other materials and so on,want to know different data formats andwriting methods,please pay attention!波峰焊的原理与工艺流程波峰焊是一种常用的电子焊接技术,主要用于电子元器件的焊接。
XXXXXXXXXXXXX公司管理文件
QG/HQ_JTZSZX_001
波峰焊过程确认方案
编制:
审核:
管代:
批准:
版本:A/0
受控状态:
发放号码:
2016-04-14发布 2016-04-15实施
XXXXXXXXXXXXX公司发布
目录
1.目的 ........................................................................................................... 错误!未定义书签。
2.范围 ........................................................................................................... 错误!未定义书签。
3.参考标准及文件 ....................................................................................... 错误!未定义书签。
4.确认小组 ................................................................................................... 错误!未定义书签。
5.设备 ........................................................................................................... 错误!未定义书签。
6.确认计划 ................................................................................................... 错误!未定义书签。
7.安装鉴定 ................................................................................................... 错误!未定义书签。
8.操作鉴定 ................................................................................................... 错误!未定义书签。
9.性能确认 ................................................................................................... 错误!未定义书签。
10. 再确认的条件 ............................................................................................ 错误!未定义书签。
1目的:
PCBA板焊接过程中,波峰焊接是核心工艺,对波峰焊参数进行确认,以证实在正常生产条件下,波峰焊设备处于受控制状态,且能够稳定地生产出符合质量标准要求的产品。
确认类型:首次确认。
2.范围:
2.1本次确认的设备为深圳诚信伟业焊接设备有限公司生产的,型号/出厂编号为:FL350/22588
的波峰焊设备,用于生产2.2所列产品进行的过程确认。
本过程由宏强富瑞技术有限公司完成。
2.2 产品范围:
3.参考标准及文件
波峰焊设备使用说明书(QJ/SD07-350-004)
设备操作规程(QJ/SD07-350-002)
设备保养规程(QJ/SD07-350-001);
产品检验规程(QJ/SD07-350-003);
质量管理体系-过程确认指南GHTF/SG3/N99-10:2004(第二版)
4.确认小组
本次确认小组构成如下:
5.设备
本次确认涉及如下设备
表3 确认涉及设备清单
6.安装鉴定
6.1 目的
确认波峰焊机安装正确,确保过程所使用的设备符合既定的要求。
6.2 确认内容
6.2.1 根据安装确认根据设备操作手册制定相关要求,需根据生产要求和设备需要明确安装环
境,完整的列出要求清单,并确定要求是否都已经达到。
6.2.2检查随机文件是否齐全;
6.2.3检查设备维护保养规范,维护保养计划以及维护保养记录是否齐全;
6.2.4检查计量设备是否都处于校准状态;
6.2.5检查操作人员培训记录。
全部检查完成后,应填写表5,并在确认报告中包含支持性的记录。
表5 设备安装确认
鉴定人/日期:复核/日期:
鉴定人/日期:复核/日期:
鉴定人/日期:复核/日期:
7.4当以上确认内容均符合要求时,方可判定安装确认成功,当出现不合格情况按7.5的规定执行。
7.5不合格控制
当确认过程出现不合格时,品质部提出纠正方案,品质部经理批准后方可执行,进行重新确认,且此全部过程的记录应包括在确认记录中。
8 操作鉴定
8.1目的
确定预先设计的参数能生产出符合波峰焊要求的工艺参数设置范围。
8.2接受准则
1) 印制板:
b. 印制板组装件上的元器件不得损坏
c. 印制板不得有气泡、烧伤等缺陷
d. 印制板阻焊膜应保持良好
2) 焊点
a. 焊点外形光滑,锡料适量,焊点不允许出现拉尖、桥接、引线(或焊盘)与焊料脱开或
焊盘翘起以及虚焊、漏焊现象印制板组装件上的元器件不得损坏
b. 焊点表面外形光洁,结晶细密,无针孔、麻点、焊料瘤
c. 湿润程度良好
d. 焊料边缘与焊件表面才形成湿润角应小于30度
8.3 预先设定的参数
表6 预先设定的参数范围
8.4 确认参数组合
使用正交法获得以下进行操作鉴定的组合:
表7 操作鉴定的组合
8.5操作鉴定方法
根据表7所列参数组合,以及波峰焊作业指导书(QJ/SD07-350-005)的要求,每一个组合要
(QJ/SD07-350-006)的检验,以判定是否满足8.2所列要求。
8.6结果判定
当所有样品都能符合8.2所列接受准则的时候,参数即可被判定为可以满足生产的要求。
应当根据测试的结果建立工艺参数卡用于进行性能确认。
9. 性能确认
9.1目的
性能确认旨在确认经过操作鉴定所建立的参数适用于批量生产的条件。
9.2确认方法
根据预先建立的工艺参数卡,以及波峰焊作业指导书(QJ/SD07-350-005)的要求,进行正常批量的生产,要求对连续3批的产品根据检验作业指导书(QJ/SD07-350-006)的进行加严抽样的检验,以判定过程产品是否满足要求。
9.3结果判定
当所有样品都能符合8.2所列接受准则的时候,参数即可被判定为可以满足生产的要求。
应当根据测试的结果建立工艺参数卡用于进行性能确认。
10. 再确认的条件
10.1 每两年需要进行一次再确认;
10.2 当关键工艺参数发生变化时,需要进行再确认;
10.3 当设备发生变化时,需要进行再确认;
10.4 当产品设计发生变化时,需要进行再确认;
10.5 当生产场地发生变化时,需要进行再确认;
10.6 当过程监控发生负面趋势时,需要进行再确认。