预留预埋套管的现场安装图解
- 格式:docx
- 大小:1.08 MB
- 文档页数:26
预留预埋套管的现场安装图解加工要求:Ø定点加工制作:机械切割、去除毛刺、除锈并内壁防腐;Ø防水套管的翼环应双面满焊,且焊缝饱满、平整、光滑、无夹渣、无气泡、无裂纹等现象,并及时清除焊渣;Ø套管内采用软性物填充严密,端部用封口胶带封闭保护。
套管定位:Ø套管定位应准确(含标高和平面定位);Ø长距离管道连续穿梁(墙)时需弹线(或采用激光投线仪)控制管道中心线;Ø排水管道连续穿墙(梁)套管需考虑管道找坡因素确定标高;Ø不得破坏其他工种的成品,不得私自切断钢筋;Ø在混凝土浇筑过程中必须有安装人员旁站守护以防止预埋套管移位。
套管定位准确,封堵可靠;管模拆除时间把握恰当,确保拆除后成型较好。
套管长度:Ø穿内墙(梁)套管长度同墙(梁)厚;穿越外墙时需平内外侧装饰面(装饰阶段采用UPVC管段来延长调节配合抹灰、保温、饰面收口);穿楼板套管下口平板底,上口高出建筑完成面20mm(用水房间需高出建筑完成面50mm);Ø穿地下室挡土墙:套管长度应考虑防结露保温板和防水保护墙的厚度。
套管长度=墙厚+防结露苯板(如有)+保护墙。
Ø穿地下室顶板:套管长度=顶板厚+刚性防水保护层厚度;Ø 穿屋面和露台:套管长度应考虑防水保护层、保温层、找坡回填层、刚性层等因素,长度应高出完成面250 mm,以便于防水肩施工;Ø穿下沉卫生间:套管长度应考虑回填层因素,套管应高出卫生间楼层装饰完成面50mm。
Ø(备注:以上情况套管与室内侧墙面、板顶平,套管加工时需注意止水翼环应位于板中位置。
)普通穿内墙(梁)套管长度同墙(梁)厚地下室顶板防水保护层施工完成后套管状况(穿地下室顶板套管长度应考虑顶板防水保护层厚度)穿屋面(含斜屋面)、露台防水套管长度应考虑高出建筑完成面250mm,便于防水肩施工。
地下室外墙套管考虑防水保护层厚度,便于防水施工收口及后期管道安装。
针对近年来给排水安装工程对工程使用功能的质量问题,给人们的生活带来了很多不便,也对我们安装模块造成了很大的负面影响,为了消除建筑水电的渗漏问题,收集了一些预防及处理细部做法:一、套管制作安装:1、在加工制作套管前认真熟悉图纸并分析如何制作安装预埋套管。
2、根据建筑平面图,结构管面图以及建筑立面图,来确定套管的长度;再根据给排水平面图和大样图,并参照标准图集来制作。
3、给排水套管在制作时应注意,安装后应管口与墙、梁、柱完成面相平;如下图:4、钢套管须与止水翼环周边满焊。
二、管道的安装1、管道在使用前应观察外观、灌水和外壁冲水逐根检查有无裂缝、有无砂眼。
2、检查所有管件有无裂缝、有无砂眼、管壁是否厚薄均匀。
3、检查所有承插口是否到位、牢固、密实。
4、管道坡度应均匀,不得有倒坡,屋面出口处管道坡度应适当增大。
5、管道安装应按施工验收规*设置支吊架。
三、套管的填充工程实际中常常发生预埋套管堵塞的问题。
所以我们必须做到以下几点:1、现浇楼板、柱内的穿梁套管在配合土**装完成之后,浇捣混凝土之前应采用报纸、草包等软性物填充严密,防止沙浆进入套管和接线盒引起堵塞。
2、为防止室外地下水或雨水通过防水套管进入地下室,可以确保后续设备安装有良好的施工环境。
因此,地下室出外墙处防水套管除采用软性物封堵外,在防水套管预制加工时,应在套管一端端口采用钢板焊接封堵,待防水套管管道安装时再开启。
3、管道穿防水外墙,应随结构预埋刚性或柔性防水套管。
4、管道穿墙处、穿楼板处、穿屋面处应随结构预留洞,待结构施工完毕后再进行套管埋设,穿墙预留套管时两端一定要用胶布等密封好。
5、穿越人防楼板、人防墙体及人防扩散室处的管道及测压管应随结构预埋密闭套管。
四、楼板套管的封堵1、管道安装完毕并经通球,通水试验后,方可经行封堵。
(楼板管道安装应安装钢套管,钢套管安装好后应高出完成面20mm,封堵方法基本和下面无套管的封堵方法一样,只是最后要封堵至管口平,并做止水圈环)。
人防预留预埋工程施工方法详解,含大量详图建筑工程项目管理14篇原创内容公众号人防工程预留预埋面广点多,需配合土建专业底板、外墙、结构柱、板、构件结构钢筋施工进度密切跟进施工。
施工图纸需各专业技术准备充分,管路走向、开关插座盒与接线盒定位,套管标高、坐标,预留孔洞位置,防雷接地系统走向、预留点位置等要考虑周全。
人防地下室面积较大,安装工程需要配合土建施工进行预留预埋的工程内容较多,一般内容包括以下几项:1、给排水1)外墙、水池刚性防水套管与柔性防水套管;2)人防区穿防护墙密闭套管与防护密闭套管;3)人防防爆地漏及其管道安装;4)其它穿剪力墙、穿梁及楼板一般套管;2、电气1)强弱电电线导管、接线盒、开关盒预留预埋,电线导管主要为镀锌钢管,有少部分PVC管;2)人防防护密闭套管及预留通信、采样检测管等;3)防雷接地焊接施工及接地点、等电位点、测试点预留;3、通风1)预留穿剪力墙孔洞;2)人防预留套管及口部穿防护墙风管制作安装;以下为各项施工方法,分为防水套管制作工艺、电气管线预埋、人防区预留预埋及主要通病防治方法四个部分,供参考。
01 防水套管制作工艺1、制作工艺流程:2、材质要求:防水套管采用焊接钢管或钢板卷管,管壁厚度应符合相关规范规定,表面不得有明显的疤痕、碰伤,局部凸出高度不应大于0.35mm。
3、制作方法:1)根据施工图纸核对结构墙、板厚度以确定套管长度,按照相关规范规定选定套管管径。
2)用钢尺量好长度,在管道上画出切割线,对于DN150以下管道可以采用切割机进行切割,DN200以上管道使用空气型等离子切割机、割管机或气割进行切割,镀锌钢管禁止使用热切割,套管切割后应剔除切口的卷边、瘤渣、毛刺,复核切口的平整度,若出现马蹄口、斜口等情况,需进行打磨处理。
3)选定合格厚度的钢板,先在钢板上用“冲子”冲出圆心点,然后用圆规按照套管外径作为翼环内圈的半径画出翼环的内圈线,再按规范要求翼环宽度画出翼环的外圈线。
多图总结预埋套管安装方法及要求,看完预埋就不会出问题啦(图)一、穿地上建筑外墙等防水墙体及顶板1-钢管 2-钢套管 3-翼环 4-挡圈 5-石棉水泥 6-油麻安装要求:安装在楼板内的套管,其顶部应高出装饰面20mm;安装在卫生间及厨房内的套管,其顶应高出装饰地面50mm,底部应与楼板底面相平。
穿过楼板的套管与管道之间缝隙在安完管道后应用阻燃密实材料和防水油膏填实,端面光滑。
二、穿建筑内隔墙套管1-钢管 2-钢套管 3-密封填料 4-隔墙 5-不锈钢装饰板(明露管道适用)安装要求:安装在楼板内的套管在适当部位焊好架铁,担在预留孔的地面上,防止脱落。
待管道安装完找正后再调整好间隙加以固定。
预埋上下层套管时,中心线需垂直,凡有管道煤气的房间,所有套管的缝隙均按设计要求做严密处理。
三、穿无防水要求的楼板1-钢管 2-钢套管 3-密封填料 4-楼板安装要求同二、穿建筑内隔墙套管。
四、穿有防水要求的楼板(如厨房、卫生间等)1-钢管 2-钢套管 3-翼环 4-挡圈 5-石棉水泥 6-油麻安装要求同二、穿建筑内隔墙套管。
A、柔性防水套管做法参照91SB3-给-37页加工。
柔性套管零件加工图参照91SB3-给-38页,套管的材质,焊接要求必须符合图集及施工规范规定要求。
B、加工的零配件应规整,打磨光滑,内壁防腐到位,法兰轴线垂直。
C、预埋时应只预埋管体,法兰内口与模板内壁在同一垂直面上。
直埋密闭管1)本工程在地下一层部分区域为人防区,穿越墙体和楼板处的密闭墙须设直埋密闭管。
2)直埋闭管的制作参照人防施工图集标准制作与安装(见下图)。
3)管制作长度应大于墙体或楼板两端100mm,翼环采用10mm 厚钢板制作,高度为50mm焊接饱满牢固,焊口用钢丝刷清理干净,水平管应按系统坡度设定坡向。
4)穿人防区的密闭镀锌管加工完后应彻底清理焊渣,进行热镀锌处理,方可安装。
地下敷设管道1)地下室部分的废污水采用直埋给水铸铁管,承插连接。
预留洞和预埋套管一、预留洞和预埋套管(一)给水、热水、消防给水管道。
给水管道预留洞和预埋套管做法应根据室内或工艺要求及管道材质的不同确定,塑料管、复合管可参见02S405-1~4,铜管和薄壁不锈钢管可参见02S407-1~2。
一般原则如下:1.给水管道穿越承重墙或基础时,应预留洞口,管顶上部净空高度不得小于建筑物的沉降量,一般不小于0.1米;2.穿越地下室外墙处应预埋刚性或柔性防水套管,应按照《防水套管》(02S404)相关规定选型;3.穿越楼板、屋面时应预留套管,一般孔洞或套管大于管外径50~l00毫米;4.垂直穿越梁、板、墙(内墙)、柱时应加套管,一般孔洞或套管大于管外径50~l00毫米。
消防管道预留孔洞和预埋套管做法同上,热水管道除应满足上述要求外,其预留孔洞和预埋套管应考虑保温层厚度。
若管材采用PF-X管时,还应考虑其管套厚度。
(二)排水管道。
预制装配式住宅的排水系统设计应尽量采用同层排水,减少排水管道穿楼板,立管应尽量设置在管井、管窿内,以减少预制构件的预留、预埋管件。
排水管道预留洞和预埋套管的做法,塑料管参见96S406,铸铁管可参见04S409。
一般可遵循以下原则:1.排水管道穿越承重墙或基础时,应预留洞口,管顶上部净空高度不得小于建筑物的沉降量,一般不下于0.15米;2.穿越地下室外墙处应预埋刚性或柔性防水套管,应按照《防水套管》(02S404)相关规定选型;3.管道穿越楼板或墙时,须预留孔洞,孔洞直径一般比管道外径大50毫米。
二、预埋管道附件当给水排水系统中的一些附件预留洞不易安装时,可采取直接预埋的办法。
常需预埋的给排水构件多设于屋面、空调板、阳台板上,包括地漏、排水栓、雨水斗、局部预埋管道等。
预埋有管道附件的预制构件在工厂加工时,应做好保洁工作,避免被混凝土等材料堵塞。
三、管道支吊架管道支吊架应根据管道材质的不同确定,优先选用生产厂家配套供应的成品管卡,管道支吊架的间距和设置要求可参见厂家样本,或参见相关管道安装图集和室内管道支架及吊架(03S402)。
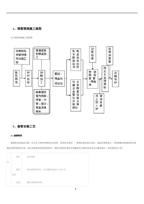
1、预留预埋施工流程1.1预留预埋施工流程图2、套管安装工艺2.1套管制作根据机电管线综合图,由专业工程师对刚性防水套管、柔性防水套管、一般填料套管进行逐层、逐部位数量统计,同时根据结构墙体的厚度确定预埋套管的长度,列出详细各种类型套管清单;预留孔洞的位置及位移偏差符合规范要求及允许偏差值内,套管要求见下表:项目具体要求序号1套管制作套管的管径,比穿越的管道大1至2号型号2过墙墙厚+两面抹灰厚套管的长度3过楼楼板厚度+两面抹灰厚+20mm(卫生间50mm)板套管长度4其他套管应两端平齐,打掉毛刺,除锈防腐,在混凝土中套管预留应位置准确,过墙两端与饰面平,过楼板下端与楼板饰面平。
2.1套管制作实物2.2套管选型2.3套管安装主体结构钢筋绑扎好后,按照深化设计图标高几何尺寸找准位置,然后将刚性防水套管置于钢筋中进行加固。
楼板套管二次结构墙体套管使用结构钢筋或附加钢筋采取“#”型对套管进行加固,“#”型钢筋的交叉点、套管与钢筋交叉点进行焊接,使套管牢固的固定在钢筋网中。
柔性防水套管对法兰的螺栓孔做好防护工作,防止混凝土将螺栓孔堵塞,不利于后期柔性防水套管的法兰压盖的安装。
一般填料套管安装一般填料套管安装3、混凝土墙内线盒安装现浇混凝土墙柱上的电盒预埋施工时要控制好标高及与墙面的距离。
在埋设时为了防止位置偏移,在预埋管和线盒用4根附加钢筋箍起来,再与主筋绑扎牢固。
限位筋紧贴线盒,与主筋用粗铁丝绑扎,不允许点焊主筋。
1-主筋2-12#铅丝绑扎3-线盒4-电焊5-附加钢筋线盒安装:安装位置,标高准确4、预埋线管要点4.1预埋线管安装要点A、管线的排列不能紧靠在一起,至少间隙不小于20mm以上,管道交叉不能重叠三层或以上,避免影响楼板面标高。
PVC线管敷设线路必须走最短路径,不能饶管。
B、直线管每隔1m用扎丝固定绑扎一处,线盒、灯头盒接头处左右50mm固定绑扎。
C、PVC线管管口由下往上预留的长度控制在80mm以内,方便以后做成品保护,管口由上往下预留的长度应控制在100mm以内,避免以后砌体施工弯断线管,二次配管时无法接驳.D、线管在墙体中间最大管径不宜超过50mm,在楼板中不宜超过25mm,线管与建筑物、构筑物表面距离不应小于15mm,线管转角角度应大于90度。
二次预留预埋施工的一般工序为:一次管线清理→墙体开槽作业→线盒的定位安装及固定→线管敷设安装及固定→引线、穿线工作→成品保护工作,对于各工序的施工要点,下面这个施工现场示例分享,以供大家参考交流。
对一次预埋的线管路径进行清理,保证所接线管的通畅。
落实保温施工界面及施工面厚度等数据,以现场1m控制线为标准,按固化图点位及标高参数进行现场定位线盒点位确定后,根据配管数量完成开槽弹线工作,严禁不弹线随意开槽(注:开槽深度≤d+20mm,开槽宽度≤dn+60)用切割机沿线切割,最后剔打完成线槽开设(注:开槽深度≤d+20mm,开槽宽度≤dn+60)待土建专业完成墙面抹灰打耙后,线盒安装及固定工作方能进行,禁止在墙面未打耙的情况下提前完成线盒固定工作线盒定位安装时,认真核对固化图点位及定位尺寸。
同一室内,同一标高线盒间误差控制在±2mm以内,无明显观感质量缺陷。
待线盒固定牢靠后,完成线管敷设安装工作。
线管与线盒连接处必须安装锁扣;线管接口处毛刺必须清理干净;线管与线管接头位置必须使用胶水粘接;线管与线管之间,线管与槽壁之间应留有≤10mm的间距,以保证填充密实度,避免空鼓、开裂质量隐患的存在。
穿线施工及成品保护。
线盒、线管敷设安装完成后,使用泡沫对线盒进行填充保护,避免因抹灰施工等其他原因而导致管线堵塞,无法穿线的情况出现。
强、弱电箱底盒在土建抹灰打耙完成后立即插入预埋安装;安装完成面同土建抹灰完成面齐平;如涉及保温施工墙面的,底盒安装完成面同保温施工完成面齐平。
(注:底盒预埋时提前将锁扣安装到位)。
强、弱电箱配管安装时,线管尽量保持顺直,线管与线管之间,线管与槽壁之间应留有不小于10mm的间距,以保证填充密实度,避免空鼓、开裂质量隐患的存在(建议:因强、弱电箱位置线管密集,是否进行二次关模浇筑)。
02质量检查工作1、使用激光水平仪、水平靠尺、钢卷尺对线盒的标高、平整度、线盒间距进行检查。
同一室内,同一标高的线盒误差<±2mm。
机电预埋和安装施工
1、机电预留预埋工序和管理协调流程
图4-15机电预留预埋工序和管理协调流程图
2、水暖工程预留预埋
1)水暖工程预留预埋施工工艺流程
根据本工程建筑结特点,本工程的水暖预埋套管进行分类见下表:
表4-5-17预埋套管分类表
2)工艺流程图
图4-5-17-2套管安装工艺流程图
3)普通套管
管道穿一般内墙墙壁或楼板,应先预留孔洞。
管道安装时设置一般填料套管。
根据所穿部位的厚度及管径尺寸确定套管规格、长度(套管规格应比所穿管道规格大两号)。
安装在楼板内的套管,其顶部应高出地面20mm,底部应与饰面相平;套管与管道之间用非燃性保温材料填实;穿过卫生间地面的套管应高出地面50 mm,底面与楼板底面平齐。
管道穿墙体如何施工标准做法解析!
工艺流程
(1)套管预留洞做法(适用于无水部位)
套管制作→预留洞口→管道与套管安装→套管固定→套管外封堵
→套管内封堵
(2)套管预埋做法(适用于有水或无水部位)
套管制作→放线定位→套管预埋→套管清理→管道安装→套管内
封堵
套管穿无水部位墙体示意图
套管穿有水部位墙体下图
施工要点
(1)套管制作:有水部位的套管按设计要求选用刚性防水套管或柔
性防水套管,刚性防水套管及柔性防水套管制作参见02S404-JS10-1、02S404-JS10-2。
套管比管道大1~2个管号,两端与装饰墙面平齐。
(2)砌体套管安装:将套管套入管道并安放于各个钻头洞口处,用
木楔临时固定,并使套管与管道同心,套管与墙面平齐,套管与管道
之间的间隙用石棉水泥填塞密实,表面光滑平整。
(3)混凝土墙套管预埋:结构座标吊装时按图测量定位套管坐标、
位置,预埋套管,套管两端用胶布等密封,避免堵塞。
(4)套管封堵:套管与管道之间的缝隙用石棉水泥封堵严密。
(5)深入开展工程装饰圈安装:装饰圈的宽度与管道的直径相匹配,DN100以下装饰圈宽20mm,DN100~DN150以内装饰圈宽30mm。
对于非
防火墙可用3mm橡胶板制作,有防火要求的应采用阻燃PVC板制作。
碎剪力墙(后砌体)内套管的预埋工序流程
套管下料一安装前定位一套管组合焊接一套管固定、封堵一坐标复核、隐蔽一套管内清理一套管标识
控制要点
套管下料、定位、复核、固定共四个方面
硅剪力墙上钢套管施工工艺流程图文解析:
1、钢套管码放整齐、长度符合要求,管口封堵严密
2、舲墙内预埋用钢套管电焊组合固定,确保套管间距一致,防腐到位
3、舲墙内钢套管预埋,固定牢靠,间距均匀,封堵严密
4、舲墙内钢套管预埋效果图,标识清晰
柱墙上UPVC套管施工工艺流程图文解析:
1、UPVC套管码放整齐,下料长度符合要求,管口封堵严密
2、腔墙内UPVC套管安装位置准确、固定牢靠、封堵到位
3、舲墙上UPVC套管在拆模后的效果,标识清晰,坡度正确
后砌墙上UPVC套管施工工艺流程图文解析:
1、后砌墙上UPVC套管预埋,套管下料时应预留抹灰层
厚度,并抹灰完成后冒出墙面10~20mπι为宜
2、UPVC套管冒出抹灰面10~20mm
3、UPVC套管打磨后与装饰面层平齐
4、不抹灰墙面与UPVC套管平齐。
预留预埋套管的现场安装图解
加工要求:
Ø定点加工制作:机械切割、去除毛刺、除锈并内壁防腐;
Ø防水套管的翼环应双面满焊,且焊缝饱满、平整、光滑、无夹渣、无气泡、
无裂纹等现象,并及时清除焊渣;
Ø套管内采用软性物填充严密,端部用封口胶带封闭保护。
套管定位:
Ø套管定位应准确(含标高和平面定位);
Ø长距离管道连续穿梁(墙)时需弹线(或采用激光投线仪)控制管道中心线;Ø排水管道连续穿墙(梁)套管需考虑管道找坡因素确定标高;
Ø不得破坏其他工种的成品,不得私自切断钢筋;
Ø在混凝土浇筑过程中必须有安装人员旁站守护以防止预埋套管移位。
套管定位准确,封堵可靠;管模拆除时间把握恰当,确保拆除后成型较好。
套管长度:
Ø穿内墙(梁)套管长度同墙(梁)厚;穿越外墙时需平内外侧装饰面(装饰
阶段采用UPVC管段来延长调节配合抹灰、保温、饰面收口);穿楼板套管下口平板底,上口高出建筑完成面20mm(用水房间需高出建筑完成面50mm);
Ø穿地下室挡土墙:套管长度应考虑防结露保温板和防水保护墙的厚度。
套管
长度=墙厚+防结露苯板(如有)+保护墙。
Ø穿地下室顶板:套管长度=顶板厚+刚性防水保护层厚度;
Ø 穿屋面和露台:套管长度应考虑防水保护层、保温层、找坡回填层、刚性层
等因素,长度应高出完成面250 mm,以便于防水肩施工;Ø穿下沉卫生间:套管长度应考虑回填层因素,套管应高出卫生间楼层装饰完成面50mm。
Ø(备注:以上情况套管与室内侧墙面、板顶平,套管加工时需注意止水翼环
应位于板中位置。
)
普通穿内墙(梁)套管长度同墙(梁)厚
地下室顶板防水保护层施工完成后套管状况(穿地下室顶板套管长度应考虑顶板防水保护层厚度)
穿屋面(含斜屋面)、露台防水套管长度应考虑高出建筑完成面250mm,便于防水肩施工。
地下室外墙套管考虑防水保护层厚度,便于防水施工收口及后期管道安装。
地下室挡土墙防水保护层施工完成后状况
外墙防水套管长度未考虑防水保护层厚度,在防水施工完成后又到处敲打保护墙及保护板找寻套管,对防水层造成破坏。
成排套管组合式预埋:
连续穿墙成排套管可采取批量组合式预制方式来保证预埋套管间相对定位的准确性。
反梁套管预埋:
上翻梁上预埋套管满足屋面排水要求(卫生间上翻梁套管预埋还需兼顾排水管道找坡标高控制要求)。
墙槽制安:
1、建议采用De50PPR管从中间剖成两半留槽(需覆膜便拆);
2、冷热水管道间距控制在150mm左右,避免共槽敷设,同时便于冷热水混合龙头安装及管道交叉处理。
3、槽模直接绑扎在钢筋表面或钉在木模板上便于控制留槽深度。
4、如采用大钢模,因模板定位具有唯一性,故可选用矩管点焊在模板上以保证预埋的准确性和提高效率。
墙槽安装效果孔模制安:单立管孔模:
钢质孔模:结实耐用,表面需清理干净并刷脱模剂。
PE管材孔模:轻便耐用,变形后应及时更换。
成排留洞孔模:
两组及以上相邻立管留洞可采用预制矩形孔模留设,后期管道安装完成后进行吊洞处理。
(如排水立管和专用通气立管、管道井内分区给水立管、消防立管等)
直埋排水止水节应用
隔层排水卫生间卫生器具及地漏排水支管穿楼板推荐采用直埋UPVC止水节方式以减少后期吊洞工作量及渗漏隐患,但直埋需确保定位准确。
排水管道预埋
地下室底板内长距离排水管道预埋需配合钢筋绑扎及时完成(如车道截水沟排水管、自动扶梯底坑排水管、下沉庭院引入集水坑的排水管等),以免面筋绑扎完成后导致预埋困难。
长套管应注意对端部进行临时封堵避免堵塞。
人防套管预埋
人防地漏防爆波预埋:采用热镀锌钢管,地漏一次性预埋到位。
人防给水套管:管径小于DN150的套管采用普通刚性防水套管,管径大于等
于DN150的套管采用人防密闭套管(此为成都做法,其他公司需结合地方要求)。
电缆桥架穿人防防护区隔墙处采用人防套管过渡方式,套管需排列整齐;结构设计配合
同层排水卫生间采取结构局部降板形式,以解决浴霸安装及沿天棚敷设给水管道的引入问题;
整体降板卫生间采取结构局部上翻折板处理(300*300),以解决沿天棚敷设给水管道的引入问题;
通风系统预留预埋
剪力墙上正压送风口采用定型模具进行预留,模具必须具备足够的强度(优先推荐定型钢模,如采用木模需支撑牢靠),以免浇筑过程中导致洞口变形;因风口留洞较大,故建议由土建负责预留,安装配合提供定位尺寸并现场复核预埋情况避免遗漏。
屋面通风管道型钢支架在防水施工前安装到位,便于防水墩台浇筑及防水收口。
(屋面其他管道支架可参照此要求执行)
典型问题分析
套管过大与管道尺寸不匹配
穿梁套管过于集中,影响结构安全
穿屋面未用防水钢套管
穿剪力墙(梁) 采用塑料套管易变形
剪力墙未事先压槽,后期切割开槽埋管宜损伤钢筋。
PPR管道直接埋设在钢筋混凝土结构层内,不符合规范要求。
套管预埋未考虑外墙保温层及装饰层厚度,导致后期安装困难。
别墅穿斜屋面套管过长,安装效果差,套管应以上口高出屋面瓦5cm为宜。
下沉式卫生间给水支管在回填层内敷设,易因杠杆原理作用而破坏防水,渗漏隐患大,不作推荐。
阳台侧排水安装方式错误,且洞口过低效果差。
应采用侧排雨水口。