风机叶轮振动测试系统设计 (2)
- 格式:ppt
- 大小:1.05 MB
- 文档页数:36
引风机的振动故障分析及处理引风机是工业生产中常见的设备,其主要作用是吸入空气并将其加速送入燃烧炉中,以维持燃烧的正常进行。
在使用过程中,引风机有可能会出现振动故障,这不仅会影响设备的正常运行,还会对生产造成不利影响。
对引风机的振动故障进行分析并及时处理,对于保障生产的顺利进行具有重要意义。
一、振动故障的原因分析(一)不平衡引风机叶轮不平衡是引起引风机振动的主要原因之一。
由于生产过程中的磨损和不平衡的装配,叶轮的不平衡会引起在高速旋转时的振动。
如果叶轮上积聚了灰尘或者其他杂物,也会造成不平衡,导致引风机产生振动。
(二)轴承故障在使用过程中,引风机轴承的润滑油可能会老化或者耗尽,导致轴承的摩擦增大,进而引起振动。
长时间的高速旋转会使轴承受到较大的压力,轴承零部件出现磨损也会引起振动。
(三)安装不当引风机的安装不当也是引起振动故障的原因之一。
比如机座安装不稳固、叶轮与外壳摩擦等都会引起不必要的振动。
(四)进风口设计不当引风机的进风口设计不当也可能引起振动故障。
如果进风口设计不当,可能会造成进风阻力过大,引风机的工作状态不稳定,从而引起振动。
二、振动故障的处理方法引风机叶轮不平衡是引起振动的主要原因之一,因此平衡校正是解决振动故障的主要手段。
在进行平衡校正时,首先需要对叶轮进行动平衡测试,确定不平衡的位置和程度,然后采用添加铅块或者切削方法进行校正。
对于因为轴承老化或者损坏导致的振动故障,需要及时更换轴承。
在更换轴承时,需要注意选用合适的轴承型号,并保证安装时周围环境干净、安静,以免对新轴承造成污染或损坏。
对于安装不当引起的振动故障,需要重新进行安装调整。
检查机座的稳固性,确保其与地面接触牢固,叶轮与外壳之间不发生摩擦。
三、振动故障的预防措施(一)定期检查为了及时发现引风机的振动故障,经常性的定期检查是很有必要的。
通过定期检查可以发现引风机的潜在问题,及时进行处理,避免振动故障对生产造成不利影响。
(二)保持清洁定期清洁引风机的叶轮和轴承是预防振动故障的有效手段。
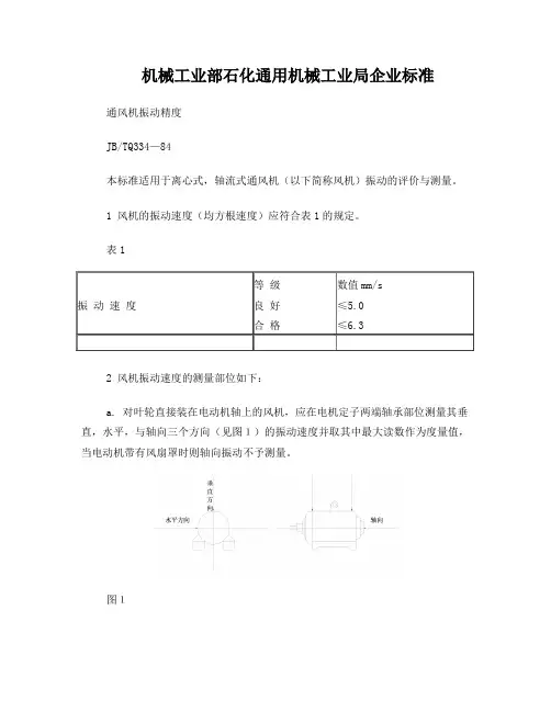
机械工业部石化通用机械工业局企业标准通风机振动精度JB/TQ334—84本标准适用于离心式,轴流式通风机(以下简称风机)振动的评价与测量。
1 风机的振动速度(均方根速度)应符合表1的规定。
表1振动速度等级良好合格数值mm/s≤5.0≤6.32 风机振动速度的测量部位如下:a. 对叶轮直接装在电动机轴上的风机,应在电机定子两端轴承部位测量其垂直,水平,与轴向三个方向(见图1)的振动速度并取其中最大读数作为度量值,当电动机带有风扇罩时则轴向振动不予测量。
图1b. 对于双支撑轴承的风机或有两个轴承体的风机,按图2所示三个方向的要求测量原动机一端的轴承体的振动速度并取其中最大的读数作为度量值。
图2c. 当两个轴承都装在同一个轴承箱内时,按图3所示三个方向的要求在轴承箱壳体轴承部位测量其振动速度并取其中最大读数作为度量值。
d. 当被测的轴承箱在风机内部时,按b或c的要求,可预先装置振动传感器,然后引出至风机外以指示器读数为测量依据,传感器安装的方向与测量方向的偏差不得大于±5°。
3 测振仪器应采用频率f范围为10~500Hz其速度范围为1~10mm/s的接触式测振仪表。
4 测振仪表须经计量部门鉴定合格后才能使用。
图35 被测的风机须装在大于10倍风机质量的底座或试车台上,装置的自振频率不得大于电机和风机转速的0.3倍。
6 在测试振动速度时,外部或周围环境对底座或试车台的影响,应符合下列规定:风机运转时的振动速度与风机静止时的振动速度的差须大于3倍以上,当差数小于此值时风机需采用避免外界影响措施。
7 风机振动速度与振幅(位移)可按下式进行换算式中:V —振动速度mm/sS —振幅(位移)ω—角速度rad/s石化通用机械工业局1984—01—13发布 1984—03—01实施附录A振动速度与振幅对照表(补充件)表A1 振动速度与振幅对照表转速r/min 300 375 500 600 750 1000 1500 3000振幅(位移)振动速度mm/s5.0 450 361 270 225 180 134 91 456.3 566 453 339 283 226 170 113 57附加说明:本标准由沈阳鼓风机研究所提出。
系统综合调试方案系统调试工作是机电安装施工的重点工作,也是检验前期各系统施工是否达到设计要求及使用功能要求的重要阶段,而且机电安装系统调试是包含多系统、多专业的综合性的工作。
1、通风空调工程联合调试(1)调试内容①设备单体试运转排烟、排风风机及送风风机单机试运转;②系统测试、调整a.系统与风口的风量测定、调整b.通风机风量、风压及转速的测定;c.防排烟系统正压送风前室静压的检测。
(2)调试要求①风机试运转a.叶轮应无卡阻和碰擦现象,旋转方向必须正确;b.在额定转速下试运转时间不得少于2h.c.轴承最高温度不得超过80度;②系统与风口的风量测定与调整,实测与设计风量的偏差不应大于10%;③通风机的风量、风压及转速符合设计要求;空调设备的风量、余压与风机转速符合设计要求;风机前后的风量差不应大于5%。
④测定系统总风量、风压及风机转数,将实测总风量值与设计值偏差不应10%;⑤系统与风口的风量必须经过调整达到平衡,各风口风量实测值与设计值偏差不应大于15%;⑥风管系统的漏风率应符合设计要求或不大于10%,风机风量为吸入端风量和压出端风量的平均值,且风机前后的风量之差不应大于5%;⑦无负荷联合运转调整后,应使空气的各项参数维持在设计给定的范围内。
(3)调试方法①风机单体试运转a.风机运转前必须加上适度的润滑油,并检查各项安全措施b.盘动叶轮,观察有无卡阻及碰擦现象。
c.观察叶轮旋转方向是否正确,有无异常振动及声响。
d.轴承温升是否正常。
e.用转速表测试风机主轴的转速,重复测量三次取其平均值,是否与铭牌相符。
f.测试电机电流、功率是否与铭牌相符。
g.风机在额定转速下试运转2h以上。
②系统风量测试a.依据设计图纸,结合现场实际情况,绘制单线系统图,标明风管尺寸,测点位置,风口位置,以及截面积大小。
b.开风机之前,将风道和风口本身的调节阀门,放在全开位置。
c.开启风机进行风量测定与调整,先粗测风量是否满足设计要求,做到心中有数,有利于下部调试工作。
主通风机在线监测及故障诊断系统方案一、系统概述主通风机在线监测及故障诊断系统主要由YHZ18矿用本安型振动监测分析仪和KGS18矿用本安型振动加速度传感器构成,可以智能地诊断出设备可能存在的不对中、不平衡、配合松动、装配不当以及轴承疲劳损伤等潜在故障。
可以正确有效地揭示潜在故障的发生、发展和转移,智能地诊断出设备故障原因及故障严重程度,为应急控制和维修管理提供准确、可靠的依据,从而节约维修费用,避免重大事故发生。
振动状态监测部分参照GB/T 19873.1-2005/ISO 13373-1:2002 《机器状态监测及诊断振动状态监测》有关电气装置的实施参照GB50255-96 《电气装置安装工程施工及验收规范》有关自动化仪表实施参照GB50093-2002 《自动化仪表工程施工及验收规范》及DLJ 279-90《电力建设施工及验收技术规范》(热工仪表及控制装置篇);风机性能测试满足GB/T1236-2000《工业通风机用标准化风道进行性能试验》和MT421(煤炭行业标准)“煤矿用主通风机现场性能参数测定方法”。
其余部分参照企业标准。
二、系统功能及特点1、系统功能系统主要由在线监测、轴承实时诊断及状态预报、离线数据分析三部分组成。
(1)在线监测功能①在线监测通风机所在地点的环境大气参数,包括大气压力、大气温度、和大气湿度。
②在线监测通风机的流量、风压、轴功率、效率、振动等工况状态参数。
③在线监测电气设备的电气参数,包括电流、电压、功率因数,开关状态及系统保护信息。
④当运行中的通风机设备性能出现异常时,系统按照不同的故障类型,依据用户设定的模式进行提示、报警。
系统能够对于温度、振动等关键参数给出预警。
系统对各种故障点具有记忆功能,以对故障的分析提供帮助。
⑤系统具有运行状态实时数据显示、历史纪录查询、特性曲线或工况参数列表显示、报表打印及网络通讯传输等功能。
⑥系统及矿集中控制系统留有通讯接口,可接入矿局域网,在中央控制室内可实施对通风机设备的远程监测。
ISO14694和ISO14695内容介绍0、引言《JB/T9101-1999通风机转子平衡》和《JB/T 8689-1998通风机振动检测及其限值》标准分别规定了通风机的转子平衡和通风机振动的要求及其检测方法。
国际标准《ISO14694:2003一般通风棚――平衡精度和振动等级规范》和《ISO14695:2003一般通风机――风机振动测量方法》分别规定了平衡和振动的要求及振动的检测方法。
本文对两份国际标准的内容进行了介绍,并与我国机械行业标准进行了一定的比较。
1、标准介绍与对比1.1 平衡精度和风机振动的限值1.1.1 ISO14694对平衡精度和风机振动限值的要求ISO14694:2003根据风机设计/结构及其应用的情况,并考虑驱动功率大小,对风机进行了分类,分类的基础是可接受的平衡精度和振动等级,标准将分类的种类命名为BV种类(Balance and Vibration application categories),如表1所示。
根据表1所给的分类,标准ISO14694将平衡精度的要求列出如表2,将风机振动等级的要求列出如表3和表4,表3的要求为在制造车间进行控制的,而表4为风机在现场测试时需控制的。
表4中振动等级是各种安装种类可接受的风机运行指标。
新制风机的振动等级应当在或低于“开始”等级。
随着风机运行时间的增加,因为磨损和其他积累效应一般振动等级也上升。
只要等级没有达到“警告”,通常振动的加大是正常的和安全的。
如果振动烈度上升到“警告”等级,应当马上组织调查上升的原因并采取措施纠正。
这种状态的运行应当进行小心监视并限定制定出解决振动上升问题的程序所需的时间。
如果振动等级上升到“停机”等级,纠正行动需要立即进行或者停止风机运行。
1.1.2 JB/T9101和JB/T8689对平衡精度和风机振动限值的要求我国标准JB/T9101根据转子的结构和风机的转速,列出了单面(静)平衡和双面(动)平衡两种平衡方法。
风机叶轮动均衡实验(实例)
以2017年8月28日实验数据为例(变频开度以85%为准):
一.实验步调
1.原始振动值为7丝
2.启动风机迁移转变后自由迁移转变至叶轮静止,将自由停滞后的顶端定为B点(大体为配重块的装配地位),将叶轮三等分后,顺时针定出A.B.C点.
3.依据送风机叶轮直径.转速.振动值,肯定初步配重150克.(雷同的振幅,叶轮越大.转速越高,那么增长的配重就越重)
4.分离将配重装配在A.B.C三个地位,自变频开度50%-100%
每隔10%测试振动并记载(本次以85%为基准).
A点——15丝 B点——7.6丝 C点——15.5丝
5.A.C两个点的振幅应比较接近,解释第2步选择的B点比较精确.(参照图例)
1)A.C两个点的振幅若相差很大,解释第一步停的地位不精确,
2)若完整一致,解释B点就是增长配重的地位,
3)若A点振幅<C点振幅,且B点振幅更小,如本次实验7.6
<15<15.5,有可能是两种情形:一是单纯剖析以上3个数据,配
重过小,再增长雷同的配重使三个点的振幅基底细等,地位在B点
邻近,偏向指向逆时针偏向(原因是A点振幅<C点振幅);二是
分解斟酌以上三个数据及原始振动值,配重过大,须要削减配重,也就是说本来B点邻近因较轻而振动7丝,如今增长配重后因较重而振动7.6丝,须要削减新增长配重150克的一半,即削减75克.
本次实验起首斟酌了第二个计划,一次削减75克成功.并且地位由本来的5又1/3处调剂至5,振动得以解决.更多办法参考
《三圆幅值法找动均衡道理》.
实验人员:
2017年8月28日。
浅谈双级动叶可调轴流风机振动分析及解决措施发表时间:2016-06-19T15:29:44.563Z 来源:《电力设备》2016年第6期作者:陈欣[导读] 双级动叶可调轴流风机广泛用于电厂火电燃煤机组一次风机和引风机,其通过液压调节系统来改变叶轮动叶片的工作角度。
(成都电力机械厂 610045)摘要:双级动叶可调轴流风机广泛用于电厂火电燃煤机组一次风机和引风机,其通过液压调节系统来改变叶轮动叶片的工作角度,以满足烟风系统流量和压力的变化需求。
本文从引起风机振动的各种因素出发,逐步分析,找出引起风机振动的原因,并采取相应的预防措施。
关键词:动叶可调轴流风机;振动;原因分析.一、引言动叶可调轴流风机一般由转子(叶轮、叶片、主轴承装配和液压调节系统)、供油装置、测量仪表、钢结构件(风机机壳、进气箱、扩压器)、消声器和隔声装置等组成,是电站风机的常用选择之一。
双级动叶可调轴流风机因采用两级叶轮,压力一般是单级动叶可调轴承风机的2倍,其主轴内置一根芯轴连接两级叶轮,通过油站驱动液压调节系统,保持两级叶轮开度的同步性,广泛应用于电厂火电燃煤机组一次风机和引风机,具有流量大、压力高,高效区宽的特点。
二、引风机工作原理引风机主要用来维持炉膛压力,形成流动烟气,将烟气排除。
一般布置在锅炉后部,电除尘出口,脱硫系统入口。
随着国家节能减排政策实施,多数电厂取消增压风机,实现引、增合一的联合引风机,联合引风机的工作特点是流量大、压力高,一般采用单级静叶可调风机或双级动叶可调轴流风机。
某电厂采用成都电力机械厂生产的双级动叶可调轴流风机作为引风机.风机的组成部分为:进气箱、集流器、导叶、叶轮、一级叶片、二级叶片、主轴承装配、扩压器、密封冷却风机等。
当风机叶轮旋转时,气体被叶轮轴向吸入和压出,在叶片的推挤作用下而获得能量,然后经后导叶整流后沿轴向流出,再经过扩压器使大量动压转换成静压以克服系统阻力。
三,问题提出2013年7月12日,某电厂3号炉检修后运行,振动一直保持在水平1.8m/s,垂直0.8mm/s左右,运行情况良好。
叶片振动测量实验报告1. 引言叶片振动是在流体中运动的叶片由于受到流体作用力而发生的振动现象。
叶片振动对于风力发电机、水力发电机等工程应用中的叶片运动控制具有重要意义。
本实验旨在通过测量叶片振动的位移、速度和加速度,探究叶片振动的基本特性和规律。
2. 实验方法2.1 实验装置本实验使用的实验装置包括:振动测量系统、电磁感应位移传感器、信号调理电路和数据采集设备。
2.2 实验步骤1. 将叶片固定在安装架上,确保叶片在安装架上自由振动;2. 在叶片上固定电磁感应位移传感器,并连接到信号调理电路;3. 打开振动测量系统和数据采集设备;4. 开始测量,并记录数据,包括叶片振动的位移、速度和加速度。
3. 实验结果与分析3.1 叶片振动的位移、速度和加速度测量结果使用数据采集设备记录并处理实验数据,得到了叶片振动的位移、速度和加速度曲线。
下图为测得的实验结果示意图。
3.2 基于实验结果的分析根据实验结果,我们可以观察到叶片振动的周期性特征。
叶片振动的周期由外部作用力和叶片的固有特性共同决定。
通过分析位移、速度和加速度曲线,可以得出以下结论:1. 位移曲线呈现正弦波形,表明叶片振动是一个简谐振动过程;2. 速度曲线呈现谐波形,速度的变化与位移变化相位差90度,速度峰值落在位移波峰或波谷;3. 加速度曲线为谐波的导数形式,加速度的变化与位移变化相位差180度,加速度峰值落在位移波谷或波峰。
叶片振动的位移、速度和加速度特性对于优化叶片运动控制和减小振动引起的能量损失具有重要意义。
4. 实验总结通过本实验,我们成功测量了叶片振动的位移、速度和加速度曲线,并分析了其特性和规律。
实验结果表明,叶片振动呈现周期性变化,具有简谐振动的特点。
这对于工程应用中的叶片运动控制具有重要意义。
同时,本实验还展示了使用振动测量系统进行叶片振动测量的方法和步骤,为后续的研究和应用提供了基础数据和方法。
通风工程检测、调试技术方案(1)调试用仪器仪表要求1)通风与空调系统调试所使用的仪器仪表应有出厂合格证明书并通过合法计量检验部门的检定。
2)严格执行计量法,不准在调试工作岗位上使用无检定合格印、证或超过检定周期以及经检定不合格的计量仪器仪表。
3)系统调试所使用的测试仪器和仪表,性能应稳定可靠,其精度等级及最小分度值应能满足测定的要求,并应符合国家有关计量法规及检定规程的规定。
综合效果测定时,所使用的仪表精度级别应高于被检对象的级别。
4)搬运和使用仪器仪表要轻拿轻放,防止震动和撞击,不使用仪表时应放在专用工具仪表箱内,防潮、防污秽等。
(2)主要施工机具1)常用仪表:测量温度的仪表(如温度计);测量湿度的仪表(如干湿球计);测量风速的仪表(如转子风速仪、热球风速仪);测量风压的仪表(如毕托管、微压计);其他常用的电工仪表、转数表、粒子计数器、声级仪等。
2)常用工具:钢卷尺、手电钻、活扳子、改锥、克丝钳子、电筒、木梯、对讲机、计算器、长杆等。
(3)作业条件1)系统调试应包括:设备单机试运转及调试;系统无生产负荷下的联合试运转及调试。
2)通风空调系统安装完毕,并经监理单位、设计单位与建设单位等相关人员进行全面检查,全部符合设计、工程质量验收标准及合同的要求,才能进行运转和调试。
3)通风空调系统运转所需用的水、电、汽及压缩空气等,应具备使用条件,现场清理干净。
4)通风与空调工程的系统调试由施工单位负责,监理单位监督,设计单位与建设单位参与和配合。
系统调试前做好下列工作准备:经监理单位审批同意运转调试方案,内容包括调试目的要求、时间进度计划、调试项目、程序和采取的方法等。
按运转调试方案,备好仪表和工具及调配记录表格。
(4)操作工艺1)准备工作熟悉空调系统设计图纸和有关技术文件,室内、外空气计算参数,风量、冷热负荷、恒温精度要求,各风口风量、风速等,弄清送(回)风系统、供冷和供热系统、自动控制系统的全过程。
调试人员会同设计、施工和建设单位深入现场,查清空调系统安装质量不合格的地方,清查施工与设计不符的地方,记录在缺陷明细表内,限期修改完。
浅谈风力发电机组振动状态监测与故障诊断摘要:随着科技的发展,风电机组单机容量变大,内部的结构越来越复杂,还会受到天气的不可控因素的影响,比如会受到下雨时,打雷闪电等,本文对风力发电机组振动状态监测与故障诊断进行分析,以供参考。
关键词:风力发电;机组振动;状态监测;故障诊断引言风能是自然界中常见的自然现象,特别是在经济不发达,风能资源丰富的山地地区。
考虑到风能对当前社会结构的重要性,它提高了风力发电机运行的可检测性,并允许在整个发电机组运行期间及时发现问题,使整个风力发电机运行更平稳和安全。
1概述近年来国内风电发展迅速,风电机组容量的提升能够有效提高风能利用率和施工效率以及降低后期运维成本。
在机组容量和体型逐渐增大的同时,风电机组的安全成为风电领域内研究的重点。
江苏某风电场安装了多台6.45MW机组,此类型机组是目前国内厂家生产新型大容量机组之一,此机组塔筒高度为110m,叶轮直径达到171m。
国外GE公司生产的12MW风机单支叶片更是长达107m。
机组容量增大的同时叶片也在不断增大。
风电机组叶片成本约占风电机组总成本的15%~20%,风电机组叶片在风电机组运行过程中受风力作用而产生较大的弹性形变,故通常选用质量较轻、强度较大、耐腐蚀、抗疲劳的材料来制作风电机组叶片。
此外,由于结冰或者风力和风向的突变导致叶片振动过大,从而超过设计载荷发生断裂或者扫塔的现象也时有发生,而振动检测是叶片故障识别的常用方法之一,所以研究大型风电机组的叶片振动情况,对于叶片安全检测和监测具有重要的意义,研究结果也可对风电机组的控制策略优化提供重要指导作用。
在风力发电机组中,齿轮箱也存在着异常问题,表面磨损,齿轮轻度裂纹,设备老化等问题,以下对论文展开叙述。
2风力发电机组安全系统2.1分析(1)安全有关停止功能在机组通过安全防护装置(如传感器)检测到风轮转速超过限值、扭缆超过限值、过度振动及控制系统失效等信号时,安全系统起动机组紧急制动进入停止状态。
引风机振动的原因及处理方法摘要:本文针对某电厂双级动叶可调轴流式引风机出现较大的振动问题,通过对其结构特性的试验,从实测的振动数据来看,其两级动叶存在着质量不均衡现象。
在此基础上,采取了一种单面动平衡的方法,对其进行了振动分析。
关键词:双级轴流式引风机;振动;动平衡引言在电力、石化、冶金等工业领域,涡轮机、发电机、风机、泵等都是必不可少的设备。
这些装置一旦出现故障,往往会造成重大的经济损失。
振动是设备失效的主要原因,它直接影响设备的安全稳定运行。
引风机是火力发电厂三大风机中的一种,当它的振动异常时,就会导致机组的负载下降,从而影响到电力系统的正常运行。
因此,在引风机发生振动故障的时候,对其进行及时、准确的诊断是非常必要的。
引风机作为火力发电厂的重要辅助设备,它的工作状态对机组的安全、稳定、经济性都有很大的影响。
近年来,双级动叶片可调轴流式引风机因其效率高、流量大、工作区宽、调峰能力大而被广泛地应用于电厂。
以本文通过对某电厂一台双级动叶片可调轴流式引风机的振动原因进行了研究,并对其进行了动平衡处理。
一、双级轴流式引风机介绍1.1结构双级轴流式引风机包括进气室、集流器、两级叶轮、导叶、扩压器、动叶调节装置等。
在轴承室的两个端部设置一双层叶轮,在空气导向筒的转子和马达的转子之间设置一中空轴,马达的转子和风扇的转子都装有挠性耦合器,并由四个轴承和一个推力轴承支撑。
双级轴流式引风机配有液压调节机构,可调节叶片的安装角度,调节风压和风量[1]。
二、引风机振动原因分析2.1 轴流式引风机转动部分质量不平衡引起的振动引风机旋转时,由于转子本身的不平衡重量,也就是转子的重心发生了偏置,导致了转子的侧向振动,并通过支承转子的轴承向外扩散。
因此,在运转时,整个风机都会发出振动和噪音。
叶片质量不均、叶轮表面粉尘分布不均匀、防磨剂剥落、轴心温度升高、曲轴弯曲、叶轮强度不够引起叶轮断裂、叶轮部件松动、联接不牢等。
2.2 膜片联轴器中心不符合要求引起的振动双级轴流式引风机使用了一种具有误差补偿、减振、无需维护的弹性膜片联轴器。
154研究与探索Research and Exploration ·智能检测与诊断中国设备工程 2020.10 (下)轴流风机具有风量大、启动平稳、能够适应复杂风道等特点逐渐取代离心式风机成为工业风机的首选。
轴流风机的结构特点明显,一般按照风量调节方式分为动叶式和静叶式两种。
动叶式轴流风机是通过改变叶片的角度来调节风量的,具有风量调节范围大、送风效率高、无截流损失等优点。
但是,动叶式轴流风机中采用了复杂的叶片开度调节机构,故障率较高,一般只应用于一次风机中。
静叶可调轴流风机的叶片开度无法调节,需要采用改变气流流通面积的方式调节风量的大小,结构较动叶式轴流风机简单,但是,会产生一定的截流损失,一般在复杂工况下使用。
轴流风机的大量使用,其异常振动问题日渐凸显,并且振动的原因与离心式风机有很大不同。
本文通过梳理轴流风机产生异常振动的原因,对查障和排障进行了总结,以期为轴流风机的进一步推广提供帮助。
1 动叶调节结构导致振动动叶可调轴流风机从其名称不难看出,其送风量的调节主要依靠改变叶片角度来实现,在每个叶片上都附加传动连杆,叶片角度的改变是由一套复杂的液压传动机构(见图1)完成的,整个机构异常复杂,对部件的安装和磨损要求都很高,振动的原因有单级叶轮的叶片开度异步、二级叶轮的叶片开度异步或传动部件偏心等。
1.1 单级叶轮部分叶片开度异步导致单级叶轮部分叶片开度异步原因有很多,常见的有连杆磨损、滑块偏磨、轴承转动失稳、曲柄旋转部位空旷等。
上述问题均能引起叶片开度异步或旋转部位偏心等问题,这轴流风机振动问题研究分析路锦新(大庆石化公司热电厂,黑龙江 大庆 163000)摘要:本文从轴流风机的结构特点出发,分析并总结了轴流风机产生振动的常见原因,分别从动叶开度调节机构问题引起的风机振动;气流脉动引起的风机振动;支撑部件的刚性不足或连接件预紧力不足、松动等引起的风机振动等三个方面分析了轴流风机出现异常振动的原因。
第1篇一、实验目的1. 了解罗茨风机的工作原理和结构特点。
2. 掌握罗茨风机性能测试的基本方法。
3. 分析罗茨风机的风量和风压变化规律。
4. 评估罗茨风机的运行稳定性和节能效果。
二、实验原理罗茨风机是一种容积式风机,通过两个或多个叶片在气缸内作相对运动来压缩和输送气体的回转压缩机。
其工作原理是:当两个转子相向转动时,间隙极小,空气在大气压的作用下进入进气腔,气腔内的叶轮相互啮合,从而把两个叶片之间的空气挤压出来,提高空气压力。
三、实验设备1. 罗茨风机一台;2. 风量计一台;3. 风压计一台;4. 数据采集器一台;5. 计时器一台;6. 气源装置一台;7. 气密性测试装置一台。
四、实验步骤1. 设备安装:将罗茨风机、风量计、风压计、数据采集器等设备按照实验要求连接好,确保各部件安装牢固、气密性良好。
2. 气源准备:开启气源装置,调节气源压力至实验要求值。
3. 初始数据采集:启动罗茨风机,记录风机转速、电流等参数,并采集初始风量和风压数据。
4. 风量测试:逐步调整风机转速,在每一步转速下分别记录风量和风压数据,直至达到最高转速。
5. 风压测试:在每一步转速下,记录风压数据,分析风压变化规律。
6. 节能效果评估:在实验过程中,观察罗茨风机的运行稳定性,记录异常情况,评估其节能效果。
7. 数据整理与分析:将实验数据整理成表格,利用统计软件进行数据分析,得出结论。
五、实验结果与分析1. 风量测试结果:实验结果显示,随着风机转速的增加,风量也随之增加。
在最高转速下,风量达到最大值。
2. 风压测试结果:实验结果显示,随着风机转速的增加,风压逐渐升高。
在最高转速下,风压达到最大值。
3. 节能效果评估:在实验过程中,罗茨风机运行稳定,未出现异常情况。
通过数据分析,得出以下结论:a. 罗茨风机具有较好的节能效果,其能耗与风量和风压成正比;b. 在一定范围内,提高风机转速可以提高风量和风压,但过高的转速会导致能耗增加;c. 罗茨风机在低负荷运行时,节能效果更为显著。
设计高压吹风风机的叶轮方案:1. 叶轮材料选择(1)材料类型:通常选择高强度、轻质材料,如铝合金或不锈钢,以减少叶轮重量并维持结构强度。
(2)耐腐蚀性:如果风机将用于腐蚀性环境,应选择耐腐蚀材料或进行表面处理。
2. 叶轮几何设计(1)叶片数量:根据所需的风量和压力,确定叶片数量。
一般来说,叶片数量多可以提高压力,但可能减少风量。
(2)叶片形状:叶片形状(如弯曲度、厚度分布)对风机的性能有很大影响。
通常采用翼型设计以优化空气动力学性能。
(3)入口和出口角度:这些角度影响风机的压缩比和效率。
需要仔细计算以确定最佳角度。
3. 动力学平衡(1)质量分布:确保叶轮在旋转时保持动力学平衡,以减少振动和噪音。
(2)动态测试:在制造完成后进行动态平衡测试,必要时添加平衡配重。
4. 结构强度分析(1)有限元分析(FEA):使用有限元分析软件评估叶轮在最大工作转速下的结构强度。
(2)安全系数:设计时应考虑一定的安全系数,以应对突发情况或过载。
5. 制造工艺考虑(1)可加工性:设计应考虑到现有的加工技术和设备能力。
(2)成本优化:在满足性能要求的前提下,尽量简化设计以降低制造成本。
6. 测试和验证(1)性能测试:在实际或模拟条件下测试叶轮的性能,包括风量、压力和效率。
(2)耐久性测试:进行长期运行测试以验证叶轮的耐久性和可靠性。
(3)噪音和振动测试:测量并记录噪音和振动水平,确保符合设计要求和使用环境标准。
7. 环境与安全考虑(1)温度限制:根据工作环境温度选择适当的材料和涂层。
(2)安全防护:设计应考虑操作人员的安全,如设置防护罩等。
8. 维护和可维修性(1)易损件更换:设计应便于更换磨损的叶片或其他部件。
(2)维护通道:确保有足够的空间进行定期维护和检查。
1名称滚型号风机试运转前 检查测试 记录项目专业监理工程师 (建设单位项目专业负责人):叶轮转速(r/min)97050额定转速 (r/min)额定电 流(A)23.96970额定功率(kW)26风机风机 电动 机额定风压(Pa)设备 主要 性能参数及规范(或设计)要求(值)550额定风量52600监理(建设)单位施工单位专业工长专业质检员施工班组长检测调试说明:经我司风机试运转测试,各种参数符合要求。
综合评价结论/备注合格施工单位检测调试负责人不符合要求电机绕组之间/绕组对地(壳体)的绝缘电阻(MΩ)450 点动电机试转风机,电机转向应与风机要求的转向相同;无异常的状况(含声响)R 符合/不符合要求其它:盘转叶轮与壳体之间的间隙均匀,无碰壳;转动顺畅平稳,且在同一平面内转动,停转后各叶片不应每次 停留于同一位置上符合/ 不符合要求 传动皮带松紧度适当;传动机构(含联轴器)的盘转和连接 紧固正常R 符合/ 不符合要求安全防护装置(设施)完备、可靠R 符合/其他:R 定频 / 变频 频率(Hz)地脚螺栓(或悬吊装置)紧固、防松措施 符合/ 不符合要求润滑状况符合/ 不符合要求80轴承振动速度[有效值(即均方根值),≤mm/s]YD225M-6/4出厂 编号952额定电压(V)380轴承允许最 高温度(℃)80测试计量器具(仪表、仪器)及其附属设备(器具)的名称/型号、规格/量程/分辨精度/出厂编号/制造厂商/其 他要素:标智GM816A数字风速仪柜式风机型号HTFC-II-No36[-22]出厂 编号122噪声 [dB(A)]68轴承允许最 高温度(℃)质量验收依据 文件名称及编号《通风与空调工程施工质量验收规范》GB50243-2002连续试运转时间:年 月 日 时 分至 年 月 日 时 分(共 h)与检测(调试)、验收相关的设计文件(图) /产品技术文件(图)的名称及编号通风、防排烟设计及施工总说明 XXX号图,主要设备材料表、大样图 XXX号图,地下一层通风及排烟平面图 XXX号图分部/子分部/分项 (系统/子系统)通风与空调/防排烟系统/系统调试施工部位地下室施工依据文件名称及编号《通风与空调工程施工规范》GB50738-2011最小/实际抽样数量1系统通风机/空调风机试运转测试记录GD-C4-6567单位(子单位)工程名称XXX项目施工单位XXX有限公司检验批编号。