常用建筑构件的耐火极限范例
- 格式:docx
- 大小:20.61 KB
- 文档页数:5
续表3.2.1 建筑构件的燃烧性能和耐火极限
续表3.2.1 建筑构件的燃烧性能和耐火极限
续表3.2.1 建筑构件的燃烧性能和耐火极限
续表3.2.1 建筑构件的燃烧性能和耐火极限
续表3.2.1 建筑构件的燃烧性能和耐火极限
续表3.2.1 建筑构件的燃烧性能和耐火极限
续表3.2.1 建筑构件的燃烧性能和耐火极限
续表3.2.1 建筑构件的燃烧性能和耐火极限
续表3.2.1 建筑构件的燃烧性能和耐火极限
续表3.2.1 建筑构件的燃烧性能和耐火极限
续表3.2.1 建筑构件的燃烧性能和耐火极限
续表3.2.1 建筑构件的燃烧性能和耐火极限
续表3.2.1 建筑构件的燃烧性能和耐火极限
1 注:确定墙的耐火极限不考虑墙上有无洞孔;
2 墙的总厚度包括抹灰粉刷层;
3 中间尺寸的构件,其耐火极限建议经试验确定,亦可按插入法计算;
4 计算保护层时,应包括抹灰粉刷层在内;现浇的无梁楼板按简支板的数据采用;5
人孔盖板的耐火极限可参照防火门确定。
6。
、墙的耐火极限1、普通粘土砖墙、钢砼墙的耐火极限大量试验证明,耐火极限与厚度成正比。
厚度(mm)120 180 240 370耐火极限(h)2.503.505.5010.502、加气砼墙的耐火极限耐火极限与厚度也基本是xx。
如加气砼砌块墙(非承重墙)厚度(mm)75 100 200耐火极限(h)2.506.008.003、轻质隔墙XX --- 钢丝网抹灰:0.85h石膏板:0.30h水泥刨花板:0.30h板条抹灰:0.85h钢龙骨——单层石膏板双层石膏板:1.00h 以上4、金属墙板的耐火极限采用铝、钢、铝合金等薄板作两面,中间或是空气层或填矿棉、岩棉等隔热材料,耐火极限可达1.50~2.00h。
二、柱的耐火极限1、钢砼柱的耐火极限在通常情况下随柱截面增大而增大。
如C20砼柱:截面积(mM mm)耐火极限(h)200X 2001.40h300X 3003.00h370 X 3705.00h2、钢柱的耐火极限:0.25h三、梁的耐火极限1、钢砼梁的耐火极限主要取决于主筋保护层的厚度。
如非预应力钢砼简支xx:保护层厚度(mm)10 20 25 30耐火极限(h)1.201.752.002.302、无保护钢梁耐火极限为0.25h。
四、楼板的耐火极限xx 砼圆孔空心板保护层厚度(mm)10 20 30耐火极限(h)0.91.251.50预应力钢砼圆孔空心板保护层厚度(mm)10 20 30 耐火极限(h)0.40.70.85五、吊顶的耐火极限木吊顶搁栅——钢丝网抹灰:0.25h板条抹灰:0.25h纸面石膏板:0.25h钢吊顶搁栅——石棉板:0.85h双层石膏板:0.30h钢丝网抹灰:0.25h六、屋顶承重构件——屋架无保护钢屋架的耐火极限为0.25h ;钢砼屋架的耐火极限主要取决于保护层厚度,一般保护层厚度为25~30mm,耐火极限为1.50~1.70h。
建筑物构件的燃烧性能
和耐火极限表
Document number:NOCG-YUNOO-BUYTT-UU986-1986UT
建筑物构件的燃烧性能和耐火极限表(h)
注:①以木柱承重且以非燃烧材料作为墙体的建筑物,其耐火等级应按四级确定。
②高层工业建筑的预制钢筋混凝土装配式结构,其节点缝隙或金属承重构件节点的外露部位,应做防火保护层,其耐火极限不应低于本表相应构件的规定。
③二级耐火等级的建筑物吊顶,如采用非燃烧体时,其耐火极限不限。
④在二级耐火等级的建筑中,面积不超过100㎡的房间隔墙,如执行本表的规定有困难时,可采用耐火极限不低于的非燃烧体。
⑤一、二级耐火等级民用建筑疏散走道两侧的隔墙,按本表规定执行有困难时,可采用非燃烧体。
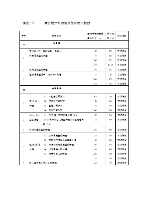
续表3.2.1 建筑构件的燃烧性能和耐火极限序号构件名称结构厚度或截面最小尺寸(cm)耐火极限(h)燃烧性能一承重墙1 普通粘土砖、硅酸盐砖,混凝土、钢筋混凝土实体墙12.018.024.037.02.503.505.5010.50不燃烧体不燃烧体不燃烧体不燃烧体2 加气混凝土砌块墙10.0 2.00 不燃烧体3 轻质混凝土砌块、天然石料的墙12.024.037.01.503.505.50不燃烧体不燃烧体不燃烧体二非承重墙1 普通粘土砖墙(1)不包括双面抹灰(2)不包括双面抹灰(3)包括双面抹灰(4)包括双面抹灰6.012.018.024.01.503.005.008.00不燃烧体不燃烧体不燃烧体不燃烧体2 12cm粘土空心砖墙(1)七孔砖墙(不包括墙中空12cm)(2)双面抹灰七孔粘土砖墙(不包括墙中空12cm)12.014.08.009.00不燃烧体不燃烧体3 粉煤灰硅酸盐砌块墙20.0 4.00 不燃烧体4 轻质混凝土墙(1)加气混凝土砌块墙(2)钢筋加气混凝土垂直墙板墙(3)粉煤灰加气混凝土砌块墙(4)加气混凝土砌块墙(5)充气混凝土砌块墙7.515.010.010.020.015.02.503.003.406.008.007.50不燃烧体不燃烧体不燃烧体不燃烧体不燃烧体不燃烧体5 碳化石灰圆孔空心条板隔墙9.0 1.75 不燃烧体序号构件名称结构厚度或截面最小尺寸(cm)耐火极限(h)燃烧性能6 菱苦土珍珠岩圆孔空心条板隔墙8.0 1.30 不燃烧体7 钢筋混凝土大板墙(C20) 6.012.01.002.60不燃烧体不燃烧体8 轻质复合隔墙(1)菱苦土板夹纸蜂窝隔墙,其构造厚度(cm)为:0.25+5(纸蜂窝)+2.5(2)水泥刨花复合板隔墙,总厚度8cm(内空层6cm)(3)水泥刨花板龙骨水泥板隔墙,1.2+8.6(空)+1.2(4)石棉水泥龙骨石棉水泥板隔墙,其构造厚度为:0.5+8(空)+6————0.330.750.500.45难燃烧体难燃烧体难燃烧体不燃烧体9 石膏空心条板隔墙:(1)石膏珍珠岩空心条板(膨胀珍珠岩50~80kg/m3)(2)石膏珍珠岩空心条板(膨胀珍珠岩60~120kg/m3)(3)石膏硅酸盐空心条板(4)石膏珍珠岩塑料网空心条板(膨胀珍珠岩60~120kg/ m3)(5)石膏粉煤灰空心条板(6)石膏珍珠岩双层空心条板,其构造厚度(cm)为:6.0+5(空)+6.0(膨胀珍珠岩50~80kg/m3)6.0+5(空)+6.0(膨胀珍珠岩60~120kg/m3)(7)增强石膏空心墙板6.06.06.06.09.0——9.06.01.501.201.501.302.253.753.252.501.28不燃烧体不燃烧体不燃烧体不燃烧体不燃烧体不燃烧体不燃烧体不燃烧体不燃烧体10 石膏龙骨两面钉下列材料的隔墙:(1)纤维石膏板,其构造厚度(cm)为:0.85+10.3(填矿棉)+0.851.0+6.4(空)+1.01.0+9(填矿棉)+1.0(2)纸面石膏板,其构造厚度(cm)为:1.1+6.8(填矿棉)+1.11.1+2.8(空)+1.1+6.5(空)+1.1+2.8(空)+1.10.9+1.2+12.8(空)+1.2+0.92.5+13.4(空)+1.2+0.91.2+8(空)+1.2+1.2+8(空)+1.21.2+8(空)+1.2—————————1.01.351.000.751.501.201.501.000.33不燃烧体不燃烧体不燃烧体不燃烧体不燃烧体不燃烧体不燃烧体不燃烧体不燃烧体序号构件名称结构厚度或截面最小尺寸(cm)耐火极限(h)燃烧性能11 木龙骨两面钉下列材料的隔墙(1)钢丝网(板)抹灰,其构造厚度(cm)为:1.5+5(空)+1.5(2)石膏板,其构造厚度为:1.2+5(空)+1.2(3)板条抹灰,其构造厚度为:1.5+5(空)+1.5(4)水泥刨花板,其构造厚度为:1.5+5(空)+1.5(5)板条抹1:4石棉水泥隔热灰浆,其构造厚度为:2+5(空)2(6)苇箔抹灰,其构造厚度为:1.5+7+1.5(7)纸面玻璃纤维石膏板,其构造厚度为: 1.0+5.5(空)+1.0(8)纸面纤维石膏板,其构造厚度为: 1.0+5.5(空)+1.0————————0.850.300.850.301.250.850.600.60难燃烧体难燃烧体难燃烧体难燃烧体难燃烧体难燃烧体难燃烧体难燃烧体12 钢龙骨两面钉下列材料:石膏板(1)纸面石膏板,其构造厚度为:2+4.6(空)+1.22×1.2+7(空)+3×1.22×1.2+7(空)+ 2×1.2(2)双层普通石膏板,板内掺纸纤维,其构造厚度为:2×1.2+7.5(空)+ 2×1.2(3)双层防火石膏板,板内掺玻璃纤纤,其构造厚度为:2×1.2+7.5(空)+ 2×1.22×1.2+7.5(岩棉厚4cm)+ 2×1.2(4)复合纸面石膏板,其构造厚度(cm)为:1.5+7.5(空)+0.15+0.95(双层板受火)1.0+5.5(空)+1.0(5)双层石膏板,其构造厚度(cm)为:2×1.2+7.5(填岩棉)+2×1.22×1.2+7.5(空)+2×1.21.8+7(空)+1.8(6)单层石膏板,其构造厚度(cm)为:1.2+7.5(填5cm厚岩棉)+1.21.2+7.5(空)+1.2普通纸面石膏板:1.2+7.5(空)+1.21.2+7.5(其中5.0%厚岩棉)+1.21.5+0.95+7.5+1.5耐火纸面石膏板:1.2+7.5(其中5.0%厚岩棉)+1.2—————————————9.99.912.39.911.1414.50.331.251.201.101.351.601.100.602.101.351.351.200.500.520.901.501.051.10>1.50不燃烧体不燃烧体不燃烧体不燃烧体不燃烧体不燃烧体不燃烧体不燃烧体不燃烧体不燃烧体不燃烧体不燃烧体不燃烧体不燃烧体不燃烧体不燃烧体不燃烧体不燃烧体不燃烧体2×1.2+7.5+2×1.2 2×1.5+10(其中8.0%厚岩棉)+1.5续表3.2.1 建筑构件的燃烧性能和耐火极限序号构件名称结构厚度或截面最小尺寸(cm)耐火极限(h)燃烧性能12 轻钢龙骨两面钉石膏板耐火纸面石膏板:3×1.2+10(岩棉)+2×1.23×1.5+10(8厚岩棉)+2×1.53×1.5+10(5厚岩棉)+2×1.20.95+3×1.2+10(空)+10(8厚岩棉)+2×1.2+0.95+1.23×1.5+15(10厚岩棉)+3×1.516.017.516.929.124.0>2.02.822.953.04.0不燃烧体不燃烧体不燃烧体不燃烧体不燃烧体13轻钢龙骨两面钉下列材料水泥纤维复合硅酸钙板(埃特板)(1)水泥纤维复合板墙,其构造厚度:2(水泥纤维板)+6(岩棉)+2(水泥纤维板)0.4(水泥纤维板)+5.2(水泥聚苯乙烯粒)+0.4(水泥纤维板)0.4(水泥纤维板)+9.2(岩棉)+0.4(2)单层双面夹矿棉埃特板墙双层双面夹矿棉埃特板墙钢龙骨水泥刨花板隔墙,其构造厚度为:1.2+7.6(空)+1.2 钢龙骨石棉水泥板隔墙,其构造厚度为:1.2+7.5(空)+0.6 109142.101.202.01.501.02.00.450.30不燃烧体不燃烧体不燃烧体不燃烧体不燃烧体不燃烧体难燃烧体难燃烧体14钢丝网架(复合)墙板(1)矿棉或聚苯乙烯夹芯板2.5(425#硅酸盐水泥,1:3水泥沙浆)+5(矿棉)+ 2.5(425#硅酸盐水泥,1:3水泥沙浆)2.5(425#硅酸盐水泥,1:3水泥沙浆)+5(聚苯乙烯)+ 2.5(425#硅酸盐水泥,1:3水泥沙浆)(2)钢丝网塑夹芯板(内填自吸性聚苯乙烯泡沫)(3)芯材为聚苯乙烯泡沫塑料,两侧以1:3水泥(425#硅酸盐水泥沙浆抹灰,厚度23mm (泰柏板)2.3(1:3水泥)+5.4(聚苯乙烯泡沫塑料)+2.3(1:3水泥)(4)钢丝网架石膏复合墙板1.5(石膏板)+5.0(硅酸盐水泥)+5.0(岩棉)+5.0(硅酸盐水泥)+1.5(石膏板)(5)钢网岩棉夹芯复合板(可作3层以下承重墙,4层以上10107.61018112.01.071.201.304.02.0不燃烧体难燃烧体难燃烧体难燃烧体不燃烧体不燃烧体框架结构填充墙)序号构件名称结构厚度或截面最小尺寸(cm)耐火极限(h)燃烧性能15彩色钢板复合板墙彩色钢板岩棉夹芯板彩色钢板岩棉夹芯板彩色镀锌钢板聚氨酯夹芯板(天荣板)———1.130.50.6不燃烧体不燃烧体难燃烧体16增强石膏轻质内墙板增强石膏轻质内墙板(带孔) 69 1.282.50不燃烧体不燃烧体17空心轻质隔墙板孔径38,表面为1cm水泥沙浆62孔空心板拼装,两侧抹灰19mm,总厚10cm,沙:碳:水泥比为5:1:1 10102.02.0不燃烧体不燃烧体17混凝土砌块墙体(1)轻集料小型空心砌块330mm×14mm330mm×19mm(2)轻集料(陶粒)混凝土砌块330mm×240mm330mm×290mm(3)轻集料小型空心砌块(实心墙体):330mm×190mm (4)普通混凝土承重空心砌块330mm×14mm330mm×19mm330mm×290mm ————————1.981.252.924.04.01.651.934.0不燃烧体不燃烧体不燃烧体不燃烧体不燃烧体不燃烧体不燃烧体不燃烧体18 纤维增强硅酸钙板轻质复合隔墙5~10 2.0 不燃烧体19 纤维增强水泥加压平板5~10 2.0 不燃烧体20 (1)水泥聚苯乙烯粒子复合墙板(纤维复合)(2)水泥纤维加压板墙体6101.202.0不燃烧体不燃烧体21 玻璃纤维增强水泥空心内隔墙板(采用纤维水泥加轻质粗细填充骨料混合浇注,振动滚压成型)6 1.5 不燃烧体序号构件名称结构厚度或截面最小尺寸(cm)耐火极限(h)燃烧性能三柱1 钢筋混凝土柱18×2420×2024×2430×3020×4020×5030×5037×371.201.402.003.002.703.003.505.00不燃烧体不燃烧体不燃烧体不燃烧体不燃烧体不燃烧体不燃烧体不燃烧体2 普通粘土砖柱37×37 5.00 不燃烧体3 钢筋混凝土圆柱直径30直径453.004.00不燃烧体不燃烧体4 无保护层的钢柱—0.25 不燃烧体5 有保护层的钢柱(1)金属网抹M5砂浆保护,厚度为(cm):2.5(2)用加气混凝土作保护层,厚度为(cm):4.05.07.08.0(3)用200#混凝土作保护层,厚度为(cm):2.55.010.0(4)用普通粘土砖作保护层,厚度为(cm):12.0(5)用陶粒混凝土作保护层,厚度为(cm):8.0(6)用薄涂型钢结构防火涂料做保护层,厚度为(cm):0.550.70(7)用厚涂型钢结构防火涂料做保护层厚度为(cm):1.52.03.04.05.0—————————————————0.801.001.402.002.330.802.002.852.853.001.001.501.001.502.02.53.0不燃烧体不燃烧体不燃烧体不燃烧体不燃烧体不燃烧体不燃烧体不燃烧体不燃烧体不燃烧体不燃烧体不燃烧体不燃烧体不燃烧体不燃烧体不燃烧体不燃烧体序号构件名称结构厚度或截面最小尺寸(cm)耐火极限(h)燃烧性能三柱5 有保护层的钢管混凝土圆柱(60≤λ)*用金属网抹50#砂浆作保护层,其厚度为:2.5 cm3.5 cm4.5 cm6.0 cm7.0 cmD =20 cm1.001.502.002.503.00不燃烧体不燃烧体不燃烧体不燃烧体不燃烧体2.0 cm3.0 cm3.5 cm4.5 cm5.0 cmD =60 cm1.001.502.002.503.00不燃烧体不燃烧体不燃烧体不燃烧体不燃烧体1.8 cm2.6 cm3.2 cm4.0 cm4.5 cmD =100 cm1.001.502.002.503.00不燃烧体不燃烧体不燃烧体不燃烧体不燃烧体1.5 cm2.5 cm3.0 cm3.6 cm4.0 cmD140 cm1.001.502.002.503.00不燃烧体不燃烧体不燃烧体不燃烧体不燃烧体6 用厚涂型钢结构防火涂料作保护层,其厚度为:0.8 cm1.0 cm1.4 cm1.6 cm2.0 cmD =20 cm1.001.502.002.503.00不燃烧体不燃烧体不燃烧体不燃烧体不燃烧体0.7 cm0.9 cm1.2 cm1.4 cm1.6 cmD =60 cm1.001.502.002.503.00不燃烧体不燃烧体不燃烧体不燃烧体不燃烧体序号构件名称结构厚度或截面最小尺寸(cm)耐火极限(h)燃烧性能三柱6 有保护层的钢管混凝土圆柱(60≤λ)*用厚涂型钢结构防火涂料作保护层,其厚度为:0.6 cm0.8 cm1.0 cm1.2 cm1.4 cmD =100 cm1.001.502.002.503.00不燃烧体不燃烧体不燃烧体不燃烧体不燃烧体0.5 cm0.7 cm0.9 cm1.0 cm1.2 cmD140 cm1.001.502.002.503.00不燃烧体不燃烧体不燃烧体不燃烧体不燃烧体7 有保护层的钢管混凝土方柱、矩形柱(60≤λ)*用金属网抹50#砂浆作保护层,其厚度为:4.0 cm5.5 cm7.0 cm8.0 cm9.0 cmB =20 cm*1.001.502.002.503.00不燃烧体不燃烧体不燃烧体不燃烧体不燃烧体3.0 cm4.0 cm5.5 cm6.5 cm7.0 cmB =60 cm1.001.502.002.503.00不燃烧体不燃烧体不燃烧体不燃烧体不燃烧体2.5 cm3.5 cm4.5 cm5.5 cm6.5 cmB =100 cm1.001.502.002.503.00不燃烧体不燃烧体不燃烧体不燃烧体不燃烧体2.0 cm3.0 cm4.0 cm4.5 cm5.5 cmB140 cm1.001.502.002.503.00不燃烧体不燃烧体不燃烧体不燃烧体不燃烧体序号构件名称结构厚度或截面最小尺寸(cm)耐火极限(h)燃烧性能三柱8 用厚涂型钢结构防火涂料作保护层,其厚度为:0.8 cm1.0 cm1.4 cm1.8 cm2.5 cmB =20 cm1.001.502.002.503.00不燃烧体不燃烧体不燃烧体不燃烧体不燃烧体0.6 cm0.8 cm1.0 cm1.2 cm1.5 cmB =60 cm1.001.502.002.503.00不燃烧体不燃烧体不燃烧体不燃烧体不燃烧体0.5 cm0.6 cm0.8 cm1.0 cm1.2 cmB =100 cm1.001.502.002.503.00不燃烧体不燃烧体不燃烧体不燃烧体不燃烧体0.4 cm0.5 cm0.6 cm0.8 cm1.0 cmB=140 cm1.001.502.002.503.00不燃烧体不燃烧体不燃烧体不燃烧体不燃烧体注:1 λ为钢管混凝土构件长细比,对于圆钢管混凝土,;对于方、矩形钢管混凝土,;L为构件的计算长度。
建筑构件的耐火极限一、建筑构件的耐火极限在建筑结构中,不同构件都有其自身的特性。
建筑构件的耐火极限是指建筑构件在火灾事故发生时,能够承受的最大火灾温度。
它是由构件材料的热力学性质决定的,而这些材料的耐火性也会影响到建筑构件的耐火极限。
1、钢筋混凝土结构钢筋混凝圤结构的耐火极限一般比普通结构要高很多,因为它具有良好的热阻性和热稳定性,可以保证热能不易被空气中的热量所抵消。
因此,钢筋混凝土结构的耐火极限一般可达1000℃以上。
如果为了提高建筑构件的耐火性,还可以使用粉末火焰涂层材料,可以将耐火极限提高到1200℃以上。
2、木结构木结构的耐火极限比钢筋混凝土结构低很多,在500℃以下就会开始燃烧,在600℃左右就会发生烟火灾,而在800℃以上就会发生火灾,因此,木结构的耐火极限一般只有800℃左右。
3、石膏板石膏板的耐火极限一般可达700℃,在此温度下石膏板会发生热裂解,形成孔洞,使结构变得不稳定,因此,石膏板的耐火极限一般只有700℃左右。
4、玻璃纤维墙板玻璃纤维墙板的耐火极限一般在650℃左右,在此温度下,玻璃纤维墙板会发生热裂解,形成孔洞,使结构变得不稳定,因此,玻璃纤维墙板的耐火极限一般只有650℃左右。
二、耐火极限的影响因素1、建筑构件的材料不同的建筑构件使用不同的材料,这些材料的耐火性也会影响到建筑构件的耐火极限。
常用的材料包括:木材、钢筋混凝土、石膏板、玻璃纤维墙板等,它们的耐火极限也不同。
2、建筑构件密度建筑构件的密度也会影响其耐火极限。
如果建筑构件的密度越高,它的热能储存量就会越大,从而使其耐火极限也会越高。
3、环境温度环境温度也会影响建筑构件的耐火极限。
当环境温度过高时,建筑构件的耐火极限会降低,当环境温度过低时,建筑构件的耐火极限会升高。
三、结论建筑构件的耐火极限是指建筑构件在火灾事故发生时,能够承受的最大火灾温度。
建筑构件的耐火极限受到材料的热力学性质和环境温度的影响,而这些材料的耐火性也会影响到建筑构件的耐火极限。
建筑物构件的燃烧性能和
耐火极限表
This model paper was revised by the Standardization Office on December 10, 2020
建筑物构件的燃烧性能和耐火极限表(h)
注:①以木柱承重且以非燃烧材料作为墙体的建筑物,其耐火等级应按四级确定。
②高层工业建筑的预制钢筋混凝土装配式结构,其节点缝隙或金属承重构件节点的外露部位,应做防火保护层,其耐火极限不应低于本表相应构件的规定。
③二级耐火等级的建筑物吊顶,如采用非燃烧体时,其耐火极限不限。
④在二级耐火等级的建筑中,面积不超过100㎡的房间隔墙,如执行本表的规定有困难时,可采用耐火极限不低于0.3h的非燃烧体。
⑤一、二级耐火等级民用建筑疏散走道两侧的隔墙,按本表规定执行有困难时,可采用0.75h非燃烧体。
⼯业建筑与民⽤建筑建筑构件的耐⽕极限1、甲、⼄类⼚房和甲、⼄、丙类仓库内的防⽕墙,其耐⽕极限不应低于4.00h。
2、⼀、⼆级耐⽕等级单层⼚房(仓库)的柱,其耐⽕极限分别不应低于2.50h和2.00h。
3、采⽤⾃动喷⽔灭⽕系统全保护的⼀级耐⽕等级单、多层⼚房(仓库)的屋顶承重构件,其耐⽕极限不应低于1.00h。
4、除甲、⼄类仓库和⾼层仓库外,⼀、⼆级耐⽕等级建筑的⾮承重外墙,当采⽤不燃性墙体时,其耐⽕极限不应低于0.25h;当采⽤难燃性墙体时,不应低于0.50h。
4层及4层以下的⼀、⼆级耐⽕等级丁、戊类地上⼚房(仓库)的⾮承重外墙,当采⽤不燃性墙体时,其耐⽕极限不限。
5、⼆级耐⽕等级⼚房(仓库)内的房间隔墙,当采⽤难燃性墙体时,其耐⽕极限应提⾼0.25h。
6、⼆级耐⽕等级多层⼚房和多层仓库内采⽤预应⼒钢筋混凝⼟的楼板,其耐⽕极限不应低于0.75h。
7、⼀、⼆级耐⽕等级⼚房(仓库)的上⼈平屋顶,其屋⾯板的耐⽕极限分别不应低于1.50h和1.00h。
1、甲、⼄类⼚房和甲、⼄、丙类仓库内的防⽕墙,其耐⽕极限不应低于4.00h。
2、⼀、⼆级耐⽕等级单层⼚房(仓库)的柱,其耐⽕极限分别不应低于2.50h和2.00h。
3、采⽤⾃动喷⽔灭⽕系统全保护的⼀级耐⽕等级单、多层⼚房(仓库)的屋顶承重构件,其耐⽕极限不应低于1.00h。
4、除甲、⼄类仓库和⾼层仓库外,⼀、⼆级耐⽕等级建筑的⾮承重外墙,当采⽤不燃性墙体时,其耐⽕极限不应低于0.25h;当采⽤难燃性墙体时,不应低于0.50h。
4层及4层以下的⼀、⼆级耐⽕等级丁、戊类地上⼚房(仓库)的⾮承重外墙,当采⽤不燃性墙体时,其耐⽕极限不限。
5、⼆级耐⽕等级⼚房(仓库)内的房间隔墙,当采⽤难燃性墙体时,其耐⽕极限应提⾼0.25h。
6、⼆级耐⽕等级多层⼚房和多层仓库内采⽤预应⼒钢筋混凝⼟的楼板,其耐⽕极限不应低于0.75h。
7、⼀、⼆级耐⽕等级⼚房(仓库)的上⼈平屋顶,其屋⾯板的耐⽕极限分别不应低于1.50h和1.00h。
一、墙的耐火极限
1、普通粘土砖墙、钢砼墙的耐火极限大量试验证明,耐火极限与厚度成正比。
厚度(mm)120 180 240 370
耐火极限(h)
2.50
3.50
5.50
10.50
2、加气砼墙的耐火极限
耐火极限与厚度也基本是xx。
如加气砼砌块墙(非承重墙)
厚度(mm)75 100 200
耐火极限(h)
2.50
6.00
8.00
3、轻质隔墙
xx——钢丝网抹灰:
0.85h
石膏板:
水泥刨花板:
0.30h
板条抹灰:
0.85h
钢龙骨——单层石膏板
双层石膏板:
1.00h以上
4、金属墙板的耐火极限
采用铝、钢、铝合金等薄板作两面,中间或是空气层或填矿棉、岩棉等隔热材料,耐火极限可达
1.50~
2.00h。
二、柱的耐火极限
1、钢砼柱的耐火极限
在通常情况下随柱截面增大而增大。
如C20砼柱:
截面积(mm×mm)
耐火极限(h)
200×200
1.40h
300×300
370×370
5.00h
2、钢柱的耐火极限:
0.25h
三、梁的耐火极限
1、钢砼梁的耐火极限主要取决于主筋保护层的厚度。
如非预应力钢砼简支xx:
保护层厚度(mm)10 20 25 30
耐火极限(h)
1.20
1.75
2.00
2.30
2、无保护钢梁耐火极限为
0.25h。
四、楼板的耐火极限
xx砼圆孔空心板
保护层厚度(mm)10 20 30
耐火极限(h)
1.25
1.50
预应力钢砼圆孔空心板
保护层厚度(mm)10 20 30 耐火极限(h)
0.4
0.7
0.85
五、吊顶的耐火极限
木吊顶搁栅——钢丝网抹灰:0.25h
板条抹灰:
0.25h
纸面石膏板:
0.25h
钢吊顶搁栅——石棉板:
0.85h
双层石膏板:
0.30h
钢丝网抹灰:
0.25h
六、屋顶承重构件——屋架
无保护钢屋架的耐火极限为
0.25h;钢砼屋架的耐火极限主要取决于保护层厚度,一般保护层厚度为25~30mm,耐火极限为
1.50~
1.70h。