厂房(仓库)的耐火等级与构件的耐火极限
- 格式:doc
- 大小:38.00 KB
- 文档页数:2
厂房防火规范篇一:建筑设计防火规范--厂房和仓库3 厂房和仓库3.1 火灾危险性分类3.1.1 生产的火灾危险性应根据生产中使用或产生的物质性质及其数量等因素划分,可分为甲、乙、丙、丁、戊类,并应符合表3.1.1的规定。
表3.1.1 生产的火灾危险性分类3.1.2 同一座厂房或厂房的任一防火分区内有不同火灾危险性生产时,厂房或防火分区内的生产火灾危险性类别应按火灾危险性较大的部分确定;当生产过程中使用或产生易燃、可燃物的量较少,不足以构成爆炸或火灾危险时,可按实际情况确定;当符合下述条件之一时,可按火灾危险性较小的部分确定:1 火灾危险性较大的生产部分占本层或本防火分区建筑面积的比例小于5%或丁、戊类厂房内的油漆工段小于10%,且发生火灾事故时不足以蔓延至其他部位或火灾危险性较大的生产部分采取了有效的防火措施;2 丁、戊类厂房内的油漆工段,当采用封闭喷漆工艺,封闭喷漆空间内保持负压、油漆工段设置可燃气体探测报警系统或自动抑爆系统,且油漆工段占所在防火分区建筑面积的比例不大于20%。
3.1.3 储存物品的火灾危险性应根据储存物品的性质和储存物品中的可燃物数量等因素划分,可分为甲、乙、丙、丁、戊类,并应符合表3.1.3的规定。
表3.1.3 储存物品的火灾危险性分类3.1.4 同一座仓库或仓库的任一防火分区内储存不同火灾危险性物品时,仓库或防火分区的火灾危险性应按火灾危险性最大的物品确定。
3.1.5 丁、戊类储存物品仓库的火灾危险性,当可燃包装重量大于物品本身重量1/4或可燃包装体积大于物品本身体积的1/2时,应按丙类确定。
3.2 厂房和仓库的耐火等级3.2.1 厂房和仓库的耐火等级可分为一、二、三、四级,相应建筑构件的燃烧性能和耐火极限,除本规范另有规定外,不应低于表3.2.1的规定。
表3.2.1 不同耐火等级厂房和仓库建筑构件的燃烧性能和耐火极限(h)注:二级耐火等级建筑采用不燃材料的吊顶,其耐火极限不限。
仓库(甲类)的防火要求1、储存物品的火灾危险性应根据储存物品的性质和储存物品中的可燃物数量等因素,分为甲、乙、丙、丁、戊类,并应符合下表的规定。
储存物品的火灾危险性分类区的火灾危险性应按其中火灾危险性最大的类别确定。
2、仓库的耐火等级与构件的耐火极限2.1仓库的耐火等级可分为一、二、三、四级。
其构件的燃烧性能和耐火极限不应低于下表的规定。
仓库建筑构件的燃烧性能和耐火极限(h)2.2 甲、乙、丙类仓库的防火墙,其耐火极限应上表的规定提高1.00h:。
2.3 一、二级耐火等级的单层仓库的柱,其耐火极限可按本上表的规定降低0.50h。
2.4 二级耐火等级仓库中的房间隔墙,当采用难燃烧体时,其耐火极限应提高0.25h。
2.5 一级耐火等级的单层仓库中采用自动喷水灭火系统进行全保护时,其屋顶承重构件的耐火极限不应低于1.00h。
3 仓库的耐火等级、层数、面积和平面布置3.1 仓库内严禁设置员工宿舍。
甲、乙类仓库内严禁设置办公室、休息室等,并不应贴邻建造。
在丙、丁类仓库内设置的办公室、休息室,应采用耐火极限不低于2.50h的不燃烧体隔墙和1.00h的楼板与库房隔开,并应设置独立的安全出口。
如隔墙上需开设相互连通的门时,应采用乙级防火门。
3 / 62 本表中“—”表示不允许。
4 / 64 仓库的防火间距甲类仓库之间及其与其它建筑、明火或散发火花地点、铁路等的防火间距(m)注:甲类仓库之间的防火间距,当第3、4项物品储量小于等于2t,第1、2、5、6项物品储量小于等于5t时,不应小于12.0m,甲类仓库与高层仓库之间的防火间距不应小于13m。
5仓库的防爆5.1甲、乙、丙类液体仓库应设置防止液体流散的设施。
遇湿会发生燃烧爆炸的物品仓库应设置防止水浸渍的措施。
5.2 有爆炸危险的甲、乙类仓库,应采取防爆措施、设置泄压设施。
6 仓库的安全疏散6.1 仓库的安全出口应分散布置。
每个防火分区、一个防火分区的每个楼层,其相邻2个安全出口最近边缘之间的水平距离不应小于5.0m。
厂房和仓库的耐火等级厂房和仓库的耐火等级规范划分为四级即一级、二级、三级和四级,不同的耐火等级对组成建筑的构件的耐火时间的要求不一样,但厂房和仓库的建筑构件的耐火时间的要求是一样的。
一级耐火等级构件耐火时间:防火墙:不燃3小时承重墙:不燃3小时柱:不燃3小时梁:不燃2小时楼板:不燃1.5小时楼梯间、前室和电梯井墙:不燃2小时楼梯:不燃1.5小时走道两侧墙:不燃1小时房间隔墙:不燃0.75小时屋顶承重构件:不燃1.5小时吊顶;不燃0.25小时二级耐火等级建筑构件的材料燃烧性能与一级一样都是要求不燃性,防火墙、楼梯间、前室和电梯井墙、走道两侧墙、吊顶耐火时间的耐火时间要求也一样,但耐火时间与一级相比承重墙、柱、梁、楼板、屋顶承重构件和楼梯的耐火时间均调低0.5小时,房间隔墙调低0.25小时。
三级耐火等级的建筑构件的材料燃烧性能除房间隔墙、屋顶承重构件、吊顶允许采用难燃材料,其余均要求采用不然材料,其除了防火墙和房间隔墙与二级一样、吊顶调低0.1小时外,其余建筑构件均调低0∙5小时。
四级耐火等级的建筑构件的材料燃烧性能除防火墙要求不燃性、耐火时间3小时,屋顶承重构件、楼梯可以采用可燃材料以外,其余建筑构件均可以采用难燃性材料,且屋顶承重构件、楼梯和吊顶对耐火时间不作要求;承重墙、柱、梁、楼板、前室和电梯井墙耐火时间均要求为不小于0.5小时;房间隔墙、走道两侧墙的耐火时间要求不小于0.25小时。
厂房和仓库的耐火等级特殊规定:1、甲乙丙类仓库和甲乙类厂房内的防火墙的耐火极限不得低于4.0小时。
2、要求不低于二级耐火等级的厂房.仓库高层厂房、甲乙类厂房;使用或产生丙类液体厂房;有火花、明火和赤热表面丁类厂房;储存和使用特殊贵重机器、仪表和仪器等设备建筑;高架仓库、高层仓库、甲类仓库、多层乙类仓库和储存可燃液体的多层丙类仓库;粮食筒仓;油浸变压器室和高压配电装置室等3、要求不低于三级耐火等级的厂房.仓库面积小于300平方米独立建造的甲乙类单层厂房;单多层丙类厂房;多层丁戊类厂房;使用或产生丙类液体、有火花、明火和赤热表面的丙类厂房面积小于500平方米的和面积小于1000平方米的单层丁类厂房;单层乙类厂房、多层仓库储存可燃固体、单层丙类仓库以及多层丁戊类仓库;4、单层厂房采用一二级时的柱可以减少0.5小时;5、厂房、仓库上人平屋顶,采用一级时不小于1.5小时、二级时不小于1.0小时;6、采用木柱承重的,墙体为不燃烧体可以确定为四级耐火等级;7、建筑构件节点外露部分不得低于构件的耐火极限;8、采用金属夹芯板时,其芯材应采用不燃材料。
第二部分有色金属企业设计防火规范(送审稿)1 总则1.0.1为在有色金属工程建设中,防止和减少火灾的危害,确保人身和财产安全,制定本规范。
1.0.2本规范适用于有色金属企业新建、扩建和改建工程的防火设计。
不适用于有色企业内储存、加工、使用爆破器材(炸药)的场所。
稀有放射性金属(元素)生产企业,尚应符合现行国家相关的技术标准。
1.0.3积极采用新技术、新工艺、新材料和新设备,结合实际做到安全适用、技术先进、经济合理。
1.0.4特大型有色金属企业或采用全新工艺或设施的企业,应对防火安全系统做专门的论证与评估,并指导防火设计。
1.0.5有色金属企业防火设计除应符合本规范规定外,尚应符合国家现行有关标准的规定。
2 术语2.0.1工艺系统类型 process system type按有色企业生产流程或生产方法而加以分类归纳。
如:选矿、采矿、火法冶金、湿法冶金、金属及合金加工等系统;以及焙烧、吹炼、萃取等子系统。
2.0.2主厂房 main workshop一个工艺系统主要生产设施、装置所在的厂房,如:焙烧主厂房、冶炼主厂房、萃取主厂房、电解主厂房、热轧主厂房等。
2.0.3总变电所(厂区) general transformer substation用于全厂性或大区域生产供配电的场所。
[用于某个工艺系统生产供配电的场所称为区域变(配)电所;用于某一个车间(主厂房)生产供配电的场所称做车间变(配)电所(室)]。
2.0.4车间生活间 the service room of wookshop用于为所属车间员工提供更衣、休息、办公、沐浴等服务用房的统称。
2.0.5控制室 control room为一个或多个生产工艺过程进行自动化操作、控制、管理,而设置的专用房间。
2.0.6电缆夹层 cable inter layer和电缆隧道 cable tunnel用于放置、汇接、安装众多电缆的专门建筑楼层,称为电缆夹层;而用于铺设、放置众多电缆,并提供巡视、检修的地下封闭式构筑物(通行、半通行式通道)称电缆隧道2.0.7腐蚀性区域 corrosioning area工艺过程中因使用(产生)腐蚀性介质,而受到腐蚀影响的建、构筑物及周围区域。
厂房仓库以及民用建筑的耐火等级划分2015-08-24九域管理深圳市九域企业管理顾问有限公司耐火等级耐火等级是衡量建筑物耐火程度的分级标度。
它由组成建筑物的构件的燃烧性能和耐火极限来确定。
规定建筑物的耐火等级是建筑设计防火规范中规定的防火技术措施中的最基本措施之一。
根据《建筑设计防火规范》,建筑物的耐火等级分为四级。
建筑物的耐火等级是由建筑构件(梁、柱、楼板、墙等)的燃烧性能和耐火极限决定的。
一般说来:一级耐火等级建筑是钢筋混凝土结构或砖墙与钢混凝土结构组成的混合结构;二级耐火等级建筑是钢结构屋架、钢筋混凝土柱或砖墙组成的混合结构;三级耐火等级建筑物是木屋顶和砖墙组成的砖木结构;四级耐火等级是木屋顶、难燃烧体墙壁组成的可燃结构。
以下是厂房仓库以及民用建筑的耐火等级划分。
厂房和仓库的耐火等级厂房和仓库的耐火等级可分为一、二、三、四级,相应建筑构件的燃烧性能和耐火极限,除GB50016-2014另有规定外,不应低于下表规定。
1、高层厂房,甲、乙类厂房的耐火等极不应低于二级,建筑面积不大于300㎡的独立甲、乙类单层厂房可采用三级耐火等级的建筑。
2、单、多层丙类厂房和多层丁、戊类厂房的耐火等级不应低于三级。
使用或产生丙类液体的厂房和有火花、赤热表面、明火的丁类厂房,其耐火等级持不应低于二级,当为建筑菌积不大于500㎡的单层丙类厂房或建筑面积不大于1000㎡的单层丁类厂房时,可采用三级耐火等级的建筑。
3、使用或存储特殊贵重的机器、仪表、仪器等设备或物品的建筑,其耐火等级不应低于二级。
4、锅炉房的耐火等接不应低于二级,当为燃煤锅炉房且锅炉的总蒸发量不大于的4t/h时,可采用三级耐火等级的建筑。
5、油浸变压器室、高压配电装置室的耐火等级不应低于二级,其他防火设计应符合现行国家标准《火力发电厂与变电站设计防大规范》GB50229等标准的规定。
6、高架仓痒、离层仓库、甲类仓库、多层乙类仓库和储存可燃液体的多层丙类仓库,其耐火等级不应低于二级。
3 厂房(仓库)3.1 火灾危险性分类3.1.1 生产的火灾危险性应根据生产中使用或产生的物质性质及其数量等因素,分为甲、乙、丙、丁、戊类,并应符合表3.1.1 的规定。
表3.1.1 生产的火灾危险性分类生产类别使用或产生下列物质的生产的火灾危险性特征甲1 闪点小于28℃的液体2 爆炸下限小于10%的气体3 常温下能自行分解或在空气中氧化能导致迅速自燃或爆炸的物质;4 常温下受到水或空气中水蒸汽的作用,能产生可燃气体并引起燃烧或爆炸的物质;5 遇酸、受热、撞击、摩擦、催化以及遇有机物或硫磺等易燃的无机物,极易引起燃烧或爆炸的强氧化剂;6 受撞击、摩擦或与氧化剂、有机物接触时能引起燃烧或爆炸的物质;7 在密闭设备内操作温度大于等于物质本身自燃点的生产乙1 闪点大于等于28℃,但小于60℃的液体2 爆炸下限大于等于10% 的气体3 不属于甲类的氧化剂4 不属于甲类的化学易燃危险固体5 助燃气体6 能与空气形成爆炸性混合物的浮游状态的粉尘、纤维、闪点大于等于60℃的液体雾滴丙1 闪点大于等于60℃的液体2 可燃固体丁1 对不燃烧物质进行加工,并在高温或熔化状态下经常产生强辐射热、火花或火焰的生产2 利用气体、液体、固体作为燃料或将气体、液体进行燃烧作其它用的各种生产3 常温下使用或加工难燃烧物质的生产戊常温下使用或加工不燃烧物质的生产3.1.2 同一座厂房或厂房的任一防火分区内有不同火灾危险性生产时,该厂房或防火分区内的生产火灾危险性分类应按火灾危险性较大的部分确定。
当符合下述条件之一时,可按火灾危险性较小的部分确定:1 火灾危险性较大的生产部分占本层或本防火分区面积的比例小于5%或丁、戊类厂房内的油漆工段小于10%,且发生火灾事故时不足以蔓延到其它部位或火灾危险性较大的生产部分采取了有效的防火措施;2 丁、戊类厂房内的油漆工段,当采用封闭喷漆工艺,封闭喷漆空间内保持负压、油漆工段设置可燃气体自动报警系统或自动抑爆系统,且油漆工段占其所在防火分区面积的比例小于等于20% 。
3 厂房(仓库)3.1 火灾危险性分类3.1.1 生产的火灾危险性应根据生产中使用或产生的物质性质及其数量等因素,分为甲、乙、丙、丁、戊类,并应符合表3.1.1 的规定。
表3.1.1 生产的火灾危险性分类3.1.2 同一座厂房或厂房的任一防火分区内有不同火灾危险性生产时,该厂房或防火分区内的生产火灾危险性分类应按火灾危险性较大的部分确定。
当符合下述条件之一时,可按火灾危险性较小的部分确定:1 火灾危险性较大的生产部分占本层或本防火分区面积的比例小于5%或丁、戊类厂房内的油漆工段小于10%,且发生火灾事故时不足以蔓延到其它部位或火灾危险性较大的生产部分采取了有效的防火措施;2 丁、戊类厂房内的油漆工段,当采用封闭喷漆工艺,封闭喷漆空间内保持负压、油漆工段设置可燃气体自动报警系统或自动抑爆系统,且油漆工段占其所在防火分区面积的比例小于等于20%。
3.1.3 储存物品的火灾危险性应根据储存物品的性质和储存物品中的可燃物数量等因素,分为甲、乙、丙、丁、戊类,并应符合表3.1.3 的规定。
表3.1.3 储存物品的火灾危险性分类3.1.4 同一座仓库或仓库的任一防火分区内储存不同火灾危险性物品时,该仓库或防火分区的火灾危险性应按其中火灾危险性最大的类别确定。
3.1.5 丁、戊类储存物品的可燃包装重量大于物品本身重量1/4 的仓库,其火灾危险性应按丙类确定。
3.2 厂房(仓库)的耐火等级与构件的耐火极限3.2.1 厂房(仓库)的耐火等级可分为一、二、三、四级。
其构件的燃烧性能和耐火极限除本规范另有规定者外,不应低于表3.2.1 的规定。
表3.2.1 厂房(仓库)建筑构件的燃烧性能和耐火极限(h)3.2.2 下列建筑中的防火墙,其耐火极限应按本规范表3.2.1 的规定提高1.00h :1 甲、乙类厂房;2 甲、乙、丙类仓库。
3.2.3 一、二级耐火等级的单层厂房(仓库)的柱,其耐火极限可按本规范表3.2.1 的规定降低0.50h 。
3厂房和仓库3.1火灾危险性分类3.1.1生产的火灾危险性应根据生产中使用或产生的物质性质及其数量等因素划分,可分为甲、乙、丙、丁、戊类,并应符合表3.1.1的规定。
表3.1.1生产的火灾危险性分类3.1.2同一座厂房或厂房的任一防火分区内有不同火灾危险性生产时,厂房或防火分区内的生产火灾危险性类别应按火灾危险性较大的部分确定;当生产过程中使用或产生易燃、可燃物的量较少,不足以构成爆炸或火灾危险时,可按实际情况确定;当符合下述条件之一时,可按火灾危险性较小的部分确定:1火灾危险性较大的生产部分占本层或本防火分区建筑面积的比例小于5%或丁、戊类厂房内的油漆工段小于10%,且发生火灾事故时不足以蔓延至其他部位或火灾危险性较大的生产部分采取了有效的防火措施;2丁、戊类厂房内的油漆工段,当采用封闭喷漆工艺,封闭喷漆空间内保持负压、油漆工段设置可燃气体探测报警系统或自动抑爆系统,且油漆工段占所在防火分区建筑面积的比例不大于20%。
3.1.3储存物品的火灾危险性应根据储存物品的性质和储存物品中的可燃物数量等因素划分,可分为甲、乙、丙、丁、戊类,并应符合表3.1.3的规定。
表3.1.3储存物品的火灾危险性分类3.1.4同一座仓库或仓库的任一防火分区内储存不同火灾危险性物品时,仓库或防火分区的火灾危险性应按火灾危险性最大的物品确定。
3.1.5丁、戊类储存物品仓库的火灾危险性,当可燃包装重量大于物品本身重量1/4或可燃包装体积大于物品本身体积的1/2时,应按丙类确定。
3.2厂房和仓库的耐火等级3.2.1厂房和仓库的耐火等级可分为一、二、三、四级,相应建筑构件的燃烧性能和耐火极限,除本规范另有规定外,不应低于表3.2.1的规定。
表3.2.1不同耐火等级厂房和仓库建筑构件的燃烧性能和耐火极限(h)注:二级耐火等级建筑采用不燃材料的吊顶,其耐火极限不限。
3.2.2高层厂房,甲、乙类厂房的耐火等级不应低于二级,建筑面积不大于300m2的独立甲、乙类单层厂房可采用三级耐火等级的建筑。
3 厂房和仓库3.1 火灾危险性分类3.1.1生产的火灾危险性应根据生产中使用或产生的物质性质及其数量等因素划分,可分为甲、乙、丙、丁、戊类,并应符合表3.1.1的规定。
表3.1.1 生产的火灾危险性分类3.1.2同一座厂房或厂房的任一防火分区内有不同火灾危险性生产时,厂房或防火分区内的生产火灾危险性类别应按火灾危险性较大的部分确定;当生产过程中使用或产生易燃、可燃物的量较少,不足以构成爆炸或火灾危险时,可按实际情况确定;当符合下述条件之一时,可按火灾危险性较小的部分确定:1 火灾危险性较大的生产部分占本层或本防火分区建筑面积的比例小于5%或丁、戊类厂房内的油漆工段小于10%,且发生火灾事故时不足以蔓延至其他部位或火灾危险性较大的生产部分采取了有效的防火措施;2丁、戊类厂房内的油漆工段,当采用封闭喷漆工艺,封闭喷漆空间内保持负压、油漆工段设置可燃气体探测报警系统或自动抑爆系统,且油漆工段占所在防火分区建筑面积的比例不大于20%。
3.1.3 储存物品的火灾危险性应根据储存物品的性质和储存物品中的可燃物数量等因素划分,可分为甲、乙、丙、丁、戊类,并应符合表3.1.3的规定。
表3.1.3 储存物品的火灾危险性分类3.1.4同一座仓库或仓库的任一防火分区内储存不同火灾危险性物品时,仓库或防火分区的火灾危险性应按火灾危险性最大的物品确定。
3.1.5丁、戊类储存物品仓库的火灾危险性,当可燃包装重量大于物品本身重量1/4或可燃包装体积大于物品本身体积的1/2时,应按丙类确定。
3.2厂房和仓库的耐火等级3.2.1厂房和仓库的耐火等级可分为一、二、三、四级,相应建筑构件的燃烧性能和耐火极限,除本规范另有规定外,不应低于表3.2.1的规定。
注:二级耐火等级建筑采用不燃材料的吊顶,其耐火极限不限。
3.2.2 高层厂房,甲、乙类厂房的耐火等级不应低于二级,建筑面积不大于300m2的独立甲、乙类单层厂房可采用三级耐火等级的建筑。
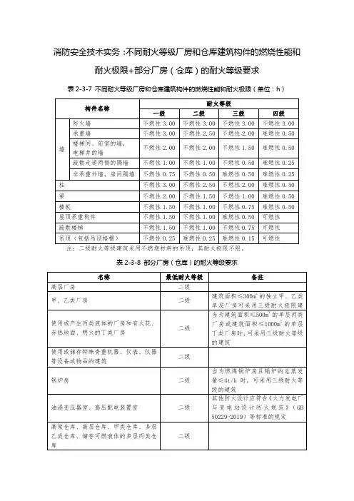
消防安全技术实务:厂房和仓库的耐火等级——部分建筑构件的特殊要求部分类别和耐火等级的厂房(仓库),其建筑构件的燃烧性能、耐火极限还有特殊的要求:(1)甲、乙类厂房和甲、乙、丙类仓库内的防火墙,其耐火极限不应低于4.00h。
甲、乙类厂房和甲、乙、丙类仓库,一旦着火,其燃烧时间较长和(或)燃烧过程中释放的热量巨大,有必要适当提高防火墙的耐火极限。
(2)一、二级耐火等级单层厂房(仓库)的柱,其耐火极限分别不应低于2.50h 和2.00h。
(3)采用自动喷水灭火系统全保护的一级耐火等级单、多层厂房(仓库)的屋顶承重构件,其耐火极限不应低于1.00h。
(如图2-3-11所示)图2-3-11 单、多层厂房(仓库)屋顶承重构件示意图这主要针对钢结构屋顶而言。
钢结构在高温条件下存在强度降低和蠕变现象,未采取有效防火保护措施的钢结构耐火性能较差,一般难以达到较高的耐火极限。
由于钢结构失去承载力,导致建筑大面积垮塌,造成人员伤亡的火灾事故时有发生。
一级耐火等级的单、多层厂房(仓库),一般为火灾危险性相对较高的甲、乙类场所居多,当采用自动喷水灭火系统全保护时,仅降低了屋顶承重构件的耐火极限要求,而对于梁、柱等其他构件,可采用无机耐火材料(砖石、砂浆、防火板等)包覆和防火涂料喷涂等防火保护措施,使其耐火性能满足表2-3-7对相应耐火等级建筑的要求。
(4)除甲、乙类仓库和高层仓库外,一、二级耐火等级建筑的非承重外墙,当采用不燃性墙体时,其耐火极限不应低于0.25h;当采用难燃性墙体时,不应低于0.50h。
4层及4层以下的一、二级耐火等级丁、戊类地上厂房(仓库)的非承重外墙,当采用不燃性墙体时,其耐火极限不限。
这里规定了非承重外墙采用不同燃烧性能材料(主要指轻质复合板材)时,对于耐火极限的不同要求。
采用轻质复合板材作非承重墙体,具有投资较省、施工期限短的优点,工程应用较多。
但该类板材难以达到表2-3-7中相应构件的要求,如金属板的耐火极限约为15min;夹芯材料为非泡沫塑料的难燃性墙体,耐火极限约为30min,考虑到该类板材的耐火性能相对较高且多用于工业建筑中主要起保温隔热和防风、防雨作用,对非承重外墙采用该类板材的使用范围及燃烧性能分别作了规定。
3 厂房(仓库)3.1 火灾危险性分类3.1.1 生产的火灾危险性应根据生产中使用或产生的物质性质及其数量等因素,分为甲、乙、丙、丁、戊类,并应符合表3.1.1的规定。
表3.1.1 生产的火灾危险性分类3.1.2 同一座厂房或厂房的任一防火分区内有不同火灾危险性生产时,该厂房或防火分区内的生产火灾危险性分类应按火灾危险性较大的部分确定。
当符合下述条件之一时,可按火灾危险性较小的部分确定:1 火灾危险性较大的生产部分占本层或本防火分区面积的比例小于5%或丁、戊类厂房内的油漆工段小于10%,且发生火灾事故时不足以蔓延到其它部位或火灾危险性较大的生产部分采取了有效的防火措施;2丁、戊类厂房内的油漆工段,当采用封闭喷漆工艺,封闭喷漆空间内保持负压、油漆工段设置可燃气体自动报警系统或自动抑爆系统,且油漆工段占其所在防火分区面积的比例小于等于20%。
3.1.3 储存物品的火灾危险性应根据储存物品的性质和储存物品中的可燃物数量等因素,分为甲、乙、丙、丁、戊类,并应符合表3.1.3的规定。
表3.1.3 储存物品的火灾危险性分类3.1.4 同一座仓库或仓库的任一防火分区内储存不同火灾危险性物品时,该仓库或防火分区的火灾危险性应按其中火灾危险性最大的类别确定。
3.1.5 丁、戊类储存物品的可燃包装重量大于物品本身重量1/4的仓库,其火灾危险性应按丙类确定。
3.2 厂房(仓库)的耐火等级与构件的耐火极限3.2.1 厂房(仓库)的耐火等级可分为一、二、三、四级。
其构件的燃烧性能和耐火极限除本规范另有规定者外,不应低于表3.2.1的规定。
注:二级耐火等级建筑的吊顶采用不燃烧体时,其耐火极限不限。
3.2.2下列建筑中的防火墙,其耐火极限应按本规范表3.2.1的规定提高1.00h:1 甲、乙类厂房;2 甲、乙、丙类仓库。
3.2.3一、二级耐火等级的单层厂房(仓库)的柱,其耐火极限可按本规范表3.2.1的规定降低0.50h。
3.2.4下列二级耐火等级建筑的梁、柱可采用无防火保护的金属结构,其中能受到甲、乙、丙类液体或可燃气体火焰影响的部位,应采取外包敷不燃材料或其它防火隔热保护措施:1 设置自动灭火系统的单层丙类厂房;2 丁、戊类厂房(仓库)。
3 厂房(仓库)3.1 火灾危(wei )险性分类3.1.1 生产的火灾危(wei )险性应根据生产中使用或者产生的物质性质及其数量等因素, 分为甲、 乙、丙、丁、 戊类,并应符合表 3.1.1 的规定。
表 3.1.1 生产的火灾危(wei )险性分类3.1.2 同一座厂房或者厂房的任一防火分区内有不同火灾危(wei )险性生产时, 该厂房或者防火分区内的生产火 灾危(wei )险性分类应按火灾危(wei )险性较大的部份确定。
当符合下述条件之一时, 可按火灾危(wei )险性较小的部份 确定:1 火灾危(wei )险性较大的生产部份占本层或者本防火分区面积的比例小于5%或者丁、戊类厂房内的油漆工段小于 10%,且发生火灾事故时不足以蔓延到其它部位或者火灾危(wei )险性较大的生产部份采取了有效的 防火措施;2 丁、戊类厂房内的油漆工段,当采用封闭喷漆工艺,封闭喷漆空间内保持负压、油漆工段设 置可燃气体自动报警系统或者自动抑爆系统,且油漆工段占其所在防火分区面积的比例小于等于20%。
3.1.3 储存物品的火灾危(wei )险性应根据储存物品的性质和储存物品中的可燃物数量等因素,分为甲、 乙、 火灾危(wei )险性特征项别 使用或者产生下列物质的生产 1 闪点小于 28℃的液体 2 爆炸下限小于 10%的气体3 常温下能自行分解或者在空气中氧化能导致迅速自燃或者爆炸的物质4 常温下受到水或者空气中水蒸汽的作用,能产生可燃气体并引起燃烧或者爆炸的物质5 遇酸、受热、撞击、磨擦、催化以及遇有机物或者硫磺等易燃的无机物,极易引起燃烧或者 爆炸的强氧化剂 6 受撞击、磨擦或者与氧化剂、有机物接触时能引起燃烧或者爆炸的物质 7 在密闭设备内操作温度大于等于物质本身自燃点的生产 1 闪点大于等于 28℃,但小于 60℃的液体 2 爆炸下限大于等于 10%的气体 3 不属于甲类的氧化剂4 不属于甲类的化学易燃危(wei )险固体5 助燃气体6 能与空气形成爆炸性混合物的浮游状态的粉尘、纤维、闪点大于等于60℃的液体雾滴 1 闪点大于等于 60℃的液体 2 可燃固体1 对不燃烧物质进行加工,并在高温或者熔化状态下时常产生强辐射热、火花或者火焰的生产2 利用气体、液体、固体作为燃料或者将气体、液体进行燃烧作其它用的各种生产3 常温下使用或者加工难燃烧物质的生产 常温下使用或者加工不燃烧物质甲乙丙丁戊生产 类别丙、丁、戊类,并应符合表 3.1.3 的规定。
钢结构防火设计规范结合我国建筑行业实际情况,现阶段,我国对钢结构防火设计规范有什么规定?基本情况怎么样?以下是我们整理建筑术语钢结构防火规范基本介绍:我们通过相关资料查阅,总结我国钢结构防火设计规范内容,总结几点要点情况,基本内容如下:第一:规范的效力从2015年5月1日起,《建筑设计防火规范》GB50016-2014正式施行,原《建筑设计防火规范》GB50016-2006和《高层民用建筑设计防火规范》同时废止。
自此,通过一本规范统一了对建筑防火的要求。
第二:耐火极限的定义在标准耐火试验条件下,建筑构件、配件或结构从受到火的作用时起,到失去稳定性、完整性或隔热性时止的这段时间,用小时表示。
钢梁、钢柱在无保护层的情况下,耐火极限为0.25H,即15分钟。
第三:厂房(仓库)的火灾危险性与耐火等级厂房(仓库)根据生产过程或储存物品的火灾危险性由高到低分为甲、乙、丙、丁、戊类。
厂房(仓库)的耐火等级由高到低分为一、二、三、四级。
第四:厂房(仓库)的相关规定A、通用规定厂房(仓库)耐火等级为二级时,柱、梁的耐火极限应分别不低于2.5H和1.5H,檩条(属屋顶承重构件)的耐火极限要求为1.0H。
一、二级耐火等级的单层厂房(仓库)的柱,其耐火极限可降低0.50H (多层柱仍为2.5H)。
即:耐火等级为二级的单层钢结构厂房(仓库)的柱、梁(门式刚架结构的梁可归为屋顶承重构件)、檩条的耐火极限要求分别为:柱2H、梁1H、檩条1H。
当厂房采用混凝土主体结构加钢结构屋盖时,钢结构屋盖的梁、支撑、檩条等均可以视为屋顶承重构件。
B、新规范对钢结构建筑的重要规定新规范取消了原规范中丁、戊类厂房可以不采取防火保护措施的规定。
这意味着所有的钢结构建筑,都必须涂刷防火涂料或采取其他防火保护措施。
金属夹芯板应全部采用岩棉等不燃芯材。
单层卷材柔性防水屋面,其保温层仅能采用不燃材料如岩棉。
更对关于钢结构防火规范、钢结构防火设计规范相关资料,敬请关注行业解读栏目或登入建筑图库栏目查询建筑钢结构图集攻略。
3.2 厂房(仓库)的耐火等级与构件的耐火极限
3.2.1 厂房(仓库)的耐火等级可分为一、二、三、四级。
其构件的燃烧性能和耐火极限除本规范另有规定者外,不应低于表3.2.1的规定。
注:二级耐火等级建筑的吊顶采用不燃烧体时,其耐火极限不限。
3.2.2 下列建筑中的防火墙,其耐火极限应按本规范表3.2.1的规定提高1.00h:
1 甲、乙类厂房;
2 甲、乙、丙类仓库。
3.2.3 一、二级耐火等级的单层厂房(仓库)的柱,其耐火极限可按本规范表3.2.1的规定降低0.50h。
3.2.4 下列二级耐火等级建筑的梁、柱可采用无防火保护的金属结构,其中能受到甲、乙、丙类液体或可燃气体火焰影响的部位,应采取外包敷不燃材料或其它防火隔热保护措施:
1 设置自动灭火系统的单层丙类厂房;
2 丁、戊类厂房(仓库)。
3.2.5 一、二级耐火等级建筑的非承重外墙应符合下列规定:
1 除甲、乙类仓库和高层仓库外,当非承重外墙采用不燃烧体时,其耐火极限不应低于0.25h;当采用难燃烧体时,不应低于0.50h:
2 4层及4层以下的丁、戊类地上厂房(仓库),当非承重外墙采用不燃烧体时,其耐火极限不限;当非承重外墙采用难燃烧体的轻质复合墙体时,其表面材料应为不燃材料、内填充材料的燃烧性能不应低于B2级。
B1、B2级材料应符合现行国家标准《建筑材料燃烧性能分级方法》GB8624的有关要求。
3.2.6 二级耐火等级厂房(仓库)中的房间隔墙,当采用难燃烧体时,其耐火极限应提高0.25h。
3.2.7 二级耐火等级的多层厂房或多层仓库中的楼板,当采用预应力和预制钢筋混凝土楼板时,其耐火极限不应低于0.75h。
3.2.8 一、二级耐火等级厂房(仓库)的上人平屋顶,其屋面板的耐火极限分别不应低于1.50h和1.00h。
一级耐火等级的单层、多层厂房(仓库)中采用自动喷水灭火系统进行全保护时,其屋顶承重构件的耐火极限不应低于1.00h。
二级耐火等级厂房的屋顶承重构件可采用无保护层的金属构件,其中能受到甲、乙、丙类液体火焰影响的部位应采取防火隔热保护措施。
3.2.9 一、二级耐火等级厂房(仓库)的屋面板应采用不燃烧材料,但其屋面防水层和绝热层可采用可燃材料;当丁、戊类厂房(仓库)不超过4层时,其屋面可采用难燃烧体的轻质复合屋面板,但该板材的表面材料应为不燃烧材料,内填充材料的燃烧性能不应低于B2级。
3.2.10 除本规范另有规定者外,以木柱承重且以不燃烧材料作为墙体的厂房(仓库),其耐火等级应按四级确定。
3.2.11 预制钢筋混凝土构件的节点外露部位,应采取防火保护措施,且该节点的耐火极限不应低于相应构件的规定。