焊接质量检查验收表(范本)知识讲解
- 格式:doc
- 大小:361.00 KB
- 文档页数:34
焊接工程外观质量观感检查表(实用版)目录1.焊接工程外观质量观感检查表的概述2.检查表的内容和要求3.焊接工程外观质量观感检查表的填写方法4.注意事项和常见问题正文一、焊接工程外观质量观感检查表的概述焊接工程外观质量观感检查表是用于评估焊接工程外观质量的一种检查工具,通过对焊接接头的观感质量进行检查,以确保焊接质量达到标准要求。
外观质量观感检查表通常包括焊接接头的形状、表面粗糙度、焊缝成形、焊缝宽度、焊缝高度、焊缝凹陷、焊缝错边、焊缝磨痕等方面的检查。
二、检查表的内容和要求焊接工程外观质量观感检查表通常包括以下内容和要求:1.焊接接头形状:检查焊接接头是否呈圆滑、对称的形状,无明显凹凸、翘曲、变形等缺陷。
2.表面粗糙度:检查焊接表面是否平整、光滑,无明显砂粒、气孔、焊瘤等缺陷。
3.焊缝成形:检查焊缝是否整齐、均匀,无明显宽窄不一、高低不平的现象。
4.焊缝宽度:检查焊缝宽度是否符合设计要求,无明显宽窄不一的现象。
5.焊缝高度:检查焊缝高度是否符合设计要求,无明显高低不一的现象。
6.焊缝凹陷:检查焊缝凹陷是否符合设计要求,无明显凹陷、塌陷的现象。
7.焊缝错边:检查焊缝错边是否符合设计要求,无明显错边、歪斜的现象。
8.焊缝磨痕:检查焊缝磨痕是否平整、光滑,无明显砂粒、气孔等缺陷。
三、焊接工程外观质量观感检查表的填写方法在填写焊接工程外观质量观感检查表时,应按照以下步骤进行:1.首先,根据焊接工程的具体情况,确定检查表的填写内容和要求。
2.其次,按照检查表的要求,对焊接接头的外观质量进行观感检查,记录检查结果。
3.最后,根据检查结果,填写检查表,并签署检查结论。
四、注意事项和常见问题在填写焊接工程外观质量观感检查表时,应注意以下事项:1.检查表的填写应由具备相关资质的人员进行。
2.检查表的填写应按照实际情况进行,不得随意捏造数据。
3.检查表的填写应完整、清晰,便于查阅和理解。
4.对于检查中发现的问题,应及时进行整改,并重新进行检查。
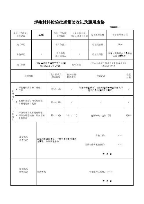
钢筋闪光对焊接头检验批质量验收记录(样表)
注:1 一般项目各小项检查评定不合格时,在小格内打×记号;
2 本表由施工单位项目专业质量检查员填写,监理工程师(建设单位项目专业技术负责人)组织
注:1 一般项目各小项检查评定不合格时,在小格内打×记号;
2 本表由施工单位项目专业质量检查员填写,监理工程师(建设单位项目专业技术负责人)组织
注:1 一般项目各小项检查评定不合格时,在小格内打×记号;
2 本表由施工单位项目专业质量检查员填写,监理工程师(建设单位项目专业技术负责人)组织
钢筋电渣压力焊接头检验批质量验收记录
注:1 一般项目各小项检查评定不合格时,在小格内打×记号;
2 本表由施工单位项目专业质量检查员填写,监理工程师(建设单位项目专业技术负责人)组织
钢筋气压焊接头检验批质量验收记录
注:1 一般项目各小项检查评定不合格时,在小格内打×记号;
2 本表由施工单位项目专业质量检查员填写,监理工程师(建设单位项目专业技术负责人)组织
预埋件钢筋T形接头检验批质量验收记录
注:1 一般项目各小项检查评定不合格时,在小格内打×记号;
2 本表由施工单位项目专业质量检查员填写,监理工程师(建设单位项目专业技术负责人)组织
项目专业质量检查员等进行验收。
.。
各种焊缝加工质量验收记录焊缝加工质量验收是对焊缝加工过程中的各项指标进行检查和评价,以确保焊接工件具有良好的质量,能够满足使用的要求。
下面是一个焊缝加工质量验收记录的示例,共计1200字以上。
一、焊工质量评估1.焊工证书:检查焊工是否持有相关合格证书,并确认证书的有效性。
2.焊工技术水平评估:评估焊工的技术水平,包括焊缝的外观质量、焊缝的硬度、焊缝的尺寸等指标。
二、焊接设备质量评估1.设备检查:检查焊接设备是否正常工作,包括焊机、电源、焊钳等部件,确保其能够满足工艺要求。
2.设备校准:对焊接设备进行校准,确保焊接设备的稳定性和准确性。
三、焊缝外观质量评估1.焊缝形状:检查焊缝的形状是否符合图纸要求,包括焊缝的宽度、高度、角度等指标。
2.焊缝表面质量:检查焊缝表面是否光滑、平整,无气孔、夹渣、裂纹等缺陷。
3.焊缝边缘质量:检查焊缝边缘是否完整、锐利,无起皮、翘曲等现象。
四、焊缝力学性能评估1.焊缝强度:通过拉伸试验、剪切试验等方法,评估焊缝的强度是否满足要求。
2.焊缝韧性:通过冲击试验、弯曲试验等方法,评估焊缝的韧性和抗变形能力。
3.焊缝硬度:通过硬度测试,评估焊缝的硬度是否在允许范围内。
五、焊缝尺寸评估1.焊缝尺寸:比对焊缝的实际尺寸与图纸要求的尺寸,评估焊缝的尺寸是否符合要求。
2.焊缝交互检验:通过焊缝的交互检验,评估焊缝的尺寸是否符合交互规定要求。
综上所述,焊缝加工质量验收记录对焊缝加工过程中的各项指标进行监督和评估,确保焊接工件具有良好的质量。
各类评估包括焊工质量评估、焊接设备质量评估、焊缝外观质量评估、焊缝力学性能评估和焊缝尺寸评估等方面。
通过这些评估,可以确保焊缝的质量达到或超过设计要求,从而保证焊接工件的性能和可靠性。
焊接工程质量验收记录表项目基本情况
项目名称:
项目地点:
建设单位:
监理单位:
施工单位:
施工工艺
焊接方法
- 焊接材料:(填写使用的焊接材料)
- 焊接设备:(填写使用的焊接设备)
- 焊工资质:(填写焊工的资质要求和证书信息)焊接参数
- 焊接电流(A):
- 焊接电压(V):
- 焊接速度(cm/min):
- 材料厚度(mm):
- 焊缝尺寸(mm):
- 焊接材料种类和规格:
施工质量评定
焊接前准备
- 材料情况:(填写焊接前材料情况,如材料表面状态、含水率等)
- 焊接准备:(填写焊接前的准备工作,如清洁、预热等)
焊接质量评估
- 焊缝外观:(填写焊缝外观是否符合要求,如焊缝形状、焊缝熔透度等)
- 焊接质量:(填写焊接质量是否符合要求,如焊缝强度、焊接接头的完整性等)
- 缺陷评估:(填写是否存在焊接缺陷,如气孔、裂纹、夹渣等)
焊接质量判定
- 合格判定:(填写焊接质量是否合格)
- 不合格判定:(填写焊接质量不合格的原因和处理措施)
参与人员
焊接质量验收人员:
监理单位确认人员:
施工单位确认人员:
结论
经过对焊接工程质量的评估和验收,根据相关标准和要求,确认焊接工程质量(合格/不合格)。
日期:
盖章(建设单位):盖章(监理单位):盖章(施工单位):。
焊接工艺验收表完整版1. 引言本文档为焊接工艺验收表的完整版,旨在对焊接工艺进行全方位的评估与验收,确保焊接过程的质量和安全性。
2. 验收内容本次焊接工艺验收主要包括以下内容:- 焊接材料的选择和使用- 焊接设备的合理配置和正常运行- 焊接工艺参数的设定与控制- 焊接过程的质量监控- 焊缝的检测与评估3. 验收步骤3.1 焊接材料的选择和使用验收1. 检查焊接材料的质量证书,确保符合相关标准要求。
2. 检查焊材的保存情况,防止潮湿、腐蚀、污染等问题。
3. 确保焊材的合理搭配和正确使用,防止材料的不匹配导致焊缝质量不良。
3.2 焊接设备的合理配置和正常运行验收1. 检查焊接设备的合理配置是否满足焊接要求。
2. 检查焊接设备的运行情况,确保设备能够正常工作。
3. 确保焊接设备的维修记录完整,设备维护保养得当。
3.3 焊接工艺参数的设定与控制验收1. 检查焊接工艺参数的设定是否符合焊接要求。
2. 确认焊接工艺参数的控制是否稳定,是否能够保证焊接质量。
3. 检查焊接工艺参数的记录和调整情况,确保工艺参数的稳定性。
3.4 焊接过程的质量监控验收1. 检查焊接过程中的焊接质量监控措施是否到位。
2. 检查焊接过程中的监控记录,确保焊接过程的质量监控有效执行。
3. 确认焊接过程中的质量问题是否得到及时处理和解决。
3.5 焊缝的检测与评估验收1. 进行焊缝的外观检测,确认焊缝的形状、尺寸和表面质量是否符合要求。
2. 进行焊缝的无损检测,检查焊缝内部的缺陷情况。
3. 进行焊缝的力学性能测试,确定焊缝的强度和韧性等性能指标。
4. 验收结果和结论经过全面的焊接工艺验收,根据每一项验收内容的评估结果,得出以下结论:- 对焊接材料的选择和使用验收:合格/不合格- 对焊接设备的合理配置和正常运行验收:合格/不合格- 对焊接工艺参数的设定与控制验收:合格/不合格- 对焊接过程的质量监控验收:合格/不合格- 对焊缝的检测与评估验收:合格/不合格5. 验收建议和改进措施根据上述验收结果,对不合格项提出建议和改进措施,以进一步提高焊接工艺的质量和安全性。
焊接设备验收表
设备信息
设备名称:[设备名称]
设备型号:[设备型号]
设备编号:[设备编号]
制造商:[制造商名称]
制造日期:[制造日期]
验收标准
根据焊接设备的性能要求和相关标准,对以下方面进行验收:
1. 外观检查
- 设备表面应无明显破损、裂纹或其它损伤。
- 熔接枪、手柄、电缆应完好,连接部位应无松动。
2. 电气性能检查
- 设备的电源线应符合安全要求,接头应牢固。
- 各电控元件、按钮、指示灯等应正常工作。
- 设备应具备过载保护、短路保护等安全功能。
3. 焊接性能检查
- 设备输出电流与设定值是否一致。
- 弧焊设备是否正常点火、稳定工作。
- 设备是否能满足所需焊接工艺参数。
4. 安全性能检查
- 设备是否安装有必要的安全保护装置,如温度保护、漏电保
护等。
- 设备操作面板是否明确标示警告信息和安全注意事项。
验收结论
根据对焊接设备的全面检查和测试,以及符合验收标准的要求,得出以下结论:
- 如果设备在各方面检查中都符合要求,验收结论为合格。
- 如果设备在某些方面检查中未能符合要求,验收结论为不合格,并需提出具体的整改措施和要求。
验收人:[验收人姓名]
验收日期:[验收日期]。
焊接质量检查表序号检查点检查项目检查标准存在问题备注1专业管理及材料管理1、质量管理体系检查工程管理及施工单位建立焊接质量管理体系,并运转正常。
2、人员资质检查焊接技术员、质量检查员、焊工具备相应资质,焊工证合格项目有效齐全。
3、焊接工艺评定符合管理规范,审批手续齐全,项目覆盖现场作业。
并依据合格评定文件编写焊接工艺卡,发放到作业层。
4、焊接施工方案检查编制符合实际,具有指导性,审批手续齐全。
及时向焊接操作人员进行交底,制定的措施具体、得力。
5、焊接材料管理进厂检验合格,入库保管规范,分类码收,标识清楚。
焊材库有专人管理,烘烤、发放、回收管理记录准确/受控。
2 焊前检查1、焊接环境检查焊接环境温度应能保证焊件焊接所需的猪狗温度和焊工技能不受影响。
焊条电弧焊风速≧8m/s,气体保护焊风速≧2m/s,相对湿度≧90%(铝及铝合金焊接≧80%),雨雪气象条件,不保护措施,不得进行焊工作业。
冬期、雨期施工应有专用技术措施。
2、焊缝坡口检查坡口形式、尺寸、符合设计文件和焊接作业指导规范,焊接切割和坡口加工符合方案要求,热切割表面采用机械方法去除渗碳层,组对前应将内外表面10-20mm范围内的油、漆、垢、锈、毛刺及镀层等清楚干净,不得有裂纹、夹层等缺陷。
3、焊缝组队检查除有要求外,焊件不得强行组对。
不等厚焊接组对,厚端应按规定加工减薄,坡度、对口误差猫族错变量要求,搭接组对时,搭接宽度应符合设计要求。
3 焊接施工1、焊接工艺措施检查1、严格按照焊接工艺卡和技术交底施焊。
焊材选用、烘干、现场携带符合规定,严格控制工卡具的焊接、拆除、打磨和检验,定位焊缝符合规定,禁止在坡口之外的母材表面引弧和试验电流,焊接热输入、焊接程序、防变形措施符合要求,不锈钢焊接应有防飞溅保护措施。
2、特殊工艺检查2、不锈钢管内充氩保护措施,铝及铝合金、镍及镍合金、工业纯钛焊接工艺措施应符合设计、规范及作业指导书的规定。
3、预热、后热、焊后热处理3、焊前预热、后热和焊后热处理符合设计和焊接作业指导书的规定,加热方式、加热宽度、保温方法和升降温速度、恒温时间符合规定(检查热处理记录曲线记录图),热处理后的焊缝进行硬度试验(检查硬度试验报告)。
焊接检验质量验收记录表一、引言焊接检验是确保焊接结构安全性和质量的关键过程。
通过对焊接接头的物理、化学和机械性能进行全面评估,可以有效地保证焊接工程的质量。
本文将详细介绍焊接检验质量验收记录表及其重要性。
二、焊接检验质量验收记录表概述焊接检验质量验收记录表是一份详细记录焊接接头质量信息的文件。
该记录表包含了焊接接头的各项质量指标,如焊缝外观、尺寸、硬度、金相组织、无损检测等。
通过对这些数据的分析,可以判断焊接接头是否符合设计要求,从而确保焊接工程的质量。
三、焊接检验质量验收记录表的内容1、焊缝外观检查:记录焊缝的表面质量,如咬边、焊瘤、飞溅等缺陷。
2、焊缝尺寸测量:测量焊缝的宽度、高度、间隙等尺寸,判断是否符合设计要求。
3、硬度检测:通过硬度计测量焊缝和母材的硬度,判断是否符合技术标准。
4、金相组织分析:通过金相显微镜观察焊缝的金相组织,判断其结晶质量和显微组织。
5、无损检测:采用超声波、射线等方法对焊缝进行无损检测,判断内部是否存在缺陷。
四、焊接检验质量验收记录表的重要性1、保证焊接工程质量:通过焊接检验质量验收记录表,可以全面了解焊接接头的各项质量指标,从而保证焊接工程的质量。
2、指导焊接施工:通过对焊接检验结果的分析,可以指导施工单位调整焊接工艺,提高焊接质量。
3、确保安全:焊接检验质量验收记录表是工程验收的重要依据,也是保证焊接结构安全的重要手段。
4、为未来工作提供参考:焊接检验质量验收记录表可以为以后的焊接工程提供参考,避免出现类似的问题。
五、结论焊接检验质量验收记录表是保证焊接工程质量的重要工具。
通过详细记录和评估焊接接头的各项质量指标,可以有效地保证焊接结构的安全性和稳定性。
通过对焊接检验结果的分析,可以指导施工单位调整焊接工艺,提高焊接质量。
因此,我们应该充分重视焊接检验质量验收记录表的重要性,并将其作为焊接工程质量控制的重要组成部分。
检验批质量验收记录表一、引言在建筑工程中,质量验收是决定工程最终质量的关键环节。
焊接工艺规范质量验收记录表1. 项目信息- 项目名称:- 项目编号:- 项目负责人:- 施工单位:2. 验收日期:年月日3. 验收目的本次验收旨在核实焊接工艺是否符合规范要求,确保焊接质量达到预期目标。
4. 验收内容- 焊接工艺规范的使用情况- 检查焊接材料合格证明及购进检验证书- 检查焊接设备及相关检测记录- 检查焊工证书是否合格- 检查焊接接头的准备情况- 检查焊接接头的预热处理情况- 检查焊接接头的焊接方法与参数- 检查焊接接头的焊后热处理情况- 检查焊缝外观及质量5. 验收结果根据本次验收所进行的检查,总体评价如下:- 焊接工艺规范使用情况:(合格/不合格)- 焊接材料合格情况:(合格/不合格)- 焊接设备及相关检测记录:(合格/不合格)- 焊工资质:(合格/不合格)- 焊接接头准备:(合格/不合格)- 焊接接头预热处理:(合格/不合格)- 焊接接头焊接方法与参数:(合格/不合格)- 焊接接头焊后热处理:(合格/不合格)- 焊缝外观及质量:(合格/不合格)6. 验收结论根据本次验收结果,是否通过该焊接工艺规范质量验收:- 通过(验收结果可填写具体的通过理由)- 未通过(验收结果可填写具体的不通过理由)7. 反馈意见对于本次验收中发现的不合格项,请施工单位进行整改,并在整改后进行重新验收。
8. 验收人员- 验收人员:- 验收日期:年月日9. 备注可以在此记录其他相关信息,如异常情况、特殊要求等。
以上为《焊接工艺规范质量验收记录表》内容。
请施工单位按照规范要求填写表格并妥善保存,以供核查和归档。
电焊机验收表简介本文档为电焊机的验收表,包括了验收前的准备、验收过程中需要注意的事项以及验收后的处理等内容。
本表适用于各种类型的电焊机,旨在帮助用户合理使用电焊机,确保电焊机的正常运行,避免安全事故的发生。
验收前准备在进行电焊机验收前,需要做一些准备工作,包括:1.准备电焊机,检查电焊机的型号、规格等信息,确保电焊机符合工程要求;2.准备验收人员,确保验收人员具备相关岗位资质,熟悉电焊机的操作规程;3.准备安全设备,如手套、护目镜、防护服等,以确保操作人员的安全;4.准备焊接试样,用于验证电焊机的焊接性能。
验收过程在进行电焊机验收时,需要注意以下事项:1.检查电源线是否有损伤,是否与电焊机连接紧密;2.检查电磁开关是否正常、接线是否正确、螺丝是否紧固;3.检查输出线是否接触良好,焊枪是否有电流;4.检查接地线是否牢固,接地电阻是否符合要求;5.检查电焊机的保险管是否烧断,金属丝是否熔断;6.检查电焊机的散热器是否正常运行。
在以上检查确认无误后,进行以下测试:1.调节电流开关和电压控制,检查电焊机的输出电流和电压是否稳定;2.切断电源,检查电源和电焊机是否有电压残留;3.进行焊接试样的测试,检查焊接质量是否符合要求。
验收后处理在电焊机验收完毕后,需要将电焊机归类并做好相关记录,包括:1.将验收合格的电焊机,存放在规定的地方,其他检测人员可直接使用;2.将验收合格的检测记录进行归档,留存备案;3.对于验收不合格的电焊机,根据不同的情况,进行维修或退货处理。
结论通过本次电焊机验收,我们可以充分保证电焊机的稳定性和可靠性,为正常的生产和施工提供有力的支持和保障。
同时,我们也深刻认识到,在使用电焊机时,必须遵循规定的操作规程和安全制度,切勿盲目操作,以免造成安全事故。
)范本(焊接质量检查验收表.焊缝表面质量(观感)检查记录表编号:0203-TFEN-HJ-01-02-02-001自检确认意见:上述焊缝表面观感检查已完施工作业单位复查意见:经复查上述焊缝表面质量符合焊接质量验收及评价规程中表6.3.8-4检成,焊缝表面无气孔、夹渣、裂纹、未熔合,要求查表面质量符合要求。
结论日月年二级质检员:日月年班(组长)长:焊接工程外观质量测量检查记录表编号:0203-TFEN-HJ-01-02-02-002抽样汇总检验点数优良数合格数16 1616施工作业单位检查意见:经外观质量测量检查,质量部门复查意见:经外观质量测量检查,上述16只焊口符合焊接质量验收及评价规程中只焊口符合焊接质量验收及评价规程中表合格上述16标准,评定为检合格焊口表合格标准,评定为合格焊口验结论焊接工程质量分批验收记录表编号:0203-HJ-01-02-02-01-001焊接分项工程综合质量验收评定表编号:0203-HJ-01-02-02-001表B.7 焊工自检记录表注:“接头已清理”和“焊缝尺寸符合要求”时,以“√”表示,“未清理”和“焊缝尺寸不符合要求”以“×”表示。
班组长:焊工:表B.8 分项工程焊接接头表面质量检验评定表mm注:验评结果符合合格级标准,在相应检验指标下记“√”;优良者记“Δ”。
合格级与优良级标准相同亦记“Δ”。
公司(处)质检代表:工地(处)技术负责人:工地(队)质检员:班(组)长:验评日期:表B.9 分项工程焊接综合质量等级评定表建设单位代表:工地(队)技术负责人:公司(处)之间代表:验评日期:工地(队)质检员:表6.3.8-1 焊接工程分类和质量检查、检验项目及数量表6.3.8-2 A类工程焊接质量检验评定标准mm表6.3.8-3 B类工程焊接质量检验评定标准mm表6.3.8-3(续)C类工程焊接质量检验评定标准见表6.3.8-4。
表6.3.8-4 C类工程焊接质量检验评定标准mm(续)6.3.8-4表.a 手工电弧焊或埋弧焊。
焊接质量检查验收表
(范本)
焊缝表面质量(观感)检查记录表
编号:0203-TFEN-HJ-01-02-02-001
焊接工程外观质量测量检查记录表
编号:0203-TFEN-HJ-01-02-02-002
焊接工程质量分批验收记录表
编号:0203-HJ-01-02-02-01-001
焊接分项工程综合质量验收评定表
编号:0203-HJ-01-02-02-001
表B.7 焊工自检记录表
注:“接头已清理”和“焊缝尺寸符合要求”时,以“√”表示,“未清理”和“焊缝尺寸不符合要求”以“×”表示。
班组长:焊工:
表B.8 分项工程焊接接头表面质量检验评定表 mm
注:验评结果符合合格级标准,在相应检验指标下记“√”;优良者记“Δ”。
合格级与优良级标准相同亦记“Δ”。
公司(处)质检代表:
工地(处)技术负责人:
工地(队)质检员:
班(组)长:
验评日期:
表B.9 分项工程焊接综合质量等级评定表
建设单位代表:工地(队)技术负责人:
公司(处)之间代表:验评日期:
工地(队)质检员:
表6.3.8-1 焊接工程分类和质量检查、检验项目及数量
表6.3.8-2 A类工程焊接质量检验评定标准 mm
表6.3.8-3 B类工程焊接质量检验评定标准 mm
表6.3.8-3(续)
C类工程焊接质量检验评定标准见表6.3.8-4。
表6.3.8-4 C类工程焊接质量检验评定标准 mm
表6.3.8-4(续)。
焊接质量检查验收表
(范本)
焊缝表面质量(观感)检查记录表
编号:0203-TFEN-HJ-01-02-02-001
焊接工程外观质量测量检查记录表
编号:0203-TFEN-HJ-01-02-02-002
焊接工程质量分批验收记录表
编号:0203-HJ-01-02-02-01-001
焊接分项工程综合质量验收评定表
0203-HJ-01-02-02-001
编号:
表B.7 焊工自检记录表
注:“接头已清理”和“焊缝尺寸符合要求”时,以“√”表示,“未清理”和“焊缝尺寸不符合要求”以“×”表示。
班组长:焊工:表B.8 分项工程焊接接头表面质量检验评定表 mm
注:验评结果符合合格级标准,在相应检验指标下记“√”;优良者记“Δ”。
合格级与优良级标准相同亦记“Δ”。
公司(处)质检代表:
工地(处)技术负责人:
工地(队)质检员:
班(组)长:
验评日期:
表B.9 分项工程焊接综合质量等级评定表
建设单位代表:工地(队)技术负责人:公司(处)之间代表:验评日期:
工地(队)质检员:
表6.3.8-1 焊接工程分类和质量检查、检验项目及数量
表6.3.8-2 A类工程焊接质量检验评定标准 mm
表6.3.8-3 B类工程焊接质量检验评定标准 mm
表6.3.8-3(续)
C类工程焊接质量检验评定标准见表6.3.8-4。
表6.3.8-4 C类工程焊接质量检验评定标准 mm
表6.3.8-4(续)。