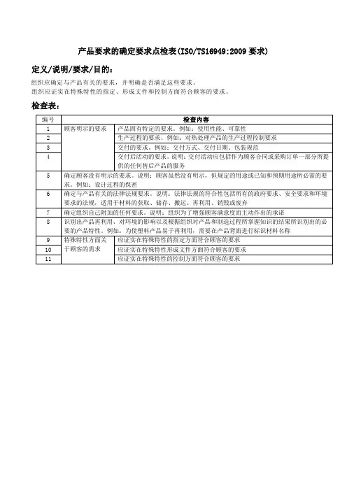
顾客导向过程识别要求点检表(TS16949要求)
- 格式:docx
- 大小:26.52 KB
- 文档页数:1
内部质量审核检查表顾客导向过程(COP)1):C-01:顾客需求识别
内部质量审核检查表顾客导向过程(COP)1):C-02:产品先期策划控制
内部质量审核检查表顾客导向过程(COP)1):C-03:产品生产管理
内部质量审核检查表顾客导向过程(COP)1):C-04:交付
内部质量审核检查表顾客导向过程(COP)1):C-05:服务/顾客反馈
内部质量审核检查表3C强制性认证的特别要求:例行检验和确认检验
内部质量审核检查表3C强制性认证的特别要求:认证产品一致性的管理
内部质量审核检查表3C强制性认证的特别要求:产品一致性的检验
内部质量审核检查表3C强制性认证的特别要求:现场指定试验。
============================================================================命运如同手中的掌纹,无论多曲折,终掌握在自己手中QMS过程绩效指标一览表一过程分类过程名称子过程名称绩效指标名称目标年度目标统计周期计算方法过程归口管理部门目标统计部门目标等级2006 2007 2008 顾客导向过程COP合同评审顾客要求识别过程顾客订单完成率100 100 100 100 月完成数量÷顾客订单数量×100% 销售部销售部○合同评审过程成品库存周转率≥0.7 ≥0.6 ≥0.65 ≥0.7 月出库金额÷(月初库存金额+月末库存金额)×2财务部产品准时交付率100 100 100 100 月准时交付量÷应交付数量×100%销售部●○产品质量先期策划项目开发管理产品和过程设计产品和过程确认产品和过程设计更改开发计划未准时完成数0 --0 年以当年内到期应完成的开发计划为准技术部技术部●PPAP 一次未通过项目数0 --0 次二三方评审PPAP 资料严重不符合或小批试制交货质量不合格被拒收为未通过技术部○产品制造生产计划过程生产计划按时完成率≥95≥90≥92≥95月完成数量÷计划数量×100%生产部生产部过程控制管理关键工序Cpk ≥1.33 ≥1.33 ≥1.33 ≥1.33 月按SPC 统计分析规定质控课○安全事故数≤0/1/20 0/3/30 0/2/25 0/1/20 年直接经济损失万元以上/千元以上/千元以下人力资源课○一次交检合格率≥90 ≥80 ≥85 ≥90 月合格数÷交检总数×100%质控课●内部质量损失率≤0.4 --≤0.4 月内部质量损失总额÷总产值×100%财务部●设备管理过程生产设备故障停机率≤2≤4≤3≤2月停机时间÷总运行时间×100%生产部设备课○关键设备总效率≥0.7 ≥0.6 ≥0.65 ≥0.7 月使用率÷性能效率×一次交检合格率工装管理过程工装故障停工时间≤35 ≤45 ≤40 ≤35 月故障停工时间不足半小时不计生产部车间○产品交付过程产品准时交付率100100100100月准时交付量÷应交付数量×100%销售部销售部●============================================================================命运如同手中的掌纹,无论多曲折,终掌握在自己手中交付额外运费(元)≤1000 ≤1500 ≤1200 ≤1000 月客户拒收、退货或其它非正常原因所产生的转运费用QMS过程绩效指标一览表二过程分类过程名称子过程名称绩效指标名称目标年度目标统计周期计算方法过程归口管理部门目标统计部门目标等级20062007 2008 顾客导向过程COP支付过程货款回收管理过程资金回笼率≥90 ≥85 ≥88 ≥90 月回笼资金数÷应收资金数×100%销售部财务部顾客反馈顾客反馈过程“三包”退货PPM≤200 ≤400 ≤300 ≤200月三包退货数÷交付数×1000000% 销售部销售部顾客反馈处理完成率100 100 100 100 月处理完成数÷反馈总数×100% 企管办○服务过程服务完成率100100100 100 月完成服务数÷要求服务数×100%销售部○顾客满意度评价顾客满意度≥90 ≥80 ≥85 ≥90 月按顾客满意度评价规定●支持过程SP 文件记录控制外来文件管理过程顾客技术规范未及时评审数--月未在3个工作日内组织有关人员评审为不及时技术部技术部○体系文件管理过程二三方审核不符合数≤3≤5≤4 ≤3 次以正式不符合报告为准企管办企管办○技术文件管理过程技术部记录管理企管办人力资源管理人力规划过程员工流动率≤5≤7≤6 ≤5 月离退人数÷在岗人数×100%企管办企管办○培训过程培训计划完成率≥95 ≥90 ≥92 ≥95 月完成项数÷计划总数×100%○年度人均培训次数≥20 ≥15 ≥18 ≥20 年培训人次÷员工总数○员工激励与授权过程合理化建议提案数≥10≥5≥8 ≥10 年全年合理化建议之和○员工满意度管理员工满意度≥80 ≥70 ≥75 ≥80 年按员工满意度评价规定○标识和可追溯性产品和状态标识控制二三方审核不符合数≤2≤4≤3≤2次以正式不符合报告为准生产部企管办可追溯性控制48============================================================================命运如同手中的掌纹,无论多曲折,终掌握在自己手中顾客财产顾客财产管理过程顾客财产完好率100 100 100 100 年完好数÷总数×100%销售部销售部产品防护产品防护过程产品防护不当损失率≤0.07--≤0.07 月产品防护损失金额÷总产值×100%财务部财务部帐、卡、物抽查一致率≥90 ≥80 ≥85 ≥90月符合数÷抽查总数×100%○49QMS 过程绩效指标一览表三过程分类过程名称子过程名称绩效指标名称目标年度目标统计周期计算方法过程归口管理部门目标统计部门目标等级200620072008支持过程SP产品防护产品防护过程库存周转率(含成品、在制品、原材料)≥0.5 ≥0.45 ≥0.48 ≥0.5 月出库金额÷(月初库存金额+月末库存金额)× 2 财务部财务部○采购过程供应商选择和评价管理过程供应商年度评价合格率≥90 ≥80 ≥85 ≥90 年合格数÷供应商总数×100%供应部供应部供应商业绩考评达标率≥90 ≥80 ≥85 ≥90 月达标数÷考评总数×100%○采购实施过程供应商准时交付率≥95 ≥90 ≥92 ≥95 月准时交付批÷应交付批×100% 物控课○采购零件批次交检合格率≥95 ≥90 ≥92 ≥95 月合格批次÷交付总批次×100%质控课●监控和测量装置控制过程MSA 过程MSA 计划完成率100 100 100 100 月完成数÷计划数×100% 技术部质控课监测装置管理过程监测装置校准完成率100 100 100 100 月完成数÷计划数×100% ○实验室管理过程理化试验及时完成率100 ≥90 ≥95 100 月及时完成数÷试验总数×100%在1个工作日内完成试验为及时设施与工作环境管理工作环境(5S)“5S ”检查达标率≥90 ≥80 ≥85 ≥90 月按5S 检查评分标准生产部生产部○基础设施策划管理设施设备策划完成率100 100 100 100 年完成数÷策划数×100% 应急计划应急计划无效数0 - - 0 月有效实物数÷实物总数×100%检验过程检验过程错漏检造成生产停工次数≤3≤5≤4≤3月发生停工不足一小时的不计技术部生产部○============================================================================命运如同手中的掌纹,无论多曲折,终掌握在自己手中外部质量损失率≤0.6 - - ≤0.6 月外部质量损失金额÷总产值×100% 财务部●“0公里”故障退货PPM ≤2000 ≤2500≤2200≤2000月退货数÷交付数×1000000% 质控课●不合格品控制不合格品控制不合格品处理完成率100 100 100 100 月处理完成数÷不合格品数×100%技术部质控课○数据分析数据分析数据分析延迟完成天数0 0月不超过次月上旬企管办企管办50QMS 过程绩效绩效指标一览表四过程分类过程名称子过程名称绩效指标名称目标年度目标统计周期计算方法过程归口管理部门目标统计部门目标等级2006 2007 2008 支持过程SP改进过程持续改进过程持续改进提案数≥10 ≥5 ≥8 ≥10 年以当年经过正式报批的为准企管办企管办○持续改进项目完成率100 100 100 100 年完成项数÷改进总项数×100%○纠正/预防措施纠正/预防措施完成率100 100 100 100 月完成项数÷提出总项数×100%●质量问题的重复发生数≤3 - - ≤3 月经审批的整改计划期内不计○不良质量成本控制不良质量成本控制质量损失率≤1.0--≤1.0月内外部质量损失金额÷总产值×100%财务部财务部●管理过程MP业务计划管理业务计划管理过程业务计划指标完成率≥95 ≥90 ≥92 ≥95 年按业务计划管理规定常务副总经理企管办○管理评审管理评审管理评审改进项目完成率100100100100年完成项数÷提出项数×100%企管办○内部审核体系审核过程不符合项关闭率100 100 100 100 年关闭数÷不符合总数×100%企管办企管办○过程审核过程产品审核过程说明:1、“●”表示公司级目标,“○”表示部门级目标,无标识表示监控目标;2、涉及以上指标有关计划工作因特殊情况不============================================================================能如期进行或完成的负责部门主管应提前向公司领导提交书面申请要求延期,经批准可不按未达标处置; 3、以上指标因客户原因或不可抗力因素造成的影响可不计,按达标处置。
TS16949查检表(全过程各部门完整版)
顾客导向过程COP ⽀持过程或⼦过程
组织的场所
期望或要求的关键参数、测量
适⽤条款
参考⽂件
⼯程部
对于易损零件有⽆依《易损件更换计划表》做适量
库存备⽤。
相关易損件更
換有⽆完整記錄?
7.5.1.4TS26-09⼯程部
对⼤件⼯、治具,有⽆每⽉定期⼀次的全⾯保养,并将
保养状况填写在《设备每⽇保养记录表》中的⽉保养栏中。
7.5.1.5TS26-09S15记录管制⼯程部
保持各记录表,保存场所标⽰的完整性。
4.2.4TS24-02
审核:受稽核单位主管:受稽核单位:稽核⼈员:
□如何进⾏?(⽅法、技术)
□保持了记录
改进的机会□使⽤什么?(材料、设备)□已经建⽴了联接分类□已经被⽂件化□通过什么关键标准?(测量、评估)NR
OFI
NC
需进⼀步调查不
合格
□被监控六个过程个性:四个⽀持过程问题(关于风险):
对审核观察到的、证据、潜在或实际的发现的描述
(审核记录)□具有执⾏者□已经定义□由谁进⾏?(技能、培训)。