路基清表--实用报验全套范例.docx
- 格式:docx
- 大小:190.85 KB
- 文档页数:10
路基清表检验批质量验收记录表
分部工程分项工程工程名称
名称名称施工单位专业工长项目经理检验批名称、部位
\分包项目经
分包单位\施工班组长
理
监理(建设)单位质量验收规范的规定施工单位检查评定记录
验收记录
主
1清表宽度符合设计及验收规范要求
控
项
2清表后用压路机碾实
目3清表后压实度符合规范要求
一
1宽度
般
项
2深度
目
施工单位
检查评定结果
项目专业质量检查员:
项目专业质量(技术)负责人:年月日
监理(建设)单位
验收结论
监理工程师:
(建设单位项目专业技术负责人):年月日
(此文档部分内容来源于网络,如有侵权请告知删除,文档可自行编辑修改内容,供参考,感
谢您的配合和支持)。
监表5 检验申请批复表承包单位: xx路桥建设有限责任公司合同号: XX 监理单位: xx工程建设监理有限公司编号:检验表1 土方路基现场质量检验报告单承包单位: xx路桥建设有限责任公司合同号:XX监理单位: xx工程建设监理有限公司编号:日期:年月日压实度试验记录(环刀法)xx 合同段第1页,共2页路04表合同段:xx合同段承包单位:xx路桥建设有限责任公司分部工程名称:路基原地面监理单位:xx工程建设监理有限公司检测人:记录:年月日合同段:xx合同段承包单位:xx路桥建设有限责任公司分部工程名称:路基原地面监理单位:xx工程建设监理有限公司检测人:记录:年月日合同段:xx合同段承包单位:xx路桥建设有限责任公司分部工程名称:路基原地面监理单位:xx工程建设监理有限公司检测人:记录:年月日承包单位:xx路桥建设有限责任公司合同号: XX监理单位:xx工程建设监理有限公司编号:质量负责人:检测人:年月日承包单位:xx路桥建设有限责任公司合同号: XX监理单位:xx工程建设监理有限公司编号:质量负责人:检测人:年月日承包单位:xx路桥建设有限责任公司合同号: XX监理单位:xx工程建设监理有限公司编号:质量负责人:检测人:年月日承包单位:xx路桥建设有限责任公司合同号: XX监理单位:xx工程建设监理有限公司编号:质量负责人:检测人:年月日承包单位:xx路桥建设有限责任公司合同号: XX监理单位:xx工程建设监理有限公司编号:质量负责人:检测人:年月日承包单位:xx路桥建设有限责任公司合同号: XX监理单位:xx工程建设监理有限公司编号:质量负责人:检测人:年月日承包单位:xx路桥建设有限责任公司合同号: XX监理单位:xx工程建设监理有限公司编号:质量负责人:检测人:年月日承包单位:xx路桥建设有限责任公司合同号: XX监理单位:xx工程建设监理有限公司编号:质量负责人:检测人:年月日承包单位:xx路桥建设有限责任公司合同号: XX监理单位:xx工程建设监理有限公司编号:质量负责人:检测人:年月日承包单位:xx路桥建设有限责任公司合同号: XX监理单位:xx工程建设监理有限公司编号:质量负责人:检测人:年月日承包单位:xx路桥建设有限责任公司合同号:XX监理单位:xx工程建设监理有限公司编号:质量负责人:检测人:年月日承包单位:xx路桥建设有限责任公司合同号:XX监理单位:xx工程建设监理有限公司编号:质量负责人:检测人:年月日承包单位:xx路桥建设有限责任公司合同号:XX监理单位:xx工程建设监理有限公司编号:质量负责人:检测人:年月日承包单位:xx路桥建设有限责任公司合同号:XX监理单位:xx工程建设监理有限公司编号:质量负责人:检测人:年月日路基平整度度检验表承包单位:xx路桥建设有限责任公司合同号:XX监理单位:xx工程建设监理有限公司编号:质量负责人:检测人:年月日横坡度检验表承包单位:xx路桥建设有限责任公司合同号:XX监理单位:xx工程建设监理有限公司编号:检测人:监理:年月日。
路基清表--实用检验批.docx
路基清表检验批质量验收记录表
分部工程分项工程工程名称
名称名称施工单位专业工长项目经理检验批名称、部位
\分包项目经
分包单位\施工班组长
理
监理(建设)单位质量验收规范的规定施工单位检查评定记录验收记录
主
1清表宽度符合设计及验收规范要求
控
项
2清表后用压路机碾实
目3清表后压实度符合规范要求
一
1宽度
般
项
2深度
目
施工单位
检查评定结果
项目专业质量检查员:
项目专业质量(技术)负责人:年月日
监理(建设)单位
验收结论
监理工程师:
(建设单位项目专业技术负责人):年月日
(此文档部分内容来源于网络,如有侵权请告知删除,文档可自行编辑修改内容,供参考,感
谢您的配合和支持)。
监表5 检验申请批复表承包单位:xx 路桥建设有限责任公司合同号:XX 监理单位:xx 工程建设监理有限公司编号:检验表1 土方路基现场质量检验报告单承包单位:xx 路桥建设有限责任公司合同号:XX 监理单位:xx 工程建设监理有限公司编号:结论:监理工程师:日期:年月日承包人:日期:年月日压实度试验记录(环刀法)第 1 页,共 2 页路04 表xx 合同段合同段:xx 合同段承包单位:xx 路桥建设有限责任公司分部工程名称:路基原地面监理单位:xx 工程建设监理有限公司检测人:记录:合同段:xx 合同段承包单位:xx 路桥建设有限责任公司分部工程名称:路基原地面监理单位:xx 工程建设监理有限公司检测人:记录:年月日合同段:xx 合同段承包单位:xx 路桥建设有限责任公司分部工程名称:路基原地面监理单位:xx 工程建设监理有限公司检测人:记录:年月日路基宽度检验表承包单位:xx 路桥建设有限责任公司合同号:XX监理单位:xx 工程建设监理有限公司编号:质量负责人:检测人:年月日路基宽度检验表承包单位:xx 路桥建设有限责任公司合同号:XX监理单位:xx 工程建设监理有限公司编号:质量负责人:检测人:年月日路基宽度检验表承包单位:xx 路桥建设有限责任公司合同号:XX监理单位:xx 工程建设监理有限公司编号:质量负责人:检测人:年月日路基宽度检验表承包单位:xx 路桥建设有限责任公司合同号:XX监理单位:xx 工程建设监理有限公司编号:质量负责人:检测人:年月日路基宽度检验表承包单位:xx 路桥建设有限责任公司合同号:XX监理单位:xx 工程建设监理有限公司编号:质量负责人:检测人:年月日路基宽度检验表承包单位:xx 路桥建设有限责任公司合同号:XX 监理单位:xx 工程建设监理有限公司编号:质量负责人:检测人:年月日路基宽度检验表承包单位:xx 路桥建设有限责任公司合同号:XX监理单位:xx 工程建设监理有限公司编号:质量负责人:检测人:年月日路基宽度检验表承包单位:xx 路桥建设有限责任公司合同号:XX监理单位:xx 工程建设监理有限公司编号:质量负责人:检测人:年月日路基宽度检验表承包单位:xx 路桥建设有限责任公司合同号:XX监理单位:xx 工程建设监理有限公司编号:质量负责人:检测人:年月日路基宽度检验表承包单位:xx 路桥建设有限责任公司合同号:XX监理单位:xx 工程建设监理有限公司编号:质量负责人:检测人:年月日承包单位:xx 路桥建设有限责任公司合同号:XX监理单位:xx 工程建设监理有限公司编号:质量负责人:检测人:年月日承包单位:xx 路桥建设有限责任公司合同号:XX监理单位:xx 工程建设监理有限公司编号:质量负责人:检测人:年月日承包单位:xx 路桥建设有限责任公司合同号:XX监理单位:xx 工程建设监理有限公司编号:质量负责人:检测人:年月日承包单位:xx 路桥建设有限责任公司合同号:XX监理单位:xx 工程建设监理有限公司编号:质量负责人:检测人:年月日承包单位:xx 路桥建设有限责任公司合同号:XX监理单位:xx 工程建设监理有限公司编号:质量负责人:检测人:年月日横坡度检验表承包单位:xx 路桥建设有限责任公司合同号:XX 监理单位:xx 工程建设监理有限公司编号:自检说明: 监理评语:自检合格检测人:监理:年月日。
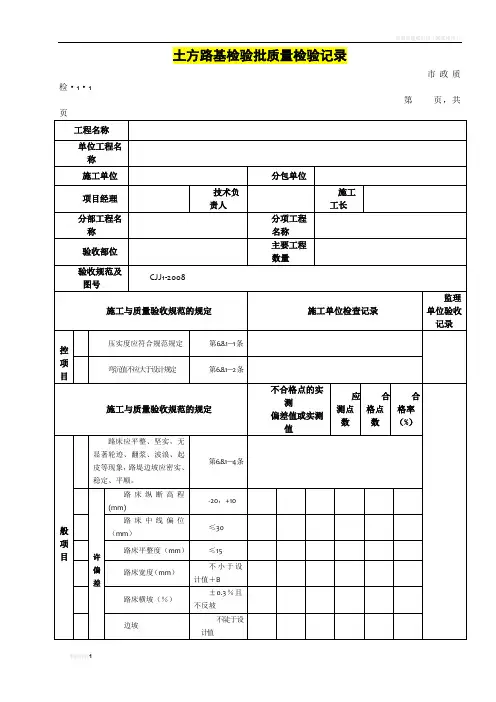
.土方路基检验批质量检验记录市政质检· 1· 1第页,共页工程名称单位工程名称施工单位分包单位工程经理技术负责人施工工长分部工程名称分项工程名称验收部位主要工程数量验收标准及图号CJJ1-2021施工与质量验收标准的规定施工单位检查记录监理单位验收记录主1压实度应符合标准规定第-1 条控项2弯沉值不应大于设计规定第-2 条目施工与质量验收标准的规定不合格点的实测应测合格合格偏差值或实测值点数点数率〔%〕路床应平整、坚实,无显著1轮迹、翻浆、波浪、起皮等第-4 条现象,路堤边坡应密实、稳定、平顺。
2路床纵断高程 (mm)-20 ,+10一3路床中线偏位〔 mm〕≤ 30般4允路床平整度〔 mm〕≤ 15项许不小于设计值目5偏路床宽度〔 mm〕+ B差± 0.3 %且不反6路床横坡〔%〕坡7边坡不陡于设计值平均合格率〔%〕.施工 监理单位 单位检查验收意见质检员签名:结论监理工程师签名:年月 日年月 日挖石方路基检验批质量检验记录市政质检· 1· 2第页,共页工程名称单位工程名称施工单位 分包单位工程经理 技术负责人施工工长分部工程名称分项工程名称验收部位主要工程数量验收标准及图号CJJ1-2021施工与质量验收标准的规定施工单位检查记录监理单位验收记录主 1上边坡必须稳定,严禁有松 第-1 条石、险石。
控项目施工与质量验收标准的规定不合格点的实测 应测 合格 合格偏差值或实测值点数点数率〔 %〕1 路床纵断高程 (mm)+50;-1002路床中线偏位〔 mm 〕≤ 303不小于设计规一 允 路床宽〔 mm 〕定+ B般 4许 不陡于设计规项 偏 边坡定目差平均合格率〔%〕施工监理单位单位检查验收意见质检员签名:结论监理工程师签名:年月日年月日填石方路基检验批质量检验记录市政质检· 1· 3第页,共页工程名称单位工程名称施工单位分包单位工程经理技术负责人施工工长分部工程名称分项工程名称验收部位主要工程数量验收标准及图号CJJ1-2021施工与质量验收标准的规定施工单位检查记录监理单位验收记录主压实密度应符合试验路段1第-2 条控确定的施工工艺。
A4欧阳家百(2021.03.07)道路清表土报验申请表工程名称:赫章县西城区路网及配套设施建设项目二期工程赫章县西城区路网及配套设施建设D1-2项目二期十一号路道路工程工程预检记录项目二期十一号路道路工程隐蔽工程检查验收记录G 2—1—1赫章县西城区路网及配套设施建设项目二期十一号路道路工程路基清表土检验批质量验收记录表赫章县西城区路网及配套设施建设C-02项目二期十一号路道路工程水准测量记录表承包单位:六盘水市市政工程公司合同号:C-02赫章县西城区路网及配套设施建设项目二期十一号路道路工程水准测量记录表承包单位:六盘水市市政工程公司合同号:监理单位:贵州中建建筑科研设计院有限公司编号:测量人:记录人:校核人:项目技术负责人:监理:赫章县西城区路网及配套设施建设 C0-2-1项目二期十二号路道路工程原地面高程测量记录表承包单位:六盘水市市政工程公司合同号:编号:监理单位:贵州中建建筑科研设计院有限公司测量范围或桩号:十二号道路K0+000~K0+180段路基清表前高程测量欧阳索引创编 2021.02.02测量人:记录人:校核人:监理:日期:年月日欧阳索引创编 2021.02.02赫章县西城区路网及配套设施建设 C0-2-1项目二期十二号路道路工程原地面高程测量记录表承包单位:六盘水市市政工程公司合同号:编号:监理单位:贵州中建建筑科研设计院有限公司测量范围或桩号:十二号道路K0+000~K0+180段路基清表前高程测量欧阳索引创编 2021.02.02测量人:记录人:校核人:监理:日期:年月日欧阳索引创编 2021.02.02赫章县西城区路网及配套设施建设 C0-2-1项目二期十二号路道路工程路基清表辗压后断面高程测量记录表承包单位:六盘水市市政工程公司合同号:编号:监理单位:贵州中建建筑科研设计院有限公司测量范围或桩号:十二号道路K0+000~K0+180段路基清表后高程测量测量人:记录人:校核人:监理:日期:年月日赫章县西城区路网及配套设施建设 C0-2-1项目二期十二号路道路工程路基清表辗压后断面高程测量记录表承包单位:六盘水市市政工程公司合同号:编号:监理单位:贵州中建建筑科研设计院有限公司测量范围或桩号:十二号道路K0+000~K0+180段路基清表后高程测量欧阳索引创编 2021.02.02欧阳索引创编 2021.02.02。
土方路基检验批质量检验记录市政质检·1·1第页,共页挖石方路基检验批质量检验记录市政质检·1·2第页,共填石方路基检验批质量检验记录市政质检·1·3第页,共页路肩检验批质量检验记录市政质检·1·4第页,共砂垫层软土路基检验批质量检验记录市政质检·1·5第页,共反压护道路基检验批质量检验记录市政质检·1·6第页,共土工材料处理软土路基检验批质量检验记录市政质检·1·7第页,共页袋装砂井检验批质量检验记录市政质检·1·8第页,共塑料排水板检验批质量检验记录市政质检·1·9第页,共页砂桩处理软土路基检验批质量检验记录市政质检·1·10第页,共碎石桩处理软土路基检验批质量检验记录市政质检·1·11第页,共粉喷桩处理软土路基检验批质量检验记录市政质检·1·12第页,共湿陷性黄土强夯路基检验批质量检验记录市政质检·1·13第页,共石灰稳定土,石灰、粉煤灰稳定砂砾(碎石),粉煤灰稳定钢渣基层及底基层检验批质量检验记录市政质检·1·14第页,共水泥稳定土类基层及底基层检验批质量检验记录市政质检·1·15第页,共级配砂砾(级配砂石)基层及底基层检验批质量检验记录市政质检·1·16第页,共页级配碎石及级配碎砾石基层和底基层检验批质量检验记录市政质检·1·17第页,共页沥青混合料(沥青碎石)基层检验批质量检验记录市政质检·1·18第页,共沥青贯入式基层检验批质量检验记录市政质检·1·19第页,共页热拌沥青混合料检验批质量检验记录市政质检·1·20第页,共页热拌沥青混合料面层检验批质量检验记录市政质检·1·21第页,共冷拌沥青混合料面层检验批质量检验记录市政质检·1·22第页,共页沥青混合料面层透层检验批质量检验记录市政质检·1·23第页,共沥青混合料面层粘层检验批质量检验记录市政质检·1·24第页,共沥青混合料面层封层检验批质量检验记录市政质检·1·25第页,共页沥青贯入式面层检验批质量检验记录市政质检·1·26第页,共页沥青表面处治施工检验批质量检验记录市政质检·1·27第页,共水泥混凝土面层原材料检验批质量检验记录市政质检·1·28页,共混凝土面层检验批质量检验记录市政质检·1·29第页,共铺砌式料石面层检验批质量检验记录市政质检·1·30第页,共页铺砌式预制混凝土砌块面层检验批质量检验记录市政质检·1·31第页,共页广场与停车场料石面层检验批质量检验记录市政质检·1·32第页,共页广场与停车场预制混凝土砌块面层检验批质量检验记录市政质检·1·33第页,共广场与停车场沥青混合料面层检验批质量检验记录市政质检·1·34第页,共广场与停车场水泥混凝土面层检验批质量检验记录市政质检·1·35第页,共料石铺砌人行道面层检验批质量检验记录市政质检·1·36第页,共混凝土预制铺砌人行道(含盲道)面层检验批质量检验记录市政质检·1·37第页,共页沥青混凝土铺筑人行道面层检验批质量检验记录市政质检·1·38第页,共页人行地道结构地基检验批质量检验记录市政质检·1·39人行地道结构防水层检验批质量检验记录市政质检·1·40人行地道结构基础模板安装检验批质量检验记录市政质。
土方路基检验批质量检验记录市政质检·1·1第页,共页第页,共页第页,共页路肩检验批质量检验记录市政质检·1·4第页,共页砂垫层软土路基检验批质量检验记录市政质检·1·5第页,共页反压护道路基检验批质量检验记录市政质检·1·6第页,共页土工材料处理软土路基检验批质量检验记录市政质检·1·7第页,共页袋装砂井检验批质量检验记录市政质检·1·8第页,共页塑料排水板检验批质量检验记录市政质检·1·9第页,共页砂桩处理软土路基检验批质量检验记录市政质检·1·10第页,共页碎石桩处理软土路基检验批质量检验记录市政质检·1·11第页,共页粉喷桩处理软土路基检验批质量检验记录市政质检·1·12第页,共页湿陷性黄土强夯路基检验批质量检验记录市政质检·1·13第页,共页石灰稳定土,石灰、粉煤灰稳定砂砾〔碎石〕,粉煤灰稳定钢渣基层及底基层检验批质量检验记录市政质检·1·14第页,共页水泥稳定土类基层及底基层检验批质量检验记录市政质检·1·15第页,共页级配砂砾(级配砂石)基层及底基层检验批质量检验记录市政质检·1·16第页,共页级配碎石及级配碎砾石基层和底基层检验批质量检验记录市政质检·1·17第页,共页沥青混合料(沥青碎石)基层检验批质量检验记录市政质检·1·18第页,共页沥青贯入式基层检验批质量检验记录市政质检·1·19第页,共页热拌沥青混合料检验批质量检验记录市政质检·1·20第页,共页第页,共页第页,共页第页,共页第页,共页第页,共页沥青贯入式面层检验批质量检验记录市政质检·1·26第页,共页沥青外表处治施工检验批质量检验记录市政质检·1·27第页,共页水泥混凝土面层原材料检验批质量检验记录市政质检·1·28页,共页混凝土面层检验批质量检验记录市政质检·1·29第页,共页铺砌式料石面层检验批质量检验记录市政质检·1·30第页,共页铺砌式预制混凝土砌块面层检验批质量检验记录市政质检·1·31第页,共页广场与停车场料石面层检验批质量检验记录市政质检·1·32第页,共页广场与停车场预制混凝土砌块面层检验批质量检验记录市政质检·1·33第页,共页第页,共页第页,共页料石铺砌人行道面层检验批质量检验记录市政质检·1·36第页,共页混凝土预制铺砌人行道〔含盲道〕面层检验批质量检验记录市政质检·1·37第页,共页沥青混凝土铺筑人行道面层检验批质量检验记录市政质检·1·38第页,共页人行地道结构地基检验批质量检验记录市政质检·1·39第页,共页人行地道结构防水层检验批质量检验记录市政质检·1·40第页,共页人行地道结构基础模板安装检验批质量检验记录市政质检·1·41第页,共页人行地道结构钢筋加工、成型与安装检验批质量检验记录市政质检·1·42第页,共页人行地道结构基础混凝土检验批质量检验记录市政质检·1·43第页,共页墙与顶板模板安装检验批质量检验记录市政质检·1·44第页,共页墙与顶板混凝土检验批质量检验记录市政质检·1·45第页,共页市政质检·1·46 第页,共页市政质检·1·47 第页,共页墙板、顶板安装检验批质量检验记录市政质检·1·48第页,共页砌筑墙体、钢筋混凝土顶板人行地道结构墙体砌筑检验批质量检验记录市政质检·1·49第页,共页挡土墙地基检验批质量检验记录市政质检·1·50第页,共页。
.A4道路清表土报验申请表赫章县西城区路网及配套设施建设D1-2 项目二期十一号路道路工程工程预检记录赫章县西城区路网及配套设施建设D1-1项目二期十一号路道路工程隐蔽工程检查验收记录G2—1—1 赫章县西城区路网及配套设施建设项目二期十一号路道路工程路基清表土检验批质量验收记录表赫章县西城区路网及配套设施建设C-02项目二期十一号路道路工程水准测量记录表承包单位:六盘水市市政工程公司合同号:C-02赫章县西城区路网及配套设施建设项目二期十一号路道路工程水准测量记录表承包单位:六盘水市市政工程公司合同号:监理单位:贵州中建建筑科研设计院有限公司编号:测量人:记录人:校核人:项目技术负责人:监理:赫章县西城区路网及配套设施建设 C0-2-1项目二期十二号路道路工程原地面高程测量记录表承包单位:六盘水市市政工程公司合同号:编号:监理单位:贵州中建建筑科研设计院有限公司测量范围或桩号:十二号道路K0+000~K0+180段路基清表前高程测量精选word范本!赫章县西城区路网及配套设施建设 C0-2-1项目二期十二号路道路工程原地面高程测量记录表承包单位:六盘水市市政工程公司合同号:编号:监理单位:贵州中建建筑科研设计院有限公司测量范围或桩号:十二号道路K0+000~K0+180段路基清表前高程测量精选word范本!赫章县西城区路网及配套设施建设 C0-2-1项目二期十二号路道路工程路基清表辗压后断面高程测量记录表承包单位:六盘水市市政工程公司合同号:编号:监理单位:贵州中建建筑科研设计院有限公司测量范围或桩号:十二号道路K0+000~K0+180段路基清表后高程测量精选word范本!测量人:记录人:校核人:监理:日期:年月日赫章县西城区路网及配套设施建设 C0-2-1项目二期十二号路道路工程路基清表辗压后断面高程测量记录表承包单位:六盘水市市政工程公司合同号:编号:监理单位:贵州中建建筑科研设计院有限公司测量范围或桩号:十二号道路K0+000~K0+180段路基清表后高程测量测量人:记录人:校核人:监理:日期:年月日精选word范本!。
路基清表检验批质量验收记录表
土方路基检验批质量检验记录
土方路基检验批质量检验记录
土方路基检验批质量检验记录
土方路基检验批质量检验记录
土方路基检验批质量检验记录
G2-1-2 土方路基(路床)检验批质量检验记录表
CJJ1—2008
软土地基(砂垫层处理)施工检验批质量检验记录表
注: 1 B为施工时必要的附加宽度.
2 主控项目、一般项目的检查结果,需用语言描述的项,应按CJJ1-2008的要求详实描述;主控项目的计数检验项先填写“检验批主控项目计数检验记录表”(G1-1-1),然后将计数检验结果填写在本表相应的检查结果栏内;检验批一般项目计数检验数据较多、本表空格不够填写的项,可填写“检验批一般项目计数检验记录表”(G1—1—2),将该表作为本表的附页.
3:7灰土稳定土类基层及底基层施工检验批
质量检验记录表
CJJ1—2008
续上页
混凝土垫层工程检验批质量验收记录表
WSZL-5
水泥混凝土路面检验批质量验收记录
料石人行道铺砌面层(含盲道砖)工程检验批质量验收记录表
WSZL-5
人行道水泥混凝土垫层检验批质量验收记录表
GB50209-2002。
城镇道路工程检验批表格目录一、路基填土方路基检验批质量验收记录表Ⅰ (6)填土方路基检验批质量验收记录表Ⅱ (10)填土方路基检验批质量验收记录表Ⅲ (13)挖石方路基检验批质量验收记录表 (16)挖土方路基检验批质量验收记录表 (19)填石方路基检验批质量验收记录表 (23)路肩检验批质量验收记录表 (26)砂垫层软土路基检验批质量验收记录表 (28)反压护道软土路基检验批质量验收记录表 (31)土工材料处理软土路基检验批质量验收记录表 (33)袋装砂井处理软土地基检验批质量验收记录表 (36)塑料排水板处理软土地基检验批质量验收记录表 (39)砂桩软土路基检验批质量验收记录表 (41)碎石桩处理软土路基检验批质量验收记录表 (44)粉喷桩软土路基检验批质量验收记录表 (46)湿陷性黄土路基检验批质量验收记录表Ⅰ (49)湿陷性黄土路基检验批质量验收记录表Ⅱ (52)湿陷性黄土路基检验批质量验收记录表Ⅲ (55)二、基层石灰稳定土基层及底基层检验批质量验收记录表 (58)水泥稳定土类基层及底基层检验批质量验收记录表 (61)级配砂砾(砾石)基层检验批质量验收记录表 (65)级配碎石(碎砾石)基层检验批质量验收记录表 (68)沥青混合料(沥青碎石)基层检验批质量验收记录表 (72)沥青贯入式基层检验批质量验收记录表 (75)石灰、粉煤灰稳定钢渣基层及底基层检验批质量验收记录表 (78)石灰、粉煤灰稳定砂砾(碎石)基层及底基层检验批质量验收记录表 (82)三、沥青混合料面层热拌沥青混合料检验批质量验收记录表 (85)冷拌沥青混合料面层检验批质量验收记录表 (91)粘层、透层与封层检验批质量验收记录表 (95)四、沥青贯入式与沥青表面处治面层沥青贯入式面层检验批质量验收记录表 (97)沥青表面处治面层检验批质量验收记录表 (100)五、水泥混凝土面层水泥混凝土原材料检验批质量验收记录表 (104)水泥混凝土面层检验批质量验收记录表 (107)六、铺砌式面层料石面层检验批质量验收记录表 (111)预制混凝土砌块面层检验批质量验收记录表 (114)七、广场与停车场面层广场与停车场料石面层检验批质量验收记录表 (117)广场与停车场预制混凝土砌块面层检验批质量验收记录表 (120)广场与停车场水泥混凝土面层检验批质量验收记录表 (124)广场与停车场盲道铺砌检验批质量验收记录表 (130)八、人行道铺筑料石铺砌人行道面层检验批质量验收记录表 (133)混凝土预制砌块铺砌人行道面层(含盲道)检验批质量验收记录表 (137)沥青混合料铺筑人行道面层检验批质量验收记录表 (140)九、人行地道结构现浇钢筋混凝土人行地道结构检验批质量验收记录表 (143)预制安装钢筋混凝土人行地道结构地基检验批质量验收记录表 (146)预制安装钢筋混凝土人行地道结构墙板、顶板安装检验批质量验收记录表 (150)预制安装钢筋混凝土人行地道结构预制墙板、顶板检验批质量验收记录表 (153)砌筑、墙体钢筋混凝土顶板结构人行道顶板预制与安装检验批质量验收记录表 (157)砌筑墙体、钢筋混凝土顶板结构人行道墙体砌筑检验批质量验收记录表 (161)十、挡土墙现浇钢筋混凝土挡土墙钢筋加工与安装检验批质量验收记录表 (164)现浇钢筋混凝土挡土墙混凝土主体检验批质量验收记录表 (167)现浇钢筋混凝土挡土墙栏杆制作与安装检验批质量验收记录表 (170)装配式钢筋混凝土挡土墙基础检验批质量验收记录表 (174)装配式钢筋混凝土挡土墙栏杆制作与安装检验批质量验收记录表 (177)装配式钢筋混凝土挡土墙墙板预制与安装检验批质量验收记录表 (181)片石砌体挡土墙检验批质量验收记录表 (184)块石砌体挡土墙检验批质量验收记录表 (188)料石砌体挡土墙检验批质量验收记录表 (191)砌体挡土墙检验批(预制块)质量验收记录表 (195)加筋挡土墙板检验批质量验收记录表 (198)加筋挡土墙总体检验批质量验收记录表 (201)十一、附属构筑物路缘石安砌检验批质量验收记录表 (206)雨水支管与雨水口检验批质量验收记录表 (208)排(截)水沟检验批质量验收记录表 (211)倒虹管及涵洞检验批质量验收记录表 (215)护栏检验批质量验收记录表 (219)护坡检验批质量验收记录表 (222)隔离墩检验批质量验收记录表 (225)隔离栅检验批质量验收记录表 (228)声屏障检验批质量验收记录表 (231)防眩板检验批质量验收记录表 (235)填土方路基检验批质量验收记录表Ⅰ(城市快速路、主干路)编号:__________填土方路基检验批质量验收记录表Ⅱ(次干路)编号:__________填土方路基检验批质量验收记录表Ⅲ(支路及其他小路)编号:__________挖石方路基检验批质量验收记录表编号:__________挖土方路基检验批质量验收记录表编号:__________填石方路基检验批质量验收记录表编号:__________路肩检验批质量验收记录表编号:__________砂垫层软土路基检验批质量验收记录表编号:__________反压护道软土路基检验批质量验收记录表编号:__________土工材料处理软土路基检验批质量验收记录表编号:__________袋装砂井处理软土地基检验批质量验收记录表编号:__________塑料排水板处理软土地基检验批质量验收记录表编号:__________砂桩软土路基检验批质量验收记录表编号:__________碎石桩处理软土路基检验批质量验收记录表编号:__________粉喷桩软土路基检验批质量验收记录表编号:__________湿陷性黄土路基检验批质量验收记录表Ⅰ(城市快速路、主干路)编号:__________。
路基清表施工方案一、工程概况连霍高速(G30)瓜洲至星星峡高速公路XK47+000-K63+800段,全长共16.8公里。
本段线路处于荒漠无人区,地势较开阔,地形略有起伏,地层以砂、砾石为主。
在施工前对路段进行清表夯压。
二、施工准备1、准备:设计文件及施工图纸已熟悉完,线路控制点水准点已复核完。
2、人员设备准备:人员、机械设备见附表。
三、清表工程1、在清表前测量原地面高程,清表按设计要求进行,将路基填土范围内原地面表层的种植土、草皮等用推土机、挖掘机及铲车配合清除,清除深度不小于15cm,采用先开挖陷穴(包括暗穴),整平强夯的处治措施对地基进行加固。
2、在填方和借方地段的原地面也进行表面清理,清出的表土集中堆放。
地面横坡为1:5~1:2.5时,原地面挖成台阶,台阶宽度不小于1m;地面横坡度陡于1:2.5时,作特殊处理,以防止路堤沿基底滑动。
3、对弱盐渍土路段进行消除表面蓬松土至全风化基岩顶面。
4、填方地段在清理完地表面后,路堤基地碾压前,在测高程报验监理工程师认可后进行碾压,基地压实度不小于90%,通过试验检测压实度,达到90%,报检监理工程师签认。
恢复路基中线及边线,在进行填方作业。
四、文明施工、安全生产措施1、坚持“安全第一、预防为主”和“管生产必须管安全”的方针认真贯彻执行国家、交通部及各级地方政府与企业的有关安全生产的法规、法令和条例,建立健全安全管理责任制,做到文明生产、安全施工。
要杜绝重大人身伤亡事故、交通事故、火灾事故和其他事故的发生,减少直至避免一般事故。
2、做好交通安全工作。
尽量减少各种车辆对施工现场的干扰,配备专职交通巡视员负责疏导交通,防止重大交通事故和其他交通事故的发生,确保交通畅通。
整修施工便道:考虑到通过本合同段的车辆主要为重型拖挂车,所以对便道的通行能力要求比较高,修建新便道时首先要保证便道的宽度和承重能力,确保车辆及时、安全的通过。
3、搞好施工工地和宿舍的卫生,标识牌合理布置施工现场及各种施工设施,保持施工驻地及现场的清洁。
A4道路清表土报验申请表工程名称:赫章县西城区路网及配套设施建设项目二期工程编号:致:贵州中建建筑科研设计院有限公司我单位已完成了西城区路网及配套设施建设项目二期十二号路道路工程K0+000~K0+180 段道路路基清表土施工工作,现报上该工程报验申请表,请予以审核和验收。
附件: 1、工程预检记录2、隐蔽工程检查验收记录3、路基清表土检验批质量验收记录表4、水准测量记录表5、高程测量记录表承包单位(章)项目经理日期审查意见:项目监理机构(章)总/专业监理工程师赫章县西城区路网及配套设施建设D1-2 项目二期十一号路道路工程工程预检记录工程名称赫章县西城区路网及配套设施建设施工单位六盘水市市政工程公司项目二期工程分项工程路基清表土分包单位/西城区路网及配套设施建设项目预检项目二期工程十二号道路检查日期年月日K0+000~ K0+180 段路基清表土预1、路基压实度;检2、路基清表的长度、宽度;内3、路基基底外观质量;容4、表面平整度;检查情况处理意见参加检查人员签名技术负责人测量员质检员施工员班、组长填表人赫章县西城区路网及配套设施建设D1-1项目二期十一号路道路工程隐蔽工程检查验收记录单位工程名称赫章县西城区路网及配套设施建设单位赫章县建设投资有限公司建设项目二期工程监理单位贵州中建建筑科研设计院有限公司施工单位六盘水市市政工程公司勘察设计单位广东中天市政工程设计有限公司分项名称分部路基路基清表名称1、清表后碾压路基压实度;2、路基清表的长度和宽带;3、清表后路基基底外观质量;4、表面平整度;验收内容及自检情况(表后附路基清表平面、横断面图,共页)经检验,符合设计及规范要求检查验收意见检查人:检查日期:年月日处理情况及结论复查人:复查日期:年月日施工单位监理单位建设单位勘察设计单位项目技术负责人:专业监理工程师:项目现场负责人:勘察现场负责人:质检员:设计现场负责人:年月日年月日年月日年月日工程名称单位工程名称分项工程名称项目经理验收规范及图号质量验收规范规定的检查项目路基压实度1(%)长场地度平整、2(机宽械)度主控项目路基基底外1观质量2表面平整度G2—1—1赫章县西城区路网及配套设施建设项目二期十一号路道路工程路基清表土检验批质量验收记录表CJJ1—2008赫章县西城区路网及配套设施工单位六盘水市市政工程公司施建设项目二期工程西城区十一号路道路工程分部工程名称路基路基清表验收部位十二号道路K0+000 ~ K0+180 段路基清表土熊会才技术负责人陈国建检验日期年月日《城镇道路工程施工与质量验收规范》(CJJ1-2008 )及《建筑地基基础工程施工质量验收规范》(GB 50202-2002 )检验依据或施工单位检查评定记录允许偏差1 2 3 45 6 7 8 910应测合格合格率监理单位(mm)点数点数( %)验收记录符合 CJJ1-2008 第压实度最小值(90.1%)≥设计值( 90%),符合设计要求;6.3.12-2见试验报告编号: 2013006031903002规定+500 ,-150原状地基土未受到扰动、受水浸泡或受冻;基底无草皮、树根等杂物,无符合设计规定积水,基底密实、平整,无地穴,横坡符合设计要求。
20一般项目平均合格率( %)经检验,主控项目,一般项目均符合设计要求,评定合格。
施工单位检查评定结果年月日项目专业质量检查员:监理单位赫章县西城区路网及配套设施建设C-02项目二期十一号路道路工程水准测量记录表承包单位:六盘水市市政工程公司监理单位:贵州中建建筑科研设计院有限公司合同号:编号:单位工程名称桩号及部位检测点位BM1ZD1K0+000K0+020K0+040K0+060K0+080ZD2K0+094.191K0+096.894K0+100K0+120K0+124.191测量示意图:赫章县西城区路网及配套设施建设项目二期工程十二号道路K0+000 ~K0+180段路基清表土后视仪器高前视(m)(m)(m)0.1231531.5780.1451528.569 3.1544.1173.4214.4013.9001.5194.9541533.440.0823.6764.1043.7023.5050.054计算:1、实测闭合差2、允许闭合差日期年月日天气实测高程设计高程高程偏差(m)(m)(mm)1531.4551528.4241524.4521524.4501525.1481525.1471524.1681524.1701524.6691524.6671527.0501527.0441528.4871529.7651529.7691529.3371529.3381529.7391529.7371529.9361529.9401533.3871533.388f 测=∑后视-∑前视 =8.267-8.270=-3mm f允=±12√3= ±12*1.732= ±20.784mm水准点闭合差公式:f= ±12 =±12*0.18=±2.16mmL—相邻控制点间距,单位:kmC-02赫章县西城区路网及配套设施建设项目二期十一号路道路工程水准测量记录表承包单位:六盘水市市政工程公司合同号:监理单位:贵州中建建筑科研设计院有限公司编号:单位工程名称赫章县西城区路网及配套设施建设项目二日期年月日期工程桩号及部位十二号道路 K0+000~K0+180段路基清表土天气检测点位ZD3K0+126.894K0+140K0+154.191K0+156.894K0+160K0+180BM1测量示意图:后视仪器高前视实测高程设计高程高程偏差(m)(m)(m)(m)(m)(mm)3.0451536.3400.1461533.2952.6401533.7001533.7012.0181534.3221534.3232.0421534.2981534.3001.7861534.5541534.5592.1281534.2121534.2131.5381534.8021534.8074.8881531.4521531.4558.2678.270计算:1、实测闭合差 f 测=∑后视-∑前视=8.267-8.270=-3mm2、允许闭合差 f 允=±12 √3= ±12*1.732= ±20.784mm水准点闭合差公式:f= ±12 =±12*0.18=±2.16mmL—相邻控制点间距,单位:km赫章县西城区路网及配套设施建设项目二期十二号路道路工程原地面高程测量记录表承包单位:六盘水市市政工程公司合同号:监理单位:贵州中建建筑科研设计院有限公司测量范围或桩号:十二号道路K0+000 ~K0+180 段路基清表前高程测量C0-2-1编号:桩号平距k0+000高程平距k0+020高程平距k0+040高程平距k0+060高程平距k0+080高程平距k0+094.191高程平距k0+096.894高程平距k0+100高程平距k0+120高程测量人:左中右5.123 5.490 4.110 5.36011.560 3.8906.8601524.4221524.4021524.4891524.4271524.0201524.5031524.7501524.57711.00014.00013.00017.000 5.9701525.8831525.8231525.8941525.9161525.8231525.7746.170 5.980 4.85014.0001524.1381524.1551524.2521524.6701525.4628.5409.52017.0001524.5411524.4691525.1671526.1044.69015.0001526.5801527.5441529.1238.97016.0001528.2491530.2691532.4507.870 6.7601528.8891529.8381530.74914.69015.87014.6901529.0731530.2371531.0181531.07715.98015.65016.76017.9801534.5741533.4401533.8411533.8701533.837记录人:校核人:监理:备注日期:年月日赫章县西城区路网及配套设施建设C0-2-1项目二期十二号路道路工程原地面高程测量记录表承包单位:六盘水市市政工程公司合同号:编号:监理单位:贵州中建建筑科研设计院有限公司测量范围或桩号:十二号道路 K0+000 ~K0+180段路基清表前高程测量桩号平距k0+124.191高程平距K0+126.894高程平距K0+140高程平距K0+154.191高程平距K0+156.894高程平距K0+160高程平距K0+180高程左中右备注15.87017.00015.67014.87015.98019.76019.8801533.7901533.8881534.3231534.3011534.3311534.4361534.4391534.3617.9819.4316.9819.7818.6519.671534.2011533.951533.891533.921533.911533.941533.9213.7814.8916.9816.471534.591534.571534.541534.8231535.1215.7816.871535.211534.8001534.6715.7613.361535.231534.8591534.7516.7716.9816.8716.451535.061534.7131535.041535.041535.0515.7614.8715.4517.5617.8917.661535.5071535.471535.471535.471535.471535.471535.47测量人:记录人:校核人:监理:日期:年月日承包单位:六盘水市市政工程公司监理单位:贵州中建建筑科研设计院有限公司桩号平距18.124 k0+000高程1523.598平距k0+020高程平距k0+040高程平距k0+060高程平距k0+080高程平距k0+094.191高程平距k0+096.894高程平距k0+100高程平距k0+120高程路基清表辗压后断面高程测量记录表合同号:编号:测量范围或桩号:十二号道路K0+000 ~K0+180 段路基清表后高程测量左中右备注17.6347.164 5.6101524.7501523.6241524.2871524.38812.03411.1179.76513.2461525.8851525.8821525.8881525.8231525.7069.4538.594 3.89710.66514.9891523.8481523.9261524.3301524.6701525.5181525.27111.3739.4657.61111.7651524.3271524.4711525.1671525.8091525.58313.89712.45612.45714.76715.9871527.2181524.9661527.5441529.0901529.2231528.8497.1549.46713.65115.9821528.9451530.2691532.0901532.4431531.53014.21313.56215.35117.4531528.1301529.8381531.8971532.1851531.65711.87614.84315.89717.1101530.2371531.0191531.0751531.1361530.86115.66517.42218.76519.45220.1471533.4401533.8451533.8881533.9241533.9321533.832测量人:记录人:校核人:监理:日期:年月日承包单位:六盘水市市政工程公司监理单位:贵州中建建筑科研设计院有限公司桩号平距k0+124.191高程平距K0+126.894高程平距K0+140高程平距K0+154.191高程平距K0+156.894高程平距K0+160高程平距K0+180高程路基清表辗压后断面高程测量记录表合同号:编号:测量范围或桩号:十二号道路K0+000 ~K0+180 段路基清表后高程测量左中右备注1533.88811.77513.23414.07615.08016.7411534.2121534.2481534.2741534.3031534.3479.3437.467 5.356 6.4751534.0841534.1101534.1401534.2011534.2227.000 3.3788.54815.1211534.7131534.7701534.8231535.1041534.9748.4569.67510.12411.8751535.0181534.8001534.7291534.7141534.7289.4441534.85910.63814.12416.7561535.0761534.7901534.7491534.73611.76518.15419.26814.4361534.7131535.0621535.0861534.9881534.93610.89813.26417.56119.76020.3491535.5071535.4841535.4721535.4701535.4641535.476测量人:记录人:校核人:监理:日期:年月日。