高压电动机综合保护整定计算
- 格式:doc
- 大小:245.50 KB
- 文档页数:5
高、低压开关整定计算方法1、1140V供电分开关整定值=功率×0.67, 馈电总开关整定值为分开关整定值累加之和。
2、660V供电分开关整定值=功率×1.15,、馈电总开关整定值为分开关整定值累加之和。
3、380V供电分开关整定值=功率×2.00,、馈电总开关整定值为分开关整定值累加之和。
低压开关整定及短路电流计算公式1、馈电开关保护计算(1)、过载值计算:Iz=Ie=1.15×∑P(2)、短路值整定计算:Id≥IQe+KX∑Ie(3)、效验:K=I(2)d /I d≥1.5式中:I Z----过载电流整定值∑P---所有电动机额定功率之和Id---短路保护的电流整定值IQe---容量最大的电动机额定启动电流(取额定电流的6倍) Kx---需用系数,取1.15∑Ie---其余电动机的额定电流之和Pmax ---------容量最大的电动机I(2)d---被保护电缆干线或支线距变压器最远点的两相短路电流值例一、馈电开关整定:(1)型号:KBZ16-400,Ie=400A,Ue=660V,电源开关;负荷统计Pmax =55KW,启动电流IQe=55×1.15×6=379.5A, ∑Ie =74KW。
∑P=129KW (2)过载整定:根据公式:IZ=Ie=1.15×∑P =129×1.15=148.35A 取148A。
(3)短路整定:根据公式 Id≥IQe+KX∑Ie=379.5+1.15x74=464.6A取464A。
例二、开关整定:(1)、型号:QBZ-200,Ie=200A,Ue=660V,所带负荷:P=55KW。
(2)、过载整定:根据公式:IZ=Ie=1.15×P =1.15×55=63.25A 取65A。
井下高压开关整定:式中:K Jx -------结线系数,取1K k -------可靠系数,通常取(1.15-1.25)取1.2Ki-------电流互感器变比Kf-------返回系数,取0.8Igdz-------所有负荷电流Idz---------负荷整定电流cos¢-----计算系数0.8----1P-----------所有负荷容量U----------电网电压√3--------1.732例1;高压开关屏整定:电流互感器为50/5=10、过流继电器为GL-12,Ie=5A.按变压器容量进行整定,变压器为KBSG-315/6.I gdz=P/√3*U*cos¢=315/1.732×6×0.92=32.9AIdz= Igdz×KJx×KK /Ki×Kf =32.9×1×1.2/10×0.8 =4.94A例2;(为BGP9L-6G高爆开关)整定: 高压开关电流互感器为50/5 按变压器容量为200KVA,额定电流为19.2A根据该配电装置微机高压综合保护器说明书要求:过载电流整定为20A,短路整定为180A(一般整定为额定电流的8-10倍)。
(2)过电流保护:按下列两种情况整定,取较大值。
①按躲过线路最大负荷电流整定。
随着调度自动化水平的提高,精确掌握每条线路的最大负荷电流成为可能,也变得方便。
此方法应考虑负荷的自启动系数、保护可靠系数及继电器的返回系数。
为了计算方便,将此三项合并为综合系数KZ。
即:KZ=KK×Kzp/Kf式中KZ-综合系数KK-可靠系数,取1.1~1.2Izp-负荷自启动系数,取1~3Kf-返回系数,取0.85微机保护可根据其提供的技术参数选择。
而过流定值按下式选择:Idzl=KZ×Ifhmax式中Idzl-过流一次值Kz-综合系数,取1.7~5,负荷电流较小或线路有启动电流较大的负荷(如大电动机)时,取较大系数,反之取较小系数Ifhmax-线路最大负荷电流,具体计算时,可利用自动化设备采集最大负荷电流②按躲过线路上配变的励磁涌流整定。
变压器的励磁涌流一般为额定电流的4~6倍。
变压器容量大时,涌流也大。
由于重合闸装置的后加速特性(10kV线路一般采用后加速),如果过流值不躲过励磁涌流,将使线路送电时或重合闸重合时无法成功。
因此,重合闸线路,需躲过励磁涌流。
由于配电线路负荷的分散性,决定了线路总励磁涌流将小于同容量的单台变压器的励磁涌流。
因此,在实际整定计算中,励磁涌流系数可适当降低。
式中Idzl-过流一次值Kcl-线路励磁涌流系数,取1~5,线路变压器总容量较少或配变较大时,取较大值Sez-线路配变总容量Ue-线路额定电压,此处为10kV③特殊情况的处理:a.线路较短,配变总容量较少时,因为满足灵敏度要求不成问题,Kz或Klc应选较大的系数。
b.当线路较长,过流近后备灵敏度不够时(如15km以上线路),可采用复压闭锁过流或低压闭锁过流保护,此时负序电压取0.06Ue,低电压取0.6~0.7Ue,动作电流按正常最大负荷电流整定,只考虑可靠系数及返回系数。
当保护无法改动时,应在线路中段加装跌落式熔断器,最终解决办法是网络调整,使10kV 线路长度满足规程要求。
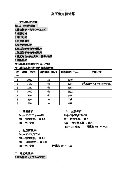
高压整定值计算公式在变压器保护计算方面,低压厂变通常需要配置差动保护、速断过流、延时过流、过负荷信号、负序过流保护、高压侧零序信号及跳闸、低压侧零序信号或跳闸、温度启动/停止风扇、信号/跳闸以及瓦斯保护。
变压器容量计算公式为S=√3UI。
此外,变压器低压侧的三相短路电流参数表中包括速断保护和过流保护,其中速断保护的计算公式为Idzj=Kk* I(3)/2max/Ki,而过流保护的计算公式为Idzj=Kk* Ie/Kf*Ki。
在电动机保护方面,大于2000KW的电动机通常需要配置差动保护和速断过流保护,同时还需要考虑延时过流保护、过负荷信号、负序保护、过热保护、启动时间过长保护、堵转保护、零序保护、过压保护、低压保护以及电动机温度保护。
电动机启动电流倍数通常为5~7倍。
异步电动机的电流速断保护计算公式为Idzj=Kk*Iqd/(Kjx*Ki),其中Kk的取值范围为DL型1.4~1.6或GL型1.6~1.8,Kjx接相上为1,相差上为√3,Iqd为电动机的启动电流,Iqd=nqd×Ide,而Ki为电流互感器变比。
同步电动机的电流速断保护需要考虑起动电流和外部短路时输出的电流,其中外部短路时输出的电流的计算公式为Idmax=Kk*I''dmax/(Kjx*Ki),而I''dmax为最大运行方式时,外部三相短路时,同步电动机的反馈电流,X''d为同步电动机次暂态电抗标么值,φe为电动机的励磁角。
电动机的速断保护值可由其额定功率因数角和额定电流中取最大值得出。
同时,还需要对速断保护灵敏系数进行校验,其中包括电机出口处最小两相短路电流、速断保护动作电流值和电流互感器变比。
纵联差动保护需要避免不平衡电流的干扰,其中包括异步或同步电动机启动电流引起的不平衡电流和同步电动机输出电流引起的不平衡电流。
可靠系数和电流互感器变比也需要考虑,并进行灵敏系数校验。
过流保护需要考虑动作电流,对于同步电动机还需要兼顾失步保护。
高压电机变频改造后综合保护配置方案摘要:随着电力电子技术的发展,变频器在电厂得到了广泛应用。
目前的新建电厂,重要辅机如风机、水泵等,一般均要求考虑配置变频器拖动;越来越多的已建电厂正在进行或已完成高压电动机采用变频器的改造。
高压电动机采用采用变频器拖动后,电动机保护如何配置才能保证机组安全可靠的运行,成为电厂、设计院、保护厂家关注的问题。
关键字:大型电动机;变频;保护配置1变频方式下电动机保护面临的问题采用变频装置后,电动机实现了软启动,启动电流从零开始平滑上升,启动电流显著减小,只有额定电流的1.2~1.5倍(工频可达5倍左右),电动机可以在较小的电流下实现加速、减速,发热较小。
但是,同时启动时间却有所延长。
这对按照躲过启动电流整定的保护和按启动时间整定的保护会带来一定的影响。
据实验实测,移相变压器将会产生5-6倍励磁涌流。
变频器输出侧频率将根据现场运行情况不断调整和变化,输出侧电流的频率可在0.2~400Hz内变化,同时变频器输出侧电流存在一定谐波分量,尤其当电动机在低频段工作时,谐波分量更高。
由于谐波电流的影响,电动机的发热量较工频运行方式下有所增加。
高压电动机变频运行后,电流互感器更容易饱和。
根据电磁式互感器的工作原理,在电压一定的情况下,频率和磁通成反比关系。
频率越低,互感器通过的磁通越大。
因此,在低频情况下.传统的工频互感器极容易发生饱和。
对于变频调速系统,由于附加了变频器装置,变频器的输入电流和输出电流在频率和相位上没有必然的联系。
这是影响电动机继续使用相量差动保护的最大障碍;电动机相量差动保护的工作原理是基于比较电动机两端电流的大小与相位的。
然而变频器输入输出侧的电流在相位上不一致,在工频运行方式下的差动保护中,即使电动机在正常工作情况下也会有相当数量的差流出现。
但是,对于电动机的输入和输出电流,它们的频率和相位是一致的,因此可以考虑对电动机单独进行差动保护,差动保护所需电流取自电动机的输入侧和输出侧。
电动机综合爱护整定原则1、差动电流速断爱护按躲过电动机空载投入时最大暂态电流引起的不平衡电流最大外部以及短路时的不平衡电流整定整定一般取:I dz=KI e/ndze式中:I d:差电流速断的动作电流dzI:电动机的额定电流eK:一般取8〜102、纵差爱护1)纵差爱护最小动作电流的整定最小动作电流应大于电动机启动过程中时的不平衡电流I.=K△ml/ndz.minKe式中:I:电动机的额定电流en:电流互感器的变比K K:可靠系数,取3〜4K△m:由于电流互感器变比未完全匹配产生的误差,一般取0.1在工程有用整定计算中可选取I d•二〔0.3〜0.6〕I/n。
dz.mine2〕比率制动系数K按最大外部短路电流下差动爱护不误动的条件,计算最大制动系数K=K K K f KKKfzqtxc式中:K:电流互感器的同型系数,K=0.5txtxK K:可靠系数,取2〜3KK:电流互感器的比误差,取0.1CK fzq:非周期重量系数,取1.5〜2.0fzq计算值K=0.3,但考虑电流互感器的饱和和暂态特性畸变的影max响,在工程有用整定计算中可选取K=0.3〜0.63、电流速断爱护整定原则:躲过电动机启动时的产生的最大电流,但在正常运行中又要有足够的灵敏度;1〕Izd=K.IstartKK为可靠系数,一般地Kk=1.31start为电动机启动的最大电流,该电流值可以通过启动电机时记录爱护中记录的最大电流取得;或依据动机标称启动电流得到;2〕假设Istart不好确定时,可依据下面推举进行计算1start;单鼠笼:Istart=(6~7)Ie双鼠笼:Istart=(4~5)Ie绕线式:Istart=(3〜4)IeIdz=K*Izd电动机启动过程中K=1,启动结束后K=0.5;即当电动机启动完成后速断定值自动降低为原定值的50%。
可有效地预防启动过程中因启动电流过大引起的误动,同时还能保证正常运行中爱护有较高的灵敏性。
《高压电动机综合保护装置定值计算》摘要:以四期循环水和主装置10kV电动机为例说明高压电动机综合保护装置定值的计算。
其中包括:1、相间过流Ⅰ段(速断);2、相间过流Ⅱ段(过流);3、负序过流Ⅰ段(I2>>)(不平衡负荷);4、负序过流Ⅱ段(I2>)(不平衡负荷);5、热过负荷保护;6、(灵敏)接地保护;7、低电压保护1、相间过流Ⅰ段(速断):功率在500kW以内,一般取电动机额定电流9-25倍;功率大于500kW,一般取电动机额定电流5-10倍,都是为了避开电动机起动电流。
那么速断定值为:其中,k1取9-25或者5-10,IN为电动机额定电流,CT变比为75/1。
延时0S动作于跳闸。
有些综保具有动态冷负荷起动功能,如果启用该功能,为了提高保护灵敏度,可以适当降低速断定值。
2、相间过流Ⅱ段(过流):考虑电动机不能超过额定工作状态,当检测到运行电流超过额定电流时,跳闸保护电动机,考虑保护的精度,延时8S动作。
其中,k2取1.1-1.6,IN为电动机额定电流,CT变比为75/1。
延时8S动作于跳闸。
3、负序过流Ⅰ段(I2>>)(不平衡负荷):考虑外部不对称故障产生的负序电流对保护的影响;母线电压不平衡产生的负序电流对保护的影响;CT断线的影响。
通常负序电流保护整定值取0.8倍额定电流。
其中,k3取1,IN为电动机额定电流,CT变比为75/1。
延时0.5S动作于跳闸。
4、负序过流Ⅱ段(I2>)(不平衡负荷):其中,k4取0.5(综保必须有CT断线闭锁功能),IN为电动机额定电流,CT变比为75/1。
延时5S动作于跳闸。
5、热过负荷保护:考虑到保护电动机过热,在接近满载时延时告警。
其中,k5取0.8-1.4,多取1,IN为电动机额定电流,CT变比为75/1。
延时10S动作于告警。
6、(灵敏)接地保护:前5个计算出来的定值都为二次值,接地保护考虑一次定值一般取5A或者2A,因为单独装设有零序CT,灵敏度较高,所以锅炉高压电动机取的2A,而四期高压电动机取的5A,那么四期二次定值为:其中零序CT变比为50/1。
一、电动给水泵组保护1.主要技术参数:额定容量:5400KW CT配置: 1000/5额定电压:6KV 额定电流I s:启动电流:6I n2.开关类型:真空断路器保护配置:HN2001 HN20413.HN2041定值整定:3.1电动机二次额定电流I e计算:I e=I n/n r=(1000/5)=(A)启动时间:8S3.2分相最小动作电流I seta、I setc:1)最小动作电流整定,保证最大负荷下不误动。
按标准继电保护用的电流互感器在额定电流下10P级的比值误差为 +3℅,即最大误差为6℅。
I dz = K k. 6℅I s/n lh =2××=取I seta= I setc=3.3制动系数K Z.的整定原则:保护动作应避越外部最大短路电流的不平蘅电流,K k应等于其比率制动曲线的斜率I dzmax/I resmax即K z = I dzmax/I resmax= (K k K fzq K st F j I kmax)/I kmax= ╳2╳╳=3.4差动保护时间:t dz=0 s3.5拐点制动电流I res =(额定电流作为拐点)4.HN2001定值整定:配置:速断保护,定时限过电流I段保护,正序电流定时限保护,负序电流定时限保护,低电压保护,零序定时限过电流保护,过载反时限保护(投信号).4.1电动机二次额定电流I e计算:I e=I n/n r=(1000/5)=(A)4.2速断保护I>>计算:启动时速断保护定值:按躲过电动机启动电流整定,可靠系数取。
启动电流6 I e根据设计院图纸。
I qd=6 I e=6×=(A)I dz =K k×I qd=×=灵敏度校验:取最小运行方式下电动机出口两相短路电流校核灵敏系数K lm:K lm=I(2) I dz=16520/4680>2.运行时速断保护定值:I dz= K k×3Ie=×3×= A保护动作时间:t取0秒.4.3定时限I段过电流保护:启动状态下,启动时保护动作电流整定:I Z= 2×=运行状态下,过电流保护整定::I r=×= 动作时间: t取4.4定时限I段过电流保护:启动状态下,启动时保护动作电流整定:I Z= 2×=运行状态下,过电流保护整定::I r=×= 动作时间: t取4.5正序定时限保护定值计算:正序电流定时限过流保护整定:启动状态下:I dz =K k×I qd=×=一次动作电流I dz计算:I dz=×200=4680(A)灵敏度校验:取最小运行方式下电动机出口两相短路电流校核灵敏系数K lm:K lm=I(2) I dz=16520/4680>2.运行状态下:I r=×=保护动作时间:t取秒.4.6负序电流定时限过流保护:负序电流定时限过流保护整定:启动状态下:I r=K k. I qd/n lh=×=运行状态下:I r= K k I e/n lh=×=保护动作时间: t取秒.4.7零序定时限过电流保护:根据限制6KV系统接地电流要求取接地一次动作电流10A。
一、循环水泵(4台)Pe=450KW Ue=6.3KV cos∮=0.8 变比:nl=100/5=20Ie=Pe/√3×Ue×cos∮=450/(1.732×6.3×0.8)=51.55AIqd=8×Ie=8×51.5=412A(是否是循环水泵启动电流)Ie2=51.55/20=2.57A(1)速断保护(过流I段)Idzj=Kk×Iqd/nl=1.2×8Ie/nl=1.2×412/20=24.74A延时Tzd=0s(2) 过流保护(过流II段,该保护在电动机起动过程中被闭锁)Idzj=Kk×Ie/nl=1.4×Ie/nl=1.4×51.55/20=3.61A延时Tzd=0.5s(3) 过负荷Ig= Kk ×Ie2/0.85=1.05×2.57/0.85=3.18A延时Tzd=6s(4)负序电流Idzj=Kk×Ie/nl=0.4×51.55/20=1.03A延时Tzd=0.5s(5) 起动时间tqd=15s, 电机厂家核实(6) 低电压Udzj=0.5Ue=65V延时Tzd=9s二、引风机Pe=900KW Ue=6.3KV cos∮=0.8 nl=150/5=30Ie=Pe/√3×Ue×cos∮=560/(1.732×6.3×0.8)=108.5AIqd=8I=8×108.5=868A(1).速断保护(过流I段)Idzj=Kk×Iqd/nl=1.2×8Ie/nl=1.2×868/30=34.72A延时Tzd=0s(2) 过流保护(过流II段,该保护在电动机起动过程中被闭锁)Idzj=Kk×Ie/nl=1.4×Ie/nl=1.4×108.5/30=5.06A延时Tzd=0.5s(3) 过负荷Ie2=108.5/30=5.06AIg= Kk ×Ie2/0.85=1.05×5.06/0.85=6.25A延时Tzd=6s(4)负序电流Idzj=Kk×Ie/nl=0.4×108.6/30=1.45A延时Tzd=0.5s(5) 起动时间tqd=20s 电机厂家核实(6) 低电压Udzj=0.5Ue=65V延时Tzd=9s高压电动机的几种常规保护一、电动机主要故障1、定子绕组相间短路、单相接地;2、一相绕组的匝间短路;3、电动机的过负荷运行;4、由供电母线电压降低或短路中断引起的电动机低电压运行;5、供电母线三相电压不平衡或一相断线引起电动机三相电流不平衡;6、由于机械故障、负荷过重、电压过低造成转子堵转的故障;二、电动机主要保护类型及实现的功能基于以上电动机运行过程中本身和供电母线、负荷变化等可能引起的电动机故障,电动机(尤其对于3~10K V 等级电机)可装设以下保护,以实现对电机的保护,或可称为电动机的主要保护。
低压电动机保护定值整定电动机的主要保护及计算一、速断保护1.速断高值:动作电流高定值Isdg计算。
按躲过电动机最大起动电流计算,即:Isdg=Krel×Kst×InIn=Ie/n TA式中 Krel——可靠系数1.5;Kst——电动机起动电流倍数(在6-8之间);In——电动机二次额定电流;Ie——电动机一次额定电流;n TA——电流互感器变比。
2. 速断低值:按躲过区外出口短路时电动机最大反馈电流计算。
厂用母线出口三相短路时,根据以往实测,电动机反馈电流的暂态值为5.8-5.9,考虑保护固有动作时间为0.04-0.06S,以及反馈电流倍数暂态值的衰减,取Kfb=6计算动作电流低定值,即:Isdd=Krel×Kfb×In=7.8In式中 Krel——可靠系数1.3;Kfb ——区外出口短路时最大反馈电流倍数,取Kfb=6。
3.动作时间整定值计算。
保护固有动作时间,动作时间整定值取:速断动作时间: tsd=0s.二、单相接地零序过电流保护(低压电动机)1.一次动作电流计算。
有零序电流互感器TA0的电动机单相接地保护,一次三相电流平衡时,由于三相电流产生的漏磁通不一致,于是在零序电流互感器内产生磁不平衡电流。
根据在不同条件下的多次实测结果,磁不平衡电流值均小于0.005Ip(Ip为平衡的三相相电流),于是按躲过电动机起动时最大不平衡电流计算,低电压电动机单相接地保护动作电流可取:I0dz=(0.05-0.15)Ie式中 I0dz——单相接地零序过电流保护一次动作电流整定值;Ie——电动机一次额定电流。
当电动机容量较大时可取:I0dz=(0.05-0.075)Ie当电动机容量较小时可取:I0dz=(0.1-0.15)Ie由于单相接地保护灵敏度足够,根据具体情况,I0dz有时可适当取大一些。
根据经验,低电压电动机单相接地保护一次动作电流一般取I0dz=10-40A。
高压整定值计算一、变压器保护计算:低压厂变保护配置:1.差动保护(大于2000KVA)2.速断过流3.延时过流4.过负荷信号5.负序过流保护6.高压侧零序信号及跳闸7.低压侧零序信号或跳闸8.温度启动/停止风扇、信号/跳闸9.瓦斯保护变压器容量计算公式:S=√3UI1、速断保护:2、过流保护:Idzj=Kk* I(3)2max/Ki Idzj=Kjx*Kgh* Ie/KiKk---可靠系数,取1.3 Kjx---接线系数,取1Ki--- CT 变比Kgh--- 过负荷系数,取4Ki--- CT 变比时限取0.5 ~0.7S3、过负荷保护:Idzj=Kk* Ie/Kf*KiKk---可靠系数,取1.1Kf--- 返回系数,取0.85Ki--- CT 变比时限取10 ~15S二、电动机保护:1.差动保护(大于2000KW)2.速断过流保护3.延时过流保护4.过负荷信号5.负序保护6.过热保护7.启动时间过长保护8.堵转保护9.零序保护10.过压保护11.低压保护12.电动机温度保护电动机启动电流倍数(5~7倍)1、电流速断保护:(1)异步电动机:其中:K k—可靠系数,DL型取1.4~1.6,GL型取1.6~1.8K jx —接线系数,接相上为1,相差上为√3I qd—电动机的启动电流I qd=n qd×I de=(5~6)I de;K i—电流互感器变比(2)同步电动机:①应躲过起动电流(按异步电动机速断保护公式计算)②应躲过外部短路时输出的电流:其中:K k—可靠系数,DL型取1.4~1.6,GL型取1.6~1.8K jx —接线系数,接相上为1,相差上为:K i—电流互感器变比;I’’dmax—最大运行方式时,外部三相短路时,同步电动机的反馈电流其中:X’’d—同步电动机次暂态电抗标么值;φe—电动机额定功率因数角;I e—电动机额定电流取其中最大者为同步电动机的速断保护值(3)速断保护灵敏系数校验:(同步电动机、异步电动机)其中:I(2)dmin—电机出口处最小两相短路电流;I dzj —速断保护动作电流值;K i—电流互感器变比2、纵联差动保护:(1)躲过下列不平衡电流,取其较大者:①异步或同步电动机,由起动电流引起的不平衡电流:其中:K k—可靠系数,取1.2~1.4I qd—电动机的启动电流I qd=n qd×I de=(5~6)I de;K i—电流互感器变比②躲过外部短路时,同步电动机输出电流引起的不平衡电流:其中:K k—可靠系数,取1.2~1.4—同步电动机外部三相短路时的输出电流;K i—电流互感器变比(2)纵联差动保护灵敏系数校验:其中:—保护装置安装处最小两相短路电流;I dz —纵差保护动作电流;K i—电流互感器变比2、过流保护:(1)动作电流:其中:K k—可靠系数,动作于信号时取1.1,动作于跳闸时取1.2~1.4K jx —接线系数,接相上为1,相差上为I e—电动机的额定电流;K f—返回系数,取0.85;K i—电流互感器变比(2)对同步电动机兼作失步保护的动作电流:其中:K jx —接线系数,接相上为1,相差上为I e—同步电动机的额定电流;K i—电流互感器变比(3)过流保护动作时限:应躲过电动机的起动时间,t>t qd,一般取10~15S3、过负荷保护:1)Idzj=Kk*Kjx* Ie/Kf*KiKk---可靠系数(异步机取1.2,同步机取1.4)Kf--- 返回系数,取0.85Ki--- CT 变比2)Idz1=Idzj*Ki两倍过负荷时限tol=150÷[(2*Idz1/Kjx*Ie)2—1]4、负序过电流保护:Idzj=0.8Ie/KiKi--- CT 变比动作时限取0.3S5、过电压保护:取110V,180S6、低电压保护:取70V,(5 ~10S)。
高压保护定值计算一、高压保护的基本原理高压保护是指在电力系统中对高压设备进行保护的措施,通过检测系统中的异常状态,及时采取控制措施,保护设备不受损坏,确保系统的安全稳定运行。
高压保护常采用的方法主要有距离保护、差动保护、过电压保护和过电流保护等。
其中,距离保护是根据故障点距离保护装置的距离来确定是否发生故障,并采取相应的保护动作;差动保护是通过比较电流的进出变压器、发电机等设备的差别,来判断是否发生故障;过电压保护和过电流保护则是通过检测电压和电流是否超过预设阈值来进行保护。
二、定值计算的方法距离保护是最常用的高压保护方法之一,可以在故障点处进行定位,避免了对系统的大面积停电。
距离保护的定值计算一般需要考虑故障电源电压、线路参数、负荷电流等因素。
具体计算方法可参考IEEE Std 242-2001《电力系统保护学》。
差动保护是通过比较电流进出变压器或发电机等设备的差别,来判断是否发生故障。
差动保护的定值计算一般需要考虑设备的额定电流、接线方式、变比和系统灵敏度等因素。
过电压保护是通过检测电压是否超过预设阈值来进行保护。
过电压保护的定值计算一般需要考虑系统的最大短路电流、设备的额定电压、过电压保护器的特性等因素。
过电流保护是通过检测电流是否超过预设阈值来进行保护。
过电流保护的定值计算一般需要考虑设备的额定电流、短路电流、设备的故障持续时间、过电流保护器的操作时间等因素。
三、定值计算需要考虑的因素1.设备的特性:不同类型的保护设备需要考虑的因素有所不同,如距离保护需要考虑设备的故障电源电压、线路参数等;差动保护需要考虑设备的额定电流、接线方式等。
2.系统参数:定值计算需要考虑的系统参数包括设备的额定电压、短路电流、系统电阻、电抗等。
3.故障特性:故障类型、故障电流、故障持续时间等故障特性也是进行定值计算时需要考虑的因素。
4.保护动作时间:保护设备的保护动作时间也需要考虑在定值计算中,以确保故障后能够及时采取保护措施,避免设备的损坏。
高压电动机保护整定方案整定计算说明:1、电动机起动电流按实测值,如无则暂按6倍额定电流计算;2、起动时间按一般轻载起动电动机取6s ;循环泵、电动给水泵、吸风机、送风机按6s ;一次风机、密封风机等按15s ;3、F-C 回路中接触器最大分断电流为4kA ;4、在电动机起动试验时,应实测电动机起动电流及起动时间,并根据实测值对保护定值进行重新调整;5、有关参数均按设计资料,如现场设备与设计不一致,则应按实际参数对保护定值进行修改1、电动给水泵保护1、参数及容量(1)电动机铭牌参数P e =3400kWI e =374A 保护CT 变比=600/5零序CT 变比=100/5(2)电动机额定二次电流计算3.1(A)5/600374==e I 取为3A(3)电动机额定启动电流计算18.7(A)5/6007436qde =⨯=⨯=TAeqd n I K I 取为19A(4)电动机启动时间整定值计算。
为保证电动机可靠启动,取 式中max .st t —电动机正常最长启动时间(s)。
电动机启动时间整定值取为t qd =10s 。
(5)电动机允许堵转时间整定值取为t yd =10s 。
2、电动机差动保护定值计算(1)差动速断电流计算。
按躲过电动机起动时最大不平衡电流计算,根据经验取I sd =(4~5)I e (大型发电机继电保护整定计算与运行技术第二版494页))(153.05A I cdsd =⨯=取为15A(2)最小动作电流I set 计算。
按经验公式I set =(0.3~0.4)I eI set =0.4I e =0.4×3=1.2A(3)比率制动系数K 计算。
按经验公式K=(0.4~0.5)取K=0.5(4)差动保护动作时间整定。
由于加装纵差动保护的电动机都用断路器切除短路电流,所以动作时间为固有动作时间,取t dz =0s ,保护投跳闸。
3、电动机综合保护定值计算 3.1、电流速断保护定值计算(1)高定值动作电流计算。
高压电动机的继电保护高压电动机的定子绕组和其引出线,一般应装设电流速断保护。
对生产过程中容易发生过载的电动机,应装设过负荷保护,过负荷保护可根据负荷特性带时限作用于信号、跳闸或自动减负荷装置。
对于高压电动机容量在2000kW以上的,在电流速断不能满足灵敏度要求时,应装设纵联差动保护。
当电源电压短时降低或短时中断后根据生产过程不允许或不需要自启动的电动机,以及为了保证重要电动机自启动而需要断开的次要电动机,应装设低电压保护,一般带有0.5~1.5s时限作用于跳闸,但是为了保证人身和设备的安全,在电源电压长时间小时后,须从系统中自动断开的电动机,也需要装设低电压保护,一般带有5~10s时限作用于跳闸。
一、高压电动机的相间短路保护-对于功率小于2000kW的电动机,常采用电流速断来作为电动机的相间短路保护,当灵敏度要求较高时,可以用DL型或GL型继电器构成两相不完全星型连接方式,其接线方式与电路线路或电力变压器的电路速断相同。
也可以采用两相差接线,即两相一继电器接线。
ZG电力自电流速断的动作电流按躲过电动机的最大启动电流来整定。
二、电动机的过压保护-过负荷保护可以采用一相一继电器接线,也可以采用两相两继电器不完全星型连接或两相差一继电器接线。
由于电动机装有电流速断保护,过负荷保护就可以利用GL型继电器的反时限过电流装置来实现过负荷保护。
过负荷的动作电流按躲过电动机的最大启动电流来整定。
过负荷保护的动作时间应大于电动机的启动时间,一般取10-16s,如用GL型继电器,可取两倍动作电流时的时间12-16s。
三、高压电机的低电压保护-当电压互感器一次测隔离开关断开时,低电压保护即退出工作,防止无动作。
对保护动作不重要的电动机,电压继电器按60%-70%额定电压整定,动作时间取0.5s;对动作较为重要的电动机,电压继电器按30%-50%额定电压整定,动作时间取5-10s。
四、高压电动机的差动保护-在小电流接地的供电系统中,可以采用两相两继电器的差动保护接线,差动保护的动作电流按躲过电动机额定电流In来整定,主要考虑二次回路断线时不至于引起误动作。
⾼压开关整定计算⽅法⾼低压开关过载、短路整定计算⽅法1、过载整定1140V系统负荷额定电流Ie=0.67 Pe (式⼆)3300V系统负荷额定电流Ie=0.23 Pe (式三)6000V系统负荷额定电流Ie=0.13 Pe (式四)Pe——开关所带总负荷功率,kw2、短路整定整定公式Iz≥IQe+KxΣIe (式五)IQe——开关所带负荷容量最⼤的电动机的起动电流电动机的起动电流是其本⾝额定电流的4~7倍,⼀般取6倍660V系统IQe=6Ie =6×1.15 Pmax (式六)1140V系统IQe=6Ie =6×0.67 Pmax (式七)ΣIe ——其余电动机的额定电流之和,A。
计算⽅法按式⼀和式⼆计算。
3、校验校验公式为:Id(2)/ Iz ≥1.5 (式⼋)1.5——保护装置的可靠动作系数。
为标准截⾯。
电缆换算关系如下:电缆截⾯(mm2)4 6 10 16 25 35 50换算系数11.97 8.11 4.75 3.01 1.91 1.37 1.00电缆截⾯(mm2)70 95 120 150换算系数0.73 0.53电⽹电压为127V时不同截⾯的换算长度表(m)表⼆:电缆截⾯(mm2)2.5 4 6 10换算系数1.64 1.00 0.58 0.34附表:压风机房主电动机0.8~0.85 0.8~0.85斜井带式提升机0.75 0.7主排⽔泵0.75~0.85 0.8综采⼯作⾯0.6~0.75 0.6~0.7掘进⼯作⾯0.3~0.4 0.6输送机和绞车0.6~0.7 0.7两台风机,每台15KW,所⽤电缆截⾯为70 mm2,末端负荷距变压器所⽤电缆共计150m,(1)过载电流整定:该系统为660V系统按公式⼀计算Ie=1.15Pe=1.15×(35KW+15KW)=57.5A取过流整定值58A.(2)短路电流整定:IQe 按公式六计算IQe =6Ie =6×1.15 PmaxIQe =6Ie=6×1.15 Pmax =6×1.15×35=241.5AKxΣIe =1×1.15×(15KW+15KW)=34.5AIz ≥IQe+KxΣIe =241.5A+34.5A=276A所以最⼩短路电流整定值为276A。
高爆开关整定计算原则一、计算原则与公式根据煤矿井下供电的三大保护细则:1、过载值:Ig ≤ϕcos3⋅⋅UePeIg……高压配电装置的过载整定值,A;Pe……高压配电装置所带负荷的额定功率之和,KW;Ue……高压配电装置的额定电压,KV;cosϕ……功率因数,取0.85;2、短路值:Iz ≥()∑+⨯IekI xQeK b4.1Iz……高压配电装置的短路电流整定值;IQe……容量最大的电动机额定起动电流,包括同时启动的几台电动机,A;Kb……矿用变压器的变压比,一次电压与二次电压的比值;∑Ie……其余已启动的除外电动机的额定电流之和;kx……需用系数,取1;对于电子式高压综合保护器,按电流互感器5A倍数分级整定:式中 n ……互感器二次额定电流5A 的倍数;Ige ……高压配电装置额定电流,A;3、对于Y/∆接线变压器,计算出的整定值灵敏度应按公式校验:5.13)2(≥z b d I k I I d 2……变压器低压侧两相短路电流,A;I z ……高压配电装置短路电流整定值;k b ……矿用变压器的变压比;4、公式S V X 2=、∑=X Vs I 33、∑=X V S 2、32866.0s s I I =X ……系统电抗V 2……系统电压S ……系统短路容量按上级供电部门给定系统短路容量,如果没有,按100MVA 计算 I s 3……稳态三相短路电流∑X ……短路回路的总电抗二、整定列表。
高压整定值计算一、变压器保护计算:低压厂变保护配置:1.差动保护(大于2000KVA)2.速断过流3.延时过流4.过负荷信号5.负序过流保护6.高压侧零序信号及跳闸7.低压侧零序信号或跳闸8.温度启动/停止风扇、信号/跳闸9.瓦斯保护变压器容量计算公式:S=√3UI1、速断保护:2、过流保护:Idzj=Kk* I(3)2max/Ki Idzj=Kjx*Kgh* Ie/KiKk---可靠系数,取1.3 Kjx---接线系数,取1Ki--- CT 变比Kgh--- 过负荷系数,取4Ki--- CT 变比时限取0.5 ~0.7S3、过负荷保护:Idzj=Kk* Ie/Kf*KiKk---可靠系数,取1.1Kf--- 返回系数,取0.85Ki--- CT 变比时限取10 ~15S二、电动机保护:1.差动保护(大于2000KW)2.速断过流保护3.延时过流保护4.过负荷信号5.负序保护6.过热保护7.启动时间过长保护8.堵转保护9.零序保护10.过压保护11.低压保护12.电动机温度保护电动机启动电流倍数(5~7倍)1、电流速断保护:(1)异步电动机:其中:K k—可靠系数,DL型取1.4~1.6,GL型取1.6~1.8K jx —接线系数,接相上为1,相差上为√3I qd—电动机的启动电流I qd=n qd×I de=(5~6)I de;K i—电流互感器变比(2)同步电动机:①应躲过起动电流(按异步电动机速断保护公式计算)②应躲过外部短路时输出的电流:其中:K k—可靠系数,DL型取1.4~1.6,GL型取1.6~1.8K jx —接线系数,接相上为1,相差上为:K i—电流互感器变比;I’’dmax—最大运行方式时,外部三相短路时,同步电动机的反馈电流其中:X’’d—同步电动机次暂态电抗标么值;φe—电动机额定功率因数角;I e—电动机额定电流取其中最大者为同步电动机的速断保护值(3)速断保护灵敏系数校验:(同步电动机、异步电动机)其中:I(2)dmin—电机出口处最小两相短路电流;I dzj —速断保护动作电流值;K i—电流互感器变比2、纵联差动保护:(1)躲过下列不平衡电流,取其较大者:①异步或同步电动机,由起动电流引起的不平衡电流:其中:K k—可靠系数,取1.2~1.4I qd—电动机的启动电流I qd=n qd×I de=(5~6)I de;K i—电流互感器变比②躲过外部短路时,同步电动机输出电流引起的不平衡电流:其中:K k—可靠系数,取1.2~1.4—同步电动机外部三相短路时的输出电流;K i—电流互感器变比(2)纵联差动保护灵敏系数校验:其中:—保护装置安装处最小两相短路电流;I dz —纵差保护动作电流;K i—电流互感器变比2、过流保护:(1)动作电流:其中:K k—可靠系数,动作于信号时取1.1,动作于跳闸时取1.2~1.4 K jx —接线系数,接相上为1,相差上为I e—电动机的额定电流;K f—返回系数,取0.85;K i—电流互感器变比(2)对同步电动机兼作失步保护的动作电流:其中:K jx —接线系数,接相上为1,相差上为I e—同步电动机的额定电流;K i—电流互感器变比(3)过流保护动作时限:应躲过电动机的起动时间,t>t qd,一般取10~15S 3、过负荷保护:1)Idzj=Kk*Kjx* Ie/Kf*KiKk---可靠系数(异步机取1.2,同步机取1.4)Kf--- 返回系数,取0.85Ki--- CT 变比2)Idz1=Idzj*Ki两倍过负荷时限tol=150÷[(2*Idz1/Kjx*Ie)2—1]4、负序过电流保护:Idzj=0.8Ie/KiKi--- CT 变比动作时限取0.3S5、过电压保护:取110V,180S6、低电压保护:取70V,(5 ~10S)。
高压电动机综合保护整定原则我公司高压电动机数量多,且功率较大,运行之初,因综保装置整定不合理跳停频繁,误动多次,有的电机已出现问题但保护还未启动,使故障扩大,水泥生产无法正常,所以我查阅了很多资料,还有根据多年的经验,总结出高压电动机的整定原则,经过按照以下原则重新整定后,我公司高压电动机跳停次数大大降低,电动机也得到了可靠的保护。
1.差动电流速断保护:按躲过电动机空载投入时最大暂态电流引起的不平衡电流量大部分以及短路时的不平衡电流整定一般取:Idz=KIe/n式中: Idz:差动电流速断的动作电流Ie:电动机的额定电流K:一般取6—122.纵差保护:1)纵差保护最小动作电流的整定,最小动作电流应大于电动机启动过程中时的不平衡电流Idzmin=Kk△mIe/n式中:Ie:电动机额定电流;n: 电流互感器器的变比Kk:可靠系数,取3~4△m:由于电流互感器变比未完全匹配产生的误差,一般取0.1在工程实用整定计算中可选取Idzmin=(0.3~0.6)Ie/n。
2)比率制动系数K 按最大外部短路电流下差动保护不误动的条件,计算最大制动系数K= Kk Kfzq Ktx Ke式中:Ktx:电流互感器的同型系数,Ktx=0.5Kk:可靠系数,取2~3Ke:电流互感器的比误差,取0.1Kfzq:非周期分量系数,取1.5~2.0计算值Kmax=0.3,但是考虑电流互感器的饱和和暂态特性畸变的影响,在工程实用整定计算中可选取K=0.5~1.03.相电流速断保护:)速断动作电流高值IsdgIsdg= Kk/Ist式中:Ist:电动机启动电流(A)Kk:可靠系数,可取Kk=1.32)速断电流低值IsddIsdd可取0.7~0.8 Isdg一般取0.7 Isdg3)速断动作时间tsd当电动机回路用真空开关或少油开关做出口时,取Tsd=0.06s,当电动机回路用FC做出口时,应适当以保证熔丝熔断早于速断时间。
电动机启动时间Tsd按电动机的实际启动时间并留有一定裕度整定,可取Tsd=1.2s 倍实际启动时间。
高压电动机综合保护整定计算方法的探讨曹岳红湖南岳阳巴陵石化公司(湖南岳阳414000)摘要通过对电动机负序电流产生原因和对保护的影响进行分析,对高压电动机综合保护的定值整定方法进行了探讨。
关键词电动机继电保护定值计算1 概述目前,在火电厂和其它工矿企业,开始采用综合保护装置作为高压电动机的保护。
这种综合保护装置一般为微机型,其主要功能如下:a.短路保护(即电流速断保护):由正序电流保护实现;b.断相及反相保护:由负序电流保护实现,为反时限特性;c.接地保护:采用零序电流互感器获取零序电流实现;d.过热保护:综合计及电动机的正序电流和负序电流的热效应,对电动机过载、启动时间过长和堵转提供保护。
并有热记忆功能,即过热保护跳闸后,不会立即启动,需等到电动机散热到允许启动时,才能再次启动;e.电动机保护的定值,采用启动过程中的定值与正常运行时的定值独立设置的方式,既可以保证启动时不误动,又能保证正常运行时的保护灵敏度。
2 综合保护整定计算中必须考虑的特殊问题由于综合保护采用了负序电流来实现断相等保护功能,同时,速断保护是由正序电流实现的。
因此,在保护的整定计算中必须考虑以下因素:外部不对称故障产生的负序电流对保护的影响;母线电压不平衡产生的负序电流对保护的影响;CT断线的影响;不对称短路故障对速断保护灵敏度的影响。
2.1电动机负序电流产生的原因2.1.1 电网参数不对称电网参数不对称包括正常运行时的电源电压不平衡和外部不对称短路产生的不对称电压。
这2种情况下都会产生负序电流。
a.正常运行时不平衡电压产生的负序电流设正常运行时不平衡电压所产生的负序电压为U2,此时电动机回路的负序电流为:式中:Ist 为电动机额定电压下的启动电流;Z-为负序阻抗;ZSC为启动阻抗;UN为电动机的额定电压。
由式(1)可知,由于电动机的启动电流Ist可达额定电流的5~8倍,因此,只要有很小的负序电压存在,也会产生较大的负序电流。
例如,设U2=0.05 UN,由于Ist=5~8IN,代入式(1)可得:I2=(5~8)IN(0.05UN/UN)=(0.25~0.4)IN即只要存在额定电压5%的负序电压,将会在电动机中产生达25%~40%额定电流的负序电流。
b .外部不对称短路产生的负序电流如果在电动机所属高压母线上或靠母线很近的其它设备上发生两相短路,将在非故障的电动机回路上产生很大的负序电流。
设在电动机所在高压母线上发生BC 相短路。
忽略系统阻抗的影响,这时式中E 1为系统电势,可认为E 1=U N ,且由于Z -=Z SC ,因此非故障电动机回路产生的负序电流为:由此可见,在电动机所在高压母线上或附近发生两相短路时,非故障的电动机回路将产生达电动机启动电流一半的负序电流,这在定值整定时是不容忽视的。
2.1.2 内部参数不对称造成电动机内部参数不对称的原因主要有:定子线圈相间短路、定子线圈匝间短路、定子线圈断线、转子断条等。
以实际运行中故障率较高的定子线圈一相断线为例进行分析。
根据故障分析法,当电动机定子线圈发生一相断线时,复合序阻抗图如图1所示。
由图1可得电动机定子线圈一相断线时的负序电流为:即负序电流为电动机启动电流的一半。
b .正常运行时一相断线正常运行时,电动机的转差率S一般约0.03~0.05,正序等值阻抗即为仍可认为与电动机的启动阻抗相等。
电动机的负荷等值阻抗,而负序等值阻抗Z-在正常运行的情况下电动机定子回路发生一相断线的瞬间,由于惯性,这时电动机的转差率基本保持不变,因此,仍可按正常运行的有关参数进行分析。
根据有关资料,正常运行时,电动机的功率因数约为0.9(相当于阻抗角为25°)左右,而电动机启动时,功率因数只有0.2~0.3(相当于阻抗角72°~78°)左右,即:由此可知,在正常运行时发生断相,在不考虑转差率变化的情况下,所产生的负序电流约为电动机额定电流的90%左右,由于负序电流的存在,将产生负序转矩,从而使合成转矩减少,如果维持负载转矩不变,将使电动机的转差率增大,从而使负序电流进一步增加,一般可达额定电流的110%。
2.2负序电流对保护的影响2.2.1 CT二次回路一相断线如果正常运行时发生CT二次回路一相断线,这时,通入继电器仅有一相电流,使得负序电流滤序器产生输出量。
例如,发生A相CT二次回路断线,这时=0,IA由此可见,正常运行时发生CT二次回路一相断线,产生了相当于电动机工作电流0.577倍的负序电流,可能造成保护的误动作。
因此,在定值整定计算中必须考虑CT断线的影响。
2.2.2 正常运行时不平衡电压产生的负序电流从2.1.1的分析可知,只要出现很小的负序电压,将在电动机中产生较大的负序电流。
这时,只要电源的不平衡电压在允许范围内,同时所产生的负序电流与正序电流的迭加值不超过电动机的额定电流,即电动机的工作电流不超过额定值是允许的,不会给电动机造成不利影响。
因此,没有必要由负序保护来切除。
但是,如果负序保护的定值整定过低,将造成保护的误动作。
2.2.3 外部不对称短路故障产生的负序电流在电动机所在高压母线上或靠母线很近的其它回路上(例如电动机和厂用分支)发生两相短路,将在非故障的电动机回路上产生达启动电流一半的负序电流,在这种情况下,如果故障设备的瞬动保护(如差动、电流速断)正确动作,则一般不会造成负序保护的误动。
但是,如果瞬动保护拒动,特别是当故障发生在厂分支上,这时必须依靠后备保护来切除,如果定值整定不当,负序电流保护将误动出口,这是不允许的。
因为当故障支路切除后或备用电源自投后,要求非故障的电动机自启动运行。
同样,单纯依靠提高负序电流保护的启动值,也是不允许的,因为从2.1.2的分析可知,在正常运行时电动机发生断相时所产生的负序电流只有额定电流的90%至110%左右,远小于外部两相短路时在非故障电动机中所产生的负序电流,因此,如果定值整定过高,在发生断相时,负序电流保护根本无法动作,失去了综合保护装置中负序电流保护单元应有的功能。
解决这一矛盾,只有通过时限来配合。
3 主要保护单元的整定方法3.1 电流速断保护电流速断保护仍按躲过电动机启动电流的原则整定。
但是,由于综合保护的电流速断是通过测量电动机的正序电流实现的,故定值计算及灵敏系数的校验方法与常规保护不同。
其方法如下:a.启动值I1.DZ式中I1.DZ 为正序电流保护整定值;KK为可靠系数,取1.3;Ist为电动机启动电流。
b.动作时间t1对于采用断路器控制的电动机,选择瞬时动作,即t1=0;对于F-C控制的电动机,由于短路故障由熔断器切除,而非接触器切除,应整定带一定的延时,一般取t1=0.3 S。
c.灵敏度校验根据规程规定,电动机的电流速断保护应保证在最小运行方式下,保护安装处两相短路时的灵敏系数大于2。
由于本保护单元是通过测量正序电流实现的,当发生两相短路时,所测得的正序电流为:已知同一地点两相短路电流与三相短路电流的关系为:因此,将式(7)代入式(6)得出两相短路时流入继电器的正序电流与三相短路电流的关系为:式中为最小运行方式下,保护安装处两相短路时的正序电流;为最小运行方式下,保护安装处两相短路电流;为最小运行方式下,保护安装处三相短路电流。
因此,为保证电动机启动过程中,发生两相短路时有足够的灵敏度,灵敏度应按下式进行校验:3.2负序电流保护3.2.1 启动值I2.ZD整定根据以上分析,负序电流保护的启动值整定原则是:a.躲过CT二次回路断线已知CT二次回路断线时,相当于在继电器中产生了一个0.577倍电动机负荷电流的负序电流,故启动值应为:I2.ZD ≥KK×0.577IN(10)b.在正常运行时电动机发生断相有足够的灵敏度已知电动机正常运行时发生断相,将产生电动机负荷电流约90%的负序电流,因此,为保证断相时负序保护可靠动作,负序电流保护启动值应为:I2.ZD ≤0.9IN/KLM(11)综合式(10)和(11),负序电流启动值的整定范围为:0.577KK IN≤I2.ZD≤0.9IN/KLM(12)式中:I2.ZD 为负序电流保护整定值;IN为电动机额定电流;KK为可靠系数,取1.15;KLM为灵敏系数,取1.1。
通常负序电流保护整定为0.8 IN即可。
c.动作时间τ2负序电流保护的反时限特性如下:式中:I2.eq 为流入继电器的负序电流与负序电流启动值之比,即:I2.eq=I2/I2.ZD;τ2为流入继电器的负序电流I2为整定值I2.ZD时的动作时间。
由于负序电流保护的动作时间t必须躲过外部两相短路时后备保护的动作时间,设所在母线后备保护的动作时间为t′,由式(2)和式(13),τ2可整定为:τ2=Ist(t′+Δt)/(2I2.ZD)(14)式中Δt为时间级差,取0.5 S。
应注意的是,有一些型号的综合保护装置的负序电流保护单元的反时限特性已由厂家固定,不能随意整定。
对于此类保护装置应根据厂家提供的反时限特性曲线进行校验,当不能满足选择性要求时,按以下原则进行处理:对于不要求自启动的电动机(如磨煤电动机),由于在后备保护动作出口前已由母线低电压保护动作(动作时间为0.5 S)跳闸,因此可按t′=0.5 S重新进行校验;对于要求自启动的电动机及按t′=0.5 S重新校验仍不满足选择性要求的电动机,则宜将负序保护单元退出。
4 结语微机型电动机综合保护装置已越来越得到普遍应用,其定值整定是否合理,直接影响到装置的应用效果和被保护对象的安全运行,需要用户在使用时认真仔细考虑,尤其是负序电流保护,运行启动过程中误跳情况较多,作者不赞同采取启动时将负序电流保护退出的简单办法,若能如文中所述,合理整定保护动作值,是能够处理好这些问题的。
湖南电力。