SG-A088接地装置安装工程检验批质量验收记录
- 格式:doc
- 大小:36.50 KB
- 文档页数:3
接地装置安装检验批质量验收记录表GB50303-2002美文欣赏1、走过春的田野,趟过夏的激流,来到秋天就是安静祥和的世界。
秋天,虽没有玫瑰的芳香,却有秋菊的淡雅,没有繁花似锦,却有硕果累累。
秋天,没有夏日的激情,却有浪漫的温情,没有春的奔放,却有收获的喜悦。
清风落叶舞秋韵,枝头硕果醉秋容。
秋天是甘美的酒,秋天是壮丽的诗,秋天是动人的歌。
2、人的一生就是一个储蓄的过程,在奋斗的时候储存了希望;在耕耘的时候储存了一粒种子;在旅行的时候储存了风景;在微笑的时候储存了快乐。
聪明的人善于储蓄,在漫长而短暂的人生旅途中,学会储蓄每一个闪光的瞬间,然后用它们酿成一杯美好的回忆,在四季的变幻与交替之间,散发浓香,珍藏一生!3、春天来了,我要把心灵放回萦绕柔肠的远方。
让心灵长出北归大雁的翅膀,乘着吹动彩云的熏风,捧着湿润江南的霡霂,唱着荡漾晨舟的渔歌,沾着充盈夜窗的芬芳,回到久别的家乡。
我翻开解冻的泥土,挖出埋藏在这里的梦,让她沐浴灿烂的阳光,期待她慢慢长出枝蔓,结下向往已久的真爱的果实。
4、好好享受生活吧,每个人都是幸福的。
人生山一程,水一程,轻握一份懂得,将牵挂折叠,将幸福尽收,带着明媚,温暖前行,只要心是温润的,再遥远的路也会走的安然,回眸处,愿阳光时时明媚,愿生活处处晴好。
5、漂然月色,时光随风远逝,悄然又到雨季,花,依旧美;心,依旧静。
月的柔情,夜懂;心的清澈,雨懂;你的深情,我懂。
人生没有绝美,曾经习惯漂浮的你我,曾几何时,向往一种平实的安定,风雨共度,淡然在心,凡尘远路,彼此守护着心的旅程。
沧桑不是自然,而是经历;幸福不是状态,而是感受。
6、疏疏篱落,酒意消,惆怅多。
阑珊灯火,映照旧阁。
红粉朱唇,腔板欲与谁歌?画脸粉色,凝眸着世间因果;未央歌舞,轮回着缘起缘落。
舞袖舒广青衣薄,何似院落寂寞。
风起,谁人轻叩我柴扉小门,执我之手,听我戏说?7、经年,未染流殇漠漠清殇。
流年为祭。
琴瑟曲中倦红妆,霓裳舞中残娇靥。
接地装置安装分项工程质量验收记录接地装置是电力系统中非常重要的设备之一,其安装质量直接关系到人身安全和电力系统的正常运行。
为了保证接地装置的安装质量,需要进行分项工程质量验收。
以下是一份接地装置安装分项工程质量验收记录:一、验收目的本次接地装置安装分项工程质量验收旨在确认接地装置的安装过程符合相关标准和规范要求,确保接地装置的质量达到设计要求,并为后续的电力系统运行提供安全保障。
二、环境条件本次接地装置安装分项工程质量验收的环境条件如下:1.温度范围:15℃~35℃;2.相对湿度:不大于85%;3.空气清新度:没有明显的腐蚀性气体和粉尘。
三、验收内容本次接地装置安装分项工程质量验收的内容包括但不限于以下方面:1.接地装置的安装位置是否符合设计要求,接地装置与其他设备之间的距离是否满足规范要求;2.接地装置粘结剂的类型和使用是否符合要求,粘结剂的固化时间和黏度是否符合规范要求;3.接地装置的接地体材料和规格是否符合设计要求,接地体的连接方式是否可靠;4.接地装置的接地电阻是否符合规范要求,接地电阻测量的方法和仪器是否准确;5.接地装置与其他地下设备的接地体是否连接良好,接地装置与设备之间的引线及连接点是否牢固;6.接地装置的标志是否清晰可见,是否与其他标志区分明确;7.接地装置的绝缘电阻是否符合要求,接地体与地面之间的绝缘电阻测试是否准确。
四、验收方法本次接地装置安装分项工程质量验收采用以下方法:1.目测检查:对接地装置的安装位置、粘结剂使用情况、接地体材料和规格等进行目视检查;2.测量和测试:使用合适的测试仪器对接地电阻和绝缘电阻进行测量;五、验收结果经过对接地装置安装分项工程的检查和测试,验收人员认为该工程的安装质量符合相关标准和规范要求,接地装置的安装位置合理,粘结剂使用正确,接地体连接可靠,接地电阻和绝缘电阻均在规范范围内。
因此,本次接地装置安装分项工程质量验收结果为合格。
六、存在问题和建议根据实际验收情况,发现以下问题和提出建议:1.部分接地装置的标志不够清晰可见,建议加强标志的制作和安装工作;2.部分接地装置与其他地下设备的接地体连接不够牢固,建议加强接地装置的连接点固定工作;3.一些接地电阻测试结果较大,可能是由于设备安装不良造成的,建议进行排查和修复;4.施工单位应加强对施工人员的管理和培训,确保施工操作符合标准和规范要求。
接地装置检验批质量验收记录一、工程概况项目名称:XXXX接地装置安装工程施工单位:XXXX有限公司验收单位:XXXX检测中心验收时间:XXXX年XX月XX日二、施工条件及材料准备1.施工条件接地装置的施工地点为XXXX工地,施工环境较为复杂。
施工单位按照工程要求进行了现场勘测和施工准备,确保了施工条件满足要求。
2.材料准备施工单位按照设计方案,准备了符合国家标准的优质材料。
材料包括接地体、接地极、连接材料等。
三、施工过程1.施工准备施工单位按照设计方案进行了施工准备工作。
先对施工区域进行了标识,并清理了施工区域。
确定了接地体和接地极的安装位置,并准备了相应的材料。
2.接地体安装根据设计要求,施工人员挖掘了适当的深度和直径的坑洞,并按照设计要求放入接地体。
根据实际情况进行了排列,并进行了初步的固定。
3.接地极安装施工人员将接地极与接地体连接,并按照设计要求进行了固定。
同时,施工人员进行了接地极的安装调整,以确保接地极垂直。
4.连接材料安装施工人员按照设计要求,连接了接地体、接地极和主接地网等。
连接过程中,施工人员使用了合适的连接材料,并严格按照要求检查了连接是否牢固。
5.验收施工单位完成接地装置的安装后,通知验收单位进行验收工作。
验收单位按照现行国家标准和相关规定对接地装置进行了检测和验收。
验收包括表面检查、电阻测量等。
四、检验结果1.表面检查接地装置的表面没有发现明显的破损、损坏和锈蚀等情况;接地体和接地极的连接部位也没有松动和变形的现象。
2.电阻测量验收单位对安装完成的接地装置进行了电阻测量。
主要测量了接地体与接地极间的接触电阻及总电阻。
测量结果显示,接地体与接地极间的接触电阻在要求的范围内,总电阻符合设计要求。
五、验收结论根据对接地装置的检测和验收结果,我单位作出以下结论:接地装置的安装质量符合设计要求和相关标准,达到了验收标准。
六、存在的问题及处理意见在施工过程中,我们发现了以下问题,并提出了相应的处理意见:1.接地体与接地极连接处有些松动,可能会对接地装置的稳固性造成一定影响。
SG-A088
接地装置安装工程检验批质量验收记录
SG—A088续
四川省建设厅制
SG-A088填写说明
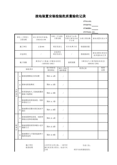
一、本表适用于人工接地装置,(扁钢、圆钢)和利用建筑物基础钢筋的接地装置及接地模块等安装工程的质量验收。
二、该分顼工程的检验批可按工程特点和区域来划分。
三、主控项目中:
人工接地装置或利用建筑物基础钢筋的接地装置必须在地面以上按设计要求位置设测试点;测试接地装置的接地电阻值必须符合设计要求,接地模块应垂直或水平就位,不应倾斜设置,保持与原土层接触良好。
四、一般项目中:
接地扁钢与钢管、角钢焊接,紧贴角钢外侧两面或紧贴3/4钢管表面上下两侧施焊;当设计无要求时,接地装置的材料采用钢材热浸镀锌处理,最小允许规格尺寸应符合规范中表24.2.2的规定。
检查方法:见本规范第28、0、7条。
接地装置安装分项工程质量验收记录(精)一、验收前准备接地装置安装分项工程质量验收前,应做好以下准备工作:1.充分了解接地装置的安装图纸、规格书、验收标准等相关技术资料;2.对接地材料、接地装置进行质量检测,确保符合要求;3.对安装易引发危险的现场周围进行安全隔离;4.确认工程竣工前应验收的工作量清单和验收标准;5.按照竣工验收方案组织验收。
二、验收内容根据规范要求,接地装置安装分项工程的验收内容包括:1.接地装置的布线与接线符合设计要求,连接牢固、无短路、无漏电;2.接地装置材料的质量符合标准,且使用寿命长;3.接地装置的视察、试验记录合格;4.接地装置的附属设施、安全设备的使用和管理符合规范要求。
三、验收方法接地装置安装分项工程的验收方法主要包括实测和抽样检查等。
1.实测方法通过检查布线、接线是否符合设计要求,对接地装置进行电气参数的实测,判断接地装置的合格性。
2.抽样检查方法对该项目材料的质量、管理及验收记录进行抽样检查,通过抽样检查的方法,检查项目的完整性和一致性,确保项目的质量符合标准要求。
四、验收结果经过对接地装置安装分项工程的实测和抽样检查,该项目的各项指标均符合设计要求和相关规范的标准,验收结果均为合格。
其中,以下是具体的验收结果:1.接地装置的材料质量符合标准,使用寿命长;2.接地装置的布线与接线符合设计要求,连接牢固、无短路、无漏电;3.接地装置附属设施、安全设备的使用和管理符合规范要求。
五、验收接地装置安装分项工程通过本次验收,所有指标均符合设计要求和相关规范标准,验收为合格。
对此,我们建议:1.在项目验收结束后及时对现场做好整理与清理工作,归档相关的验收资料并妥善保管;2.出具相应的验收资料,作为下一步工作的基础,以便对工程后期的运行检测与维护提供技术支持。
六、后续跟踪接地装置安装分项工程质量验收结束后,应对接地装置的运行状态进行跟踪检测,如出现问题及时解决,保证接地装置的安全使用。
接地装置安装工程检验批质量验收记录接地装置是保证电气设备和设施安全可靠运行的重要设备,为了确保接地装置的安装工程质量符合相关技术标准和规范要求,进行检验批质量验收是必不可少的环节。
以下是接地装置安装工程检验批质量验收记录的示例,供参考:1.项目概况项目名称:XXX工程接地装置安装工程项目地点:XXX施工单位:XXX公司检验单位:XXX公司检验人员:XXX2.检验依据本次接地装置安装工程的检验依据包括但不限于以下文件:-《电气装置接地设计规范》-《电气装置工程质量验收规范》-《电气装置施工与质量验收技术规程》3.检验内容本次检验主要包括以下方面的内容:-接地极、接地线、接地盘等接地设备的安装情况-接地装置与电气设备的连接情况-接地装置的防腐措施是否符合要求-接地设备的质量检验4.检验方法本次检验采用现场实地勘查和检测设备,通过直观观察、测量和检测等方式进行。
5.检验结果根据对接地装置安装工程现场勘查和检测的情况,得出以下检验结果:-接地极、接地线、接地盘等接地设备安装牢固,无松动现象。
-接地装置与电气设备之间的连接紧密可靠。
-接地装置采取了防腐措施,符合相关标准要求。
-接地设备的质量合格,无明显缺陷。
6.检验结论根据对接地装置安装工程的检验结果,得出以下检验结论:本次接地装置安装工程符合《电气装置接地设计规范》、《电气装置工程质量验收规范》和《电气装置施工与质量验收技术规程》的要求,经检验合格。
7.建议和意见本次接地装置安装工程中,施工单位可进一步加强对接地极、接地线等接地设备的安装质量控制,确保其安装牢固可靠。
检验单位建议施工单位在施工过程中,加强对接地装置连接部位的检查和监管,确保连接紧密可靠。
8.备注无。
以上就是接地装置安装工程检验批质量验收记录的示例。
实际操作中,应根据具体项目的情况进行调整和完善,确保质量验收记录详实准确。