信号点灯电路
- 格式:doc
- 大小:4.41 MB
- 文档页数:16
简述信号点灯电路的工作原理信号点灯电路是一种常见的电子电路,主要用于指示设备或者机器的状态,例如交通信号灯、电子产品的指示灯等。
本文将详细介绍信号点灯电路的工作原理。
信号点灯电路的组成部分信号点灯电路主要由以下几个组成部分构成:1. 电源:为整个电路提供电力。
2. 信号源:产生需要指示的信号。
3. 信号处理电路:对信号进行相应的转换和处理。
4. 灯泡:用于指示信号状态。
5. 电阻:用于限制电流的流动。
6. 开关:用于控制电路的开关状态。
信号点灯电路的工作原理信号点灯电路的工作原理是:当信号源发出信号时,信号处理电路会将信号转换成相应的电信号,并将其传输到灯泡中,灯泡便会亮起来,来指示相应的信号状态。
信号源可以是各种类型的传感器、开关等,例如温度传感器、声音传感器、光敏开关等。
当信号源感应到相应的信号时,就会发出相应的信号。
信号处理电路会对信号进行处理,将其转换成相应的电信号。
不同类型的信号需要不同的处理方式,例如模拟信号需要进行模数转换,数字信号需要进行解码等。
灯泡一般使用LED灯,因为LED灯具有耗电量小、寿命长、亮度高等优点。
当信号处理电路将信号转换成电信号后,电信号会通过电阻流入灯泡,LED灯便会亮起来。
为了控制电路的开关状态,通常会在电路中加入开关。
当开关打开时,电路会通电,灯泡便会亮起来;当开关关闭时,电路断电,灯泡便会熄灭。
需要注意的是,为了保证灯泡的寿命和安全性,需要在电路中加入适当的电阻,用于限制电流的流动。
电阻的阻值需要根据具体情况进行选择。
总结信号点灯电路是一种常见的电子电路,主要用于指示设备或者机器的状态。
它由电源、信号源、信号处理电路、灯泡、电阻和开关等组成部分构成。
当信号源发出信号时,信号处理电路会将信号转换成相应的电信号,并将其传输到灯泡中,灯泡便会亮起来,来指示相应的信号状态。
为了保证灯泡的寿命和安全性,需要在电路中加入适当的电阻,用于限制电流的流动。
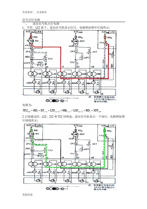
信号点灯电路一、 进站信号机点灯电路1、平时,LXJ 落下,进站信号机显示红灯,电路图如图中红线所示:电路为:2201564143111263612220XJZ RD DJ LXJ HB LXJ RD XJF -----------.2正线通过时,LXJ 、ZXJ 和TXJ 均吸起,进站信号机显示一个绿灯,电路图如图中绿线所示:电路为:220156414281822122111262612220XJZ RD DJ LXJ ZX J TXJ LB LXJ RD XJF ---------------3、正线接车时,LXJ 和ZXJ 均吸起,进站信号机显示一个黄灯,电路图为图中蓝色线所示:电路为:2201564142818221232123111262612220XJZ RD DJ LXJ ZXJ TXJ LUXJ UB LXJ RD XJF -----------------4、站线接车时,LXJ 显示两个黄色灯光,首先接通第二个黄灯电路,其电路为图中红色线所示电路为:11132203567172717311126261222022XJZ RD DJ LXJF ZXJ TXJ UB LXJ RD XJF ---------------该电路2DJ 吸起证明第二黄灯完好,之后接通第一黄灯点灯电路,其电路如图中蓝色线所示:电路为:562201414281832122212311122XJZ RD DJ LXJ ZXJ DJ LUXJ UB --------------62612220LXJ RD XJF ---5、建立通过第一个车场到下一个车场去时:由于ZXJ 和LUXJ 励磁吸起,TXJ 都失磁落下,所以接通的是LB 绿灯和2UB 黄灯电路,该点灯电路先接通第二黄灯电路,后接通绿灯电路,其第二黄灯电路为如图中蓝色线所示:电路为:2203567172717211121113111222XJZ RD DJ LXJF ZXJ LUXJ TXJ UB -------------62612220LXJ RD XJF ----该电路2DJ 吸起证明第二黄灯完好,然后接通绿灯点灯电路,其电路为图中蓝色线所示:其电路为:562201414281822123212231322XJZ RD DJ LXJ ZXJ TXJ LUXJ DJ -------------111262612220LB LXJ RD XJF ------6、引导接车:LXJ 失磁落下,而引导信号继电器YXJ 励磁吸起,因此,这时接通的是HB 红灯电路和YBB 月白灯电路,红灯电路为图中红线所示:电路为:2201564143111263612220XJZ RD DJ LXJ HB LXJ RD XJF -----------. 月白灯电路为图中蓝色线所示:其电路为:2203567173717211126261636122202XJZ RD DJ LXJF YXJ YBB YXJ LXJ RD XJF ---------------7、经18#及其以上道岔侧向位置时,进站信号机显示黄闪和黄色灯光,先接通二黄灯电路,后接通黄灯闪光电路。
简述信号点灯电路的工作原理信号点灯电路是一种常见的电子电路,主要作用是在指示灯的控制下,通过开关控制电路的通断,从而实现对设备或系统状态的监测。
本文将从信号点灯电路的定义、工作原理、应用场景等方面对其进行详细介绍。
一、信号点灯电路的定义信号点灯电路是一种基于开关控制的电子电路,其主要作用是通过指示灯来监测设备或系统状态。
它通常由开关、指示灯、电源等组成,并且可以根据需要进行扩展和升级。
二、信号点灯电路的工作原理1. 基本原理信号点灯电路的基本原理是利用开关控制电流的通断,从而实现指示灯亮起或熄灭。
当开关处于闭合状态时,它会将正极和负极相连,导致整个回路形成一个闭合回路,此时电流可以顺畅地流过整个回路。
当开关处于断开状态时,整个回路就会被打断,因此无法形成完整的闭合回路。
这时候就不会有任何电流通过开关和指示灯。
2. 具体步骤具体来说,信号点灯电路的工作原理可以分为以下几个步骤:(1)首先,电源将电流输入到电路中。
(2)接着,开关控制电流的通断。
当开关处于闭合状态时,电流可以沿着回路顺畅地流动;当开关处于断开状态时,整个回路就会被打断,因此无法形成完整的闭合回路。
(3)如果指示灯连接在闭合回路中,则在开关闭合的情况下,指示灯就会亮起;反之,在开关断开的情况下,指示灯就会熄灭。
三、信号点灯电路的应用场景信号点灯电路广泛应用于各种设备和系统中,主要用于监测设备或系统状态。
以下是一些常见的应用场景:1. 工业自动化控制在工业自动化控制领域中,信号点灯电路通常用于监测机器和设备的运行状态。
例如,在生产线上安装了多个指示灯,并通过信号点灯电路来实现对生产线运行状态的监测和控制。
2. 交通信号控制在交通领域中,信号点灯电路被广泛应用于交通信号控制系统中。
例如,在交通信号灯中,红、黄、绿三个指示灯就是通过信号点灯电路来控制的。
3. 家用电器在家用电器中,信号点灯电路通常用于监测设备的开关状态。
例如,在洗衣机、空调等家用电器中,指示灯就是通过信号点灯电路来实现对设备状态的监测。
信号点灯电路一、 进站信号机点灯电路1、平时,LXJ 落下,进站信号机显示红灯,电路图如图中红线所示:电路为:2201564143111263612220XJZ RD DJ LXJ HB LXJ RD XJF -----------.2正线通过时,LXJ 、ZXJ 和TXJ 均吸起,进站信号机显示一个绿灯,电路图如图中绿线所示:电路为:220156414281822122111262612220XJZ RD DJ LXJ ZX J TXJ LB LXJ RD XJF ---------------3、正线接车时,LXJ 和ZXJ 均吸起,进站信号机显示一个黄灯,电路图为图中蓝色线所示:电路为:2201564142818221232123111262612220XJZ RD DJ LXJ ZXJ TXJ LUXJ UB LXJ RD XJF -----------------4、站线接车时,LXJ 显示两个黄色灯光,首先接通第二个黄灯电路,其电路为图中红色线所示电路为:11132203567172717311126261222022XJZ RD DJ LXJF ZXJ TXJ UB LXJ RD XJF ---------------该电路2DJ 吸起证明第二黄灯完好,之后接通第一黄灯点灯电路,其电路如图中蓝色线所示:电路为:562201414281832122212311122XJZ RD DJ LXJ ZXJ DJ LUXJ UB --------------62612220LXJ RD XJF ---5、建立通过第一个车场到下一个车场去时:由于ZXJ 和LUXJ 励磁吸起,TXJ 都失磁落下,所以接通的是LB 绿灯和2UB 黄灯电路,该点灯电路先接通第二黄灯电路,后接通绿灯电路,其第二黄灯电路为如图中蓝色线所示:电路为:2203567172717211121113111222XJZ RD DJ LXJF ZXJ LUXJ TXJ UB -------------62612220LXJ RD XJF ----该电路2DJ 吸起证明第二黄灯完好,然后接通绿灯点灯电路,其电路为图中蓝色线所示:其电路为:562201414281822123212231322XJZ RD DJ LXJ ZXJ TXJ LUXJ DJ -------------111262612220LB LXJ RD XJF ------6、引导接车:LXJ 失磁落下,而引导信号继电器YXJ 励磁吸起,因此,这时接通的是HB 红灯电路和YBB 月白灯电路,红灯电路为图中红线所示:电路为:2201564143111263612220XJZ RD DJ LXJ HB LXJ RD XJF -----------.月白灯电路为图中蓝色线所示:其电路为:2203567173717211126261636122202XJZ RD DJ LXJF YXJ YBB YXJ LXJ RD XJF ---------------7、经18及其以上道岔侧向位置时,进站信号机显示黄闪和黄色灯光,先接通二黄灯电路,后接通黄灯闪光电路;黄闪电路为:电路为:220156414281832122212231322202XJZ RD DJ LXJ ZXJ DJ CTXJ SNJ -------------111261622220UB LXJ RD XJF ------二、 出站兼调车信号机点灯电路(一)两方向出站兼调车信号机点灯电路 1、信号机设置机构:错误!、位于正线上方的出站兼调车信号机采用高柱信号机,设有三个信号机构5个灯位;灯光由上至下排列为U 、L 、H 、2L 和B ;错误!、到发线出站兼调车信号机设置为矮柱型信号机,用两个信号机构,并拍设置;靠近线路侧用一个两显示信号机构,从上至下灯光为B 、H ;并排设置;另一个三显示信号机构,从上至下灯光为L 、U 、和2L ; 1、 两方向出站兼调车信号机点灯电路原理图用主信号继电器ZXJ 的接点来区分点一个绿灯或两个绿灯的作用:用于反应区间第二离去区段占用或出清情况的2LQJ 用来区分一绿和一黄; 2、 出站兼调车信号机在各种情况下接通的点灯电路如下:1、平时,LXJ 和DXJ 均落下,出站兼调车信号机显示红灯,其电路为:22015641436163111263612220XJZ RD DJ LXJ DXJ HB LXJ RD XJF -------------2、向主要方向发车,前面有两个以上的闭塞分区空闲时,LXJ 、ZXJ 和2LQJ 均吸起,出站兼调车信号机显示一个绿灯,其电路为:22015641428182111261622220-----3、向主要方向发车,前面有一个闭塞分区时,LXJ 和ZXJ 均吸起,2LQJ 落下,出站兼调车信号机显示一个黄灯,其电路为:220156414281821112616222202XJZ RD DJ LXJ ZXJ LQJ UB LXJ RD XJF --------------后接点4、向次要方向发车,LXJ 吸起,ZXJ 落下,出站兼调车信号机显示两个绿灯;2L 灯电路为:22015671727173111261622220-----当2L 灯亮灯、2DJ 吸起后,接通1L 灯电路,其电路为:2201564142818311121112616222202XJZ RD DJ LXJ ZXJ DJ LB LXJ RD XJF ---------------5、办理调车进路时,DXJ 吸起,出站兼调车信号显示月白灯光;其电路为:22015641436162111261622220XJZ RD DJ LXJ DXJ BB LXJ RD XJF -------------(二)三方向出站兼调车信号机点灯电路 1、正方向发车二离去有车占用:2LQJ 落下,出站信号机亮黄灯,电路如图蓝色线所示:电路为:6261220F LXJ XJZ ----二离去空闲,三离去被占用,3LQJ 落下出站信号机点亮绿黄灯,绿灯电路如下图图中蓝色线所示:电路为:黄灯如下图蓝色线所示:电路为:二三离去均空闲出站信号机点亮绿灯,锦路表示器的B-A 白灯点亮,电路图如图中蓝色线所示:绿灯电路为:复视器接通电路为:22056616211122203XZJ DJ LXJF ZXJ F B A B H F XJF ---------------2、反方向发车反方向发车时,主信号继电器ZXJ 落下,区间反方向继电器QFJ 吸起,进路表示器的B-B 白灯亮灯指示反向发车,电路如图中蓝色线所示:XJZ220—DJ5-6—LXJ41-42—ZXJ81-83—3DJ11-12—F—L—LUH—F—LXJ62-61—XJF220复视器接通电路:XJZ220—3DJ5-6—LXJF61-62—ZXJ11-13—QFJ11-12—F-—B-B—B-H—F—LXJF82-81—XJF2203、向东郊方面发车向东郊方向发车,主信号继电器ZXJ落下,3DJ吸起接通绿灯电路,进路表示器的B-C白灯亮灯,电路如图中蓝色线所示:绿灯电路为:XJZ220—DJ5-6—LXJ41-42—ZXJ81-83—3DJ11-12—F—L—LUH—F—LXJ62-61—XJF220复视器接通电路为:XJZ220—3DJ5-6—LXJF61-62—ZXJ11-13—QFJ11-13—F-—B-C—B-H—F—LXJF82-81—XJF220三、调车信号机点灯电路当XJ的吸起,点亮月白灯允许调车,用蓝色线表示电路为:22015661622220XJZ RD DJ XJ RD XJF ------- 当XJ 的落下,点亮蓝灯禁止调车,用蓝色线表示;电路为:22015661632220XJZ RD DJ XJ RD XJF -------。
出站信号机点灯电路原理出站信号机是铁路系统中的重要设备,用于指示列车驶出车站。
其中,点灯电路是出站信号机的关键部分之一。
本文将介绍出站信号机点灯电路的原理及其工作流程。
出站信号机点灯电路的原理是基于电路的开闭来实现信号灯的亮灭。
电路中的各个元件如电源、开关、电线等协同工作,使信号机的灯光能够按照预定的规则进行点亮和熄灭,提供准确的信息给驾驶员和乘客。
点灯电路的基本组成包括电源、信号灯、继电器和控制开关。
电源为整个电路提供所需的电能,通常采用交流电源或直流电源。
信号灯是通过电流的传导来点亮的装置,通常使用LED灯或白炽灯。
继电器是控制信号灯点亮和熄灭的关键元件,它能够根据控制信号的输入状态,切换电路的开闭状态。
控制开关则是由驾驶员或信号员操控的装置,用于发送信号给继电器,控制信号灯的亮灭。
当驾驶员或信号员操作控制开关时,控制信号将被送至继电器。
继电器根据控制信号的输入状态,通过电磁原理来切换电路的开闭状态。
当继电器闭合时,电流从电源经过继电器流向信号灯,使其点亮。
反之,当继电器断开时,电流被切断,信号灯则熄灭。
这样,通过控制开关的操作,驾驶员或信号员可以实现对信号灯的远程控制。
为了确保出站信号机的安全性和可靠性,点灯电路通常采用双重回路设计。
即在两个独立的电路中分别设置继电器和信号灯。
这样,即使一个电路出现故障,另一个电路仍然可以正常工作,保证信号灯的正常点亮和熄灭。
除了基本的点灯电路,出站信号机还可配备其他功能模块,如故障检测、亮度调节等。
故障检测模块能够监测电路中的故障情况,一旦出现故障,将自动报警并切断电路,避免可能的安全隐患。
亮度调节模块则可以根据环境亮度的变化,自动调节信号灯的亮度,提高可视性。
出站信号机点灯电路是通过电路的开闭来实现信号灯的点亮和熄灭。
它的原理是基于电流的传导和继电器的工作原理,通过控制开关的操作来控制信号灯的亮灭。
点灯电路通常采用双重回路设计,以确保出站信号机的安全性和可靠性。
信号点灯电路一、 进站信号机点灯电路1、平时,LXJ 落下,进站信号机显示红灯,电路图如图中红线所示:电路为:2201564143111263612220XJZ RD DJ LXJ HB LXJ RD XJF -----------.2正线通过时,LXJ 、ZXJ 和TXJ 均吸起,进站信号机显示一个绿灯,电路图如图中绿线所示:电路为:220156414281822122111262612220XJZ RD DJ LXJ ZX J TXJ LB LXJ RD XJF ---------------3、正线接车时,LXJ 和ZXJ 均吸起,进站信号机显示一个黄灯,电路图为图中蓝色线所示:电路为:2201564142818221232123111262612220XJZ RD DJ LXJ ZXJ TXJ LUXJ UB LXJ RD XJF -----------------4、站线接车时,LXJ 显示两个黄色灯光,首先接通第二个黄灯电路,其电路为图中红色线所示电路为:11132203567172717311126261222022XJZ RD DJ LXJF ZXJ TXJ UB LXJ RD XJF ---------------该电路2DJ 吸起证明第二黄灯完好,之后接通第一黄灯点灯电路,其电路如图中蓝色线所示:电路为:562201414281832122212311122XJZ RD DJ LXJ ZXJ DJ LUXJ UB --------------62612220LXJ RD XJF ---5、建立通过第一个车场到下一个车场去时:由于ZXJ 和LUXJ 励磁吸起,TXJ 都失磁落下,所以接通的是LB 绿灯和2UB 黄灯电路,该点灯电路先接通第二黄灯电路,后接通绿灯电路,其第二黄灯电路为如图中蓝色线所示:电路为:2203567172717211121113111222XJZ RD DJ LXJF ZXJ LUXJ TXJ UB -------------62612220LXJ RD XJF ----该电路2DJ 吸起证明第二黄灯完好,然后接通绿灯点灯电路,其电路为图中蓝色线所示:其电路为:562201414281822123212231322XJZ RD DJ LXJ ZXJ TXJ LUXJ DJ -------------111262612220LB LXJ RD XJF ------6、引导接车:LXJ 失磁落下,而引导信号继电器YXJ 励磁吸起,因此,这时接通的是HB 红灯电路和YBB 月白灯电路,红灯电路为图中红线所示:电路为:2201564143111263612220XJZ RD DJ LXJ HB LXJ RD XJF -----------.月白灯电路为图中蓝色线所示:其电路为:2203567173717211126261636122202XJZ RD DJ LXJF YXJ YBB YXJ LXJ RD XJF ---------------7、经18#及其以上道岔侧向位置时,进站信号机显示黄闪和黄色灯光,先接通二黄灯电路,后接通黄灯闪光电路。
信号机点灯电路原理
信号机点灯电路是用来控制信号机的显示状态,直接向机务人员发出行车命令。
各种信号机的显示正确与否,直接关系到行车的安全问题。
为此信号机点灯电路必须是具有严密性、可靠性的安全电路。
又因为它有室内外联系用的电缆线路,所以设计信号机点灯电路时必须有断线保护器和混线保护措施。
信号机采用透镜式色灯信号机。
信号机点灯电路均采用集中供电制,由信号楼继电器室供给交流220v点灯电源。
由于信号灯泡是采用低压12v,因此对应调车信号机灯泡分别设有一台信号变压器(BX-30型,初级为220v次级为13-14v)
调车信号机点灯电路
禁止灯光蓝灯:XJZ12→熔断器RD1-2→DJ5-6→XJ31-33→蓝灯信号变压器→熔断器RD2-1→XJF12
允许灯光白灯:XJZ12→熔断器RD1-2→DJ5-6→XJ31-32→白灯信号变压器→熔断器RD2-1→XJF12
故障分析及处理
①蓝灯点灯电路故障
控制台现象:信号复示器亮红灯
处理故障时使用步进电压法查找蓝灯点灯电路的故障点
②白灯点灯电路故障
控制台现象:信号复示器在排了进路后先亮2s白灯之后又亮回蓝灯
处理故障时使用步进电压法查找白灯点灯电路的故障点
③公共部分故障
控制台现象:为排列进路前复示器闪白灯,排列进路后闪红灯
处理故障时使用步进电压法查找蓝灯或白灯点灯电路的故障点。
目录內容摘要第1章信号点灯电路图第2章方向电路图第3章组合连接图第4章组合排列第5章极性交叉和电缆布置图第6章四线制单动道岔电路图第7章组合架电源零层配线表第8章微机检测第9章微机联锁的设想总结第1章信号点灯电路图信号机点灯电路是用来控制信号机的显示状态,直接向机务人员发出行车命令。
各种信号的显示正确与否,直接关系到行车的安全问题。
为此信号机点灯电路必须是具有严密性、可靠性的安全电路。
又因为它有室内外联系用的电缆线路,所以设计信号机点灯电路时必须有断线保护和混线保护措施。
信号机点灯电路在断线故障时要求灭灯时要使用信号显示降级,如绿灯或黄灯灭灯时要自动红灯,禁止灯光灭灯时,要禁止信号机(仅对进站和正线出站信号机而言)再开放允许信号。
为了实现这些要求,在点亮每一个信号机灯泡时均要串联一个灯丝继电器DJ,用于监督灯泡的完整性。
本站信号机采用透镜式色灯信号机。
信号机点灯电路均采用集中供电制,由信号楼继电器室供给交流220V点灯电源。
由于信号灯泡是采用低压12V,因此对应调车信号机信号灯泡分别设有一台信号变压器(BX-30型,初级为220V次级为13-14V)列车信号机每一灯泡设有一台带有主副灯丝转换功能的点灯单元XDZ。
下面介绍一下进站信号机和调车信号机点灯电路原理。
一、进站信号机点灯电路它有五个灯泡,其灯位从上至下为1U、L、H、2U、B。
共有红、绿、黄、双黄、绿黄、红白六种显示状态。
这六种显示状态由进站信号机的LXT、TXJ、ZXJ、LUXJ、YXJ来控制。
下面用电路逻辑关系来表达这六种显示状态。
(一)平时关闭状态LXJ落下后,红灯亮且DJ 吸起。
(二)开放正线通过信号LXJ、ZXJ、TXJ吸起后,则绿灯亮DJ吸起。
(三)开放正线接车信号LXJ 、ZXJ吸起,TXJ落下,黄灯亮且DJ吸起。
(四)开放侧线接车信号LXJF吸起,ZXJ、TXJ落下后,双黄亮2DJ吸起。
LXJ吸起,ZXJ落下,2DJ吸起,则黄灯亮DJ吸起。
信号点灯电路一、 进站信号机点灯电路1、平时,LXJ 落下,进站信号机显示红灯,电路图如图中红线所示:电路为:2201564143111263612220XJZ RD DJ LXJ HB LXJ RD XJF -----------、2正线通过时,LXJ 、ZXJ 与TXJ 均吸起,进站信号机显示一个绿灯,电路图如图中绿线所示:电路为:220156414281822122111262612220XJZ RD DJ LXJ ZX J TXJ LB LXJ RD XJF ---------------3、正线接车时,LXJ 与ZXJ 均吸起,进站信号机显示一个黄灯,电路图为图中蓝色线所示:电路为:2201564142818221232123111262612220XJZ RD DJ LXJ ZXJ TXJ LUXJ UB LXJ RD XJF -----------------4、站线接车时,LXJ 显示两个黄色灯光,首先接通第二个黄灯电路,其电路为图中红色线所示电路为:11132203567172717311126261222022XJZ RD DJ LXJF ZXJ TXJ UB LXJ RD XJF ---------------该电路2DJ 吸起证明第二黄灯完好,之后接通第一黄灯点灯电路,其电路如图中蓝色线所示:电路为:562201414281832122212311122XJZ RD DJ LXJ ZXJ DJ LUXJ UB --------------62612220LXJ RD XJF ---5、建立通过第一个车场到下一个车场去时:由于ZXJ 与LUXJ 励磁吸起,TXJ 都失磁落下,所以接通的就是LB 绿灯与2UB 黄灯电路,该点灯电路先接通第二黄灯电路,后接通绿灯电路,其第二黄灯电路为如图中蓝色线所示:电路为:2203567172717211121113111222XJZ RD DJ LXJF ZXJ LUXJ TXJ UB -------------62612220LXJ RD XJF ----该电路2DJ 吸起证明第二黄灯完好,然后接通绿灯点灯电路,其电路为图中蓝色线所示:其电路为:562201414281822123212231322XJZ RD DJ LXJ ZXJ TXJ LUXJ DJ -------------111262612220LB LXJ RD XJF ------6、引导接车:LXJ 失磁落下,而引导信号继电器YXJ 励磁吸起,因此,这时接通的就是HB 红灯电路与YBB 月白灯电路,红灯电路为图中红线所示:电路为:2201564143111263612220XJZ RD DJ LXJ HB LXJ RD XJF -----------、月白灯电路为图中蓝色线所示:其电路为:2203567173717211126261636122202XJZ RD DJ LXJF YXJ YBB YXJ LXJ RD XJF ---------------7、经18#及其以上道岔侧向位置时,进站信号机显示黄闪与黄色灯光,先接通二黄灯电路,后接通黄灯闪光电路。
信号点灯电路一、 进站信号机点灯电路1、平时,LXJ 落下,进站信号机显示红灯,电路图如图中红线所示:电路为:2201564143111263612220XJZ RD DJ LXJ HB LXJ RD XJF -----------.2正线通过时,LXJ 、ZXJ 和TXJ 均吸起,进站信号机显示一个绿灯,电路图如图中绿线所示:电路为:220156414281822122111262612220XJZ RD DJ LXJ ZX J TXJ LB LXJ RD XJF ---------------3、正线接车时,LXJ 和ZXJ 均吸起,进站信号机显示一个黄灯,电路图为图中蓝色线所示:电路为:2201564142818221232123111262612220XJZ RD DJ LXJ ZXJ TXJ LUXJ UB LXJ RD XJF -----------------4、站线接车时,LXJ 显示两个黄色灯光,首先接通第二个黄灯电路,其电路为图中红色线所示电路为:11132203567172717311126261222022XJZ RD DJ LXJF ZXJ TXJ UB LXJ RD XJF ---------------该电路2DJ 吸起证明第二黄灯完好,之后接通第一黄灯点灯电路,其电路如图中蓝色线所示:电路为:562201414281832122212311122XJZ RD DJ LXJ ZXJ DJ LUXJ UB --------------62612220LXJ RD XJF ---5、建立通过第一个车场到下一个车场去时:由于ZXJ 和LUXJ 励磁吸起,TXJ 都失磁落下,所以接通的是LB 绿灯和2UB 黄灯电路,该点灯电路先接通第二黄灯电路,后接通绿灯电路,其第二黄灯电路为如图中蓝色线所示:电路为:2203567172717211121113111222XJZ RD DJ LXJF ZXJ LUXJ TXJ UB -------------62612220LXJ RD XJF ----该电路2DJ 吸起证明第二黄灯完好,然后接通绿灯点灯电路,其电路为图中蓝色线所示:其电路为:562201414281822123212231322XJZ RD DJ LXJ ZXJ TXJ LUXJ DJ -------------111262612220LB LXJ RD XJF ------6、引导接车:LXJ 失磁落下,而引导信号继电器YXJ 励磁吸起,因此,这时接通的是HB 红灯电路和YBB 月白灯电路,红灯电路为图中红线所示:电路为:2201564143111263612220XJZ RD DJ LXJ HB LXJ RD XJF -----------.月白灯电路为图中蓝色线所示:其电路为:2203567173717211126261636122202XJZ RD DJ LXJF YXJ YBB YXJ LXJ RD XJF ---------------7、经18#及其以上道岔侧向位置时,进站信号机显示黄闪和黄色灯光,先接通二黄灯电路,后接通黄灯闪光电路。
进站信号机点灯电路中继电器逻辑关系1.概述进站信号机点灯电路是铁路交通系统中十分重要的组成部分,它直接关系到列车的安全行驶。
其中,中继电器作为点灯电路中的重要元件,其逻辑关系对整个点灯电路的正常运行至关重要。
本文将从进站信号机点灯电路的基本原理出发,探讨中继电器在其中的逻辑关系,以期为相关领域的研究提供一定的参考。
2.进站信号机点灯电路的基本原理进站信号机是指在铁路交通信号系统中用来指示列车司机的信号设备,一般分为绿灯、黄灯、红灯三种。
其中,进站信号机点灯电路作为控制信号机灯光点亮与否的关键,其主要原理是通过控制点灯电路中的继电器,实现信号机灯光的亮灭。
3.中继电器在进站信号机点灯电路中的作用中继电器是一种电磁继电器,是控制系统中用于控制各种功能的电磁开关。
在进站信号机点灯电路中,中继电器起到了连接和隔离电路的作用。
当信号机需要点亮或熄灭时,中继电器将根据控制信号的输入来控制电路的通断,从而实现信号机灯光的控制。
4.中继电器的逻辑关系中继电器在进站信号机点灯电路中的逻辑关系主要包括两个方面:输入信号与触发动作的关系和输出动作与电路控制的关系。
4.1 输入信号与触发动作的关系进站信号机点灯电路中,中继电器的输入信号来自控制系统,一般包括开关量信号和模拟量信号。
当接收到相应的输入信号时,中继电器将根据预设的触发条件来执行动作,如闭合或断开触点。
4.2 输出动作与电路控制的关系中继电器在执行完触发动作后,将会产生对应的输出动作,如闭合或断开触点。
这些输出动作将直接影响到进站信号机点灯电路中的相关元件,从而实现信号机灯光的点亮或熄灭。
5.中继电器逻辑关系的优化为了确保进站信号机点灯电路的稳定性和可靠性,需要对中继电器的逻辑关系进行优化。
具体包括但不限于以下几个方面:5.1 输入信号的灵敏度调整通过对中继电器的输入信号灵敏度进行调整,可以有效地减小外部干扰对系统的影响,提高系统的抗干扰能力。
5.2 触发条件的优化设定合理设置中继电器的触发条件,可以使其在接收到有效输入信号后能够及时、准确地执行相应的触发动作,保证系统的稳定性和可靠性。
信号点灯电路故障分析一.电路工作原理信号点灯电路如图7-1所示。
以两方向出站信号机为例。
信号点灯电路用来控制信号机的显示,直接向司机发出行车命令。
信号显示的正确与否,直接影响行车安全。
所以,信号机点灯电路是具有严密性、可靠性的安全电路。
点灯电路中,设有断线保护,采用了位置法和双断法的混线保护措施。
依据联锁条件的要求,信号机的允许灯光灭灯时,要使信号显示降级;正线信号机的禁止灯光灭灯时,要禁止信号机再开放允许信号(正线)。
所以,每架信号机都设有灯丝继电器,用以监督信号灯泡的完整。
信号机的点灯电源,一般由室内通过电源屏分为4束供出,在电源屏、组合架的零层、组合的侧面都设置了熔断器防护。
点灯电源通过电缆送到室外。
信号机内设有点灯变压器,将点灯电压降为12V之后,点亮信号灯泡。
矮型出站信号机,共有4种显示状态,这4种显示状态,是由出站兼调车的LXJ、DXJ、ZXJ、2LQJ进行控制的。
电路的逻辑关系是:图7-1 信号点灯电路1.信号机的平时状态:LXJ↑,信号机点亮红灯DXJ2.LXJZXJ↑,信号机点亮黄灯2LQJ3.LXJZXJ↑,信号机点亮绿灯2LQJ↑4.开放调车信号时:LXJDJ↑,信号机点亮白灯DXJ注:如果有两个发车方向LXJF↑↑ ZXJ↓ DJ↑ZXJ↓↑信号机点亮两个绿灯时,从逻辑关系式可以看出,主信号继电器ZXJ用来区分向主要线路发车还是向次要线路发车。
ZXJ吸起说明向主要线路发车,点一个绿灯或黄灯;ZXJ失磁落下说明向次要线路发车,点两个绿灯。
2LQJ用来区分点绿灯或黄灯。
2LQJ吸起,点亮一个绿灯,2LQJ失磁落下,则点亮一个黄灯。
二.信号机故障时控制台的现象信号点灯电路采用了双重系统,具有主灯丝断丝后自动转换副灯丝的功能,以及较完善的故障自诊功能。
点灯电路出现故障时可以从控制台信号复示器点灯状态、电铃响铃报警发现。
进站信号复示器平时点亮红灯。
开放允许信号时,进站信号复示器点亮绿灯;开放引导信号时,进站信号复示器点亮一红一白灯光。
信号点灯电路
一、 进站信号机点灯电路
1、平时,LXJ 落下,进站信号机显示红灯,电路图如图中红线所示:
电路为:
2201564143111263612220XJZ RD DJ LXJ HB LXJ RD XJF -----------.
2正线通过时,LXJ 、ZXJ 和TXJ 均吸起,进站信号机显示一个绿灯,电路图如图中绿线所示:
电路为:
220156414281822122111262612220XJZ RD DJ LXJ ZX J TXJ LB LXJ RD XJF ---------------
3、正线接车时,LXJ 和ZXJ 均吸起,进站信号机显示一个黄灯,电路图为图中蓝色线所示:
电路为:
2201564142818221232123111262612220XJZ RD DJ LXJ ZXJ TXJ LUXJ UB LXJ RD XJF -----------------
4、站线接车时,LXJ 显示两个黄色灯光,首先接通第二个黄灯电路,其电路为图中红色线所示
电路为:
11132203567172717311126261222022XJZ RD DJ LXJF ZXJ TXJ UB LXJ RD XJF ---------------
该电路2DJ 吸起证明第二黄灯完好,之后接通第一黄灯点灯电路,其电路如图中蓝色线所示:
电路为:
562201414281832122212311122XJZ RD DJ LXJ ZXJ DJ LUXJ UB --------------
62612220LXJ RD XJF ---
5、建立通过第一个车场到下一个车场去时:
由于ZXJ 和LUXJ 励磁吸起,TXJ 都失磁落下,所以接通的是LB 绿灯和2UB 黄灯电路,该点灯电路先接通第二黄灯电路,后接通绿灯电路,其第二黄灯电路为如图中蓝色线所示:
电路为:
2203567172717211121113111222XJZ RD DJ LXJF ZXJ LUXJ TXJ UB -------------
62612220LXJ RD XJF ----
该电路2DJ 吸起证明第二黄灯完好,然后接通绿灯点灯电路,其电路为图中蓝色线所示:
其电路为:
562201414281822123212231322XJZ RD DJ LXJ ZXJ TXJ LUXJ DJ -------------
111262612220LB LXJ RD XJF ------
6、引导接车:LXJ 失磁落下,而引导信号继电器YXJ 励磁吸起,因此,这时接通的是HB 红灯电路和YBB 月白灯电路,红灯电路为图中红线所示:
电路为:
2201564143111263612220XJZ RD DJ LXJ HB LXJ RD XJF -----------.
月白灯电路为图中蓝色线所示:
其电路为:
2203567173717211126261636122202XJZ RD DJ LXJF YXJ YBB YXJ LXJ RD XJF ---------------
7、经18#及其以上道岔侧向位置时,进站信号机显示黄闪和黄色灯光,先接通二黄灯电路,后接通黄灯闪光电路。
黄闪电路为:
电路为:
220156414281832122212231322202XJZ RD DJ LXJ ZXJ DJ CTXJ SNJ -------------
111261622220UB LXJ RD XJF ------
二、 出站兼调车信号机点灯电路
(一)两方向出站兼调车信号机点灯电路 1、信号机设置机构:
○1、位于正线上方的出站兼调车信号机采用高柱信号机,设有三个信号机构5个灯位。
灯光由上至下排列为U 、L 、H 、2L 和B 。
○
2、到发线出站兼调车信号机设置为矮柱型信号机,用两个信号机构,并拍设置。
靠近线路侧用一个两显示信号机构,从上至下灯光为B 、H ;并排设置;另一个三显示信号机构,从上至下灯光为L 、U 、和2L 。
1、 两方向出站兼调车信号机点灯电路原理图
用主信号继电器ZXJ 的接点来区分点一个绿灯或两个绿灯的作用:用于反应区间第二离去区段占用或出清情况的2LQJ 用来区分一绿和一黄。
2、 出站兼调车信号机在各种情况下接通的点灯电路如下:
(1)、平时,LXJ 和DXJ 均落下,出站兼调车信号机显示红灯,其电路为:
22015641436163111263612220XJZ RD DJ LXJ DXJ HB LXJ RD XJF -------------
(2)、向主要方向发车,前面有两个以上的闭塞分区空闲时,LXJ 、ZXJ 和2LQJ
均吸起,出站兼调车信号机显示一个绿灯,其电路为:
22015641428182111261622220-----
(3)、向主要方向发车,前面有一个闭塞分区时,LXJ 和ZXJ 均吸起,2LQJ 落下,
出站兼调车信号机显示一个黄灯,其电路为:
220156414281821112616222202XJZ RD DJ LXJ ZXJ LQJ UB LXJ RD XJF --------------后接点
(4)、向次要方向发车,LXJ 吸起,ZXJ 落下,出站兼调车信号机显示两个绿灯。
2L 灯
电路为:
22015671727173111261622220-----
当2L 灯亮灯、2DJ 吸起后,接通1L 灯电路,其电路为:
2201564142818311121112616222202XJZ RD DJ LXJ ZXJ DJ LB LXJ RD XJF ---------------
(5)、办理调车进路时,DXJ 吸起,出站兼调车信号显示月白灯光。
其电路为:
22015641436162111261622220XJZ RD DJ LXJ DXJ BB LXJ RD XJF -------------
(二)三方向出站兼调车信号机点灯电路 1、正方向发车
二离去有车占用:2LQJ 落下,出站信号机亮黄灯,电路如图蓝色线所示:
电路为:
6261220F LXJ XJZ ----
二离去空闲,三离去被占用,3LQJ 落下出站信号机点亮绿黄灯,绿灯电路如下
图图中蓝色线所示:
电路为:
黄灯如下图蓝色线所示:
电路为:
二三离去均空闲出站信号机点亮绿灯,锦路表示器的B-A 白灯点亮,电路图如图中蓝色线所示:
绿灯电路为:
复视器接通电路为:
22056616211122203XZJ DJ LXJF ZXJ F B A B H F XJF ---------------
2、反方向发车
反方向发车时,主信号继电器ZXJ 落下,区间反方向继电器QFJ 吸起,进路表示器的B-B 白灯亮灯指示反向发车,电路如图中蓝色线所示:
XJZ220—DJ5-6—LXJ41-42—ZXJ81-83—3DJ11-12—F—L—LUH—F—LXJ62-61—XJF220
复视器接通电路:
XJZ220—3DJ5-6—LXJF61-62—ZXJ11-13—QFJ11-12—F-—B-B—B-H—F—LXJF82-81—XJF220
3、向东郊方面发车
向东郊方向发车,主信号继电器ZXJ落下,3DJ吸起接通绿灯电路,进路表示器的B-C白灯亮灯,电路如图中蓝色线所示:
绿灯电路为:
XJZ220—DJ5-6—LXJ41-42—ZXJ81-83—3DJ11-12—F—L—LUH—F—LXJ62-61—XJF220
复视器接通电路为:
XJZ220—3DJ5-6—LXJF61-62—ZXJ11-13—QFJ11-13—F-—B-C—B-H—F—LXJF82-81—XJF220
三、调车信号机点灯电路
当XJ的吸起,点亮月白灯(允许调车,用蓝色线表示)
电路为:22015661622220XJZ RD DJ XJ RD XJF ------- 当XJ 的落下,点亮蓝灯(禁止调车,用蓝色线表示)。
电路为:22015661632220XJZ RD DJ XJ RD XJF -------。