地库400厚顶板支撑排架示意图及计算书
- 格式:docx
- 大小:766.61 KB
- 文档页数:23
400X900梁模板(扣件钢管架)计算书XX二期工程支撑架的计算依据《建筑施工扣件式钢管脚手架安全技术规范》(JGJ130-2011)、《混凝土结构设计规范》GB50010-2010、《建筑结构荷载规范》(GB 50009-2010)、《钢结构设计规范》(GB 50017-2003)等规范编制。
梁段:KL7。
一、参数信息1.模板支撑及构造参数梁截面宽度 B(m):0.40;梁截面高度 D(m):0.90混凝土板厚度(mm):280.00;立杆梁跨度方向间距La(m):0.40;立杆上端伸出至模板支撑点长度a(m):0.10;立杆步距h(m):1.50;梁支撑架搭设高度H(m):3.15;梁两侧立柱间距(m):0.90;承重架支设:无承重立杆,钢管支撑垂直梁截面;板底承重立杆横向间距或排距Lb(m):0.80;采用的钢管类型为Φ48×3.2;扣件连接方式:双扣件,考虑扣件质量及保养情况,取扣件抗滑承载力折减系数:0.80;2.荷载参数模板自重(kN/m2):0.35;钢筋自重(kN/m3):1.50;施工均布荷载标准值(kN/m2):2.5;新浇混凝土侧压力标准值(kN/m2):18.0;倾倒混凝土侧压力(kN/m2):2.0;振捣混凝土荷载标准值(kN/m2):2.03.材料参数木材品种:柏木;木材弹性模量E(N/mm2):10000.0;木材抗弯强度设计值fm(N/mm2):17.0;木材抗剪强度设计值fv(N/mm2):1.7;面板类型:胶合面板;面板弹性模量E(N/mm2):9500.0;面板抗弯强度设计值fm(N/mm2):13.0;4.梁底模板参数梁底纵向支撑根数:4;面板厚度(mm):15.0;5.梁侧模板参数主楞间距(mm):250;次楞根数:4;穿梁螺栓水平间距(mm):250;穿梁螺栓竖向根数:2;穿梁螺栓竖向距板底的距离为:250mm,250mm;穿梁螺栓直径(mm):M12;主楞龙骨材料:钢楞;截面类型为圆钢管48×3.0;主楞合并根数:2;次楞龙骨材料:木楞,,宽度50mm,高度100mm;次楞合并根数:2;二、梁模板荷载标准值计算1.梁侧模板荷载强度验算要考虑新浇混凝土侧压力和倾倒混凝土时产生的荷载;挠度验算只考虑新浇混凝土侧压力。
600*900扣件式钢管高支撑模板系统计算书一、参数信息:1.立杆参数:立杆的纵距b=0.9m立杆的横距l=0.6m立杆的步距h=0.9m伸出长度:0.3m2.荷载参数:混凝土板厚:900mm混凝土自重选用24kN/m3模板自重采用0.3kN/m2施工均布荷载选用3kN/m23.地基参数:地基承载力标准值取170kN/m2基础底面面积取0.25m24.木方参数:木方的宽度50mm木方的高度100mm木方的间距200mm木方的弹性模量为9500N/mm2木方的抗剪强度取1.4N/mm2木方的抗弯强度取15N/mm2木方的截面惯性矩II=5.00×10.003/12=416.67cm4木方的截面抵抗矩WW=5.00×10.002/6=83.33cm35.面板参数:面板板厚为18mm面板的抗剪强度取1.4N/mm2面板的抗弯强度取15N/mm2面板的弹性模量为6000N/mm2面板的截面惯性矩II=100×1.803/12=48.60cm4面板的截面抵抗矩WW =100×1.802/6=54.00cm36.其他参数:搭设高度取6.05m伸出长度取0.3m钢管尺寸:Ф48X3.5钢管i:1.58cm钢管立杆净截面面积 (cm2);A=4.89cm2钢管截面惯性矩I:I=12.19cm4钢管截面惯性矩W:W=5.08cm4二、模板面板计算面板为受弯结构,需要验算其抗弯强度和刚度。
模板面板取1米板带的按照三跨连续梁计算。
计算简图静荷载标准值:q1=24×0.90×1+0.3×1=21.90kN/m活荷载标准值: q2=3×1=3.00kN/m荷载设计值:q=1.2×21.90+1.4×3.00=30.48kN/m1、抗弯强度计算M = 0.1ql2M=0.1×30.48×0.202=0.12kN.m截面抗弯强度计算值:σ= M / W < [σ]σ=0.12×106/(54.00×103)=2.22 N/mm2截面抗弯强度设计值:[f]=15.00 N/mm2"面板的受弯应力计算值2.22N/mm2小于面板的抗弯强度设计值15.00N/mm2,满足要求!"2、抗剪计算V=0.6qlV=0.600×30.48×0.20=3.66kN截面抗剪强度计算值:T=3Q/2bh < [T]T=3×3660.00/(2×1000.00×18)=0.31N/mm2截面抗剪强度设计值 :[T]=1.40N/mm2"面板的剪力计算值0.31N/mm2小于面板的抗剪强度设计值1.40N/mm2,满足要求!"3、挠度计算v=0.677q1l4/100EI < [v]面板最大挠度计算v=0.677×21.90×2004 /(100×6000×486000.00)=0.08mm[v]=200/250=0.80mm"面板的最大扰度计算值0.08mm小于面板的最大挠度允许值0.80mm,满足要求!"三、板底木方和支撑钢管的计算木方按照均布荷载下连续梁计算。
顶板堆载施工方案万科城A5区一标段人防地下室工程地下室顶板施工荷载加固方案编制人:审核人:审批人:中兴建设有限公司项目部万科城A5区一标段人防地下室工程顶板施工荷载加固方案一、工程概况:本工程为万科城A5区一标段人防地下室工程,本工程由徐州万科城置业有限公司,江苏九鼎环球建设科技集团有限公司设计,徐州中国矿业大学建筑设计咨询研究院有限公司监理,中兴建设有限公司组织施工。
本工程设计图纸中规定的地下室顶板允许荷载为20KN/㎡(允许荷载5 KN/㎡+1.2米覆土15KN/㎡);有消防车通道群房地下室顶班允许荷载为35KN/㎡(消防车荷载20 KN/㎡+1.2米覆土15KN/㎡)。
因施工场地限制,钢筋加工场地、模板加工场地、施工临时道路等只能设置在地下室顶板上。
二、地下室顶板加固范围在施工过程中,主要重载车辆为混凝土搅拌车及钢筋、钢管、砂石、砌块等材料运输车。
施工过程中,考虑到在混凝土浇筑的同时,要保证钢筋、钢管、砂石等材料运输车通行顺畅,不影响材料进场时间,以确保工程工期。
三、车库顶板堆载情况与荷载分析:1、钢筋加工区荷载:钢筋加工间单根立柱所传荷载基本在1.5吨以下,加工设备自重基本在2吨以内,且分布比较分散,低于地下室顶板承载力,无需采取支撑措施。
钢筋半成品堆放区分布荷载一般在5KN/㎡以下,小于地下室顶板承载力,无需采取支撑措施。
2、木模加工荷载:木工加工间单根立柱所传荷载基本在1.5吨以下,木工加工设备自重基本在1吨以内,且分布比较分散,低于地下室顶板承载力,无需采取支撑措施。
方木堆放高度一般不超过2米,方木容重一般在0.5~0.85×10³ KN/㎡,堆载荷载为10~17 KN/㎡,低于地下室顶板承载力,无需支撑。
竹胶合板堆放高度一般不超过2米,容重一般在0.7~0.95×10³ KN/㎡,堆载荷载为14~19 KN/㎡,低于地下室顶板承载力,无需支撑。
400 mm×850 mm梁模板支架计算书&&&湖酒店工程;工程建设地点:kkk;属于kkk结构;地上3层;地下1层;建筑高度:20m;标准层层高:0m ;总建筑面积:0平方米;总工期:0天。
本工程由hjkg投资建设,lhjl设计,;jnk地质勘察,hjl监理,组织施工;由kkk 担任项目经理,kk担任技术负责人。
一、参数信息本算例中,取lkl作为计算对象。
梁的截尺寸为400 mm×850 mm,支撑长度为6.3 m。
根据工程实际情况及公司现有施工工艺采用梁底支撑小楞平行梁跨方向的支撑形式。
(一)支撑参数及构造梁两侧楼板混凝土厚度(mm):250;立杆纵距l a(m):0.6;立杆上端伸出至模板支撑点长度a(m):0.3;立杆步距h(m):1.5;板底承重立杆横向间距或排距l(m):0.8;梁支撑架搭设高度H(m):15.9;梁两侧立杆间距l b(m):0.8;(二)材料参数面板类型为木面板,梁底支撑采用方木。
竖向力传递通过双扣件。
木方截面为60mm×80mm,梁底支撑钢管采用Ф48×3.0钢管,钢管的截面积为A=4.24×102mm2,截面模量W=4.49×103mm3,截面惯性矩为I=1.08×105 mm4。
木材的抗弯强度设计值为f m=13 N/mm2,抗剪强度设计值为f v=1.3 N/mm2,弹性模量为E=12000 N/mm2,面板的抗弯强度设计值为f m=13 N/mm2,抗剪强度设计值为f v=1.3 N/mm2,面板弹性模量为E=9000 N/mm2。
荷载首先作用在梁底模板上,按照"底模→底模小楞→水平钢管→扣件/可调托座→立杆→基础"的传力顺序,分别进行强度、刚度和稳定性验算。
(三)荷载参数梁底模板自重标准值为0.3kN/m2;梁钢筋自重标准值为1.5kN/m3;施工人员及设备荷载标准值为1kN/m2;振捣混凝土时产生的荷载标准值为2kN/m2;新浇混凝土自重标准值:24kN/m3。
地下室顶板门式架支撑模板计算书(层高4.2m)一、工程属性二、荷载设计三、模板体系设计设计简图如下:模板设计剖面图(楼板长向) 模板设计剖面图(楼板宽向)四、面板验算根据《建筑施工模板安全技术规范》5.2.1"面板可按简支跨计算"的规定,另据现实,楼板面板应搁置在梁侧模板上,以简支梁,取1m 单位宽度计算。
计算简图如下:W =bh 2/6=1000×15×15/6=37500mm 3,I =bh 3/12=1000×15×15×15/12=281250mm 41、强度验算q 1=0.9max[1.2(G 1k +(G 3k +G 2k )×h)+1.4Q 1k ,1.35(G 1k +(G 3k +G 2k )×h)+1.4×0.7Q 1k ]×b=0.9max[1.2×(0.1+(1.1+24)×0.18)+1.4×2.5,1.35×(0.1+(1.1+24)×0.18)+1.4×0.7×2.5]×1=8.14kN/m q 2=0.9×1.2×G 1k ×b=0.9×1.2×0.1×1=0.11kN/m p =0.9×1.4×Q 1k =0.9×1.4×2.5=3.15kN M max =max[q 1l 2/8,q 2l 2/8+pl/4]=max[8.14×0.12/8, 0.11×0.12/8+1.58×0.1/4]=0.04kN·mσ=M max /W =0.04×106/37500=1.05N/mm 2≤[f]=15N/mm 2 满足要求!2、挠度验算q=(G1k +(G3k+G2k)×h)×b=(0.1+(1.1+24)×0.18)×1=4.62kN/mν=5ql4/(384EI)=5×4.62×1004/(384×10000×281250)=0mm≤[ν]=l/400=100/400=0.25mm满足要求!五、小梁验算q1=0.9max[1.2(G1k+(G3k+G2k)×h)+1.4Q1k,1.35(G1k +(G3k+G2k)×h)+1.4×0.7Q1k]×b=0.9max[1.2×(0.3+(1.1+24)×0.18)+1.4×2.5,1.35×(0.3+(1.1+24)×0.18)+1.4×0.7×2.5]×0.1=0.84kN/m 1、强度验算小梁弯矩图(kN·m)M1=0.06kN·mq2=0.9×1.2×G1k×b=0.9×1.2×0.3×0.1=0.03kN/mp=0.9×1.4×Q1k=0.9×1.4×2.5=3.15kN小梁弯矩图(kN·m)M2=1.2kN·mM max =max[M 1,M 2]=max[0.06,1.2]=1.2kN·mσ=M max /W =1.2×106/83330=14.39N/mm 2≤[f]=15.44N/mm 2满足要求! 2、抗剪验算小梁剪力图(kN) V 1=0.39kN小梁剪力图(kN) V 2=3.16kNV max =max[V 1,V 2]=max[0.39,3.16]=3.16kNτmax =3V max /(2bh 0)=3×3.16×1000/(2×100×50)=0.95N/mm 2≤[τ]=1.78N/mm 2满足要求! 3、挠度验算q =(G 1k +(G 3k +G 2k )×h)×b=(0.3+(24+1.1)×0.18)×0.1=0.48kN/m 小梁变形图(mm) νmax =0.04mm≤[ν]=l/400=900/400=2.25mm 满足要求! 六、主梁验算1、主梁最大支座反力计算Q1k=1.5kN/m2q1=0.9max[1.2(G1k+(G3k+G2k)×h)+1.4Q1k,1.35(G1k +(G3k+G2k)×h)+1.4×0.7Q1k]×b=0.9max[1.2×(0.5+(1.1+24)×0.18)+1.4×1.5,1.35×(0.5+(1.1+24)×0.18)+1.4×0.7×1.5]×0.1=0.74kN/mq2=(G1k+(G3k+G2k)×h)×b=(0.5+(1.1+24)×0.18)×0.1=0.5kN/m承载能力极限状态:按四跨连续梁,R'max =(1.143q1静+1.223q1活)L=1.143×0×0.1+1.223×0×0.1=0kN按悬臂梁,R1=0.74×0.38=0.28kNR=max[R'max ,R1]=0.28kN正常使用极限状态:按四跨连续梁,R'max =1.143q2L=1.143×0.5×0.1=0.06kN按悬臂梁,R1=0.5×0.38=0.19kNR=max[R'max ,R1]=0.19kN2、抗弯验算计算简图如下:主梁弯矩图(kN·m)Mmax=0.15kN·mσ=Mmax/W=0.15×106/83330=1.78N/mm2≤[f]=15.44N/mm2满足要求!3、抗剪验算主梁剪力图(kN)Vmax=0.84kNτmax =3Vmax/(2bh)=3×0.84×1000/(2×100×50)=0.25N/mm2≤[τ]=1.66N/mm2满足要求!4、挠度验算主梁变形图(mm)νmax=0.23mm≤[ν]=0.25mm满足要求!七、门架稳定性验算q 1=Gmk+Gjknj+Gskns×4/5+Gbknb×4/5+Gjknj+Gskns=0.1+0.1×1+0.1×2×4/5+0.1×2×4/5+0.1×2+0.1×2=0.92kNq2=Ggk(b+la)×5/4=0.04×(1.22+0.9)×5/4=0.12kNq3=Gzknz+Gxknx=0.1×2+0.1×1=0.3kNq 4=2×Ggk×4×lb/cos(arctan((5×h)/(4×lb)))=2×0.04×4×0.9/cos(arctan((5×1.93)/(4×0.9)))=0.92kNq5=Ggk×(b+la+lb)=0.05×(1.22+0.9+0.9)=0.15kNN Gk =(q 1+q 2+q 3+q 4+q 5+G fk )/h 0=(0.92+0.12+0.3+0.92+0.15+0.2)/1.93=1.36kN/m∑N Gik =((G 2k +G 3k )×h+G 1k )×((l a +b)×l b )=((24+1.1)×0.18+0.75)×((0.9+1.22)×0.9)=10.05kNN Q1k =Q 1k ×((l a +b)×l b )=1×((0.9+1.22)×0.9)=1.91kNN 1=0.9×[1.2×(N gk ×H+∑N Gik )+1.4×N Q1k ]=0.9×[1.2×(1.36×4.2+10.05)+1.4×1.91]=19.4kNN 2=0.9×[1.2×(N gk ×H+∑N Gik )+0.9×1.4×(N Q1k +2×(Q k ×22)/(10b))]=0.9×[1.2×(1.36×4.2+10.05)+0.9×1.4×(1.91+2×0.09×22/(1.22×10))]=19.23kNN 3=0.9×[1.35×(N gk ×H+∑N Gik )+1.4×(0.7×N Q1k +0.6×2×(Q k ×22)/(10b))]=0.9×[1.35×(1.36×4.2+10.05)+1.4×(0.7×1.91+0.6×2×0.09×22/(1.22×10))]=20.85kNλ=k 0h 0/i=1.13×1930/15.8=139,查表得,φ=0.38 σ= N w /(ΦA)=20853.88/(0.38×489×2)=55.38N/mm 2≤[σ]=1×205=205N/mm 2 满足要求! 八、可调托座验算按上节计算可知,可调托座受力N =20.85/2=10.43kN≤[N]=30kN满足要求!希望以上资料对你有所帮助,附励志名言3条:1、常自认为是福薄的人,任何不好的事情发生都合情合理,有这样平常心态,将会战胜很多困难。
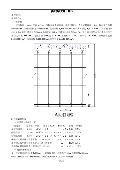
楼面模板支撑计算书工程名称:编制单位:1.计算参数结构板厚400mm,层高 6.76m,结构表面考虑隐蔽;模板材料为:夹板底模厚度18mm;板材弹性模量E=6000N/mm2,枋材弹性模量E=9000N/mm2,抗弯强度f m=13.00N/mm2,顺纹抗剪强度f v=1.40N/mm2 ;支撑采用Φ48×3.0mm钢管:横向间距900mm,纵向间距800mm,支撑立杆的步距h=0.70m;立杆伸出顶层水平杆中心线至支撑点的长度a=500mm;钢管直径48mm,壁厚 3.0mm,截面积 4.24cm2,回转半径i=1.59cm;钢材弹性模量E=206000N/mm2,抗弯强度f=205.00N/mm2,抗剪强度f v=120.00N/mm2。
2.楼板底模验算(1)底模及支架荷载计算荷载类型标准值单位计算宽度(m) 板厚(m) 系数设计值①底模自重 0.30 kN/m2× 1.0 × 1.2 = 0.36 kN/m②砼自重 24.00 kN/m3× 1.0 × 0.40 × 1.2 = 11.52 kN/m③钢筋荷载 1.10 kN/m3× 1.0 × 0.40 × 1.2 = 0.53 kN/m④施工人员及施工设备荷载 2.50 kN/m2× 1.0 × 1.4 = 3.50 kN/m底模和支架承载力计算组合①+②+③+④ q1 = 15.91 kN/m底模和龙骨挠度验算计算组合①+②+③ q2 = 12.41 kN/m(2)楼板底模板验算第一层龙骨(次楞)间距L=250mm,计算跨数5跨。
底模厚度18mm,板模宽度=1000mmW=bh2 /6=1000×182/6=54000mm3,I=bh3/12=1000×183/12=486000mm4。
1)内力及挠度计算a.①+②+③+④荷载支座弯矩系数K M=-0.105,M1=K M q1L2 =-0.105×15.91×2502=-104409N·mm剪力系数K V=0.606 ,V1=K V q1L=0.606×15.91×250=2410Nb.①+②+③荷载支座弯矩系数K M=-0.105,M2=K M q2L2=-0.105×12.41×2502=-81441N·mm跨中弯矩系数K M=0.078,M3=K M q2L2=0.078×12.41×2502=60499N·mm剪力系数K V=0.606,V2=K V q2L=0.606×12.41×250=1880N挠度系数Kυ=0.644,υ2=Kυq,2L4/(100EI)=0.644×(12.41/1.2)×2504/(100×6000×486000)=0.09mmc.施工人员及施工设备荷载按2.50kN(按作用在边跨跨中计算)计算荷载P=1.4×2.50=3.50kN ,计算简图如下图所示。
地库顶板临时道路支撑排架及加固一、工程概况1.1迁西壹品华府工程地下室车库为现浇框架结构,顶板结构标高为105.8M,结构层高为3.8M,根据现场施工实际要求D-10~D-11*D-A~D-R轴范围内设置一条临时道路,以便于各主体结构施工,预计计入临时施工道路最大荷载车辆,如混凝土搅拌车、钢筋原材料运输车为45吨,查《建筑结构荷载规范》GB50009-2001中4.1.1条规定,满荷载300KN的消防车对地库顶板产生的均布活荷载为20KN/㎡,故45吨汽车对地库顶板产生的均布活荷载为30KN/㎡。
计划对道路区域范围内的支模排架进行加密,立杆纵横向间距900MM,步距为1500mm,顶板施工完成后,道路使用期间该区域模板支撑不拆除。
临时道路局部区域有后浇带贯穿部分,在道路使用前封闭,地库顶板混凝土完成后,按设计要求做好地库顶板防水层及保护层,待砼达到设计强度后方可使用。
为有效减少汽车的等效均布荷载,待顶板砼浇筑完毕后,对临时道路的顶板覆盖40cm的土方,上面浇筑200mm厚的C25砼进行硬化,道路周边砌筑60cm高240mm砖墙,板顶填土或面层对汽车动力荷载起缓冲和扩散作用,查《荷载规范》表,覆盖40cm 的土方可取动力系数为1.0,根据不同覆土厚度时的等效均布荷载调整系数,取调整系数0.92,得出45吨汽车对地库顶板产生的均布活荷载为27.6KN/㎡。
由于结构设计已考虑30吨消防车的行驶,本方案为加固和卸载使用。
1.2地库顶板的平、剖面示意图顶板加固区域平面见附图:地库顶板支撑平面示意图、顶板模板支架剖面。
二、支模排架搭设方法2.1排架支撑形式(1)采用48*3.5碗口架满堂搭设,由立杆、水平杆、纵横向剪刀撑等杆件组成受力体系。
(2)排架立杆纵横向间距为≤900mm,排架步距为1500mm,架子满堂搭设。
(3)排架的四个外立面均连续设置剪刀撑,每组剪刀撑跨越立杆根数为5-7根(大于6M),斜杆与地面夹角在45°~60°之间。
地下室400厚顶板支模方案目录第一章编制依据及工程概况1第一节编制依据2第二节工程概况2第二章施工准备3第一节技术准备3第二节物资准备3第三节劳动力准备4第四节其它4第三章主要施工方法4第一节统一要求4第二节柱模板6第三节墙体模板7第四节梁、板模板9第五节其它部位模板12第四章质量标准及技术控制措施14第一节进场模板的质量标准14第二节模板分项工程质量要求15第三节模板工程质量控制19第五章模板的拆除20第一节模板拆除原则20第二节模板拆除施工21第六章施工安全保证措施21第一节安全管理组织21第二节施工技术措施22第三节其它施工安全措施23第七章成品保护措施23第九章安全计算书25第一章编制依据及工程概况第一节编制依据1施工组织设计《×××××施工组织设计》2计算软件及版本广联达施工安全设施计算软件3工程图纸《建筑施工手册》第五版。
《建筑施工计算手册》江正荣主编第二节工程概况第二章施工准备第一节技术准备(1)组织施工技术人员在施工前认真学习技术规范、标准、工艺规程,熟悉图纸,了解设计意图,核对建筑和结构及土建与设备安装专业图纸之间的尺寸是否一致。
(2)编制模板施工方案,对施工队进行技术交底。
(3)对施工人员进行安全和技术培训,加强班组的技术素质。
第二节物资准备1材料准备确保材料质量合格,货源充足,按材料进场计划分期分批进场,并按规定地点存放,做好遮盖保护。
同时对各种进场材料进行抽检试验并附有新钢管应有产品质量合格证;2机具准备根据施工机具需用量计划,做好机械的租赁和购买计划,并做好进场使用前的检验、保养工作,确保运转正常。
3周转材料准备做好模板、扣件、钢管、U托等周转料的备料工作,分批分期进场。
第三节劳动力准备(1)根据开工日期和劳动力需要量计划,组织工人进场,并安排好工人生活。
水、电管线架设和安装已完成,能够满足工程施工及工程管理、施工人员生活的用水、用电需要。
目录一、编制说明及依据 (3)1.1 编制说明 (3)1.2 编制依据 (3)二、工程概况 (4)2.1工程基本概况 (4)2.2施工道路及堆场布置 (5)2.3地下车库顶板加固概况 (7)2.4允许驶入顶板通道的车辆荷载信息 (9)2.5、地下车库设计允许承载力计算 (9)2.6施工道路荷载验算: (10)2.7立杆受压应力及稳定性的计算 (11)2.8、材料堆场荷载验算: (12)三、临时加固支撑架搭设 (12)3.1、支撑架构造要求 (12)3.2、支撑架搭设质量要求 (14)3.3、支撑体系施工方法 (15)四、支撑架安全管理 (17)4.1、支撑架施工管理机构 (17)4.2、支撑架的安全管理制度 (17)4.3、支撑架的安全管理措施 (18)4.4、支撑架的安全施工措施 (19)4.5、道路使用安全管理措施 (20)五、加固支撑架附图 (22)5.1加固支撑立杆平面图: (22)5.2加固支撑竖向剪刀撑投影平面图: (22)5.3加固支撑架立面图: (22)5.4加固支撑架1-1剖面图: (22)5.5加固支撑架2-2剖面图: (22)5.6加固支撑架3-3剖面图: (22)5.7加固支撑架4-4剖面图: (22)5.8加固支撑架5-5剖面图: (22)5.9板底加固支撑详图: (22)5.10梁底加固支撑详图: (22)5.11地下车库顶板加固支撑可调支托详图: (22)5.12地下车库顶板加固支撑架及已有结构拉结详图: (22)5.13地下车库顶板后浇带部位加固支撑详图: (22)六、附件(车辆技术参数) (22)一、编制说明及依据1.1编制说明本工程地下室施工完成后,因现场场地限制,后期工程部分施工道路主要材料的转运以及混凝土浇筑、号房基础部分回填土运输等需要在地下室顶板上进行。
考虑结构安全,需对部分顶板进行加固,加固采用钢管扣件脚手架支撑,顶部采用可调支托支承。
为保证施工顺利进行,现对其支撑体系布置、施工工艺以及施工质量安全措施方面加以阐述,特编制本加固专项施工方案。
地库高大模板及支撑架安全施工方案1工程概况1.1 项目概况工程总建筑面积150983.72平方米,地上建筑面积为10416.95平方米;大型地下车库建筑面积(含住宅地下建筑面积)43618.59平方米。
最高高度约90.5m,最高层数30层,最大基坑深度7.1m。
本工程共包含15栋住宅单体,住宅单体高度6~30F不等。
其中:16#、17#楼为7层,18#—19#楼为6层,20#楼为15层,21#楼为30层,22#楼为26层,23#楼为13层,24#楼为11层,25#楼为20层;主楼下有两层地下室。
住宅为钢筋混凝土短肢剪力墙结构;大型地库为钢筋混凝土框架结构,地下1层。
工期要求:洋房:2021年4月1日~2023年10月22日高层:2021年4月1日~2024年4月29日目前本工程处于基础土方开挖阶段。
1.2 高大模板分项工程高大模板支撑系统是指建设工程施工现场混凝土构件模板支撑高度超过8m,或搭设跨度超过18m,或施工总荷载大于15kN/㎡,或集中线荷载大于20kN/m的模板支撑系统。
按此定义,本工程有如下部位为高大模板体系,主要为地库顶板,板厚450mm,柱帽厚度为450mm~1100mm。
高大模板分项工程概况图1 地下车库顶板高支模区域结构总图板厚 450mm(阴影部分为主楼,板厚200mm,为非高支模区域)图2第五块高支模区域结构图图3 第四块高支模区域结构图图4 第三块高支模区域结构图图5 第二块高支模区域结构图图6 第一块高支模区域结构图图7地下车库结构剖面图图8地库顶板剖面示意图(选取两跨)图9柱帽详图柱帽尺寸表1.3 现场情况模板加工区临时设置在地库底板上,经加工后直接在现场进行安装,架管直接由塔吊从场外运输车上吊运至场内指定地点。
1.4 模板脚手架工程施工重点、难点、特点1.4.1 本工程施工重点:地库顶板支撑架体搭设、顶部支撑点的设计。
1.4.2 管理方面难点施工任务重,特别是地下室顶板需要材料投入大,工期短,组织材料、劳动力较难。
地库400厚顶板支撑排架示意图及计算书1、详图1.1、地库400厚顶板支撑排架示意图81H550X1000 Il 1*900 I 财I Mt)900刘0ΓrI~11-1-2.03J立杆纵向间距 50X 9C 木方 顶托48X3.0钢管梁侧竖向剪 刀撑8 00«10mIlDl,,mJr IlDj .r FIF底板顶面7VA-A1.2、500× 1420梁模板支撑大样600IIDO8H500 × 1420⅛-^l<<^⅛'.η1.3、开闭所500厚顶板模板支撑排架示意图8100四周连续式垂直剪刀撑可连续式剪刀≡J1 -------4-匸!出设水1-12、计算书2.1、400 厚板计算书模板支架的计算依据《建筑施工扣件式钢管脚手架安全技术规范》(JGJ130-2001)、《建筑施工模板安全技术规范》 (JGJ162-2008 )、《混凝土结构设计规范》GB50010-2002、《建筑结构荷载规范》(GB 50009-2001)、《钢结构设计规范》(GB 50017-2003)等规范编制。
一、参数信息1.模板支架参数横向间距或排距(m):0.80 ;纵距(m):0.80 ;步距(m):1.60 ;立杆上端伸出至模板支撑点长度(m):0.10 ;模板支架搭设高度(m):3.32 ;采用的钢管(mm):①48× 3.0 ,计算壁厚取2.8 ;板底支撑连接方式:方木支撑;立杆承重连接方式: 双扣件,取扣件抗滑承载力系数:0.75 ;2.荷载参数23模板与木板自重(kN/m2):0.350 ;混凝土与钢筋自重(kN/m3):25.000 ;2施工均布荷载标准值(kN/m 2):2.000 ;3.材料参数面板采用胶合面板,厚度为16mm板底支撑采用方木;22面板弹性模量E(N/mm2):9500 ;面板抗弯强度设计值(N/mm2):13 ;木方弹性模量E(N/mm2):9000.000 ;木方抗弯强度设计值(N/mm2):13.000 ;2木方抗剪强度设计值(N/mm2):1.400 ;木方的间隔距离(mm):300.000 ;木方的截面宽度(mm):50.00 ;木方的截面高度(mm):90.00 ;僕板支架立面图图2楼板支撑架荷载计算单元二、模板面板计算模板面板为受弯构件,按三跨连续梁对面板进行验算其抗弯强度和刚度模板面板的截面惯性矩I和截面抵抗矩W分别为:2 3W = 80 × 1.6 /6 = 34.133 Cm ;3 4I = 80 × 1.6 /12 = 21.307 Cm ;模板面板的按照三跨连续梁计算。
地库400mm厚顶板支撑体系计算计算依据:1、《建筑施工模板安全技术规范》JGJ162-20082、《建筑施工扣件式钢管脚手架安全技术规范》JGJ 130-20113、《混凝土结构设计规范》GB 50010-20104、《建筑结构荷载规范》GB 50009-20125、《钢结构设计标准》GB 50017-20176、《木结构设计标准》GB 50005-2017一、工程属性三、模板体系设计模板设计平面图模板设计剖面图(模板支架纵向)模板设计剖面图(模板支架横向)四、面板验算面板类型覆面木胶合板面板厚度t(mm) 15面板抗弯强度设计值[f](N/mm2) 15 面板抗剪强度设计值[τ](N/mm2) 1.4面板弹性模量E(N/mm2) 10000 面板计算方式三等跨连续梁W=bh2/6=1000×15×15/6=37500mm3,I=bh3/12=1000×15×15×15/12=281250mm4承载能力极限状态q1=0.9×max[1.2(G1k+(G2k+G3k)×h)+1.4×Q1k,1.35(G1k +(G2k+G3k)×h)+1.4×0.7×Q1k]×b=0.9×max[1.2×(0.5+(24+1.1)×0.4)+1.4×2.5,1.35×(0.5+(24+1.1)×0.4)+1.4×0.7×2.5] ×1=15.011kN/mq1静=0.9×[γG(G1k+(G2k+G3k)×h)×b] =0.9×[1.35×(0.5+(24+1.1)×0.4)×1]=12.806kN/mq1活=0.9×(γQφc Q1k)×b=0.9×(1.4×0.7×2.5)×1=2.205kN/mq2=0.9×1.35×G1k×b=0.9×1.35×0.5×1=0.608kN/mp=0.9×1.4×0.7×Q1k=0.9×1.4×0.7×2.5=2.205kN正常使用极限状态q=(γG(G1k +(G2k+G3k)×h))×b =(1×(0.5+(24+1.1)×0.4))×1=10.54kN/m计算简图如下:1、强度验算M1=0.1q1静L2+0.117q1活L2=0.1×12.806×0.32+0.117×2.205×0.32=0.138kN·mM2=max[0.08q2L2+0.213pL,0.1q2L2+0.175pL]=max[0.08×0.608×0.32+0.213×2.205×0.3,0.1×0.608×0.32+0.175×2.205×0.3]=0.145kN·mM max=max[M1,M2]=max[0.138,0.145]=0.145kN·mσ=M max/W=0.145×106/37500=3.874N/mm2≤[f]=15N/mm2满足要求!2、挠度验算νmax=0.677ql4/(100EI)=0.677×10.54×3004/(100×10000×281250)=0.206mmν=0.206mm≤[ν]=L/250=300/250=1.2mm满足要求!五、小梁验算小梁类型方木小梁截面类型(mm) 50×100小梁抗弯强度设计值[f](N/mm2) 15.444 小梁抗剪强度设计值[τ](N/mm2) 1.782小梁截面抵抗矩W(cm3) 83.333 小梁弹性模量E(N/mm2) 9350小梁截面惯性矩I(cm4) 416.667 小梁计算方式三等跨连续梁11k2k3k1k1k +(G2k+G3k)×h)+1.4×0.7×Q1k]×b=0.9×max[1.2×(0.3+(24+1.1)×0.4)+1.4×2.5,1.35×(0.3+(24+1.1)×0.4)+1.4×0.7×2.5]×0.3=4.43kN/m因此,q1静=0.9×1.35×(G1k +(G2k+G3k)×h)×b=0.9×1.35×(0.3+(24+1.1)×0.4)×0.3=3.769kN/mq1活=0.9×1.4×0.7×Q1k×b=0.9×1.4×0.7×2.5×0.3=0.661kN/m q2=0.9×1.35 ×G1k×b=0.9×1.35×0.3×0.3=0.109kN/mp=0.9×1.4×0.7×Q1k=0.9×1.4×0.7×2.5=2.205kN计算简图如下:1、强度验算M1=0.1q1静L2+0.117q1活L2=0.1×3.769×12+0.117×0.661×12=0.454kN·mM2=max[0.08q2L2+0.213pL,0.1q2L2+0.175pL]=max[0.08×0.109×12+0.213×2.205×1,0.1×0.109×12+0.175×2.205×1]=0.478kN·m M3=max[q1L12/2,q2L12/2+pL1]=max[4.43×0.32/2,0.109×0.32/2+2.205×0.3]=0.666kN·mM max=max[M1,M2,M3]=max[0.454,0.478,0.666]=0.666kN·mσ=M max/W=0.666×106/83333=7.997N/mm2≤[f]=15.444N/mm2满足要求!2、抗剪验算V1=0.6q1静L+0.617q1活L=0.6×3.769×1+0.617×0.661×1=2.67kNV2=0.6q2L+0.675p=0.6×0.109×1+0.675×2.205=1.554kNV3=max[q1L1,q2L1+p]=max[4.43×0.3,0.109×0.3+2.205]=2.238kNV max=max[V1,V2,V3]=max[2.67,1.554,2.238]=2.67kNτmax=3V max/(2bh0)=3×2.67×1000/(2×50×100)=0.801N/mm2≤[τ]=1.782N/mm2 满足要求!3、挠度验算q=(γG(G1k +(G2k+G3k)×h))×b=(1×(0.3+(24+1.1)×0.4))×0.3=3.102kN/m挠度,跨中νmax=0.677qL4/(100EI)=0.677×3.102×10004/(100×9350×416.667×104)=0.539mm≤[ν]=L/250=1000/250=4mm;悬臂端νmax=ql14/(8EI)=3.102×3004/(8×9350×416.667×104)=0.081mm≤[ν]=2×l1/250=2×300/250=2.4mm满足要求!六、主梁验算q1=0.9×max[1.2(G1k+(G2k+G3k)×h)+1.4Q1k, 1.35(G1k +(G2k+G3k)×h)+1.4×0.7×Q1k]×b=0.9×max[1.2×(0.5+(24+1.1)×0.4)+1.4×1.5,1.35×(0.5+(24+1.1)×0.4)+1.4×0.7×1.5]×0.3=4.239kN/mq1静=0.9×1.35×(G1k+(G2k+G3k)×h)×b=0.9×1.35×(0.5+(24+1.1)×0.4)×0.3=3.842kN/mq1活=0.9×1.4×0.7×Q1k×b =0.9×1.4×0.7×1.5×0.3=0.397kN/mq2=(γG(G1k +(G2k+G3k)×h))×b=(1×(0.5+(24+1.1)×0.4))×0.3=3.162kN/m承载能力极限状态按三等跨连续梁,R max=(1.1q1静+1.2q1活)L=1.1×3.842×1+1.2×0.397×1=4.702kN按三等跨连续梁按悬臂梁,R1=(0.4q1静+0.45q1活)L +q1l1=(0.4×3.842+0.45×0.397)×1+4.239×0.3=2.987kN主梁2根合并,其主梁受力不均匀系数=0.6R=max[R max,R1]×0.6=2.821kN;正常使用极限状态按三等跨连续梁,R'max=1.1q2L=1.1×3.162×1=3.478kN按三等跨连续梁悬臂梁,R'1=0.4q2L +q2l1=0.4×3.162×1+3.162×0.3=2.213kN R'=max[R'max,R'1]×0.6=2.087kN;计算简图如下:主梁计算简图一2、抗弯验算主梁弯矩图一(kN·m)σ=M max/W=0.846×106/4490=188.492N/mm2≤[f]=205N/mm2满足要求!3、抗剪验算主梁剪力图一(kN)τmax=2V max/A=2×5.012×1000/424=23.641N/mm2≤[τ]=125N/mm2满足要求!4、挠度验算主梁变形图一(mm)跨中νmax=0.933mm≤[ν]=1000/250=4mm悬挑段νmax=1.243mm≤[ν]=2×300/250=2.4mm满足要求!5、支座反力计算承载能力极限状态图一支座反力依次为R1=9.093kN,R2=9.243kN,R3=9.243kN,R4=9.093kN七、可调托座验算荷载传递至立杆方式可调托座可调托座承载力容许值[N](kN) 30满足要求!八、立杆验算剪刀撑设置加强型立杆顶部步距h d(mm) 600350 顶部立杆计算长度系数μ1 1.386 立杆伸出顶层水平杆中心线至支撑点的长度a(mm)非顶部立杆计算长度系数μ2 1.755 立杆钢管截面类型(mm) Φ48×3.5立杆钢管计算截面类型(mm) Φ48×2.6钢材等级Q235 立杆截面面积A(mm2) 371 立杆截面回转半径i(mm) 16.1立杆截面抵抗矩W(cm3) 3.99 抗压强度设计值[f](N/mm2) 205支架自重标准值q(kN/m) 0.15顶部立杆段:l01=kμ1(h d+2a)=1×1.386×(600+2×350)=1802mm非顶部立杆段:l0=kμ2h =1×1.755×1200=2106mmλ=max[l01,l0]/i=2106/16.1=130.807≤[λ]=210满足要求!2、立杆稳定性验算根据《建筑施工扣件式钢管脚手架安全技术规范》JGJ130-2011,荷载设计值q1有所不同:小梁验算q1=1×[1.2×(G1k+(G2k+G3k)×h)+1.4×Q1k]×b=1×[1.2×(0.5+(24+1.1)×0.4)+1.4×1]×0.3 = 4.214kN/m同上四~六步计算过程,可得:R1=9.048kN,R2=9.197kN,R3=9.197kN,R4=9.048kN顶部立杆段:l01=kμ1(h d+2a)=1.155×1.386×(600+2×350)=2081.079mmλ1=l01/i=2081.079/16.1=129.26查表得,φ=0.401不考虑风荷载:N1 =Max[R1,R2,R3,R4]/0.6=Max[9.048,9.197,9.197,9.048]/0.6=15.329kN f=N1/(ΦA)=15329/(0.401×371)=103.038N/mm2≤[f]=205N/mm2满足要求!非顶部立杆段:l0=kμ2h =1.155×1.755×1200=2432.43mmλ=l0/i=2432.430/16.1=151.083查表得,φ1=0.305不考虑风荷载:N=Max[R1,R2,R3,R4]/0.6+1×γG×q×H=Max[9.048,9.197,9.197,9.048]/0.6+1×1.2×0.15×3.25=15.914kNf=N/(φ1A)=15.914×103/(0.305×371)=140.639N/mm2≤[σ]=205N/mm2满足要求!九、高宽比验算根据《建筑施工扣件式钢管脚手架安全技术规范》JGJ130-2011 第6.9.7:支架高宽比不应大于3H/B=3.25/20=0.163≤3满足要求,不需要进行抗倾覆验算!十、立杆支承面承载力验算11、受冲切承载力计算根据《混凝土结构设计规范》GB50010-2010第6.5.1条规定,见下表h t0u m =2[(a+h0)+(b+h0)]=2320mmF=(0.7βh f t+0.25σpc,)ηu m h0=(0.7×1×0.829+0.25×0)×1×2320×380/1000=511.592kN≥F1=15.914kNm满足要求!2、局部受压承载力计算根据《混凝土结构设计规范》GB50010-2010第6.6.1条规定,见下表c cβl=(A b/A l)1/2=[(a+2b)×(b+2b)/(ab)]1/2=[(600)×(600)/(200×200)]1/2=3,A ln=ab=40000mm2F=1.35βcβl f c A ln=1.35×1×3×8.294×40000/1000=1343.628kN≥F1=15.914kN满足要求!。
400mmx800mm 梁模板扣件钢管支撑架计算书依据规范:《建筑施工扣件式钢管脚手架安全技术规范》JGJ130-2011 《建筑施工模板安全技术规范》JGJ 162-2008 《建筑结构荷载规范》GB50009-2012 《钢结构设计规范》GB50017-2003 《混凝土结构设计规范》GB50010-2010 《建筑地基基础设计规范》GB50007-2011《建筑施工木脚手架安全技术规范》JGJ 164-2008 计算参数:钢管强度为205.0 N/mm 2,钢管强度折减系数取1.00。
模板支架搭设高度为7.8m ,梁截面 B ×D=400mm ×800mm ,立杆的纵距(跨度方向) l=0.90m ,立杆的步距 h=1.20m ,梁底增加2道承重立杆。
面板厚度15mm ,剪切强度 1.5N/mm 2,抗弯强度14.0N/mm 2,弹性模量6000.0N/mm 2。
内龙骨采用40.×80.mm 木方。
木方剪切强度1.6N/mm 2,抗弯强度15.0N/mm 2,弹性模量9000.0N/mm 2。
梁底支撑顶托梁长度 0.90m 。
顶托梁采用单钢管:Φ48×3.0。
梁底承重杆按照布置间距250,400mm 计算。
模板自重0.20kN/m 2,混凝土钢筋自重25.50kN/m 3。
振捣混凝土荷载标准值2.00kN/m 2,施工均布荷载标准值2.50kN/m 2。
扣件计算折减系数取1.00。
775图1 梁模板支撑架立面简图按照模板规范4.3.1条规定确定荷载组合分项系数如下:由可变荷载效应控制的组合S=1.2×(25.50×0.80+0.20)+1.40×2.00=27.520kN/m 2由永久荷载效应控制的组合S=1.35×25.50×0.80+0.7×1.40×2.00=29.500kN/m 2由于永久荷载效应控制的组合S 最大,永久荷载分项系数取1.35,可变荷载分项系数取0.7×1.40=0.98采用的钢管类型为φ48×3.0。
地库400厚顶板支撑排架示意图及计算书1、详图1.1、地库400厚顶板支撑排架示意图11.2、500×1420梁模板支撑大样500×14201.3、开闭所500厚顶板模板支撑排架示意图1-12、计算书2.1、400厚板计算书模板支架的计算依据《建筑施工扣件式钢管脚手架安全技术规范》(JGJ130-2001)、《建筑施工模板安全技术规范》(JGJ162-2008)、《混凝土结构设计规范》GB50010-2002、《建筑结构荷载规范》(GB 50009-2001)、《钢结构设计规范》(GB 50017-2003)等规范编制。
一、参数信息1.模板支架参数横向间距或排距(m):0.80;纵距(m):0.80;步距(m):1.60;立杆上端伸出至模板支撑点长度(m):0.10;模板支架搭设高度(m):3.32;采用的钢管(mm):Φ48×3.0,计算壁厚取2.8 ;板底支撑连接方式:方木支撑;立杆承重连接方式:双扣件,取扣件抗滑承载力系数:0.75;2.荷载参数模板与木板自重(kN/m2):0.350;混凝土与钢筋自重(kN/m3):25.000;施工均布荷载标准值(kN/m2):2.000;3.材料参数面板采用胶合面板,厚度为16mm;板底支撑采用方木;面板弹性模量E(N/mm2):9500;面板抗弯强度设计值(N/mm2):13;木方弹性模量E(N/mm2):9000.000;木方抗弯强度设计值(N/mm2):13.000;木方抗剪强度设计值(N/mm2):1.400;木方的间隔距离(mm):300.000;木方的截面宽度(mm):50.00;木方的截面高度(mm):90.00;图2 楼板支撑架荷载计算单元 二、模板面板计算模板面板为受弯构件,按三跨连续梁对面板进行验算其抗弯强度和刚度 模板面板的截面惯性矩I 和截面抵抗矩W 分别为:W = 80×1.62/6 = 34.133 cm 3;I = 80×1.63/12 = 21.307 cm 4; 模板面板的按照三跨连续梁计算。
面板计算简图1、荷载计算(1)静荷载为钢筋混凝土楼板和模板面板的自重(kN/m):q1= 25×0.4×0.8+0.35×0.8 = 2.28 kN/m;(2)活荷载为施工人员及设备荷载(kN/m):q2= 2×0.8= 1.6 kN/m;2、强度计算计算公式如下:M=0.1ql2其中:q=1.2×2.28+1.4×1.6= 12.176kN/m最大弯矩M=0.1×12.176×3002= 109584 N·mm;面板最大应力计算值σ =M/W= 109584/34133.333 = 3.21 N/mm2;面板的抗弯强度设计值 [f]=13 N/mm2;面板的最大应力计算值为 3.21 N/mm2小于面板的抗弯强度设计值 13 N/mm2,满足要求!3、挠度计算挠度计算公式为:ν=0.677ql4/(100EI)≤[ν]=l/250其中q =q1= 2.28kN/m面板最大挠度计算值ν= 0.677×2.28×3004/(100×9500×21.307×104)=0.175 mm;面板最大允许挠度[ν]=300/ 250=1.2 mm;面板的最大挠度计算值 0.175 mm 小于面板的最大允许挠度 1.2 mm,满足要求!三、模板支撑方木的计算方木按照三跨连续梁计算,截面惯性矩I和截面抵抗矩W分别为:W=b×h2/6=5×9×9/6 = 61.5 cm3;I=b×h3/12=5×9×9×9/12 = 303.75 cm4;方木楞计算简图(mm)1.荷载的计算(1)静荷载为钢筋混凝土楼板和模板面板的自重(kN/m):q1= 25×0.3×0.4+0.35×0.3 = 3.105 kN/m ;(2)活荷载为施工人员及设备荷载(kN/m):q2= 2×0.3 = 0.6 kN/m;2.强度验算计算公式如下:M=0.1ql2均布荷载q = 1.2 × q1+ 1.4 ×q2= 1.2×3.105+1.4×0.6 = 4.566 kN/m;最大弯矩 M = 0.1ql2= 0.1×4.566×0.82= 0.292 kN·m;方木最大应力计算值σ= M /W = 0.292×106/67500 = 4.329 N/mm2;方木的抗弯强度设计值 [f]=13.000 N/mm2;方木的最大应力计算值为 4.329 N/mm2小于方木的抗弯强度设计值 13 N/mm2,满足要求!3.抗剪验算截面抗剪强度必须满足:τ = 3V/2bh n< [τ]其中最大剪力: V = 0.6×4.566×0.8 = 2.192 kN;方木受剪应力计算值τ = 3 ×2.192×103/(2 ×50×90) = 0.731 N/mm2;方木抗剪强度设计值[τ] = 1.4 N/mm2;方木的受剪应力计算值 0.731 N/mm2小于方木的抗剪强度设计值 1.4 N/mm2,满足要求!4.挠度验算计算公式如下:ν=0.677ql4/(100EI)≤[ν]=l/250均布荷载 q = q1 = 3.105 kN/m;最大挠度计算值ν= 0.677×3.105×8004/(100×9000×3037500)= 0.315 mm;最大允许挠度[ν]=800/ 250=3.2 mm;方木的最大挠度计算值 0.315 mm 小于方木的最大允许挠度 3.2 mm,满足要求!四、板底支撑钢管计算支撑钢管按照集中荷载作用下的三跨连续梁计算;集中荷载P取纵向板底支撑传递力,P=3.653kN;支撑钢管计算简图支撑钢管计算弯矩图(kN·m)支撑钢管计算变形图(mm)支撑钢管计算剪力图(kN)最大弯矩 M max= 0.791 kN·m ;最大变形 V max = 1.409 mm ;最大支座力 Q max = 10.578 kN ;最大应力σ= 791156.908/4490 = 176.204 N/mm2;支撑钢管的抗压强度设计值 [f]=205 N/mm2;支撑钢管的最大应力计算值 176.204 N/mm2小于支撑钢管的抗压强度设计值 205 N/mm2,满足要求!支撑钢管的最大挠度为 1.409mm 小于 800/150与10 mm,满足要求!五、扣件抗滑移的计算按照《建筑施工扣件式钢管脚手架安全技术规范培训讲座》刘群主编,P96页,双扣件承载力设计值取16.00kN,按照扣件抗滑承载力系数0.75,该工程实际的旋转双扣件承载力取值为12.00kN 。
纵向或横向水平杆与立杆连接时,扣件的抗滑承载力按照下式计算(规范5.2.5):R ≤ R c其中 Rc -- 扣件抗滑承载力设计值,取12.00 kN;R-------纵向或横向水平杆传给立杆的竖向作用力设计值;计算中R取最大支座反力,R= 10.578 kN;R < 12.00 kN,所以双扣件抗滑承载力的设计计算满足要求!六、模板支架立杆荷载设计值(轴力)作用于模板支架的荷载包括静荷载和活荷载。
1.静荷载标准值包括以下内容(1)脚手架的自重(kN):N G1= 0.125×3.32 = 0.414 kN;(2)模板的自重(kN):N G2= 0.35×0.8×0.8 = 0.224 kN;(3)钢筋混凝土楼板自重(kN):N G3= 25×0.4×0.8×0.8 = 6.4 kN;静荷载标准值 N G = N G1+N G2+N G3 = 1.038 kN;2.活荷载为施工荷载标准值与振倒混凝土时产生的荷载活荷载标准值 N Q= (2+2 ) ×0.8×0.8 = 2.56 kN;3.立杆的轴向压力设计值计算公式N = 1.2N G + 1.4N Q = 12.03 kN;七、立杆的稳定性计算立杆的稳定性计算公式σ =N/(φA)≤[f]其中 N ---- 立杆的轴心压力设计值(kN) :N = 12.03 kN;φ---- 轴心受压立杆的稳定系数,由长细比 L o/i 查表得到;i ---- 计算立杆的截面回转半径(cm) :i = 1.59 cm;A ---- 立杆净截面面积(cm2):A = 4.24 cm2;W ---- 立杆净截面模量(抵抗矩)(cm3):W=4.49 cm3;σ-------- 钢管立杆受压应力计算值 (N/mm2);[f]---- 钢管立杆抗压强度设计值:[f] =205 N/mm2;L0---- 计算长度 (m);根据《扣件式规范》,立杆计算长度L0有两个计算公式L0=kuh和L0=h+2a,为安全计,取二者间的大值,即L0=max[1.155×1.7×1.6,1.6+2×0.1]=3.142;k ---- 计算长度附加系数,取1.155;μ ---- 考虑脚手架整体稳定因素的单杆计算长度系数,取1.7;a ---- 立杆上端伸出顶层横杆中心线至模板支撑点的长度;a = 0.1 m;得到计算结果:立杆计算长度 L0=3.142;L0 / i = 3141.6 / 15.9=198 ;由长细比 l o/i 的结果查表得到轴心受压立杆的稳定系数φ= 0.184 ;钢管立杆受压应力计算值;σ=12030.003/(0.184×424) = 154.199 N/mm2;立杆稳定性计算σ= 154.199 N/mm2小于钢管立杆抗压强度设计值 [f]= 205 N/mm2,满足要求!2.2、500厚板计算书高支撑架的计算依据《建筑施工扣件式钢管脚手架安全技术规范》(JGJ130-2001)、《建筑施工模板安全技术规范》(JGJ162-2008)、《混凝土结构设计规范》GB50010-2002、《建筑结构荷载规范》(GB 50009-2001)、《钢结构设计规范》(GB 50017-2003)等规范编制。
因本工程模板支架高度大于4米,根据有关文献建议,如果仅按规范计算,架体安全性仍不能得到完全保证。
为此计算中还参考了《施工技术》2002(3):《扣件式钢管模板高支撑架设计和使用安全》中的部分内容。