单层工业厂房排架结构设计计算书(同济大学)
- 格式:pdf
- 大小:921.30 KB
- 文档页数:26
《单层工业厂房混凝土排架课程设计》柱截面尺寸确立由图 2可知柱顶标高为 12.4 m,牛腿顶面标高为 8.6m ,设室内陆面至基础顶面的距离为 0.5m ,则计算简图中柱的总高度H、下柱高度H l、上柱高度 Hu 分别为:H= ,H l-2.4.2 并参照表依据柱的高度、吊车起重量及工作级别等条件,可由表确立柱截面尺寸,见表 1。
表 1 柱截面尺寸及相应的计算参数计算参数截面尺寸面积惯性矩自重柱号/mm/mm 2/mm 4/(KN/×10 5× 10 8m)A,B上柱矩 400×400下柱I400× 900×100× 150× 10 5×10 8本例仅取一榀排架进行计算,计算单元和计算简图如图1所示。
荷载计算恒载(1).屋盖恒载:2两毡三油防水层20mm厚水泥沙浆找平层20×0.02=0.4 KN/m 2100mm厚水泥膨胀珍珠岩保温层4×0.1=0.4 KN/m 2一毡二油隔气层0.05 KN/m 215mm厚水泥沙浆找平层;20×0.015=0.3 KN/m 2预应力混凝土屋面板(包含灌缝) 1.4 KN/m 22.900 KN/m2天窗架重力荷载为2×36 KN /榀,天沟板2.02 KN/m ,天沟防水层、找平层、找坡层 1.5 KN/m ,屋架重力荷载为 106 KN /榀,则作用于柱顶的屋盖结构重力荷载设计值为:G1×(2.90 KN/m 2× 6m×24m/2+2× 36 KN/2 +2.02 KN/m ×6m +1.5 KN/m ×6m+106 KN/2) =382.70 KN(2)吊车梁及轨道重力荷载设计值:G3×(+1.0 KN/ m× 6m)=50.20 KN(3)柱自重重力荷载设计值:上柱G4A = G4B×4kN/m× 3.8m =18.24 KN下柱G5A = G5B××9.1m =51.21 KN各项恒载作用地点如图 2所示。
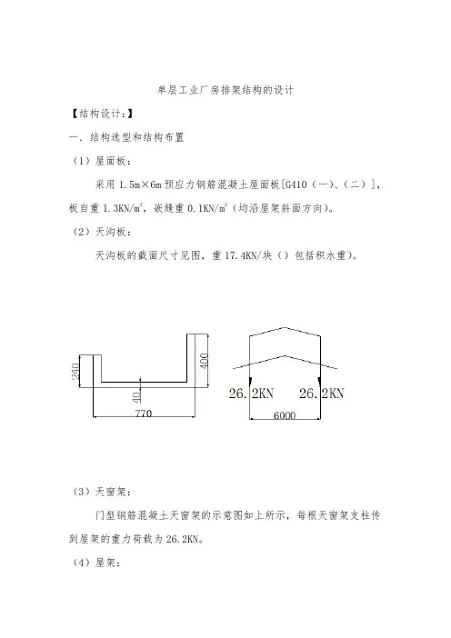
单层工业厂房排架结构的设计【结构设计:】一.结构选型和结构布置(1)屋面板:采用1.5m×6m预应力钢筋混凝土屋面板[G410(一)、(二)],板自重1.3KN/m2,嵌缝重0.1KN/m2(均沿屋架斜面方向)。
(2)天沟板:天沟板的截面尺寸见图,重17.4KN/块()包括积水重)。
(3)天窗架:门型钢筋混凝土天窗架的示意图如上所示,每根天窗架支柱传到屋架的重力荷载为26.2KN。
(4)屋架:采用预应力钢筋混凝土折线型屋架,屋架尺寸线如图上弦杆:b×h=240mm×220mm下弦杆:b×h=240mm×220mm腹杆: b×h=120mm×240mmb×h=200mm×220mmb×h=120mm×120mm屋架自重为60.5KN/m2(5)屋盖支撑屋盖支撑自重0.05KN/m2(沿水平面方向)(6)吊车梁自重44.2KN/每根,吊车梁的截面高度为1200mm。
(7)联系梁、过梁均为矩形截面尺寸。
(8)排架柱上柱:矩形 400mm×400mm下柱:工字型 400mm×800mm(9)基础采用单独杯形基础,基础顶部标高-0.6m。
二、结构平面布置横向定位轴线均通过柱子截面几何中心,但在两端与山墙的内皮重合,并将山墙内侧第一排柱子中心线内移600mm;纵向定位轴线,可以有结构平面布置图所知。
三、排架荷载计算I.恒荷载A.屋盖部分传来的P1P天窗重 26.2×2+11.5×2=75.4 KN 屋面板重 1.3×6×18=140.4 KN嵌缝重 0.1×6×18=10.8 KN防水层重 0.35×6×18=37.8 KN找平层重 0.4×6×18=43.2 KN屋盖支撑重 0.05×6×18=5.4 KN 屋架重 60.5 KN总重 373.5 KN每块天沟积水重 17.4 KNP1P=373.5/2+17.4=204.15 KNB.柱自重P2P和P3P上柱重 P2P=25×0.4×0.4×3.6=14.4 KN下柱重:柱身25×[0.187×7.2+0.4×0.8×(0.2+0.4+0.6)]=43.26 KN 牛腿25×((0.8+2)/2×0.2+1×4×0.4)=5.8 KNP3P=49.06 KNC.混凝土吊车梁以及轨道重P4PP4P=44.2+0.6×6=47.8 KNII.活荷载A.屋面活荷载P1q基本雪压0.7KN/m2,屋面积灰荷载0.5KN/m2,屋面活荷载0.5KN/m2。
单层工业厂房排架结构设计范例设计目标:设计一种单层工业厂房的排架结构,以满足建筑物的承载力、稳定性和经济性的要求。
1.设计参数:-工业厂房建筑面积:1000平方米-建筑高度:10米-使用荷载:每平方米1000N-特殊荷载:吊装设备荷载,需根据实际情况进行计算-设计使用年限:30年2.结构设计:-地基:采用深基础,基础底面积为建筑面积的1.2倍,基础深度为2.5米。
地基使用混凝土建造。
-柱子:柱子采用钢结构,根据荷载计算确定柱子的数量和尺寸。
柱子的布置需要满足建筑物的整体平衡和稳定性要求。
-梁:梁采用钢结构,根据荷载计算确定梁的尺寸和布置。
梁的跨度应合理,以确保建筑物的承载能力。
-屋面:采用金属屋面板覆盖,屋面结构采用钢构件支撑。
屋面板应具有防水、保温和隔音功能。
-墙体:墙体采用砖混结构或钢板结构,根据实际情况进行选择。
墙体应满足建筑物的承重和隔热要求。
-排水系统:设计合理的排水系统,确保雨水能够及时排出,避免水浸和漏水问题。
-防火设计:根据建筑物所处的防火等级要求,设计合理的防火措施,确保建筑物的安全性。
3.结构计算:-根据使用荷载和特殊荷载的要求,计算柱子、梁和屋面等结构的截面尺寸和受力情况。
-根据设计使用年限,确定结构的材料使用寿命和抗震要求。
4.结构施工:-根据设计图纸和施工方案,进行结构施工和安装。
施工过程中需进行检查和验收,确保施工质量。
5.结构检验:-结构竣工后,进行结构的静荷载试验和动荷载试验,确保结构的安全性和满足设计要求。
6.结构维护:-建立定期维护和检修制度,对结构进行定期检查和维护,确保结构的正常使用寿命。
总结:单层工业厂房排架结构设计需要充分考虑建筑物的承载力、稳定性和经济性要求。
设计过程中,需要进行材料计算、结构设计和施工等方面的工作,确保结构的安全性和稳定性。
在设计完成后,需进行结构的试验和验收,定期进行维护和检修,以确保结构的正常使用寿命。
混凝土单层厂房结构课程设计设计资料一、工艺要求本工程为一工业厂房,根据工艺要求,该车间为单跨,跨度为18米,柱距6米,长60米,跨内设有20/5吨,中级工作制吊车(A4)一台,轨顶标高须不低于7.5米,可不设天窗,采用纵墙开窗方案。
建筑平立剖面示意图分别如下:二、建筑资料(1)屋面做法(2)围护墙:240砖砌墙(3)门窗:钢门窗三、气象和地质条件基本风压0.6 KN/㎡,地面粗糙度B类;基本雪压0.6 KN/㎡;积灰荷载0.3 KN/㎡。
排架结构计算一、构件选型(一)屋面板(选用图集04G410—1)屋面荷载标准值为:二毡三油防水层上铺小豆石 0.35kN/ m220mm水泥砂浆找平层 20×0.02 = 0.4 kN/ m280mm厚加气混凝土保温层 0.65 kN/ m2屋面恒荷载总计 1.4 kN/ m2积灰荷载 0.3 kN/ m2雪荷载 0.6 kN/ m2屋面活载 0.5 kN/ m2 屋面活荷载总计(计算时取雪荷载和屋面荷载较大值) 0.9 kN/ m2荷载组合 1.35×1.4+1.4×(0.9×0.3+0.7×0.6)=2.86 kN/ m2选Y-WB-3Ⅱ,允许荷载3.65 kN/ m2 >2.86 kN/ m2 满足要求。
(二)屋架(选用图集04G415—1)屋架以上荷载标准值为屋面恒荷载 1.4 kN/ m2屋面板自重 1.4 kN/ m2屋面板管缝重 0.1 kN/ m2屋面支撑 0.07 kN/ m2 屋面恒荷载总计 2.97 kN/ m2屋架活荷载 0.9 kN/ m2荷载组合一:1.2×2.97+1.4×0.9=4.82 kN/ m2二:1.35×2.97+1.4×0.9×0.7=5.20 kN/ m2选用YWJ18—2Aa(无天窗,两端内天沟,自重65.5kN),允许荷载5.5 kN/ m2 >5.20 kN/ m2 满足要求。
第三节 单层工业厂房排架结构计算1.计算简图及柱的计算参数(1)计算简图 见图11。
(2)柱的计算参数根据柱子的截面尺寸,列出计算参数如下表。
表42.荷载计算 (1)永久荷载①屋盖自重三毡四油上铺小石子防水层 1.2×0.35=0.42 kN/m 2 80 mm 泡沫砼保温层 1.2×0.48=0.576 kN/m 2 20mm 水泥砂浆找平层 1.2×0.40=0.48 kN/m 2 预应力混凝土屋面板 1.2×1.5=1.8kN/m 2 支撑 1.2×0.15=0.18 kN/m 2 g=3.46kN/m 2屋架自重 1.2×112.8kN/榀=135.36kN/榀 则作用于柱顶的屋盖结构自重8.3162/6*24.2*2.12/36.135224646.31=++⨯⨯=G kN25150150图 11②柱自重A 、C 轴上柱:G C A G G γ==22·k g ·72.189.30.42.1=⨯⨯=u H kN 下柱:kN 78.512.969.42.133=⨯⨯==C A G GB 轴上柱:kN 08.289.30.62.12=⨯⨯=B G 下柱:5.542.994.42.13=⨯⨯=B G 4kN ③吊车梁及轨道自重76.59)68.045(2.14=⨯+⨯=G kN各项永久荷载及其作用位置见图12,屋架荷载传至柱顶作用位置为轴线内侧150mm (详见95G415(三),P.107)。
(2)屋面活荷载由《建筑结构荷载规范》查得屋面活载荷标准值为0.7kN/m 2(因屋面活荷载大于雪荷载,故不考虑雪荷载)。
56.7062247.04.111=⨯⨯⨯==k Q Q Q γkN 活荷载作用位置与屋盖自重作用位置相同,如图12中括号所示。
(3)吊车荷载根据B 与K ,算得吊车梁支座反力影响线中各轮压对应点的座标值如图13所示。
《单层工业厂房装配式钢筋混凝土排架结构设计计算书》是一个重要的工程设计文档,其设计和计算对于工业厂房的建设具有至关重要的作用。
本文将从多个角度探讨这一主题,深入剖析其设计原理、计算方法和工程应用,帮助读者全面理解这一复杂而重要的工程文档。
1. 主题概述单层工业厂房装配式钢筋混凝土排架结构设计计算书是针对工业厂房建设的一套结构设计和计算标准,其主要目的是保证工业厂房的结构安全和稳定性。
设计计算书中包含了结构设计原理、荷载计算、结构受力分析、材料选用、构件连接等多个方面的内容,是工程师进行工业厂房设计时必须参考的重要依据。
2. 结构设计原理对于单层工业厂房装配式钢筋混凝土排架结构的设计原理进行了深入探讨。
该结构通过合理的配筋和排架设计,能够有效地承载工业厂房的荷载,并具有良好的抗震、抗风等特性。
在设计原理中,需要考虑结构材料的选用、梁柱连接方式、结构整体稳定性等多个方面的因素。
3. 计算方法对于设计计算书中的计算方法进行了全面的解析。
这些计算方法包括了荷载计算、受力分析、构件尺寸确定等多个方面,需要工程师对结构力学、材料力学等知识有深入的理解。
通过详细的计算过程,能够得到结构设计所需的各项参数,并进行合理的验算和校核。
4. 工程应用文章还介绍了单层工业厂房装配式钢筋混凝土排架结构设计计算书的工程应用。
工程师可以根据设计计算书的要求,结合实际工程情况进行结构设计,保证工业厂房在使用过程中能够安全稳定地运行。
还介绍了设计计算书在工程验收、质量监控等方面的应用。
5. 个人观点与总结回顾结合个人经验和理解,对单层工业厂房装配式钢筋混凝土排架结构设计计算书进行了总结回顾。
设计计算书作为工程设计的依据,需要工程师结合实际情况进行合理的应用和调整,才能保证工程的安全性和经济性。
也强调了设计计算书在工程设计中的重要性和必要性。
总体而言,单层工业厂房装配式钢筋混凝土排架结构设计计算书是工程设计中不可或缺的重要文档,其全面评估和深入剖析能够帮助工程师更好地理解和应用这一文档,保证工程的安全性和稳定性。
《单层工业厂房混凝土排架课程设计》1.1 柱截面尺寸确定由图2可知柱顶标高为12.4 m,牛腿顶面标高为8.6m ,设室地面至基础顶面的距离为0.5m ,则计算简图中柱的总高度H、下柱高度l H、上柱高度Hu分别为:H=12.4m+0.5m=12.9m,H=8.6m+0.5m=9.1mlHu=12.9m-9.1m=3.8m根据柱的高度、吊车起重量及工作级别等条件,可由表2.4.2并参考表2.4.4确定柱截面尺寸,见表1。
本例仅取一榀排架进行计算,计算单元和计算简图如图1所示。
1.2 荷载计算1.2.1 恒载(1).屋盖恒载:两毡三油防水层0.35KN/m220mm厚水泥砂浆找平层20×0.02=0.4 KN/m2100mm厚水泥膨胀珍珠岩保温层4×0.1=0.4 KN/m2一毡二油隔气层0.05 KN/m215mm厚水泥砂浆找平层;20×0.015=0.3 KN/m2预应力混凝土屋面板(包括灌缝) 1.4 KN/m22.900 KN/m2天窗架重力荷载为2×36 KN /榀,天沟板2.02 KN/m,天沟防水层、找平层、找坡层1.5 KN/m,屋架重力荷载为106 KN /榀,则作用于柱顶的屋盖结构重力荷载设计值为:G1=1.2×(2.90 KN/m2×6m×24m/2+2×36 KN/2+2.02 KN/m×6m +1.5 KN/m×6m+106 KN/2) =382.70 KN(2) 吊车梁及轨道重力荷载设计值:G3=1.2×(44.2kN+1.0KN/m×6m)=50.20 KN(3)柱自重重力荷载设计值:上柱G4A= G4B =1.2×4kN/m×3.8m =18.24 KN下柱G5A= G5B=1.2×4.69kN/m×9.1m =51.21KN各项恒载作用位置如图2所示。
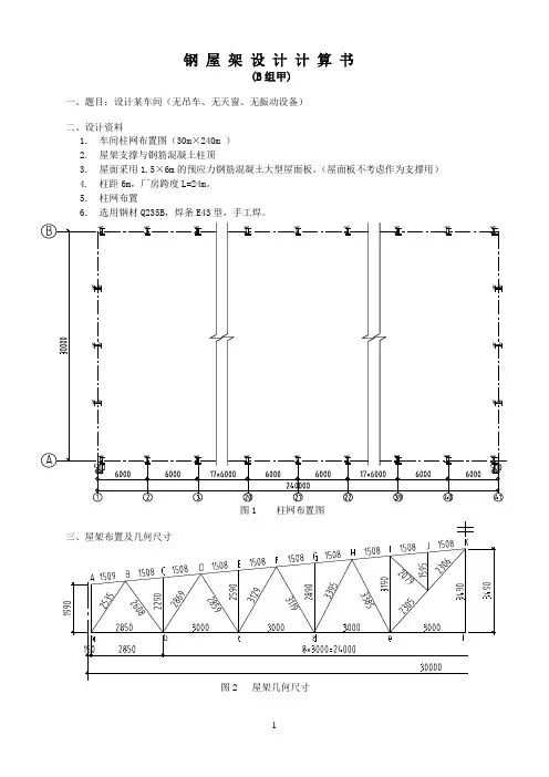
钢屋架设计计算书(B组甲)一、题目:设计某车间(无吊车、无天窗、无振动设备)二、设计资料1.车间柱网布置图(30m×240m )2.屋架支撑与钢筋混凝土柱顶3.屋面采用1.5×6m的预应力钢筋混凝土大型屋面板。
(屋面板不考虑作为支撑用)4.柱距6m,厂房跨度L=24m。
5.柱网布置6.选用钢材Q235B,焊条E43型,手工焊。
图1 柱网布置图图2 屋架几何尺寸屋架计算跨度=30000-300=29700mm。
屋架在30m轴线处的端部高度取H0=1990mm。
跨中高度H= 3490mm。
四、支撑布置屋架支撑布置见图3所示。
图3 屋架支撑布置图说明:图3中与横向水平支撑连接的屋架编号为GWJ-2,山墙的端屋架编号为GWJ-3,其他屋架编号均为GWJ-1。
五、荷载计算及内力计算1、荷载计算汇总表注:非轻型屋盖不考虑风荷载的作用。
永久荷载和可变荷载引起的屋架上弦节点荷载设计值:a)使用阶段P(恒)=3.264×1.5×6=29.376 kNP(活)=0.98×1.5×6=8.82 kNb)施工阶段P’(恒)=0.624×1.5×6=5.616 kNP’(活)=(1.68+0.98)×1.5×6=23.94 kN2、荷载组合设计屋架时,应考虑以下三种荷载组合:(1)全跨永久荷载+全跨可变荷载(2)全跨永久荷载+半跨可变荷载(3)全跨屋架与支撑+半跨屋面板+半跨屋面活荷载以上1),2)为使用阶段荷载组合;3)为施工阶段荷载组合。
3、内力计算该设计采用内力系数法计算了屋架在左半跨单位集中荷载作用下的杆力系数(如图4所示),并列于表1。
根据算得的节点荷载和杆力系数,利用表1进行杆件的内力计算组合并求出各杆的最不利内力,计算过程和结果如表1。
表1 杆力组合表图4 上弦左半跨单位集中荷载作用下的杆力系数六、杆件截面设计 1、 上弦杆截面计算整个上弦杆不改变截面,取上弦最大设计杆力(IK 杆)计算。
《单层工业厂房混凝土排架课程设计》1.1 柱截面尺寸确定由图2可知柱顶标高为12.4 m,牛腿顶面标高为8.6m ,设室内地面至基础顶面的距离为0.5m ,则计算简图中柱的总高度H、下柱高度H、上柱高度Hu分l别为:H=12.4m+0.5m=12.9m,H=8.6m+0.5m=9.1mlHu=12.9m-9.1m=3.8m根据柱的高度、吊车起重量及工作级别等条件,可由表2.4.2并参考表2.4.4确定柱截面尺寸,见表1。
本例仅取一榀排架进行计算,计算单元和计算简图如图1所示。
1.2 荷载计算1.2.1 恒载(1).屋盖恒载:两毡三油防水层0.35KN/m220mm厚水泥砂浆找平层20×0.02=0.4 KN/m2100mm厚水泥膨胀珍珠岩保温层4×0.1=0.4 KN/m2一毡二油隔气层0.05 KN/m215mm厚水泥砂浆找平层;20×0.015=0.3 KN/m2预应力混凝土屋面板(包括灌缝) 1.4 KN/m22.900 KN/m2天窗架重力荷载为2×36 KN /榀,天沟板2.02 KN/m,天沟防水层、找平层、找坡层1.5 KN/m,屋架重力荷载为106 KN /榀,则作用于柱顶的屋盖结构重力荷载设计值为:G1=1.2×(2.90 KN/m2×6m×24m/2+2×36 KN/2+2.02 KN/m×6m +1.5 KN/m×6m+106 KN/2) =382.70 KN(2) 吊车梁及轨道重力荷载设计值:G3=1.2×(44.2kN+1.0KN/m×6m)=50.20 KN(3)柱自重重力荷载设计值:上柱 G 4A = G 4B =1.2×4kN/m ×3.8m =18.24 KN 下柱 G 5A = G 5B =1.2×4.69kN/m ×9.1m =51.21KN各项恒载作用位置如图2所示。
《混凝土结构设计》课程设计任务书(单层工业厂房排架结构设计)土木工程系结构教研室二0一0年六月一、题目:单层工业厂房排架结构设计 二、设计资料建设地点为长沙市郊某地,厂区地形平坦,工程地质条件均匀,地基为亚粘性土,其承载力标准值为kPa f k 180 ,最高地下水位在地表以下15m 。
主要设计参数如下: 1)跨度见分组情况表,柱距为6m ,厂房纵向长度为66.48m 。
2)每跨内设有二台双钩桥式起重机(4A ),额定起重量、轨顶标高见分组情况表。
3)屋面构造为:防水层(六层作法,二毡三油铺绿豆砂) 找平层(20mm 厚水泥砂浆) 预应力混凝土大型屋面板 4)围护结构采用240mm 厚粘土墙(双面粉刷)。
在牛腿顶面标高处设一道连系梁,支承在边柱外侧的牛腿上,用以承受上部墙重,吊车梁以上设高侧窗,洞口尺寸为 3.6×2.1m (4.8),吊车梁以下设低侧窗,洞口尺寸为宽3.6m ,高4.8m ,圈梁设在柱顶处。
5)材料排架柱:混凝土:C30钢筋:纵向受力钢筋HRB400级,箍筋HPB235级 柱下单独基础:混凝土C15或C20 钢筋:HPB235级三、设计内容1)确定剖面尺寸和结构布置,包括支撑、圈梁、连系梁、基础梁等。
2)构件选型。
3)排架内力计算:确定计算简图,荷载计算;各种荷载下的内力计算;绘制内力图。
4)内力组合。
5)设计某柱及柱下单独基础。
6)书写结构计算书。
7)绘制结构施工图一张A1,内容包括:① 厂房平面结构布置图:要求从牛腿顶面处剖开。
② 排架柱的配筋图和模板图。
③ 柱下独立基础的配筋图和模板图。
④ 结构说明。
四、设计要求1、计算书书写工整,插图应按一定比例绘制,图文并茂,纸张规格为A4;2、图纸应符合《房屋建筑制图统一标准(GB/T 50001—2001)》和《建筑结构制图标准(GB/T 50105—2001)》的要求;3、每天考勤两次。
五、厂房平面及剖面尺寸六、分组注:建筑1班:1-1~1-37号;建筑2班:2-1~2-38号;建筑3班:3-1~3-36号。
一.建筑设计说明一、工程概况1.工程名称:青岛市某重型工业厂房;2.工程总面积:3344㎡3.结构形式:钢结构排架二、建筑功能及特点1.该拟建的建筑位于青岛市室内,设计内容:重型钢结构厂房,此建筑占地面积3344㎡。
2.平面设计建筑物朝向为南北向,双跨厂房,每跨跨度为21m,柱距为6m,采用柱网为21m ×6m,纵向定位轴线采用封闭式结合方式。
3.立面设计该建筑立面为了满足采光和美观需求,设置了大面积的玻璃窗。
4.剖面设计吊车梁轨顶标高为 6.9m,柱子高度H=6.9+3.336+0.3=10.536,取柱子高度为10.8m。
5.防火防火等级为二级丁类,设一个防火分区,安全疏散距离满足房门只外部出口或封闭式楼梯间最大距离。
室内消火栓设在两侧纵墙处,两侧及中间各设两个消火栓,满足间距小于50m 的要求。
6.抗震建筑的平面布置规则,建筑的质量分布和刚度变化均匀,满足抗震要求。
7.屋面屋面形式为坡屋顶:坡屋顶排水坡度为10%,排水方式为有组织内排水。
屋面做法采用《01J925-1压型钢板、夹芯板屋面及墙体建筑构造》中夹芯钢板屋面。
8.采光采光等级为Ⅳ级,窗地比为1/6,窗户面积为1160㎡,地面面积为3344平方米,窗地比满足要求,不需开设天窗。
9.排水排水形式为有组织内排水,排水管数目为21个。
三、设计资料1.自然条件2.1工程地质条件:场区地质简单,无不利工程地质现象,条件良好,地基承载力标准值1000Kpa,为强风化花岗岩,场区内无地下水。
冻土深度为0.5m。
2.2抗震设防:6度2.3防火等级:二级2.4建筑物类型:丙类2.5基本风压:W=0.6KN/㎡,主导风向:东南风2.6基本雪压:0.2 KN/㎡(50年)0.25 KN/㎡(100年)2.7冻土深度:—0.5m2.8气象条件:年平均气温:12.7℃最高温度:38.9℃最低温度:-16.9℃年总降雨量:687.3mm。
2.工程做法2.1散水做法:混凝土散水2.2.150厚C15混凝土撒1:1水泥沙子,压实赶光2.2.2150厚3:7灰土垫层2.2.3素土夯实向外坡4%2.2地面做法:混凝土地面2.2.1100厚C15混凝土随打随抹上撒1:1水泥沙子,压实抹光2.2.2150厚3:7灰土(灰土垫层)2.2.3素土夯实2.3屋面做法:夹芯屋面板(JxB42-333-1000)工程做法见国家标准图集01J925-12.4墙面做法:200厚夹芯墙面板(JxB-Qy-1000)工程做法见国家标准图集01J925-1二.结构构件选型及布置一、柱网和变形缝的布置1、柱网的布置3-1厂房纵向柱距为6米,双跨厂房,每跨跨度为21米。
三、排架内力计算1.等高排架内力计算等高排架的内力,一般可采用剪力分配法,分别按下列公式计算:(1)柱顶集中荷载作用下各柱柱顶剪力可按下式计算: Vi =iF F ηδδ=∑=n 1i ii 11式中 δi ———第i 根柱在柱顶单位力作用下的侧移,可按下面公式计算;1/δi ———第i 根柱抗剪刚度;ηi ———第i 根柱的剪力分配系数,它表示第i 根柱的抗剪刚度与所有柱抗剪刚度之和的比值。
δi= H23/C0 EI2式中 H2———全柱柱高;I2———下柱截面惯性矩;E ———柱混凝土弹性模量;C0———系数,可按下式计算或按附表E.1查得。
C 0=)1-1(133nλ+ 式中 λ———上柱柱高( H 1)与全柱柱高( H 2)之比,即λ= H 1/H2;n ———上、下柱截面惯性矩之比,即n =I 1/ I 2(2)任意荷载作用下下面以均布风荷载作用下的单跨排架为例,说明任意荷载作用下的等高排架内力计算方法。
其他各种荷载作用下的等高排架,可采用同样的方法分析内力。
如图所示,内力计算过程可分为三步:水平风荷载作用下排架柱内力分析①先将作用有荷载的排架柱柱顶分别加不动铰,并分别求出其支座反力RA 及RB (可利用附表E.1中的公式及附图计算);②将求出的支座反力RA 与RB 的合力R 反向作用于排架柱顶,按柱顶集中荷载作用下等高排架柱的内力计算方法求VA 2及VB2;③将上述两步计算结果叠加,即可求出排架各柱柱顶的实际剪力,VA = V A1+ V A 2 ;VB =VB1+ VB2 ;即Vi = Vi 1+ Vi2。
【例12.3】如图12.25a所示单跨排架,在风荷载作用下,已知Fw=2.5 kN,q1 =2.16 kN/m,q2=1.35 kN/ m,A柱与B柱截面尺寸相同,且I1 =2.13 ×109 mm 4 ,I2 =11.67×109 mm 4 ,计算排架各柱内力。
目录1 设计资料 (1)2 柱截面尺寸确定 (1)2.1确定柱高度 (1)2.2确定柱截面尺寸 (2)2.3确定柱截面惯性距 (2)3 荷载计算 (3)3.1 恒荷载 (3)3.1.1 屋盖恒载 (3)3.1.2 吊车梁重力荷载设计值 (3)3.1.3吊车梁重力荷载设计值 (3)3.2 屋面活荷载 (4)3.3 风荷载 (5)3.4 吊车荷载 (6)4 内力分析 (6)4.1 永久荷载作用 (6)4.2 屋面活荷载作用下排架内力分析 (8)4.3 吊车竖向荷载 (9)4.4 水平刹车力作用 (11)4.5 风荷载作用 (11)5 柱的截面设计 (13)5.1 选取控制截面的最不利内力 (13)5.2 配筋计算 (14)5.3 箍筋的配置 (15)5.4 牛腿设计 (16)5.4.1 牛腿几何尺寸的确定 (16)5.4.2 牛腿高度验算 (17)5.4.3 牛腿的配筋 (18)5.4.4 牛腿局部受压验算 (18)5.4.5 牛腿纵向受拉钢筋的计算 (18)5.5 柱吊装验算 (18)5.5.1 荷载的计算 (18)5.5.2 弯矩计算 (19)5.5.3 上柱吊装验算 (19)5.5.4 下柱吊装验算 (20)参考文献 (20)1 设计资料①某地需要建一单层混凝土结构工业厂房,屋面做法(不上人屋面):SBS 改性沥青防水层(聚酯胎基4mm 厚)(0.5KN/m 2)、40mm 厚水泥砂浆找平层、50mm 厚聚苯板保温层、20mm 厚水泥砂浆找平层、预应力混凝土大型屋面板。
②柱距为6m,厂房纵向长度为,跨度30 m ,20t/A5 吊车一台,牛腿面标高8.4m。
基本风压0.5KN/m 2地面粗糙度为B 类,基本雪压0.7KN/m2。
外墙厚370mm 的烧结黏土空心砌块砌体墙(重度8KN/m 3),窗户为塑钢窗,门卫平开钢大门。
③混凝土采用C45,主筋采用H RB335 级钢筋,箍筋采用H PB300 级钢筋。
单层工业厂房排架结构设计㈠工程概况1 设计题目某煅工车间为一单层单跨钢筋混凝土装配式结构,跨度18m,长度66m。
选用两台中级工作制桥式吊车(5t,15/3t),轨顶标高9.8m,考虑散热通风要求,需设置天窗和挡风板。
2 设计任务⑴完成屋面板、屋架、天窗架、天沟、吊车梁、基础梁等构件的选型,并初步确定排架柱的截面尺寸;⑵进行结构布置(包括支撑布置);⑶排架荷载计算;⑷排架内力计算;⑸排架内力组合;⑹柱子配筋设计(包括牛腿);⑺柱下单独基础设计;⑻绘制施工图,内容包括:I.基础平面布置图及基础配筋图II.屋盖结构布置及结构平面布置图III.柱子配筋图3 设计资料⑴荷载钢筋混凝土容重 25kN/m3一砖墙(单面粉刷) 4.92kN/m220mm水泥砂浆找平层 0.4kN/m2钢门窗自重 0.4kN/m2钢轨及垫层 0.6kN/m二毡三油防水层 0.35kN/m2(沿斜面)屋面活荷载 0.5kN/m2(沿水平面)屋面积灰荷载 0.5kN/m2(沿水平面)施工活荷载 0.5kN/m2(沿水平面)风荷载 0.40kN/m2屋面雪荷载 0.45kN/m2吊车荷载 5t,15/3t⑵工程地质资料根据钻探报告,天然地面下1.2m处为老土层,修正后的地基承载力为120kN/m2,地下水位在地面下1.3m(标高-1.45m)⑶材料混凝土:柱C30,基础C15钢筋:受力筋为HRB400级钢筋,钢箍、预埋件及吊钩为HPB300级钢筋砌体:M5砖,M2.5砂浆㈡结构设计1 结构平面布置⑴构件选型I.屋面板:自重1.3kN/m2(沿屋架斜面),嵌缝0.1kN/m2(沿屋架斜面) II.天沟板:重17.4kN/块(包括积水重量)III.门型钢筋混凝土天窗架IV.预应力钢筋混凝土折线型屋架 YMJA-18-xBb上弦杆 b×h=240mm×220mm下弦杆 b×h=240mm×220mm腹板 b×h=120mm×240mm (F1)b×h=200mm×240mm (F2)b×h=120mm×120mm (F3~F6)屋架自重:60.5kN/榀V.屋盖支撑: 0.05kN/m2(沿水平面)VI.吊车梁重: 44.2kN/根(高1200mm)VII.基础梁重: 15.7kN/根(高450mm)VIII.联系梁、过梁均为矩形截面IX.排架柱尺寸:上柱为矩形 400mm×400mm下柱为工字型 400mm×800mmX.基础采用单独杯型基础,基顶标高-0.6m。
⑵结构平面布置图2 排架柱⑴截面特性、几何尺寸上柱:400mm×400mm 面积A=1.6×105mm2,惯性矩I x=I y=2.13×109mm4下柱:工字型截面,b=120mm, h=800mm, b f=b f’=400mm, h f=h f’=150mm, 面积A=1.87×105mm2,惯性矩I x=1.456×1010mm4,I y=1.759×109mm4⑵荷载计算I.恒荷载a.屋盖部分传来P1P天窗重 26.2×2+11.5×2=75.4kN 屋面板重 1.3×6×18=140.4kN 嵌缝重 0.1×6×18=10.8kN 防水层重 0.35×6×18=37.8kN 找平层重 0.4×6×18=43.2kN 屋盖支撑重 0.05×6×18=5.4kN 屋架重 60.5kN373.5kN (两个柱顶的力) 每块天沟及积水重 17.4kN P 1P =373.5/2+17.4=204.15kNb.柱自重P 2P 及P 3P上柱:P 2P =25×0.42×3.6=14.4kN下柱:柱身 25×[0.187×7+0.4×0.8×(0.6+0.2)]=39.13kN牛腿 25×(0.8+12×0.2+1×0.4)×0.4=5.8kNP 3P =39.13+5.8=44.93kNc.混凝土吊车梁及轨道重P 4P P 4P =44.2+0.6×6=47.8kNII.活荷载a.屋面活荷载P 1Q雪荷载0.45kN/m 2,屋面积灰荷载0.5kN/m 2,屋面活荷载0.5kN/m 2排架计算时,屋面积灰荷载与雪荷载或屋面均布活荷载中的较大值同时考虑 P 1Q =(0.5+0.5)×6×18/2=54kN ,作用位置同P 1Pb.吊车荷载采用两台中级工作制的吊车,起重量分别为Q=5t ,15/3t ,吊车参数见表注:P min =(G+Q )/2-P max ①竖向吊车荷载 β=0.9情况1 情况2情况1:D max=0.9[74(1.6+5)/6+148(1+1.9/6)]=248.64kND min=0.9[17.5(1.6+5)/6+34.5(1+1.9/6)]=58.7kN情况2:D max=0.9[148(0.9+5)/6+74(1+2.6/6)]=226.44kND min=0.9[34.5(0.9+5)/6+17.5(1+2.6/6)]=53.7kN经过比较,设计时采用情况1中的荷载,D max=248.64kN,D min=58.7kN作用位置同P4P②水平吊车荷载每个轮子水平刹车制动力5t:T1=α(Q+g)/4=0.12(49+22.8)/4=2.2kN15/3t:T2=α(Q+g)/4=0.1(196+66.1)/4=6.55KN产生T max时,吊车作用位置如情况1T max=0.9[2.2(1.6+5)/6+6.55(1+1.9/6)]=9.94kNc.风荷载①均布风荷载q风载体型系数,计算简图如下柱顶离室外地坪高度为12+0.15=12.15m,风压高度变化系数μz=0.74q1=0.8×0.74×0.4×6=1.42kN/m (→)q2=0.5×0.74×0.4×6=0.89kN/m (→)②集中风荷载W屋架檐口离室外地坪高度 14.5-0.4+0.15=14.25m μz=0.74 挡风板、屋架交界处离室外地坪的高度 14.55+0.15=14.70m μz=0.74 天窗架、屋架交界处离室外地坪高度 15.15+0.15=15.30m μz=0.746 天窗檐口离室外地坪高度 17.22+0.15=17.37m μz=0.7874 天窗顶离室外地坪高度 17.52+0.15=17.67m μz=0.7934q3=0.8×0.74×0.4×6=1.42kN/m (→)q4=0.3×0.74×0.4×6=0.53kN/m (→)q5=1.4×0.7874×0.4×6=2.65kN/m (→)q6=-0.8×0.746×0.4×6=-1.43kN/m (←)q7=-0.8×0.7874×0.4×6=-1.51kN/m (←)q8 q9相抵消q 10=0.6×0.7874×0.4×6=1.13kN/m (→) q 11=0.6×0.746×0.4×6=1.07kN/m (→) q 12=0.6×0.74×0.4×6=1.07kN/m (→) q 13=0.5×0.74×0.4×6=0.89kN/m (→)W=(q 3+q 13)×(14.25-12.15)+(q 4+q 12)×(14.70-14.25)+(q 6+q 11)×(15.3-14.7)+(q 7+q 10)×(17.37-15.30)+q 5×(17.37-14.7)=11.64kN (→) 作用点标高+12.000m排架计算简图及荷载作用如图:⑶ 内力分析I.恒载作用下的排架内力 a.由P 1P 产生的弯矩和轴力P 1P =204.15kN M 11= P 1P ×e 1=204.15×0.05=10.21kN ·m M 12= P 1P ×e 2=204.15×0.2=40.83kN ·mI 1=I X =1.456×1010mm 4 I U =2.13×109mm 4n I =I U /I 1=0.146 λH =H U /H=3.6/12.6=0.286C 1=32×1−λH 2(1−1n I)1+λH 3(1I−1)=1.951 C 3=32×1−λH21+λH 3(1I−1)=1.212 R 11= C 1M 11/H=1.951×10.21/12.6=1.58kN (→)R 12= C 3M 12/H=1.212×40.83/12.6=3.93kN (→) N 1=204.15kN R 1=R 11+R 12=5.51kN (→)b.由柱自重产生的弯矩和轴力上柱:P2P=14.4kN M22= P2P×e2=14.4×0.2=2.88kN·mR2=C3M22/H=1.212×2.88/12.6=0.28kN (→)N2=14.4kN下柱:P3P=44.93kN N3=44.93kN 只产生轴力而不产生弯矩c.由P4P产生的弯矩和轴力P4P=47.8kN M44= P4P×e4=47.8×0.35=16.73kN·mR4=C3M44/H=1.212×16.73/12.6=1.61kN (←)N4=47.8kN恒载作用下的计算简图及内力图如下:II.屋面活荷载作用下的排架内力P1Q=54kN 与P1P作用位置相同,反力成比例R=5.51×54/204.15=1.46kN (→)M11=10.21×54/204.15=2.70kN·mM12=40.83×54/204.15=10.80kN·m N=54kN 屋面活载下的计算简图及内力图:III.吊车竖向荷载作用下排架内力考虑结构对称性,只考虑D max作用于A柱,B柱同A柱配筋A柱:M A=D max·e4=248.64×0.35=87.02kN·mB柱:M B=D min·e4=58.7×0.35=20.54kN·mR A=C3M A/H=1.212×87.02/12.6=-8.37kN (←)R B=C3M B/H=1.212×20.54/12.6=1.98kN (→)剪力分配系数ηA=ηB=0.5,则A柱与B柱柱顶的剪力为A柱:V A= R A-ηA(R A+ R B)=-8.37-0.5(-8.37+1.98)=-5.18kN (←)B柱:V B= R B-ηB(R A+ R B)=1.98-0.5(-8.37+1.98)= 5.18kN (→)内力图如下:IV.吊车水平制动力作用下的排架内力 考虑对称性,按T max 向左作用计算 柱中轴力为零n I =0.146, λH =0.286 T A =T B =T max =9.94Kny/H U =(12-9.7)/3.6=0.639C 5=2−1.8λH +λH 3(0.416I−0.2)2×(1+λH 3 n I −1 )=0.6805 R A = R B = C 5T max =0.6805×9.94=5.74kN (→)考虑空间分配系数m ,查表m=0.80 剪力分配系数ηA =ηB =0.5 计算简图如下:则A 柱和B 柱的柱顶剪力为V A = R A -ηA m(R A + R B )=6.76-0.5×0.8(6.76+6.76)=1.352kN (→) V B =V A = 1.352kN (→)水平荷载作用下内力图(实线为T max 向左,虚线为T max 向右)V.风荷载作用下排架内力考虑对称性,仅按左风情况计算q 1=1.42kN/m (→) q 2=0.89kN/m (→) W=11.64kN (→)C 11=3×(1+λH 41n I−1 )8×(1+λH3 1n I−1 ) =0.3428 R 1=-C 11q 1H=0.3428×1.42×12.6=-6.13kN (←)R 2=-C 11q 2H=0.3428×0.89×12.6=-3.84kN (←)排架单元为对称结构,柱中轴力为零,计算简图如下:ηA =ηB =0.5V A= R1+ηA (W-R1-R2))=4.68kN (→)V B= R2+ηB (W-R1-R2))=6.96kN (→)⑷内力组合排架单元为对称结构,可仅考虑A柱的截面(见下表),表中柱截面和内力的正方向如图⑸排架柱设计以A轴柱计算,B柱参照A配筋I.设计资料a.截面尺寸:上柱 400mm×400mm 正方形截面下柱工字型截面b=120mm, h=800mm,b f=b f’=400mm, h f=h f’=150mm b.材料等级:混凝土C30 f c=14.3N/mm2钢筋受力筋为HRB400 f y=f y’=360N/mm2其余均为HPB300 f y=270N/mm2c.计算长度柱高大于8m,设柱间支撑排架平面内:上柱 2.0×3.6=7.2m 下柱1.0×9=9m排架平面外:上柱 1.25×3.6=4.5m 下柱0.8×9=7.2mII.内力a.上柱ξb =0.81+f yεcu ×E s=0.81+3000.0033×2×105=0.55 N b =f c bh 0ξb =14.3×400×365×0.55=1148.29kN内力表中I-I 截面的控制内力均小于N b ,所以属于大偏心受压,故选取弯矩较大而轴力较小的情况,经比较选取该组合M=-66.67kN ·m N=262.26kNb.下柱由于下柱在长度范围内配筋相同,比较II 截面及III 截面的控制内力,可看出III截面起控制作用。