常见缺陷Lsson
- 格式:doc
- 大小:3.23 MB
- 文档页数:20
常见焊接缺陷的成因分析及对策摘要:随着焊接技术的不断成熟,焊接在当今工业生产中几乎应用于各个部门的生产中。
焊接是安装工程中一项比较重要的工序,焊接缺陷的存在会直接危及整个结构的质量及安全运行。
因此,将焊接缺陷尽量控制在规范允许范围内是每个焊接操作人员及工程管理人员应尽的责任。
常见的焊接接头缺陷主要有咬边、焊瘤、弧坑、气孔、夹渣、根部未焊透、未熔合及裂纹等,本文对其中几种焊接缺陷进行分析,并介绍预防对策。
关键词:焊接;裂纹;气孔;夹渣Abstract: with the welding techno logy matures, welding in today’s almost applied to the production of various departments in the industrial production. Welding is an important working procedure installation project, the existence of the weld defects will directly endanger the quality of the whole structure and safe operation. Therefore, to control the welding defects as far as possible within the scope of specification allows each welding operation personnel and project management responsibility. Common weld defects are mainly bite edge, flash, arc pit, porosity, slag inclusion, the root of lack of penetration, incomplete fusion and crack, etc., this paper analyzes some welding defects, and introduces prevention measures.Key words: welding; Crack; Porosity; slagTG40一、焊接裂纹焊接裂纹是一种非常严重的缺陷。
常见焊接缺陷及原因焊接是一种常见的金属连接方式,广泛应用于制造业和建筑业等行业。
然而,在焊接过程中,会出现各种缺陷,这些缺陷会影响焊接接头的质量和强度。
下面将介绍一些常见的焊接缺陷及其原因。
1. 气孔缺陷:气孔是焊接过程中产生的气体在焊缝中凝结形成的空洞。
它会降低焊接接头的强度和密封性,甚至引起裂纹的产生。
气孔的形成有多种原因,例如焊材表面的污染物、杂质以及焊接过程中气体无法顺利逸出等。
2. 结晶不良:结晶不良是指焊接缺陷中的一种晶粒异常生长现象。
当焊接金属冷却速度过快或温度不均匀时,就会导致晶粒非均匀分布。
这会增加焊接接头的脆性,并降低其强度和韧性。
3. 焊缝不连续:在焊接过程中,焊缝不连续是一个常见的问题。
它可能是由于焊工操作不当,焊接速度过快或过慢,或者电流和电压设置不正确导致的。
焊缝不连续会降低焊接接头的强度和密封性。
4. 焊接裂纹:焊接过程中产生的应力和热应变可能引起焊接接头的裂纹。
裂纹的形成和发展与材料的性质、焊接过程和焊接接头的设计有关。
焊接裂纹会显著降低接头的强度和可靠性。
5. 焊缝凹陷:焊缝凹陷是指焊接过程中焊缝的表面凹陷或嵌入物的情况。
它可能是由于焊丝过量或过少,焊接速度过快或过慢,以及焊接过程中振动等因素引起的。
焊缝凹陷会影响接头的表面光滑度和外观质量。
6. 焊丝飞溅:焊丝飞溅是指焊接过程中,焊丝溅出并附着在焊接接头周围的现象。
它会使焊接接头表面不平整,并可能降低焊接接头的密封性和强度。
7. 残余应力:焊接过程中产生的热应变会导致焊接接头残余应力的积累。
这些残余应力可能引起材料的变形、裂纹以及接头的失效。
残余应力的大小和分布与焊接材料的热物性、焊接过程的参数以及接头的形状有关。
为了减少焊接缺陷的产生,可以采取以下措施:1. 选择合适的焊接材料和焊接工艺,使其能够获得良好的焊接质量。
2. 焊前对焊接材料进行充分的清洁和表面处理,以降低污染物和杂质的含量。
3. 控制焊接过程中的温度和速度,避免过快或过慢的冷却速度,确保焊接接头的均匀加热和冷却。
常见的焊接缺陷及成因
常见的焊接缺陷及其成因如下:
1. 冷焊缺陷:产生于金属之间传递的电流过小,导致电弧不稳定,焊接部位没有熔化和合金化。
2. 未熔合缺陷:电弧温度过低或焊接速度过快,导致焊接材料没有完全熔化。
3. 未充满缺陷:焊缝内未能完全填充焊丝或焊接材料,导致焊缝的力学性能不佳。
4. 气孔缺陷:焊接过程中,焊缝与大气中的气体发生反应产生气泡。
5. 比较成分错配缺陷:焊接材料的成分与基材成分不匹配,导致焊缝的化学成分不均匀。
6. 裂纹缺陷:焊接过程中,由于应力过大或冷却速度过快,焊缝中出现裂纹。
7. 夹渣缺陷:焊接材料中存在杂质或氧化物,导致焊缝中出现夹渣。
8. 变形缺陷:焊接材料收缩或热变形过大,导致焊接构件出现形状和尺寸上的变形。
这些焊接缺陷的成因主要包括焊接工艺参数不当、焊接材料质量不过关、焊接操作不规范等原因。
对这些缺陷的预防和修复可以通过合理的焊接工艺设计、选择质量良好的焊接材料、进行焊前和焊后的检测等方式来实现。
浅析常见的焊接接头缺陷种类和产生原因金属焊接过程实际上是一个冶炼和铸造过程,首先利用电能或其他形式的能量产生高温使金属熔化,形成熔池,接着,熔融金属在熔池中经过冶金反应后冷却,将两母材牢固地结合在一起。
锅炉、压力容器、压力管道和一些结构件都主要采用焊接连接。
而焊接缺陷的存在,破坏了焊接接头的性能,其危害性主要有以下几个方面:1.由于缺陷的存在,减少了焊缝的承载截面积,削弱了静力拉伸强度,降低了焊接接头的力学性能,缩短产品的使用寿命。
2.由于缺陷形成缺口,破坏了焊缝的连续性,发生应力集中和脆化现象,尤其是缺口尖端很容易产生裂纹并扩展开来,造成脆断,容器和管道在压力作用下可能产生爆炸,危害安全。
3.由于缺陷可能穿透筒壁,从而发生泄漏,影响致密性。
焊接接头缺陷对焊接件的危害,轻则,在很大程度上降低产品的力学性能和缩短产品的使用寿命;重则,可能产生脆断,危及生命财产安全,给国民经济带来巨大损失。
所以,焊接缺陷对产品构件,尤其是锅炉、压力容器、压力管道在使用中带来的隐患和危害是不能低估的。
在这里,简要谈谈焊接接头缺陷的种类和主要的产生原因,让大家对焊接接头的缺陷有个初步的、较全面的了解。
焊接缺陷可分为外部缺陷与内部缺陷两大类。
外部缺陷是用肉眼或简单测量方法就可检查出来的缺陷;内部缺陷是用眼和外部检查不出来的缺陷。
一、外部缺陷焊缝接头外部缺陷主要有焊缝尺寸不合要求、焊瘤、咬边、弧坑、表面气孔、烧穿、表面裂纹、焊接变形等。
(一)焊缝尺寸不合要求表现为焊缝表面高低不平,焊波粗劣;焊道宽度不均匀,焊缝时宽时窄;焊缝的加强过高或过低;焊缝成形不良等。
这些问题不仅使焊缝成形难看,还会影响焊缝与母材的结合,造成应力集中或不能保证接头强度,影响结构的安全使用。
其产生的主要原因有:1.焊件坡口角度不当或装配间隙不均匀。
2.焊接电流过大或过小、焊接规范选用不当。
3.运条速度不均匀、焊条(或焊把)角度不当。
(二)焊瘤在焊接过程中,熔化金属流敷在未熔化的母材上,或凝固在焊缝上所形成的金属瘤称为焊瘤。
1绪论1.1焊接技术的应用随着焊接技术的不断成熟在当今工业生产中几乎应用于各个部门的生产中。
焊接技术已成为发展工程结构的强有力的技术手段,已得到广泛的承认和信赖。
1.2焊接技术的优越性焊接技术之所以能够广泛应用于焊接结构中,主要由焊接技术的以下优越性造成的。
首先,焊接结构生产容易实现“高效益、低成本”的要求。
1、结构设计可具有很大的灵活性,可以充分运用现代的经济设计原理,导致新型结构的广泛使用2、可以有效的节省材料,费用低,在经济方面有明显的优越性。
3、制造安装速度快,能适应迅速变化的市场需要。
其次,焊接结构安全可靠性得到信赖1、焊接连接技术与焊接科学的形成,时多学科交融和相互渗透的结果。
新材料的发展带来连接技术的新概念,促进新型焊接设备的发展了,推动高新科技技术的应用,有促进新材料的发展。
焊接技术水平的不断发展提高,为高效优质生产焊接结构提供了重要基础。
2、焊接冶金理论日益完善,为改进工程材料和完善配套的焊接材料,取得了显著的进展已可保证焊接质量能完全满足产品的设计要求。
3、焊接结构理论的发展,使得设计更具合理性,而焊接结构的紧密性和较大的刚度,可使焊接结构能更准确地符合设计规定,更适于承受疲劳载荷以及冲击和剧烈振动等工作条件可以适应各种类型结构要求。
4、对结构的设计、制造、安装和检验均已制定了可靠的质量控制标准。
这些标准都是各国多年研究和实践的总结,使得对焊接质量的控制有了统一的认识,方便了用户的验收工作从而促进了焊接结构的广泛应用。
我国已在等效采用了这些标准,必将进一步推动我国焊接结构的发展。
1.3焊接缺陷对焊接工程质量的影响在实际的焊接生产中焊接工程质量始终与焊接缺陷有联系。
这些缺缺陷没有经过适当的处理而直接应用于生产中往往会造成严重的后果如上图为我在厂实习期间企业的行车(本厂自行改造的)由于焊缝(改造件与原行车的焊缝)的质量问题造成行车的严重损坏。
如上右图图左侧的断裂发生在焊缝金属上,主要原因是由于未焊透造成的。
常见的焊接缺陷及处理办法一、外部缺陷一)、焊缝成型差1、现象焊缝波纹粗劣,焊缝不均匀、不整齐,焊缝与母材不圆滑过渡,焊接接头差,焊缝高低不平。
2、原因分析焊缝成型差的原因有:焊件坡口角度不当或装配间隙不均匀;焊口清理不干净;焊接电流过大或过小;焊接中运条(枪)速度过快或过慢;焊条(枪)摆动幅度过大或过小;焊条(枪)施焊角度选择不当等。
3、防治措施⑴焊件的坡口角度和装配间隙必须符合图纸设计或所执行标准的要求。
⑵焊件坡口打磨清理干净,无锈、无垢、无脂等污物杂质,露出金属光泽。
⑶加强焊接联系,提高焊接操作水平,熟悉焊接施工环境。
⑷根据不同的焊接位置、焊接方法、不同的对口间隙等,按照焊接工艺卡和操作技能要求,选择合理的焊接电流参数、施焊速度和焊条(枪)的角度。
4、治理措施⑴加强焊后自检和专检,发现问题及时处理;⑵对于焊缝成型差的焊缝,进行打磨、补焊;⑶达不到验收标准要求,成型太差的焊缝实行割口或换件重焊;⑷加强焊接验收标准的学习,严格按照标准施工。
二)、焊缝余高不合格1、现象管道焊口和板对接焊缝余高大于3 ㎜;局部出现负余高;余高差过大;角焊缝高度不够或焊角尺寸过大,余高差过大。
2、原因分析焊接电流选择不当;运条(枪)速度不均匀,过快或过慢;焊条(枪)摆动幅度不均匀;焊条(枪)施焊角度选择不当等。
3、防治措施⑴根据不同焊接位置、焊接方法,选择合理的焊接电流参数;⑵增强焊工责任心,焊接速度适合所选的焊接电流,运条(枪)速度均匀,避免忽快忽慢;⑶焊条(枪)摆动幅度不一致,摆动速度合理、均匀;⑷注意保持正确的焊条(枪)角度。
4、治理措施⑴加强焊工操作技能培训,提高焊缝盖面水平;⑵对焊缝进行必要的打磨和补焊;⑶加强焊后检查,发现问题及时处理;⑷技术员的交底中,对焊角角度要求做详细说明。
三)、焊缝宽窄差不合格1、现象焊缝边缘不匀直,焊缝宽窄差大于3 ㎜。
2、原因分析焊条(枪)摆动幅度不一致,部分地方幅度过大,部分地方摆动过小;焊条(枪)角度不合适;焊接位置困难,妨碍焊接人员视线。
焊接中常见的缺陷及预防措施焊接作为一种常见的金属连接技术,广泛应用于许多领域,如汽车、建筑、机械、航空等。
在焊接过程中,由于多种因素的影响,可能会产生各种焊接缺陷,这些缺陷如果不能及时检测和修补,将会导致焊接接头的质量下降,从而影响产品的性能和安全。
因此,掌握焊接缺陷的类型,了解它们的形成原因和特征,并采取相应的预防措施是非常必要的。
一、焊接中常见的缺陷类别1.焊接裂纹焊接裂纹是指在焊接接头中形成的一些裂缝,通常会引起焊接接头的破裂和开裂。
其主要原因是焊接时产生的应力过高,而焊接接头的塑性或韧性低于应力水平,导致裂纹形成。
2.气孔气孔是指在焊接接头中形成的一些气体孔隙,通常会引起焊接接头的承载能力下降和腐蚀敏感性增加。
其主要原因是焊接过程中气体没有得到完全排放,或焊接材料中含有氧化物等杂质,导致产生气孔。
3.未焊透未焊透是指在焊接接头中存在未完全焊透的情况,通常会导致焊接接头的强度下降和腐蚀敏感性增加。
其主要原因是焊接温度不够高或焊接时间不够长,没有完成全部焊接。
4.冷焊接冷焊接是指在焊接接头中因火焰不足或焊材量不足等因素,导致接头不够热,未能产生彻底结合而形成的缺陷,通常会导致焊接接头的强度下降和腐蚀敏感性增加。
5.夹渣夹渣是指在焊接接头中因焊丝或焊条的表面有杂质或内部含气,而导致未能将渣完全浮于熔池表面,而与熔池结合形成的缺陷,通常会引起焊接接头的强度下降和腐蚀敏感性增加。
6.焊接变形焊接变形是指焊接接头在焊接中由于受到热应力和冷却收缩的影响,而发生形变的现象。
其主要原因是焊接温度和焊接速度不合适,或使用的焊接方法错误。
二、焊接中常见缺陷的预防措施1.焊接裂纹的预防(1)控制焊接热量,采用适当的预热和后热措施,以减少焊接接头的热应力;(2)选择适当的材料和焊接方法,以提高焊接接头的塑性和韧性;(3)严格执行焊接规程,防止焊接接头产生一些质量问题,如缺陷、气孔等。
2.气孔的预防(1)使用干燥的焊材和基材,以减少水分和氧化物等杂质的含量;(2)控制焊接过程中的熔池气氛,以避免氧和氮等气体的侵入;(3)严格执行焊接规程和焊接参数的标准,以保证焊接接头的质量。
常见的焊接缺陷(内部缺陷):(1)未焊透:母体金属接头处中间(X坡口)或根部(V、U坡口)的钝边未完全熔合在一起而留下的局部未熔合。
未焊透降低了焊接接头的机械强度,在未焊透的缺口和端部会形成应力集中点,在焊接件承受载荷时容易导致开裂。
原因分析造成未焊透的主要原因是:对口间隙过小、坡口角度偏小、钝边厚、焊接线能量小、焊接速度快、焊接操作手法不当。
防治措施⑴对口间隙严格执行标准要求,最好间隙不小于2㎜。
⑵对口坡口角度,按照壁厚和DL/T869-2004《火力发电厂焊接技术规程》的要求,或者按照图纸的设计要求。
一般壁厚小于20㎜的焊口采用V型坡口,单边角度不小于30°,不小于20㎜的焊口采用双V型或U型等综合性坡口。
⑶钝边厚度一般在1㎜左右,如果钝边过厚,采用机械打磨的方式修整,对于单V型坡口,可不留钝边。
⑷根据自己的操作技能,选择合适的线能量、焊接速度和操作手法。
⑸使用短弧焊接,以增加熔透能力。
(2)未熔合:固体金属与填充金属之间(焊道与母材之间),或者填充金属之间(多道焊时的焊道之间或焊层之间)局部未完全熔化结合,或者在点焊(电阻焊)时母材与母材之间未完全熔合在一起,有时也常伴有夹渣存在。
原因分析造成未熔合的主要原因是焊接线能量小,焊接速度快或操作手法不恰当。
防治措施⑴适当加大焊接电流,提高焊接线能量;⑵焊接速度适当,不能过快;⑶熟练操作技能,焊条(枪)角度正确。
(3)气孔:在熔化焊接过程中,焊缝金属内的气体或外界侵入的气体在熔池金属冷却凝固前未来得及逸出而残留在焊缝金属内部或表面形成的空穴或孔隙,视其形态可分为单个气孔、链状气孔、密集气孔(包括蜂窝状气孔)等,特别是在电弧焊中,由于冶金过程进行时间很短,熔池金属很快凝固,冶金过程中产生的气体、液态金属吸收的气体,或者焊条的焊剂受潮而在高温下分解产生气体,甚至是焊接环境中的湿度太大也会在高温下分解出气体等等,这些气体来不及析出时就会形成气孔缺陷。
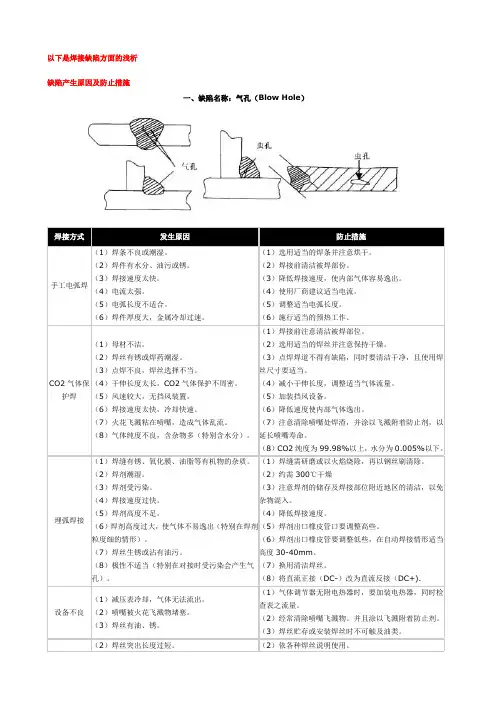
以下是焊接缺陷方面的浅析缺陷产生原因及防止措施一、缺陷名称:气孔(Blow Hole)焊接方式发生原因防止措施手工电弧焊(1)焊条不良或潮湿。
(2)焊件有水分、油污或锈。
(3)焊接速度太快。
(4)电流太强。
(5)电弧长度不适合。
(6)焊件厚度大,金属冷却过速。
(1)选用适当的焊条并注意烘干。
(2)焊接前清洁被焊部份。
(3)降低焊接速度,使内部气体容易逸出。
(4)使用厂商建议适当电流。
(5)调整适当电弧长度。
(6)施行适当的预热工作。
CO2气体保护焊(1)母材不洁。
(2)焊丝有锈或焊药潮湿。
(3)点焊不良,焊丝选择不当。
(4)干伸长度太长,CO2气体保护不周密。
(5)风速较大,无挡风装置。
(6)焊接速度太快,冷却快速。
(7)火花飞溅粘在喷嘴,造成气体乱流。
(8)气体纯度不良,含杂物多(特别含水分)。
(1)焊接前注意清洁被焊部位。
(2)选用适当的焊丝并注意保持干燥。
(3)点焊焊道不得有缺陷,同时要清洁干净,且使用焊丝尺寸要适当。
(4)减小干伸长度,调整适当气体流量。
(5)加装挡风设备。
(6)降低速度使内部气体逸出。
(7)注意清除喷嘴处焊渣,并涂以飞溅附着防止剂,以延长喷嘴寿命。
(8)CO2纯度为99.98%以上,水分为0.005%以下。
埋弧焊接(1)焊缝有锈、氧化膜、油脂等有机物的杂质。
(2)焊剂潮湿。
(3)焊剂受污染。
(4)焊接速度过快。
(5)焊剂高度不足。
(6)焊剂高度过大,使气体不易逸出(特别在焊剂粒度细的情形)。
(7)焊丝生锈或沾有油污。
(8)极性不适当(特别在对接时受污染会产生气孔)。
(1)焊缝需研磨或以火焰烧除,再以钢丝刷清除。
(2)约需300℃干燥(3)注意焊剂的储存及焊接部位附近地区的清洁,以免杂物混入。
(4)降低焊接速度。
(5)焊剂出口橡皮管口要调整高些。
(6)焊剂出口橡皮管要调整低些,在自动焊接情形适当高度30-40mm。
(7)换用清洁焊丝。
(8)将直流正接(DC-)改为直流反接(DC+).设备不良(1)减压表冷却,气体无法流出。
son: 纺织品常见缺陷描述
纺织品常见缺陷描述:
Misaligned stripe Broken stitches
Broken stitches Needle holes
Exposed bottom panel Untrimmed thread end
Needle holes Broken stitches
Broken stitches Poor stitching
Snagging yarn Chalk mark
Untrimmed thread end Inner elastic yarn exposed
Inner elastic yarn exposed Snagging yarn
Hole knot
knot Missing Needle
Missing Needle Missing Needle
Untrimmed thread end Broken stitches
Skipped stitches Skipped stitches
Dirty mark Wrinkle mark
Broken stitches Snagging yarn
Lesson: 杂货常见缺陷
本课主要讲述杂货的常见缺陷:
Pictures:
Scratched mark Scratched mark
Poor coating Poor coating
Poor punching hole Dried glue mark
Dried glue mark Missed component (loop)
PU torn Poor painting
Slightly abrasion mark Slightly scratched mark
Uneven edge of black cloth Air hole
Excessive glue mark Chipped at stone
Chipped at stone Poor electroplating
Poor electroplating Poor assembly
Flash Rusty mark
Scratched mark Dent mark
Plastic ring torn Dirty mark
Scratched mark Dent mark
Poor printing Poor assembly
White spot at granite Scratched mark on paint surface
Paint stain Stone inside glass
Lesson
: 英-汉缺陷通用描述(1)
Packing Defects
No.Defects Description in English Chinese 1Blister can not stand alone吸塑不能站
2Blister card damaged吸塑卡损坏
3Blister card delaminated吸塑卡内层分离4Blister card illegible吸塑卡模糊
5Blister card poor die-cut吸塑卡裁剪不良6Blister card wet吸塑卡湿
7Blister card with burn mark吸塑卡烧焦
8Blister card with fold mark吸塑卡有折痕
9Blister card wrinkled吸塑卡皱
10Blister cracked吸塑裂
11Blister crushed吸塑压皱
12Blister deformed吸塑变形
13Blister not seal security吸塑封口不牢固14Blister poor heat sealing吸塑热封不良
15Blister sealing overlapped outfit吸塑边压着工仔衫16Blister shrinkage吸塑缩水
17Butterfly hook damaged蝴蝶孔烂
18Butterfly hook delaminated蝴蝶孔内层分离19Butterfly hook poor die-cutting蝴蝶孔裁剪不良20Butterfly hook wrinkled蝴蝶孔皱
21Carton marking illegible外箱箱唛模糊
22Missing cross sell booklist漏促销概览表
23Date code illegible日期码模糊
24Gift box crushed/crumple彩盒压烂或压皱25Gift box deformed彩盒变形
Lesson
: 英-汉缺陷通用描述(2)
Appearance/Assembly/Function Defects
No.Defects Description in English Chinese 56
Abrasion mark or scratch mark o n …擦花或刮花
57Burn mark
烧痕
58Clamp mark
钳痕
59Die-cast cool mark or plastic flow mark
夹水痕或冷痕
60Dirt mark
污渍
61Ejector pin mark
顶针痕
62Fold mark
折痕
63Glue mark
膠水渍
64Grease mark
机油渍
65Moisture mark
水气
66Mottle mark
斑点
67Oil mark
油渍
68Plastic sink mark
塑胶缩水印。