挤压造粒机操作
- 格式:doc
- 大小:596.50 KB
- 文档页数:28
造粒岗设备操作规程一、开车前的准备工作1、挤压造粒机及其相关系统所有设备安装结束,单机试运合格。
2、所有性能试验和调整完成。
3、保证机器和工作区域清洁有序,没有散落的颗粒或油。
4、进行安全检查,保证所有安全保护设施齐全好用,安全用具、护具齐全(如硅油、扁铲、防护手套、拉料用钩子等)。
5、所有公用工程投用,例如:蒸汽、循环水、脱盐水、电、氮气、仪表风等。
6、所有油、脂润滑点加油、脂。
润滑油、液压油、导热油在正常液位。
7、检查每一个电机转向正确。
8④自动开车程序挤压机开车程序必须是从下游往上游开,由PLC提供,根据逻辑在线自动指导设备开车,手动启动挤压机,使熔融树脂充满挤压机,自动开车。
相关开关:自动/手动切换开关自启动开关下列操作与自动开车程序相关:切粒机启动操作切粒机进刀操作PCW三通阀操作开车阀操作在开车期间,应选择手动模式直到模板清洁完成,切粒单元锁模,然后操作模式由操作员转为自动,灯亮,自动开车能够通过按自动开车按钮启动。
自动开车条件:主要设备:1 M802电机“运行”2 主秤W801“运行”(RF802)3 SF801“运行”4 主电机“运行”5 切粒电机“停”6 切粒电机驱动盘“正常”7 切粒电机“无停车条件”8 颗粒水泵“运行”9 颗粒水三通阀“旁路”(干式)10 颗粒水三通阀“直通”(湿式)11 离心干燥器转速“不低”12 离心干燥器“运行”13 振动筛“运行”14 摩擦离合器“啮合”15切粒单元液压油压力“不低”16 开车阀“向地”其他:1 公共联锁“投用”2 操作模式“自动”然后,下面的操作按顺序进行切粒电机启动延时*秒刀轴进刀延时*秒颗粒水三通阀延时*秒开车阀换向延时*秒注:时间“*”由JSW现场性能测试后提供每一个阶段由逻辑对前一步确认后执行,如果有故障,自动停车程序动作,自动开车程序复位,当自动开车程序完成开车阀直通时,自动开车程序也复位。
注:自动开车程序有两个模式,一个是干式,另一个是湿式。
挤压造粒机设备安全操作规程
1. 适用范围
本规程适用于挤压造粒机及其配套设备的操作与维护。
2. 设备基本原理
挤压造粒机是通过机械挤压原理将材料挤压成为颗粒状的设备。
操
作时,需要将原材料放入料斗中,经过转子和模具的挤压,形成颗粒
状物料,并通过送料机传送到下一工序。
3. 设备操作安全须知
3.1 操作前准备工作
1.需要检查设备是否正常工作,如发现异声、异味、漏水等
异常现象,应立即停机,并通知维修人员排查问题。
2.操作前需要检查电气设备是否接地,防止触电事故发生。
3.在操作前应确认工作人员已经接受过设备操作的相关培训,
了解该设备的工作原理和安全操作须知。
3.2 操作中注意事项
1.在操作过程中,不要将手或其他物体伸入料斗内或加料口
内,以避免发生危险事故。
2.在更换模具时需要先停机,并关闭电源,避免误操作造成
伤害。
双螺杆挤压造粒机制粒机安全操作规定双螺杆挤压造粒机是一种用于制粒的机器,常用于医药、食品、化工等行业中。
为了保证使用者的安全和操作的顺利进行,制定以下安全操作规定。
1. 操作前准备1.确认所使用的双螺杆挤压造粒机已经接通电源并正常工作,确保电气线路和接地安全;2.确认该机器已经经过维护和保养,并已经检测到位;3.穿戴好防护用品(如手套、安全鞋、护目镜等);4.清理工作区域和料斗中的残留物,并将工作台整理干净。
2. 操作时的安全规定1.在操作该机器时,任何人员都不得离开工作台附近,以防止塌方和物品脱离架子的事故;2.在开始运转该机器之前,应将所有安全门、护罩和安全装置固定好,确保所有的移动部分都处于合适的位置并处于安全状态;3.必须将电源开关关闭并拔出电源线之后,才能进行维护、清洁和检查;4.任何时候都不能将手伸入机器中,特别是在机器运转状态下,在各种操作之前,必须注意人身安全;5.如果机器出现任何故障或异常行为,应立即关闭电源,通知维修人员进行维修和检查;6.禁止使用未经授权的零配件以及使用不当的工具;7.任何机器部件的维护、检修必须在该机器停机状态下进行,保证维修和检查的安全性;8.确保已经充分理解并遵循所有的用户手册中的相关安全规定。
3. 操作后规定1.关闭电源,拔出电源线;2.清除残留物并彻底清洁机器表面;3.将所有的移动部分调整到安全状态;4.换下工作服、护具等防护设备。
以上是对双螺杆挤压造粒机的安全操作规定,任何人员在使用该机器时必须遵守以上的规定。
仅有严格遵守安全规定并保持机器定期维护,才能够让机器的使用更加安全、稳定。
PE木塑挤出造粒机生产线操作规程PE木塑挤出造粒机生产线操作规程PE木塑挤出造粒机生产线操作规程主要有哪些流程这些流程需要哪些部分组合完成,下面就让小编来给你介绍一下吧。
挤出机:1、检查了上料机、料斗。
确保料斗里没有杂质。
2、检查所有的螺丝是在良好的条件。
3、检查挤出机的真空设备是否通畅,保证真空度不小于.真空桶正常的应清理干净每班两次。
不要使用金属工具清洁排气孔,使用塑料或木棍清理机筒排气孔的杂质。
辅助设备:1、检查冷却水系统是否畅通。
2、检查切割机机,确保没有东西阻止切割锯。
3、确保所有电气元件是在良好的条件。
模具安装:1、确保模具安装水平,拧紧螺栓。
2、确保每个螺栓的强度,挤出机法兰与模具法兰之间的间隙相等。
3、使加热器和热电偶依次紧固在模具上。
加热器必须紧密的压在模具表面。
定型模和水箱的安装:1、定型模必须水平的装在定型台上,保证定型模和模头左右,上下必须水平。
2、冷却水管依次有序的接在定型模上。
并确保接头不漏水。
开机:1、打开上料机的开关上料,设置好间隙时间(根据大概生产速度设定,一般10分钟),主机启动之前先上满料斗,把上料机关掉,等主机启动时再打开。
2、设定机筒和模具的加热温度,一般第一步设定到120度,保温半小时再设定到开机温度,等开机温度到达后再保温半小时开机。
3、开机,刚开始开,要密切监视主机电流和压力,通常喂料转速开3转,主机转速开5转,65主机电流不得超过55A,通常40 到50之间合适,80主机电流不得超过90A,60到70之间合适。
4、当从主机排气口观察到物料至时,即可开启真空排气装置,并同时可以调整加料器的加料量,使主机螺杆内部迅速形成“料塞”,以达到的真空度。
并适时进行切换清理。
5、型材的自动切割:通过形成开关设定型材的切割长度尺寸和推料长度尺寸。
当型材到达设定值时,切割锯自动进行切割,翻转架自动推料到料架上。
停机程序:1、先关闭喂料;并将主机转速调低,同时关闭真空泵。
双轴挤压造粒机是采用干法挤压工艺技术,对含水量<10%的粉状物料进行压缩成片,再经过破碎、整粒、筛分工艺,使片块状物料变成符合使用要求的颗粒状物料。
干法辊压造粒主要是靠外部加压方式,使物料强制通过两个相对旋转的
辊轮间隙,压缩成片或各种球状。
在辊压过程中,物料的实际密度能增大1.5-3倍,从而达到一定的强度要求。
双轴挤压造粒机成型前,成型后样品:
各种干粉物料从设备顶部加入,经脱气、螺旋预压缩并输送至两只轧辊的弧形槽口,两只轧辊等速、反向旋转,将物料咬入槽内并进行强制压缩,物料通过压缩区后承受的压力逐渐减小,其表面张力和重力使之自然脱出,进入碎粒机和整粒机
破碎、修整,再进入振动筛进行筛分,合格品通过输送机被送入成品仓或直接包装,粉状筛下物料通过回料装置再次被送回原料仓进行二次辊压,挤压力的大小可根据颗粒强度的需要由液压系统进行调节。
通过改变辊面开槽形式,可得到片状、条状、
橄榄状、扁球状等物料。
塑料挤出造粒机的结构、操作及使用说明一、结构本机齿轮箱为三轴二级斜轮减速形式,传动斜齿轮采纳20CrMnTi钢精锻打、调质,滚齿后再碳火,因而强度高、耐磨性好、运转平稳,轴承均采纳重系列型,罗杆材料以45#、40CrMoA、38CrMoALA供用户选择,模头为闸式方型网过滤,备有电动升降和液压升降机构,电热加热用恒温掌控。
二、操作及使用(一)试机前的准备工作1、电源的连接本机备有电源接线位,导线为三相四线,其导线截面(包括零线)不得少于35平方毫米,相线均接于“380V接位”处,零线接于“零线接位”,并检查各线头有无松动及严禁两线头相互接触,以免造成短路。
2、向齿箱注入适当的机油(14#)检查油面需浸到大齿轮底部螺丝。
3、起动一下电机是否合乎转向,如反转可将三相电源的其中两相任意对调。
4、下料口与排气口严禁有金属物体接近,以免掉进罗杆罗筒里而造成不必要的损失。
(二)螺筒的加热将电热系统的主令开关全部拧到“自动”的位置,将恒温表的旋钮拧到该塑料所需的温度示值(不同类型塑料所需温度不一样),即可对料筒进行加热,一般加热时间需按电压的高处与低处及该种塑料的熔点而定(约40—50分钟),模头温度zui宜先加温30分钟才开其它温区。
(因模头体积大,加热部位受限)加热前需将模头筛板升起10—15m/m以免受热时模头与筛板咬死。
新机加热时间够后,将螺筒及模头的高强度罗丝按肯定的力距再拧紧一次,方能准备开机。
(三)机器的开动及操作1、主电机起动本机主电机采纳全自动时间转换起动方式,首先按动按钮,电机待机3——5秒后,(时间可按客户要求自动调整)自动跳运转模式;此时动转正常,随后可下物料,新机不能空机运转时间太长,以免使螺杆与螺筒摩擦而烧伤;机器在运行中,要注意主电机电流和电热各区的电流情况,电机电流是影响电机是否超负荷工作,电热控温电流是是监视电热圈工作情况(如*恒温区电流为30A,在工作时电流20A,那就证明其中一只电热圈烧坏)如发觉电热圈烧坏需立刻更换,以免温度不够而损坏机器。
挤出造粒操作规程一、操作安全1.操作人员必须参加相关安全培训,并具备相关的操作技能和经验。
2.在操作区域内设置明显的安全警示标识,禁止无关人员进入。
3.确保操作区域的通风良好,以避免产生有害气体积聚。
4.操作人员必须佩戴符合规定的个人防护装备,如安全帽、防护眼镜、耳塞、防护服等。
5.在操作过程中,严禁吸烟、饮食等不当行为,以防发生意外。
二、设备准备1.在进行挤出造粒前,必须对设备进行检查,确保机械设备、电气设备等正常运行。
2.对挤出机进行充分清洁,彻底清除上一次生产残留物,并进行润滑保养。
3.确保挤出机内部及外部的各种传感器、电阻等设备正常工作并校准。
4.根据生产需求,准备好所需的原料、助剂、模具等,并按照相关标准进行检验和验收。
三、操作步骤1.将待造粒的原料通过输送设备进入挤出机内,调整好进料速度和压力。
2.打开挤出机的电源开关,并按照相关工艺参数设置好挤出机的运行参数,如温度、压力等。
3.预热挤出机,使其达到设定温度,并保持一定的稳定时间。
4.启动挤出机的主机,开始挤出造粒操作。
根据不同的原料特性和工艺要求,调整机械参数,如挤出速度、挤压力等。
5.在挤出造粒过程中,及时观察和监控挤出机的运行状态,如温度、压力、产量等,并根据需要进行调整和控制。
6.如果出现异常情况,如温度异常、压力异常等,及时停机处理,并记录相关信息以便后续分析。
7.当完成生产任务时,停止挤出机的运行,关闭电源开关,进行机器的清洁和维护。
四、质量控制1.对原料和助剂进行充分的检验和测试,确保其符合相关标准和质量要求。
2.在挤出造粒过程中,根据生产需求和标准,对挤出机的温度、压力、产量等进行实时监控和调整,以确保产品质量的稳定性。
3.挤出造粒操作结束后,对产品进行质量抽检和检验,确保产品质量符合标准要求。
4.对挤出机的维护保养工作进行定期计划和执行,以确保设备的正常运行和延长使用寿命。
五、记录和文件管理1.进行挤出造粒操作的相关人员必须做好记录工作,包括设备运行参数、操作过程中的数据和指标等。
引言概述:造粒机是一种常用于药品、食品、化工等行业的设备,通过将原料进行压缩和挤压,将其变成均匀的颗粒体。
在使用造粒机时,必须严格按照操作规程进行操作,以确保操作人员的安全和设备的正常运行。
本文将详细介绍造粒机的安全操作规程,包括准备工作、开机前的检查、操作步骤、清洁和维护等五个大点。
正文内容:一、准备工作1.检查设备是否处于正常工作状态:确认造粒机的电源、供料装置、排气系统等是否正常运行。
2.检查原料和工具:确保原料符合规范,并准备好所有需要的工具,如扳手、安全帽、手套等。
二、开机前的检查1.检查电源线是否正常接地:确保电源线没有短路或裸露的情况,并确保接地线连接牢固。
2.检查润滑系统:确认润滑系统的油量是否充足,润滑油是否需要更换。
3.检查安全开关:确保安全开关的灵敏度正常,能够及时切断电源。
4.检查传动系统:检查传动带、链条、齿轮等是否磨损,如有磨损要及时更换。
三、操作步骤1.穿戴防护设备:操作人员应穿戴好安全帽、工作服、安全鞋和手套等防护设备。
2.按照操作手册设置参数:根据原料的特性和要求,设置合适的工艺参数,如转速、温度、时间等。
3.操作前预热:根据操作手册的要求,进行设备的预热工作,确保设备达到工作温度。
4.投料操作:根据配方要求,逐步将原料投入到造粒机中,要确保投料均匀、适量。
5.开机操作:按照操作手册的要求,逐步启动造粒机,确保设备平稳运行。
6.监控运行状态:操作人员应时刻关注设备运行状态,如有异常情况要及时停机检修。
四、清洁和维护1.停机前的清洁工作:操作人员应将设备内部和外部的积尘清理干净,保持设备的清洁和卫生。
2.定期检查设备:定期检查设备的润滑系统、传动系统、安全开关等是否正常运行,如有问题要及时维修。
3.定期更换易损件:根据设备操作手册的要求,定期更换易损件,避免因损坏引起的设备故障。
五、总结造粒机的安全操作规程对操作人员的安全和设备的正常运行起到了关键作用。
通过准备工作、开机前的检查、操作步骤、清洁和维护等措施,能够保证设备的稳定运行,减少事故和故障的发生。
硫酸钾挤压造粒操作规程一、引言硫酸钾是一种常见的化学品,广泛应用于农业、化工等领域。
为了提高硫酸钾的使用效果和便于携带、储存,通常需要对其进行挤压造粒处理。
本文档旨在规范硫酸钾挤压造粒的操作流程,确保操作安全、高效和合规。
二、适用范围本操作规程适用于进行硫酸钾挤压造粒的工作人员。
三、操作准备1.工作场所:确保操作场所干燥、通风良好,并远离火源。
2.设备准备:准备挤压造粒机、计量装置、输送带等设备,并确保设备正常运行。
3.原料准备:购买符合标准的硫酸钾原料,并进行质量检验。
4.安全防护:佩戴防护眼镜、手套、口罩等个人防护装备,以防止对身体造成伤害。
四、操作流程步骤一:设备调试1.将挤压造粒机按照使用说明进行安装和调试,确保机器工作正常并符合要求。
步骤二:原料准备1.使用计量装置准确称量所需的硫酸钾原料,并进行登记记录。
2.将原料放入包装袋或容器中,并进行密封,确保原料不受潮。
步骤三:挤压造粒操作1.将原料包装袋或容器放置在输送带上,调整输送带的速度,控制原料的流量。
2.在挤压造粒机的进料口处设置适当的接收装置,以接收经过挤压造粒处理的硫酸钾颗粒。
3.打开挤压造粒机的电源,启动机器,使原料经过挤压力和模具的作用,形成圆形颗粒。
4.调整挤压造粒机的参数,如挤压速度、挤压压力等,以满足颗粒的形状和尺寸要求。
5.监控挤压造粒机的运行情况,定期对设备进行检查和维护,确保设备的正常工作。
步骤四:成品收集与包装1.在接收装置中收集挤压造粒机产生的硫酸钾颗粒。
2.进行颗粒的质量检验,包括颗粒的形状、尺寸、含水量等指标。
3.将合格的硫酸钾颗粒进行分类、包装,并进行贴标。
4.进行成品记录,包括产量、质量等信息,并进行归档。
五、操作注意事项1.操作人员应严格按照操作规程进行操作,不得随意更改设备参数或操作步骤。
2.操作前应检查设备的电源是否接地良好,确保操作过程的电气安全。
3.操作过程中应定期对设备进行检查和维护,及时发现和处理异常情况。
对辊挤压造粒机使用说明书一:概述郑州市天赐重工机械有限公司是专业从事农业环保技术工程,设备开发研究及生产制造的企业!其主要产品为年产1-20万吨,有机、无机、复混肥所需要的机械设备!尤其是对粉体物料的造粒设备,我们已有二十多年的生产经验!DZG系列对辊挤压式造粒机是本公司根据多年来的生产经验,在原有的双辊挤压造粒基础上研发生产的一种新型设备。
它可以广泛适用于肥料加工业、饲料生产单位以及化工行业对粉体物料进行制粒,生产加工。
其特点如下:1、本机采用无干燥工艺生产,常温造粒,一次成型。
具有投资少,见效快,经济效益好等特点。
2、本机结构采用制粒、成型、筛分为一体,使其具有外形美观,操作简单,能耗低等特点。
主要零部件如辊体采用了具有防腐、耐磨、抗冲击特点的一种新型金属精制而成。
其中DZG-Ⅱ型机不但具有以上特点,我公司对机架部分也进行了升级改造,轴承架体选用优质防腐铸造为整体部件,使其具有稳定性更好的特点,可大大提高滚动轴承、及大轴的使用寿命。
传动部分采用了双输入传递方式,不但提高输入动力比,而且又保证了传动齿轮的润滑及密封性能。
该机具有结构紧凑,稳定性好,密封性好,噪音低,操作维修方便等优点!新机上市后就赢得了广大用户的好评!3、原料适应性广,该机不但可用于肥料、饲料、化工行业的造粒,而且特别是对稀土、冶金、煤炭、生物制剂、环境保护工程也有很好的适用性。
在一定程度上填补了国内空白,居国内领先水平,也是环保工程的推广项目!二:工作原理该系列对辊挤压造粒机其工作原理:是由电动机驱动皮带轮,传动带通过减速机传递给一对带有滑模壳体的两个高压辊体做相对工作。
DZJ-Ⅰ型挤压机两辊之间是由一组对开齿轮相对工作进行互动,DZJ-Ⅱ型挤压机两辊是由一台专用减速机上的两根输出轴直接带动进行工作,达到挤压成型的目的。
生产时原料有进料斗进入,经高压辊体相对挤压成型,脱模后自流到辊体下部的破碎成型工作室。
破碎成型的动力是由主动压辊轴的链轮经链条传动给一对破碎滚轴进行相对运动,在工作室内进行破碎后筛分,成品颗粒通过筛网到出料槽流出机外。
80机挤出造粒操作规程
一、清理现场和设备卫生;检查设备各加油处的润滑油是否不足,不足请加足润滑
油;装造粒模具;打开水泵,开启进水阀
二、打开配电柜电源,闭和电源开关,开启各加热区开关,设定加热温度180℃,待
达到设定温度后,保温至少2个小时,并趁热对各螺栓进行上紧。
三、启动主电机,低速运转螺杆,待物料从造粒模具中挤出后,观察挤出物料是否
完全塑化,如塑化好且挤出稳定,停机,清理模具料,移动造粒的旋转切刀,启动旋转切刀和三级风送,再重新启动挤出机,缓慢移动旋转切刀靠近造粒模具切面,待粒料切匀后,提升挤出速度,并调整加料、挤出和切粒速度使其同步。
四、中途临时停车时,如停车时间超过30分钟,必须将主机各温度降至150℃保温,
重新开机时必须待温度升到工艺温度后再开车;
五、随时观察转速、温度等的变化,并做好记录。
六、停车:1.停机时,应尽力挤完挤出机内的物料,待挤不出料后,依次停挤出、加
热、切粒、三级风送电源;并关闭电、气、水等设施;
2.包装好造粒料,清理好模具和切刀;
3.清理好现场卫生。
七、注意事项
1.机身和模具为高温,可达200℃,谨防烫伤;
2.安装和拆卸模具时,模具很重,谨防砸伤,仔细安装和拆卸;
3.开车时,人不得站在挤出机前方,谨防机头压力过大,伤人。
造粒机安全操作工艺流程1、打开电源,挤出机机筒,多孔板,模头同时升温一小时。
2、升温时打扫车间场地,确保地上没有粒子洒落在地,设备上不得有与生产无关的任何物品。
3、开机前、换产品、开机结束后时,搅拌机、料斗、切粒机、成品料箱都必须清理干净。
4、冷却槽里面的水一定要干净,控制一定的水位,不要将槽中的水溢出槽外。
5、在造粒时,需要高搅的注意出口要及时的用袋子套住,不能让粉末漏出,低搅的则要注意在将粒子倒入锅中时,不要将粒子倒出锅外。
两者在原料倒完之后要将锅盖盖牢。
6、在做产品前,机头料拉掉不用,前五分钟的成品料要回到搅拌机中重新做。
7、成品料每25KG一袋,装袋前要检查包装袋内有无杂物,包装袋要与生产任务单上的要一致,袋的背面要根据生产任务单填写批号,盖章要对齐,不要盖斜过来,并且包装袋内一定要干净清洁。
装好袋的料要堆放整齐,将袋口封严,放到托盘上,送到指定的位置。
8、设定的温度在造粒过程中不能随便乱调。
9、开机结束后,挤出过滤网,清理车间卫生,请统计人员及质检人员检查造粒料质量与产量,填写标签入库验收。
10、要认真填写生产记录表,几组原料、产量要填写清楚,开机结束后上交,统计本次生产粒子的原料耗用。
11、下班后要关闭水、电、气开关。
12、严禁生产人员在设备运转时,用手触摸各个胶辊、铝棍。
13、严禁维修设备时带电作业14、严禁吸烟,以免造成火灾。
15、严禁在生产车间打闹,做不符合操作规范的危险动作。
16、生产车间运输产成品、半成品时,必须用必要的稳定件稳固。
以下是在称重原料时的注意点:1、当接到生产任务单时,认真看清任务单,做什么产品,做多少公斤,需要哪些原料,原料之间的比例等等,根据每组各原料的比例来进行称重。
2、在称重时,不能讲原料洒落在地,原料称完结束后,将称好的原料统一放在托盘上,用缠绕膜固定,防止袋子倒,其他不要的原料,放回原处,不用的塑料包装袋统一送到指定地点,保持车间干净。
东台市东盛塑业有限公司二〇一三年五月二十日。
SNCTL神宁化工烯烃二期聚烯烃车间聚丙烯装置挤压造粒机组操作规程聚丙烯装置挤压造粒机组操作规程目录挤压造粒机组操作规程................................................................. 错误!未定义书签。
1挤压机机组工艺描述和操作条件 . (3)1.1工艺描述 (3)1.2挤压机脱气系统 (3)1.3挤压机的操作条件 (4)2安全与一般性预防措施 (5)2.1一般安全防护 (5)2.2高温危险防护 (5)2.3高电压防护 (6)2.4带压流体防护 (6)2.5机筒里蓄积的压力防护 (6)2.6其它危险防护 (6)3主要设备及系统 (7)3.1减速器 (7)3.2挤压机 (9)3.3换网器 (10)3.4模板、切粒机 (11)3.5挤压机齿轮减速机润滑油系统 (14)3.6液压油系统 (15)3.7体冷却水(CCW)系统 (16)3.8油系统 (17)3.9 粒料干燥系统 (18)3.10 切粒水(PCW)系统 (1)4 酸洗和油冲洗操作 (21)4.1应用 (22)4.2目的 (22)4.3 酸洗 (22)4.4 油冲洗操作 (23)5 润滑油和润滑脂......................................................................... 错误!未定义书签。
6 机组监测系统操作指标和报警停车值 (38)6.1 联锁表 (38)6.2 报警停车值 (40)7 主要系统及设备操作指南 (43)7.1 挤压机操作指南 (43)7.2 挤压机减速机操作指南 (53)7.3 换网器操作指南 (55)7.4 液压油系统操作指南 (58)7.5 润滑油系统操作指南 (60)7.6 热油系统操作指南 (62)7.7 筒体冷却水(CCW)系统操作指南 (63)7.8 切粒系统操作指南 (65)7.9 粒料干燥系统操作指南 (76)8 程序逻辑描述 (80)9 挤压机粒机组的开、停 (82)9.1 挤压机粒机组的开机 (83)9.2 挤压机粒机组的停机 (109)10 挤压机粒机组故障处理 (114)11 挤压机粒机组日常维护 (123)11.1挤压机螺杆 (123)11.2挤压机筒 (123)11.3齿轮减速器(齿轮减速器和排卸系统) (123)11.4主要部件的使用期限 (125)2016年月日发布 2016年月日实施神华宁煤集团煤制油项目建设指挥部烯烃二期发布挤压造粒机组PU-33701、PU-34701操作规程1、挤压机机组工艺描述和操作条件1.1 工艺描述1、挤压造粒系统PU-33701从粉料仓D-33501来的粉料通过主粉料计量系统PU-32201计量加入挤压机K-33601。
挤压造粒机如何操作造粒岗设备操作规程一、开车前的预备工作一、挤压造粒机及其相关系统所有设备安装终止,单机试运合格。
二、所有性能实验和调整完成。
3、保证机械和工作区域清洁有序,没有散落的颗粒或油。
4、进行平安检查,保证所有平安爱惜设施齐全好用,平安用具、护具齐全(如硅油、扁铲、防护手套、拉料用钩子等)。
五、所有公用工程投用,例如:蒸汽、循环水、脱盐水、电、氮气、仪表风等。
六、所有油、脂润滑点加油、脂。
润滑油、液压油、导热油在正常液位。
7、检查每一个电机转向正确。
八、仪表联校合格。
挤出机停车联锁序号联锁描述1颗粒水泵P801A/B停2离心干燥器D805停3颗粒水流量低4离心干燥器D805转速低开车单元停车联锁序号仪表号EA-8974EA-8975FAL-8971SAL-8975检测设备MCC盘MCC 盘PLC速度开关检测设备转差检测器PLCPLCPLCPLC流量开关PLCPLC流量开关PLCMCC盘MCC盘PLCPLC设定值150m3/h264rpm备注联锁描述仪表号主电机联轴器打滑SDAH-8901换网器入口树脂压力高PAH-8931模板树脂压力高PAH-8932主齿轮箱润滑油压力低低PALL-8904主齿轮箱润滑油温度高高TAHH-8907主齿轮箱润滑油流量低FAL-8903主电机润滑油压力低低PALL-8902主电机润滑油温度高高TAHH-8904主电机润滑油流量低FAL-8902主齿轮箱温度高高TAHH-8905主齿轮箱润滑油泵P803A/B11停EA-890812主电机润滑油泵P802A/B停EA-890513开车电机电流高(高速端)IAH-890214开车电机电流高(低速端)IAH-8902切粒电机停车联锁序号12345联锁描述仪表号切粒视窗打开ZAH-8960切粒单元“脱开”ZAH-8950切粒单元锁环“松开”ZAH-8934切粒单元夹具液压油压力低PAL-8957切粒轴退刀ZAH-8951切粒电机驱动操纵盘电器故6障EA-8952主电机停车联锁序号联锁描述1主电机联轴器打滑仪表号SDAH-8901设定值备注65℃150L65℃4Lmin75℃94.5A84A备注检测设备设定值限位开关限位开关限位开关压力开关14MPaPLCSV+1mm切粒电机操纵盘检测设备转差检测器设定值-备注6换网器入口树脂压力高PAH-8931模板树脂压力高PAH-8932主齿轮箱润滑油压力低低PALL-8904主齿轮箱润滑油温度高高TAHH-8907主齿轮箱润滑油流量低FAL-8903主电机润滑油压力低低PALL-8902主电机润滑油温度高高TAHH-8904主电机润滑油流量低FAL-8902主齿轮箱温度高高TAHH-8905主电机轴承温度高(非驱动端)TAH-8902A主电机轴承温度高(驱动端)TAH-8902B主电机线圈温度高TAH-8901A主电机线圈温度高TAH-8901B主电机线圈温度高TAH-8901CPLCPLCPLCPLC流量开关PLCPLC流量开关65℃150L65℃4Lmin75℃主电机HV操作盘电气故障EA-8902主齿轮箱润滑油泵P803A/B17停EA-890818主电机润滑油泵P802A/B停EA-890519主电机电流高(高速端)IAH-890120主电机电流低(高速端)IAL-890121主电机电流高(低速端)IAH-890122主电机电流低(低速端)IAL-8901主电机开车条件序号条件PLC95℃PLC95℃PLC95℃PLC130℃PLC130℃主电机HV操作盘MCC盘MCC盘PLCPLCPLCPLC346.5A*A308A*A设定值备注仪表号检测设备TIAL8908-89131筒体温度“不低”,89202开车单元聚散器“脱扣”ZLL8902开车电机运转30分钟3后其电流低IL8902机组灯光报警序号12条件主电机冷却水泄漏主电机冷却水流量低主电机振动值高主电机振动值高主电机振动值高主电机振动值高主电机润滑油压力低主电机润滑油温度高主齿轮箱润滑油电加热器温度高主齿轮箱润滑油压力低主齿轮箱润滑油温度高节流阀位置“关”仪表号检测设备LAH-8901液位开关FAL-8901流量开关VAH-8901A振动系统VAH-8901B振动系统VAH-8901C振动系统VAH-8901D振动系统PAL-8901PLCTAH-8903PLCTAH-8905ATHERMOSTATPAL-8903PLCTAH-8906PLCZAL-8903限位开关设定值450L/min备注60℃60℃节流阀位置“开”2#筒体加热温度高3#筒体加热温度高4#筒体加热温度高5#筒体加热温度高6#筒体加热温度高7#筒体加热温度高节流阀加热温度高筒体加热器SCR故障2#筒体加热温度低3#筒体加热温度低4#筒体加热温度低5#筒体加热温度低6#筒体加热温度低7#筒体加热温度低节流阀加热温度低ABC密封压力低D803液位低泵P804停切刀刀刃“磨损”D806液位低C803停热油流量低(其它)热油流量低(模板)热油泵P808A冷却水流量低热油泵P808B冷却水流量低热油泵P809A冷却水流量低热油泵P809B冷却水流量低1#热油加热器E808温度高2#热油加热器E808温度高1#热油加热器E809温度高2#热油加热器E809温度高热油加热器E808SCR故障热油加热器E809SCR故障热油泵P808A温度高热油泵P808B温度高热油泵P809A 温度高热油泵P809B温度高热油泵P808A/B停热油泵P809A/B停粒料料斗D807料位高公共联锁“关”限位开关PLC400℃PLC400℃PLC400℃PLC400℃PLC400℃PLC400℃PLC400℃筒体加热控XA-8908制面板150℃150℃150℃150℃150℃150℃150℃液位开关EA-8914MCC面板ZAL-8951PLC6mmLAL-8972液位开关40%EA-8976MCC盘FAL-8941流量开关24m3/hFAL-8944流量开关30m3/hFAL-8942流量开关2m3/hFAL-8943流量开关2m3/hFAL-8945流量开关3m3/hFAL-8946流量开关3m3/hTAH-8942A温度开关TAH-8942B温度开关TAH-8945A温度开关TAH-8945B温度开关热油加热器XA-8940操纵面板热油加热器XA-8941操纵面板TAH-8943温度开关TAH-8944温度开关TAH-8946温度开关TAH-8947温度开关EA-8945MCC盘EA-8946MCC盘LAH-8601液位开关XA-8985PLC-ZAH-8903TAH-8914TAH-8915TAH-8916TAH-8917TAH-8918TAH-8919TAH-892155PLC故障XA-8990PLC-④自动开车程序挤压机开车程序必需是从下游往上游开,由PLC提供,依照逻辑在线自动指导设备开车,手动启动挤压机,使熔融树脂充满挤压机,自动开车。
造粒机操作规程手册手指.doc 造粒机操作规程手册手指引言造粒机是一种重要的设备,用于将粉状物料压制成颗粒状的产品。
为了保证操作的安全性和效率性,制定本操作规程手册,帮助操作人员正确操作造粒机。
1.操作准备1.1 设备检查在操作造粒机之前,必须进行设备检查,确保设备正常运行。
以下是一些常规的设备检查事项:检查电源线和电气接线是否正常,没有破损或松动。
检查机器的外观,确保没有破损或异常。
检查润滑系统,确保润滑油的充足和正常。
检查冷却系统,确保冷却水正常循环。
1.2 原料准备在操作造粒机之前,需要准备好所需的原料,包括:原料的名称和规格。
原料的数量和比例。
原料的处理要求,如研磨、混合等。
1.3 工具准备在操作造粒机过程中,可能需要使用一些工具进行调整和维护,例如:螺丝刀、扳手等工具,用于拆装和调整机器部件。
清洁刷、吸尘器等清洁工具,用于清理机器内部和周围的粉尘和杂物。
2.操作步骤2.1 启动操作在正式操作造粒机之前,需要按照以下步骤启动操作:1.打开电源,并确保电源的稳定。
2.按照设备说明书的要求,调整造粒机的各个参数,如温度、压力等。
3.检查造粒机的各项安全装置是否正常,如紧急停机按钮、过载保护等。
4.检查原料的供给系统,确保原料的供给正常,没有堵塞或漏料现象。
2.2 操作过程在启动操作后,按照以下步骤进行操作:1.将需要的原料放入造粒机的供料口,按照设备说明书的要求,调整原料的供给速度。
2.根据设备要求,调整造粒机的转速、温度等参数,确保最佳的造粒效果。
3.在操作过程中,及时观察机器运行情况,注意观察是否有异常噪声、异味等情况发生。
4.定期检查机器的工作情况,确保机器正常运行,没有发生异常。
3.操作注意事项在操作造粒机时,需要注意以下事项:注意个人安全,穿戴好安全设备,如手套、护目镜等。
不得将手部或其他物体放入机器内部,以免造成伤害。
定期清洁机器内部和周围的粉尘和杂物,保持机器的良好状态。
禁止超负荷操作造粒机,以免损坏机器或影响产品质量。
旋转挤压造粒机安全操作及保养规程一、前言旋转挤压造粒机是一种常用的制粒设备,广泛应用于医药、食品、化工等行业。
为保障生产安全,防止事故发生,特制定本规程。
二、安全操作规程2.1 前置检查1.在使用旋转挤压造粒机前,需对设备进行检查,确认各项配件完好、齐全。
2.检查电源接地是否良好,检查控制箱是否损坏。
3.确认设备以及周围区域清洁干燥,避免滑倒和电气事故。
2.2 操作事项1.定期对机器进行保养,每日对设备进行清洁和涂油。
2.开启设备前,要先检测机器内部是否有异物或其它影响设备正常运行的物品。
3.开机前,先保证振动筛网悬挂是否牢固,拧紧振动筛网两边的螺帽。
4.操作过程中不得有穿拖鞋,不得戴有珠宝、手表等易被卷入设备的物品。
5.严格遵守设备的电压和电流要求,不得擅自改动电线和电源。
6.操作过程中不得随意拆卸设备,严禁用手伸入设备中。
2.3 停机时的处理1.停机后,关闭电源,清理机器内外部的物品。
2.待旋转挤压造粒机完全停止后再进行检查。
3.按照规定归置工具等物品,保持现场整洁。
三、设备保养规程3.1 设备日常保养1.每日工作前应进行润滑处理。
2.检查振动筛网各部位是否畅通,并在振动筛网下方放置定期更换的过滤网。
3.设备周边悬挂物品,不得影响设备正常运转。
3.2 重要部件的保养1.定期检查设备的关键部件,如摆线轮、摆动杆等,并及时进行保养。
2.检查电气部件及控制系统,发现问题及时停机进行处理。
3.3 设备年度保养1.每年对旋转挤压造粒机进行大保养,检查各部件,对设备进行维修和更换。
2.检查包括电线、电源开关、电缆等电气设施的改造、维护是否到位。
四、紧急处理规程1.停机后发现异物不易取出时,应立即切断电源,并报告相关人员进行处理。
2.设备运行发现异响、异味或温度异常时,应立即停机,进行检查。
3.若设备发生故障,应及时报告相关人员,进行处理。
五、结语以上就是旋转挤压造粒机安全操作规程及设备保养规程。
在设备生产中,实施安全规程和设备保养规程,能够最大程度地保障工人的生命财产安全,同时也能够维护设备性能,增加设备使用寿命,提高设备的生产效率。
造粒机操作规程造粒机是一种重要的制药设备,主要用于将药粉压制成各种规格和形状的药丸、颗粒等。
在使用造粒机之前,操作人员需要熟悉造粒机的使用规程,确保在操作过程中不发生意外。
一、操作前的准备工作1. 验收机器:在开始操作造粒机之前,操作人员需要先检查机器是否运转良好,例如制冷水接口是否畅通,电器设备是否正常工作,压力表是否准确等。
2. 准备物料:制药物料需要经过粉碎、过筛等处理后才能使用,并根据工艺要求精确称量,保证最终产品的质量。
操作人员需要根据工艺要求准确地称量物料,并按要求进行处理。
3. 选用合适的模具:造粒机需要使用不同规格的模具来制作药丸、颗粒等产品,操作人员需要根据工艺要求选择合适的模具,才能制作出符合要求的药丸、颗粒等产品。
二、操作流程1. 启动机器:在确认机器运转良好,物料准备充分的情况下,操作人员需要按照启动流程进行操作,如从正常启动开始,全面检查各项参数和机器运行状态,确保机器正常工作。
2. 调整机器参数:操作人员需要根据工艺要求,调整机器参数,如压力、旋转速度、振动强度等,确保药丸或颗粒的密度、大小等符合规格要求。
3. 加料:根据药品的特性和要求,操作人员需要将物料逐步加入到进料口中,达到同等规格体积时,断开加料,并仔细检查机器的压缩装置是否处于压力正常状态。
4. 开始压制:加药完成后,操作人员需要启动机器的压制功能,使物料被压制成为药丸、颗粒等形状,以满足产品的要求。
5. 检查药品质量:药品的成型质量是验收产品的重要指标,操作人员需要在完成后对成品样品进行细致的从外观到质地等多方面的检测,确保产品合格。
三、操作后的清理和维护1. 关闭机器:操作完成后,操作人员需要按照机器停止流程进行操作,对机器进行关闭。
2. 清理设备:清理设备是操作完成后必备的环节,它有助于减少设备磨损和污染,同时保证下一次操作的质量。
3. 维护设备:之后需要进行设备的日常维护工作,例如清洁、加润滑油等操作。
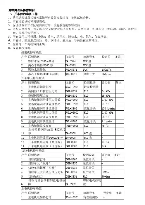
造粒岗设备操作规程一、开车前的准备工作1、挤压造粒机及其相关系统所有设备安装结束,单机试运合格。
2、所有性能试验和调整完成。
3、保证机器和工作区域清洁有序,没有散落的颗粒或油。
4、进行安全检查,保证所有安全保护设施齐全好用,安全用具、护具齐全(如硅油、扁铲、防护手套、拉料用钩子等)。
5、所有公用工程投用,例如:蒸汽、循环水、脱盐水、电、氮气、仪表风等。
6、所有油、脂润滑点加油、脂。
润滑油、液压油、导热油在正常液位。
7、检查每一个电机转向正确。
8④自动开车程序挤压机开车程序必须是从下游往上游开,由PLC提供,根据逻辑在线自动指导设备开车,手动启动挤压机,使熔融树脂充满挤压机,自动开车。
相关开关:自动/手动切换开关自启动开关下列操作与自动开车程序相关:切粒机启动操作切粒机进刀操作PCW三通阀操作开车阀操作在开车期间,应选择手动模式直到模板清洁完成,切粒单元锁模,然后操作模式由操作员转为自动,灯亮,自动开车能够通过按自动开车按钮启动。
自动开车条件:主要设备:1 M802电机“运行”2 主秤W801“运行”(RF802)3 SF801“运行”4 主电机“运行”5 切粒电机“停”6 切粒电机驱动盘“正常”7 切粒电机“无停车条件”8 颗粒水泵“运行”9 颗粒水三通阀“旁路”(干式)10 颗粒水三通阀“直通”(湿式)11 离心干燥器转速“不低”12 离心干燥器“运行”13 振动筛“运行”14 摩擦离合器“啮合”15切粒单元液压油压力“不低”16 开车阀“向地”其他:1 公共联锁“投用”2 操作模式“自动”然后,下面的操作按顺序进行切粒电机启动延时*秒刀轴进刀延时*秒颗粒水三通阀延时*秒开车阀换向延时*秒注:时间“*”由JSW现场性能测试后提供每一个阶段由逻辑对前一步确认后执行,如果有故障,自动停车程序动作,自动开车程序复位,当自动开车程序完成开车阀直通时,自动开车程序也复位。
注:自动开车程序有两个模式,一个是干式,另一个是湿式。
干式:开车前,颗粒水循环回水箱,不通过切粒水室;湿式:开车前,颗粒水循环通过切粒水室。
⑤自动停车程序挤压机停车顺序必须是从下游往上游停。
自动停车顺序由PLC提供,根据逻辑指导主要设备自动按顺序停。
相关开关:自动/手动切换开关自动停车开关自动停车程序在下列4种情况下动作:当操作模式自动时,按自动停车开关自动开车故障发生挤压机运行并且公共联锁在“ON”位置时,产生停车报警条件按紧急停车按钮一旦自动停车程序动作,根据下列顺序操作主电机停延时*秒开车阀换向延时*秒切粒电机停延时*秒切粒刀轴退刀延时*秒颗粒水三通阀旁路延时*秒注:时间“*”由JSW现场性能测试后提供每一步由逻辑对上一个步骤确认后执行,自动停完成后自动停车程序复位。
⑥公共联锁公共联锁由PLC程序提供,在挤压机逻辑自动停车程序中起重要作用,保证设备不会受到未预料的其他设备的停车或工艺操作故障而造成的破坏。
当自动停车程序从上游到下游,设备按顺序动作时,公共联锁相反的动作,立即停上游设备。
下列4个主要设备与这个程序有关,一个设备停,其他设备如箭头所示也停。
切粒机电机主电机主秤、M802、SF801如果一个设备停,根据公共联锁,上游设备立即停,下游设备根据停车程序停。
例如:当主电机停,RF802、M802、SF801立即停,切粒机电机根据停车程序停。
相应开关:公共联锁ON/OFF开关当两个相邻的设备运行,这两个设备之间的公共联锁程序是“ON”,两个设备停之后,它复位。
如果颗粒水系统下列不正常情况发生,切粒机自动停车程序和其它下游设备将动作。
颗粒水泵“停”下游设备“不正常”离心干燥器转速“低”颗粒水流量“低”离心干燥器“停”振动筛“停”D807液位“高”1)PK802(1)I0821:W-801聚丙烯计量秤停车联锁原因:1)W-801故障2)RF-802停3)D-801料位非常低(LALL8106)动作:1)RF-802停2)RF-802密封氮气停(XV8111)3)M-802停车联锁启动(I0824)4)盘面报警I0821出现(UA0821)按钮HS8106使LALL8106无效(2)I0823:SF-801停车联锁原因:1)SF-801停2)M-802停3)联锁I0824动作动作:1)停W-804A/B/C/D/E和相关连接设备2)停RF-8023)M-802停车联锁启动(I0824)4)SF-801密封氮气停5)盘面报警I0823出现(UA0823)按钮HS-80201使I8023无效(3)I0824:M-802停车联锁原因:1)M-802连续混料器停2)W-801聚丙烯计量秤停(I0821)3)SF-801停(I0823)4)EX851挤压机停动作:1)停熔融添加剂系统(FIC8402作用,P-811A/B冲程归零)2)停过氧化物添加剂系统(P-810A/B冲程归零)3)启动SF-801联锁(I0823)4)停SF-801螺旋送料器5)停第一个液体添加剂下料(停FV8301)6)停第二个液体添加剂下料(停FV8302)7)停M-8028)M-802密封氮气停9)盘面报警I0824出现(UA0824)按钮HS-8310使I8024无效(4)9、启动具体开车步骤见风送系统操作规程。
10、检查确认向挤压机下料的D801A/B料位达到高料位报警点。
11、检查确认抽吸、除尘系统PK803、PK805投用正常。
具体开车步骤见抽吸、除尘系统操作规程。
12、检查确认PK804系统投用正常,目的料仓D901A/B/C/D/E/F无料位高报。
具体开车步骤见风送系统操作规程。
13、PK802系统开车前准备工作完成。
1)打开D801A或B下部手动切断阀。
2)打开D801A或B下部自动切断阀XV8103或XV8104。
3)切换D801A或B下部换向阀XV8101A或B指向PK851。
4)旋转下料阀RF802启动前检查:⑴检查减速齿轮箱已经加好油/脂。
⑵取出下料阀中的外界杂物,如遗忘工具、石块等。
⑶确认转阀的转速探头投用良好。
⑷检查轴封氮气正常。
⑸拆除电机风扇护罩,手动盘车,确认转动灵活无卡涩。
恢复护罩。
⑹点试电机,查电机转向(必须与壳体上箭头方向一致),同时检查转阀转动灵活无卡涩,运行无振动和异常声音,空转电流不超过额定电流的80%。
⑺操作投自动5)螺旋送料器SF-801启动前检查:⑴检查管线和送料器内无异物。
⑵单试电机,检查转向正确。
⑶检查对中合格,连接联轴器,安装护罩。
⑷检查减速齿轮箱、轴承已经加好油/脂。
⑸拆除电机风扇护罩,手动盘车,确认转动灵活无卡涩。
恢复护罩。
⑹检查所有安全设施在正确位置。
⑺检查轴封氮气正常。
⑻启动电机,空转运行30分钟,检查空转电流不超过额定电流的80%。
⑼停电机,操作投自动。
6)计量单元W801在启动之前检查:⑴查设备内没有异物,出入口无卡塞。
⑵检查测量轮、轴承和内壁没有磨损,无物料堆积。
⑶检查齿轮箱润滑正常。
⑷确认W801调校正常,检查0点。
⑸确认所有软连接无阻碍、绞拧、损坏。
⑹检查橡胶减震垫无损坏。
⑺确认整个系统是封闭和紧固的。
⑻检查测量系统、过载限制停车的位置X、Y。
⑼确认测量单元安装牢固、水平、不倾斜。
⑽拆除电机风扇护罩,手动盘车,确认转动灵活无卡涩。
恢复护罩。
⑾点试电机,检查转向和运转情况,确认平台无振动。
⑿操作投自动。
7)固体添加剂单元W804A~E启动之前检查:⑴单试搅拌器A804A—E电机,检查转向正确。
⑵连接搅拌器联轴器,安装护罩。
⑶确认减速器和轴承润滑良好。
⑷手动盘车,灵活无卡涩。
⑸点试电机,无卡涩、异常声音、振动等,电机电流不超。
⑹启动相应搅拌器,通过Z804A—E向D804A—E加入规定数量和规格的添加剂。
⑺确认XV8203A—E开关灵活,操作投自动。
⑻确认W804A—E使用正确的螺杆,性能调校完毕。
⑼检查各零部件没有磨损。
⑽确认系统无异物或堵塞。
⑾确认系统封闭紧固。
⑿确认所有仪表投用。
⒀确认各部润滑正常。
⒁提供吹扫氮气。
⒂点试搅拌器和螺旋电机,转向正确,运行正常。
⒃按照配方设定添加剂和主物料的加入比例,操作投自动。
8)M802开车前准备工作:⑴检查混合器与氮气反冲口、进料管、出料管之间的连接是否可靠。
⑵检查防护罩安装好。
⑶检查清除混合器内的任何杂物,如螺栓、螺母、钢筋、砖头等。
⑷检查混合器接地情况。
⑸检查混合器检查孔、人孔关闭。
限位开关XSH8301、XSH8302出于闭合状态。
⑹各润滑油点加润滑油,检查油质油位。
⑺盘车:打开盘车电机后风扇罩,旋转冷却风扇叶轮,旋转方向为从进料侧看搅拌器是顺时针方向,转5—6转。
盘车过程中,用手动油泵往各润滑油点注油,检查运转灵活五卡涩。
盘车后恢复风扇护照。
⑻点试确认电机转向正确。
⑼设定溢流阀HV8303A、HV8303B开度在适当位置。
⑽检查放净阀关闭。
⑾确认气动两位阀XV8303开关灵活。
⑿打开轴封氮气手阀、打通流程,电磁阀投自动。
⒀检查确认M802联锁投用。
⒁M802投自动。
14、启动RF8051)启动前检查:A 检查减速齿轮箱已经加好油/脂B 取出下料阀中的外界杂物,如遗忘工具、石块等。
C 确认转阀的转速探头投用良好D 检查轴封氮气正常E 点试电机,查电机转向(必须与壳体上箭头方向一致),同时检查转阀转动灵活无卡塞2)启动注意启动电流及电压的变化,检查转阀无异常振动及过大噪音,检查转速正常,轴承温度正常。
15、启动熔融添加剂系统(如果需要)熔融添加剂单元开车开车之前,必须完成下列检查工作:①所有手阀处在正确位置。
②确认仪表已投用。
③到D811的氮封打开。
④中央抽吸系统已投用。
1)准备添加剂,通过料斗Z811加到添加剂熔化器中。
首批添加剂的制备分两步:首先加油直至搅拌器被覆盖,开始通入夹套蒸汽,启动A811搅拌;当温度达到120℃时,开始通过Z811加入添加剂。
2)保持搅拌器A811运转和低压蒸汽通入储罐夹套。
所需的熔化时间过后,通过HS8401打开HV8401,熔融添加剂从熔化器自压流入计量储罐D812。
每当计量罐液位低时,都要进行第1)步和第2)步。
3)打通P811A/B到M802的流程,通过夹套蒸汽保证介质温度。
4)将FRCA8401打手动;以最小冲程启动P811A/B,待用。
5)挤压机开车正常后,手动增加添加剂的流量直到正常值,然后将FRCA8401同聚丙烯流量投串级。
16、启动过氧化物添加剂系统(如果需要)过氧化物单元开车启动之前必须做下列检查:①确保没有异物进入D810。
②确认所有法兰紧固。
③确认所有检测仪表已投用。
1)开冷冻水和冷却水到夹套,设定TRC8602,通过蒸汽,确保水温在30℃左右。
1)向D810内加入适量的过氧化物2)切换FT8601下游的三通阀,指向M802,确认流量联锁信号是由挤压机给出3)切换P810A(P810B)下游的三通阀将P810A(P810B)同Z810(过氧化物喷射器)连接。