钢管混凝土柱柱脚锚固检验批质量验收记录(模板)
- 格式:xlsx
- 大小:14.91 KB
- 文档页数:1
现浇混凝土柱实体实测实量验收记录验收记录(编号:2024-001)项目名称:地项目混凝土结构验收记录项目位置:地项目工地验收单位:地建筑工程质量监督站验收日期:2024年1月1日1.项目概况本项目为一栋多层住宅楼的结构验收,其中包括多个混凝土柱实体。
本次验收主要针对柱体的质量进行实测实量,并进行质量判定。
2.验收人员本次验收由以下人员组成:-验收主任:地建筑工程质量监督站李工程师-验收员:地建筑工程质量监督站王工程师-监理人员:地工程监理有限公司张工程师-施工人员:地建筑有限公司工程队李队长3.实测实量过程3.1柱体编号:001柱体位置:一层,柱形:矩形尺寸测量:- 高度:3000mm- 宽度:400mm- 长度:400mm3.2柱体编号:002柱体位置:二层,柱形:圆形尺寸测量:- 高度:2500mm- 直径:500mm3.3柱体编号:003柱体位置:三层,柱形:矩形尺寸测量:- 高度:3500mm- 宽度:450mm- 长度:450mm4.数据分析与质量判定根据设计要求,对以上柱体进行尺寸测量,并与设计图纸进行对比。
测量结果符合设计要求,尺寸误差在允许范围内。
经过验收人员的讨论和评估,判断以上柱体质量合格。
5.发现问题与整改措施经过验收过程中发现以下问题:-柱体表面存在少量麻面和气孔,影响美观。
针对以上问题,提出以下整改措施:-清理柱体表面的麻面和气孔,进行修补和抹平。
-加强后续柱体浇注过程中的施工管理,确保混凝土的浇筑质量。
6.验收结论经过实测实量和数据分析,本次现浇混凝土柱实体验收合格。
对于发现的问题,施工方将采取相应的整改措施,并通知监理单位进行复验。
验收单位建议施工方加强施工管理,确保后续柱体的质量。
7.备注验收记录中所提到的问题和整改措施将纳入工地质量管理体系,并进行定期检查和检验。
编写人:地建筑工程质量监督站李工程师。
钢管混凝土构件安装检验批质量验收记录时间:XXXX年XX月XX日地点:XXXX工地参与人员:1.项目经理:XXX2.工程监理:XXX3.施工单位:XXX4.验收人员:XXX5.其他相关人员:XXX一、检验项目:1.钢管混凝土构件的尺寸和几何形状是否符合设计要求。
2.钢管混凝土构件的脱模和养护是否符合规定要求。
3.钢管混凝土构件的钢筋间距、钢筋直径和混凝土强度是否符合设计要求。
4.钢管混凝土构件的安装是否符合设计要求,连接是否牢固。
5.钢管混凝土构件的表面平整度和外观质量是否符合规定要求。
6.其他需要检验的项目。
二、检验计划:根据施工图纸和相关设计要求,制定检验计划。
三、检验过程:1.进行尺寸和几何形状的检验:通过测量量取样检测,检查各构件的尺寸、形状、平直度等是否符合设计要求。
2.进行脱模和养护的检验:检查构件的脱模过程和养护方法是否符合规定,并观察混凝土表面是否有明显的裂缝、起砂、麻面等现象。
3.进行钢筋间距、钢筋直径和混凝土强度的检验:通过取样检测,检查构件中钢筋的间距和直径是否符合设计要求,并对混凝土强度进行测定,确保达到设计强度。
4.进行安装质量的检验:检查构件的安装过程是否符合设计要求,连接是否牢固,无松动、倾斜等问题。
5.进行表面平整度和外观质量的检验:检查构件表面是否平整光滑,是否有明显的开裂、麻面等质量问题。
四、检验结果:1.钢管混凝土构件的尺寸和几何形状均符合设计要求。
2.钢管混凝土构件的脱模和养护符合规定要求。
3.钢管混凝土构件的钢筋间距、钢筋直径和混凝土强度均符合设计要求。
4.钢管混凝土构件的安装符合设计要求,连接牢固可靠。
5.钢管混凝土构件的表面平整度和外观质量符合规定要求。
五、存在问题及处理意见:1.部分构件的脱模养护不规范,导致表面出现了一些裂缝和局部麻面,需要及时修补和养护,确保质量。
2.部分构件的连接处存在轻微的松动现象,需要进行加固处理,确保连接牢固可靠。
3.部分构件的表面平整度稍有不符合规定要求,需要进行修整,确保平整度达标。
模板安装(含预制构件)工程检验批质量验收记录
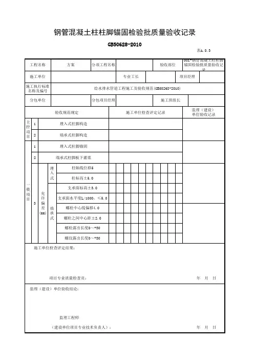
注:L为构件长度(mm)。
技术复核记录
技术复核记录
工程名称:xx工程施工单位:浙江xx建设有限公司施工编号:
钢筋隐蔽工程验收记录
注:本表由施工项目专业质量检查员填写,监理工程师(建设单位项目技术负责人)组织项目专业质检员等进行验收
钢筋原材料检验批质量验收记录
钢筋加工检验批质量验收记录
钢筋连接检验批质量验收记录
钢筋安装检验批质量验收记录
混凝土原材料检验批质量验收记录
混凝土配合比设计检验批质量验收记录
混凝土施工检验批质量验收记录
模板拆除工程检验批质量验收记录
现浇结构外观质量检验批质量验收记录
现浇结构尺寸偏差检验批质量验收记录。
钢管混凝土柱与钢筋混凝土梁连接检验批质量验收记录GB 50628-2010A-83 单位(子单位)工程名称分部(子分部)工程名称验收部位施工单位项目经理专业分包单位专业分包项目经理施工执行标准名称及编号施工质量验收规范的规定施工单位检查评定记录监理单位验收意见主控项目1 柱梁连接点核心区构造第4.5.1条2 柱梁连接贯通型节点第4.5.2条3 柱梁连接非贯通型节点第4.5.3条一般项目1 梁纵筋通过核心区要求第4.5.4条2 梁纵筋间距第4.5.5条3安装允许偏差(mm)梁柱中心线偏移5.0第4.5.6条梁标高±10.0施工单位检查评定结果项目专业质量检查员:年月日监理单位验收结论专业监理工程师:年月日填表说明主控项目:1、钢管混凝土柱与钢筋混凝土梁连接节点核心区的构造及钢筋的规格、位置、数量应符合设计要求。
检查数量:全数检查。
检查方法:观察检查,检查施工记录和隐蔽工程验收记录。
2、钢管混凝土柱与钢筋混凝土梁采用钢管贯通型节点连接时,在核心区内的钢管外壁处理应符合设计要求,设计无要求时,钢管外壁应焊接不少于两道闭合的钢筋环箍,环箍钢筋直径、位置及焊接质量应符合专项施工方案要求。
检查数量:全数检查。
检查方法:观察检查,检查施工记录。
3、钢管混凝土柱与钢筋混凝土梁连接采用钢管柱非贯通型节点连接时,钢板翅片、厚壁连接钢管及加劲肋板的规格、数量、位置与焊接质量应符合设计要求。
检查数量:全数检查。
检查方法:观察检查、尺量检查和检查施工记录。
一般项目:1、梁纵向钢筋通过钢管混凝土柱核心区应符合下列规定:1)梁的纵向钢筋位置、间距应符合设计要求;2)边跨梁的纵向钢筋的锚固长度应符合设计要求;3)梁的纵向钢筋宜直接贯通核心区,且连接接头不宜设置在核心区。
检查数量:全数检查。
检查方法:观察检查、尺量检查和检查隐蔽工程验收记录。
2、通过梁柱节点核心区的梁纵向钢筋的净距不应小于40mm,且不小于混凝土骨料粒径的1.5倍。