3m长挑梁计算
- 格式:rtf
- 大小:658.69 KB
- 文档页数:9
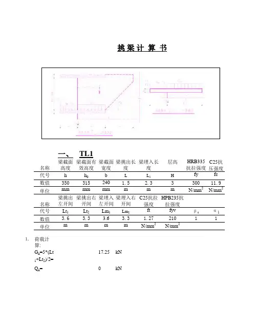
名称高度效高度宽度度度抗拉强度压强度代号h h0b L L1H fy fc 数值350315240 1.5 2.3330011.9单位mm mm mm m m m N/mm2N/mm2名称梁挑出左开间梁挑出右开间梁埋入左开间梁埋入右开间C25抗拉强度HPB235抗拉强度代号Lt1Lt2Lm1Lm2ft fyvβcα1数值 3.6 3.3 3.6 3.3 1.2721011单位m m m m N/mm2N/mm2⒈荷载计算:G k=5*(Lt1+Lt2)/2=17.25kNQ k=0kNg1k=4*(Lt1+Lt2)/2+26*b*h/106=15.984kN/Mq1k=2.5*(Lt1+Lt2)/2=8.625kN/Mg2k=4*(Lm1+Lm2)/2=13.8kN/MGr=5.2*(2L1*H-L12/2)=58.006kNL2=(12L1*H-5*L12)/(12*H-3*L1)= 1.94m∵L1= 2.3m> 1.2*h=0.42m∴χo=0.3*h=0.11m挑梁计 算 书⒉内力及抗倾覆验算:Mov1=(1.35*Gk+1.4*0.7*Qk)*(L+χo)+1/2*(1.35*g1k+1.4*0.7*q1k)*(L+χo)2=76.06kN.MMov2=(1.2*Gk+1.4*Qk)*(L+χo)+1/2*(1.2*g1k+1.4*q1k)*(L+χo)2=73.48kN.M ∴Mov=76.06kN.MMr=0.8*[1/2*g2k*(L1-χo)2+Gr*(L2-χo)]=111.5825kN.M>Mov∴满足要求Vo1=1.35*(Gk+g1k*L)+1.4*0.7*(Qk+q1k*L)=68.33kNVo2=1.2*(Gk+g1k*L)+1.4*(Qk+q1k*L)=67.58kN∴V max=68.33kNM max=Mov=76.06kN.M⒊配筋计算:a s=M ov/(α1*fc*b*h o2)=0.268<0.399ζ=1-(1-2a s)1/2=0.3194<0.55As=ζ*b*ho*fc/fy=957.79mm2配HRB335:3根¢=22A s=1140mm2h w/b=h o/b= 1.31<40.25*βc*fc*b*ho=224.91kN>V max=68.33kN0.7*ft*b*ho=67.21kN<V max=68.33kNA sv/s=(V max-0.7*ft*b*ho)/(1.25fyv*ho)=0.01mm2/m取s=150mm则A sv= 2.042mm2箍筋配¢8@150(双肢箍)A sv=100.4800mm2∴满足要求二、WTL1名称梁截面高度梁截面有效高度梁截面宽度梁挑出长度梁埋入长度层高HRB335抗拉强度C25抗压强度代号h h0b L L1H fy fc 数值350315240 1.5 3.3330011.9单位mm mm mm m m m N/mm2N/mm2名称梁挑出左开间梁挑出右开间梁埋入左开间梁埋入右开间C25抗拉强度HPB235抗拉强度代号Lt1Lt2Lm1Lm2ft fyvβcα1数值 3.6 3.3 3.6 3.3 1.2721011单位m m m m N/mm2N/mm2⒈荷载计算:G k=5*(Lt1+Lt2)/2=17.25kNQ k=0kNg1k=7*(Lt1+Lt2)/2+26*b*h/106=26.334kN/Mq1k=2.0*(Lt1+Lt2)/2= 6.9kN/Mg2k=7*(Lm1+Lm2)/2=24.15kN/M∵L1= 3.3m> 1.2*h=0.42m∴χo=0.3*h=0.11m⒉内力及抗倾覆验算:Mov1=(1.35*Gk+1.4*0.7*Qk)*(L+χo)+1/2*(1.35*g1k+1.4*0.7*q1k)*(L+χo)2=91.88kN.MMov2=(1.2*Gk+1.4*Qk)*(L+χo)+1/2*(1.2*g1k+1.4*q1k)*(L+χo)2=86.37kN.M ∴Mov=91.9kN.MMr=0.8*1/2*g2k*(L1-χo)2=98.61kN.M>Mov∴满足要求Vo1=1.35*(Gk+g1k*L)+1.4*0.7*(Qk+q1k*L)=86.76kNVo2=1.2*(Gk+g1k*L)+1.4*(Qk+q1k*L)=82.59kN∴V max=86.76kNM max=Mov=91.9kN.M⒊配筋计算:a s=M ov/(α1*fc*b*h o2)=0.324<0.399ζ=1-(1-2a s)1/2=0.4071<0.55As=ζ*b*ho*fc/fy=1220.7mm2配HRB335:4根¢=20A s=1256mm2h w/b=h o/b= 1.31<40.25*βc*fc*b*ho=224.91kN>V max=86.76kN0.7*ft*b*ho=67.21kN<V max=86.76kNA sv/s=(V max-0.7*ft*b*ho)/(1.25fyv*ho)=0.24mm2/m取s=150mm则A sv=35.4620mm2箍筋配¢8@150(双肢箍)A sv=100.4800mm2∴满足要求三、TL1名称梁截面高度梁截面有效高度梁截面宽度梁挑出长度梁埋入长度层高HRB335抗拉强度C25抗压强度代号h h0b L L1H fy fc 数值300315240 1.5 2.3330011.9单位mm mm mm m m m N/mm2N/mm2名称梁挑出左开间梁挑出右开间梁埋入左开间梁埋入右开间C25抗拉强度HPB235抗拉强度代号Lt1Lt2Lm1Lm2ft fyvβcα1数值 2.9 2.4 2.9 2.4 1.2721011单位m m m m N/mm2N/mm2⒈荷载计算:G k=5*(Lt1+Lt2)/2=13.25kNQ k=0kNg1k=4*(Lt1+Lt2)/2+26*b*h/106=12.472kN/Mq1k=2.5*(Lt1+Lt2)/2= 6.625kN/Mg2k=4*(Lm1+Lm2)/2=10.6kN/MGr=5.2*(2L1*H-L12/2)=58.006kNL2=(12L1*H-5*L12)/(12*H-3*L1)= 1.94m∵L1= 2.3m> 1.2*h=0.36m∴χo=0.3*h=0.09m⒉内力及抗倾覆验算:Mov1=(1.35*Gk+1.4*0.7*Qk)*(L+χo)+1/2*(1.35*g1k+1.4*0.7*q1k)*(L+χo)2=57.93kN.MMov2=(1.2*Gk+1.4*Qk)*(L+χo)+1/2*(1.2*g1k+1.4*q1k)*(L+χo)2=55.92kN.M ∴Mov=57.93kN.MMr=0.8*[1/2*g2k*(L1-χo)2+Gr*(L2-χo)]=106.3916kN.M>Mov∴满足要求Vo1=1.35*(Gk+g1k*L)+1.4*0.7*(Qk+q1k*L)=52.88kNVo2=1.2*(Gk+g1k*L)+1.4*(Qk+q1k*L)=52.26kN∴V max=52.88kNM max=Mov=57.93kN.M⒊配筋计算:a s=M ov/(α1*fc*b*h o2)=0.204<0.399ζ=1-(1-2a s)1/2=0.2311<0.55As=ζ*b*ho*fc/fy=693.13mm2配HRB335:3根¢=22A s=1140mm2h w/b=h o/b= 1.31<40.25*βc*fc*b*ho=224.91kN>V max=52.88kN0.7*ft*b*ho=67.21kN<V max=52.88kNA sv/s=(V max-0.7*ft*b*ho)/(1.25fyv*ho)=-0.17mm2/m 取s=150mm则A sv=-25.989mm2箍筋配¢8@150(双肢箍)A sv=100.4800mm2∴满足要求二、WTL1名称梁截面高度梁截面有效高度梁截面宽度梁挑出长度梁埋入长度层高HRB335抗拉强度C25抗压强度代号h h0b L L1H fy fc 数值350315240 1.5 3.3330011.9单位mm mm mm m m m N/mm2N/mm2名称梁挑出左开间梁挑出右开间梁埋入左开间梁埋入右开间C25抗拉强度HPB235抗拉强度代号Lt1Lt2Lm1Lm2ft fyvβcα1数值 3.6 3.3 3.6 3.3 1.2721011单位m m m m N/mm2N/mm2⒈荷载计算:G k=5*(Lt1+Lt2)/2=17.25kNQ k=0kNg1k=7*(Lt1+Lt2)/2+26*b*h/106=26.334kN/Mq1k=2.0*(Lt1+Lt2)/2= 6.9kN/Mg2k=7*(Lm1+Lm2)/2=24.15kN/M∵L1= 3.3m> 1.2*h=0.42m∴χo=0.3*h=0.11m⒉内力及抗倾覆验算:Mov1=(1.35*Gk+1.4*0.7*Qk)*(L+χo)+1/2*(1.35*g1k+1.4*0.7*q1k)*(L+χo)2=91.88kN.MMov2=(1.2*Gk+1.4*Qk)*(L+χo)+1/2*(1.2*g1k+1.4*q1k)*(L+χo)2=86.37kN.M ∴Mov=91.9kN.MMr=0.8*1/2*g2k*(L1-χo)2=98.61kN.M>Mov∴满足要求Vo1=1.35*(Gk+g1k*L)+1.4*0.7*(Qk+q1k*L)=86.76kNVo2=1.2*(Gk+g1k*L)+1.4*(Qk+q1k*L)=82.59kN∴V max=86.76kNM max=Mov=91.9kN.M⒊配筋计算:a s=M ov/(α1*fc*b*h o2)=0.324<0.399ζ=1-(1-2a s)1/2=0.4071<0.55As=ζ*b*ho*fc/fy=1220.7mm2配HRB335:3根¢=25A s=1472mm2h w/b=h o/b= 1.31<40.25*βc*fc*b*ho=224.91kN>V max=86.76kN0.7*ft*b*ho=67.21kN<V max=86.76kNA sv/s=(V max-0.7*ft*b*ho)/(1.25fyv*ho)=0.24mm2/m 取s=150mm则A sv=35.4620mm2箍筋配¢8@150(双肢箍)A sv=100.4800mm2∴满足要求。
悬挑梁计算长度摘要:1.悬挑梁的定义与概述2.悬挑梁计算长度的必要性3.悬挑梁计算长度的方法与步骤4.悬挑梁计算长度的注意事项5.结论正文:一、悬挑梁的定义与概述悬挑梁是指一端固定,另一端自由悬挂的梁。
在工程领域中,悬挑梁被广泛应用于桥梁、建筑物等结构中,承受着各种载荷和外力的作用。
计算悬挑梁的长度对于保证结构的稳定性和安全性至关重要。
二、悬挑梁计算长度的必要性计算悬挑梁的长度有助于确保悬挑梁在承受载荷时不会产生过大的变形,从而保证结构的稳定性。
此外,正确的悬挑梁长度还能避免因梁过长或过短而导致的材料浪费或结构强度不足的问题。
三、悬挑梁计算长度的方法与步骤1.确定悬挑梁的材料和截面形状。
不同的材料和截面形状对应的梁的弹性模量和截面惯性矩会有所不同,从而影响悬挑梁的计算长度。
2.确定悬挑梁的边界条件。
根据悬挑梁的实际应用场景,确定梁的一端是否固定,另一端是否自由悬挂,以及梁所承受的载荷类型和分布。
3.计算悬挑梁的弯矩和挠度。
根据悬挑梁的边界条件,使用弹性力学公式计算梁在各个位置的弯矩和挠度。
4.确定悬挑梁的安全系数。
根据梁的材料性能和工程设计要求,确定悬挑梁的安全系数,以保证梁在承受载荷时不会产生过大的变形。
5.计算悬挑梁的计算长度。
根据悬挑梁的弯矩、挠度和安全系数,计算出悬挑梁的计算长度。
四、悬挑梁计算长度的注意事项1.在计算悬挑梁长度时,应充分考虑梁的材料性能、截面形状、边界条件和载荷分布等因素,以保证计算结果的准确性。
2.确定悬挑梁的安全系数时,应综合考虑梁的使用环境、工程设计要求和安全性能等因素,以保证梁在承受载荷时的稳定性和安全性。
3.在实际工程应用中,悬挑梁的计算长度可能需要根据实际情况进行适当的调整,以满足工程设计和施工的要求。
五、结论计算悬挑梁的长度对于保证悬挑梁在承受载荷时的稳定性和安全性至关重要。
挑梁计算书1 已知条件挑梁截面宽度b=240mm,截面高h b=400mm,端部截面高h l=400mm,挑出长度l c=1680mm,埋入长度l1=2000mm,挑梁上墙体净高度w h=3000mm,墙上恒载标准值w Q=12kN/m,墙体自重w R=18kN/m3,挑梁恒载标准值c Q=15kN/m,挑梁活载标准值c L=2.50kN/m,挑梁端集中力标准值c P=6kN,混凝土强度等级C30,梁主筋设计强度f y=360Mpa,梁箍筋设计强度f yv=270Mpa,墙体砂浆等级MU5,砌体等级M10。
2 设计计算根据砌体规范7.4.2条可求得倾覆点至墙外边缘矩离x0=120mm根据荷载规范3.2.3条可求得悬挑段的荷载对倾覆点产生的倾覆力矩M ov=56.60kN.m根据砌体规范7.4.3条可求得埋入段的恒载对倾覆点的抗倾覆力矩M r=76.03kN.mM ov<="">根据荷载规范3.2.3条及砌体规范7.4.4条可求得挑梁下的支承压力N l=109.58kN根据砌体规范表3.2.1-1可求得砌体抗压强度设计值f=1.50Mpa挑梁下砌体所能承受的最大压力N max=ηγfA l=0.7×1.25×1.50×1.2×240×400=151.20kNN l<="" p="">根据荷载规范3.2.3及砌体规范7.4.5条可求得挑梁最大设计弯矩、最大设计剪力M max=M0v=56.60kN.mV max=51.68kN根据混凝土规范可求得挑梁受拉钢筋面积A s=476.35mm2取弯起纵筋A sb=254mm2,弯起角度αs=450,箍筋间距s=1m,根据混凝土规范可求得抗剪箍筋面积A sv=188.67mm21 已知条件挑梁截面宽度b=240mm,截面高h b=400mm,端部截面高h l=400mm,挑出长度l c=1680mm,埋入长度l1=2500mm,挑梁上墙体净高度w h=3000mm,墙上恒载标准值w Q=13kN/m,墙体自重w R=18kN/m3,挑梁恒载标准值c Q=15kN/m,挑梁活载标准值c L=2.50kN/m,挑梁端集中力标准值c P=12kN,混凝土强度等级C30,梁主筋设计强度f y=360Mpa,梁箍筋设计强度f yv=270Mpa,墙体砂浆等级MU5,砌体等级M10。
悬挑梁计算长度悬挑梁是一种常见的结构形式,常用于建筑物的梁柱系统中。
它的名称来自于梁的一端悬挑在支撑之外的特点。
悬挑梁常见于桥梁、屋顶、走廊等建筑结构中,具有独特的美学效果和结构优势。
悬挑梁的长度是指悬挑部分的长度。
在设计悬挑梁时,需要考虑多个因素,包括结构强度、荷载分布、材料选取等。
下面将从这些方面对悬挑梁的长度进行计算和分析。
悬挑梁的结构强度是设计的重要考虑因素之一。
悬挑部分的长度越长,其受力情况将越复杂。
设计师需要根据实际情况,确定悬挑梁的最大长度,以保证其结构强度和稳定性。
一般来说,悬挑梁的长度应控制在一定范围内,以避免悬挑部分过长而导致的结构不稳定或者强度不足的问题。
荷载分布也是悬挑梁长度计算的重要因素之一。
荷载分布是指悬挑梁上所承受的荷载在长度方向上的分布情况。
一般来说,悬挑梁的长度越长,荷载分布越不均匀。
在实际设计中,需要根据悬挑梁所承受的荷载情况,合理确定悬挑梁的长度,以保证其在使用过程中的安全性和稳定性。
材料选取也会对悬挑梁长度的计算产生影响。
不同材料的悬挑梁具有不同的强度和刚度特性。
在设计过程中,需要根据悬挑梁所需的强度和刚度,选择合适的材料,并结合实际情况确定悬挑梁的长度。
一般来说,悬挑梁的长度应尽量控制在材料所能承受的范围之内,以确保悬挑梁的稳定性和安全性。
悬挑梁的长度计算涉及到结构强度、荷载分布、材料选取等多个因素。
在设计过程中,需要综合考虑这些因素,合理确定悬挑梁的长度,以保证其在使用过程中的结构稳定和安全性。
通过科学的计算和合理的设计,可以有效地提高悬挑梁的使用寿命和安全性,为建筑物的结构稳定性提供可靠的保障。
悬挑梁计算长度摘要:1.悬挑梁的概念和作用2.悬挑梁计算长度的方法3.悬挑梁计算长度的影响因素4.实际工程中的应用案例5.总结正文:悬挑梁是一种常见的建筑结构,通常用于阳台、雨篷等建筑物的外伸部分。
悬挑梁的计算长度是设计过程中非常重要的一个参数,不仅影响到建筑物的外观和稳定性,还涉及到施工的难易程度和材料的使用。
1.悬挑梁的概念和作用悬挑梁是指一端固定在支撑结构上,另一端自由伸展的梁。
它的主要作用是承担建筑物外伸部分的重量,并将荷载传递到支撑结构上。
此外,悬挑梁还能增加建筑物的空间感和视觉效果。
2.悬挑梁计算长度的方法悬挑梁计算长度的方法主要有两种:一种是经验公式法,另一种是计算分析法。
经验公式法是根据大量实际工程数据总结出来的,适用于一些简单的工程。
计算分析法则需要考虑建筑物的结构形式、材料性能、荷载情况等多种因素,适用于较为复杂的工程。
3.悬挑梁计算长度的影响因素悬挑梁计算长度的因素主要有以下几点:建筑物的结构形式、材料性能、荷载情况、支撑结构的类型和性能等。
其中,荷载情况是影响悬挑梁计算长度的主要因素,需要根据建筑物的使用情况和外部环境条件进行详细分析。
4.实际工程中的应用案例以下是一个实际工程中的悬挑梁计算长度的案例:某建筑物的阳台采用钢筋混凝土悬挑梁,梁高为300mm,支撑结构为钢筋混凝土柱。
根据建筑物的使用情况和外部环境条件,荷载取值如下:阳台活荷载为2.0kN/m,梁自重为10kN/m。
根据计算分析法,悬挑梁的长度为4.0m。
5.总结悬挑梁计算长度是建筑设计过程中的一个关键参数,需要综合考虑建筑物的结构形式、材料性能、荷载情况等多种因素。
3米悬挑脚手架计算书工程名称江淮美地一期计算参数双排脚手架,搭设高度为16.800米,立杆采用单立管。
纵距1.50米,立杆的横距1.00米,步距1.80米。
钢管类型为φ48×3.0,连墙件采用2步3跨,竖向间距3.60米,水平间距4.50米。
同时施工2层,脚手板共铺设9层。
悬挑水平钢梁采用 16号工字钢,其中建筑物外悬挑段长度1.40米,建筑物内锚固段长度1.60米。
悬挑水平钢梁采用悬臂式结构,没有钢丝绳或支杆与建筑物拉结。
计算简图材料特性钢管型号:;连墙件和钢管的质量符合<<碳素结构钢>>(GB/T 700) 中的Q235-A级钢的规定;扣件采用可锻铸铁制作,质量符合<<钢管脚手架扣件>>(GB 15831)的规定;脚手板采用竹笆片脚手板;悬挑水平钢梁采用16号工字钢序号计算要点详细计算过程结论计算过程及结论大横杆计算1.抗弯强度验算: σ=0.270×106/4491.0=60.024N/mm2大横杆的计算强度小于205.0N/mm2满足条件!2.挠度验算 V=(0.677×0.088+0.990×0.667)×1500.04/(100×2.06×105×107780.0)=1.641mm大横杆的最大挠度小于1500.0/150与10mm满足条件!小横杆计算1.抗弯强度验算:σ=0.525×106/4491.0=117.004N/mm2小横杆的计算强度小于205.0N/mm2满足条件!2.挠度验算最大挠度 V=V1+V2=1.833mm大横杆的最大挠度小于1000.0/150与10mm满足条件!扣件计算荷载的计算值R=1.2×0.038+1.2×0.113+1.4×1.500=2.281kN扣件抗滑承载力可取8.0kN;满足条件!立杆计算1.不考虑风荷载时,立杆的稳定性计算经过计算得:钢管立杆抗压强度计算值σ=115.77N/mm2钢管立杆抗压强度设计值 [f]= 205.00N/mm2满足条件!2.考虑风荷载时,立杆的稳定性计算经过计算得:钢管立杆抗压强度计算值σ=148.57N/mm2钢管立杆抗压强度设计值 [f]= 205.00N/mm2满足条件!连墙件的计算连墙件轴向力计算值 N l=12.16kN连墙件轴向力设设计值 N w=82.71kN满足条件!连墙件采用普通螺栓连接,普通螺栓计算参见《施工计算手册》钢结构部分。
钢筋混凝土挑梁计算书在建筑结构中,钢筋混凝土挑梁是一种常见且重要的构件,它承担着将上部荷载传递到支撑结构的重要任务。
为了确保挑梁的安全性和稳定性,我们需要进行详细而准确的计算。
以下将对钢筋混凝土挑梁的计算过程进行详细阐述。
一、设计资料首先,我们需要明确挑梁所承受的荷载情况以及相关的设计参数。
1、挑梁的跨度:假设为 L 米。
2、恒载标准值:包括挑梁自重以及可能存在的其他恒载,假设为g₁ kN/m。
3、活载标准值:例如人员活动、临时堆放的物品等产生的荷载,假设为 q₁ kN/m。
4、混凝土强度等级:比如 C30。
5、钢筋级别:选用 HRB400 级钢筋。
二、荷载计算1、恒载设计值 g = 12×g₁ kN/m2、活载设计值 q = 14×q₁ kN/m三、挑梁的内力计算1、最大弯矩设计值在挑梁的外端,最大弯矩 Mmax = g×L²/2 + q×L²/22、剪力计算挑梁根部的剪力 Vmax = g×L + q×L四、挑梁的截面尺寸选择1、挑梁的截面高度 h 一般取 L/6 L/8 ,同时不应小于 300mm 。
2、截面宽度 b 通常取 200mm 300mm 。
五、正截面受弯承载力计算1、计算受压区高度 x根据公式α₁f₁cbx = fyAs ,其中α₁为系数,f₁c 为混凝土轴心抗压强度设计值,b 为截面宽度,fy 为钢筋抗拉强度设计值,As 为受拉钢筋的截面面积。
2、计算相对受压区高度ξ = x/h₀,h₀为截面有效高度。
3、若ξ ≤ ξb (ξb 为相对界限受压区高度),则满足要求,可计算出受拉钢筋的面积 As = Mmax /(fy × h₀(1 05ξ) )。
4、根据计算出的 As ,选择合适的钢筋直径和根数。
六、斜截面受剪承载力计算1、验算截面尺寸当 hw /b ≤ 4 时,V ≤ 025βcf₁cbh₀,其中 hw 为截面的腹板高度,βc 为混凝土强度影响系数。
挑梁计算书项目名称_____________构件编号_____________日期_____________ 设计_____________校对_____________审核_____________ 荷载统计:(1)、恒荷载:地面4.8*0.25*25=30kn/m 栏杆:0.5*4.8=2.4 kn (2)、活荷载:2.5*4.8=12 kn/m一、设计资料外挑长度:L = 1200mm埋入墙体长度:L1 = 1800mm墙体高度:L w = 3000mm梁宽度:b = 370mm梁尾端高度:h1 = 350mm梁顶端高度:h2 = 350mm受拉钢筋合力点到受拉边距离:a s = 25mm挑梁类型:楼层挑梁支撑处墙体类型:有构造柱混凝土:C25f t = 1.270N/mm2f c = 11.900N/mm2受拉钢筋:HRB335(20MnSi)f y = 300.000N/mm2箍筋:HPB235(Q235)f yv = 210.000N/mm2墙体材料:烧结普通砖砂浆强度等级:M7.5砌体强度等级:Mu10砌体的抗压强度设计值:f = 1.690N/mm2端部集中恒载:F k = 2.400kN外挑部分活荷载:q k1 = 12.000kN/m 外挑部分恒荷载:g k1 = 30.000kN/m 埋入部分恒荷载:g k2 = 0.000kN/m 挑梁容重:γL = 25.000kN/m3墙体容重:γW = 17.000kN/m3结构重要性系数: 1.00030 1200180035352.400kN12.000kN/m30.000kN/m0.000kN/m抗压强度设计值调整系数: 1.000二、计算结果1.计算倾覆点至墙外边缘距离挑梁的截面高度由于L1 > 2.2h1, x0 = min(0.3h1,0.13L1) = 105.000mm,由于有构造柱,x0 = 0.5x0 = 52.500mm,2.计算荷载与内力(1)荷载计算q =γQ q k1+γG g k1+γGγL(h1+h2)b/2= 1.400×12.000+1.200×30.000+1.200×25.000×(0.350+0.350)×0.370/2 = 56.685kN/mP = γG F k = 1.200×2.400 = 2.880kN(2)内力计算挑梁的荷载设计值对计算倾覆点产生的倾覆力矩:M ov = γ0(P(L+x0)+0.5q(L+x0)2)= 1.00×[2.880×(1.200+0.052)+0.5×56.685×(1.200+0.052)2] = 48.070kN·ml2 = L1 = 1800mm挑梁的抗倾覆力矩设计值M r计算:挑梁尾端上部墙体荷载的水平长度: l3 = L1 = 1800mm挑梁埋入端上方的恒荷载对计算倾覆点产生的抗倾覆力矩:M r1 = 0.5g k2(L1 - x0)2 = 0.5×0.000(1.800 - 0.052)2 = 0.000 kN·m挑梁自重荷载对计算倾覆点产生的抗倾覆力矩:M g0 = 0.5γL h1b(L1 - x0)2 = 0.5×25.000×0.350×0.370×(1.800 - 0.052)2 = 4.943kN·m墙体自重(挑梁垂直上方矩形部分)荷载对计算倾覆点产生的抗倾覆力矩:M g1 = 0.5γW(L w-h1)b w(L1 - x0)2 = 0.5×17.000×(3.000-0.350)×0.240×(1.800 - 0.052)2 = 16.509kN·m墙体自重(挑梁外梯形矩形)荷载对计算倾覆点产生的抗倾覆力矩:M g2 = γW l3(L w - l3)b w(0.5l3 + L1 - x0)= 17.000×1.800×(3.000 - 1.800)×0.240×(0.5×1.800 + 1.800 - 0.052) = 23.332kN·m墙体自重(挑梁外梯形三角形)荷载对计算倾覆点产生的抗倾覆力矩:M g3 = 0.5γW l32b w(1/3l3 + L1 - x0)= 0.5×17.000×1.8002×0.240×(0.333×1.800 + 1.800 - 0.052) = 15.516kN·mM r2 = M g0 + M g1 + M g2 + M g3= 4.943 + 16.509 + 23.332 + 15.516 = 60.300kN·mM r = 0.8G r(l2 - x0) = 0.8(M r1 + M r2) = 0.8×(0.000 + 60.300) = 48.240kN·m 3.抗倾覆验算M ov = 48.070kN·m < M r = 48.240kN·m,满足抗倾覆要求。
3米梁的抗弯承载力(中英文版)梁是建筑工程中常见的结构构件,其主要作用是承受垂直于梁轴线的荷载。
抗弯承载力是衡量梁结构性能的重要指标,它决定了梁在受力过程中能否保持稳定。
本文以3米梁为例,介绍梁的抗弯承载力计算方法及其影响因素,并提出提高3米梁抗弯承载力的措施。
一、梁的抗弯承载力概念介绍梁的抗弯承载力是指梁在受弯过程中,能承受的最大弯矩引起的弯曲变形。
弯曲变形超过一定限度,梁就会产生弯曲破坏。
抗弯承载力与梁的材料、截面形状、长度等因素有关。
二、3米梁抗弯承载力计算方法3米梁的抗弯承载力计算需依据以下公式:M = W ×q其中,M为弯矩,W为截面模量,q为荷载集度。
截面模量W与梁的截面形状、材料有关。
荷载集度q等于梁上垂直荷载之和。
三、影响3米梁抗弯承载力的因素1.材料强度:材料强度越高,梁的抗弯承载力越大。
2.截面形状:矩形、圆形等截面形状较大的截面模量,有利于提高抗弯承载力。
3.梁的长度:梁的长度越长,弯矩越大,抗弯承载力降低。
4.支撑条件:梁的支撑条件对抗弯承载力有重要影响。
两端固定支撑的梁,其抗弯承载力较高;而一端固定、一端自由的梁,抗弯承载力较低。
四、提高3米梁抗弯承载力的措施1.选用高强度材料:提高梁的材料强度,可增加抗弯承载力。
2.优化截面设计:选择合适的截面形状,提高截面模量,从而提高抗弯承载力。
3.限制梁的长度:适当缩短梁的长度,降低弯矩,提高抗弯承载力。
4.加强支撑条件:采用牢固的支撑结构,提高梁的抗弯承载力。
五、总结3米梁的抗弯承载力是衡量梁结构性能的关键指标。
通过对梁的材料、截面形状、长度等因素的分析,可以计算出梁的抗弯承载力。
为提高3米梁的抗弯承载力,应采取优化材料、设计合理截面、限制梁长和加强支撑等措施。
悬挑梁计算长度
悬挑梁的长度计算主要是根据其自重、外载荷和悬臂长度来确定。
一般情况下,悬挑梁的长度计算可以使用悬挑梁的静力平衡方程求解。
对于一个均匀悬挑梁,其自重可以通过梁的密度和梁的截面积来计算。
因此,悬挑梁的自重可以表示为自重力G = ρ * A * L,其中ρ 是梁的密度,A 是梁的截面积,L 是悬臂长度。
悬挑梁上的外载荷可以是集中力或均布载荷,根据具体情况可以使用相应的载荷分布进行计算。
根据悬挑梁的静力平衡方程,可以得到以下方程:
G + W = R,
M = R * L + W * L/2,
其中 G 是悬挑梁的自重力,W 是外载荷,R 是支座反力,M
是支座处的弯矩。
通过解以上方程组,可以得到悬挑梁的支座反力 R 和长度 L
的值。
需要注意的是,具体的悬挑梁计算涉及到悬挑梁的材料强度、截面形状和荷载条件等多种因素,为了得到准确的悬挑梁长度,最好咨询专业工程师进行计算。
说明:本计算书为挑梁计算书,悬挑部分上部有墙体!可能多数人实际计算时都没墙体,当然计算方法是一样的,只需去掉墙体荷载即可,希望此计算书能对大家有所帮助。
楼挑梁验算一层E-F/7-9轴未按原设计修建墙体,一~四层均设置了挑梁。
挑梁截面尺寸为b=240mm,h=400mm,上部钢筋3B14,下部钢筋2B12,箍筋Φ6@200,现对挑梁验算如下:一、荷载及内力计算挑梁荷载设计值计算如下:双面粉刷的240mm厚砖墙25.24kN/m 挑梁自重 2.88kN/m1.2(0.4=⨯⨯25)0.24以上总计荷载设计值.23kN/mq=+=⨯⨯2.192.615.242.88二、挑梁抗倾覆验算砌体中挑梁抗倾覆验算按《砌体结构设计规范(GB 50003-2001)》第7.41~7.43条有关公式进行验算。
计算简图见图1。
图 1挑梁埋入砌体的长度m h m l b 88.040.02.22.221=⨯=>=,则计算倾覆点至墙外边缘的距离0x 为:m h x b 12.040.03.03.00=⨯==则挑梁的荷载设计值对计算倾覆点产生的倾覆力矩V M 0为:()m kN x l ql M v ⋅=+⨯⨯=+=10.2512.05.15.05.123.19)5.0(00挑梁的抗倾覆荷载为图1虚线范围内的砌体重量、楼面恒荷载标准值以及圈梁重量之和。
砌体重量标准值为:()[]kN 54.418.078.218.1238.224.5=⨯++⨯⨯楼面恒载有:100mm 厚现浇板层重为22.5kN/m ,20mm 厚1:2水泥砂浆面层重为20.4kN/m 。
楼面恒荷载标准值总计为22.9kN/m ;则作用在挑梁埋入砌体的长度内的集中力(见图2)为:()kN 36.5245.10.255.09.2=÷⨯+⨯图2圈梁重量标准值为:kN 59.2256.324.012.0=⨯⨯⨯抗倾覆荷载标准值r G 为:kN G r 49.4959.236.554.41=++=楼面恒荷载作用点至墙外边缘的距离为 1.30m ,砌体重量作用点至外面边缘的距离为 1.62m,圈梁重量作用点至外边缘的距离为1.74m ,则r G 作用点至外墙边缘的距离2l 为:m l 59.159.236.554.4174.159.230.136.562.154.412=++⨯+⨯+⨯= 挑梁的抗倾覆力矩设计值r M 为:()()m kN M m kN x l G M v r r ⋅=>⋅=-⨯=-=10.2520.5812.059.149.498.08.0002 满足抗倾覆要求。
型钢悬挑脚手架(扣件式)计算书计算依据:1、《建筑施工脚手架安全技术统一标准》GB51210-20162、《建筑施工扣件式钢管脚手架安全技术规范》JGJ130-20113、《建筑施工门式钢管脚手架安全技术规范》JGJ128-20104、《建筑结构荷载规范》GB50009-20125、《钢结构设计标准》GB50017-20176、《混凝土结构设计规范》GB50010-2010架体验算一、脚手架参数二、荷载设计计算简图:立面图侧面图三、横向水平杆验算纵、横向水平杆布置承载能力极限状态q=1.2×(0.03+G kjb×l a/(n+1))+1.4×G k×l a/(n+1)=1.2×(0.03+0.3×1.45/(1+1))+1.4×3×1.45/(1 +1)=3.342kN/m正常使用极限状态q'=(0.03+G kjb×l a/(n+1))=(0.03+0.3×1.45/(1+1))=0.248kN/m计算简图如下:1、抗弯验算M max=max[ql b2/8,qa12/2]=max[3.342×0.82/8,3.342×0.12/2]=0.267kN·mσ=γ0M max/W=1.1×0.267×106/4120=71.385N/mm2≤[f]=205N/mm2满足要求!2、挠度验算νmax=max[5q'l b4/(384EI),q'a14/(8EI)]=max[5×0.248×8004/(384×206000×98900),0.248×1004/(8×206000×98900)]=0.065mmνmax=0.065mm≤[ν]=min[l b/150,10]=min[800/150,10]=5.333mm满足要求!3、支座反力计算承载能力极限状态R max=q(l b+a1)2/(2l b)=3.342×(0.8+0.1)2/(2×0.8)=1.692kN正常使用极限状态R max'=q'(l b+a1)2/(2l b)=0.248×(0.8+0.1)2/(2×0.8)=0.125kN四、纵向水平杆验算承载能力极限状态由上节可知F1=R max=1.692kNq=1.2×0.03=0.036kN/m正常使用极限状态由上节可知F1'=R max'=0.125kNq'=0.03kN/m1、抗弯验算计算简图如下:弯矩图(kN·m)σ=γ0M max/W=1.1×0.435×106/4120=116.147N/mm2≤[f]=205N/mm2 满足要求!2、挠度验算计算简图如下:变形图(mm)νmax=0.261mm≤[ν]=min[l a/150,10]=min[1450/150,10]=9.667mm 满足要求!3、支座反力计算承载能力极限状态R max=2.003kN五、扣件抗滑承载力验算扣件抗滑承载力验算:横向水平杆:R max=1.1×1.692kN≤R c=0.9×8=7.2kN纵向水平杆:R max=1.1×2.003kN≤R c=0.9×8=7.2kN满足要求!六、荷载计算立杆静荷载计算1、立杆承受的结构自重标准值N G1k单外立杆:N G1k=(gk+(l b+a1)×n/2×0.03/h)×H=(0.12+(0.8+0.1)×1/2×0.03/1.8)×24.3=3.0 99kN单内立杆:N G1k=3.099kN2、脚手板的自重标准值N G2k1单外立杆:N G2k1=(H/h+1)×la×(l b+a1)×G kjb×1/1/2=(24.3/1.8+1)×1.45×(0.8+0.1)×0.3×1/ 1/2=2.838kN1/1表示脚手板1步1设单内立杆:N G2k1=2.838kN3、栏杆与挡脚板自重标准值N G2k2单外立杆:N G2k2=(H/h+1)×la×G kdb×1/6=(24.3/1.8+1)×1.45×0.17×1/6=0.596kN 1/6表示挡脚板6步1设4、围护材料的自重标准值N G2k3单外立杆:N G2k3=G kmw×la×H=0.01×1.45×24.3=0.352kN5、构配件自重标准值N G2k总计单外立杆:N G2k=N G2k1+N G2k2+N G2k3=2.838+0.596+0.352=3.786kN单内立杆:N G2k=N G2k1=2.838kN立杆施工活荷载计算外立杆:N Q1k=la×(l b+a1)×(n jj×G kjj)/2=1.45×(0.8+0.1)×(1×3)/2=1.958kN内立杆:N Q1k=1.958kN组合风荷载作用下单立杆轴向力:单外立杆:N=1.2×(N G1k+ N G2k)+1.4×N Q1k=1.2×(3.099+3.786)+1.4×1.958=11.003kN单内立杆:N=1.2×(N G1k+ N G2k)+1.4×N Q1k=1.2×(3.099+2.838)+1.4×1.958=9.865kN七、立杆稳定性验算1、立杆长细比验算立杆计算长度l0=Kμh=1×1.55×1.8=2.79m长细比λ=l0/i=2.79×103/16=174.375≤210满足要求!轴心受压构件的稳定系数计算:立杆计算长度l0=Kμh=1.155×1.55×1.8=3.222m长细比λ=l0/i=3.222×103/16=201.403查《规范》表A得,υ=0.1792、立杆稳定性验算组合风荷载作用单立杆的轴心压力标准值N'=N G1k+N G2k=3.099+3.786=6.885kN单立杆的轴心压力设计值N=1.2(N G1k+N G2k)+1.4N Q1k=1.2×(3.099+3.786)+1.4×1.958=1 1.003kNM wd=υwγQ M wk=υwγQ(0.05ζ1w k l a H12)=0.6×1.4×(0.05×0.6×0.2×1.45×3.62)=0.095kN·m σ=γ0[N/(υA)+M wd/W]=1.1×[11002.849/(0.179×384)+94711.68/4120]=201.369N/mm2≤[f]=205N/mm2 满足要求!八、连墙件承载力验算N lw=1.4×ωk×2×h×3×l a=1.4×0.2×2×1.8×3×1.45=4.385kN长细比λ=l0/i=600/16=37.5,查《规范》表A.0.6得,υ=0.896(N lw+N0)/(υAc)=(4.385+3)×103/(0.896×384)=21.464N/mm2≤0.85×[f]=0.85×205N/mm2= 174.25N/mm2满足要求!扣件抗滑承载力验算:N lw+N0=4.385+3=7.385kN≤0.9×12=10.8kN满足要求!悬挑梁验算一、基本参数二、荷载布置参数附图如下:平面图立面图三、联梁验算荷载标准值:q'=g k=0.112=0.112kN/m第1排:F'1=F1'/n l=6.89/1=6.89kN第2排:F'2=F2'/n l=6.89/1=6.89kNF'=max[F'1,F'2]=6.89kN荷载设计值:q=1.2×g k=1.2×0.112=0.134kN/m第1排:F1=F1/n l=11/1=11kN第2排:F2=F2/n l=11/1=11kNF=max[F1,F2]=11kN计算简图如下:1、强度验算弯矩图(kN·m)σmax=γ0M max/W=1.1×5.667×106/77529=80.405N/mm2≤[f]=215N/mm2 符合要求!2、抗剪验算剪力图(kN)τmax=γ0Q max/(8I zδ)[bh02-(b-δ)h2]=1.1×7.383×1000×[74×1262-(74-5)×109.22]/(8×4885920×5)=14.629N/mm2τmax=14.629N/mm2≤[τ]=125N/mm2符合要求!3、挠度验算变形图(mm)νmax=1.984mm≤[ν]=l a/250=2900/250=11.6mm符合要求!4、支座反力计算正常使用受力状态下:第1排:R'1max=15.171kN第2排:R'2max=15.171kN极限受力状态下:第1排:R1max=24.078kN第2排:R2max=24.078kN四、主梁验算荷载标准值:q'=g k=0.205=0.205kN/m第1排:F'1=n l×R'1max/n z=1×15.171/1=15.171kN 第2排:F'2=n l×R'2max/n z=1×15.171/1=15.171kN 荷载设计值:q=1.2×g k=1.2×0.205=0.246kN/m第1排:F1=n l×R1max/n z=1×24.078/1=24.078kN 第2排:F2=n l×R2max/n z=1×24.078/1=24.078kN1、强度验算弯矩图(kN·m)σmax=γ0M max/W=1.1×18.11×106/141000=141.285N/mm2≤[f]=215N/mm2符合要求!2、抗剪验算剪力图(kN)τmax=γ0Q max/(8I zδ)[bh02-(b-δ)h2]=1.1×34.101×1000×[88×1602-(88-6)×140.22]/(8×113000 00×6)=44.331N/mm2τmax=44.331N/mm2≤[τ]=125N/mm2符合要求!3、挠度验算变形图(mm) νmax=2.454mm≤[ν]=2×l x/250=2×2550/250=20.4mm符合要求!4、支座反力计算设计值:R1=14.642kN,R2=34.151kN五、上拉杆件验算上拉杆件角度计算:α1=arctanL1/L2=arctan(2800/2350)=49.994°上拉杆件支座力:设计值:R S1=n z R2=1×34.151=34.151kN主梁轴向力设计值:N SZ1=R S1/tanα1=34.151/tan49.994°=28.663kN上拉杆件轴向力:设计值:N S1=γ0R S1/sinα1=1.1×34.151/sin49.994°=49.044kN 上拉杆件的最大轴向拉力N S=max[N S1...N Si]/2=24.522kN轴心受拉稳定性计算:σ=N S/A=24.522×103/314.2=78.046N/mm2≤0.5×f=102.5N/mm2符合要求!螺栓验算:σ=N S/(π×d e2/4)=24.522×103/(π×202/4)=78.056N/mm2≤[f t]=400N/mm2钢筋作为上拉杆件,端部采用螺栓与主梁连接时,为了保持对称,主梁两边各1根钢筋。
悬挑梁计算长度
摘要:
1.悬挑梁的概念和分类
2.悬挑梁计算长度的方法
3.悬挑梁计算长度的注意事项
4.悬挑梁计算长度的实际应用
正文:
悬挑梁是指一端固定,另一端自由悬挂的梁。
它主要分为两种类型:简支梁和固定梁。
简支梁是指梁的两端都为简支条件的梁,而固定梁是指梁的一端固定,另一端自由悬挂的梁。
在计算悬挑梁的长度时,需要考虑以下几个因素:
1.负载:悬挑梁所承受的负载对其计算长度有直接影响。
负载越大,所需的悬挑梁长度就越长。
2.梁的材料:不同的材料具有不同的强度和刚度,因此在计算悬挑梁长度时需要考虑梁的材料。
3.梁的几何形状:梁的几何形状会影响其刚度和强度,因此在计算悬挑梁长度时需要考虑梁的几何形状。
4.梁的边界条件:梁的边界条件会影响其计算长度。
例如,简支梁和固定梁的计算长度就有所不同。
在实际应用中,悬挑梁计算长度的方法有多种,如简支梁法、固定梁法和连续梁法等。
每种方法都有其适用范围和局限性,需要根据实际情况选择合适
的方法。
在计算悬挑梁长度时,还需要注意以下几点:
1.确保梁的稳定性:悬挑梁在承受负载时,容易出现失稳现象,因此在计算悬挑梁长度时需要确保梁的稳定性。
2.考虑梁的强度和刚度:悬挑梁在承受负载时,需要具备足够的强度和刚度,因此在计算悬挑梁长度时需要考虑梁的强度和刚度。
3.考虑梁的耐久性:悬挑梁在长期使用过程中,需要具备足够的耐久性,因此在计算悬挑梁长度时需要考虑梁的耐久性。
总之,悬挑梁计算长度是一个复杂的过程,需要综合考虑多种因素。
建筑施工扣件式钢管脚手架设计计算讲义名词解释1、脚手架:为建筑施工而搭设的上料、堆料与施工作业用的临时结构架。
2、双排脚手架(双排架):由内外两排立杆和水平杆等构成的脚手架3、结构脚手架:用于砌筑和结构工程施工作业的脚手架。
4、全封闭脚手架:沿脚手架外侧全长和全高封闭的脚手架。
5、半封闭脚手架:遮挡面积占30%~70%的脚手架。
6、局部封闭脚手架:遮挡面积小于30%的脚手架。
7、敞开式脚手架:仅有作业层栏杆和挡脚板,无其它遮挡设施的脚手架。
8、立杆:脚手架中垂直于水平面的竖向杆件。
9、纵向水平杆:沿脚手架纵向设置的水平杆。
10、横向水平杆:沿脚手架横向设置的水平杆。
11、连墙件:连接脚手架与建筑物的构件。
12、剪刀撑:在脚手架外侧面成对设置的交叉斜杆。
13、脚手架高度:自立杆底座下皮至架顶栏杆上皮之间的垂直距离。
立杆顶端宜高出女儿墙上皮1m(平屋面),高出檐口上皮1.5m(斜屋面)。
14、脚手架长度:脚手架纵向两端立杆外皮间的水平距离。
15、脚手架宽度:双排脚手架横向两侧立杆外皮之间的水平距离;单排脚手架为外立杆外皮至墙面的距离。
16、立杆步距(步):上下水平杆轴线间的距离。
17、立杆纵距(跨):脚手架立杆的纵向间距。
18、立杆横距:脚手架立杆的横向间距,单排脚手架为外立杆轴线至墙面的距离。
19、主节点:立杆、纵向水平杆、横向水平杆三杆紧靠的扣接点。
20、作业层:上人作业的脚手架铺板层。
脚手架力的传递路径:根据公司要求,脚手架一般要求搭设双排脚手架。
首先脚手架作业层上的荷载传递给脚手板底的横向水平杆,主节点处的横向水平杆通过扣件传递给立杆,其它部位的横向水平杆上的力传递给纵向水平杆,纵向水平杆上的力通过扣件传递给立杆,立杆所承受的力传递给基础或挑梁。
一、构配件质量要求1、钢管:采用外径48mm ,壁厚3.5mm 的焊管,符合现行国家标准《直缝电焊钢管》(GB/T 13793)或《低压流体输送用焊接钢管》(GB/T 3092)中规定的3号普通钢管。
悬挑式扣件钢管脚手架计算书(3m长挑梁)钢管脚手架的计算参照《建筑施工扣件式钢管脚手架安全技术规范》(JGJ130-2001)。
计算的脚手架为双排脚手架,搭设高度为20.0米,立杆采用单立管。
搭设尺寸为:立杆的纵距1.60米,立杆的横距1.00米,立杆的步距1.80米。
采用的钢管类型为48×3.0,连墙件采用2步3跨,竖向间距3.60米,水平间距4.80米。
施工均布荷载为3.0kN/m2,同时施工2层,脚手板共铺设4层。
悬挑水平钢梁采用[18a号槽钢U口水平,其中建筑物外悬挑段长度1.40米,建筑物内锚固段长度1.60米。
悬挑水平钢梁采用悬臂式结构,没有钢丝绳或支杆与建筑物拉结。
一、大横杆的计算:大横杆按照三跨连续梁进行强度和挠度计算,大横杆在小横杆的上面。
按照大横杆上面的脚手板和活荷载作为均布荷载计算大横杆的最大弯矩和变形。
1.均布荷载值计算大横杆的自重标准值 P1=0.038kN/m脚手板的荷载标准值 P2=0.150×1.000/3=0.050kN/m活荷载标准值 Q=3.000×1.000/3=1.000kN/m静荷载的计算值 q1=1.2×0.038+1.2×0.050=0.106kN/m活荷载的计算值 q2=1.4×1.000=1.400kN/m大横杆计算荷载组合简图(跨中最大弯矩和跨中最大挠度)大横杆计算荷载组合简图(支座最大弯矩)2.抗弯强度计算最大弯矩考虑为三跨连续梁均布荷载作用下的弯矩跨中最大弯矩计算公式如下:跨中最大弯矩为M1=(0.08×0.106+0.10×1.400)×1.6002=0.380kN.m支座最大弯矩计算公式如下:支座最大弯矩为M2=-(0.10×0.106+0.117×1.400)×1.6002=-0.446kN.m我们选择支座弯矩和跨中弯矩的最大值进行强度验算:=0.446×106/4491.0=99.418N/mm2大横杆的计算强度小于205.0N/mm2,满足要求!3.挠度计算最大挠度考虑为三跨连续梁均布荷载作用下的挠度计算公式如下:静荷载标准值q1=0.038+0.050=0.088kN/m活荷载标准值q2=1.000kN/m三跨连续梁均布荷载作用下的最大挠度V=(0.677×0.088+0.990×1.000)×1600.04/(100×2.06×105×107780.0)=3.099mm 大横杆的最大挠度小于1600.0/150与10mm,满足要求!二、小横杆的计算:小横杆按照简支梁进行强度和挠度计算,大横杆在小横杆的上面。
用大横杆支座的最大反力计算值,在最不利荷载布置下计算小横杆的最大弯矩和变形。
1.荷载值计算大横杆的自重标准值 P1=0.038×1.600=0.061kN脚手板的荷载标准值 P2=0.150×1.000×1.600/3=0.080kN活荷载标准值 Q=3.000×1.000×1.600/3=1.600kN荷载的计算值 P=1.2×0.061+1.2×0.080+1.4×1.600=2.410kN小横杆计算简图2.抗弯强度计算最大弯矩考虑为小横杆自重均布荷载与荷载的计算值最不利分配的弯矩和均布荷载最大弯矩计算公式如下:集中荷载最大弯矩计算公式如下:M=(1.2×0.038)×1.0002/8+2.410×1.000/3=0.809kN.m=0.809×106/4491.0=180.139N/mm2小横杆的计算强度小于205.0N/mm2,满足要求!3.挠度计算最大挠度考虑为小横杆自重均布荷载与荷载的计算值最不利分配的挠度和均布荷载最大挠度计算公式如下:集中荷载最大挠度计算公式如下:小横杆自重均布荷载引起的最大挠度V1=5.0×0.038×1000.004/(384×2.060×105×107780.000)=0.02mm集中荷载标准值P=0.061+0.080+1.600=1.741kN集中荷载标准值最不利分配引起的最大挠度V2=1741.440×1000.0×(3×1000.02-4×1000.02/9)/(72×2.06×105×107780.0)=2.784mm最大挠度和V=V1+V2=2.806mm小横杆的最大挠度小于1000.0/150与10mm,满足要求!三、扣件抗滑力的计算:纵向或横向水平杆与立杆连接时,扣件的抗滑承载力按照下式计算(规范5.2.5):R ≤R c其中 R c——扣件抗滑承载力设计值,取8.0kN;R ——纵向或横向水平杆传给立杆的竖向作用力设计值;1.荷载值计算横杆的自重标准值 P1=0.038×1.000=0.038kN脚手板的荷载标准值 P2=0.150×1.000×1.600/2=0.120kN活荷载标准值 Q=3.000×1.000×1.600/2=2.400kN荷载的计算值 R=1.2×0.038+1.2×0.120+1.4×2.400=3.550kN单扣件抗滑承载力的设计计算满足要求!当直角扣件的拧紧力矩达40--65N.m时,试验表明:单扣件在12kN的荷载下会滑动,其抗滑承载力可取8.0kN;双扣件在20kN的荷载下会滑动,其抗滑承载力可取12.0kN;四、脚手架荷载标准值:作用于脚手架的荷载包括静荷载、活荷载和风荷载。
静荷载标准值包括以下内容:(1)每米立杆承受的结构自重标准值(kN/m);本例为0.1248N G1 = 0.125×20.000=2.496kN(2)脚手板的自重标准值(kN/m2);本例采用竹笆片脚手板,标准值为0.15N G2 = 0.150×4×1.600×(1.000+0.300)/2=0.624kN(3)栏杆与挡脚手板自重标准值(kN/m);本例采用栏杆、竹笆片脚手板挡板,标准值为0.15 N G3 = 0.150×1.600×4/2=0.480kN(4)吊挂的安全设施荷载,包括安全网(kN/m2);0.005N G4 = 0.005×1.600×20.000=0.160kN经计算得到,静荷载标准值 N G = N G1+N G2+N G3+N G4 = 3.760kN。
活荷载为施工荷载标准值产生的轴向力总和,内、外立杆按一纵距内施工荷载总和的1/2取值。
经计算得到,活荷载标准值 N Q = 3.000×2×1.600×1.000/2=4.800kN风荷载标准值应按照以下公式计算其中 W0——基本风压(kN/m2),按照《建筑结构荷载规范》(GB50009-2001)的规定采用:W0 = 0.450U z——风荷载高度变化系数,按照《建筑结构荷载规范》(GB50009-2001)的规定采用:U z = 1.270U s——风荷载体型系数:U s = 1.200经计算得到,风荷载标准值W k = 0.7×0.450×1.270×1.200 = 0.480kN/m2。
考虑风荷载时,立杆的轴向压力设计值计算公式N = 1.2N G + 0.85×1.4N Q风荷载设计值产生的立杆段弯矩 M W计算公式M W = 0.85×1.4W k l a h2/10其中 W k——风荷载基本风压标准值(kN/m2);l a——立杆的纵距 (m);h ——立杆的步距 (m)。
五、立杆的稳定性计算:1.不考虑风荷载时,立杆的稳定性计算其中 N ——立杆的轴心压力设计值,N=11.23kN;——轴心受压立杆的稳定系数,由长细比 l0/i 的结果查表得到0.19;i ——计算立杆的截面回转半径,i=1.60cm;l0——计算长度 (m),由公式 l0 = kuh 确定,l0=3.12m;k ——计算长度附加系数,取1.155;u ——计算长度系数,由脚手架的高度确定,u=1.50;A ——立杆净截面面积,A=4.24cm2;W ——立杆净截面模量(抵抗矩),W=4.49cm3;——钢管立杆受压强度计算值 (N/mm2);经计算得到 = 139.78[f] ——钢管立杆抗压强度设计值,[f] = 205.00N/mm2;不考虑风荷载时,立杆的稳定性计算 < [f],满足要求!2.考虑风荷载时,立杆的稳定性计算其中 N ——立杆的轴心压力设计值,N=10.22kN;——轴心受压立杆的稳定系数,由长细比 l0/i 的结果查表得到0.19;i ——计算立杆的截面回转半径,i=1.60cm;l0——计算长度 (m),由公式 l0 = kuh 确定,l0=3.12m;k ——计算长度附加系数,取1.155;u ——计算长度系数,由脚手架的高度确定;u = 1.50A ——立杆净截面面积,A=4.24cm2;W ——立杆净截面模量(抵抗矩),W=4.49cm3;M W——计算立杆段由风荷载设计值产生的弯矩,M W = 0.296kN.m;——钢管立杆受压强度计算值 (N/mm2);经计算得到 = 193.18[f] ——钢管立杆抗压强度设计值,[f] = 205.00N/mm2;考虑风荷载时,立杆的稳定性计算 < [f],满足要求!六、连墙件的计算:连墙件的轴向力计算值应按照下式计算:N l = N lw + N o其中 N lw——风荷载产生的连墙件轴向力设计值(kN),应按照下式计算:N lw = 1.4 × w k× A ww k——风荷载基本风压标准值,w k = 0.480kN/m2;A w——每个连墙件的覆盖面积内脚手架外侧的迎风面积,A w = 3.60×4.80 =17.280m2;N o——连墙件约束脚手架平面外变形所产生的轴向力(kN);N o = 5.000经计算得到 N lw = 11.614kN,连墙件轴向力计算值 N l = 16.614kN连墙件轴向力设计值 N f = A[f]其中——轴心受压立杆的稳定系数,由长细比 l/i=30.00/1.60的结果查表得到=0.95;A = 4.24cm2;[f] = 205.00N/mm2。