永磁直流力矩电机参数
- 格式:doc
- 大小:24.50 KB
- 文档页数:2
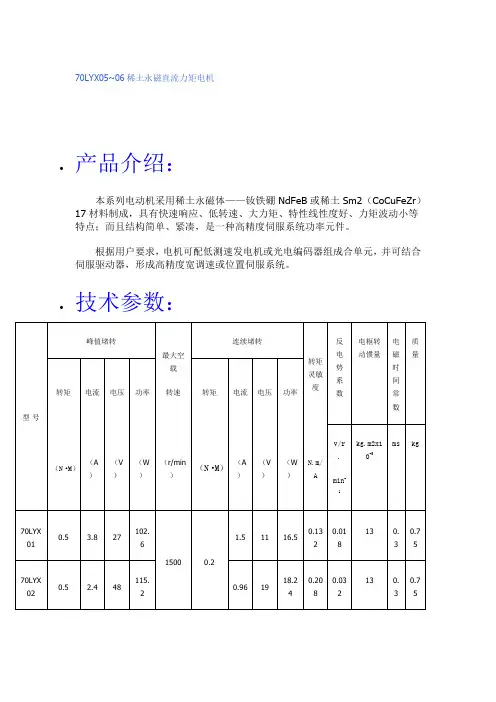
70LYX05~06稀土永磁直流力矩电机
∙产品介绍:
本系列电动机采用稀土永磁体——钕铁硼NdFeB或稀土Sm2(CoCuFeZr)17材料制成,具有快速响应、低转速、大力矩、特性线性度好、力矩波动小等特点;而且结构简单、紧凑,是一种高精度伺服系统功率元件。
根据用户要求,电机可配低测速发电机或光电编码器组成合单元,并可结合伺服驱动器,形成高精度宽调速或位置伺服系统。
外形及安装尺寸:
1.组装式
(a)端部止口及螺孔安装,安装形式如(图1)
(图1)(b)方形凸缘安装,安装形式如(图2)
(图2)2.分装式
安装尺寸应符合(图3)
(图3)。
永磁直流力矩电动机机械时间常数研究永磁直流力矩电动机是一种应用广泛的电机,具有结构简单、效率高、响应快等优点,因此在工业生产和家庭生活中被广泛应用。
机械时间常数是永磁直流力矩电动机的一个重要参数,对于电机的控制和运行有着重要的影响。
本文将从机械时间常数的定义、影响因素、计算方法及其在电机控制中的应用等方面进行深入研究。
一、机械时间常数的定义机械时间常数是指永磁直流力矩电动机在机械负载作用下,当电机停止施加电磁力矩时,电机转速从额定转速降至63.2%所需的时间。
机械时间常数的大小与电机的转动惯量、电机的电感、电阻等参数有关。
二、影响因素1. 转动惯量:转动惯量越大,机械时间常数越大。
2. 电感:电感越大,机械时间常数越大。
3. 电阻:电阻越小,机械时间常数越小。
三、计算方法机械时间常数的计算方法有两种:一种是理论计算法,另一种是实验测定法。
1. 理论计算法机械时间常数的理论计算公式为:Tm = J / (2 * π * (L / R))其中,Tm为机械时间常数,J为转动惯量,L为电感,R为电阻。
2. 实验测定法实验测定机械时间常数的方法是:首先将电机连接到负载上,然后通过电流表和电压表测量电机的电流和电压,记录电机的转速和时间。
在电机停止施加电磁力矩后,记录电机转速从额定转速降至63.2%所需的时间,即为机械时间常数。
四、机械时间常数在电机控制中的应用机械时间常数是永磁直流力矩电动机的一个重要参数,它在电机控制中有着重要的应用。
1. 控制器设计机械时间常数是控制器设计中的一个重要参数,它决定了控制器的响应速度。
如果机械时间常数很小,那么控制器的响应速度就很快,反之则很慢。
因此,在控制器设计中需要根据具体的应用场合选择合适的机械时间常数,以达到最佳的控制效果。
2. 转矩控制通过对机械时间常数的控制,可以实现对电机转矩的控制。
当机械时间常数较小时,电机转矩的响应速度较快,可以实现快速的转矩调节;当机械时间常数较大时,电机转矩的响应速度较慢,可以实现较为平稳的转矩调节。
直流电机参数_范文直流电机是一种常用的旋转电机,其原理是利用直流电流经过电枢和电枢磁场产生转矩,实现电能转化为机械能。
直流电机常用于家庭电器、工业设备、交通工具、船舶等领域。
直流电机的主要参数包括电压(V)、电流(I)、功率(P)、转速(N),以及负载扭矩(T)等。
1.电压(V):直流电机的工作电压通常是提前确定的,例如12V或24V等。
电压是直流电机正常运转所必需的电能供应。
2.电流(I):直流电机的工作电流也是提前确定的,通常电机的额定电流就是在额定负载下所消耗的电流。
电流与电机的功率直接相关,功率越大,所消耗的电流也越大。
3.功率(P):直流电机的功率与电机的额定电流和额定电压有关,可以通过功率公式P=V*I计算得出,功率表征直流电机产生机械能的能力。
功率越大,电机的输出扭矩也越大。
4. 转速(N):直流电机的转速是指电机旋转一周所用的时间,通常以每分钟转数(rpm)来表示。
转速与电压和负载有关,一般情况下,电机的额定转速是在额定电压下仅承受额定负载时的转速。
5.负载扭矩(T):直流电机的负载扭矩是指电机产生的转矩大小,也可以理解为电机旋转产生的力矩。
负载扭矩是通过电机的电枢磁场和电流计算得出的,通常使用牛顿米(Nm)来表示。
在实际应用中,直流电机的参数还包括效率、启动力矩、起动电流、保护等级等。
1.效率(η):直流电机的效率表示电机在将输入电能转化为机械能时的能量损耗情况。
效率越高,电机的能量利用率越高。
2.启动力矩(Ts):直流电机启动力矩是指电机在正常运行前所需的扭矩大小。
启动力矩与电机的转速直接相关,需要根据负载的要求选择适当的电机启动力矩。
3.起动电流(Is):直流电机起动电流是指电机在启动时所需的电流大小。
起动电流通常会比额定电流大,启动电流过大可能会影响电路的稳定性。
4. 保护等级(IP等级):直流电机在设计和制造时会考虑保护等级,用来保护电机免受外部灰尘、水分等侵害。
保护等级通常以IP(Ingress Protection)标准来表示,IP等级由两个数字组成,第一个数字表示防尘等级,第二个数字表示防水等级。
Z4系列直流电机性能参数
1.额定功率:
2.额定电压:
3.额定电流:
4.额定转速:
5.极数:
极数是指直流电机的磁极数量。
Z4系列直流电机的极数通常为4极、6极、8极或更多。
较高的极数有助于提高电机的低速性能和稳定性。
6.额定效率:
7.转矩常数:
转矩常数是指电机输出转矩与输入电流之间的关系。
Z4系列直流电
机的转矩常数通常从0.15Nm/A到2.5Nm/A不等。
较高的转矩常数意味着
电机在额定电流下可以提供更大的输出转矩。
8.转速常数:
转速常数是指电机转速与输入电压之间的关系。
Z4系列直流电机的
转速常数通常从300 to 3000转/分钟·V不等。
较高的转速常数意味着
电机可以在较低电压下获得较高的转速。
9.稳态转差率:
稳态转差率是指电机额定转速和无负载转速之间的差异。
Z4系列直流电机的稳态转差率通常为0.5%到1%,较低的转差率意味着电机在额定负载下具有更好的稳定性。
10.起动转矩:
起动转矩是指电机在启动过程中产生的最大输出转矩。
Z4系列直流电机的起动转矩通常为额定转矩的2到3倍,可以确保电机在起动时具有足够的力矩。
总之,Z4系列直流电机具有广泛的额定功率范围、额定电压、额定转速、转矩常数等性能参数,在工业领域中广泛应用,具有高性能和高可靠性的特点。
48v400w直流电机参数48V 400W直流电机参数一、简介直流电机是一种将直流电能转换为机械能的设备,其特点是转速范围广、转矩大、控制简单。
48V 400W直流电机是一种具备较高功率的电机,本文将围绕其参数进行介绍和分析。
二、电机参数1. 电压:48V电压是指电机工作所需的电压大小,48V的电压在低压范围内,适用于家用电器、电动工具等领域。
2. 功率:400W功率是指电机输出的机械功率,也可以理解为电机的工作能力。
400W的功率相对较高,可以满足一些对动力要求较高的设备和系统的使用。
3. 转速:根据不同负载而变化转速是指电机旋转的次数,单位时间内旋转的圈数。
由于48V 400W直流电机具备较高的功率,其转速会因负载的不同而有所变化,可以根据实际需求进行调节。
4. 转矩:根据不同负载而变化转矩是指电机输出的力矩,也可以理解为电机对外部负载的扭矩。
和转速一样,由于负载的不同,48V 400W直流电机的转矩也会有所变化。
5. 效率:高效能效率是指电机输出功率与输入功率之比,也可以理解为电机的能源利用率。
48V 400W直流电机通常具备较高的效率,能够更好地将电能转化为机械能,从而提高能源利用效率。
6. 控制方式:直流电机控制器48V 400W直流电机一般需要配备相应的直流电机控制器,通过控制器对电机进行调速、调转矩等操作。
直流电机控制器可以根据需要实现正反转、速度调节等功能。
7. 电机类型:永磁直流电机永磁直流电机是指电机中采用永磁体作为励磁源的直流电机。
48V 400W直流电机常采用永磁直流电机,其具备较高的转速和转矩,同时具备较好的响应性能和控制性能。
8. 使用范围:家用电器、电动车辆等领域48V 400W直流电机广泛应用于家用电器、电动车辆等领域。
在家用电器中,可以用于洗衣机、吸尘器等设备的驱动;在电动车辆中,可以用于电动自行车、电动摩托车等的动力系统。
三、优势与应用1. 功率适中,适用范围广:48V 400W直流电机既具备一定的功率,又不至于过高,适用范围广泛,可以满足多种设备的使用需求。
九号永磁电机的参数包括功率、转速、磁极对数等。
首先,从功率方面来看,九号永磁电机通常具有较大的额定功率,能够提供强劲的驱动力,适用于高速运行和重载工况。
在电动汽车和混合动力汽车中,永磁电机通常被用作动力驱动装置,可以提供稳定的扭矩和持续的长距离行驶。
其次,在转速方面,九号永磁电机可以在较高的转速下运行,具有较小的摩擦和较高的效率。
在电动车辆中,转速对于提高动力性能和加速性能非常重要。
永磁电机的高速旋转能力使其在汽车中成为理想的选择之一。
此外,磁极对数对于九号永磁电机也很重要。
在电机设计和运行中,磁极对数会影响电机的扭矩和功率输出。
一般来说,增加磁极对数可以提供更高的扭矩,但会降低效率。
相反,减少磁极对数可以提高效率,但可能会降低扭矩输出。
因此,根据应用需求和车辆性能要求,可以选择适当的磁极对数来优化九号永磁电机的性能。
最后,关于九号永磁电机的尺寸、重量和材料选择等方面,也需要考虑其整体性能和效率。
为了满足车辆的轻量化要求和提高可靠性,九号公司可能会采用轻质材料和先进的制造工艺来制造永磁电机。
总之,九号永磁电机在电动汽车和混合动力汽车中发挥着重要作用,具有较大的额定功率、较高的转速、适当的磁极对数以及优化设计的尺寸、重量和材料选择等特点。
这些特点使得九号永磁电机在汽车中成为理想的动力源之一,能够提供强劲的动力、高效的运行和良好的性能表现。
需要注意的是,具体的九号永磁电机参数可能会因型号、规格和用途的不同而有所差异。
因此,如果您需要更详细的信息,建议您参考九号官方网站或咨询相关技术人员。
中华人民共和国电子行业军用标准J250LYX01型和J250LYX02型永磁式直流力矩电动机详细规范Torque motor,d.c, permanent magnet,Type J250LYX01and J250LYX02,detail specification for1 范围1.1 t题内容本规范规定了军用J250LYXOI型和J250LYX02型永磁式直流力矩电动机的详细要求。
1.2适用范围本规范适用于军用J250LYX01型和J250LYX02型永磁式直流力矩电动机(以下简称电机)。
2引用文件GB/T 1804—92一般公差线性尺寸的未注公差GJB 971A—99永磁式直流力矩电动机通用规范3要求3.1 外形及安装尺寸电机为分装式结构,外形及安装尺寸应符合图l的规定。
3.2 电路图电机的电路幽见图2。
3.3性能参数、环境条件和检验程序电机的性能参数、环境条件和检验程序见表1 0高、低温试验用的试验支架见图3。
●■●■“02型束注尺寸公差按GBfr 1804--m图1套简材料:锚合金支座材料:铝合金图3序号检验项目要求试验方法的章条号鉴定检验样品质量一致性检验A组C组J250LYX01型J250LYX02型1 外观 4.7.1 1,2 √-2 外形及安装尺寸按GJB 971中的规定 4.7.2 1,2 √-3 出线方式和标志见图1 4.7.8 1,2 √-4 绝缘电强波按GJB971中3.12.2 4.7.9 1,2 √-5 绝缘电阻按GJB971中3.13 4.7.10 1,2 √-6 旋转方向按GJB971中.3.14 4.7.11 1,2 √-7 电枢电阻8.2 ±1.03 5.5±0.68 4.7.12 1,2 √-8 电枢电感22±6.6mH 20±6mH 4.7.13 1,2 √-9 最大空载转速≤80r/min ≤116r/min 4.7.14 1,2 √-10 峰值堵转转矩≥49N.m ≥49N.m 4.7.151,2√-12 峰值堵转电压8A 11A13 峰值堵转电流6060±7.5V14 连续堵转转矩≥24N.m ≥29.5N.m 4.7.19 1,2 - -15 连续堵转电流3.9A 6.6A16 连续堵转电压31±4V 36±4.5V17 堵转转矩灵敏度≥6.00N.m/A ≥4.46N.m/A 4.7.23 1,2 - -18 转矩波动系数≤5%≤1.8% 4.7.25 1,2 -19 重量≤19kg ≤12kg 4.7.27 1,2 -20 引出线强度按GJB971中3.12.34.7.28 1,2 - -21 转矩-电流曲线按GJB971中3.27 4.7.31 2 - √22 转子转动惯量≤0.061kg.m2 ≤0.088kg.m2 4.7.28 2 - √23 低温按GJB971中3.31.2 -55℃ 4.7.8.3 2 - √24 高温按GJB971中3.32 85℃ 2 - √25 高频震按GJB971 mm或加速度100m/S2 4.7.32.1 2 - √动26 规定脉冲冲击按GJB中3.36.1中峰值加速度500m/S2 持续时间11S2 - √27 耐湿按GJB971中3.38 10d 4.7.34 2 - √28 寿命按GJB971中3.39 500h 4.7.35 1 - √4质量保证规定4.1样机质量提供样机2台作鉴定检验用。
bldc 电机参数【原创版】目录1.BLDC 电机的概述2.BLDC 电机的主要参数3.BLDC 电机参数的实际应用4.总结正文一、BLDC 电机的概述BLDC 电机,全称为 Brushless Direct Current 电机,即无刷直流电机。
它是一种使用直流电源的无刷电机,主要由永磁体转子、磁性定子和电子驱动器三部分组成。
与传统的有刷直流电机相比,BLDC 电机具有更高的效率、更低的噪音和更长的寿命。
这使得 BLDC 电机在各种工业和消费类产品中得到了广泛应用。
二、BLDC 电机的主要参数1.额定电压:BLDC 电机的额定电压是指电机在正常工作时所需的电压。
一般来说,电机的额定电压会标明在电机的外壳或产品手册上。
2.额定功率:BLDC 电机的额定功率是指电机在正常工作时所需的功率。
电机的额定功率决定了电机的驱动能力,一般来说,额定功率越高,电机的驱动能力越强。
3.额定转速:BLDC 电机的额定转速是指电机在正常工作时所需的转速。
电机的额定转速决定了电机的运行速度,一般来说,额定转速越高,电机的运行速度越快。
4.扭矩:BLDC 电机的扭矩是指电机在正常工作时所能产生的力矩。
电机的扭矩决定了电机的负载能力,一般来说,扭矩越高,电机的负载能力越强。
三、BLDC 电机参数的实际应用在实际应用中,BLDC 电机的参数选择至关重要。
例如,如果需要驱动一个高负载的设备,就需要选择扭矩较大的电机;如果需要电机运行速度快,就需要选择额定转速较高的电机。
此外,电机的电压和功率也需要根据实际应用场景进行选择。
四、总结总的来说,BLDC 电机是一种高效、低噪音和长寿命的电机,其主要参数包括额定电压、额定功率、额定转速和扭矩。
永磁无刷直流电机齿槽力矩分析崔思鹏 王建辉 刘凯(上海交通大学 电子信息与电气工程学院,上海 200240)摘要:随着电力电子技术、永磁材料和微机控制技术的发展,永磁无刷直流电机得到了 迅速发展,越来越多的应用于工业控制领域例如:电动汽车、数控机床、机器人制造等。
然而,齿槽力矩的存在引起的震荡和噪声等问题使得永磁无刷电机很难应用于低速直驱控制系统中[1]。
本文的目的是通过有限元法研究电机设计过程中,影响齿槽力矩的主要设计参数,从而得到优化永磁无刷电机齿槽力矩的方案。
关键词:齿槽力矩;永磁无刷直流电机;有限元。
Analysis for Cogging Torque in Permanent-Magnet MachinesCUI Si-peng,WANG Jian-hui,LIU Kai(School of Electronic, Information and Electrical Engineering, Shanghai Jiao tongUniversity,Shanghai200240,China )Abstract: With the development of power electronics,permanent magnet materials and control method,PM brushless motor have received more and more attention.PM brushless motor have been widely used in high performance applications such as Electric vehicle, numerical control machine tools and robots.However,the noise and vibration caused by cogging torque seriously affects the motor performance,especially in low speed and direct drive applications.The purpose of this paper is to analytically investigate the influence of major machine design parameters on the cogging torque and to obtain their optimal values for minimum cogging torque.Finally,FEA is employed to verify the obtained optimal design parameters.Keywords:Cogging torque,PM motor,FEA1 齿槽力矩的数学表达式齿槽力矩是由定子齿和永磁体转子之间相互作用力产生的。
俯仰轴电机--J200LYX10永磁直流力矩电机技术指标
主要技术参数
峰值堵转扭矩:≥98Nm;
峰值堵转电压:60V;
峰值堵转电流:16.5A;
连续堵转扭矩:≥38Nm;
连续堵转电压:24V;
连续堵转电流:6.6A;
最大空载转速:130r/min;
转矩波动系数:≤3%;
电气时间常数:5ms;
电枢转动惯量:0.06kgm2
外径:224mm;
内径:96mm;
轴向长:122mm;
重量:约14kg。
俯仰轴电机—J320LYX14G永磁直流力矩电机技术指标
主要技术参数
峰值堵转扭矩:≥615Nm;
峰值堵转电压:60V;
峰值堵转电流:67A;
连续堵转扭矩:≥160Nm;
连续堵转电压:15.7V;
连续堵转电流:17.5A;
最大空载转速:55r/min;
转矩波动系数:≤4%;
电气时间常数:5.4ms;
电枢转动惯量:0.62kgm2
外径:320mm;
内径:200mm;
轴向长:187mm;
重量:约59kg。
Z4系列直流电机规格参数1.电压:Z4系列直流电机的额定电压通常为220V或380V,但也可以根据实际需求进行定制。
2.功率:Z4系列直流电机的额定功率范围广泛,通常从0.2kW到500kW不等。
根据不同的工作条件和负载要求,可以选择适当的功率等级。
3.转速:Z4系列直流电机的额定转速也有很大的范围,通常在1000转/分钟到3000转/分钟之间。
同时,根据实际应用需求,可以选择不同的转速等级。
4.额定转矩:Z4系列直流电机的额定转矩是指在额定工作条件下,电机所能输出的最大转矩。
额定转矩通常在10%到200%之间,根据电机的功率和转速等级而异。
5.效率:Z4系列直流电机的效率是指电机转化电能为机械能的能力,通常在80%到90%之间。
高效率的电机可以减少能源消耗和热量损失。
6.绝缘等级:Z4系列直流电机的绝缘等级是指电机绝缘系统的抗电击穿能力。
常见的绝缘等级有F级和H级,其中H级的绝缘等级较高,抗电击穿能力更强。
7.冷却方式:Z4系列直流电机的冷却方式常见的有自然通风和强制通风两种方式。
自然通风适用于功率较低的电机,而强制通风适用于功率较高的电机。
8.安装形式:Z4系列直流电机通常采用垂直安装形式,即电机立式安装。
这种安装形式适用于工作空间较小的场合,并且便于维护和维修。
除了以上规格参数外,Z4系列直流电机还有一些其他的特点和优势。
例如,它具有启动力矩大、转速范围宽、负载调速特性好等优点。
同时,Z4系列直流电机还具有结构紧凑、体积小、重量轻等特点。
这些特点使得Z4系列直流电机在众多工业应用领域中都具有广泛的应用前景。
总结起来,Z4系列直流电机是一种性能优良的电机产品,具有多种规格和参数可选。
根据实际需求,可以选择合适的电压、功率、转速、转矩、效率、绝缘等级、冷却方式和安装形式等参数。
通过合理的选择和使用,可以使Z4系列直流电机在各种工业应用场合中发挥出最佳的性能和效果。
直流力矩电机参数
《直流力矩电机参数,你了解多少?》
嘿,同学们!你们听说过直流力矩电机吗?我猜很多人可能跟我一开始一样,一脸懵,啥是直流力矩电机啊?
其实啊,这直流力矩电机就像是一个超级大力士,专门在各种机器里发挥着巨大的作用。
咱先来说说它的个头。
这直流力矩电机有大有小,有的小巧玲珑,就跟我的文具盒差不多大;有的可就庞大啦,像个大柜子!你能想象得到吗?
再看看它的力量,那可不得了!就像我们拔河比赛里最强壮的同学,力气大得吓人。
它能输出巨大的扭矩,啥是扭矩?哎呀,简单说就是让东西转动的力量。
比如说,要推动一个超级重的大轮子转起来,直流力矩电机就能派上大用场,轻轻松松就给搞定啦!
还有它的速度,这速度啊,可不是一成不变的。
有时候它转得飞快,就像一阵旋风;有时候又慢悠悠的,好像在散步。
这速度到底咋控制的呢?这就得说说它的电压啦!
电压高的时候,它就像打了鸡血一样,跑得飞快;电压低了呢,它就变得懒洋洋的。
这是不是很神奇?
还有哦,它的工作效率也很重要呢!就好比我们考试,分数高就说明学得好,效率高。
直流力矩电机要是效率高,就能节省好多电,还能工作更长时间,多棒啊!
我去问过老师,老师说:“这直流力矩电机啊,就像我们班的班长,能力强,能带领大家一起前进。
”
我又跑去问爸爸,爸爸笑着说:“它就像家里的顶梁柱,支撑着整个家。
”
那你们觉得直流力矩电机像什么呢?
反正我觉得啊,直流力矩电机虽然听起来很复杂,但是了解了之后就会发现它真的超级有趣!以后我还要学习更多关于它的知识,说不定我还能自己动手做一个小电机呢!你们说好不好?。
俯仰轴电机--J200LYX10永磁直流力矩电机技术指标
主要技术参数
峰值堵转扭矩:≥98Nm;
峰值堵转电压:60V;
峰值堵转电流:16.5A;
连续堵转扭矩:≥38Nm;
连续堵转电压:24V;
连续堵转电流:6.6A;
最大空载转速:130r/min;
转矩波动系数:≤3%;
电气时间常数:5ms;
电枢转动惯量:0.06kgm2
外径:224mm;
内径:96mm;
轴向长:122mm;
重量:约14kg。
俯仰轴电机—J320LYX14G永磁直流力矩电机技术指标
主要技术参数
峰值堵转扭矩:≥615Nm;
峰值堵转电压:60V;
峰值堵转电流:67A;
连续堵转扭矩:≥160Nm;
连续堵转电压:15.7V;
连续堵转电流:17.5A;
最大空载转速:55r/min;
转矩波动系数:≤4%;
电气时间常数:5.4ms;
电枢转动惯量:0.62kgm2
外径:320mm;
内径:200mm;
轴向长:187mm;
重量:约59kg。