电磁炉 电控原理图
- 格式:doc
- 大小:141.50 KB
- 文档页数:15
步步高C20型电磁炉(1)电路原理图(2)实测数据(见表7-15~表7-17)表7-15 LM339比较器引脚功能和电压 引脚 功 能 待机电压(V) 引脚 功 能 待机电压(V) 1功率比较输出 3.7 8线盘+300V侧取样 1.92 2驱动脉冲输出 0 9线盘IGBT管侧取样 0 3+18V电源 18.1 10基准电压 3.01 4外接振荡器件 5 11驱动脉冲输入 0 5PWM功率控制输入 3.43 12地 0 6 IGBT管C极电压取样 2.47 13驱动脉冲输出 0 7 PWM功率控制输入 0.18 14同步控制输出 0.12表7-16 SN74H164N译码器引脚功能和电压 引脚 功 能 待机电压(V) 引脚 功 能 待机电压(V) 1显示信号数据输入 4.17 8显示信号时钟输入 4.64 2显示信号数据输入 4.17 9归零信号输入 5 3“日”字a笔画/指示灯控制输出 4.08 10“日”字e笔画/指示灯控制输出 4.17 4“日”字b笔画/指示灯控制输出 4.11 11“日”字f笔画/指示灯控制输出 4.13 5“日”字C笔画/指示灯控制输出 4.13 12“日”字g笔画/指示灯控制输出 4.21 6“日”字d笔画/指示灯控制输出 2.47 13“日”字h笔画/指示灯控制输出 4.21 7地 0 14+5V电源 9表7_17 IC2 CPU引脚功能和电压 引脚 功 能 待机电压(V) 引脚 功 能 待机电压(V) 1 PWM功率控制输出 0.61 8风扇/蜂鸣器控制输出 0 2主回路电流检测 3.15 9键控2 4.16 3加热开/关控制输出 0 10显示时钟信号输出 4.63 4+5V电源 5 11接地 0 5炉面温度检测 0 12显示屏位驱动 4.13 6指示灯组l控制输出 4.11 13显示屏位驱动 4.12 7键控1 4.76 14指示灯组2控制 4.12。
电路方框图主回路原理分析振荡电路IGBT激励电路PWM脉宽调控电路同步电路加热开关控制VAC检测电路电流检测电路VCE检测电路浪涌电压监测电路过零检测锅底温度监测电路 IGBT温度监测电路散热系统主电源辅助电源报警电路三、故障维修故障代码表主板检测标准故障案例故障现象1一、简介电磁加热原理电磁灶是一种利用电磁感应原理将电能转换为热能的厨房电器。
在电磁灶内部,由整流电路将50/60Hz的交流电压变成直流电压,再经过控制电路将直流电压转换成频率为20-40KHz的高频电压,高速变化的电流流过线圈会产生高速变化的磁场,当磁场内的磁力线通过金属器皿(导磁又导电材料)底部金属体内产生无数的小涡流,使器皿本身自行高速发热,然后再加热器皿内的东西。
458系列简介458系列是由建安电子技术开发制造厂设计开发的新一代电磁炉,界面有LED发光二极管显示模式、LED数码显示模式、LCD液晶显示模式、VFD莹光显示模式机种。
操作功能有加热火力调节、自动恒温设定、定时关机、预约开/关机、预置操作模式、自动泡茶、自动煮饭、自动煲粥、自动煲汤及煎、炸、烤、火锅等料理功能机种。
额定加热功率有700~3000W的不同机种,功率调节范围为额定功率的85%,并且在全电压范围内功率自动恒定。
200~240V 机种电压使用范围为160~260V, 100~120V机种电压使用范围为90~135V。
全系列机种均适用于50、60Hz的电压频率。
使用环境温度为-23℃~45℃。
电控功能有锅具超温保护、锅具干烧保护、锅具传感器开/短路保护、2小时不按键(忘记关机) 保护、IGBT温度限制、IGBT 温度过高保护、低温环境工作模式、IGBT测温传感器开/短路保护、高低电压保护、浪涌电压保护、VCE抑制、VCE过高保护、过零检测、小物检测、锅具材质检测。
458系列虽然机种较多,且功能复杂,但不同的机种其主控电路原理一样,区别只是零件参数的差异及CPU程序不同而己。
电磁炉工作原理分析与讲解(多图教程)电磁炉基本原理介绍1.电磁炉加热和工作原理简介;2.电磁炉主要元件介绍;3.电磁炉电路各模块原理讲解;1.电磁炉加热和工作原理简介1.1电磁炉加热和工作原理简介;1.2 电磁炉原理方框图;1.3 LC振荡电路;1.1电磁炉加热和工作原理简介1.2 电磁炉原理方框图1.3 LC振荡电路示意图2.电磁炉主要元件介绍2.1 QF808单片机简介;2.2 RS2007M整流桥介绍;2.3 LM339集成电路介绍;2.4 IGBT简介;2.5 74HC164移位寄存器介绍;2.1 QF808单片机简介QF808为前锋和台湾中颖共同研发的一款单片机,存储器大小为64K bits ROM,里面集成5个比较器,6通道8位ADC转换,2个8位定时计数器,8位高速PWM脉冲输出,内部频率复合放大器,在线振荡时钟电路,在线看门狗定时器,采用低电压复位;2.2 RS2007M整流桥介绍;电压输入范围为50到1000V,承受电流最大为20A;特点为输出电流大,抗大电流冲击能力强,能承受较高的峰值反向电压;2.3 LM339集成电路介绍LM339内置四个翻转电压为6mV的电压比较器,当电压比较器输入端电压正向时(+输入端电压高于-入输端电压), 置于LM339内部控制输出端的三极管截止, 此时输出端相当于开路; 当电压比较器输入端电压反向时(-输入端电压高于+输入端电压), 置于LM339内部控制输出端的三极管导通, 将比较器外部接入输出端的电压拉低,此时输出端为0V。
2.4 IBGT简介绝缘栅双极晶体管(Iusulated Gate Bipolar Transistor)简称IGBT,是一种集BJT的大电流密度和MOSFET等电压激励场控型器件优点于一体的高压高速大功率器件;IGBT有三个电极,分别称为栅极G(也叫控制极或门极) 、集电极C(亦称漏极)及发射极E(也称源极),将场效应管作为推动管,大功率达林顿管作为输出级就构成了IGBT开关管;2.5 74HC164移位寄存器介绍74HC164为8位移位寄存器,现有电磁炉的面板显示项目较多,对单片机端口要求叫多,而现有单片机端口有限,为了达到显示电路的控制,现需要采用移位寄存器来扩展控制口;74HC164是8为串行输入并行输出单向移位寄存器;A,B为串行码输入端,MR为清零输入端,CLJ为时钟脉冲的输入端,IC随着时钟脉冲上升沿的到来,A,B相与后状态依次由Q0移向Q7;如下图:3.电磁炉电路各模块原理讲解3.1 EMC防护电路和整流电路3.2 高频谐振电路3.3 驱动电路3.4 同步电路及反压保护电路3.5 温度检测电路3.6 高低电压监测电路3.7 电压浪涌保护电路3.8 电流浪涌保护电路3.9 电流检测电路3.10 风扇电路蜂鸣器电路3.11 电源电路3.12 按键电路3.13 显示电路3.1 EMC防护电路和整流电路FUSE1为保险管,其规格为15A/250V,此款电磁的最高功率为2100W,AC220V其工作的最大电流为9.6A,正常状态下,不会超过保险管的正常值。
美的电磁炉工作原理和结构(图)第一节电磁炉工作原理电磁炉主要是利用电磁感应原理将电能转换为热能的厨房电器,当电磁炉在正常工作时,由整流电路将50Hz的交流电压变成直流电压,再经过控制电路将直流电压转换成频率为20-40KHz的高频电压,电磁炉线圈盘上就会产生交变磁场在锅具底部反复切割变化,使锅具底部产生环状电流(涡流),并利用小电阻大电流的短路热效应产生热量直接使锅底迅速发热,然后再加热器具内的东西。
这种振荡生热的加热方式,能减少热量传递的中间环节,大大提高制热效率。
电磁炉的电控工作原理方框图如下:第二节电磁炉的型号和货号表示方法一、电磁炉的型号表示方法M——Midea C——电磁炉1.就陶瓷板而言:P——表示陶瓷板的面为平面A——表示陶瓷板的面为凹面2.就显示方式而言:V——表示VFD显示。
即荧光彩色显示(高档系列)C——表示LCD显示。
即蓝屏液晶显示(中档系列)S——表示数码显示。
即数码管显示(中档系列)空缺——表示无显示功能。
(低档系列)3.就陶瓷面板形状而言:Y——表示面板为圆形(Y:yuan 圆)F——表示面板为方形(F:fang 方)4.功率说明:由两位数组成,数据×100即得电磁炉的最大功率。
如:08——表示最大功率为800W;16——表示最大功率为1600W5.设备区分码:A、B、C、D 用于区分同一系列中不同电磁炉注:新产品PSF系列产品为尽早上市,暂时使用老品PSD的认证,因此该系列产品保留PSD的编码。
编码示例:MC——PVF20A M——MIDEA;C——电磁炉;P——平面陶瓷板;V——VFD显示方式;F——方形陶瓷面板;20——最大功率为2000W;A——A型号;二、电磁炉的货号表示方法第三节电磁炉的主要部件介绍及功能美的电磁炉主要由以下部件构成:1、电源线2、风扇3、线圈盘 4、变压器 5、热敏电阻 6、陶瓷板 7、底坐 8、上盖、9、电控板下面分别讲述各零部件的功能及特点:1、电源线:功能:是将外部市电引进电磁炉,由于电磁炉的耗电量比较大,所以要求电源线的过电流能力比较强,如果线芯的直径太小,电源线将会发热,长期使用外皮会变硬,甚至烧毁。
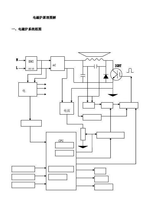
电磁炉原理图解一、电磁炉系统框图图(1)如图(1)所示高频电磁炉原理方框图。
它是由EMI滤波电路、电源回路、主回路、单片机控制电路和保护电路等单元电路组成。
它的工作原理是,首先将220V交流电转换为直流电压,再通过励磁线圈加到IGBT上,IGBT受驱动信号的控制而导通截止,再励磁线圈中有频率为20KHZ—50KHZ的电流流过,励磁线圈的周围将产生高频磁场,若此时有铁锅至于炉台上在锅底内会有涡流产生,此时涡流克服锅体内阻流动时,将电能转换成热能,作为烹饪的热源如图(2)。
图(2)二、部分电路简要说明1、EMI滤波电路当AC电压加入时,可能会有干扰串入,影响电磁炉工作,加上电磁炉在工作时,本身会产生杂讯及干扰信号会有电源回路而影响到外界的电器装置,故有EMI滤波电路来防止此干扰。
2、主回路如(图1)所示,IGBT是受矩形脉冲驱动的,当IGBT导通时,流过励磁线圈的电流迅速增加,当IGBT截止时,(L/C)回路发生谐振,IGBT的集电极产生脉冲高压,当此高压降至接近0是(励磁线圈中的电流正在反向减小)驱动脉冲再次加到IGBT的基极,使IGBT再次到通。
驱动矩形脉冲信号的宽度决定了电磁炉负荷电流的大小。
3、同步电路同步电路严密监视主回路的工作状况,当IGBT电压下降接近0V时,输出一个触发脉冲强行使IGBT导通,是振荡电路开始下一个周期的震荡。
这样可以避免励磁线圈中的电流瞬间变化太大,保护了关键部件IGBT。
4、振荡电路振荡电路输出矩形脉冲。
正常工作时该矩形脉冲的上升沿时刻受同步电路的强制控制,以确保与主回路LC谐振电路同步,而矩形脉冲的宽度受电流负反馈电路的控制。
5、电流负反馈电路符合电流的反馈信号和单片机输出的PWM信号相比较形成电流负反馈的输出,这样可限制负荷电流不至于过高。
改变PWM的占空比就可以控制负荷电流的大小。
6、过压保护电路该电路严密监视市电上尖峰干扰和IGBT集电极的电压,一旦电压过高立刻关断驱动信号保护关键部件IGBT。
电磁炉原理图解一、电磁炉系统框图图(1)如图(1)所示高频电磁炉原理方框图。
它是由EMI滤波电路、电源回路、主回路、单片机控制电路和保护电路等单元电路组成。
它的工作原理是,首先将220V交流电转换为直流电压,再通过励磁线圈加到IGBT上,IGBT受驱动信号的控制而导通截止,再励磁线圈中有频率为20KHZ—50KHZ的电流流过,励磁线圈的周围将产生高频磁场,若此时有铁锅至于炉台上在锅底内会有涡流产生,此时涡流克服锅体内阻流动时,将电能转换成热能,作为烹饪的热源如图(2)。
图(2)二、部分电路简要说明1、EMI滤波电路当AC电压加入时,可能会有干扰串入,影响电磁炉工作,加上电磁炉在工作时,本身会产生杂讯及干扰信号会有电源回路而影响到外界的电器装置,故有EMI 滤波电路来防止此干扰。
2、主回路如(图1)所示,IGBT是受矩形脉冲驱动的,当IGBT导通时,流过励磁线圈的电流迅速增加,当IGBT截止时,(L/C)回路发生谐振,IGBT的集电极产生脉冲高压,当此高压降至接近0是(励磁线圈中的电流正在反向减小)驱动脉冲再次加到IGBT的基极,使IGBT再次到通。
驱动矩形脉冲信号的宽度决定了电磁炉负荷电流的大小。
3、同步电路同步电路严密监视主回路的工作状况,当IGBT电压下降接近0V时,输出一个触发脉冲强行使IGBT导通,是振荡电路开始下一个周期的震荡。
这样可以避免励磁线圈中的电流瞬间变化太大,保护了关键部件IGBT。
4、振荡电路振荡电路输出矩形脉冲。
正常工作时该矩形脉冲的上升沿时刻受同步电路的强制控制,以确保与主回路LC谐振电路同步,而矩形脉冲的宽度受电流负反馈电路的控制。
5、电流负反馈电路符合电流的反馈信号和单片机输出的PWM信号相比较形成电流负反馈的输出,这样可限制负荷电流不至于过高。
改变PWM的占空比就可以控制负荷电流的大小。
6、过压保护电路该电路严密监视市电上尖峰干扰和IGBT集电极的电压,一旦电压过高立刻关断驱动信号保护关键部件IGBT。
目录一、简介1.1 电磁加热原理1.2 458系列简介二、原理分析2.1 特殊零件简介2.1.1 LM339集成电路2.1.2 IGBT2.2 电路方框图2.3 主回路原理分析2.4 振荡电路2.5 IGBT激励电路2.6 PWM脉宽调控电路2.7 同步电路2.8 加热开关控制2.9 VAC检测电路2.10 电流检测电路2.11 VCE检测电路2.12 浪涌电压监测电路2.13 过零检测2.14 锅底温度监测电路2.15 IGBT温度监测电路2.16 散热系统2.17 主电源2.18辅助电源2.19 报警电路三、故障维修3.1 故障代码表3.2 主板检测标准3.3 故障案例3.3.1 故障现象1一、简介1.1 电磁加热原理电磁灶是一种利用电磁感应原理将电能转换为热能的厨房电器。
在电磁灶内部,由整流电路将50/60Hz的交流电压变成直流电压,再经过控制电路将直流电压转换成频率为20-40KHz的高频电压,高速变化的电流流过线圈会产生高速变化的磁场,当磁场内的磁力线通过金属器皿(导磁又导电材料)底部金属体内产生无数的小涡流,使器皿本身自行高速发热,然后再加热器皿内的东西。
1.2 458系列简介458系列是由建安电子技术开发制造厂设计开发的新一代电磁炉,界面有LED发光二极管显示模式、LED数码显示模式、LCD液晶显示模式、VFD莹光显示模式机种。
操作功能有加热火力调节、自动恒温设定、定时关机、预约开/关机、预置操作模式、自动泡茶、自动煮饭、自动煲粥、自动煲汤及煎、炸、烤、火锅等料理功能机种。
额定加热功率有700~3000W的不同机种,功率调节范围为额定功率的85%,并且在全电压范围内功率自动恒定。
200~240V机种电压使用范围为160~260V, 100~120V机种电压使用范围为90~135V。
全系列机种均适用于50、60Hz的电压频率。
使用环境温度为-23℃~45℃。
电控功能有锅具超温保护、锅具干烧保护、锅具传感器开/短路保护、2小时不按键(忘记关机) 保护、IGBT温度限制、IGBT温度过高保护、低温环境工作模式、IGBT测温传感器开/短路保护、高低电压保护、浪涌电压保护、VCE抑制、VCE过高保护、过零检测、小物检测、锅具材质检测。
第四章电磁炉的原理图各功能部分的分析电磁炉主板原理方框图主板分成10大部分:1、主回路的主谐振电路分析2、IGBT驱动电路分析:(推挽式电路,高电平驱动有效)3、电流取样电路4、干扰保护电路5、电压AD取样电路6、同步电路和压控/自激电路7、反压保护与PWM控制电路8、炉面传感器与IGBT热敏电阻取样电路9、风扇控制电路10、开关电源电路一、主回路的主谐振电路分析二、IGBT驱动电路分析:(推挽式电路,高电平驱动有效)作用:保护IGBT可靠导通与关断。
IGBT驱动电压至少需要16V,Q1(PNP管)、Q2(NPN管)组成推挽式驱动电路,它们的工作原理是:1、当输入信号为高电平时,Q2导通,Q1截止,18VDC电压流通,给IGBT的G极提供门极电压,IGBT导通。
线盘开始储能。
2、当输入信号为低电平时,Q2截止,Q1导通,IGBT的G极接地,IGBT关断。
此时线盘感应电压对谐电容放电,形成了LC振荡。
3、R6电阻在三极管截止时,把IGBT的G极残余电压快速拉低。
C11电容作为高频旁路,另外作为平缓驱动电路波形作用,ZD1稳压管,稳定IGBT的G极电压,预防输入电压过高时,损坏IGBT。
在检锅时,如图2.1所示,波形不是很理想,有点变形。
当检到锅工作后,如图2.2所示,控制推挽电路的波形与驱动IGBT波形很相似,功率越大,波形的高电平的宽度越大,B点的波形底部平,原因是LM339控制的一路内部三极管导通接地。
而A点的波形底部比地略高一点。
再回到零电压。
此电路容易出现的问题为上电烧机,为驱动电路输出高电平导致,温升高、瓷片电容有问题。
作用:判断有无锅具、恒定电流、稳定调节功率提供反馈输入电流电流互感器T1的次级测得的交流(AC)电压.经D9~D12组成的桥式整流电路整流,EC3电解电容滤波平滑、由电阻R15、RJ41、RJ16分压后,所获得的电流电压送到CPU,该电压越高表示电源输入的电流越大,待机时电流取样基本为零,如图3.1所示,电流越大,A点的电流电压波形幅值越高,B点的取样点就越高,表示功率越大。
美的电磁炉电路原理及维修上篇(多图)目录:一、开关电源电路二、LC振荡电路三、同步电压比较电路四、高压保护电路五、浪涌保护电路六、驱动放大电路七、电流检测电路八、电网电压检测电路九、锅具温度检测电路十、IGBT温度检测电路十一、脉宽调控电路十二、上电延时电路电源供电电路一、开关电源电路开关电源电路,U1是采用(VIPER12A)8脚电源芯片,通过单端反激式开关电源变换而降压。
其最大输出功率为(220V/12W),适应电网电压在160V/260V波动时均能正常稳定输出。
具有工作效率高、功耗小、稳压范围广、电源安全可靠、机身温度低、易维修等优点。
其工作原理是,由电网电压经整流后变为脉动直流电压+305V,通过串接开关二极管D90(1N4007)、限流电阻R90(22Ω/2W)后,送至开关高频变压器TR1初级的1-2绕组,加至电源芯片U91(VIPER12)的5-6-7-8脚(内部开关管漏极)。
另一路经TR1次级的5-6-7绕组经整流二极管D93(1N4007),串接开关二极管D94(1N4148)得到约+18V电压加至U91的4脚使电源芯片U91振荡起振输出脉宽信号驱动场效应管,在场效应管高速开关状态下,并通过互感作用使TR1次级的5-6-7绕组产生交流电压。
经整流二极管D93(1N4007)、D92(1N4007)、EC91(220μF/25V)、EC92(47μF/25V)滤波后得到+18V、+5V电压为整机低压供电电路。
1、开关电源电路的测量维修时,将电磁炉上电待机。
用万用表直流电压500V、50V、10V档。
1、测开关电源高压供电电路EC90对地+305V电压,为正常;2、测C92对地+18V电压,为正常;3、测C91对地+5V电压,为正常。
1、开关电源电路的维修1)若测电解电容器EC90对地0电压时(正常为+305V),多为电源芯片U1(VIPER12)已击穿受损。
U1受损后,还会造成限流电阻R90(22Ω/2W)开路损坏。
电磁炉原理图解一、电磁炉系统框图图(1)如图(1)所示高频电磁炉原理方框图。
它是由EMI滤波电路、电源回路、主回路、单片机控制电路和保护电路等单元电路组成。
它的工作原理是,首先将220V交流电转换为直流电压,再通过励磁线圈加到IGBT上,IGBT受驱动信号的控制而导通截止,再励磁线圈中有频率为20KHZ—50KHZ的电流流过,励磁线圈的周围将产生高频磁场,若此时有铁锅至于炉台上在锅底内会有涡流产生,此时涡流克服锅体内阻流动时,将电能转换成热能,作为烹饪的热源如图(2)。
图(2)二、部分电路简要说明1、EMI滤波电路当AC电压加入时,可能会有干扰串入,影响电磁炉工作,加上电磁炉在工作时,本身会产生杂讯及干扰信号会有电源回路而影响到外界的电器装置,故有EMI滤波电路来防止此干扰。
2、主回路如(图1)所示,IGBT是受矩形脉冲驱动的,当IGBT导通时,流过励磁线圈的电流迅速增加,当IGBT截止时,(L/C)回路发生谐振,IGBT的集电极产生脉冲高压,当此高压降至接近0是(励磁线圈中的电流正在反向减小)驱动脉冲再次加到IGBT的基极,使IGBT再次到通。
驱动矩形脉冲信号的宽度决定了电磁炉负荷电流的大小。
3、同步电路同步电路严密监视主回路的工作状况,当IGBT电压下降接近0V时,输出一个触发脉冲强行使IGBT导通,是振荡电路开始下一个周期的震荡。
这样可以避免励磁线圈中的电流瞬间变化太大,保护了关键部件IGBT。
4、振荡电路振荡电路输出矩形脉冲。
正常工作时该矩形脉冲的上升沿时刻受同步电路的强制控制,以确保与主回路LC谐振电路同步,而矩形脉冲的宽度受电流负反馈电路的控制。
5、电流负反馈电路符合电流的反馈信号和单片机输出的PWM信号相比较形成电流负反馈的输出,这样可限制负荷电流不至于过高。
改变PWM的占空比就可以控制负荷电流的大小。
6、过压保护电路该电路严密监视市电上尖峰干扰和IGBT集电极的电压,一旦电压过高立刻关断驱动信号保护关键部件IGBT。
第一节 电磁炉的工作原理电磁炉主要是利用电磁感应原理,电流经过线盘产生变化磁场,磁场感应到炉面上的铁质锅具底部产生涡流,从而产生大量的热能,直接令锅具底部迅速发热,进而加热锅内食物。
工作结构图电路原理图(见附图1)★ 交流电输入部分市电220V 经接插件L1、N1接入电路。
电路开始通电。
由于电磁炉工作电流较大,接插件N1、L1和保险管两端引脚焊接必须牢固,目的是避免接触不良。
电磁炉的保险丝是个保护装置,在更换的过程中要选用同型号的更换。
(过小电流不够过、易熔断。
过大保护失去作用)。
所以16A/250V的保险丝不能随意改动或代换(更不能直接短路)。
RZ1是压敏电阻,作用是为了防止市电输入电压过高而损坏电磁炉,其外型像瓷片电容(蓝色)。
压敏电阻标注一般为10D561K或10D471K,其最大允许使用电压为300V(AC),当电压超出其范围时,就会被炸裂。
在维修过程中,更换时,要选合适的型号对号入座。
压敏电阻是并联在电路中的,它对电压比较敏感(达到一定的异常高的电压),在正常工作电压的时候它相当于绝缘体,在电压异常大的时候电阻阻值瞬间变的很小,电流经过压敏电阻回流到前端,拉端保险丝,如果电压比较大时间比较长自身也瞬间击穿,保护了后端电路.L1、N1之间有电容C1,该电容既能防止电磁炉工作产生的高频干扰脉冲窜入市电网干扰其他电器,又防止市电网的干扰脉冲窜入电磁炉电路影响其工作。
该电容的容量通常为2uF—5 uF。
如图所示★大电流整流滤波输出部分市电经过桥式整流器BG1(桥堆)整流出来再经过L1、C4滤波后输出300V 直流电,为线盘高频振荡供电。
BG1是个大电流高耐压器件,其规格为20A800V。
当其烧坏后,不能随意用其它整流器代替。
一定要用同型号或比它更大电流高耐压的整流器(外观、管脚、接口相同)替换。
L1扼流圈、C4电容组成倒L型滤波电路。
作用是把整流出来的直流脉动成分滤去,使输出波形更加平滑。
当C4、8uF/400V(DC)电容击穿短路时,保险丝会烧断,整流器也会因电流过大而烧坏。
此电容容量变值时(变小),直流输出300V电压会明显下降,当C4没有容量时,也会导致烧IGBT,维修时要特别注意。
如图所示★线盘高频振荡电路CN3、CN4(接上线盘)与C5、IGBT1组成一个高频振荡电路(振荡频率一般为20KHz —40KHz之间)。
高频交变电流是由线盘的电感量,与高频谐振电容的容量决定的。
因此线盘的电感量和电容的容量要根据功率来确定(不能随意代换)。
当IGBT击穿后,要对其进行检测,C5容量变值都会导致IGBT 烧坏(特别是电容短路)。
IGBT是电磁炉的核心部件,采用西门子公司公司H20R1202(型号),其击穿烧坏后维修一定要用同样的型号更换(因为参数、温升有些不同。
可能会第二次出现故障)。
R6是下拉电阻,DW1为限幅稳压管(二极管)作用是把驱动输入限制在0V—18V之间。
维修时,当IGBT击穿烧坏,也要对其进行检测,正常后才可以更换IGBT。
R7为限流电阻。
如图所示★开关电源部分市电(交流220V)经D1、D2整流。
D6二次整流E1滤波后出来300V左右的高压进入U2的5、6、7、8脚。
当E2两端电压达到14.5V时(此电容是谐振电容),U2芯片开始工作,场效应管进入开关状态(场效应在芯片内部)。
电路的稳压由U2的3脚(反馈输入)内接的控制电路与外接的稳压管DW2完成。
C12是用于提高整流性能,以防高频干扰。
实测数据如下:1脚2脚3脚4脚19.5V 19.5V 20.5V 38.7V5脚6脚7脚8脚300V 300V 300V 300V维修过程中用万用表直流电压档测。
如有不符,查相应的元件。
U2的1、2脚输出19.5V的电压(此电压有高频脉动成分)。
经过高频变压器的初级绕组后(为+5V准备),L3、E5组成倒L型滤波电路(高频脉动成分滤去)输出相对平滑的直流电,为风机供电。
再由R13降压E4、C10电容滤波输出+18V比较平滑的直流电。
为IGBT驱动供电。
D8为钳位二极管,把电位钳制在0V以上。
D7为保护二极管。
R22为限流电阻。
如图所示由于变压器初级有高频脉动成分,次级耦合也有高频脉动成分。
经D11半波整流E3滤波出来8.5V的直流电压。
进入U3—三端稳压集成输入端。
三端稳压集成内部结构(略)。
在输出端得到一个+5V的电压。
经E6、C11滤波后为主芯片、保护电路、控制板供电。
★同步电路的作用电磁炉工作时,IGBT快速交替地工作在截止与导通状态之间。
设定不同的火力时,IGBT的截止与导通时间比例不同。
在IGBT导通时,线盘中感应电动势的极性为CN3“+”CN4 “-”。
由于电感线圈中的电流不能突变,流过IGBT的C、E极间电流逐渐增大。
当电流增大至某一值时IGBT立即截止,以避免大电流击穿IGBT。
当IGBT截止时,线盘中的感应电动势极性立即变为CN3“-”CN4 “+”,线盘经C5充电,接着C5对线盘放电。
线盘与C5电容产生阻尼谐振,电磁能迅速转化为热能。
加在IGBT的C、E极上的电压非常高,在这个期间,要确保IGBT可靠截止。
否则,高电压形成的大电流必将损坏IGBT。
按以上的情况,要使IGBT工作状态与线盘的状态保持协调,也就是说要IGBT导通与截止,跟线盘状态保持一致。
那么,就要设计一种电路来完成这种任务,这种电路就是同步控制电路。
IGBT导通时,线盘两端电压极性CN3“+”CN4 “-”正电位(正电压)。
R3、R19、R17、R14分压后得3.0V电压到IC1-19脚,负电压经R4、R5、R32、R37、R15、R16、R24分压后得2.85V电压到IC1-20脚(以上是线盘没有工作情况下电压)。
当IGBT烧坏或没有功率输出情况下,R3、R19、R17、R14 、R4、R5、R32、R37、R15、R16、R24都要进行检测,查看是否开路或变值。
R18再分个电压1.03V出来进入IC1-18脚。
用来检知线盘工作时的峰值。
C8为滤波电容。
如图所示★IGBT驱动波成型电路在电路工作时(接上线盘)IC1—3脚发出一个脉冲信号控制Q4(在这里当数字电路中的开关作用)。
Q4导通(短暂)输出低电平,来控制Q2。
Q2基极因是低电平而截止,,在集电极输出高电平,来控制Q1、Q3。
Q1基极高电平,所以导通,18V通过了三极管进入IGBT的G脚(控制脚)。
Q3因为是PNP 型三极管,导通与截止跟NPN型相反。
所以Q3基极虽然是高电平。
其输出还是高电平。
因IGBT的G极(控制极)有信号输入,开始导通(但很快就截止了。
因为是脉冲信号,输入很快变为低电平了)。
在线盘与C5之间产生了阻尼振荡。
经同步电路分压后,又有一个信号(称为检锅信号)经C30电容(因电容通高频阻低频特性)进入Q2的基极。
反复以上步骤。
D5、D9是钳位二极管。
R8、R9上拉电阻。
R41为下拉电阻。
如图所示★风扇驱动电路R20、Q5构成风扇驱动电路。
通电后按下开关键(在显示板上面),IC1—16脚就会输出高电平。
通过R20进入Q5的基极,Q5开始导通,风扇开始工作。
★IGBT、炉面温度检测电路R28、RT1、C24组成了IGBT温度检测电路。
当IGBT温度升高时,RT1(热敏电阻)阻值下降把+5V电位拉低,进入IC1—9脚检测。
当拉到一定程度时,IC1的3脚关闭脉冲输出(PWM),电磁炉停止工作,显示故障。
从而保护IGBT因为温度过高而烧坏。
R28为上拉电阻。
C24的滤波电容。
R27、C25组成炉面温度检知电路(热敏电阻NTC在另外的装置上。
工作时插到CN9插座里)。
当炉面温度升高时(热敏电阻)阻值下降把+5V电位拉高。
进入IC1的10脚检测。
拉高到一定程度时,IC1的3脚关闭脉冲输出(PWM),电磁炉停止工作,显示故障,达到保护线盘和微晶板的作用。
(因有些功能需要,不显示故障。
只是关闭PWM或降低功率来散热)。
R27是下拉电阻。
C25为滤波电容。
如图所示★电源电压检知电路市电(交流220V)经D1、D2整流后由R29、R26、R10、R12分压得到一个电压进入IC1的11脚进行检知。
当电压变化(大于270V或低于140V)时,IC1就会关闭PWM,显示故障。
起到保护元器件的作用。
如图所示★电浪涌检知电路(略)★电流检知电路(略)附:IC1集成电路(CPU)各脚电压第二节电磁炉常见故障与检修方法1)不通电A、插上插座电磁炉没反应。
先检查插座上有没有交流220V电压。
检查方法用万用表测量或拿其它电器插上,看是否正常。
正常后查电路主板L1、N1之间有无交流220V电压。
如果没有,就是电源线内部开路或者电源线端子与插片脱落。
内部开路要更换电源线,脱落要把端子重新插到插片上去。
B、查看保险丝FUSE1有没有熔断,(如果熔断检修方法见C)。
在不熔断情况下查D1、D2、D6、R22是否正常,R22为限流电阻(等于保险丝)。
只要下级电路短路电流过大,就一定会把R22电阻烧坏。
所以在更换后要查下级电路中的U2、E1、和D8有没有短路。
如上述元件正常,还是不通电,就往下查U2的1、2脚有无19.5V电压(用万用表直流电压档测)。
如没有19.5V电压,应该是E2电容变值或DW1、18V稳压失效了。
有了19.5V电压还是没有反应,测E3的两端要有8.4V左右的电压。
无则变压器、U3、D11坏。
(变压器在线查初级绕组阻值在4Ω左右,次级绕组在2.9Ω左右。
无阻值说明开路,阻值变小说明短路了)。
U3、78L05不可在线查(须焊下来用电阻档红表笔接中间脚,黑表笔接输出端。
正常在3K左右阻值。
黑表笔再接输入端。
阻值应该大于1MΩ)以上元件全部正常,只有主芯片短路(击穿)才会没有反应。
更换主芯片后故障解除。
C、保险丝FUSE1熔断,更换保险丝后不可以马上通电。
在线测整流桥和IGBT是否烧坏。
测量方法用数字万用表二极管档,红表笔接整流桥的“-”端(也就是地线),黑表笔接整流桥的“+”端。
整流桥的压降(读数)应该在950-1050之间,过小说明已击穿,过大说明已开路。
IGBT测量方法用数字型万用表二极管档,红表笔接IGBT的E极(地线)黑表笔接C极(IBGT的中间管脚),测量IGBT内部的阻尼二极管压降(读数)。
应该啊450-480之间,过小说明参数已变化。
万用表发出Bi、Bi声说明已经击穿了。
两种情况都要把它更换。
在更换过程中要检查滤波电容C4。
同步电路R3、R19、R4、R5、R32、R37电阻阻值和驱动电路Q1、Q2、Q3、Q4三极管。
上述元件正常后才可以通电试机。
2)电磁炉开机后不加热、又不显示故障代码出现此类原因有两个。
一、300V高压不够,一般情况下是C4滤波电容无容量或者开路。
检测方法把C4焊下来,给它放电。
用二极管档量它两端。