定向耦合器的理论分析
- 格式:docx
- 大小:154.49 KB
- 文档页数:4
射频定向耦合器原理和使用射频定向耦合器,听起来是不是很酷炫?其实呀,它的原理并没有那么难以理解,就像我们生活中的一些小物件一样,有着自己独特的工作方式呢。
首先呢,咱们来想象一下射频信号就像一群小蚂蚁在电线这个“小路”上快速奔跑。
射频定向耦合器的作用呢,就是能够巧妙地从这群忙碌奔跑的“小蚂蚁”(射频信号)里分出一部分来,而且还能知道这部分信号的一些信息。
从原理上来说,它主要是基于电磁耦合的。
简单来讲,就像是两个互相靠近但又不直接接触的小世界(传输线),一个世界里的动静(射频信号在传输线中的变化)能够通过一种神奇的“感应”影响到另一个世界。
这就是电磁耦合啦。
射频定向耦合器有主传输线和副传输线,当射频信号在主传输线跑的时候,副传输线就能通过这种电磁耦合的魔法,接收到一部分信号呢。
那这个耦合是怎么个定方向的呢?这就很有趣啦。
我们可以把主传输线想象成一条大河,射频信号就是河水里的鱼群。
耦合器就像是在河边巧妙设置的一些小沟渠。
鱼群(射频信号)大部分是沿着大河(主传输线)流动的,但是有一小部分会被小沟渠(副传输线)巧妙地分流出来。
而且这个小沟渠的设计很巧妙,它只能从特定的方向把鱼群分出来,这就体现了“定向”的特点。
再来说说它的一些参数吧。
比如说耦合度,这个就像是小沟渠(副传输线)从大河(主传输线)里分出来的鱼群(射频信号)的比例。
如果耦合度是20dB,那就意味着分出来的信号功率是主信号功率的1/100。
还有隔离度呢,这就好比是小沟渠和大河其他方向之间有一道看不见的墙,隔离度越高,这道墙就越结实,其他方向的信号就越难影响到小沟渠里的信号。
在使用射频定向耦合器的时候,就像是在做一个很有趣的小实验。
你要先确定好它的输入端口,这个输入端口就是那群“小蚂蚁”(射频信号)进来的地方。
然后把主传输线正确地连接好,就像给小蚂蚁们铺好正确的道路一样。
接着,再连接副传输线,这就像是在小蚂蚁的大路上旁边设置好我们的“小观察站”(副传输线),用来观察被分出来的小蚂蚁(射频信号)。
微波定向耦合器工作原理引言:微波定向耦合器是一种常见的无源微波器件,广泛应用于微波通信、卫星通信、雷达系统等领域。
它能够实现微波信号的能量分配和定向耦合,具有较高的传输效率和较低的插损。
本文将从微波定向耦合器的工作原理、结构以及应用等方面进行介绍。
一、工作原理微波定向耦合器通过特殊的设计和制造工艺,实现了微波信号的能量分配和定向耦合。
其工作原理主要基于两个重要的物理现象:电磁波的传输特性和微波传输线的耦合机制。
1. 电磁波的传输特性微波定向耦合器中的微波信号是以电磁波的形式传输的。
电磁波在传输过程中,具有幅度、相位和频率等特性。
幅度决定了电磁波的强弱,相位决定了电磁波的相对位置,频率决定了电磁波的振动次数。
2. 微波传输线的耦合机制微波传输线是微波定向耦合器中的重要组成部分。
它通常由金属导体制成,并具有特定的传输特性。
微波传输线中的电磁波会沿着导体表面传播,并在传输过程中与其他导体发生相互作用。
这种相互作用会引起电磁波的能量分布和传输方向的改变。
二、结构和工作方式微波定向耦合器通常由输入端口、输出端口和耦合结构组成。
其中,输入端口用于接收输入信号,输出端口用于输出耦合后的信号,耦合结构用于实现输入信号到输出信号的能量分配和定向耦合。
1. 能量分配微波定向耦合器的能量分配是指将输入信号的能量按照一定比例分配到不同的输出端口。
这种能量分配通常通过合理设计的耦合结构实现。
耦合结构中的导体、介质和空气等介质的特性会影响能量分配的效果。
2. 定向耦合微波定向耦合器的定向耦合是指将输入信号的能量按照一定的方向耦合到输出端口。
这种定向耦合可以通过合理设计的导体形状和布局实现。
导体的形状和布局会影响电磁波在耦合结构中的传输路径和传输方向。
三、应用微波定向耦合器在各种微波系统中具有广泛的应用。
以下是一些常见的应用场景:1. 微波通信系统微波定向耦合器可以用于微波通信系统中的信号分配和耦合。
它可以将输入信号的能量按照一定的比例分配到不同的输出端口,实现信号的多路复用和分配。
定向耦合器的原理与应用下载温馨提示:该文档是我店铺精心编制而成,希望大家下载以后,能够帮助大家解决实际的问题。
文档下载后可定制随意修改,请根据实际需要进行相应的调整和使用,谢谢!并且,本店铺为大家提供各种各样类型的实用资料,如教育随笔、日记赏析、句子摘抄、古诗大全、经典美文、话题作文、工作总结、词语解析、文案摘录、其他资料等等,如想了解不同资料格式和写法,敬请关注!Download tips: This document is carefully compiled by the editor. I hope that after you download them, they can help yousolve practical problems. The document can be customized and modified after downloading, please adjust and use it according to actual needs, thank you!In addition, our shop provides you with various types of practical materials, such as educational essays, diary appreciation, sentence excerpts, ancient poems, classic articles, topic composition, work summary, word parsing, copy excerpts,other materials and so on, want to know different data formats and writing methods, please pay attention!定向耦合器是一种广泛应用于微波和射频系统中的关键组件,它能够在系统中实现信号的传输和耦合,发挥着重要的作用。
3db定向耦合器原理引言3db定向耦合器是一种常见的微波器件,广泛应用于无线通信、雷达系统和微波电路中。
本文将介绍3db定向耦合器的原理及其在实际应用中的作用。
一、3db定向耦合器的基本原理3db定向耦合器是一种四端口器件,由两个耦合器和两个耦合器之间的传输线构成。
其基本原理是利用微波信号在传输线上的传播特性,实现耦合和分离的功能。
1.1 耦合和分离耦合器是一种能够将输入信号分为两个输出的器件,其中一个输出端口为主输出端口,另一个为耦合输出端口。
耦合输出端口输出的信号是从主输出端口输入信号中耦合出来的一部分。
耦合器的耦合度决定了主输出端口和耦合输出端口之间的功率分配比例。
1.2 传输线的特性传输线上的电磁波在传播过程中会发生反射和透射,这取决于传输线的特性阻抗和长度。
当传输线的特性阻抗等于负载的阻抗时,传输线上的信号将完全传输到负载上;当传输线的特性阻抗不等于负载的阻抗时,部分信号将被反射回来。
二、3db定向耦合器的工作原理3db定向耦合器是通过将两个耦合器和两个传输线相互耦合连接而成的。
其工作原理如下:2.1 信号的耦合和分离当输入信号通过传输线进入耦合器时,一部分信号将从主输出端口输出,另一部分信号将从耦合输出端口输出。
耦合输出端口输出的信号是通过传输线之间的耦合实现的。
在理想情况下,耦合输出端口输出的功率占输入功率的一半,即耦合度为3dB。
2.2 信号的相位差由于两个传输线之间存在一定的相位差,导致从主输出端口输出的信号和耦合输出端口输出的信号之间存在相位差。
这个相位差可以通过调整传输线的长度来实现。
2.3 信号的分离通过调整传输线的长度,可以使主输出端口和耦合输出端口之间的信号达到90度的相位差,从而实现信号的分离。
2.4 功率的分配3db定向耦合器在主输出端口和耦合输出端口之间实现了功率的分配,主输出端口输出的功率为输入功率的一半,耦合输出端口输出的功率也为输入功率的一半。
三、3db定向耦合器的应用3db定向耦合器广泛应用于微波电路和射频系统中,常见的应用包括:3.1 功率分配由于3db定向耦合器可以将输入功率分配到主输出端口和耦合输出端口,因此可以用于实现功率的分配和控制。
定向耦合器的工作原理及作用嘿,你问定向耦合器的工作原理及作用呀,那咱就来聊聊呗。
定向耦合器呢,就像是一个有点“小聪明”的小装置。
它的工作原理其实还挺有意思的。
你可以把它想象成一个在信号传输道路上的“分流器”。
当信号在传输线中跑的时候,定向耦合器就会从这条传输线上“偷偷”地分出一部分能量来。
它是怎么做到的呢?它里面有一些特殊的结构,比如耦合线或者孔洞之类的。
这些东西就像小“窗口”,让一部分信号能通过它们“溜”到另一个通道里去。
而且它还很“聪明”地只让信号按照特定的方向分流哦,所以才叫定向耦合器嘛。
比如说,信号从左边往右边传,它就能按照设定好的方式把一部分能量准确地引导到旁边的通道里,而如果信号从右边往左边传,它可能就不会让那么多能量“溜”过去啦,是不是有点神奇那它有啥作用呢?作用可不少呢!首先,它可以用来检测信号的强度。
就好比你想知道水流有多大,放个小水表在旁边测一测一样。
定向耦合器能把传输线上的信号分出来一点,然后通过一些测量手段,你就能知道信号有多强啦。
这在很多通信系统里都很重要哦,要是信号太弱了,可能通信质量就不好,就得想办法调整啦。
其次,它还能用来实现信号的分配和合成。
比如说,你有一个信号源,想把它分成几个不同的部分送到不同的地方去,定向耦合器就可以帮你做到。
它把信号按一定的比例分出来,然后送到各个需要的地方。
反过来,如果有几个信号要合成一个,它也能在一定程度上帮忙哦,就像把几条小水流汇聚成一条大水流一样。
还有哦,在一些测量和测试设备中,定向耦合器也大有用处。
比如在射频测试中,它可以帮助工程师们准确地测量各种参数,确保设备正常工作。
我给你讲个例子吧。
有一次在一个通信基站的维护中,工作人员发现信号传输有点问题,怀疑是某个部件出了故障。
他们就用定向耦合器来检测信号的强度和分布情况。
通过它,找到了信号在传输过程中衰减比较大的地方,最后发现是一根传输线老化了。
换了新的传输线后,信号就恢复正常啦。
所以你看,定向耦合器虽然看起来小小的,但是在很多地方都发挥着重要的作用呢,你明白了不。
定向耦合器的工作原理
定向耦合器是一种用于将电磁波从一个波导或传输线路中耦合到另一个波导或传输线路中的器件。
它的工作原理是利用耦合结构中的电磁场相互作用来实现能量传输。
一种常见的定向耦合器是方向耦合器,主要由两个波导或传输线路、相互交叉的耦合结构和一个调整器件组成。
当电磁波从一个波导传输到耦合结构时,会发生与相邻波导的能量耦合。
耦合结构的设计保证了能量在不同波导之间的传输效率。
在实际工作中,通过调整器件可以改变波导之间的耦合强度,从而控制能量的传输。
具体来说,通过调整器件的位置、形状或参数等方式,可以改变波导之间的相位差,从而影响耦合效应。
通过适当的调整,可以实现不同耦合强度的定向耦合。
定向耦合器在微波和光纤通信等领域具有广泛的应用。
它能够将电磁波从一个波导或传输线路中耦合到另一个波导或传输线路中,实现能量的传输和分配。
通过合理设计和调整,定向耦合器可以实现高效的能量传输,有助于实现复杂的通信和传输系统的正常工作。
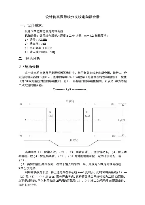
设计仿真微带线分支线定向耦合器一、设计要求:设计3dB微带分支定向耦合器已知条件:微带线介质基片厚度h二0・5俪,er = 4.20 指标要求:1)通带:50MHz2)耦合度:3dB3)中心频率:1.8GHz4)输入输出阻抗:50Q二、理论分析:2.1结构分析在一些电桥电路及平衡混频器等元件中,常用到分支线定向耦合器,微带二分支定向耦合器如下图所示,图中的字母G、H和数字1是各线段特性导纳的归一化值(对50欧姆阻抗对应的导纳值归一化),因各端口的导纳值相同,所以又称为等阻二分支定向耦合器。
Z ---------- Ag/4 ------------- ►)H (Zb)当功率由(1)臂输入时,(2)、(3)两臂有输出;理想情况下,(4)臂无功率输出,故(4)臂是隔离臂,(2)、(3)两臂的输出可按一定的比例分配,若(2)、(3)两臂的输出功率相同,都等于输入功率的一半,则成为3dB定向耦合器或3dB分支电桥。
利用奇偶模分析法,将上述电路在中心线A-A1处切开,此时可将两条线(1)—(2)及(3) - (4)从A-A1面分开来考虑,这样将四端口网络转换为二端口网络,上下是对称的。
所以利用各端口理想的匹配及(1)、(4)端口之间理想的隔离条件,得岀下列公式:其中C 称为定向耦合器的耦合度,111、112、U3分别为(1) 口输入电压和(2)、 (3) 口输岀电压,可见(2) 口和(3) 口的输出电压相位差90度,对与3dB 定向耦合器(C = 3dB )代入上式得: 1 1G = \,H =y/2 ^a =~ = = 5OC2.2主要技术指标乙=# == 35.3。
含量定向耦合器性能的主要技术指标有耦合度、定向性、隔离度、输入电压 驻波比和频带宽度。
(1)耦合度C当端口 1接信号源,端口 2、3、4均接匹配负载时,端口 1的输入功率 pl 与端口 2的输岀功率p2之比的分贝数为该定向耦合器的耦合度C,则(2)方向性系数D端口 2的输出功率p2与端口 3的输出功率p3之比的分贝为定向耦合器 的方向性系数D,则(3) 隔离度I端口 1的输入功率pl 与端口 2的输出功率p3之比的分贝数为该定向耦 合器的隔离度I,则(4) 输入电压驻波比指定向耦合器直通端口 4、反向耦合端口 2、隔离端口 3都匹配负载时,在输入端口1测量到的驻波系数。
微波定向耦合器工作原理一、引言微波定向耦合器是一种常用的微波器件,广泛应用于微波通信、雷达系统、卫星通信等领域。
它具有方便、灵活、高效的特点,能够实现微波信号的分配和耦合,是实现无线通信系统中重要的组成部分。
本文将对微波定向耦合器的工作原理进行全面、详细、完整的探讨。
二、微波定向耦合器的基本结构微波定向耦合器通常由耦合器和耦合环组成。
耦合器是一种特殊的波导结构,用于将微波信号从一个波导传输到另一个波导。
耦合环是一种特殊的环形结构,用于实现信号的定向耦合。
三、微波定向耦合器的工作原理微波定向耦合器的工作原理可以简单地分为两个步骤:耦合和定向。
3.1 耦合在耦合器中,微波信号通过波导进入耦合环。
当信号进入耦合环时,一部分能量会被传输到耦合环内部,形成环内模式。
耦合环内部的环形结构可以通过控制其几何参数来实现对耦合效果的调节。
当耦合环的几何参数适当时,可以实现最佳的耦合效果,使得尽可能多的能量被传输到耦合环内部。
3.2 定向在耦合环内部,耦合器通过调节耦合环的几何参数和输入信号的相位差,实现对信号的定向耦合。
定向耦合是指将输入信号按照一定的比例传输到不同的输出端口上。
耦合环内部的环形结构可以通过调节其几何参数来实现对信号的定向耦合。
当耦合环的几何参数适当时,可以实现理想的定向耦合效果,使得输入信号按照预定的比例传输到不同的输出端口上。
四、微波定向耦合器的性能指标微波定向耦合器的性能主要包括插入损耗、耦合平衡度、隔离度等指标。
4.1 插入损耗插入损耗是指微波信号在经过耦合器时的功率损耗。
插入损耗越小,说明耦合器的能量传输效果越好。
4.2 耦合平衡度耦合平衡度是指在不同的输出端口上输出的信号功率之间的平衡程度。
耦合平衡度越高,说明耦合器的定向耦合效果越好。
4.3 隔离度隔离度是指不同输出端口上的信号之间的相互干扰程度。
隔离度越高,说明耦合器的输出信号之间的相互干扰越小。
五、微波定向耦合器的应用微波定向耦合器在无线通信系统中有着广泛的应用。
定向耦合器的工作原理
定向耦合器是一种广泛应用于微波和光纤通信系统中的耦合器。
它可以将输入信号耦合到特定的输出端口上,而忽略其他端口的信号。
定向耦合器的工作原理基于两个相互作用的波导。
通常,一个主波导拥有一个或多个辅助波导。
输入信号通过主波导输入,并根据耦合器的设计,耦合到特定的辅助波导上。
定向耦合器的设计需要考虑特定的耦合比例。
耦合比例决定了输入信号在辅助波导中的功率分配情况。
通常,定向耦合器被设计为在几个特定的频率范围内实现理想的耦合比例。
当输入信号通过主波导时,它会遇到与辅助波导的耦合结构相互作用。
这个相互作用通常是通过耦合窗口或者耦合插入件实现的。
耦合窗口或耦合插入件被设计为在特定频率范围内产生最大的垂直耦合效率。
定向耦合器的一个重要性能参数是其插入损耗。
插入损耗是指输入信号在经过耦合器时损失的功率。
通常,设计者会尽量降低插入损耗,以便提高整体系统的性能。
总之,定向耦合器是一种常用的耦合器,它通过特定设计的主波导和辅助波导相互作用,将输入信号耦合到特定的输出端口上。
它在微波和光纤通信系统中扮演着重要的角色,能够实现理想的耦合效果和较低的插入损耗。
定向耦合器方向性的分析目前公司许多产品都用到定向耦合器,但在应用过程中都需要大量调试其方向性来满足指标要求,为了减小调试时间以及调试过程中产生的一些不稳定因素,让产品在设计时就能满足指标要求或在产品中增加一些可调器件来降低调试时间和增加产品的可靠性。
一、定向耦合器为什么会有方向性上图为一段平行耦合传输线,当传输线1-4中有交变电流i I流过时,由于2-3线与1-4线靠得很近,所以2-3线中就有耦合来的能量,这个能量可通过电场(以耦合电容表示)又通过磁耦合(以耦合电感表示)耦合过来的。
通过C m的耦合在2-3线中产生的电流i c2和i c3,同时由于i I的交变磁场作用,在2-3线上有感应电流i L,根据电磁感应定律,感应电流i L的方向与i I相反。
由上图可以看到,若有能量从端口1口输入,端口2是耦合口,端口4是输出端,端口3上有电耦合电流i c3和磁耦合电流i L,这两个电流是方向相反能量相同,相互抵消了,故端口3为隔离端,也使得定向耦合器变得有方向性了。
二、如何改善耦合器的方向性图二图三图一是一段耦合微带线,上面什么也没有,仿真的结果为图二,可以看出这时耦合器的方向性很差,就个2dB,但在这段耦合微带上覆盖一层与基片相同厚度的介质后,得到的仿真结果为图三,这时方向性有很大的改善,有20dB左右。
这个在我们实际的设计时已经应用到了,就是在主杆旁边直接用微带线来进行耦合,在调试时去改变腔深对方向性变化很明显,这是因为耦合微带的电场分别处在空气和介质中,所以它的奇模和耦模的相速不相同的,在隔离端的信号就不能相互抵消,方向就会变差,当覆盖一层介质后,电场就只在介质中传输,奇模和耦模的相速就变得相同了,方向就会得到很大的改善。
2、旋转耦合附杆,使之与传输主杆形成一个角度,这在实际应用中很多例子,这和第一种方法是同种道理,改变奇、耦模的电角度来改变它的相速,使方向性变好。
图五在图一的基础上,在隔离端加一电容后仿真的结果,可以看出。
定向耦合器的工作原理定向耦合器是一种重要的高频组件,在微波通信以及有线无线通信系统中都有广泛应用。
它可以把发射机发出的高频波束指向接收天线,从而提升系统的发射效率,有效地阻隔其它未被指向的天线,从而实现系统的灵敏度改善,同时也能避免干扰对有线无线系统的影响。
定向耦合器的工作原理是:定向耦合器是一种由一个非短路的源端和一个非短路的接收端组成的一个结构,它能够将来自于源端的波束指向接收端,而同时阻隔其它未被指向的天线。
定向耦合器的源端主要由发射机发出的高频波束和定向耦合器内部的反射板组成。
其中发射机发出的高频波束会经过反射板反射,最后从源端指向接收端。
反射板可以改变发射机发出的高频波束的方向,使之指向接收端,实现有效的阻隔效果。
定向耦合器的接收端可以是一个简单的、由多棱锥和横截面的组合结构的天线,也可以是一个更复杂的、由多路散射器组成的多棱锥结构。
此外,接收端还可以是一个联合结构,由一个朝向源端的反射片和一个朝向另一端的反射片组成,其中反射片可以将发射机发出的高频波束反射和改变其指向,从而有效地实现定向耦合的效果。
当定向耦合器的源端和接收端都设置好之后,就可以实现定向耦合的功能了。
首先,发射机发出的高频波束会经过定向耦合器的反射板,随后将反射后的高频波束指向接收端,实现指向性耦合的效果。
然后,定向耦合器的反射板会通过另外一个反射板将波束反向发射到源端,从而形成一个完整的循环。
此外,定向耦合器还可以进一步增强反射效果,即把原本指向接收端的波束反射回源端,从而阻碍接收端的波束传输。
定向耦合器的工作原理是由其内部结构中的源端、反射片和接收端组合而成的,可以有效地把发射机发出的高频波束指向接收端,从而提升系统的发射效率,有效地阻隔其它未被指向的天线,从而实现系统的灵敏度改善,同时也能避免干扰对有线无线系统的影响。
因此,定向耦合器在微波通信以及有线无线通信系统中都有广泛应用,为微波通信和有线无线通信的发展提供了方便。
定向耦合器耦合度引言定向耦合器是一种用于无线通信系统中的重要设备,它的作用是将信号从一个输入端口耦合到一个或多个输出端口。
定向耦合器的耦合度是指在耦合过程中输入信号与输出信号之间的关联程度。
本文将从耦合器的基本原理、耦合度的定义和计算方法、耦合度的影响因素以及耦合度的优化方法等方面对定向耦合器耦合度进行探讨。
定向耦合器的基本原理定向耦合器是一种基于微波技术的被动器件,通常由多个传输线构成。
其基本原理是通过电磁波在传输线之间的耦合作用,将输入信号从一个传输线耦合到其他传输线上。
定向耦合器通常具有两个输入端口和两个输出端口,其中一个输入端口和一个输出端口用于输入和输出信号的耦合,另一个输入端口和另一个输出端口用于通过耦合器的内部结构将信号耦合到其他输出端口上。
耦合度的定义和计算方法耦合度是衡量定向耦合器输入信号与输出信号之间关联程度的指标。
一般来说,耦合度越高,输入信号与输出信号之间的关联程度越强,耦合器的性能越好。
耦合度的计算方法通常使用功率比或插入损耗来表示。
功率比法功率比法是通过比较输出端口上的功率与输入端口上的功率来计算耦合度的方法。
假设输入端口上的功率为Pin,输出端口上的功率为Pout,那么耦合度可以用以下公式表示:Coupling = 10 * log10(Pout / Pin)其中,Coupling表示耦合度,单位为dB。
根据功率比法计算的耦合度可以直观地反映输入信号与输出信号之间的关联程度。
插入损耗法插入损耗法是通过比较输入信号与输出信号之间的功率损耗来计算耦合度的方法。
假设输入端口上的功率为Pin,输出端口上的功率为Pout,那么耦合度可以用以下公式表示:Coupling = 10 * log10(Pin / Pout)根据插入损耗法计算的耦合度可以反映定向耦合器对信号的衰减程度。
耦合度的影响因素定向耦合器的耦合度受多种因素的影响,主要包括以下几个方面:传输线长度和宽度传输线长度和宽度对定向耦合器的耦合度有较大影响。
定向耦合器定向耦合器及等效电路定向耦合器是无源和可逆网络。
理论上,定向耦合器是无耗电路,而且其各个端口均应是匹配的。
图1(b)定义了定向耦合器各端口的属性。
当信号从端口1输入时,大部分信号从端口2直通输出,其中一小部分信号从端口3耦合出来,端口4通常接一个匹配负载。
如果要将定向耦合器反过来使用,则端口1和2,端口3和4的属性要互换定义。
定向耦合器可以由同轴、波导、微带和带状线电路构成。
通常,定向耦合器用于信号取样以进行测量和监测,信号分配及合成;此外,作为网络分析仪,天线分析仪和通过式(THRULINE )功率计等测试仪器的核心部件,定向耦合器所起的作用是正向和反射信号的取样。
定向耦合器的方向性是一项至关重要的指标,尤其是作为信号合成和反射测量应用时。
2.各项指标的定义在理想情况下,当信号功率从端口1输入时,输出功率只应出现在端口2和端口3,而端口4是完全隔离的,没有功率输出。
但是在实际情况下,总有一些功率会泄漏到端口4。
设端口1的输入功率为P1,端口2,3和4的输出功率分别为P2,P3和P4,则定向耦合器的特性可以由耦合度,插入损耗,隔离度和方向性等四项指标来表征,单位均为dB。
请注意在以下的描述中,所有的指标均表示为正数,而在实际应用中,则是用负数来进行各种计算的。
耦合度:耦合度表示从端口1输入的功率和被耦合到端口3部分的比值,表示为:耦合度(C)=10×log(P1 P3)插入损耗:插入损耗表示从端口1到端口2的能量损耗,表示为:插入损耗(IL)=10×log(P1 P2)请注意端口1的输入功率有一部分功率是被耦合到端口3的,所以应导入一个“耦合损耗”的概念,下面是各种耦合度下的耦合损耗值:耦合度耦合损耗6dB1.200dB10dB0.460dB15dB0.140dB20dB0.040dB30dB0.004dB通常所说的从端口1到端口2的插入损耗是传输损耗和耦合损耗之和。
定向耦合器的研究分析定向耦合器的研究——⼏种微带定向耦合器结构与分析摘要定向耦合器是⼀种通⽤的微波/毫⽶波部件,可⽤于信号的隔离、分离和混合,如功率的监测、源输出功率稳幅、信号源隔离、传输和反射的扫频测试等。
主要技术指标有⽅向性、驻波⽐、耦合度、插⼊损耗。
现在国内外研究定向耦合器都向体积⼩、功率容量⼤、频带宽、插⼊损耗⼩,有良好的驻波⽐和⽅向性等发展。
如今已研制出的⾼性能的耦合器,如中国电⼦科技集团公司第四⼗⼀研究所研制的耦合器,频率范围可从30kHz达到110GHz,耦合度也有3dB、10dB、20dB 各种型号,且它的功率有的可以达到10KW,例如AV70606耦合器,它在保证⽅向性⼤于30dB的情况下,功率就可达到10KW。
甚⾄有些公司在耦合度控制在10dB的情况下,它的回波损耗可以低于-50到-60dB,甚⾄更低。
然⽽在某些特性场合,对耦合器的要求也是越来越⾼,因⽽更加优良的耦合器也有待我们去研究。
关键词: 传输线;微带线;定向耦合器;耦合度;奇模;偶模1引⾔在⼀些电桥及平衡混频器等元件中,常⽤到分⽀线定向祸合器分⽀线电桥或定向藕合器由两根平⾏传输线所组成,通过⼀些分⽀线实现拐合它们在中⼼频率上分⽀线的长度及其间的间隔全都是四分之⼀波长。
由于徽带线分⽀定向祸合器在结构和加⼯制造⽅⾯都⽐波导和同轴线简便得多,因此在徽带电路,分⽀线电桥和定向祸合器得到了较多的应⽤。
随着定向耦合器技术的发展,它应⽤到了更多更⼴泛的领域当中去,例如相控阵雷达等,越来越多的⼈开始关注这项技术,这更使定向耦合器得到了长⾜发展,随着时间的推移它在电⼦技术领域占到了越来越重要的地位。
2 微带定向耦合器的种类微带定向耦合器的种类有很多,例如:平⾏耦合微带线定向耦合器、微波3dB 微带双分⽀定向耦合器、宽带微带定向耦合器等。
2.1 平⾏耦合微带线定向耦合器图12所⽰,是平⾏耦合微带线定向耦合器的⽰意图。
当①端⼝信号激励时,③端⼝为隔离端⽆输出、⽽耦合端⼝②及直通端⼝④有输出。
定向耦合器的理论分析:
对于每一根波导的电场分布都可以看做是奇模和偶模的一个叠加:
现在分析两根波导定向耦合的情况,如下图所示的两根波导
在Z=0的位置:场的分布可以写为:
在Z=L的位置,场的分布可以写为:
之所以这么写,是因为经过距离L之后多了相位的变化。
然后再根据上图中的(b)图,可以得知,在Z=L位置和Z=0的位置处场分布的关系
其中t1为波导1的透射系数,k1为波导2到波导1的耦合系数
t2为波导2的透射系数,k2为波导1到波导2的耦合系数
然后将Z=0处的场分布带入到上式中,得到:
经过整理后得到
K0(x)写错了,应该是奇次模对应的
比较:
和
得到
然后根据上面的式子可以得到:
继续化简得:
重新定义耦合系数和透射系数,得到:
这个地方需要注意了,这就是我最容易出错的地方,此时的k是自己定义的,而真正在耦合中用到的真实的k的大小应该是包括虚部的;
其中:
根据上面的重新定义,可以写出在L位置处场的分布:
进而将上面的式子写成转移矩阵的形式:
继续化简:
从而得到E1和E2的关系有:
注意:这里的转移矩阵方法和我平时所接触到的正好是一个相反的顺序~这是一个很需要注意的问题!!!。