10kV_隔离开关技术规范书
- 格式:doc
- 大小:393.00 KB
- 文档页数:16
10K V隔离开关技术参数产品类目:电气>>开关类>>隔离开关>>高压隔离开关>>名称:10kV户外高压隔离开关价格:元规格:色彩:放入购买清单放入预采购清单生产厂商..........................................................................................简介..........................................................................................广泛适用于额定电压10kV、频率50HZ的单相户外装置,用在有电压而无负载时分、合电路。
促销信息..........................................................................................详细信息..........................................................................................一、产品概述HGW9-10型复合绝缘户外高压隔离开关广泛适用于额定电压10kV、频率50HZ的单相户外装置,用在有电压而无负载时分、合电路。
本系列隔离开关采用了各种最新技术及最新工艺,性能可靠,维护方便,具有瓷绝缘开关产品所不能比拟的的优越性,是配电线路尤其是重污秽线路的首选产品:1.绝缘外套采用最先进配方的硅橡胶材料生产,具有优异的电气性能。
2.产品复合绝缘结构设计科学合理,较好解决了瓷外套防污能力差、易开裂的问题。
选用优质的环氧树脂玻璃棒作内支架材料,抗拉强度高达3.5kN以上。
3.绝缘支柱采用一次成型工艺,工艺先进,性能可靠。
闸刀采用槽型结构,增大了散热面积,提高了闸刀的机械强度,动热稳定性大大提高。
10kV开闭所技术规范书10kV箱式开闭站技术协议供货范围:注1:交货数量及时间:最终的交货数量及时间以招标人书面通知的交货数量和时间为准。
注2:本技术协议中标注有**条款,均为重点技术条款,投标厂家在投标文件中均需对上述该条款做以响应并具体阐述,或以技术差异形式做以重点说明,否则视为废标。
1.总则1.1本协议提出设备的功能设计、结构、性能、安装和试验等方面的技术要求。
1.2本工程严令禁止使用国家明令淘汰的电气设备,并未规定所有的技术要求和适用的标准,供方应提供一套满足本协议和所列标准要求的高质量产品及其相应服务。
1.3供方须执行现行国家标准和行业标准。
有矛盾时,按技术要求较高的标准执行。
1.4如供方没有以书面形式对本技术条件的条文提出异议,则表示供方确认其提供的产品满足本技术条件的要求。
2.遵循的标准应遵循的主要现行标准如下:GB/17467—2010 《高压低压预装式变电站》GB311.1—1997 《高压输变电设备的绝缘配合》GB1408—89 《固定绝缘材料工频电气强度的试验方法》GB3309—89 《高压开关设备常温下的机械试验》GB3804—90 《3~63kV交流高压负荷开关》GB/T11022—1999 《高压开关设备和控制设备标准共用技术条件》GB14808—93 《交流高压接触器》SD/T318—89 《高压开关柜闭锁装置技术条件》GB16926-1997 《高压交流负荷开关—熔断器的组合电器》DL/T539—93 《户内交流高压开关柜和元部件凝露及污秽试验技术条件》DL/T593—96 《高压开关设备的共用订货技术条件》DL/T402—1999 《交流高压断路器订货技术条件》DL/T486—92 《交流高压隔离开关订货技术条件》DL/T404—97 《户内交流高压开关柜技术条件》JB5777-91 《电力系统二次回路用控制及继电保护屏技术条件》GB/T13729-92 《农村小型化变电所设计规程》DL/T5103-1999 《35kV-110kV无人值班变电所设计规程》GB50062-92 《电力装置继电保护自动装置设计规范》GB/T15145-94 《变电所设计技术规范》3.使用环境条件3.1海拔:1000~1300m。
五河华府·御水湾住宅小区10KV配电工程HXGN15-12高压开关柜技术规范书安徽金石电力设计咨询有限公司二零一一年九月目录1.总则2.使用环境条件3.技术参数和要求4.试验5.供货范围6.卖方在投标时应提供的资料和技术参数7.技术资料和图纸交付进度8.包装、运输和储存9.技术服务与设计联络1 总则1.1 本设备技术规范书适用于10kV 固定式高压开关柜,它提出了该产品的功能设计、结构、性能、安装和试验等方面的技术要求。
1.2 需方在本规范书中提出了最低限度的技术要求,并未规定所有的技术要求和适用的标准,未对一切技术细则作出规定,也未充分引述有关标准和规范的条文,供方应提供一套满足本规范书和现行有关标准要求的高质量产品及其相应服务。
1.3 如果供方没有以书面形式对本规范书的条款提出异议,则意味着供方提供的设备(或系统)完全满足本规范书的要求。
如有异议,不管是多么微小,都应在投标书中以“对规范书的意见和与规范书的差异”为标题的专门章节加以详细描述。
本规范书的条款,除了用“宜”字表述的条款外,一律不接受低于本技术规范条款的差异。
1.4 本设备技术规范书经需供双方确认后作为订货合同的技术附件,与合同正文具有同等的法律效力。
1.5 供方须执行现行国家标准和行业标准。
应遵循的主要现行标准如下。
GB156 — 1993 标准电压GB311.1 — 1997 高压输变电设备的绝缘配合GB1408.1 — 1999 固定绝缘材料工频电气强度的试验方法GB3309 — 1989 高压开关设备常温下的机械试验GB2900.1 -1992 电工名词术语基本名词术语GB3804 — 1990 3 ~63kV 交流高压负荷开关GB7354 — 1987 局部放电测量GB/T11022 — 1999 高压开关设备和控制设备标准的共用技术条件GB14808 — 2001 交流高压接触器GB16926 -1997 交流高压负荷开关—熔断器组合电器SD/T318 — 1989 高压开关柜闭锁装置技术条件DL/T402 — 1999 交流高压负荷开关订货技术条件DL/T486 — 2000 交流高压隔离开关和接地开关订货技术条件DL/T539 — 1993 户内交流高压开关柜和元部件凝露及污秽试验技术条件DL/T593 — 1996 高压开关设备的共用订货技术导则DL/T404 — 1997 户内交流高压开关柜订货技术条件上述标准所包含的条文,通过在本技术规范中引用而构成为本技术规范的条文。
冠捷厦门厂项目10KV高压成套设备技术规范目录一、总则说明工作范围二、制品通则参考标准高压开关柜结构说明三、执行在厂试验与检查检票通知和试验所需的设备常规检查和试验工程报价范围服务验收与保固一、总则说明:本规范书适用于厦门冠捷有限公司一期新建工程,10KV高压成套开关设备的一般设计、制造、试验和配套要求。
工作范围1.2.1供货商提供的10KV高压成套开关设备须有福建省厦门市供电部门的入网许可。
1.2.2供货商应配合供电申请的相关配套作业,如:用电咨询、用电申请书、制图(转图)及配合供电部门的图审相关作业…等等。
1.2.3供货商投标时需提供设备外型图,包含设备排列及设备重量,以及建议基础台的尺寸和箱体固定必须埋设槽钢基座等之相关资料(未提供的供货商视为自愿放弃投标资格)。
1.2.4高压成套开关设备项目包括:1.2.4.110KV高压开关柜及必要的备品件、测量仪器和专用工具等。
1.2.4.2所有设备设计、制造、施工、试验应按GB标准进行。
1.2.4.3制造工厂内的会同测试。
1.2.4.4木箱包装含烟熏证明。
1.2.4.5运输(包海运及内地运输)、并卸货至指定的现场电气室。
1.2.4.6无条件配合提供业主申请免税批文所需一切文件。
1.2.4.7场定位鸠工及埋设槽钢基座等材料供应(配合供电部门之要求)。
1.2.4.8制造工厂人员配合送电测试。
1.2.4.9供电局配套措施。
1.2.4.10 所有文件内容以中文为主,英文为辅。
但完工图说及完工相关资料(ForAS-BUILT)需中英文对照。
1.2.4.11 本高压成套开关设备属责任制施作制,凡属供电的惯例、系统的完整性,相关法规要求、必备器具的设备及所提产品之细部设计,计算,分析,测试方法,材质选用上可能发生的,承包商应无偿补足之。
(含本高压成套开关设备技术规范说明致承包商误估,经供电单位或监理顾问确认不得不施作时,所增项编列的部份),此项请承包商应详加估价,日后不得以任何理由追加任何费用。
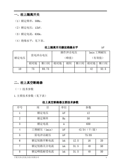
一、柱上隔离开关(1)额定频率:50Hz。
(2)额定电压:12kV。
(3)额定电流:630A。
(4)绝缘水平:见下表。
柱上隔离开关额定绝缘水平 kV二、柱上真空断路器(一)技术参数1.主要技术参数(见下表)柱上真空断路器主要技术参数2.技术规范(1)环境条件1)海拔高度:≤3000m。
2)最大风速:30m/s。
3)环境相对湿度:日平均值95%;月平均值90%。
4)地震烈度:8度。
5)污秽等级:3级。
(2)使用条件1)系统电压:10kV;系统最高电压:12kV;系统额定频率:50Hz;系统中性点接地方式:非有效。
2)安装地点:户外。
3)安装方式:柱上垂直。
(3)技术性能要求1)断路器应在规定的各种工作情况下达到开断性能的要求而不发生拒动或误动。
2)噪声:户外不大于55dB。
3)操动机构。
形式:弹簧机构或永磁电动机构;操作方式:手动操作或电动操作。
4)辅助回路。
辅助回路应能长期承载10A电流,温升不超过GB/T 11022—1999《高压开关设备和控制设备标准的共用技术要求》规定值。
辅助触点10对,其中5对动合触点,5对动断触点,并能按需要改换。
采用阻燃端子,留有15%备用端子排。
5)一次端子。
断路器提供连接导线的板式端子,端子受力:水平750N;垂直500N;横向400N。
断路器端子型式和尺寸应满足GB/T 5273—1985《高压器、高压电器和套管的接线端子》标准中有关规定。
6)断路器瓷套的爬电距离不小于31mm/kV(42kV以下)。
7)接地。
每台断路器应装设满足接地热稳定电流要求的接地极板,并配有与接地线连接用的接地螺栓,螺栓的直径不小于12mm。
8)寿命。
机械寿命(连续操作不调整):10000次;电气寿命:开断100%额定开断短路电流30次。
9)每台断路器配有位置指示器。
合闸为红色;分闸为绿色。
10)所有支架按工程需要要进行热镀锌的防腐处理。
11)有符合国标的铭牌,铭牌用耐腐蚀的材料制成,字样、符号应清晰耐久,铭牌在正常运行时安装位置应明显可见。
云南电网公司二级物资招标采购2014年第一批10kV户外隔离开关(站用)技术规范书2013年12月前附表:货物供货一览表目录1 总则 (4)2. 技术特性要求 (6)3. 技术参数及使用条件 (9)4 试验 (11)5. 质量保证及管理 (11)6. 技术服务、设计联络、工厂检验和监造 (12)7. 包装及标志 (12)8 投标人响应部分 (14)附录A 项目单位提供的其他资料 (16)1 总则1.1.本技术规范书主要用于云南电网公司基建配网工程物资采购,10kV隔离开关(以下简称“设备”)的招标,包括隔离开关本体、操动机构及附件、传动部分的连接件(包括相间连杆及与操动机构间的连杆)、备品备件及专用工具等。
本技术规范书主要提出通用的技术要求,具体的交货期及交货目的地以商务合同为准。
1.2.投标方应按设备不同的电压等级、额定一次电流、额定短时耐受电流及接地方式等相关技术要求进行报价,投标方的报价应为单价,并应对报价的适用范围进行说明。
投标方中标后,采购方有权根据具体工程的需要对局部技术要求提出更改,若不涉及主要技术参数的修改,供货方不应对中标单价提出更改。
具体工程的技术要求以相应工程的技术协议为准。
1.3.投标方所生产的隔离开关必须是通过完善化技术审查的产品,并提供针对瓷瓶断裂、操作失灵、导电回路过热、锈蚀等易发故障进行的完善化技术措施证明。
1.4.本技术规范书提出的是最低限度的技术要求,并未对一切技术细节作出规定,也未充分引述有关标准和规范的条文,供货方应提供符合本规范书和国家标准的优质产品。
1.5.投标技术文件中应对投标产品的技术性能详细描述,提供不低于所供产品技术要求的全部型式试验报告,并提供对应招标技术规范书的技术偏差表,偏差表中未提及的条款,则视同完全同意本技术规范书的要求。
1.6.投标人或供货方 (包括分包厂)应已设计、制造和提供过同类设备,且技术参数应与本工程相类似,或较规定的条件更严格,至少有3组2年以上的商业运行经验。
10kv户内隔离开关技术参数一、背景介绍1.1 10kv户内隔离开关的作用10kv户内隔离开关作为配电系统中的重要组成部分,主要用于在10kv配电系统中对线路进行隔离操作,保障人员和设备的安全。
1.2 10kv户内隔离开关的应用领域10kv户内隔离开关广泛应用于城市建筑、工矿企业、高速公路、铁路等各种电力配电系统中。
二、技术参数2.1 额定电压10kv户内隔离开关的额定电压为10kv,能够在10kv配电系统中稳定运行。
2.2 额定电流10kv户内隔离开关的额定电流通常包括200A、400A、630A等多个规格,用户可根据具体的电力负载情况进行选择。
2.3 隔离开关类型10kv户内隔离开关根据结构形式可分为固定式和可移动式两种类型,以满足不同场合的使用需求。
2.4 隔离开关操作机构10kv户内隔离开关的操作机构通常采用手动和电动两种方式,能够实现远程和现场操作,方便用户使用。
2.5 隔离开关动作次数10kv户内隔离开关的动作次数通常大于xxx次,保证了设备的使用寿命和可靠性。
2.6 隔离开关的绝缘水平10kv户内隔离开关的绝缘水平符合国家标准,能够在高压环境下保持良好的绝缘性能。
2.7 隔离开关的防护等级10kv户内隔离开关的防护等级通常达到IP40或IP54,保证了设备在恶劣环境下的可靠运行。
2.8 其它技术参数如开关的短时耐受电流、分断能力、闭合电压等参数,都是影响10kv 户内隔离开关性能的重要因素。
三、产品优势3.1 安全可靠10kv户内隔离开关经过严格的设计和检测,具有良好的绝缘性能和稳定的分断能力,能够在高压环境下安全可靠运行。
3.2 灵活多样10kv户内隔离开关提供多种规格和型号选择,同时具有固定式和可移动式两种结构形式,能够满足不同场合的使用需求。
3.3 操作便捷10kv户内隔离开关的操作机构灵活多样,可实现手动和电动两种操作方式,方便用户进行远程和现场操作。
3.4 维护保养简便10kv户内隔离开关设计合理,维护保养简便,节省了用户的维修成本和时间。
10kV高压开关柜招标文件(技术规X书)工程编号:批准:审定:校核:编写:目次1总则2 技术要求3 技术服务4质量保证和试验5设备规X数量和供货X围6备品备件及专用工具7 包装、运输和储存8 附表附表1 买方应填写产品主要技术参数表附表2 差异表附表3 设备需求表附表4 随机备品备件(包括进口件)清单附表5 专用工具与仪器仪表清单1 总则:1.1本规X书适用于10kV高压开关柜招标,它提出了该设备的功能设计、结构、性能、安装和试验等方面的技术要求。
1.2本规X书提出的是最低限度的技术要求,并未对一切技术细节作出规定,也未充分引述有关标准和规X的条文。
卖方应提供符合本规X书和有关最新国家标准、电力行业标准的优质产品。
1.3本规X书所使用的标准如与卖方所执行标准不一致时,应按水平较高标准执行。
1.4如果买卖方没有以书面形式对规X书的条文提出异议,则认为卖方提供的产品完全符合本规X要求。
如有任何异议,都应在报价书中以“对规X书的意见和同规X书的差异”为标题的章节中加以详细描述。
1.5本规X书经买卖双方确认后作为合同的技术附件,与合同正文具有同等法律效力。
随合同一起生效。
本规X书未尽事宜,双方协商确定。
2、技术要求:2.l设备制造应满足下列规X和标准:a.GBI 56-93《标准电压》b.GB311.1-83《高压输变电设备的绝缘配合》C.GB311.6-83《高电压试验技术》d.GB763-96--《交流高压电器在长期工作时的发热》e.GB14O8-89--《固体绝缘材料工频电气强度的试验方法》f.GB27O6-89--《交流高压电器内热稳定试验方法》g.GB2900.1-82--《电工名词术语,基本名词术语》h.GB33O9-89--《高压开关设备常温下的机械试验》i.GB38O4-9O--《3~63kV交流高压负荷开关》j.GB7354-87--《局部放电测量》k.GB11O22-89--《高压开关设备通用技术条件》1.GB148O8-93--《交流高压接触器》m.IEC42O-199O--《高压交流负荷开关--熔断器的组合电器》n.SD/T318-89--《高压开关柜闭锁装置技术条件》0.SD/T4O2-91--应流高压断路器订货技术条件》p.DL/T486-92--《交流高压隔离开关订货技术条件》q.DL/T539-93--《户内交流高压开关拒和元部件凝露及污秽试验技术条件》r.DL/T539-96--《高压开关设备的共用订货技术条件》s. DL/T4O4-1997--《户内交流高压开关柜订货技术条件》标书中所有设备及其备品备件,除本标书中规定的技术参数和要求外,其余均应遵循最新版本的国家标准(GB)、电力行业标准(DL)和国际单位制(SI),这是对设备的最低要求。
兖州煤业榆林能化有限公司60万吨/年甲醇项目高低压开关柜技术规格书一、10kV铠装金属封闭式开关柜技术规格书(2面)二、低压GGD开关柜技术规格书(7面)一、10kV铠装金属封闭式开关柜技术规格书1概述1.1目的本规格书用于兖州煤业榆林能化公司年产230万吨甲醇工程,一期60万吨/年甲醇项目中,10kV铠装金属封闭式开关柜的设计、制造及安装和试验等方面的最低要求。
合同商应提供满足本规格书要求和国家及行业标准的优质产品。
本规格书应与随招标文件发放的的10kV系统图纸配合使用。
本规格书中未尽事宜,另行协商解决。
1.2工程概况1.2.1工程名称工程名称: 兖州煤业榆林能化公司年产230万吨甲醇工程一期60万吨/年甲醇项目简称:兖矿榆林60万吨/年甲醇项目1.3标准规范合同商所提供的设备应符合相应的国家和电力行业技术标准以及国际电工委员会(IEC)技术协议最新版本的要求,以及本规格书所列的各有关技术参数要求。
各标准参数中有差异时,执行较高参数。
●GB3906-91 3 ~ 35 kV交流金属封闭开关设备●GB3909-89 高压开关设备常温下的机械试验●GB1984-89 交流高压断路器●GB11022-89 高压开关设备通用技术条件●GB1207-86 电压互感器●GB1208-87 电流互感器●IEC298 额定电压1kV以上至52kV的金属封闭交流开关设备和控制设备●IEC694 高压开关设备和控制设备标准的通用条款2环境条件2.1环境温度极端最高温度38.6℃极端最低温度-32.7℃最热月平均温度24℃最冷月平均温度: -9.3℃年平均温度8.8℃最大日温差:25℃2.2相对湿度月平均相对湿度55 %2.3海拔高度海拔高度1315m2.4地震耐受能力水平加速度0.4g (指地面)垂直加速度0.2g地震基本裂度 VI 度(按Ⅶ度设防)2.5安装场所户内使用。
3其他条件3.1电源条件1)电源条件,即标称电压、频率和系统中性点接地型式详见3.2节。
一、柱上隔离开关(1)额定频率:50Hz。
(2)额定电压:12kV。
(3)额定电流:630A。
(4)绝缘水平:见下表。
柱上隔离开关额定绝缘水平 kV二、柱上真空断路器(一)技术参数1.主要技术参数(见下表)柱上真空断路器主要技术参数2.技术规范(1)环境条件1)海拔高度:≤3000m。
2)最大风速:30m/s。
3)环境相对湿度:日平均值95%;月平均值90%。
4)地震烈度:8度。
5)污秽等级:3级。
(2)使用条件1)系统电压:10kV;系统最高电压:12kV;系统额定频率:50Hz;系统中性点接地方式:非有效。
2)安装地点:户外。
3)安装方式:柱上垂直。
(3)技术性能要求1)断路器应在规定的各种工作情况下达到开断性能的要求而不发生拒动或误动。
2)噪声:户外不大于55dB。
3)操动机构。
形式:弹簧机构或永磁电动机构;操作方式:手动操作或电动操作。
4)辅助回路。
辅助回路应能长期承载10A电流,温升不超过GB/T 11022—1999《高压开关设备和控制设备标准的共用技术要求》规定值。
辅助触点10对,其中5对动合触点,5对动断触点,并能按需要改换。
采用阻燃端子,留有15%备用端子排。
5)一次端子。
断路器提供连接导线的板式端子,端子受力:水平750N;垂直500N;横向400N。
断路器端子型式和尺寸应满足GB/T 5273—1985《高压器、高压电器和套管的接线端子》标准中有关规定。
6)断路器瓷套的爬电距离不小于31mm/kV(42kV以下)。
7)接地。
每台断路器应装设满足接地热稳定电流要求的接地极板,并配有与接地线连接用的接地螺栓,螺栓的直径不小于12mm。
8)寿命。
机械寿命(连续操作不调整):10000次;电气寿命:开断100%额定开断短路电流30次。
9)每台断路器配有位置指示器。
合闸为红色;分闸为绿色。
10)所有支架按工程需要要进行热镀锌的防腐处理。
11)有符合国标的铭牌,铭牌用耐腐蚀的材料制成,字样、符号应清晰耐久,铭牌在正常运行时安装位置应明显可见。
XXXXXX变电站10kV开关柜技术规范书设计单位:XXXXXX二O一三年八月·福州目录1、总则 (2)2、技术标准 (2)3、环境条件 (3)4、主要技术条件 (4)5、产品试验报告 (12)6、技术文件和图纸 (13)7、质量保证和售后服务 (15)附图一10kV开关柜接线图附图二10kV开关柜布置图表一:10kV开关柜采购规格一览表序号名称单位数量备注1 主变进线柜(2500A)面2 配优质高可靠断路器2 馈线柜(1250A)面10 配真空断路器3 母线设备柜(2500A)面 2 配高压熔断器4 分段隔离手车柜(2500A)面 35 分段断路器柜(2500A)面 1 配优质高可靠断路器6 电容器柜(1250A)面 2 配优质高可靠真空泡7 接地装置柜(1250A)面 2 配真空断路器8 主变进线母线桥(2500A)座 2 L≈5.0米9 母线联络母线桥(2500A)座 2 L≈7.0米10 接地车台 2 650/800mm11 验电车台 2 650/800mm12 手车平台台 3 650/800mm注:1、母线桥最终长度以现场实际测量为准。
2、柜体深度1500mm,后背包深度300mm;消弧消谐柜和母线设备柜柜宽为800mm,其余开关柜柜宽为650mm,开关柜高度不超过2240mm。
3、厂家应根据设计单位提供的工程图纸设计并且预留与远期设备连接的接口。
4、厂家应负责母线桥的安装固定。
5、提供备用分、合闸线圈各4个、PT高压熔丝一组。
6、投标方应提供主要部件材料的生产商及原产地。
7、投标方可提供推荐的备品备件、专用工具和仪器仪表供货表,并单独报价。
8、以上设备具体参数详见规范书及附图。
1、总则1.1 本技术规范书的使用范围,限于XXXXXX变电站10kV开关柜设备。
它提出了该设备的功能设计、结构、性能、安装和试验等方面的技术要求。
1.2 本设备技术规范书提出的是最低限度的技术要求,并未对一切技术细节作出规定,也未充分引述有关标准和规范的条文,供方应提供符合本规范书和工业标准的优质产品。
一、10KV户内高压隔离开关《GN22-10/3150A》称说明概述10KV户内高压隔离开关《GN22-10/3150A》称可在工作电流范围内进行频繁的操作或多次开断短路电流;机械寿命可高达30,000次,满容量短路电流开断次数可达50次。
《GN22-10/3150A》适于重合闸操作并有极高的操作可靠性与使用寿命。
《GN22-10/3150A》(普通型)采用了立式的绝缘筒防御各种气候的影响;且在维护和保养方面,通常仅需对操作机构做间或性的清扫或润滑。
《GN22-10/3150A》(极柱型)采用了固体绝缘结构—集成固封极柱,实现了免维护。
《GN22-10/3150A》在开关柜内的安装形式既可以是固定式,也可以是可抽出式的,还可安装于框架上使用动静触头允许磨损累计厚度mm 3四、《GN22-10/3150A》选型用户可根据被保护对象选用不同型号的《GN22-10/3150A》,对使用场所的不同可选用防污型和高原型。
为满足市场的需求我厂可根据用户的要求设计各种非标产品。
《《GN22-10/3150A》10KV户内高压隔离开关》五、《GN22-10/3150A》使用条件:1.适用于户内、外;2.环境温度-40℃~+40℃;3.海拔高度不超过3000m(瓷套式不超过1000m);4.电源频率不小于48Hz、不超过62 Hz;5.长期施加在《GN22-10/3150A》端子间的工频电压不超过《GN22-10/3150A》的持续运行电压;6.地震烈度8度及以下地区;7.大风速不超过35m/s。
8.《GN22-10/3150A》保护发电厂、变电站的交流电气设备免受大气过电压和操作电压的损坏。
《GN22-10。
**********10kV配电工程10KV开关柜招标文件(技术规范书)********************公司证书编号:*********二零一二年八月批准:审核:校核:编写:会签:- 2 -一通用部分目录投标人应具备的条件01 总则 11.1 一般规定 11.2 投标人应提供的资格文件 11.3 适用范围 21.4 对设计图纸、说明书和试验报告的要求 21.5 标准和规范 51.6 投标人必须提交的技术参数和信息 61.7 备品备件 61.8 专用工具与仪器仪表 61.9 安装、调试、性能试验、试运行和验收 62 结构要求72.1 开关柜技术参数 72.2 通用要求72.3 操动机构错误!未定义书签。
12.4 铭牌93 试验103.1 型式试验103.2 出厂试验113.3 现场交接试验114 技术服务、设计联络、工厂检验和监造114.1 技术服务114.2 设计联络会144.3 工厂检验和监造154.4 包装、运输、起吊、储存、标志投标人应具备的条件1、投标人或制造商必须具备生产投标产品所需的整体组装厂房,并进行全部出厂试验,或在国家认可的权威试验机构进行出厂试验。
2、投标人或制造商对外购原材料、配套元件和外部委托加工及进口散装的部件应具备进行进厂验收所必需的检测设备。
3、国产、合资工厂生产的投标产品应按现行电力行业标准(DL)、国家标准(GB)和IEC标准在有资质的试验室进行型式试验,进口产品应在国际认可的有资质的试验室进行型式试验。
4、进口的关键元件应取得供应商的供货承诺函。
5、投标人或制造商应具备相应的生产条件(检测、加工、组装、试验等)和有效的型式试验报告。
1 总则1.1 一般规定1.1.1 投标人或制造商必须有权威机关颁发的ISO–9000系列的认证书或等同的质量保证体系认证证书。
投标人或制造商应已设计、制造和提供过同类设备,且使用条件应与本工程相类似,或比规定的条件更严格。
乐叶光伏能源有限公司MWp分布式光伏发电项目10kV铠装移开式金属封闭开关柜技术规范书需方:乐叶光伏能源有限公司供方:日期:2016年8月目录1 总则 (1)2 规范和标准 (2)3. 电站概况及自然条件 (2)4 技术要求 (3)4.1 系统概况 (3)4.2 一次部分技术要求 (3)4.3 二次部分技术要求 (5)4.4 一次部分技术参数 (7)5. 供货要求 (14)5.1 供货范围 (14)5.2 配置清单 (14)6 技术资料和交付 (15)7 质量保证和试验 (16)8 包装、运输和储存 (17)9 技术服务和设计联络 (18)10 设备监造 (21)1总则1.1 本技术规范适用于MWp分布式光伏发电项目10kV铠装移开式金属封闭开关柜的订货。
它对设备的功能设计、结构、性能安装和试验等方面提出了技术要求。
1.2 本技术规范提出的是最低限度的技术要求,并未对一切技术细节做出规定,也未充分引述有关标准和规范的条文,供方应保证提供符合本规范书和有关国家标准,并且功能完整、性能优良的优质产品及其相应服务。
同时必须满足国家有关安全、环保等强制性标准和规范的要求。
供方对其供货范围内的所有产品质量负有全责,包括其分包和外购的产品。
1.3 供方在设备设计和制造中应执行规范书所列的各项现行(国内)标准。
规范书中未提及的内容均满足或优于所列的国家标准、电力行业标准。
当国家标准和电力行业标准有矛盾时,按较高标准执行。
在此期间若颁布有要求更高、更新的技术标准及规定、规范,则以最新技术标准、规定、规范执行。
1.4 合同签订之后,按技术规范要求,供方提出合同设备的设计、制造、检验/试验等合格证明文件给需方;供方提供合同设备时需提供装配、安装、调试、试运、验收、试验、运行和维护的相关资料。
1.5 供方所提供设备必须满足并网的要求并提供所有文件和资料。
1.6 在签定合同之后,需方和设计方有权提出因规范标准和规定或工程条件发生变化而产生的一些补充要求,具体可由双方共同协商。
电网公司二级物资招标采购2014年第一批10kV户外隔离开关(站用)技术规书2013年12月前附表:货物供货一览表目录1 总则 (4)2. 技术特性要求 (6)3. 技术参数及使用条件 (9)4 试验 (11)5. 质量保证及管理 (11)6. 技术服务、设计联络、工厂检验和监造 (12)7. 包装及标志 (12)8 投标人响应部分 (14)附录A 项目单位提供的其他资料 (16)1 总则1.1.本技术规书主要用于电网公司基建配网工程物资采购,10kV隔离开关(以下简称“设备”)的招标,包括隔离开关本体、操动机构及附件、传动部分的连接件(包括相间连杆及与操动机构间的连杆)、备品备件及专用工具等。
本技术规书主要提出通用的技术要求,具体的交货期及交货目的地以商务合同为准。
1.2.投标方应按设备不同的电压等级、额定一次电流、额定短时耐受电流及接地方式等相关技术要求进行报价,投标方的报价应为单价,并应对报价的适用围进行说明。
投标方中标后,采购方有权根据具体工程的需要对局部技术要求提出更改,若不涉及主要技术参数的修改,供货方不应对中标单价提出更改。
具体工程的技术要求以相应工程的技术协议为准。
1.3.投标方所生产的隔离开关必须是通过完善化技术审查的产品,并提供针对瓷瓶断裂、操作失灵、导电回路过热、锈蚀等易发故障进行的完善化技术措施证明。
1.4.本技术规书提出的是最低限度的技术要求,并未对一切技术细节作出规定,也未充分引述有关标准和规的条文,供货方应提供符合本规书和国家标准的优质产品。
1.5.投标技术文件中应对投标产品的技术性能详细描述,提供不低于所供产品技术要求的全部型式试验报告,并提供对应招标技术规书的技术偏差表,偏差表中未提及的条款,则视同完全同意本技术规书的要求。
1.6.投标人或供货方 (包括分包厂)应已设计、制造和提供过同类设备,且技术参数应与本工程相类似,或较规定的条件更严格,至少有3组2年以上的商业运行经验。
如发现有失实情况,招标方有权拒绝该投标。
1.7.规书所使用的标准如遇与供货方所执行的标准不一致时,按较高标准执行。
1.8.规书经买卖双方确认后,作为合同的附件,与合同正文具有同等的法律效力。
1.9.本规书中涉及有关商务方面的容,如与招标文件的《商务部分》有矛盾时,以《商务部分》为准。
1.10.本规书未尽事宜,由招标人和投标人在合同技术谈判时双方协商确定。
1.11.合同签订后,供货方应在2周,向买方提出一个详尽的生产计划,包括设备设计、设计联络会、材料采购、设备制造、厂测试以及运输等项的详情,以确定每部分工作及其进度。
1.12.如有延误,供货方应及时将延误交货的原因、后果及采取的补救措施等,向买方加以说明。
1.13.2份如下表所列设备的相关资料和图纸:1.14.标准和规1.14.1. 合同设备包括供货方向其他厂商购买的所有附件和设备,这些附件和设备应符合相应的标准规或法规的最新版本或其修正本的要求,除非另有特别说明,将包括在生产期有效的任何修正和补充。
1.14.2. 除非合同另有规定,均须遵守最新的国家标准(GB)以及国际电工委员会(IEC)标准以及国际单位制(SI)标准。
所有螺栓、双头螺栓、螺纹、管螺纹、螺栓夹及螺母均应遵守国际标准化组织(ISO)和国际单位制(SI)的标准1.14.3. 供货方提供的设备和配套件要符合以下标准但不局限于以下标准:GB311 《高压输变电设备的绝缘配合》GB 1985 《高压交流隔离开关和接地开关》JB/T 10185 《隔离开关》DL/T 486 《交流高压隔离开关和接地开关订货技术条件》JB 772 《高压绝缘子瓷件技术条件》《电网公司隔离开头完善化工作指导意见》GB11022 《高压开关设备通用技术条件》GB11604 《高压电器设备无线电干扰测试方法》GB2706 《交流高压电器动热稳定试验方法》GB763 《交流高压电器在长期工作时的发热》GB8287.1 《高压支柱瓷绝缘子技术条件》GB8287.2 《高压支柱瓷绝缘子尺寸和特性》GB1985 《交流高压隔离开关和接地开关》GB5273 《变压器、高压电器和套管的接线端子》GB3309 《高压开关设备常温下的机械试验》GB/T13601 《高压开关设备严重冰冻条件下的操作》DL/T 620 《交流电气装置的过电压保护和绝缘配合》QG/YW-SC-05-2009 《电网35kV及以下配电网设备技术导则》这些法则和标准提出了最基本要求,如果根据供货方的意见并经用户接受,使用优于或更为经济的设计或材料,并能使供货方设备良好地、连续地在本规所规定的条件下运行时,则这些标准也可以由供货方超越。
1.15 备品备件:供货方应提供安装时必需的备品备件,其容详见专用部分表3。
所有备品备件应为全新产品,与已经安装设备的相应部件能够互换,具有相同的规格材质和制造工艺。
所有备品备件应装在箱,防尘、防潮、防止损坏等与主设备一并发运,并标注“备品备件”以区别本体。
1.16 专用工具与仪器仪表:供货方应提供安装时必需的专用工具和仪器仪表,其容详见专用部分表3。
所有专用工具与仪器仪表必须是全新的、先进的且须附详细使用说明资料。
专用工具与仪器应装于箱,注明“专用工具”“仪器”,并标明防潮、防尘、易碎、向上、勿倒置等字样,同主设备一并发运。
2. 技术特性要求2.1 对机构和传动部分的要求a.轴承座密封:轴承座必须采用全密封结构,至少应有二道密封,可采用使用逆止阀结构的注油孔。
轴承润滑必须采用优质二硫化钼锂基润滑脂,并严格控制其质量指标。
b.轴套、轴销传动连接:轴销应采用不锈钢或铝青铜合金材料;轴套应使用铝青铜合金或复合轴套,必须具有自润滑措施,应保证30年使用寿命。
c.传动连杆:传动连杆应采用装配式结构,不允许在施工现场进行切焊配装。
连杆应选用满足强度和刚度要求的热镀锌无缝钢管,防腐镀层厚度不小于100μm,防腐镀层附着力不小于2000N,防腐镀层适用环境应满足Ⅳ级污秽要求,应保证使用寿命在30年以上。
d.机构箱:机构箱体应选用不锈钢,厚度不小于2mm,并满足机械强度要求,机构箱输出轴应采用迷宫密封形式,箱门采用气囊密封条,防护等级IP55,具有防潮、防腐、防尘、防小动物进入的功能,应设就地操作按钮及手动操作装置。
电动操作机构箱应备有温、湿度自动投切控制装置。
e.二次元件(热偶、电磁接触器、辅助开关、行程开关等):二次元件应选用经充分试验验证的优质产品。
辅助开关与传动连杆的连接应可靠、稳定、受力均匀,推荐采用直连传动。
二次元件的布置应能防止误碰。
操动机构的控制、联动及信号电路各元件的绝缘应能承受2kV、1min的工频耐压。
f.辅助开关应使用全密封结构,切换速度应大于12度/ms,开断容量不小于5A,触头材质为铜镀银,使用寿命应大于10000次。
辅助开关应采用真空辅助接点。
g.机构输出轴的连接:机构输出轴与本体传动轴应采用无级调节的连接方式,连接应牢固、可靠。
推荐采用不需调节的固定连接方式。
h.主开关和接地开关的联锁:主开关和接地开关间应具备机械联锁。
机械联锁闭锁方式应采用闭锁盘或锁销联锁形式,并应有足够的机械强度保证能够承受操作机构电机产生的堵转力矩。
不带接地开关的隔离开关应具有与携带型接地线联锁的机构。
i. 隔离开关应有明显、易观察的分、合闸位置指示标志,应具备分合电感、电容等小电流能力,应使电压互感器、避雷器、空载母线、励磁电流不超过2A的空载变压器及电容电流不超过5A的空载线路等,在正常操作时能可靠切断。
j. 隔离开关应能可靠切断母线环流,线路侧隔离开关接地刀应具备切合感应电流的能力。
k.. 接地开关的额定短时耐受电流和额定峰值耐受电流应和主刀一致。
2.2 对导电回路的要求a.主触头:镀银层厚度≥20μm、硬度≥120韦氏,触头镀银层附着力≥3000 N ,使用寿命应大于5000次。
b.触头弹簧:使用不锈钢材质,应进行防腐防锈处理,满足在Ⅳ级污秽条件下使用寿命30年,采用可靠的绝缘措施防止弹簧分流,推荐采用外压式触头弹簧及自力式触头。
c.触头可采用自润滑、自清洁结构。
d.垂直开启式隔离开关的静触头装配应由制造厂提供,并应满足接触区的要求,在钳夹最不利位置,隔离开关支持瓷瓶和管型母线的支持瓷瓶不应受额外的作用力。
e.导电回路弹簧应采用可靠的防止弹簧分流的措施。
2.3 对防腐防锈的要求a. 对无配合要求的外露件,如拐臂、基座、支架、螺栓、螺母等,应采用热镀锌工艺进行处理。
b. 防腐防锈工艺处理后外观应平整、光洁,防护层应牢固、厚度均匀、防锈耐腐。
对绝缘子的要求2.4高压隔离开关用支持绝缘子和操作绝缘子应是防污型高强度的产品,应满足GB772《高压绝缘子瓷件技术条件》、GB8287.1《高压支柱绝缘子技术条件》、GB8287.2《高压支柱绝缘子尺寸与特性》等相关国家标准的要求,隔离开关的支柱绝缘子应选用防污型高强度的产品。
40.5kV隔离开关支柱绝缘子抗弯强度不小于4kN,扭转强度不小于1.5kN·m。
每只瓷瓶都应进行50%额定抗弯强度试验,一批瓷瓶应按规定抽样进行弯扭破坏试验,应提供证明。
2.5 绝缘子金属附件采用上砂水泥胶装,胶装处胶合剂外露表面应平整,无水泥残渣及露缝等缺陷,胶装后露砂高度10-20mm,且不得小于10mm,胶装处应均匀涂以防水密封胶。
2.6 隔离开关和接地开关的机械寿命在无需进行机械调整、维修或更换部件情况下,操作次数不小于5000次。
2.72.8 隔离开关在规定的使用条件下,应能承受运行和操作时出现的电气及机械应力。
其金属制件(包括闭锁元件)应能耐受氧化及腐蚀、以及不同材料间的电蚀和材料热胀冷缩造成的附加应力的作用。
各螺纹连接部分应有防止松动的措施。
2.9在风力、重力、地震或操动机构与隔离开关之间的连杆被偶然撞击时,隔离开关应能防止从合闸位置脱开或从分闸位置合闸。
2.10接地开关的额定短时耐受电流和额定峰值耐受电流应和主刀一致。
2.11 设备底座及传动构件均要求热镀锌,厚度均匀,不小于90 m。
2.12 设备底座及传动构件均要求热镀锌。
2.13 设备轴承座采用全密封结构,轴销采用不锈钢或铝青铜材料,有自润滑措施,传动连杆采用装配式结构;机构输出轴与本体传动轴采用无级调节的连接方式。
2.14 回路电阻值由供货厂家提供,并应以型式试验实际测量值为基准,其偏差不超过±10%。
2.15 操动机构应能防寒、防热、防尘、防潮、防雨和防止异物等,乙方应在操作机构箱上设置供接地用的接地板,且提供机构箱门与箱体跨接的软连接,并配有两个接地端子。
2.16 操动机构的控制、联动及信号电路各元件的绝缘应能承受2kV、1min的工频耐压。
辅助开关应采用真空辅助接点。