安装工程识图部分
- 格式:ppt
- 大小:615.54 KB
- 文档页数:40
安装工程施工图识图案例一、工程概况某多功能厅,建筑面积518.4m2,建筑高度4.5m。
采用全空气一次回风式空调系统。
二、设计依据1.建筑专业提供的设计条件;2.《民用建筑供暖通风与空气调节设计规范》GB50736-20123.《全国民用建筑工程设计技术措施-暖通空调动力》(2009年版)4.《公共建筑节能设计标准》GB50189-20155.《通风与空调工程施工质量验收规范》GB50243-20166.《建筑设计防火规范》GB50016-2014(2018版)三、空调方式多功能厅采用全空气一次回风式空调系统,气流组织为上送上回式,送风口采用方形散流器,回风口采用格栅式。
北墙上设了三台排风机进行排风。
空调机组选用ZK-15型,设于空调机房内,消声器选用微穿孔板式消声器。
四、设备、管道安装1.风管采用镀锌钢板制作,法兰连接,法兰间用耐火塑胶密封条补垫。
风管及法兰的制作方法按《通风与空调工程施工质量验收规范》要求。
风管采用带特强防潮防腐贴面(白色或黑色)的离心玻璃棉板保温。
2.空调供回水管采用采用焊接钢管,焊接连接;空调冷凝水管采用镀锌钢管,丝扣连接。
水管均采用橡塑海棉保温材料保温。
3.风口安装要平整牢固,位置正确,连接严密,不漏风。
4.空调设备的基础待设备到货核实后方可施工。
5.吊顶必须在空调设备安装调试完毕后方可进行吊顶施工。
6.空调施工应与土建施工密切配合,预埋铁件,预留孔洞。
五、图中未详尽之处均按《通风与空调工程施工及验收规范》(GB50243-2016)进行施工和验收。
冷凝水管路的选择和布置应注意以下几点:1、凝结水管宜采用聚氯乙烯塑料管和镀锌钢管,不宜采用水煤气管。
采用金属管作为凝结水管时,管外应保温,以防管道表面结露。
2、冷凝水盘的泄水支管沿凝结水流向坡度不宜小于0.01,冷凝水水平干管不宜过长,其坡度不应小于0.003,且不允许有积水部位。
3、当冷凝水集水盘位于机组内的负压区时,为避免冷凝水倒吸,集水盘的出水口处必须设置水封。
第一章基本知识第一节投影原理(略)第二节施工图纸的组成和一般规定一、施工图纸的组成(一)施工图纸的分类施工图纸根据其内容和工种不同可分为:1、施工首页图(简称首页图)。
包括图纸目录和设计总说明。
2、建筑施工图(简称建筑)主要用来表示建筑物的规划位置、外部造型、内部各房间的布置、内外装修、构造及施工要求等。
(包括:总平面图、各层平面图、立面图、剖面图及详图。
3、结构施工图(简称结施)。
表示建筑物承重结构的类型、结构布置、构造种类、数量、大小、做法。
内容包括:结构设计说明、结构平面布置图及构造详图。
4、设备安装施工图(电施、水施等)。
设备安装所包括的专业图纸很多,主要表示建筑物的给排水、暖气通风、供电照明、燃气、通讯等设备的布局和施工要求。
其中主要包括设备布置图、系统图、详图等。
(二)施工图纸的编排顺序施工图纸应按专业顺序编排,一般应为目录、总图及说明、建筑图、结构图、给排水图、暖通图、电气图、弱电图等。
二、施工图纸的一般规定为了使建筑制图规格基本统一,图面清晰简明,保证图纸质量,符合设计、施工、存档要求,以适应国家工程建设需要,由建设部会同有关部门批准并颁布了一系列国家制图标准。
该标准要求所有工程人员在设计、施工、管理(当然包括工程预算人员)中必须严格执行。
(一)图纸的幅面和格式图纸幅面是指图纸本身的规格大小。
图框是图纸内供绘图的范围线。
图纸幅面图框按表规定。
(三)尺寸及单位施工图中均注有尺寸,作为施工依据。
尺寸由数字及单位组成。
总图以m(米)为单位,其余以mm(毫米)为单位。
(四)定位轴线定轴线是用来确定建筑物主要结构及构件位置的尺寸基准线(至少有纵向和横向两线来定位)凡承重构件如:墙、柱、梁、屋架、以及需要定位的各种设施等位置都要画上定位轴线并进行编号,施工时以此作为定位的基准。
定位轴线用单点长画线表示,端部画细实圆(D=8—10mm),圆心应在定轴线的延长线或延长折线上,圆内注明编号。
对称符号由对称线和两对平行线组成。
建筑安装工程识图建筑安装工程识图是建筑工程施工的重要环节之一。
识图是指根据建筑施工图纸,理解图纸上标明的各种精确尺寸、方位和符号,从而确保施工过程的准确性和顺利进行。
识图对建筑工程师和技术人员来说是一项必不可少的技能,下面将对建筑安装工程识图进行详细探讨。
一、识图的重要性在建筑工程中,图纸是记录和传达设计意图的重要手段,各项细节精确的图纸能够使施工人员更好地理解设计师的意图,从而确保施工的准确性和质量。
因此,识图是建筑工程施工的前提和基础,对工程师和技术人员来说具有重要的意义。
二、识图的基本原则在进行建筑安装工程识图时,需要遵循一些基本原则。
首先,要准确理解各种线条和符号。
线条代表不同的构件和物质,符号则代表不同的施工方法和特殊要求。
只有准确理解这些线条和符号的意义,才能正确解读图纸。
其次,要注重空间感和比例关系。
建筑施工图纸上的尺寸和比例是相对真实的,需要根据图纸上的标尺进行精确测量。
此外,识图时还需要关注各种标明的文字说明,以便更好地理解和遵守设计要求。
三、识图的基本内容建筑安装工程识图是一个复杂而多样的过程,包括很多基本内容。
首先是结构图的识图。
结构图标明了建筑物的基本结构形式和材料要求,包括墙体、楼板、梁柱等各个部分。
其次是给排水管道的识图。
管道的布置和连接方式需要根据图纸上的要求进行施工,以确保整个管道系统的运行畅通和安全可靠。
此外,还有电气线路图的识图。
电气线路图标明了电源、线路和设备之间的连接方式和布置位置,需要工程师和技术人员仔细阅读和理解。
四、识图的技巧和方法为了更好地识图,建筑工程师和技术人员需要掌握一些技巧和方法。
首先是要善于归纳总结,将图纸上的各种线条和符号进行分类和整理,帮助自己记忆和理解。
其次是要有耐心和细心,对每一个细节进行仔细辨认和分析,避免因疏忽而导致施工错误。
此外,还可以尝试使用相关的辅助工具和软件,如CAD软件、图纸扫描仪等,帮助自己更好地阅读和处理图纸。
五、识图的实践技巧在实际的建筑工程施工过程中,有一些实践技巧可以帮助工程师和技术人员更好地进行识图。
安装工程识图第一章管道工程图概述1.1管道工程图的分类(1)工业管道工程图:为生产输送介质、为生产服务的管道系统;例如:汽油、柴油、重油、蒸汽、氮气、氧气、氯和一切化工管道等等。
工业管道工程图:为生活或改善劳动卫生条件而输送介质管道属于建筑安装工程领域。
今天我们就讲一下卫生管道工程图。
(2)卫生管道工程图按专业分类:在建筑安装工程范围内卫生管道工程图又可分为建筑给排水管道、供暖管道、燃气管道、通风与空调管道等。
(3)按图形和作用分类:1.基本图纸、图纸目录、设计施工说明、设各类材料清单、工艺流程图、平面图、轴测图、立(剖)面图。
2.详图、大样图、节点、详图图和标准图等。
(1)图纸目录:便于查阅和保管,将一个项目工程的施工图纸按一定的名称和顺序归纳整理编排而成,通过图纸目录可知道该项目整套专业图别、图名及数量等。
(2)设计施工说明:设计人员在图样上无法表明而又必须要建设单位和施工单位知道的一些技术和质量要求,一般以文字的形式加以说明。
其内容包括工程设计的主要技术数据、施工验收要求以及特殊注意事项。
如空调工程施工图纸的设计说明则有空调冷负荷、耗电、耗水指标等。
(3)工艺流程图:是整个管道系统,整个工艺变化的过程的原理图。
是设各布置和管道布置等设计的依据,也是施工安装和操作运行的依据。
通过此图,可全面了解建筑物名称、设备编号,整个系统的仪表控制点,可确切了解管道的材质、规格、编号、输送的介质与流向以及主要控制阀门等。
(4)平面图:管道平面图是管道工程中最基本的一种图样,主要表示设备、管道在建筑物内的平面布置,表示管线的排列和走向,坡度和坡向,管径和标高以及各管段的长度尺寸和相对位置等具体数据。
(5)轴测图:是管道工程中的重要图解之一,它反映设备管道的空间布置,管线的空间走向。
建筑给排水和暖通工程图,通常结合平面图和轴测图进行识图。
(6)立(剖)面图:是管道工程中常见的图解,主要反映管道在建筑物内的垂直高度方向上的布置,反映在垂直方向上管线的排列和走向,以及各管线的编号、管径、标高等具体数据。
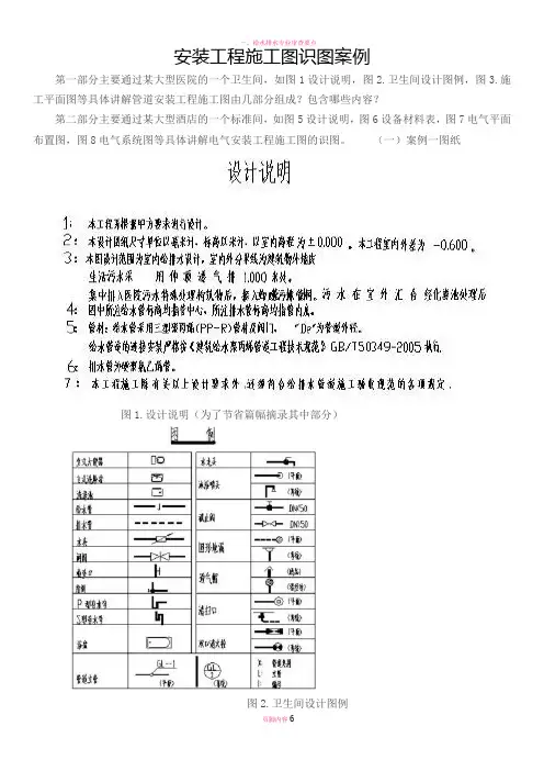
一、给水排水专业审查要点安装工程施工图识图案例第一部分主要通过某大型医院的一个卫生间,如图1设计说明,图2.卫生间设计图例,图3.施工平面图等具体讲解管道安装工程施工图由几部分组成?包含哪些内容?第二部分主要通过某大型酒店的一个标准间,如图5设计说明,图6设备材料表,图7电气平面布置图,图8电气系统图等具体讲解电气安装工程施工图的识图。
(一)案例一图纸图1.设计说明(为了节省篇幅摘录其中部分)图2.卫生间设计图例图3.施工平面布置图图4.部分立管系统图(二)案例一解析1、图纸构成; 本例卫生间给排水安装工程图纸由设计施工说明、图例、施工平面布置图、立管系统图、局部放大图,安装详图等组成。
为了简化,省去了局部放大图和卫生间详图。
2、设计施工说明部分; 设计施工说明是有文字和数字组成的,主要阐述工程地理位置、工程概况、设计的依据(建设单位对功能要求,国家规范、行业规范等)、施工要求、设计参数、所选管材、管道连接方式、安装要求、压力要求、采用图集等,这部分必须仔细阅读,是图纸的总纲,直接关系着工程的造价高低。
3、图例部分; 设计图例是看图的模板,说明图例代表说明内容可以在看图过程中进行对照,第一节已经做了详细介绍。
4、施工平面图部分; 平面图是各种管道设备等在水平面上的投影图,为最重要的施工图纸,反映各种管道、卫生设备器具等在平面上的位置关系、走向,也是工程量计算的主要依据,一定要高度重视平面图的识读。
主要读懂以下内容。
4.1管道的规格;本例有De20、De25、De32、De40、De50、De75、De110等。
4.2管道的数量(按照图纸上面比例尺和建筑结构尺寸计算);本单元下有详细讲解。
4.3阀门的种类、规格、数量;本例每层有旋塞阀DN15、DN25、DN40,冲洗阀DN20等。
4.4大便器的种类(蹲式还是坐式,有水箱还是冲洗阀冲洗)、数量;本例是每层有坐式大便器2个、蹲式大便器3个。
4.5小便器的种类(壁挂还是立式)规格、数量;本例是每层有壁挂式小便器5个。
第一章管道施工图识读1. 设计规范要求,暖气支管不得小于DN20。
2. 保温常规做法――给水:防结露保温,热水:保温,消防:不保温,冷冻水:连阀门都需保温,冷却水:按设计要求,未要求可以不作。
一般吊顶里的管道均需保温。
给水:暗敷防结露保温;明敷穿越门厅、卧室和客厅过门处必须做防结露保温。
排水:暗敷做防结露保温;明敷公共厕所座便上反水弯必须做。
管井里除消防、喷洒管道管道外均做保温。
3. 镀锌钢管连接方式:《DN100丝接,>DN100可焊接(需防腐),可法兰焊接(需二次镀锌),少量可丝扣法兰连接。
4. 管道外皮距墙距离为25-50mm。
5. 采暖干管接立管时,当立管直线管段<15m时,采用2个90。
弯头,当直线管段>15m时采用3个90。
弯头。
6. 施工时,排水管宁高勿低,地漏宁低勿高。
7. 标高规定:室内管道一般为管中,室外管道排水为管内底,给水为管顶。
8. 暖气片中应与窗同轴。
9. 闸阀:开关作用,阻力系数0.5;截止阀:调节开关作用,阻力系数19。
10. 补偿器分为:自然补偿,方型胀力,弯头,波纹补偿器,套筒补偿器,球型胀力,角质胀力。
11. 集气罐:干管末端,其管径为末端管道直径的4-6倍。
膨胀水箱:稳压、排气、容纳膨胀水、信号作用。
气压罐:稳压、排气。
膨胀水箱共五根管道:膨胀管、循环管、溢水管、排污管、信号管。
集气罐安装位置:管道接口距集气罐上端2/3,距下端1/3。
12. 按照标准图集,掌握热媒入口情况。
13. PP-R管可以套用铝塑复合管或给水U-PVC管道定额。
14. (1)刚性防水套管:Ⅰ型防水套管,Ⅱ型防水套管,Ⅲ型防水套管Ⅰ型防水套管适用于铸铁管和非金属管;Ⅱ型防水套管适用于钢管;Ⅲ型防水套管适用于钢管预埋,将翼环直接含在钢管上。
(2)柔性防水套管一般适用于管道穿过墙壁处受有振动或有严密防水要求的构筑物。
一般管道穿外墙的管道加防水套管。
穿水池的管道采用柔性防水套管。