江苏省内河航道分级与航道尺度表
- 格式:doc
- 大小:52.50 KB
- 文档页数:1
航道的等级划分一、航道概念航道是指沿海、江河、湖泊、水库、渠道及运河内可供船舶排筏在不同的水位期通航的水域。
1.通航水域就术语的含义而言,船舶及排筏可以通达的水面范围都是通航水域,则沿海、江河、湖泊、水库、渠道和运河内可供船舶、排筏在不同水位期的通航水域即为航道。
要明确界定通航水域,首先要明确船舶和排筏的含义。
在《中华人民共和国海上交通安全法》中指明船舶“是指各类排水或非排水船、筏、水上飞机、潜水器和移动式平台”;在《中华人民共和国内河交通安全管理条例》中则规定船舶“是指各类排水或非排水的船艇和移动式平台”。
前者将排筏列入船舶的范围,后者则未作这样的明文规定。
船舶种类很多,有大有小,其作为水上运载工具的属性是相同的,但不同类别和大小的船舶其功能相异。
具有能让营运船舶和大中型排筏通达条件的水域定为有真正意义的通航水域,当然,这类水域同样可供小艇和小排筏通行。
2.航道广义上必须把航道理解为水道或河道整体,它可以不包括堤防和整个河漫滩,但不能不包括常遇洪水位线以下的基本河槽或者是中高潮位以下的沿海水域。
航道的狭义理解等同于“航槽”。
因为航道应当有尺度标准和设标界限,航道位置可以随河床演变或水位变动而随时移动,航道尺度也可以随季节与水位变化以及治理工程的实施而有所调整。
除了运河、通航渠道和某些水网地区的航道以外,航道宽度总是小于河槽的宽度。
在天然河流、湖泊、水库内,航道的设定范围总是只占水面宽度的一部分而不是全部。
用航标标示出的可供船舶航行利用的这一部分水域,受到客观自然条件的制约。
在天然条件下,不同水位期能供船舶安全通航的那一部分水域,既有尺度要求,也有水流条件的要求。
在某些特定的航段内,还受到过河建筑物如桥梁、过江管道、缆线的限制。
因此,狭义的航道是一个在三维空间尺度上既有要求、又有限制的通道。
二、航道分类我国江河湖泊众多,海岸线漫长,航道流经的地质条件和水量补给等因素差异很大,同时,各地经济、技术发展不平衡,航道建设、航道管理的水平和投入程度不一,航道有条件分类的方法.主要有以下几种:1.按航道的等级划分根据《内河通航标准》的规定,我国航道等级由高到低分I、Ⅱ、Ⅲ、Ⅳ、V、Ⅵ、Ⅶ级航道,这7级航道均可称为等级航道。
一、长江航道
长江水道主要有凡家矶水道、乌江水道、大胜关水道、南京水道、大桥水道、宝塔水道、草鞋峡水道、龙潭水道和仪征水道。
分为主航道、副航道、桥区航道、专用航道、小轮航道,总计177.5公里。
(1)主航道
南京燕子矶以下主航道为深水航道,维护水深为最小水深10.5米,航道宽度500米;南京燕子矶以上主航道,最小维护水深为最小水深6.5米。
(2)副航道
与主航道相应,辅助主航道,起到分流主航道通航压力,且航道宽度略小于主航道的航道。
维护水深为4.5米(南京长江大桥4、6孔除外),航道宽度200米。
(3)、桥区航道
桥区航道最小维护水深为实际水深6.5米。
(4)、专用航道
专用航道为宝塔水道,宝塔水道专用航道由扬子乙烯、南化公司、华能电厂专用航道三段组成。
下段维护水深为实际水深10.0米,航道宽度150米(枯水期维护水深常需靠疏浚维持);中段维护水深为实际水深4.5米,航道宽度100米;上段维护水深为实际水深7米,航道宽度150米。
(5)、小轮航道
小轮航道为大胜关水道,尚未定级,现已禁航。
二、桥梁情况
南京长江大桥净空通航高度32米(以黄海为零的水面基准) 。
南京长江二桥、南京长江三桥等其他长江下游的大桥净空通航高度均大于南京长江大桥净空通航高度。
长江江苏段一、二、三类水域一览表类别航段或水域名称和范围一类水域桥区水域(5座大桥)1、苏通大桥(上界:大桥轴线上3400米;下界大桥轴线下3800米。
),2、泰州大桥(上界:大桥轴线上1500米;下界大桥轴线下1000米。
),3、南京四桥(上界:南京长江四桥施工6#浮对标联线,下界:南京长江四桥施工1#浮与南京炼油厂12号码头联线。
),4、南京大桥(上界:北岸浦口火车轮渡码头与南岸护桥部队铁制瞭望台之间的联线;下界:南京长江大桥以下1000米处南北两岸联线。
)5、大胜关高速铁路大桥、南京三桥(板桥汽渡)(上界:南岸凤翔码头与北岸七坝三角测点联线;下界:南京长江第三大桥桥轴线下游800米处南北两岸联线。
)渡运水域(13道客汽渡)海太汽渡(上界:长江#14红浮与B#12黑浮联线;下界:长江B#11黑浮经#13黑浮与南岸联线),2通沙汽渡(天生港专用水道下口)(上界:天#3红浮经通锚#1浮与通锚#2浮联线;下界:以长江#30左右通航浮和长江30#红浮联线下游1000米的水域),3、张皋汽渡(上界:张家港锚地(No:11)下界浮与南岸七圩三角测点联线;下界:长江#38-1左右通航浮与大新#1浮联线),4、江阴火车轮渡(福姜沙水道上口)(上界:北岸小桥港与南岸肖山水文站联线;下界:FB14#黑浮上游600米处与南岸大河港联线。
),5、韭菜港汽渡和黄田港汽渡(上界:长江#62红浮与黑浮联线;下界:北岸金泰水塔与南岸江阴船厂码头联线。
),6、利港汽渡(上界:长江#68黑浮与南岸利电烟(下)联线;下界:长江#67红浮与黑浮联线。
),7、圩塘汽渡(上界:长江#72红浮与黑浮联线上游300米;下界:长江#71红浮与黑浮联线上游800米。
),8、扬中汽渡(上界:高港水泵房码头与南岸二墩港河口上400米联线;下界:北岸船厂水塔与南岸扬中水厂专用浮联线。
),9、大港汽渡(上界:北岸东还原测点下1000米与南岸大港三期散货码头上端联线;下界:长江#98黑浮与南岸大港塔形岸标联线。
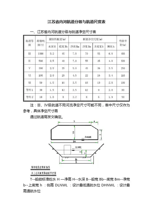
江苏省内河航道分级与航道尺度表
一、江苏省内河航道分级与航道净空尺寸表
注:Ⅲ、Ⅳ级航道不同河流净空尺寸可能不同,表中尺寸仅作为参考,具体净空尺寸需
通过航道局发文确定。
T--船舶标准吃水 H —净高 H--水深 B--船宽 Bb--底宽 Bm--净宽b--上底宽 h :侧高 DLNWL :设计最低通航水位 DHNWL :设计最高通航水位
二、公路净高规定
按《公路桥涵通用设计规范》(JTG D60-2004)规定,高速公路、一级公路、二级公路的净高为5.00m ,三级公路、四级公路的净高为4.50m ,人行道净高为2.5m 。
附:江苏交通控股有限公司《关于构造物跨越已建高速公路有关事宜的意见》(苏交控工[2007]100号)文件规定:为满足日后养护工程实施要求,跨越结构物底面至路面(应充分考虑按规划标准扩建后的情况)的最小距离应不小于5.2米。
内河航道分级标准
•一级航道:可通航3000吨水深3.5-4.0米,单线直线航道宽度70-125米,弯曲半径670-1200米;
•二级航道:可通航2000吨水深2.6-3.0米,单线直线航道宽度40-100米,弯曲半径550-810米;限制性航道水深4米,直线段双线底宽60米,弯曲半径540米;
•三级航道:可通航1000吨,水深2.0-2.4米,单线直线航道宽度30-55米,弯曲半径480-720米;限制性航道水深3.2米,直线段双线底宽45米,弯曲半径480米;
•四级航道:可通航500吨,水深1.6-1.9米,单线直线航道宽度30-45米,弯曲半径330-500米;限制性航道水深2.5米,直线段双线底宽40米,弯曲半径320米;
•五级航道:可通航300吨,水深1.3-1.6米,单线直线航道宽度22-35米,弯曲半径270-280米;限制性航道水深2.5米,直线段双线底宽35米,弯曲半径250米;
•六级航道:可通航100吨,水深1.0-1.2米,单线直线航道宽度15米,弯曲半径180米;限制性航道水深2.0米,直线段双线底宽20米,弯曲半径110米;•七级航道:可通航50吨,水深0.7-0.9米,单线直线航道宽度12米,弯曲半径130米;限制性航道水深1.5米,直线段双线底宽16米,弯曲半径100米;。
一、长江航道
长江水道主要有凡家矶水道、乌江水道、大胜关水道、南京水道、大桥水道、宝塔水道、草鞋峡水道、龙潭水道和仪征水道。
分为主航道、副航道、桥区航道、专用航道、小轮航道,总计177.5公里。
(1)主航道
南京燕子矶以下主航道为深水航道,维护水深为最小水深10.5米,航道宽度500米;南京燕子矶以上主航道,最小维护水深为最小水深6.5米。
(2)副航道
与主航道相应,辅助主航道,起到分流主航道通航压力,且航道宽度略小于主航道的航道。
维护水深为4.5米(南京长江大桥4、6孔除外),航道宽度200米。
(3)、桥区航道
桥区航道最小维护水深为实际水深6.5米。
(4)、专用航道
专用航道为宝塔水道,宝塔水道专用航道由扬子乙烯、南化公司、华能电厂专用航道三段组成。
下段维护水深为实际水深10.0米,航道宽度150米(枯水期维护水深常需靠疏浚维持);中段维护水深为实际水深4.5米,航道宽度100米;上段维护水深为实际水深7米,航道宽度150米。
(5)、小轮航道
小轮航道为大胜关水道,尚未定级,现已禁航。
二、桥梁情况
南京长江大桥净空通航高度32米(以黄海为零的水面基准) 。
南京长江二桥、南京长江三桥等其他长江下游的大桥净空通航高度均大于南京长江大桥净空通航高度。
内河航道分级标准
精品资料
内河航道分级标准
•一级航道:可通航3000吨水深3.5-4.0米,单线直线航道宽度70-125米,弯曲半径670-1200米;
•二级航道:可通航2000吨水深2.6-3.0米,单线直线航道宽度40-100米,弯曲半径550-810米;限制性航道水深4
米,直线段双线底宽60米,弯曲半径540米;
•三级航道:可通航1000吨,水深2.0-2.4米,单线直线航道宽度30-55米,弯曲半径480-720米;限制性航道水深3.2米,直线段双线底宽45米,弯曲半径480米;
•四级航道:可通航500吨,水深1.6-1.9米,单线直线航道宽度30-45米,弯曲半径330-500米;限制性航道水深2.5
米,直线段双线底宽40米,弯曲半径320米;
•五级航道:可通航300吨,水深1.3-1.6米,单线直线航道宽度22-35米,弯曲半径270-280米;限制性航道水深2.5米,直线段双线底宽35米,弯曲半径250米;
•六级航道:可通航100吨,水深1.0-1.2米,单线直线航道宽度15米,弯曲半径180米;限制性航道水深2.0米,直线段
双线底宽20米,弯曲半径110米;
•七级航道:可通航50吨,水深0.7-0.9米,单线直线航道宽度12米,弯曲半径130米;限制性航道水深1.5米,直线
段双线底宽16米,弯曲半径100米;
仅供学习与交流,如有侵权请联系网站删除谢谢2。
v1.0 可编辑可修改
1
内河航道分级标准
一级航道:可通航3000吨水深米,单线直线航道宽度
70-125米,弯曲半径670-1200米;
二级航道:可通航2000吨水深米,单线直线航道宽度
40-100米,弯曲半径550-810米;限制性航道水深4米,直线段双线底宽60米,弯曲半径540米;
三级航道:可通航1000吨,水深米,单线直线航道宽度30-55米,弯曲半径480-720米;限制性航道水深米,直线段双线底宽45米,弯曲半径480米;
四级航道:可通航500吨,水深米,单线直线航道宽度30-45米,弯曲半径330-500米;限制性航道水深米,直线段双线底宽40米,弯曲半径320米;
五级航道:可通航300吨,水深米,单线直线航道宽度22-35米,弯曲半径270-280米;限制性航道水深米,直线段双线底宽35米,弯曲半径250米;
六级航道:可通航100吨,水深米,单线直线航道宽度15米,弯曲半径180米;限制性航道水深米,直线段双线底宽20米,弯曲半径110米;
七级航道:可通航50吨,水深米,单线直线航道宽度12米,弯曲半径130米;限制性航道水深米,直线段双线底宽16米,弯曲半径100米;。
附表1:全国内河高等级航道布局方案表附表2:长江三角洲高等级航道网布局方案表附表3:珠江三角洲高等级航道网布局方案表四、布局方案(一)层次划分全国内河航道划分为两个层次:包括高等级航道和其它等级航道。
高等级航道是全国内河航道的核心和骨干,是国家综合运输体系的重要组成部分,有条件的还可与其他交通方式共同组成发展为综合运输大通道,主要指现有的和规划建设为可通航千吨级船舶的三级及以上航道,个别地区的航道受条件限制为可通航500吨级船舶的四级航道。
全国内河港口划分为三个层次:包括主要港口、地区重要港口和一般港口。
内河主要港口是指地理位置重要、吞吐量较大、对经济发展影响较广的港口。
本次规划的重点是内河高等级航道和主要港口。
内河其它等级航道以及地区重要港口和一般港口由各省(自治区、直辖市)人民政府在各省(自治区、直辖市)内河水运规划中明确。
(二)布局方案在水资源较为丰富的长江水系、珠江水系、京杭运河与淮河水系、黑龙江和松辽水系及其他水系,形成长江干线、西江航运干线、京杭运河、长江三角洲高等级航道网、珠江三角洲高等级航道网、18条主要干支流高等级航道(两横一纵两网十八线、简称2-1-2-18)和28个主要港口布局。
规划内河高等级航道约1.9万公里(约占全国内河航道里程的15%),其中三级及以上航道14300公里,四级航道4800公里,分别占75%和25%。
规划内河主要港口包括泸州港、重庆港、宜昌港、荆州港、武汉港、黄石港、长沙港、岳阳港、南昌港、九江港、芜湖港、安庆港、马鞍山港、合肥港、湖州港、嘉兴内河港、济宁港、徐州港、无锡港、杭州港、蚌埠港、南宁港、贵港港、梧州港、肇庆港、佛山港、哈尔滨港、佳木斯港。
1、长江水系长江水系高等级航道布局方案为“一横一网十线”。
“一横”:长江干线“一网”:长江三角洲高等级航道网以长江干线和京杭运河为核心,三级航道为主体,四级航道为补充,由23条航道组成“两纵六横”高等级航道网。
航道等级划分标准和限航尺度航道等级划分标准和限航尺度航道是指水上运输船舶巡航的水域,它是航运安全的重要因素。
为了保证航运安全,在航道规划中应考虑航道等级划分和有效控制船舶的限航尺度。
一、航道等级的划分标准航道等级划分是根据船舶的吨位和航行能力、河流地貌和导航要求等因素区分不同的航道等级。
具体标准如下:1. 一级航道:允许吃水深度最大为10.7米、船舶长为218.3米、宽度为32.3米、总吨位为35000吨的大型船舶通航。
2. 二级航道:允许吃水深度最大为8.8米、船舶长为174.8米、宽度为27.4米、总吨位为20000吨的船舶通航。
3. 三级航道:允许吃水深度最大为7.0米、船舶长为135.6米、宽度为20.9米、总吨位为5000吨的船舶通航。
4. 四级航道:允许吃水深度最大为4.5米、船舶长为80.4米、宽度为12.8米、总吨位为1000吨的船舶通航。
5. 五级航道:允许吃水深度最大为2.5米、船舶长为50.9米、宽度为8.8米、总吨位为200吨的船舶通航。
以上标准是根据航道宽度、河流中的水深以及允许通航船舶的最大尺寸、吨位进行划分的。
为了确保船舶的安全航行,对于不同级别的航道,应该根据其特定的情况进行不同的限航尺度控制。
二、限航尺度的控制限航尺度是指允许通航的船舶所能达到的最大尺寸、吨位等参数。
对于航道中限制通航的因素,应根据航道等级和河流地貌等实际情况制定相应的限航措施。
1. 航道净宽限制:对于航道宽度受到限制的情况,应设立执勤人员限制通行。
2. 桥梁净空限制:对于航道中存在跨越的桥梁,应根据桥梁的净空高度和水位情况制定相应的限航措施。
3. 水深限制:水深也是限制船舶通行的重要因素,对于深度受限的航道,应设立测深站对航道进行实时监测,并设置临时限航标志。
4. 弯道限制:对于存在弯道的航道,为了保证船舶的安全航行,应设立限航标志或设置限航带,以避免船舶进入弯道时因造成擦碰和碰撞而影响安全。
长江江苏段船舶定线制规定(2013)总则第二条凡航行于长江江苏段通航水域的船舶,均应遵守本规定。
下列船舶因工作需要可不按规定的航路行驶:●正在执行公务的船舶;●在核定水域内在航施工的工程船舶;●进行海难救助的船舶;第三章航行第十条航速:任何时候要以安全航速行驶在不危及他船或设施安全的情况下,正常航行时:最高航速不得超过15节最低航速不得低于4节(泰州公路桥区下界浮以下:不得低于6节)第十二条各自靠右尽可能远离分隔带或分隔线实施追越需短时占用分隔带,应在确保安全的情况下谨慎进行第十三条航速低于最低航速要求的大型船舶:应到推荐航路航行,如因故不能进推荐航路航行时,应尽可能沿通航分道右侧边缘行驶第十四条小型船舶必须按规定的推荐航路行驶(没有推荐航路沿右侧边缘行驶)第十五条经过通航条件受到限制的水域前或自身操纵能力受到限制时:1)应向主管机关设置的船舶交通管理中心报告2)在无碍他船行驶且采取必要的安全措施后,大型船舶可选择航路行驶3)驶过后应及时恢复到规定的通航分道内行驶第二十条横越:1)渡轮、靠离泊、进出锚地、服务区(见附件8)、河口,需横越通航分道、推荐航路,应当注意航道情况和周围环境,在无碍他船安全行驶的情况下,尽可能与通航分道、推荐航路成直角就近进行2)因靠离码头需要,在无碍他船安全行驶的情况下,事先向主管机关设置的船舶交通管理中心报告,征得同意后可选择航路行驶第四章停泊第二十一条大型船舶必须在主管机关公布的锚地或停泊区内停泊(见附件9)第二十二条小型船舶停泊(不能抛在海轮锚地和航道及分隔带内)第二十三条紧急抛锚:应尽可能让出通航分道第五章避让第二十四条下列情形,应主动避让沿通航分道正常行驶的船舶●未按规定在通航分道、推荐航路内行驶的船舶●进出汊河口、支流及专用航道的船舶●横江渡轮靠离码头进出锚地及服务区的船舶第二十五条在经过桥区、渡运区(见附件10)、码头、锚地、服务区、支汊流河口、施工区之前,谨慎驾驶,注意横越船动态,并提前采取减速、停车等有效措施协助避让。
辖区航道信息(连云港主港区航道,徐圩航道,赣榆航道,灌河航道)辖区航道信息连云港VTS区域内共有四条主要航道,分别为赣榆港区5万吨级航道、连云港区25万吨级航道(包括5万吨级老港区航道、15万吨级庙岭航道和5万吨级墟沟航道)、10万吨级徐圩港区航道和2万吨级灌河口航道。
1、连云港港25万吨级航道。
该航道于2012年12月9日零时起正式开通使用。
该航道为25万吨级散货船单向乘潮航道,全长52.9千米,由旗台段、外航道内段和外航道外段三部分组成。
外航道有效宽度270米,自36号灯浮附近向内航道有效宽度增至290米;旗台段航道最小有效宽度520米,最大有效宽度672米。
航道旗台段、外航道内段设计底标高为-19.8米,外航道外段设计底标高为-20.3米。
连云港港25万吨级航道参数表航道名称轴向(度) 轴线起止点(WGS-84)长度(千米)有效宽度(米)设计底标高(米)连云港港25万吨级航道旗台段292-112起34°44′20.38″N119°29′15.99″E1.4 520/672 -19.8止34°44′03.60″N119°30′06.30″E连云港港25万吨级航道外航道内段243-063起34°44′03.60″N119°30′06.30″E15.9 270/290 -19.8止34°47′58.72″N119°39′25.49″E连云港港25万吨级航道外航道外段243-063 起34°47′58.72″N119°39′25.49″E35.6 270 -20.3连云港15万吨航道、老港区航道和墟沟航道航道名称航道长度(千米) 航道轴向(度)轴线起止点(WGS-84)设计通航水深(米)疏浚水深(米)有效通航 宽度 (米)连云港港15万吨级 航道庙岭段2.689 090-270起34°45′10.96″N119°26′44.31″E-15.5 -16.0 230止34°45′10.96″N119°24′58.59″E 老港区航道0.8090-270起34°44′43.10″N 119°27′55.94″E-10.5 -11.0 140止34°44′43.10″N119°27′24.49″E 墟沟航道1.4090-270起34°45′09.07″N 119°24′58.59″E-10.5 -11.0 259止34°45′09.07″N119°24′03.41″E2、连云港港徐圩港区航道。
航道的分类、等级及通航尺度航道泛指可供船舶航行的水域,包括江河、湖泊、海洋中的可供航行水域。
特指为船舶安全航行划定的水道,具有一定的宽度与深度,为船舶进出港口提供了一条特定的安全航行路线,多数情况下航道需要通过整治而成,是港口的重要配套设施。
航道广义上理解为水道或河道整体,狭义的航道是一个在三维空间尺度上既有要求、又有限制的通道,受到客观自然条件的制约,如桥梁、过江管道、缆线等的限制。
一、航道的分类航道可分为人工航道、天然航道和渠化航道,分别说明如下。
(一)按成因分类指人工开凿的航道,即需要通过疏浚、炸礁等整治方式达到设计要求的航道。
在内陆地区用于船舶通航的人工航道又称运河。
目的是扩大通航等级,缩短航行路径,降低运输费用,方便人们生产和生活。
世界上著名的国际通航运河,主要有苏伊士运河、巴拿马运河、基尔运河等,目前世界最长的人工通海航道是北美洲的圣劳伦斯河,于上世纪50年代美、加两国共同整治,自加拿大安大略湖口计总长960公里,河床浚深达8.2米,2万吨海轮可从大西洋经此深水通海航道直达五大湖岸。
我国最长的人工运河是京杭大运河,也是世界上里程最长、工程最大、最古老的运河之一,途经北京、天津两市及河北、山东、江苏、浙江四省,贯通海河、黄河、淮河、长江、钱塘江五大水系,全长约1794公里,开凿到现在已有2500多年的历史。
2.天然航道指自然形成的江、河、湖、海等水域中的航道。
包括水网地区在原有较小通道上拓宽加深的那一部分航道,如广东的东平水道、宁波的虾峙门航道等。
圣劳伦斯河中蒙特利尔至河口656公里是天然航道。
目前世界上无论是海港航道或者内河航道,多数航道为人工航道和天然航道的组合航道,与设计通航水深有关,也与设计航道尺度有关。
指位于渠化河段内的航道。
渠化是在天然河流上建拦河闸坝和船闸壅高上游河段水位,增加通航水深,以改善航行条件的航道治理工程措施。
渠化工程的水工建筑物一般包括挡水建筑物、泄水建筑物、通航建筑物以及其他综合利用水资源的专门建筑物,它们共同组成渠化枢纽。
江苏省驾空电力、电信线跨河净高尺度苏交航(1996)23号江苏省驾空电力、电信线跨河净高尺度苏交航(1996)23号发布日期:2010-02-03 访问次数:531、根据中华人民共和国《内河通航标准》第4.2.1条"电力、电信过河线、水文测验及其它水上过河缆线的净高,应按缆线夏季垂弧最低点至设计最高通航水位的距离计算,其净高值应不小于最大船舶空载高度加安全富裕高度之和",驾空电力、电信线跨河净高尺度需满足下式:H≥H1+H2H-气温40℃时裸导线弧垂最低点至设计做高通航水位的最小垂直距离(M)H1-最大船舶空载高度(M)H2-安全富裕高度(M)2、最大船舶空载高度(含特种船舶或船舶承担特种运输任务、船舶跨航道等级航行时的空载高度及帆船、渔船进入内河航行时的桅杆高度)应按表1所列数值取用:最大船舶空载高度H1 表1航道等级ⅡⅢⅣⅤⅥⅦ等外H1(m)17.016.516.012.59.08.58.03、架空电力、电信线在气温40℃时裸导线对最大船舶空载高度的安全富裕高度应不小于表2所列数值。
安全富裕高度H2 表2电力线电信线电压等级(KV)1—1035110220500H2(M)1.52.02.03.06.01.54、江苏省内河航运等级技术详见交工发(1993)1277号《关于江苏省京航运河等航道技术等级的批复》、江苏省人民政府苏政复(1994)12号《关于江苏省5至7级航道技术等级的批复》附件及江苏省交通厅苏交航(1994)7号《关于发布江苏省等外级航道的通知》附件1。
5、航道通航水位详见苏交航(1994)7号文附件3(1)及附件3(2)。
6、交通部交工发(1993)1277号《关于江苏省京航运河等航道技术等级的批复》中明确灌河的"武障河闸至灌河口段77.5公里为三级标准航道。
跨河、过河建筑物的建设标准应考虑通海轮的需要。
"当架空电力、电信线跨越此航道时,其最大船舶空载高度由省交通厅另行确定。
一、江苏省内河航道分级与航道净空尺寸表
注:Ⅲ、Ⅳ级航道不同河流净空尺寸可能不同,表中尺寸仅作为参考,具体净空尺寸需
通过航道局发文确定。
T--船舶标准吃水 H —净高 H--水深 B--船宽 Bb--底宽 Bm--净宽 b--上底宽 h :侧高 DLNWL :设计最低通航水位 DHNWL :设计最高通航水位
二、公路净高规定
按《公路桥涵通用设计规范》(JTG D60-2004)规定,高速公路、一级公路、二级公路的净高为5.00m ,三级公路、四级公路的净高为4.50m ,人行道净高为2.5m 。
附:江苏交通控股有限公司《关于构造物跨越已建高速公路有关事宜的意见》(苏交控工[2007]100号)文件规定:为满足日后养护工程实施要求,跨越结构物底面至路面(应充分考虑按规划标准扩建后的情况)的最小距离应不小于5.2米。